Исследование робастных свойств систем с модальным управлением
ФЕДЕРАЛЬНОЕ АГЕНТСТВО ПО ОБРАЗОВАНИЮ
Государственное образовательное
учреждение высшего профессионального образования
«Санкт-Петербургский государственный
электротехнический университет
"ЛЭТИ" имени В.И. Ульянова
(Ленина)»
Факультет электротехники и автоматики
(ФЭА)
Кафедра систем автоматического
управления (САУ)
«К защите
допустить»
Заведующий кафедрой САУ,
д.т.н., профессорВ.В. Путов
Пояснительная записка
К ДИПЛОМНОЙ РАБОТЕ
на тему: ”Исследование робастных
свойств систем с модальным управлением“
Дипломник,
студент гр. 4411/Акаёмов А.С./
Руководитель, к.т.н., доцент каф. САУ/Второв В.Б./
Санкт - Петербург
2010 г.
РЕФЕРАТ
робастность модальный
регулятор антенна радиолокационный
В дипломной работе спроектирован модальный регулятор для следящего привода
антенны бортовой радиолокационной станции (БРЛС), в которой присутствует
явление механической упругости. Для реализации модального регулятора
синтезирован наблюдатель, оценивающий переменные состояния объекта управления
непосредственным измерением. Исследована чувствительность показателей качества
динамики системы к вариациям неопределенных параметров показателей качества
системы, а также возможность повышения робастности системы.
ОГЛАВЛЕНИЕ
ВВЕДЕНИЕ
1 МАТЕМАТИЧЕСКИЕ МОДЕЛИ СЛЕДЯЩЕЙ СИСТЕМЫ С ДВУХМАССОВЫМ
ЭЛЕКТРОМЕХАНИЧЕСКИМ ОБЪЕКТОМ УПРАВЛЕНИЯ
.1 Структурная схема системы
.2 Расчёт контурных регуляторов
.3 Анализ динамических свойств системы подчиненного
регулирования
.4 Постановка задачи
АНАЛИЗ РОБАСТНЫХ СВОЙСТВ СИСТЕМЫ С МОДАЛЬНЫМ
УПРАВЛЕНИЕМ
.1 Модальное управление
.2 Расчет модального регулятора для следящей системы
.2.1 Ручной расчет модального регулятора
.2.2 Расчет модального регулятора с помощью системы Matla
.3 Анализ влияния параметрических возмущений на
динамические свойства систем
.3.1 Корни характеристического полинома
.3.2 Исследование системы с модальным регулятором методом
корневого годографа
.3.3 Влияние параметрических возмущений на динамические
свойства системы с модальным управлением по истинному вектору состояния
.4 Выводы по второй главе
РЕАЛИЗАЦИЯ ЗАКОНА МОДАЛЬНОГО УПРАВЛЕНИЯ С ПОМОЩЬЮ
НАБЛЮДАТЕЛЯ
.1 Расчет стационарного наблюдателя
.2 Анализ чувствительности оценок, вырабатываемых
наблюдателем, к вариациям параметров объекта управления
.3 Интегральная оценка робастных свойств системы с
модальным регулятором и наблюдателем
.4 Выводы по третьей главе
АНАЛИЗ МЕТОДОВ ПОВЫШЕНИЯ СТЕПЕНИ РОБАСТНОСТИ СИСТЕМЫ
.1 Улучшение качества оценивания состояния объекта
управления адаптивными средствами
.2 Робастный модальный регулятор
.3 Выводы по четвёртой главе
ТЕХНИКО-ЭКОНОМИЧЕСКОЕ ОБОСНОВАНИЕ
5.1 Концепция
экономического обоснования НИР
5.2 Трудоемкость и календарный план выполнения НИР
.3 Расчет сметной стоимости проведения НИР
.4 Расчет показателей экономической эффективности работы
.5 Комплексная оценка эффективности НИР
ОХРАНА ИНТЕЛЛЕКТУАЛЬНОЙ СОБСТВЕННОСТИ
ЗАКЛЮЧЕНИЕ
СПИСОК ЛИТЕРАТУРЫ
ВВЕДЕНИЕ
При проектировании многих электромеханических систем часто приходится
учитывать явления механической нежёсткости соединения приводного двигателя и
исполнительного механизма, например в следящих приводах антенн самолетных
бортовых радиолокационных станций (БРЛС).
БРЛС (например, летательного аппарата) представляет собой сложный
электромеханический объект. Система управления БРЛС должна обеспечить а)
высокое быстродействие при позиционировании; б) высокую точность наведения и
слежения; в) надежное функционирование в различных эксплуатационных режимах; г)
минимальное время подготовки к работе.
Обычно ограниченная жесткость связей между двигателем и исполнительным
органом механизма, а иногда и между отдельными элементами механизма обусловлена
конструктивными особенностями и требованиями уменьшения его массы и габаритов.
Последнее приводит к тому, что конструкции антенн и приводов создаются максимально
облегченными и, следовательно, недостаточно жесткими, что создает благоприятные
условия для возникновения электромеханических колебаний.
Дипломная работа посвящена проектированию следящей системы, в которой
демпфирование возникающих колебаний осуществляется не механическими средствами,
а средствами управления. Согласно техническому заданию в качестве закона
управления используется модальное управление, а его реализация требует, в свою
очередь, применение наблюдателя для косвенного измерения переменных состояния
объекта управления.
Однако имеется одно существенное обстоятельство способное поставить под
сомнение эффективность указанной выше концепции управления. Оно заключается в
том, что фактически математическое описание ЭМС как объекта управления может отличаться
от модели, принятой при синтезе управления. В первую очередь это касается
неточности информации о параметрах ЭМС вследствие трудности их определения и
возможности изменения в процессе эксплуатации системы или при замене вышедших
из строя элементов механической части новыми. В данной дипломной работе такими
параметрами являются жесткость механической передачи и момент инерции антенны.
Важно, чтобы указанные вариации математического описания объекта управления не
приводили к существенному изменению показателей качества системы - ее точности
и динамических характеристик. Другими словами, проектируемая система должна
быть робастной.
Целью дипломной работы является исследование робастных свойств следящей
системы с упругим электромеханическим объектом управления и модальным
регулятором. Достижение указанной цели предполагает решение следующих задач:
1. Математическое описание электропривода с упругой
электромеханической связью двигателя и механизмов.
2. Синтез модального регулятора.
. Исследование влияния отклонений неопределенных параметров
объекта управления от номинальных значений на численные значения показателей
качества динамики системы.
. Исследование робастных свойств системы с модальным регулятором и
наблюдателем в обратной связи.
1 МАТЕМАТИЧЕСКИЕ МОДЕЛИ СЛЕДЯЩЕЙ СИСТЕМЫ С ДВУХМАССОВЫМ
ЭЛЕКТРОМЕХАНИЧЕСКИМ ОБЪЕКТОМ УПРАВЛЕНИЯ
.1
Структурная схема системы
Объектом
управления в данной дипломной работе является электромеханическая система,
содержащая усилитель мощности, электрический двигатель постоянного тока и
нагрузку, в качестве которой для примера взято зеркало антенны РЛС. Как указано
во введении, соединение двигателя с механизмом обладает нежесткостью, что
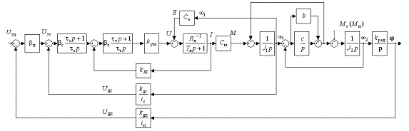
должно быть учтено в математической модели системы. На рис. 1.1 представлена
структурная схема следящей системы с упругим электромеханическим объектом
управления.
Рис.
1.1. Структурная схема следящей системы с упругим электромеханическим объектом
На
начальном этапе система построена по принципу подчиненного регулирования
переменных - тока якоря, угловая скорость двигателя и угловое положение
механизмов.
На
схеме обозначены:
-
напряжения задания углового положения и угловой скорости
исполнительной
оси;
-
коэффициенты передачи регуляторов положения, скорости и тока;
-
коэффициент передачи усилителя мощности;
Uдс ,Uдп-
выходные напряжения датчиков положения и скорости;
,
и iс ,iп - коэффициенты передачи датчиков и передаточные
отношения
их редукторов;
U,E,I,M,ω1 - напряжение, ЭДС, ток, электромагнитный момент и
угловая скорость двигателя;
c,b -
жесткость механической передачи и коэффициент внутреннего вязкого трения;
Mу - момент сил
упругости;
J1, J2-
моменты инерции первой и второй инерционных масс двухмассовой механической
системы;
ω2 , φ - угловая скорость и положение исполнительной (выходной)
оси.
При
составлении данной математической модели предполагалось, что на этапе синтеза
регулятора могут быть сделаны следующие допущения:
· система линейна;
· силы трения незначительны;
· упругие явления достаточно хорошо описываются одной (низшей)
резонансной частотой, что соответствует двухмассовой модели механической
части;
· датчики являются безынерционными элементами.
Далее математическая модель системы будет подвергнута упрощению на
основании следующих обоснованных допущений [1]:
при расчете модального регулятора динамику контура тока, настроенного на
высокое быстродействии (см. далее), не учитываем, считая его передаточную
функцию равной коэффициенту передачи;
регулятор скорости при расчете модального регулятора будем считать
пропорциональным.
Приведенная
на рис. 1.1 схема справедлива для безредукторного привода. При наличии
редуктора с передаточным отношением i (что имеет место в
рассматриваемой системе), она также справедлива, если под параметрами J2, b и c и
переменными Mу и ω2 понимать их значения, приведенные к валу двигателя. Этапы приведения
исходной структурной схемы механической части двухмассовой модели показаны на
рис. 2.2. Соотношения между исходными значениями параметров
,
и
и их приведенными значениями J2, b и c, а
также соотношения между переменными исходной и преобразованной схем приведены
ниже.
В
системе использованы:
двигатель
постоянного тока (малой мощности) ДПР-62-Ф1-03,
Uн=27В, Iн=0,55A,
ωн=471 с-1;
датчик
скорости-тахогенератор 1,6 ТГП2;
датчик
положения (потенциометрический) СП4-8В.
Параметры
системы имеют следующие численные значения:

Rя=12 Ом
См=Се=0,05
Вс
J1=6,4*10-6 кгм2
=1,07*10-3
кгм2
=2,1
Hм
=0,0025
Нмс=25=2п=25
0,02 Bc/рад
5,2 В/рад
В/А
.2
Расчёт контурных регуляторов
Для
системы, изображенной на рисунке 1.1, необходимо определить передаточные
функции контурных регуляторов. Сделаем это сначала в предположении, что
упругими явлениями в объекте управления можно пренебречь, считая механическую
связь двигателя и нагрузки жесткой.
Рассмотрим
трехконтурную следящую систему, т. е. систему с обратной связью по току, по
скорости двигателя и углу поворота исполнительного механизма. Потребуем, чтобы
полоса пропускания следящей системы была в 2-4 раза меньше резонансной частоты
двухмассовой упругой системы. Поскольку в системах
подчиненного регулирования каждый последующий контур имеет быстродействие,
примерно в 2 раза меньшее предыдущего (внутреннего), то можно задать полосу
пропускания контура скорости равной
, а всей
следящей системы
или менее - так, чтобы не возбуждались сильные
колебания.
Структурная
схема жесткой системы показана на рис. 1.2.
Рис.
1.2. Структурная схема жесткой системы.
В
этой схеме суммарный момент инерции привода:
Контур
тока построим так, чтобы скомпенсировать постоянную времени якорной цепи и
обеспечить его полосу пропускания
. С этой
целью частоту среза ЛАХ разомкнутого контура тока назначим, как
, отсюда параметры регулятора тока выбираем следующим
образом:
,
Контур
тока представлен на рис. 1.3.
Рис.
1.3. Структурная схема контура тока жесткой системы.
Эквивалентная
передаточная функция замкнутого контура тока имеет вид:
, где
,
Мы
сохраняем контур тока, но отказываемся от всей системы подчиненного
регулирования.
Контур
скорости настроим на ОС (симметричный оптимум).
Контур
скорости представлен на рис. 1.4.
Рис.
1.4. Структурная схема контура скорости жесткой системы
Для
настройки на ОС используем П-регулятор скорости:
В
контуре положения применен пропорциональный регулятор, коэффициент передачи
которого подобран путем моделирования так, чтобы частота среза контура
положения была примерно в 2 раза меньше собственной резонансной частоты упругой
механической системы.
Контур
положения показан на рис. 1.5.
Рис.
1.5. Структурная схема контура положения жесткой системы
Поскольку
полоса пропускания контура скорости довольно велика (примерно 300 рад/с), то
оказывается, что она не менее чем в 10 раз превышает требуемую частоту среза
контура положения. Последнюю можно приблизительно определить исходя из
заданного времени регулирования
.
Справедливо соотношение
. Примем
.
При
принятых настройках контурных регуляторов система благодаря наличию упругости
получилась неустойчивой. Коэффициенты передачи регуляторов положения
и скорости
подберем
такими, чтобы в системе обеспечивалось максимальное быстродействие, но не
возбуждались очень сильные колебания. По итогам моделирования коэффициенты
и
получились
равными соответственно 0.3 и 3.
1.3
Анализ динамических свойств системы подчиненного регулирования
Данный
параграф посвящен исследованию динамических характеристик и точности
рассчитанной в п. 1.2 системы (назовем ее исходной), а также влияние на эти
показатели качества параметрических возмущений в объекте управления. В качестве
не полностью определенных параметров ЭМС в работе рассматриваются жесткость
механической передачи
и момент нагрузки
Анализу
подлежат быстродействие системы в режиме позиционирования, степень ее
колебательности, а также значения установившихся ошибок при воспроизведении
стандартного задающего воздействия синусоидальной формы. На рис. 1.6 показан
график переходной характеристики системы по координате
(угловому положению исполнительной оси) при принятых
ранее настройках контурных регуляторов.
Рис.
1.6. Переходная характеристика системы по угловому положению исполнительной оси
В
режиме позиционирования показатели качества переходной характеристики следящей
системы недолжны превышать следующие максимальные значения:
, перерегулирование не выше 12%. Из время
регулирования находим
.
Из
графика видно, время регулирования составляет
, что не
отвечает обычным требованиям к быстродействию системы при позиционировании. Как
показало моделирование, попытка увеличить быстродействие путем повышения
коэффициентов передачи контурных регуляторов приводит лишь к усилению
колебаний. Наоборот, попытка устранения этих колебаний путем уменьшения
не дает желаемого эффекта и лишь снижает
быстродействие системы. Таким образом, принятая система управления подчиненного
регулирования не позволяет обеспечить удовлетворительные динамические
характеристики системы.
На
рис. 1.7 показан график угла поворота исполнительной оси при отработке
задающего воздействия. Согласно техническому заданию при обработке задающего
воздействия с амплитудой 2.5
и
частотой 0.16 Гц, установившаяся ошибка следящей системы не должна превышать
. На рис. 1.8 показан график установившейся ошибки,
амплитуда ошибки
равна 0.937о.
Рис.
1.7. График углового положения исполнительной оси при отработке гармониского
задающего воздействия с амплитудой 2.5о и частотой 0.16 Гц.
Рис.
1.8. График установившейся ошибки
Из
графика (см. рис. 1.8) видно, что при данной структуре и параметрах системы не
обеспечиваются требуемые показатели ее точности.
Показатели
точности системы.
Согласно
техническому заданию, к системе предъявляются следующие требования в отношении
точности: максимальное значение установившейся ошибки при отработке задающего
воздействия вида
, (1.1)
Где
не
должно превышать значения
=0.05
.
ЛАХ
разомкнутой следящей системы с модальным регулятором показана рис. 1.9.
Рис.
1.9. ЛАХ разомкнутой следящей системы с модальным регулятором.
Передаточная
функция разомкнутой системы:
(1.2)
, причем
В
соответствии с (1.2) добротность системы:
В
соответствие с ЛАХ
.
Для
замкнутой системы полоса пропускания
.
А
у нас в замкнутой системе с модальным регулятором, обеспечивающим
характеристический полином Баттерворта, полоса пропускания равна среднегеометрическому
корню полинома:
.
Таким
образом, получаем
.
Чтобы
максимальная установившаяся ошибка
при
отработанном воздействии (1.1) не превышала
,
необходимо, чтобы ЛАХ разомкнутой системы не проходила ниже контрольной точки с
координатами (
), где
.
Поскольку
, то необходимо просто выполнить условие
. У нас
указанное
неравенство выполняется.
.4
Постановка задачи дипломной работы
Проведенные в этой главе исследования показали, что в системе,
построенной по принципу подчиненного регулирования переменных, не удается
обеспечить эффективного демпфирования упругих электромеханических колебаний в
сочетании с достижением высокого быстродействия системы.
В связи с этим (в соответствии с техническим заданием на дипломную
работу) в дальнейшем для реализации принимаем другой закон управления, а именно
- модального управления.
Вместе с тем, как обсуждали во введении, в системе с модальным
регулятором желательно добиться того, чтобы вариации некоторых параметров
объекта управления, точные значения которых, как правило, неизвестны, не
приводили к заметным отклонениям динамических характеристик системы от их
расчетных значений.
Таким образом, в работе необходимо произвести анализ чувствительности
показателей качества динамики системы к параметрическим возмущениям, а также -
в случае если система не является робастной - рассмотреть меры, которые бы
позволили повысить робастные свойства следящей системы.
В связи с тем, что для реализации закона модального управления необходимо
применение наблюдателя состояния, параметры которого, как и модальный
регулятор, также рассчитывается из принятых априорных значений параметров
объекта управления, возникает связанная с вышеуказанным задача определения
влияния наблюдателя на робастные свойства системы.
2. АНАЛИЗ
РОБАСТНЫХ СВОЙСТВ СИСТЕМ С МОДАЛЬНЫМ УПРАВЛЕНИЕМ
.1
Модальное управление
Как было выявлено ранее, в рассматриваемой следящей системе необходимо
обеспечить эффективное демпфирование упругих колебаний. Весьма эффективным
методом их подавления является модальное управление, поскольку оно позволяет
назначить желаемый характеристический полином (ХП) системы.
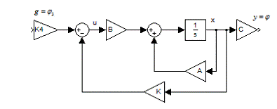
Задача модального управления ставится следующим образом [1], [2].
Для исходной линейной стационарной системы
, где
,
(2.1)
желаемое
расположение полюсов на комплексной плоскости может быть обеспечено введением
линейной обратной связи по состоянию. Соответствующий закон управления
математически выразим следующим образом:
. Здесь
- вектор задающих воздействий, а
- матрица обратной связи. Если
и
-
скаляры, то
матрица-строка, элементы которой представляют собой
коэффициенты обратных связей по всем составляющим вектора
. Исходная система и обратная связь образуют замкнутую
систему, уравнение которой
,
(2.2)
Задача
состоит в нахождении такой матрицы коэффициентов обратных связей, чтобы система
(2.2) имела желаемое расположение полюсов на комплексной плоскости, т. е.
желаемый характеристический полином
:
Методика
синтеза модального регулятора для системы с одним входом такова [1]:
1. Составляем математическое описание исходной системы в форме (2.1)
и определяем матрицы A, B.
2. Проверяем управляемость пары (A,B).
3. Записываем
выражение для матрицы
, матрицы
и
характеристического полинома замкнутой системы
.
. Выбираем
тип желаемого характеристического полинома
исходя
из требований к виду переходной характеристики системы.
. Для
полинома выбранного типа и степени, равной порядку системы, определяем
коэффициенты
из справочника.
. Определяем
среднегеометрический корень
исходя
из требований к быстродействию системы.
. Вычисляем
коэффициенты желаемого полинома
. Приравниваем
коэффициенты при одинаковых степенях
желаемого
и фактического характеристического полинома, составляем систему из
линейных алгебраических уравнений. Решая ее, находим
искомые элементы
матрицы
.
Модальное управление организовано во всей системе (рис. 2.1).
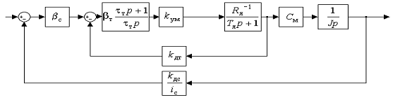
Рис. 2.1. Структурная схема системы с модальным управлением
Для дальнейших расчетов приведем параметры исходной структурной схемы
механической части двухмассовой модели к валу двигателя (рис. 2.2).
Рис. 2.2. Структурная схема в переменных, приведенных к валу двигателя
Соотношения
между исходными значениями параметров
,
,
и их приведенными значениями J2, b и c, а
также соотношения между переменными исходной и преобразованной схем следующие:
.2 Расчет
модального регулятора для следящей системы
.2.1 Ручной расчет модального регулятора
По методике синтеза модального регулятора для системы с одним входом
произведем следующий расчет.
Математическое описание исходной системы в форме (2.1) таково:
Перейдем
к матричной форме и определим матрицы
и
:
, где
,
Подставив
численные значения, получим:
,
Поскольку
объект четвертого порядка и имеет один вход, то матрица обратной связи
является строкой с элементами
Тогда
Далее,
должно выполняться равенство:
D(p)=det (pI-
)=
, где
В
качестве желаемого характеристического полинома
,
принимаем стандартный полином четвертого порядка:
где
Определяем
коэффициенты
для
полинома Баттерворта:
для
биномиального полинома:
Найдем
среднегеометрический корень
, для
этого приравняем
D(p)= Dж(p),
получим:
Приравнивая
коэффициенты, проделываем необходимые преобразования, получаем алгебраическое
уравнение для коэффициента обратной связи
.
Приравниваем
к 0 и находим
.
Для
полинома Баттерворта:
Для
биномиального полинома:
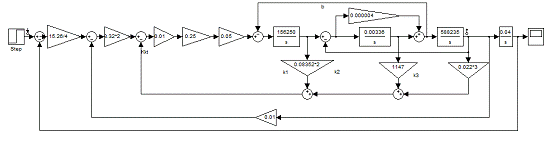
2.2.2.
Расчет модального регулятора с помощью системы Matlab
Однако
расчет модального регулятора удобнее выполнять с помощью системы Matlab.
В
этом случае методика вычисления коэффициентов обратной связи
сводится к следующему. Для расчета матрицы
регулятора в системе Matlab существует функция acker().
Для работы с ней необходимо задать матрицы А и В, корни желаемого
характеристического полинома. Это делается с помощью функции roots() [3], [4].
Программа
реализации расчета матрицы - строки
:
format short
g;=0.000004;=1/156250;=0.00336;=1/588235;=0.04;=0.25;
Cm=0.05;
% Значение параметров линейной системы
a1=b/J1;
a2=1/J1;=c;=b/J2;=1/J2;=Kred;=(Kkt*Cm)/J1;
% Линейная система
A=[-a1 -a2 a1 0;a3 0 -a3 0;a4 a5 -a4 0;0 0 a6 0];
B=[n;0;0;0];=50;
%w0=100;
%w0=25;
% Для биномиального полинома
%f1=4;
%f2=6;
%f3=4;
% Для полинома Баттерворта
f1=2.613;=3.414;=2.613;=[1 f1*w0 f2*w0^2 f3*w0^3 w0^4];
% Спектр полинома DD=roots(DD)
% Коэффициенты обратной связи=acker(A,B,R);
Для
двух полиномов и различных среднегеометрических корней
(25, 50, 100)
получили
значения коэффициентов обратной связи. Полученные значения занесли в таблицы.
Таблица
2.1
Коэффициенты
обратных связей для полинома Баттерворта
|
   
|
|
|
|
|
|
50
|
0,065369
|
861,5
|
0,017316
|
40,477
|
|
100
|
0,13226
|
4368,7
|
0,5138
|
647,63
|
|
25
|
0,031922
|
-63,357
|
-0,021466
|
2,5298
|
Таблица 2.2
Коэффициенты обратных связей для биномиального полинома
|
   
|
|
|
|
|
|
50
|
0,10088
|
1815,2
|
0,026721
|
40,477
|
|
100
|
0,20328
|
8057,7
|
0,80209
|
647,63
|
|
25
|
0,049676
|
179
|
-0,033606
|
2,5298
|
Отрицательные
коэффициенты ОС получились при
=25
,
т.е.
при низких значениях среднегеометрического коэффициента.
2.3
Анализ влияния параметрических возмущений на динамические свойства систем
.3.1
Корни характеристического полинома
Проанализируем,
как изменяются корни характеристического полинома системы с модальным
регулятором.
Программа
реализации:
format short g;
b=0.000004;=1/156250;=0.00336;=1/588235;=0.04;=0.25;
Cm=0.05;
% Значение параметров линейной системы=b/J1;
a2=1/J1;=c;=b/J2;=1/J2;=Kred;
n=(Kkt*Cm)/J1;
% Линейная система
A=[-a1 -a2 a1 0;a3 0 -a3 0;a4 a5 -a4 0;0 0 a6 0];
B=[n;0;0;0];=50;
%w0=100;
%w0=25;
% Для биномиального полинома
%f1=4;
%f2=6;
%f3=4;
% Для полинома Баттерворта
f1=2.613;=3.414;=2.613;=[1 f1*w0 f2*w0^2 f3*w0^3 w0^4];
% Спектр полинома DD=roots(DD)
% Коэффициенты обратной связи=acker(A,B,R);
% Вариации J2=0.5J2=2*J2;
% Вариации J2=2J2=J2/2;
% Вариации с=0.5*c;=2*c;=c;=b/J2;=1/J2;
% Дифферениальная линейная система
A=[-a1 -a2 a1 0;a3 0 -a3 0;a4 a5 -a4 0;0 0 a6
0];=[n;0;0;0];=A-B*K;=eig(AM)
С
помощью системы Matlab получи значения корней при вариации параметров
жесткости с и момента инерции
.
Полученные результаты занесли в таблицы.
Таблица 2.3
Значения корней при вариации жесткости c для полинома Баттерворта
|

|
|
|
1
|
2
|
0,5
|
1 -19,131
46,195j
,194
19,135j-41,439
99,707j
,886
22,397j-99,563
,71731
34,868j
2 -38,263
92,39j
,387
38,27j-81,888
195,39j
,762
45,588j-195,42
,0845
69,986j
0,5 -9,5657
23,098j
,097
9,5676j-20,844
50,365j
,819
11,103j-50,254
,1474
17,403j
Таблица 2.4
Значения
корней при вариации
для полинома Баттерворта
|

|
|
|
1
|
2
|
0,5
|
1 -19,131
46,195j
,272
,698-55,108
38,85j
|
-9,6289 24,383j
|
|
|
2 -38,263
92,39j
,387
38,27j-18,216
145,52j
,68
,537-111,63
92,745j
|
-18,434 45,101j
|
|
|
0,5 -9,5657
23,098j
,097
9,5676j-21,465
48,558j
,374
11,138j-47,842
,4194
17,353j
Таблица 2.5
Значения корней при вариации жесткости c для биномиального полинома
|

|
|
|
1
|
2
|
0,5
|
1 -50,005
0,00535j
,995
0,00535j-79,85
126,67j
,15
12,309j-160,55
,652
30,968j
2 -100,01
0,0107j
,989
0,01069j-158,88
248,4j
,116
24,691j-317
,161
61,351j
0,5 -25,003
0,00267j
,997
0,00267j-40,026
63,952j
,9744
6,1455-80,787
,093
15,553j
Таблица 2.6
Значения
корней при вариации
для биномиального полинома
|

|
|
|
1
|
2
|
0,5
|
1 -50,005
0,00535j
,995
0,00535j-117,64
,153
72,871j
,406-89,644
43,179j
|
-9,7677 14,84j
|
|
|
2 -100,01
0,0107j
,989
0,01069j-251,45
,445
145,99j
,012-180,73
96,651j
|
-18,686 29,004j
|
|
|
0,5 -25,003
0,00267j
,997
0,00267j-34,564
45,492j
,667
,559-62,358
,67
|
-6,8979 9,5174j
|
|
|
В силу неточности расчета корней системой Matlab, указанные значения корней биномиального полинома
получились комплексными, а должны быть строго вещественными.
На основе представленных таблиц (см. табл. 2.3 - 2.6) построим графики
зависимостей
- абсолютное значение
Рис.
2.3. График зависимости относительной степени устойчивости от вариаций
параметра с для полинома Баттерворта
Рис.
2.4. График зависимости колебательности от вариаций с для полинома Баттерворта
Рис.
2.5. График зависимости относительной степени устойчивости от вариаций
для полинома Баттерворта
Рис.
2.6. График зависимости колебательности от вариаций
для полинома Баттерворта
Рис.
2.7. График зависимости относительной степени устойчивости от вариаций с для
биномиального полинома
Рис.
2.8. График зависимости колебательности от вариаций с для биномиального
полинома
Рис.
2.9. График зависимости относительной степени устойчивости от вариаций
для биномиального полинома
Рис.
2.10. График зависимости колебательности от вариаций
для биномиального полинома
Исходя
из графиков (см. рис. 2.3 - 2.10) можно сделать некоторые выводы. Для разных
типов полиномов наблюдаются разные картины.
Таблица
2.7
Поведение
графиков при вариациях параметров для полинома Баттерворта
|
Варьируемый
(неопределенный) параметр
|
Вариации
|
Предпочтительные значения
|
|
|
По критерию По критерию
|
|
|
с
|
вверх
|
100
|
100
|
|
вниз
|
-
|
-
|
|
вверх25(100)
|
|
|
|
|
вниз
|
(100)
|
(25)
|
Таблица 2.8
Поведение графиков при вариациях параметров для биномиального полинома.
|
Варьируемый
(неопределенный) параметр
|
Вариации
|
Предпочтительные значения
|
|
|
По критерию По критерию
|
|
|
с
|
вверх
|
-
|
(100)
|
|
вниз
|
-
|
-
|
|
вверх--
|
|
|
|
|
вниз
|
(25)
|
(25)
|
Для
полинома Баттерворта при вариациях с (см. рис. 2.3), более высокую степень
устойчивости имеют кривые, у которых среднегеометрический корень выше, т.е.
желтая кривая
. Колебательность
меньше,
что также является лучшим результатом (см. рис. 2.4). При вариациях
картина не так однозначна. Самая стабильная картина у
желтой кривой, ее и выберем. Колебательность ниже, у синей кривой (см. рис.
2.6).
Для
биномиального полинома картина совсем другая.
При
вариациях с (см. рис. 2.7), все кривые в целом похожи, но степень устойчивости
выше у синей. Колебательность меньше у желтой кривой.
При
вариациях
колебательность ниже и степень устойчивости выше у
синей кривой. Нельзя сказать, что какой-то из полиномов более предпочтителен,
но выберем полином Баттерворта с
.
2.3.2
Исследование системы с модальным регулятором методом корневого годографа
Изменение
расположения корней характеристического полинома системы при вариациях
параметров объекта управления можно показать графически, если воспользоваться
методом корневого годографа [5].
Используем
структурную схему системы с модальным управлением
(см.
рис. 2.1).
Для
этого необходимо представить структурную схему системы в виде, эквивалентной
одноконтурной системы с единичной отрицательной обратной связью, в которой варьируемый
(неопределенный) параметр играет роль контурного коэффициента усиления.
Сначала
рассмотрим случай, когда таким параметром является жесткость механической
передачи с. Разомкнем систему в точке перед звеном с передаточной функцией
.
Преобразованная
схема представлена на рис. 2.11.
Рис.
2.11. Преобразованная схема разомкнутой системы.
Найдем
передаточную функцию системы:
, где
Проделываем
необходимые преобразования, получаем:
, где
Выполним
расчет передаточной функции с помощью системы Matlab.
Функции
rlocus рисует графики корневых годографов [3], [4].
Текст программы:
format short g;
clc;=0.000004;=1/156250;=0.00336;=1/588235;=0.04;=0.25;
Cm=0.05;
% Значение параметров линейной системы=b/J1;
a2=1/J1;=c;=b/J2;=1/J2;=Kred;
n=(Kkt*Cm)/J1;
% Линейная система
A=[-a1 -a2 a1 0;a3 0 -a3 0;a4 a5 -a4 0;0 0 a6 0];
B=[n;0;0;0];=50;
%w0=100;
%w0=25;
% для Баттерворта=2.613;=3.414;=2.613;
% для биномиального полинома
%f1=4;
%f2=6;
%f3=4;=[1 f1*w0 f2*w0^2 f3*w0^3 w0^4]
% Спектр полинома DD=roots(DD)
% Коэффициенты обратной связи=acker(A,B,R);
% Линейная система=[-a1 -a2 a1 0;a3 0 -a3 0;a4 a5 -a4 0;0 0 a6
0];=[n;0;0;0];=A-B*K;=eig(AM)
% Коэффициенты при степенях числителя и знаменателя
s1=c*K(2)*Kkt*Cm*J2+c*J2+c*J1;=c*Cm*Kkt*K(1)+c*Kkt*Cm*K(3);=c*Kkt*Cm*Kred*K(4);=J2*J1;=J2*Kkt*Cm*K(1)+b*J2+b*J1;=b*Kkt*Cm*K(1)+b*Kkt*Cm*K(3);=b*Kkt*Cm*Kred*K(4);=0;
% Передаточная функция=tf([s1 s2 s3],[s4 s5 s6 s7 s8]);
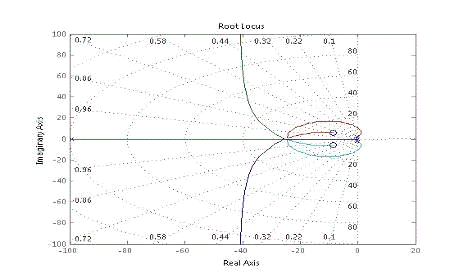
rlocus(W);
Получили
графики корневых годографов для двух стандартных полиномов биномиального и
Баттерворта при различных вариациях среднегеометрического корня
. Полученные графики представлены ниже.
Для
полином Баттерворта:
.
При
Transfer
function:
8.873e-008 s^2 + 3.473e-006 s + 6.8e-005
--------------------------------------------------------------
.088e-011 s^4 + 1.421e-009 s^3 + 4.134e-009 s^2 +
8.095e-008 s
Рис.
2.12. График корневого годографа при
=50 рад/с
для полинома Баттерворта
2. При
function:
.391e-007 s^2 + 2.713e-005 s + 0.001088
-------------------------------------------------------------
.088e-011 s^4 + 2.843e-009 s^3 + 3.23e-008 s^2 +
1.295e-006 s
Рис.
2.13. График корневого годографа при
=100
рад/с для полинома Баттерворта
3. При
function:
.269e-008 s^2 + 4.392e-007 s + 4.25e-006
-------------------------------------------------------------
.088e-011 s^4 + 7.107e-010 s^3 + 5.228e-010 s^2 +
5.06e-009 s
Рис.
2.14. График корневого годографа при
=25 рад/с
для полинома Баттерворта
Для
биномиального полинома:
.
При
Transfer
function:
1.568e-007 s^2 + 5.359e-006 s + 6.8e-005
-------------------------------------------------------------
.088e-011 s^4 + 2.176e-009 s^3 + 6.38e-009 s^2 +
8.095e-008 s
Рис.
2.15. График корневого годографа при
=50 рад/с
для биномиального полинома
2. При
function:
.025e-007 s^2 + 4.223e-005 s + 0.001088
--------------------------------------------------------------
.088e-011 s^4 + 4.352e-009 s^3 + 5.027e-008 s^2 +
1.295e-006 s
Рис.
2.16. График корневого годографа при
=100
рад/с для биномиального полинома
3. При
function:
e-008 s^2 + 6.749e-007 s + 4.25e-006
-------------------------------------------------------------
.088e-011 s^4 + 1.088e-009 s^3 + 8.035e-010 s^2 +
5.06e-009 s
Рис.
2.17. График корневого годографа при
=25 рад/с
для биномиального полинома
Во
втором случае таким параметром является момент инерции второй инерционной массы
. Разомкнем систему в точке перед звеном с
передаточной функцией
. Преобразованная схема представлена на рис. 2.18.
Рис.
2.18. Преобразованная схема разомкнутой системы.
Найдем
передаточную функцию системы:
Получим:
, где
Выполним
расчет передаточной функции с помощью системы Matlab.
Текст программы:
format short g; clc;=0.000004;=1/156250;=0.00336;=1/588235;=0.04;=0.25;
Cm=0.05;
% Значение параметров линейной системы=b/J1;
a2=1/J1;=c;=b/J2;=1/J2;=Kred;
n=(Kkt*Cm)/J1;
% Линейная система
A=[-a1 -a2 a1 0;a3 0 -a3 0;a4 a5 -a4 0;0 0 a6 0];
B=[n;0;0;0];=50;
%w0=100;
%w0=25;
% для Баттерворта
%f1=2.613;
%f2=3.414;
%f3=2.613;
% для биномиального полинома
f1=4;=6;=4;=[1 f1*w0 f2*w0^2 f3*w0^3 w0^4]
% Спектр полинома DD=roots(DD)
% Коэффициенты обратной связи=acker(A,B,R)
AM=A-B*K;=eig(AM)
% Коэффициенты при степенях числителя и
знаменателя=J1*b;=b*Kkt*Cm*K(3)+b*Kkt*Cm*K(1)+J1*c;
l3=Kkt*Cm*Kred*K(4)*b+Kkt*Cm*K(3)*c+Kkt*Cm*K(1)*c;=c*Kkt*Cm*Kred*K(4);=J2*J1;=J2*Kkt*Cm*K(1)+J2*b;=J2*c+J2*Kkt*Cm*K(2)*c;
l8=0;=0;
% Передаточная функция=tf([l1 l2 l3 l4],[l5 l6 l7 l8 l9])(W);
Получили
графики корневых годографов для двух стандартных полиномов биномиального и
Баттерворта при различных вариациях среднегеометрического корня
. Полученные графики представлены ниже.
Для
полинома Баттерворта:
.
При
Transfer
function:
2.56e-011 s^3 + 2.564e-008 s^2 + 3.554e-006 s +
6.8e-005
-------------------------------------------------------
.088e-011 s^4 + 1.396e-009 s^3 + 6.722e-008 s^2
Рис.
2.19. График корневого годографа при
=50 рад/с
для полинома Баттерворта
2. При
function:
.56e-011 s^3 + 5.381e-008 s^2 + 2.843e-005 s +
0.001088
-------------------------------------------------------
.088e-011 s^4 + 2.817e-009 s^3 + 3.176e-007 s^2
Рис.
2.20. График корневого годографа при
=100
рад/с для полинома Баттерворта.
3. При
function:
.56e-011 s^3 + 2.203e-008 s^2 + 4.442e-007 s +
4.25e-006
--------------------------------------------------------
.088e-011 s^4 + 6.851e-010 s^3 + 1.188e-009 s^2
Рис.
2.21. График корневого годографа при
=25 рад/с
для полинома Баттерворта
Для
биномиального полинома:
.
При
Transfer
function:
2.56e-011 s^3 + 2.788e-008 s^2 + 5.44e-006 s +
6.8e-005
------------------------------------------------------
.088e-011 s^4 + 2.15e-009 s^3 + 1.353e-007 s^2
Рис.
2.22. График корневого годографа при
=50 рад/с
для биномиального полинома
2. При
function:
.56e-011 s^3 + 7.177e-008 s^2 + 4.352e-005 s +
0.001088
-------------------------------------------------------
.088e-011 s^4 + 4.326e-009 s^3 + 5.81e-007 s^2
Рис.
2.23. График корневого годографа при
=100
рад/с для биномиального полинома
3. При
function:
.56e-011 s^3 + 2.231e-008 s^2 + 6.8e-007 s + 4.25e-006
------------------------------------------------------
.088e-011 s^4 + 1.062e-009 s^3 + 1.849e-008 s^2
Рис.
2.24. График корневого годографа при
=25 рад/с
для биномиального полинома
Из
полученных нами графиков корневых годографов (см. рис.2.12 - 2.24) мы видим,
как перемещаются полюса передаточных функций в зависимости от вариаций
среднегеометрического корня
и типа
полинома.
2.3.3
Влияние параметрических возмущений на динамические свойства системы с модальным
управлением по истинному вектору состояния
Будем
исследовать влияние параметрических возмущений на динамические свойства системы
с модальным регулятором по истинному вектору состояния. Для этого будем
сравнивать переходные характеристики системы с модальным управлением с
номинальными и возмущенными параметрами
.
Результаты представлены в табл. 2.9 и 2.10.
Таблица
2.9
|
  
|
|
|
|
0.00336
|
10.8
|
0.2
|
|
0.00168
|
38.6
|
1.5
|
|
0.00672
|
3.8
|
0.22
|
Таблица 2.10
Переходные
характеристики системы с модальным управлением с номинальными и возмущенными
параметрами
показаны на граф. 2.25 - 2.30.
Рис.
2.25. Переходные характеристики системы с модальным регулятором с номинальным
параметром и вариацией параметра с:
Рис.
2.26. Переходные характеристики системы с модальным регулятором с номинальным
параметром и вариацией параметра с:
Рис.
2.27. Переходные характеристики системы с модальным регулятором с номинальным
параметром и вариацией параметра с:
Рис.
2.28. Переходные характеристики системы с модальным регулятором с номинальным
параметром и вариацией параметра
:
Рис.
2.29. Переходные характеристики системы с модальным регулятором с номинальным
параметром и вариацией параметра
:
Рис.
2.30. Переходные характеристики системы с модальным регулятором с номинальным
параметром и вариацией параметра
:
Из
графиков видно, что при параметрических возмущениях показатели качества
динамики системы с модальным управлением изменяются меньше, чем в системе без
модального управления. Дело в том, что в системе увеличивается быстродействие,
повышается полоса пропускания за счет введения больших коэффициентов модального
регулятора. А системы с глубокими обратными коэффициентами обладают, как
известно, малой чувствительностью к параметрическим возмущениям.
2.4.Выводы
по второй главе
В
данной главе был рассчитан модальный регулятор для рассматриваемой следящей
системы с упругим электромеханическим объектом управления. Был выполнен
всесторонний анализ влияния параметрических возмущений на показатели качества
динамики системы.
В
качестве последних были выбраны:
картина
расположения полюсов системы и значения основных корневых оценок качества -
степени устойчивости и колебательности; дополнительно исследовано « поведение»
ветвей корневого годографа системы;
вид
и основные показатели качества переходной характеристики системы по угловому
положению исполнительной оси.
Кроме
того, сделана попытка выяснить, влияет ли (а если влияет, то в какой степени)
тип и среднее геометрическое значение корней желаемого характеристического
полинома на чувствительность системы к параметрическим возмущениям.
Исследования
в системе Matlab Simulink показали следующее:
для
разных полиномов наблюдаются различные картины зависимости относительной
степени устойчивости и колебательности от вариаций параметров с и
для различных значений среднегеометрических корней.
Однозначно сказать, какой полином более предпочтителен нельзя, но в целом
картина лучше у полинома Баттерворта со среднегеометрическим корнем
;
было
выявлено, что следящая система с модальным управлением не обладает робастностью
по отношению к показателям качества динамики (для принятых диапазонов вариаций
неопределенных параметров объекта управления).
Закон
модального управления нуждается в корректировке, усовершенствовании.
3. РЕАЛИЗАЦИЯ ЗАКОНА МОДАЛЬНОГО УПРАВЛЕНИЯ С ПОМОЩЬЮ
НАБЛЮДАТЕЛЯ
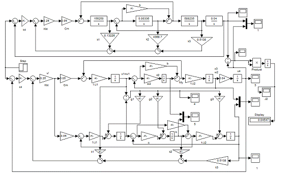
.1 Расчет стационарного наблюдателя
Условие измеряемости переменных состояния объекта выполняется не всегда.
Некоторые переменные состояния могут оказаться недоступны непосредственному
измерению из-за отсутствия или недостаточной точности соответствующих датчиков
либо из-за сложности, невозможности или нежелательности их установки в силу тех
или иных причин. Тем не менее, часто это препятствие можно устранить путем
применения специальных динамических подсистем, называемых наблюдателями. Они
позволяют осуществлять непрерывное, т. е. в темпе реальных процессов,
оценивание полного вектора состояния динамической системы на основе информации
о непосредственно измеряемых входных и выходных переменных данной системы [1].
Пусть в системе
(3.1)
непосредственно доступны лишь некоторые из переменных состояния
Входами
наблюдателя являются вход и выход системы (объекта). Уравнение выхода для
наблюдателя имеет вид
.
Система
является наблюдателем для системы (3.1), если из
следует
. Также
это наблюдатель тогда и только тогда, когда
С учетом этого уравнения наблюдателя принимают вид
Выбором
матрицы G собственные значения матрицы
могут быть помещены в любые наперед заданные точки
комплексной плоскости, или, что то же самое, характеристический полином
может быть сделан равным произвольному желаемому
полиному. Практически наблюдатель строят по эквивалентным уравнениям
Для
расчета значений элементов матрицы G существует следующая методика:
.
Составляем описание объекта в форме переменных состояния, и записываются
матрицы A,B и C.
.
Исследуется наблюдаемость объекта по измеряемому выходу.
.
Записываются в буквенном виде матрица G и полином
.
Назначается желаемый полином
так,
чтобы его корни располагались в несколько раз дальше от мнимой оси, чем корни
характеристического полинома системы.
.
На основании равенства
составляется система уравнений
.
Решая эту систему алгебраических уравнений, находятся искомые элементы матрицы
G.
.
Записываются уравнения и, при необходимости, составляется структурная схема
наблюдателя.
Расчет
наблюдателя с помощью системы Matlab.
Для построения наблюдателя объектом (рис.
3.1) будем считать подсистему исходной системы с входом
и выходом
(эти
переменные можно измерить с помощью датчиков). Восстановлению подлежат
переменные
и
.
Рис. 3.1. Структурная схема объекта управления
Запишем уравнения состояния в векторно-матричной форме:
,
где
y=x1;
,
где
Объект
управляем (анализ управляемости не приведен).
Запишем
матрицу G в общем виде
.
Выбираем
желаемый полином как стандартный полином Баттерворта третьего порядка
, где
- среднегеометрический корень наблюдателя, выбранный
в соответствии с рекомендациями [6] в два раза большим, чем
При
использовании системы Matlab методика немного изменяется. Мы опять можем применить
функцию acker(), но для этого необходимо свести задачу поиска
матрицы G наблюдателя к задаче поиска матрицы K
модального регулятора. Это достигается путем использования вместо матриц A и B
транспонированных
и
соответственно,
а результат, найденный с помощью функции acker(), также
необходимо транспонировать.
Программная
реализация расчета матрицы G:
format short gn=100;=2;=2;=[-0.625 -156250 0.625;0.00336 0
-0.00336;2.35 588235 -2.35];=[1 0 0];=[1 f1*w0n f2*w0n^2
w0n^3];=roots(Dn);=A';=C';=acker(A1,B1,R);
Результат вычислений представлены в табл. 3.1, 3.2.
Таблица 3.1
Значения матрицы G для
полинома Баттерворта
|
  
|
|
|
|
|
25
|
47.025
|
0.0081275
|
-147.28
|
|
50
|
97.025
|
-0.01504
|
-127.16
|
|
100
|
197.02
|
-0.10437
|
1163.1
|
Таблица 3.2
Значения матрицы G для
биномиального полинома
|
  
|
|
|
|
|
25
|
72.025
|
0.0041271
|
-241.39
|
|
50
|
147.03
|
-0.031041
|
-315.38
|
|
100
|
297.03
|
-0.16838
|
786.7
|
Составим структурную схему «объект-наблюдатель» (рис. 3.2).
Рис. 3.2. Структурная схема системы «объект-наблюдатель»
Моделирование показало, что динамические свойства системы с модальным
управлением по истинным и восстановленным (с помощью наблюдателя) переменным
идентичны.
.2 Анализ чувствительности оценок, вырабатываемых
наблюдателем, к вариациям параметров объекта управления
Проанализируем,
как изменилась чувствительность показателей качества динамики системы с
модальным регулятором к параметрическим возмущениям с введением наблюдателя. На
рис. 3.3 показана структурная схема системы, с модальным регулятором и
наблюдателем, в которой мы заменяем переменные
и
на их оценки
,
, а переменную
оставляем
без изменения. Параметры наблюдателя рассчитаны исходя из номинальных значений
параметров объекта управления.
Рис.
3.3. Структурная схема системы с модальным регулятором и наблюдателем
Сначала
проанализируем, как меняется чувствительность показателей качества динамики
системы с модальным регулятором к изменениям жесткости с.
На
рис. 3.4 показаны переходные характеристики по переменным
и
для
случая, когда фактическое значение жесткости с в два раза меньше номинального:
с=сн/2.
Как
видно из графиков, переходные характеристики по этим переменным практически
идентичны.
Рис.
3.4. Анализ качества оценивания наблюдателем переменной
в системе с модальным регулятором при с=сн/2
На
рис. 3.5 показан аналогичный анализ качества оценивания наблюдателем переменной
. Здесь становится заметным отличие оценки от истинной
переменной.
Рис.
3.5. Анализ качества оценивания наблюдателем переменной
: 1 - график переходной характеристики по
; 2 - график переходной характеристики по
На
рис. 3.6 показаны переходные характеристики по переменным
и
для случая,
когда фактическое значение жесткости с в два раза меньше номинального: с=сн/2.
Рис.
3.6. Анализ качества оценивания наблюдателем переменной
: 1 - график переходной характеристики по
; 2 - график переходной характеристики по
Чем
дальше мы уходим от переменной
в
сторону
, тем сильнее отличаются характеристики, тем хуже
становятся оценки.
На
рис. 3.7 показаны переходные характеристики по переменным
и
для
случая, когда фактическое значение жесткости с в два раза больше номинального:
с=2сн.
Как
видно из графиков, переходные характеристики по этим переменным практически
идентичны.
Рис.
3.7. Анализ качества оценивания наблюдателем переменной
в системе с модальным регулятором при с=2сн.
Из
графика видно, что при увеличении жесткости с система стала неустойчивой.
Посмотрим,
как меняется чувствительность показателей качества динамики системы с модальным
регулятором к изменениям момента инерции второй инерционной массы
:
На
рис. 3.8 показаны переходные характеристики по переменным
и
для
случая, когда фактическое значение момента инерции второй инерционной массы в
два раза меньше номинального:
.
Как
видно из графиков, переходные характеристики по этим переменным практически
идентичны.
Рис.
3.8. Анализ качества оценивания наблюдателем переменной
в системе с модальным регулятором и наблюдателем при
На
рис. 3.9 показан аналогичный анализ качества оценивания наблюдателем переменной
. Здесь становится заметным отличие оценки от истинной
переменной.
Рис.
3.9. Анализ качества оценивания наблюдателем переменной
: 1 - график переходной характеристики по
; 2 - график переходной характеристики по
На
рис. 3.10 показаны переходные характеристики по переменным
и
для
случая, когда фактическое значение момента инерции второй инерционной массы в
два раза меньше номинального:
.
Рис.
3.10. Анализ качества оценивания наблюдателем переменной
: 1 - график переходной характеристики по
; 2 - график переходной характеристики по
На
рис. 3.11 показаны переходные характеристики по переменным
и
для
случая, когда фактическое значение момента инерции второй инерционной массы в
два раза больше номинального:
.
Как
видно из графиков, переходные характеристики по этим переменным практически
идентичны.
Рис.
3.11. Анализ качества оценивания наблюдателем переменной
в системе с модальным регулятором при
Из
графика видно, что при увеличении момента инерции второй инерционной массы
система стала неустойчивой. Чем дальше мы уходим от
переменной
в сторону
, тем
сильнее отличаются характеристики, тем хуже становятся оценки.
.3
Интегральная оценка робастных свойств системы с модальным регулятором и
наблюдателем
Для
количественной оценки робастных свойств системы с модальным регулятором и
наблюдателем удобно использовать интегральную квадратичную оценку (ИКО)
.
Для
различных полиномов, различных значений их среднегеометрического корня и
различных значений неопределенных параметров объекта управления вычислим
интегральную квадратичную оценку. Результаты занесем в таблицы.
Таблица
3.3
Значения
ИКО при вариациях параметра с для полинома Баттерворта
|
с/2 2с
|
|
|
|
|
25
|
0.0366
|
0.001062
|
0.003289
|
|
50
|
0.09971
|
-3.4 0.00907
|
|
|
100
|
0.04547
|
0.01013
|
1.739
|
Таблица 3.4
Значения
ИКО при вариациях параметра
для
полинома Баттерворта
|
  
|
|
|
|
|
25
|
1.26
|
0.001062
|
0.02603
|
|
50
|
0.06544
|
-3.4 0.009144
|
|
|
100
|
0.06901
|
0.01013
|
0.4644
|
Таблица 3.5
Значения ИКО при вариациях параметра с для биномиального полинома
|
с/2 2с
|
|
|
|
|
25
|
0.003289
|
-2.2 0.0002338
|
|
|
50
|
0.00746
|
-1.5 0.0005521
|
|
|
100
|
0.004793
|
-7.6 0.0009279
|
|
Таблица 3.6
Значения
ИКО при вариациях параметра
для
биномиального полинома
|
  
|
|
|
|
|
25
|
0.8109
|
-2.2 0.004945
|
|
|
50
|
0.03048
|
-1.5 0.001593
|
|
|
100
|
0.004404
|
-7.6 0.002169
|
|
По результатам, приведенным в таблицах, построим графики зависимости
интегральной квадратичной оценки от вариации параметров объекта управления.
Рис.
3.12. Интегральная квадратичная оценка при вариациях с для полинома Баттерворта
Рис.
3.13. Интегральная квадратичная оценка при вариациях
для полинома Баттерворта
Рис.
3.14. Интегральная квадратичная оценка при вариациях с для биномиального
полинома
Рис.
3.15. Интегральная квадратичная оценка при вариациях
для биномиального полинома
Для
разных полиномов наблюдаются различные картины зависимости интегральной
квадратичной оценки от вариаций параметров с и
для
различных значений среднегеометрических корней. Однозначно сказать, для какого
полинома картина более предпочтительна нельзя. Из полученных графиков можно
сделать вывод, что более благоприятную картину зависимости ИКО от вариаций
параметров с и
мы наблюдаем для значения для значения
среднегеометрического корня
.
3.4
Выводы по третьей главе
В
данной главе был рассчитан стационарный наблюдатель для рассматриваемой
следящей системы с упругим электромеханическим объектом управления. Был
выполнен анализ чувствительности оценок, вырабатываемых наблюдателем, к
вариациям параметров объекта управления. А также построены таблицы и графики
зависимости интегральной квадратичной оценки от вариации параметров с и
.
Исследования
в системе Matlab Simulink показали следующее:
- отличие параметров объекта управления от значений,
принятых при расчете наблюдателя, приводит к существенному ухудшению оценок,
вырабатываемых наблюдателем. Вследствие этого наблюдатель вносит весьма
существенный вклад в отличие динамики возмущенной системы от динамики системы с
номинальными параметрами.
сравнение
системы с модальным регулятором, рассчитанной для разных полиномов и разных
значений среднегеометрического корня, можно выполнить формально, используя
интегральную квадратичную оценку отклонения переходной характеристики системы с
возмущенными параметрами от переходной характеристики системы с номинальными
параметрами объекта управления. Для корректного сравнения систем с различными
значениями среднегеометрического корня интегральная квадратичная оценка должна
умножаться на значение этого корня, т.е. иметь вид
.
выполнили
исследование влияния вариаций параметров механической части системы (жесткости
передачи и момента инерции механизма) на качество переходных процессов в
системе с модальным управлением и наблюдателем. Выявили, что при вариации
параметров происходит существенное изменение динамических свойств системы, а в
некоторых случаях система теряет устойчивость. Таким образом, следящая система
с модальным управлением не обладает робастностью.
4.
АНАЛИЗ МЕТОДОВ ПОВЫШЕНИЯ СТЕПЕНИ РОБАСТНОСТИ СИСТЕМЫ
.1
Улучшение качества оценивания состояния объекта управления адаптивными
средствами
Поскольку
синтезированная ранее следящая система с модальным регулятором и наблюдателем
не обладает свойством робастности, то исследуем, нельзя ли применить какой-либо
другой подход к синтезу системы, который обеспечил бы как желаемые (заданные)
динамические характеристики следящей системы, так и робастность этой системы в
отношении ее динамических свойств, то есть способность системы сохранять в
некоторых пределах значения определенных показателей качества (например,
показателей качества ее динамических характеристик) при ограниченных
возмущениях в математическом описании объекта управления (здесь - возмущениях
неопределенных параметров объекта).
Однако
у проблемы робастности модального управления есть еще один аспект, связанный с
необходимостью использования наблюдателя состояния. Поскольку наблюдатель
рассчитывается исходя из номинальных значений неопределенных параметров объекта
управления, а фактические значения этих параметров могут отличаться от
номинальных, то оценки переменных, вырабатываемые наблюдателем, также будут
искажаться, т. е. отличаться от истинных значений этих переменных. Это приводит
к дополнительному искажению переходных характеристик системы с модальным
регулятором и наблюдателем.
Таким
образом, для повышения робастных свойств системы необходимо одновременное
решение двух задач: 1) повышение робастных свойств («робастификация») самого
закона модального управления за счет изменения назначаемой (желаемой) динамики
системы; 2) улучшения оценок, вырабатываемых наблюдателем.
Начнем
со второй задачи. В качестве возможного средства ее решения попробуем применить
метод адаптивного управления. Введем в схему наблюдателя цепь сигнальной
адаптации с нелинейным элементом типа знаковой функции (реально - функции
насыщения). Структурная схема системы с модальным регулятором, и адаптивным
наблюдателем приведена на рис. 4.1.
Рис.
4.1. Структурная схема системы с модальным регулятором, наблюдателем и
сигнальной адаптацией
Коэффициенты
в схеме с сигнальной адаптацией подберем с помощью
пакета NCD так, чтобы снизить влияние наблюдателя, уменьшить
отличие динамики возмущенной системы от динамики системы с номинальными
параметрами и улучшить оценки, вырабатываемые наблюдателем.
Инструментальный пакет Nonlinear Control Design Blockset [7]
предоставляет в распоряжение пользователя графический интерфейс для настройки
параметров динамических объектов, обеспечивающих желаемое качество переходных
процессов. При помощи данного инструмента можно настраивать параметры
нелинейной Simulink-модели, в качестве которых может быть заявлено любое
количество переменных, включая скаляры, векторы и матрицы. Пакет Nonlinear Control Design
Blockset в Matlab 7.0.1 встроен в пакет Simulink Response Optimization.
Для
того чтобы улучшить оценки, вырабатываемые наблюдателем, используем блок Signal Constraint. Качество оценивания переменных
,
и
различно: чем дальше мы уходим от переменной
в сторону
, тем
сильнее отличаются переходные характеристики, тем хуже становятся оценки. Самая
худшая оценка по переменной
.
Требуется
выбрать параметры модели так, чтобы переходный процесс по ошибке оценивания
«худшей» переменной
вписывался в допустимую область. Для решения этой
задачи в пакете NCD используются процедуры нелинейной оптимизации.
Для
оптимизации параметров системы необходимо вставить в модель блок Signal Constraint из группы Simulink Response Optimization и подать на его вход сигнал ошибки, который надо
«вписать» в заданную область.
Перед запуском процедуры оптимизации надо ввести первое приближение для
настраиваемых параметров в командном окне MATLAB:
,
,
.
Для
того чтобы добиться качественных переходных процессов, требуется несколько раз
запускать процедуру оптимизации, меняя ограничения и последовательно улучшая
результат. После того, как мы оптимизировали систему, получили конечные
значения коэффициентов:
,
,
.
Проанализируем,
как изменилась чувствительность показателей качества динамики системы с
модальным регулятором и наблюдателем к параметрическим возмущениям с введением
в наблюдатель сигнальной адаптации.
Сначала
выясним, как меняется чувствительность показателей качества динамики системы с
модальным регулятором к изменениям жесткости с.
На
рис. 4.2 показаны переходные характеристики по переменным
и
для
случая, когда фактическое значение жесткости с в два раза меньше номинального:
с=сн/2.
Как
видно из графиков, переходные характеристики по этим переменным практически
идентичны.
Рис.
4.2. Анализ качества оценивания наблюдателем переменной
в системе с модальным регулятором и сигнальной
адаптацией при с=сн/2
На
рис. 4.3 показан аналогичный анализ качества оценивания наблюдателем переменной
. Здесь отличие оценки от истинной переменной можно
заметить только при сильном увеличении масштаба. В то же время в схеме без
адаптивной коррекции рассматриваемые переменные различались значительно сильнее
(см. рис. 3.5).
Рис.
4.3. Анализ качества оценивания наблюдателем переменной
в системе с модальным регулятором и сигнальной
адаптацией: 1 - график переходной характеристики по
; 2 - график переходной характеристики по
.
На
рис. 4.4 показаны переходные характеристики по переменным
и
для
случая, когда фактическое значение жесткости с в два раза меньше номинального:
с=сн/2. Здесь отличие оценки от истинной переменной стало хорошо заметно.
Рис.
4.4. Анализ качества оценивания наблюдателем переменной
в системе с модальным регулятором и сигнальной
адаптацией: 1 - график переходной характеристики по
; 2 - график переходной характеристики по
С
введением в схему сигнальной адаптации оценки переменной
стали значительно лучше, чем в схеме без сигнальной
адаптации (см. рис. 3.6).
На
рис. 4.5 показаны переходные характеристики по переменным
и
для
случая, когда фактическое значение жесткости с в два раза больше номинального:
с=2сн.
Как
видно из графиков, переходные характеристики по этим переменным практически
идентичны.
Рис.
4.5. Анализ качества оценивания наблюдателем переменной
в системе с модальным регулятором и сигнальной
адаптацией при с=2сн
Из
графика видно, что при увеличении жесткости с система стала неустойчивой. В схеме
без адаптивной составляющей (см. рис. 3.7) система также стала неустойчивой.
Посмотрим,
как меняется чувствительность показателей качества динамики системы с модальным
регулятором к изменениям момента инерции второй инерционной массы
:
На
рис. 4.6 показаны переходные характеристики по переменным
и
для
случая, когда фактическое значение момента инерции второй инерционной массы в
два раза меньше номинального:
.
Как
видно из графиков, переходные характеристики по этим переменным практически
идентичны.
Рис.
4.6. Анализ качества оценивания наблюдателем переменной
в системе с модальным регулятором и сигнальной
адаптацией при
На
рис. 4.7 показан анализ качества оценивания наблюдателем переменной
. На графике отличие оценки от истинной переменной
можно заметить только при сильном увеличении масштаба. В то же время в схеме
без адаптивной коррекции рассматриваемые переменные различались значительно
сильнее (см. рис. 3.8).
Рис.
4.7. Анализ качества оценивания наблюдателем переменной
в системе с модальным регулятором и сигнальной
адаптацией: 1 - график переходной характеристики по
; 2 - график переходной характеристики по
.
На
рис. 4.8 показаны переходные характеристики по переменным
и
для
случая, когда фактическое значение момента инерции второй инерционной массы в
два раза меньше номинального:
.
Рис.
4.8. Анализ качества оценивания наблюдателем переменной
в системе с модальным регулятором и сигнальной
адаптацией: 1 - график переходной характеристики по
; 2 - график переходной характеристики по
.
Исходя
из графика, мы видим, что переходные характеристики по переменным
и
сильно
отличаются. Похожую картину мы наблюдаем и в схеме без сигнальной адаптации
(см. рис. 3.9).
Из
графиков видно, что чем дальше мы уходим от переменной
в сторону
, тем
сильнее отличаются характеристики, тем хуже становятся оценки.
На
рис. 4.9 показаны переходные характеристики по переменным
и
для
случая, когда фактическое значение момента инерции второй инерционной массы в
два раза больше номинального:
.
Рис.
4.9. Анализ качества оценивания наблюдателем переменной
в системе с модальным регулятором и сигнальной
адаптацией при
.
Как
видно из графика система устойчива и переменные
и
практически идентичны. В отличие от схемы без
адаптивной составляющей (см. рис. 3.11), где при
система
становилась неустойчивой.
На
рис. 4.10 показан аналогичный анализ качества оценивания наблюдателем
переменной
. Здесь отличие оценки от истинной переменной можно
заметить только при сильном увеличении масштаба.
Рис.
4.10. Анализ качества оценивания наблюдателем переменной
в системе с модальным регулятором и сигнальной
адаптацией: 1 - график переходной характеристики по
; 2 - график переходной характеристики по
.
На
рис. 4.11 показаны переходные характеристики по переменным
и
для
случая, когда фактическое значение момента инерции второй инерционной массы в
два раза меньше номинального:
.
Рис.
4.11. Анализ качества оценивания наблюдателем переменной
в системе с модальным регулятором и сигнальной
адаптацией: 1 - график переходной характеристики по
; 2 - график переходной характеристики по
.
Из полученных нами графиков можно сделать вывод, что благодаря введению в
схему сигнальной адаптации удалось снизить влияние наблюдателя на отличие
динамики возмущенной системы от динамики системы с номинальными параметрами. Но
сигнальная адаптация не дала существенных результатов в улучшении робастных
свойств следящей системы, так как сам закон модального управления не обладает
робастностью: при вариации параметров происходит изменение динамических свойств
системы, а в некоторых случаях система теряет устойчивость.
4.5 Робастный модальный регулятор
Идея повышения степени робастности, которую мы попытаемся здесь
реализовать, состоит в том, чтобы выбором параметров модального регулятора
настроить по отдельности контур регулирования скорости (с тремя обратными
связями) и контур положения - так, чтобы максимально разнести полосу
пропускания контура скорости и частоту среза контура положения. Тогда изменения
динамических свойств контура скорости под влиянием возмущений параметров
объекта управления будет мало (по крайней мере, меньше, чем в системе с обычным
модальным регулятором) сказываться на динамических свойствах всей системы.
Для осуществления этой идеи рассмотрим сначала следящую систему со
стандартным модальным регулятором (см. рис. 2.1). Представим ее схему в
компактной форме (рис. 4.12).
Рис. 4.12. Следящая система со стандартным модальным регулятором в
компактной форме.
Система
имеет единичный коэффициент передачи:
Получаем:
;
Эквивалентная
схема следящей системы с выделенным контуром регулирования скорости
представлена на рис. 4.13.
Рис.
4.13. Эквивалентная схема следящей системы с выделенным контуром регулирования
скорости.
;
Структурная
схема системы с робастным модальным регулятором представлена на рис. 4.14.

Рис.
4.14. Структурная схема системы с робастным модальным регулятором.
Передаточная
функция объекта управления в контуре скорости обозначена как
:
Здесь
, где
Если
, то
Для
упрощения дальнейших расчетов положим
(
).
Передаточную
функцию всей системы определим по структурной схеме, показанной на рис. 4.15.
Рис.
4.15. Структурная схема системы
,
где
и
пока
неизвестны.
Определим
желаемый полином
исходя из того, что
, где
В
полиноме
обозначим свободный член
ЛАХ,
соответствующая передаточной функции
,
обозначена на рис. 4.16 как
.
Рис.
4.16. ЛАХ замкнутого внутреннего контура
С
учетом коэффициентов
и
ЛАХ
замкнутого внутреннего контура
имеет вид
(см. рис. 4.16).
Частота
должна быть в приблизительно в 10 раз больше частоты
среза всей следящей системы
. Однако
расчеты показали, что при этом не удается обеспечить необходимые параметры
желаемого характеристического полинома следящей системы. Поэтому в дальнейшем
коэффициент, определяющий соотношение между частотами
и
, принят
равным 3.3.
Частота
находится из соотношения:
или
, откуда
Частота
среза
Надо
взять
, т.е.
, откуда
Пусть
,
, тогда
Полученные
коэффициенты преобразуем и подставляем в структурную схему следящей системы
(рис. 4.17).
Рис.
4.17. Структурная схема следящей системы с подобранными коэффициентами
На
рис. 4.18 показан график переходной характеристики системы по угловому
положению исполнительной оси.
Из
графика видно, что переходная характеристика системы имеет небольшие колебания,
а время регулирования составляет
=1.5с,
что не отвечает требованиям к быстродействию системы.
Постараемся
улучшить переходную характеристику системы по угловому положению исполнительной
оси, воспользовавшись пакетом NCD [7].
Рис.
4.18. График переходной характеристики системы по угловому положению
исполнительной оси.
Коэффициенты
в структурной схеме следящей системы (рис. 4.19)
подберем с помощью пакета NCD таким образом, чтобы увеличить быстродействие и
робастность системы.
Рис.
4.19. Структурная схема системы с NCD
В
результате оптимизации получили значения коэффициентов:
На
рис. 4.20 показан график переходной характеристики системы с NCD
по угловому положению исполнительной оси.
Рис.
4.20. График переходной характеристики системы с NCD по угловому
положению исполнительной оси
Из
графика видно, что время регулирования переходного процесса уменьшилось в пять
раз
с.
Проанализируем,
как меняется чувствительность показателей качества динамики системы с робастным
модальным регулятором к изменениям параметров с и
.
На
рис. 4.21 показаны переходная характеристика системы по угловому положению
исполнительной оси для случая, когда фактическое значение жесткости с в два
раза меньше номинального: с=сн/2.
На
графике видно, что время регулирования увеличилось
с., появились колебания.
Рис. 4.21. График переходной характеристики системы по угловому положению
исполнительной оси при с=сн/2.
На рис. 4.22 показаны переходная характеристика системы по угловому
положению исполнительной оси для случая, когда фактическое значение жесткости с
в два раза меньше номинального: с=2сн.
Рис. 4.22. График переходной характеристики системы по угловому положению
исполнительной оси при с=2сн
На
графике видно, что время регулирования составляет
с., появилось небольшое перерегулирование.
На
рис. 4.23 показаны переходная характеристика системы по угловому положению исполнительной
оси для случая, когда фактическое значение момента инерции второй инерционной
массы в два раза меньше номинального:
.
Рис.
4.23. График переходной характеристики системы по угловому положению
исполнительной оси при
На
графике видно, что время регулирования составляет
с., появились небольшие колебания.
На
рис. 4.24 показаны переходная характеристика системы по угловому положению
исполнительной оси для случая, когда фактическое значение момента инерции
второй инерционной массы в два раза больше номинального:
.
Рис.
4.24. График переходной характеристики системы по угловому положению
исполнительной оси при
На
графике видно, что время регулирования составляет
с.
Исходя
из полученных графиков, можно сделать вывод, что при использовании робастного
модального регулятора в отличие от системы с простым модальным регулятором
удалось снизить время регулирования и колебательность переходных процессов.
Однако в целом следящая система с безынерционным регулятором и приемлемыми
динамическими характеристиками не обладает робастностью в отношении вариаций
параметров с и
. Робастность системы можно увеличить только за счет
уменьшения быстродействия системы.
4.3
Выводы по четвёртой главе
В
данной главе мы рассмотрели два метода повышения робастности следящей системы:
1) за счет улучшения оценок, вырабатываемых наблюдателем, методом адаптивного
управления; 2) за счет изменения параметров модального регулятора: контур
регулирования скорости и контур положения были настроены по отдельности так,
чтобы максимально разнести полосу пропускания контура скорости и частоту среза
контура положения.
Исследования
в системе Matlab Simulink показали следующее:
- благодаря введению в схему стационарного наблюдателя адаптивного
управления удалось улучшить качество оценивания состояния объекта управления с
возмущенными параметрами и, таким образом, несколько снизить влияние наблюдателя
на отличие динамики возмущенной системы от динамики системы с номинальными
параметрами. Но в целом сигнальная адаптация не дала существенных результатов в
улучшении робастных свойств следящей системы, поскольку при вариации параметров
происходит изменение динамических свойств системы, а в некоторых случаях
система теряет устойчивость.
- второй из указанных выше методов также дает лишь частичный эффект:
разнося полосу пропускания контура скорости и частоту среза контура положения,
получаем систему, обладающую робастностью, однако ее быстродействие оказывается
значительно ниже требуемого; при попытке же перенастроить систему и увеличить
ее быстродействие она становится «менее робастной».
5. ТЕХНИКО-ЭКОНОМИЧЕСКОЕ ОБОСНОВАНИЕ
.1
Концепция экономического обоснования НИР
Целью данной дипломной работы является анализ чувствительности
показателей качества динамики системы с модальным управлением к параметрическим
возмущениям в математической модели объекта управления и разработка
рекомендаций к повышению степени робастности системы.
5.2
Трудоемкость и календарный план выполнения НИР
Для определения трудоемкости выполнения НИР прежде всего составляется
перечень основных этапов и видов работ, которые должны быть выполнены. Затем по
каждому виду работ определяется квалификационный уровень исполнителей
(должности). Форма распределения работ по этапам, видам и должностям
исполнителей приведена в табл. 5.1.
Трудоемкость выполнения НИР определяется по сумме трудоемкостей этапов и
видов работ, оцениваемых экспертным путем, в человеко-днях [8] (табл. 5.2).
Таблица 5.1
Трудоемкость этапов работ
|
Этап проведения НИР
|
Вид работ
|
Должность исполнителя
|
|
1. Разработка технического
задания
|
1. Составление и
утверждение ТЗ на НИР 2. Сбор и изучение научно-технической литературы и
других материалов, относящихся к теме исследования 3. Технико-экономическое
обоснование целесообразности НИР
|
СНС Инженер СНС
|
|
2. Теоретическая разработка
|
4. Анализ подобранных
материалов 5. Теоретическое исследование и определение путей решения задачи
НИР
|
Инженер СНС
|
|
3. Моделирование
|
6. Разработка методики
проведения исследований 7. Построение структурной схемы для исследования 8.
Проведение экспериментов в среде MATLAB, анализ полученных результатов
|
СНС Инженер Инженер
|
|
4. Обобщение и оценка результатов
исследования
|
9. Обобщение результатов
предыдущих этапов, формулировка выводов 10. Составление отчета и оформление
графического материала 11. Рассмотрение результатов проведения НИР и приемка
работы
|
Инженер Инженер СНС
|
Таблица 5.2
Трудоемкость видов работ
|
№
|
Вид работ
|
Трудоемкость, чел.-дн.
|
|
|
СНС
|
Инженер
|
|
1
|
Составление и утверждение
ТЗ на НИР
|
11
|
-
|
|
2
|
Сбор и изучение
научно-технической литературы и других материалов, относящихся к теме
исследования
|
-
|
19
|
|
3
|
Технико-экономическое
обоснование целесообразности НИР
|
3
|
-
|
|
4
|
Анализ подобранных
материалов
|
-
|
5
|
|
5
|
Теоретическое исследование
и определение путей решения задачи НИР
|
6
|
-
|
Разработка методики
проведения исследований
|
3
|
-
|
|
7
|
Построение структурной
схемы для исследования
|
-
|
3
|
|
8
|
Проведение экспериментов в
среде MATLAB, анализ полученных результатов
|
-
|
32
|
|
9
|
Обобщение результатов
предыдущих этапов, формулировка выводов
|
-
|
9
|
|
10
|
Составление отчета и
оформление графического материала
|
-
|
16
|
|
11
|
Рассмотрение результатов
проведения НИР и приемка работы целиком
|
-
|
6
|
|
ИТОГО
|
23
|
90
|
5.3 Расчет
сметной стоимости проведения НИР
Целью планирования сметной стоимости проведения НИР является
экономическое обоснование определения величины затрат на ее выполнение.
В сметную стоимость НИР включаются все затраты, связанные с ее
выполнением, независимо от источников ее финансирования. Определение затрат на
НИР производится путем составления сметы, которая является основным документом,
на основании которого осуществляется финансирование, планирование и учет затрат
на НИР.
Расчет сметной стоимости проведения НИР производится по следующим статьям
затрат:
материалы;
спецоборудование для научных работ;
основная заработная плата;
дополнительная заработная плата;
отчисления на социальные нужды;
расход на служебные командировки;
затраты по работам, выполняемым сторонними организациями;
прочие прямые расходы;
накладные расходы.
На статью «Материалы» относятся затраты на сырье, основные и
вспомогательные материалы, покупные полуфабрикаты и комплектующие изделия,
необходимые для выполнения НИР с учетом транспортно-заготовительных расходов
(табл. 5.3).
Таблица 5.3
Материалы
|
Материалы
|
Кол-во
|
Цена, руб.
|
Сумма, руб.
|
|
Бумага для оргтехники,
пачка
|
1
|
150
|
150
|
|
Картридж для принтера Canon Pixma IP4200
|
1
|
1355
|
1355
|
|
Компакт диск (CD-RW),
|
1
|
45
|
45
|
|
Канцелярские товары
|
|
|
250
|
|
ИТОГО:
|
1800
|
|
транспортно-заготовительные
расходы (15%)
|
270
|
|
ВСЕГО:
|
2070
|
Таблица 5.4
Расчет расходов на оплату труда
|
Исполнитель
|
Трудоемкость, чел.-день
|
Дневная ставка, руб.
|
Размер ЗП, руб.
|
|
СНС
|
23
|
800
|
18400
|
|
Инженер
|
90
|
650
|
58500
|
|
Итого, СЗО
|
76900
|
На статью «Расчет расходов на оплату труда» относится основная ЗП научных
сотрудников, инженерно-технических работников, непосредственно занятых
выполнением конкретного НИР (табл. 5.4).
На статью «Отчисления на социальные нужды» относятся отчисления в
федеральный бюджет, фонды социального и обязательного медицинского страхования
от несчастных случаев. Данные отчисления составляют 26,2% от суммы ЗП:
ССН = СЗО· НСН
ССН = 76900·0.262=20147,8 руб.
На статью «Затраты по работам, выполняемым сторонними организациями»
относят затраты по оплате всех видов работ, выполняемые непосредственно для
конкретной НИР сторонними организациями, в том числе по изготовлению опытных
образцов и макетов, аренда оборудования и ЭВМ (табл. 5.5).
Таблица 5.5
Виды работ
|
Виды работ
|
Длительность работ, дн.
|
|
1. Построение структурной
схемы для исследования
|
3
|
|
2. Проведение экспериментов
в среде MATLAB, анализ полученных результатов
|
32
|
|
3. Составление отчета и
оформление графического материала
|
16
|
|
ИТОГО
|
51
|
Количество арендуемого машинного времени рассчитываем из условия 5 часов
в день:
Тмаш = 5· 51 = 255 ч.
Стоимость аренды одного часа - 150 руб. С учетом этого затраты на аренду
машинного времени составят:
Аренда = 255· 150 = 38250 руб.
Дополнительная заработная плата:
СЗД = СЗО· 0.12 = 76900· 0.12 = 9228 руб.
В накладные расходы включаются расходы на управление и хозяйственное
обслуживание организации, проводящей работу. Величина этих расходов, включаемых
в себестоимость проекта, определяется в процентах по формуле:
СНР = (СЗО + СЗД)· 0.2 = (76900 + 9228)· 0.2 = 17225,6 руб.
На основании проведенных расчетов отдельных статей составлена калькуляция
себестоимости проекта.
Статьи «Спецоборудование», «Расходы на служебные командировки», «Прочие
прямые расходы» исключаем, так как затрат по этим статьям произведено не было.
На основе полученных данных по отдельным статьям затрат составляется
смета затрат на проведение НИР (табл. 5.6.).
Таблица 5.6
Смета затрат на проведение НИР
|
Статья затрат
|
Сумма, руб.
|
|
1. Материалы
|
2070,00
|
|
2.Оплата труда
|
76900,00
|
|
3. Отчисления на социальные
нужды
|
20147,00
|
|
4. Аренда ЭВМ
|
38250,00
|
|
5. Дополнительная
заработная плата
|
9228,00
|
|
6. Накладные расходы
|
17225,60
|
|
Затраты на проведение НИР
|
163820,60
|
.4 Расчет
показателей экономической эффективности работы
Чистая текущая стоимость работы рассчитывается по формуле:
,
где
- инвестиции в работу,
- ставка
дисконтирования, примем за 10%;
- период
дисконтирования, равный 2 года;
- чистый
денежный поток;
-
поступление денежных средств, связанных с реализацией проекта, в интервале
(входной денежный поток);
- платежи денежных средств, связанных с реализацией
проекта, в интервале t (выходной денежный поток).
Выводы
по экономической части:
Положительное
значение NPV свидетельствует о целесообразности принятия решения о
финансировании и реализации работы.
5.5
Комплексная оценка эффективности НИР
Результатом
работы будет достижение следующего технического и технико-экономического
эффекта: 1) повышение точности следящей системы; 2) придание системе робастных
свойств, т.е. способность сохранять в определенных диапазонах значения
показателей качества и точности системы при вариации ее параметров и наличие
фактора знания фактических параметров системы.
6. ОХРАНА
ИНТЕЛЛЕКТУАЛЬНОЙ СОБСТВЕННОСТИ
В данной дипломной работе разработана новая методика исследования
чувствительности показателей качества динамики систем автоматического
управления к возмущениям параметров объекта управления.
Методика:
1. Предварительный анализ влияния вариаций параметров объекта
управления на показатели качества переходной характеристики методом
моделирования в системе Matlab Simulinc.
2. Анализ влияния вариаций параметров на корни характеристического
полинома системы и графическая интерпретация этого влияния в виде диаграмм,
графиков, таблиц.
3. Анализ методом корневого годографа с использованием
предварительно преобразованной структурной схемы, в качестве подготовки анализа
в системе Matlab.
. Методика интегральной оценки робастных свойств систем с
модальным регулятором и наблюдателем.
Данную методику целесообразно охранять как секрет производства (НОУ-ХАУ)
[9].
Термин "ноу-хау" (know how) впервые был использован в
договорной практике между компаниями Великобритании и США. Первоначально под
ноу-хау понимали информацию, специально опущенную заявителем в описании
изобретения, и придавали смысл - "знать, как применять патент". Со временем
термин ноу-хау утратил свое первоначальное значение и стал пониматься буквально
- "знать, как сделать". Этому способствовало и то, что ноу-хау стало
самостоятельным объектом сделок, в том числе, не связанных с запатентованными
изобретениями.
Существуют различные определения ноу-хау. В частности, известный
специалист в этой области - немецкий юрист Г. Штумпф, отмечая большое их
разнообразие и не выделяя единственно правильного, определяет ноу-хау как,
"...техническое, коммерческое и производственно-экономическое знание и
опыт, использование которых покупателем ноу-хау позволяет и дает ему
возможность произвести и реализовать предмет по соглашению, а также
осуществлять другую производственную деятельность, как, например, организацию и
управление производством".
В отечественном законодательстве первое нормативное определение ноу-хау и
условия его охраны были даны в статье 151 Основ гражданского законодательства
Союза ССР и республик (далее - Основы) следующим образом:
"Обладатель технической, организационной или коммерческой
информации, составляющей секрет производства (ноу-хау), имеет право на защиту
от незаконного использования третьими лицами при условии, что:
) эта информация имеет действительную или потенциальную ценность в силу
неизвестности ее третьим лицам;
) к этой информации нет свободного доступа на законном основании;
) обладатель информации принимает надлежащие меры к охране ее
конфиденциальности.
Срок охраны ограничивается временем действия названных условий.
Лицо, неправомерно использующее ноу-хау, принадлежащее другому лицу,
обязано возместить ему убытки. Лицо, самостоятельно и добросовестно получившее
такую информацию, вправе использовать ее без каких бы то ни было
ограничений".
Таким образом, в данной статье:
зафиксировано определение объекта ноу-хау как технической,
организационной или коммерческой информации, составляющей секрет производства;
перечислены три условия в отношении этой информации, наличие которых
необходимо для того, чтобы ее обладатель имел право на защиту от незаконного
использования - "ценность в силу неизвестности третьим лицам",
"отсутствие свободного доступа" и "сохранение в тайне";
определен срок охраны - неограниченно во времени;
зафиксирована обязанность лица, неправомерно использующего ноу-хау,
возместить убытки, причиненные обладателю ноу-хау;
гарантировано, право использовать ноу-хау лицу, самостоятельно и
добросовестно получившему такую информацию.
Принципиально новым по сравнению с известными определениями ноу-хау в
данном случае является не определение предметного характера информации, а
установление особого вида гражданских прав - права на сохранении в тайне
коммерчески ценной информации и права на защиту от незаконного ее использования
третьими лицами.
В настоящее время эти права закреплены в главе 75 Гражданского Кодекса
Российской Федерации (далее ГК РФ) [10].
Как следует из определения ноу-хау, его предметное содержание может быть
самым различным. В качестве объектов ноу-хау могут быть разные по своему
содержанию знания и опыт, в том числе (производственные, технические,
экономические, организационные и другие), в том числе о результатах
интеллектуальной деятельности в научно-технической сфере, а также сведения о
способах осуществления профессиональной деятельности, которые имеют
действительную или потенциальную коммерческую ценность в силу неизвестности их
третьим лицам, к которым у третьих лиц нет свободного доступа на законном
основании и в отношении которых обладателем таких сведений введен режим
коммерческой тайны.
Составление и заключение договоров о передаче ноу-хау представляет собой
весьма непростую задачу. Тому есть ряд причин.
Прежде всего, необходимо иметь в виду, что этот договор должен отразить
"модель" взаимоотношений владельца ноу-хау и его покупателя на
достаточно длительный период времени, включающий освоение ноу-хау, производство
и реализацию товаров, услуг, что в условиях динамично развивающегося
производства достаточно сложно.
Достаточно сложную задачу представляет собой обеспечение
конфиденциальности в отношении ноу-хау - одно из основных условий договора.
Нужны обоюдные гарантии, что ноу-хау будет сохранено в тайне, благодаря чему
стороны достаточно длительное время будут извлекать из такой сделки свою
выгоду.
Особенность договора также заключается в том, что стороны сильно рискуют
в случае непреднамеренного раскрытия ноу-хау, промышленного шпионажа или
получения таких же знаний другими лицами.
Несомненно, одной из острых проблем является определение цены такого
договора, формы платежей. Расчетные ставки роялти (периодических платежей в
виде определенного процента от объема продаж продукции, производимой с
использованием ноу-хау) могут оказаться, далеки от реально возможных значений
для конкретного производства, и тогда договор будет явно не выгоден одной из
сторон.
Также следует иметь в виду, что для освоения технологии по ноу-хау мало
передать документацию, описание ноу-хау. Необходимо со стороны продавца
осуществить достаточно большой объем работ по технической помощи, передаче
опыта. Соответственно, договор должен предусматривать такое "обеспечение"
сделки.
Наконец, нельзя не включить в этот далеко не полный перечень проблем и
то, что в законодательстве не предусмотрено какой-либо специальной формы для
договоров о передаче ноу-хау.
Тем не менее, все перечисленное не мешает развиваться рынку ноу-хау, в котором
его участники регулируют свои отношения посредством договора, рожденного
практикой - "Договора о передаче ноу-хау".
Ниже представлен договор о передаче ноу-хау:
ДОГОВОР
О ПЕРЕДАЧЕ НОУ-ХАУ
г. Санкт-Петербург 20 января 2010г.
Государственное образовательное учреждение высшего профессионального
образования "Санкт-Петербургский государственный электротехнический
университет "ЛЭТИ" им. В.И.Ульянова (Ленина)", именуемый в
дальнейшем "ЛИЦЕНЗИАР", в лице ректора КУТУЗОВА В.М., действующего на
основании Устава, с одной стороны, и ЗАО «Компания ПОЛЕТ», именуемое в
дальнейшем "ЛИЦЕНЗИАТ", в лице генерального директора ПЕТРОВА А. В.,
действующего на основании Устава, с другой стороны, принимая во внимание, что:
ЛИЦЕНЗИАР обладает знаниями и опытом в области технологии внедрения новой
методики исследования и желает реализовать эти знания и опыт путем их продажи
для его освоения,
ЛИЦЕНЗИАТ желает получить на условиях настоящего Договора эти знания и
опыт с целью реализации этой методики исследования для производства систем
автоматического управления с улучшенной динамикой, договорились о
нижеследующем.
. ТЕРМИНЫ И ИХ ОПРЕДЕЛЕНИЕ
.1.«СЕКРЕТ ПРОИЗВОДСТВА» (НОУ-ХАУ) - знания и опыт ЛИЦЕНЗИАРА по
внедрению методики исследования чувствительности показателей качества динамики
систем автоматического управления к возмущениям параметров объекта управления.
.2."ИЗДЕЛИЕ" - изготавливаемые ЛИЦЕНЗИАТОМ с использованием
Ноу-хау системы с улучшенной динамикой.
.3."ТЕРРИТОРИЯ" - Российская Федерация.
.4."ДОКУМЕНТАЦИЯ НА НОУ-ХАУ" - комплект документов,
передаваемых ЛИЦЕНЗИАРОМ ЛИЦЕНЗИАТУ и содержащих описание внедрения методики
исследования.
.5."ОТЧЕТНЫЙ ПЕРИОД" - период деятельности ЛИЦЕНЗИАТА по
выполнению условий настоящего Договора в течение каждого квартала, начиная со
дня вступления настоящего Договора в силу.
.6."ОБЪЕМ ПРОДАЖ" - сумма выручки, полученной ЛИЦЕНЗИАТОМ от
реализации Изделий.
. ПРЕДМЕТ ДОГОВОРА
.1. ЛИЦЕНЗИАР предоставляет ЛИЦЕНЗИАТУ на срок действия настоящего
Договора и за вознаграждение, уплачиваемое ЛИЦЕНЗИАТОМ, неисключительное право
на использование Ноу-хау. При этом ЛИЦЕНЗИАТУ предоставляется право на
изготовление Изделий и их продажу на Территории.
.2. ЛИЦЕНЗИАР передает ЛИЦЕНЗИАТУ Документацию на Ноу-хау и оказывает
техническую помощь при освоении внедрение методики.
.3. ЛИЦЕНЗИАР осуществляет авторский надзор за соблюдением ЛИЦЕНЗИАТОМ
технологии в соответствии с Документацией, при этом ЛИЦЕНЗИАТ обеспечивает
возможность такого надзора.
.4. ЛИЦЕНЗИАР сохраняет за собой право передавать ноу-хау и предоставлять
аналогичные права на использование Ноу-хау на Территории третьим лицам, а также
право самому использовать Ноу-хау. При передаче Ноу-хау третьим лицам ЛИЦЕНЗИАР
обязуется информировать об этом ЛИЦЕНЗИАТА.
. ТЕХНИЧЕСКАЯ ДОКУМЕНТАЦИЯ
.1. ЛИЦЕНЗИАР передает ЛИЦЕНЗИАТУ всю необходимую для использования
Ноу-хау Документацию в течение десяти дней со дня вступления в силу настоящего
Договора.
При передаче Документации составляется соответствующий акт сдачи-приемки,
подписываемый обеими Сторонами.
.2. Если ЛИЦЕНЗИАТ при получении или в течение одного месяца после
получения Документации выяснит неполноту или неправильность Документации, то
ЛИЦЕНЗИАР обязана в течение пятнадцати дней после поступления письменной
рекламации от ЛИЦЕНЗИАТА устранить эти недостатки и передать недостающую или
исправленную Документацию ЛИЦЕНЗИАТУ.
В этом случае датой передачи Документации будет считаться дата передачи
недостающей или исправленной Документации.
.3. Для осуществления производственной деятельности по изготовлению
Изделий ЛИЦЕНЗИАТ может изготавливать в необходимом ей количестве копии
Документации, соблюдая при этом условия конфиденциальности, предусмотренные
настоящим Договором.
. УСОВЕРШЕНСТВОВАНИЯ
.1. В течение срока действия настоящего Договора Стороны обязуются
незамедлительно информировать друг друга обо всех произведенных ими
усовершенствованиях и улучшениях, касающихся Ноу-хау.
.2. Стороны обязуются в первую очередь предлагать друг другу
вышеуказанные усовершенствования и улучшения. Условия их передачи Стороны
согласуют дополнительно.
В случае отказа любой из Сторон или неполучении в течение одного месяца
ответа на предложение, касающееся использования усовершенствования и улучшения,
Стороны вправе предлагать эти усовершенствования и улучшения третьим лицам.
. ГАРАНТИИ И ОБЯЗАТЕЛЬСТВА СТОРОН
.1. ЛИЦЕНЗИАР заявляет, что вправе передавать Ноу-хау ЛИЦЕНЗИАТУ, и что
на момент подписания настоящего Договора ему ничего не известно о правах
третьих лиц, которые могли бы быть нарушены такими действиями.
.2. ЛИЦЕНЗИАР гарантирует техническую осуществимость технологии по
Ноу-хау на предприятии ЛИЦЕНЗИАТА и достижение предусмотренных эксплуатационных
характеристик Изделий при условии соблюдения ЛИЦЕНЗИАТОМ требований
Документации и инструкций ЛИЦЕНЗИАРА по использованию Ноу-хау.
.3. ЛИЦЕНЗИАТ обязуется осуществлять внедрение этой методики в Изделия в
полном соответствии с полученной Документацией и инструкциями ЛИЦЕНЗИАРА в
части, касающейся использования Ноу-хау, а также требованиями ЛИЦЕНЗИАРА,
установленными им при осуществлении авторского надзора, и требованиями ТУ на
данную технологию.
. ТЕХНИЧЕСКАЯ ПОМОЩЬ
.1. Для оказания технической помощи ЛИЦЕНЗИАТУ в освоении Ноу-хау и
обучения его персонала ЛИЦЕНЗИАР по просьбе ЛИЦЕНЗИАТА командирует на его
предприятие необходимых специалистов. О своей просьбе ЛИЦЕНЗИАТ сообщит
ЛИЦЕНЗИАРУ не позднее, чем за 10 дней до предполагаемого приезда специалистов.
.2. В случае необходимости ЛИЦЕНЗИАТ обеспечит специалистов ЛИЦЕНЗИАРА на
время их пребывания на предприятии ЛИЦЕНЗИАТА местами в гостинице и другими
согласованными видами обслуживания.
.3. Командировочные расходы, связанные с пребыванием на предприятии
ЛИЦЕНЗИАТА специалистов ЛИЦЕНЗИАРА в целях оказания технической помощи,
предусмотренной п. 6.1 настоящего Договора, несет ЛИЦЕНЗИАТ.
. ПЛАТЕЖИ
.1. За передачу Ноу-хау и предоставление права на использование Ноу-хау,
предусмотренные настоящим Договором, ЛИЦЕНЗИАРУ выплачивается единовременное
вознаграждение в размере 100.000 (сто тысяч) рублей.
.2. За предоставление прав использования Ноу-хау, предусмотренных
настоящим Договором, ЛИЦЕНЗИАТ выплачивает ЛИЦЕНЗИАРУ вознаграждение в виде
текущих отчислений (роялти) от Объема продаж изготовленных и реализованных
ЛИЦЕНЗИАТОМ Изделий в размере:
2 (двух) процентов за первые два года использования Ноу-хау;
3 (трех) процентов за последующие годы использования Ноу-хау в пределах
срока действия настоящего Договора.
.3. Платежи, предусмотренные п.7.1 и п.7.2 настоящего Договора,
переводятся ЛИЦЕНЗИАТОМ на расчетный счет ЛИЦЕНЗИАРА в течение 30 (тридцати)
дней, следующих за Отчетным периодом.
.4. Все платежи по настоящему Договору понимаются как платежи, при
которых все возможные сборы и налоги уплачиваются ЛИЦЕНЗИАРОМ.
.5. После прекращения действия настоящего Договора, положения его будут
применяться до тех пор, пока не будут урегулированы платежи, обязательства по
которым возникли в период его действия.
. ИНФОРМАЦИЯ И ОТЧЕТНОСТЬ
.1. ЛИЦЕНЗИАТ в течение 30 (тридцати) дней, следующих за Отчетным
периодом, предоставляет ЛИЦЕНЗИАРУ сводные бухгалтерские данные, включающие
сведения о количестве произведенных и реализованных Изделий, сведения об
отпускных ценах и об Объеме продаж.
.2. ЛИЦЕНЗИАР имеет право производить проверку этих данных на предприятии
ЛИЦЕНЗИАТА, в этом случае ЛИЦЕНЗИАТ обязуется обеспечить возможность такой
проверки.
. КОНФИДЕНЦИАЛЬНОСТЬ
.1. Стороны обязуются сохранять конфиденциальность полученной от
ЛИЦЕНЗИАРА Документации и информации, касающейся технологии внедрения методики
в Изделия.
Стороны предпримут все меры для того, чтобы предотвратить полное или
частичное разглашение указанных сведений или ознакомление с ними третьих лиц
без взаимной договоренности.
.2. С указанными сведениями будут ознакомлены только те работники
ЛИЦЕНЗИАТА, которые непосредственно связаны с производством Изделий, при этом
ЛИЦЕНЗИАТ ограничит их соответствующими обязательствами по сохранению
конфиденциальности.
. ЗАЩИТА ПРАВ
В случае противоправного получения и использования третьими лицами
Ноу-хау, ставшем известным ЛИЦЕНЗИАТУ, а также в случае предъявления к
ЛИЦЕНЗИАТУ претензий или исков по поводу нарушения им прав третьих лиц в связи
с использованием Ноу-хау, она незамедлительно уведомит об этом ЛИЦЕНЗИАРА.
В обоих случаях ЛИЦЕНЗИАР обязуется урегулировать такие претензии или
предпринять иные действия, исключающие возникновение убытков и расходов для
ЛИЦЕНЗИАТА.
. РЕКЛАМА
.1. ЛИЦЕНЗИАТ обязуется указывать в соответствующих рекламных материалах,
документах, поступающих вместе с Изделиями в продажу, что эти Изделия
производятся с использованием технологии ЛИЦЕНЗИАРА.
.2. ЛИЦЕНЗИАТ вправе сопровождать Изделия своим товарным знаком.
. ОТВЕТСТВЕННОСТЬ СТОРОН И РАЗРЕШЕНИЕ СПОРОВ
.1. За невыполнение или ненадлежащее выполнение обязательств по
настоящему Договору Стороны несут имущественную ответственность в соответствии
с действующим законодательством.
Стороны освобождаются от ответственности за неисполнение или ненадлежащее
исполнение обязательств, принятых по настоящему Договору, если это явилось
следствием обстоятельств непреодолимой силы (форс-мажор).
Сторона, нарушившая свои обязательства по настоящему Договору,
освобождается от ответственности за неисполнение или ненадлежащее исполнение
этих обязательств, если это нарушение было вызвано причинами, за которые
отвечает другая Сторона.
.2. В случае возникновения споров между Сторонами по вопросам,
предусмотренным настоящим Договором, Стороны примут все меры к разрешению их
путем переговоров между собой.
В случае невозможности разрешения указанных споров путем переговоров они
должны разрешаться в Арбитражном суде города Санкт-Петербурга и Ленинградской
области.
. СРОК ДЕЙСТВИЯ ДОГОВОРА И УСЛОВИЯ ЕГО РАСТОРЖЕНИЯ
.1. Настоящий Договор заключен на срок пять лет и вступает в силу с даты
его подписания обеими Сторонами.
.2. По истечении срока действия настоящего Договора вправе ЛИЦЕНЗИАТ
использовать Ноу-хау в объеме, предусмотренном настоящим Договором,
безвозмездно.
.3. Действие настоящего Договора по обоюдному согласию Сторон может быть
прекращено досрочно.
.4. Каждая из Сторон имеет право досрочно расторгнуть настоящий Договор,
путем направления письменного уведомления, если другая Сторона не выполнит
какое-либо из следующих условий:
обязательства ЛИЦЕНЗИАРА по п. 6.1;
начало производства ЛИЦЕНЗИАТОМ Изделий с использованием Ноу-хау в
течение шести месяцев со дня передачи ей Документации.
При этом Стороне, не выполнившей своего обязательства, будет
предоставлено три месяца для устранения допущенного нарушения.
Настоящий Договор, может быть расторгнут в одностороннем порядке со
стороны ЛИЦЕНЗИАТА в случае установления несоответствия действительности
заявления ЛИЦЕНЗИАРА по п. 5.1.
Основанием для досрочного расторжения настоящего Договора может быть
отсутствие устойчивого потребительского спроса на Изделия.
Если настоящий Договор будет, досрочно, расторгнут, из-за невыполнения
ЛИЦЕНЗИАТОМ своих обязательств, то она лишается права использовать Ноу-хау в
любой форме, и обязана вернуть ЛИЦЕНЗИАРУ всю Документацию. При этом ЛИЦЕНЗИАТ
не освобождается от обязательств по конфиденциальности.
. ЗАКЛЮЧИТЕЛЬНЫЕ ПОЛОЖЕНИЯ
.1. Все изменения и дополнения к настоящему Договору действительны только
в тех случаях, если они совершены в письменной форме и подписаны обеими
Сторонами.
.2. Стороны не имеют права передавать свои права и обязательства по
данному Договору третьим лицам без письменного согласия на то другой Стороны.
.3. Во всем остальном, что не предусмотрено условиями настоящего
Договора, будут применяться нормы законодательства Российской Федерации.
.4. Настоящий Договор составлен в двух экземплярах - по одному для каждой
из Сторон и подписан 20 января 2010г. в г. Санкт-Петербурге.
. ЮРИДИЧЕСКИЕ АДРЕСА СТОРОН И БАНКОВСКИЕ РЕКВИЗИТЫ
.1. ЛИЦЕНЗИАР:
Адрес: __________________________________________________________________
Р/с __________________________________________________________________
.2. ЛИЦЕНЗИАТ:
Адрес: __________________________________________________________________
Р/с __________________________________________________________________
От ЛИЦЕНЗИАРА:От ЛИЦЕНЗИАТА:
ректор СПбГЭТУ "ЛЭТИ"ген.директор ЗАО "ПОЛЕТ"
____________ В.М.Кутузов___________ А.В.Петров
ЗАКЛЮЧЕНИЕ
Проделанная работа позволяет сформулировать следующие основные выводы и
результаты:
. Трехконтурная структура следящей системы с двухмассовым
электромеханическим объектом не позволяет обеспечить требуемую точность
отработки задающих сигналов и удовлетворительные показатели качества переходных
процессов, которые носят колебательный характер.
. С помощью системы Matlab для рассматриваемой следящей системы выполнен
расчет модального регулятора. Он обеспечивает благоприятный вид переходных
процессов и заданные динамические характеристики системы. Система с
синтезированным модальным регулятором также обладает указанными в техническом
задании показателями точности.
. С помощью системы Matlab для данной системы был построен наблюдатель.
Моделирование показало, что динамические свойства системы с модальным
управлением по истинным и восстановленным (с помощью наблюдателя) переменным
идентичны.
. Выполнено исследование влияния вариаций параметров механической части
системы (жесткости передачи и момента инерции механизма) на качество переходных
процессов в системе с модальным управлением. Выявлено, что при вариации
параметров происходит существенное изменение динамических свойств системы, а в
некоторых случаях система теряет устойчивость. Таким образом, следящая система
с модальным управлением не обладает робастностью.
. Показано, что отличие параметров объекта управления от значений,
принятых при расчете наблюдателя, приводит к существенному ухудшению оценок,
вырабатываемых наблюдателем. Вследствие этого наблюдатель вносит весьма
существенный вклад в отличие динамики возмущенной системы от динамики системы с
номинальными параметрами.
. Для повышения робастных свойств следящей системы был применен метод
адаптивного управления: в схему наблюдателя была введена цепь сигнальной
адаптации с нелинейным элементом типа знаковой функции. Компьютерное
моделирование показало, что благодаря введению в схему сигнальной адаптации
удалось снизить влияние наблюдателя на отличие динамики возмущенной системы от
динамики системы с номинальными параметрами. Тем не менее, система по-прежнему
не обладает робастностью, поскольку этим свойством не обладает сам закон
модального управления.
. Предпринята попытка придать модальному регулятору свойство робастности
за счет перенастройки его параметров. Компьютерное моделирование показало, что,
разнося полосу пропускания контура скорости и частоту среза контура положения,
получаем систему, обладающую робастностью, однако ее быстродействие оказывается
значительно ниже требуемого; при попытке же перенастроить систему и увеличить
ее быстродействие она становится «менее робастной».
СПИСОК ЛИТЕРАТУРЫ
1. Борцов Ю. А., Второв В. Б. Математические модели и
алгебраические методы расчета автоматизированных систем. Учеб. пособие / ЭТИ.
СПб., 1992 год.
. Квакернаак Х., Сиван Р. Линейные оптимальные системы
управления / пер. с англ. - М.: Мир, 1977.
. Головко А. М. , Кутузов П. Н. Matlab для студента. СПб., БХВ-Петербург, 2005 год.
. http://matlab.exponenta.ru/.
. Бесекерский В. А., Попов Е. П. Теория систем
автоматического регулирования. Изд. «Наука», М., 1975 год, 768 с.
. Борцов Ю. А., Поляхов Н. Д., Путов В. В.
Электромеханические системы с адаптивным и модальным управлением. - Л.:
Энергоатомиздат, 1984 год.
. Дьяконов В. П. Matlab.*/R2006/R2007. Самоучитель. Изд-во «ДМК», М., 2008 год.
. Васильев А. В. Методические указания по
технико-экономическому обоснованию дипломных проектов (работ): Метод. указания,
СПб. Изд-во СПбГЭТУ «ЛЭТИ», 2002 год, 32 с.
. Буч Ю. И., Колесникова М. А.Охрана ноу-хау
(справочно-методические материалы). Изд. 3-е, исправленное и дополненное. -
СПб, 2004.
. Гражданский Кодекс Российской Федерации. Часть 4. От
18.12.2006 года №230-ФЗ.