Методы анализа электрических цепей
Госуниверситет
- УНПК
Кафедра
«Электрооборудование и энергосбережение»
ПОЯСНИТЕЛЬНАЯ
ЗАПИСКА
к
расчетно-графической работе
по
общей электротехнике
Орел,
2011г.
Задача 1
Для электрической схемы,
соответствующей номеру варианта и изображенной на рисунках 1-20, выполнить
следующее:
. Определить ток во всех ветвях
схемы методом контурных токов или методом узловых напряжений.
. Получить решение по п.1 путем
составления всех необходимых топологических матриц и манипуляций с ними.
. Определить сопротивление
схемы относительно зажимов резистора R6.
Номер варианта и
соответствующие исходные данные представлены в таблице 1.1.
Таблица 1.1
|
Вар-т
|
R1, Ом
|
R2, Ом
|
R3, Ом
|
R4, Ом
|
R5, Ом
|
R6, Ом
|
E1, В
|
E2, В
|
Jk1, А
|
Jk2, А
|
|
93
|
38
|
30
|
25
|
22,5
|
20
|
17,2
|
25
|
50
|
0,2
|
0
|
Схема задания отражена на
рисунке 1.
Рисунок 1.1
1.1 Определим токи во всех ветвях схемы методом
контурных токов
В данной схеме определим направление токов в
каждой ветви, относительно источника тока, ЭДС и резистивных элементов . Затем,
выбрав независимые контура, а их в данной схеме всего три, укажем направление
каждого из трёх контурных токов, в них (см.рис. 1.2).
Заметим, что в данной схеме
присутствуют ветвь с идеальными источниками тока. Есть возможность упростить
расчет и саму схему, избавившись от этого источника. Jk2
= 0, также заменим Jk1
на идеальный источник э.д.с. (с помощью закона Ома U=IR)
того же направления, сложим с предыдущим значением E1.
Величина Е1 = Jk1×R1
+ 25=0,2×38+25=32,6
В. В результате упрощения получаем схему отображенную на рисунке 1.2.
Рисунок 1.2
Дальнейшие действия заключаются в том, что
перейдём непосредственно к выполнению расчётов, методом МКТ, используя
необходимые формулы:
)Определение числа уравнений.
= nВ
- nУ - nТ
+ 1,
где nВ
= 6 - число ветвей, nУ = 4 -
число узлов, nТ = 0 - число
идеальных источников тока.
k = 6 - 4 - 0 + 1 =
3 .
2)Используя данные таблицы 1.1 и схему (см.рис.
1.3), составим систему линейных алгебраических уравнений (k=3,
поэтому в системе 3 уравнения).
С помощью полученной системы можно составить
матрицы:
.
Полученные матрицы необходимо перемножить,
причём первый множитель предварительно нужно обратить.
Обозначим первую матрицу как Rk,
вторую E, а матрицу, в
которую записываем результат перемножения, обозначим как Ik.
E =
Теперь можно перейти к завершающей стадии МКТ,
определение реальных токов в каждой ветви схемы (см.рис. 1.2):
.2 Расчет схемы с использованием
топологических матриц
Преобразованная схема (рис 1.2), уже не имеет
идеального источника, но от этого схема не нарушена, т.к. ид. источник Jk2
был преобразован в источник ЭДС, с помощью закона Ома (U
= Jk2*R).
Рисунок 1.3
Составить топологические матрицы можно с помощью
графа (рис.1.3). Граф содержит такое же количество узлов, ветвей, что и схема
(рис. 1.2). Вершины обозначены римскими цифрами, а ветви - арабскими. На графе,
ветви 2, 1, 5 - составляют дерево графа. Дерево выбирается таким образом, чтобы
его ветви не замыкали контура.
Теперь можно перейти непосредственно к
составлению матриц, которые после некоторых вычислений помогут определить токи
во всех ветвях схемы. Полученные результаты должны быть совпадать, с
результатами (токов) пункта 1.1 на 100 %.
Сразу можно составить матрицы источников ветвей:
;
;
Составление двух оставшихся матриц
и
осуществляется
с использованием графа (рис.1.3).
Матрица сопротивлений ветвей:
;
.
.
;
; (*)
.
Транспонированная матрица главных
контуров выглядит следующим образом:
После подстановки матриц в уравнения
(*), получим результаты:
Токи были вычислены на компьютере
(тип переменной - двойная точность), следовательно, вероятность допущения
ошибки уменьшается, нежели при расчёте вручную.
Итак, последняя матрица
содержит
численные значения токов во всех ветвях.
1.3 Определение сопротивления схемы
относительно зажимов заданного резистора
Данную задачу можно решить с помощью свёртки
цепи, предварительно разорвав цепь резистором №6. полученная таким образом
схема изображена на рисунке 1.5.
Рисунок 1.5
Начинём свёртку с того, что преобразуем звезду в
треугольник (рис. 1.6).
Рисунок 1.6
Выразим R31,
R15, R35:
Подставим в эти формулы численные
данные:
Схема упростится, и будет выглядеть
следующим образом (рис. 1.7):
Рисунок 1.7
Резисторы R235 и R314 -
подключены последовательно (рис. 1.7), поэтому:
Получим схему, изображённую на
рисунке 1.8:
Рисунок 1.8
Полученный результат сложим с R15
Рисунок 1.9
Рисунок 1.10
Расчёты, пункта 1.3, завершены.
Задача 2
В схеме (Рис. 10) действуют две э.д.с одинаковой
частоты w
= 314 рад/с e1(t)
= Em1 sin
(ωt + ψе1),
В; e2(t)
= Em2 sin
(ωt + ψе2),
В. Значения активных сопротивлений представлены в таблице 2.1. Реактивные
элементы и величины Em1,
Em2, ψе1,
ψе2 и коэффициент
связи между катушками k
заданы в таблице 2.1 в соответствии с вариантом.
Требуется:
1. Рассчитать токи во всех ветвях схемы.
2. Составить баланс мощности.
. Построить векторную диаграмму
напряжений для любого замкнутого контура схемы, включающего не менее одной
э.д.с.
Таблица 2.1 - Исходные данные представлены ниже.
|
R1, Ом
|
R2, Ом
|
R3, Ом
|
R4, Ом
|
R5, Ом
|
|
50
|
70
|
150
|
100
|
110
|
Таблица 2.2 - Данные, соответствующие варианту №
83.
|
Em1, В
|
Em2, В
|
ψ1, град.
|
Ψ2, град.
|
k
|
L1, Гн
|
L2, Гн
|
С1,
мкФ
|
С2, мкФ
|
|
127
|
156
|
90
|
0
|
0
|
127
|
96
|
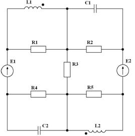
Исходная схема изображена на рисунке 2.1.
Рисунок 2.1
.1 Расчет токов во всех ветвях схемы
Схема с расставленными направлениями токов в
ветвях и контурных токов представлена на рисунке 2.2. Элементы L1
на этой схеме не показаны, так как параметры по условию варианта равны нулю.
Рисунок 2.2
Расчет комплексных величин:
o =1.57 рад
e2(t)
= 156 sin (314t),
В
e1(t) = 127 sin (314t + 1.57), В
;
;
1 = 89,803j B;
Е2 = 110,309 В;
XL1 = Ом;
XL2 = 314 ·
0.08 = 25,1 Ом;
XC2 = 1 / (314
· 96 · 10-6) =33,1 Ом;
XM =
Ом.
ХС1= 1/(314 . 127 . 10-6 ) = 25 Ом.
Найдём все токи схемы, изображённой
на рисунке 2.2, методом контурных токов. Число ветвей схемы nв=8, число
узлов ny=4, число
идеальных источников тока равно нулю, k=nв-ny-nT-1=8-4+1=5.
Число уравнений в системе равно пяти, составим уравнения:
Составим матрицы:
Ik=A-1E
2.2 Составление баланса мощности
Мощность потребителей - активных
элементов:
Мощность потребителей - реактивных
элементов:

Сумма мощностей потребителей:
Определим мощность источника:
Расхождение мощности (по модулю):
Поскольку расхождение составляет
менее 1 %, это позволяет считать выполненный расчёт правильным.
2.3 Построение векторной диаграммы.
Для построения векторной диаграммы выбираем
контур (E2- R2-R3 -R5-
E2), т. е.
ток резистор мощность
сопротивление
Рассчитаем каждое из слагаемых:
Итак, с помощью полученных
результатов мы можем построить векторную диаграмму. Действительное число
откладывается по оси - +1, а мнимое по оси - +j. Масштаб mU = 10 В/см.
Вывод
В расчетно-графической работе изучили разные
методы анализа электрических цепей. В хоре работы выяснили, что среди известных
методов анализа цепей, есть такие, которыми возможно пользоваться без
применения мощной вычислительной техники.
Список литературы
1. Матханов
П.Н. Основы анализа электрических цепей. Линейные цепи.: Учебник для вузов. -
М.: Высшая школа, 1990. - 400 с.
2. Попов
В.П. Основы теории цепей: Учебник для вузов. - 2-е издание - М.: Высшая школа,
1985. - 496 с.
3. Шебес
М.Р., Каблукова М.В. Задачник по теории линейных электрических цепей: Учеб.
пособие - 4-е изд., - М.: Высш.шк. 1990 - 544 с.
4. Рекус
Г.Г., Белоусов А.И., Сборник задач по электротехнике и основам электроники:
Учеб. пособия для неэлектротехн. спец. вузов. - М.: Высш.шк., 1991. - 416 с.