Анализ электрической цепи методом контурных токов

  • Вид работы:
    Практическое задание
  • Предмет:
    Физика
  • Язык:
    Русский
    ,
    Формат файла:
    MS Word
    115,81 Кб
  • Опубликовано:
    2013-07-27
Вы можете узнать стоимость помощи в написании студенческой работы.
Помощь в написании работы, которую точно примут!

Анализ электрической цепи методом контурных токов

Тема: Анализ электрической цепи методом контурных токов

Цель работы:

Приобрести навыки сборки простейших электрических цепей.

Научиться пользоваться электроизмерительными приборами.

Закрепить теоретические сведения о методах анализа электрических цепей со смешанным соединением резисторов (потребителей).

Экспериментальная проверка справедливости эквивалентных преобразований схем электрических цепей.

Закрепления практических навыков использования методов анализа электрических цепей.

Экспериментальная проверка результатов расчета.

Содержание отчета:

название лабораторно-практической работы;

электрические схемы;

заполненные таблицы;

все расчеты к таблицам и дополнительные расчеты;

основные выводы;

Правила оформления:

Лабораторная работа выполняется на компьютере с применением виртуальной лаборатории «Электротехника» или «Electronics Workbench».

Отчет должен быть представлен печатной работой на листах формата А4, таблица заполняется шариковой ручкой от руки.

Расчет может выполняться от руки или на компьютере.

Использовать MS WORD, MS EXCEL.

Требуемое оборудование:

Продолжительность работы: 2 часа.

Лабораторная работа проводится в виртуальной среде «Электротехника» или «Electronics WorkBench».

Основные теоретические положения

Электрической цепью называют совокупность источников и потребителей электрической энергии соединения между собой с помощью проводников.

Рис. 1

Рис. 2

Последовательным соединением участков электрической цепи называется соединение, при котором по цепи проходит один и тот же ток. т.е. к концу каждого предыдущего элемента подключается начало следующего (рис. 1). Такой участок электрической цепи называется ветвью.

Рис. 3

Рис. 4

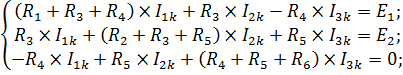
Узлом называется точка соединения между собой более двух ветвей. Точка «а» на рисунке 5.

Рис. 5

Совокупность соединенных между собой ветвей называется контуром. На рисунке 3 показан контур abcd. В данной работе исследуется электрическая цепь c двумя источниками ЭДС. В качестве потребителей электрической энергии в работе использованы резисторы.

Рис. 6

Напряжение U на зажимах резистора с сопротивлением R и ток I, проходящий через него, связаны законом Ома:

I = U/R

Наряду с законом Ома при анализе электрических цепей используют первый и второй законы Кирхгофа. Формулировка первого закона Кирхгофа: алгебраическая сумма токов, сходящихся в любом узле электрической цепи, равна нулю.

+I2+...+IN=0,

где: N - число ветвей, сходящихся в узле.

Причем, перед соответствующим током ставится знак «+» если этот ток входит в узел, и знак «-», если ток выходит из узла.

Поэтому можно дать еще одну формулировку первого закона Кирхгофа: алгебраическая сумма токов входящих в любой узел равна алгебраической сумме токов выходящих из этого узла.

Формулировка второго закона Кирхгофа: в любом замкнутом контуре электрической цепи алгебраическая сумма падений напряжений на его элементах равна алгебраической сумме ЭДС, входящих в этот контур.

E1+E2+...+EP=I1(R1+...+RK)+I2(R1+...+RL)+...+IN(R1+...+RM),

где: N - число ветвей, образующих замкнутый контур;

Р - число источников э.д.с., входящих в данный контур;, L, M - число элементов в соответствующих ветвях.

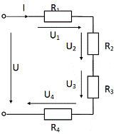
Рассмотрим применение указанных законов на примере электрической цепи, представленной схемой, изображенной на рисунке 5. Применительно к этой схеме (последовательное соединение элементов) второй закон Кирхгофа может быть сформулирован следующим образом:

Общее напряжение на участке с последовательным соединением элементов равно сумме напряжении на каждом элементе.

Таким образом:

=U1+U2+U3+U4

В соответствии с законом Ома для отдельных элементов и для всей цепи

R1=U1/I; R2=U2/I; R3=U3/I; R4=U4/I; Rэк=U/I=R1+R2+R3+R4.

При заданных значениях общего напряжения U и сопротивлении всех элементов анализ последовательной цепи проводят в следующем порядке:

) определяют эквивалентное сопротивление всей цепи

эк = R1 + R2 + R3 + R4;

) по закону Ома находят ток в цепи: I = U/R эк;

) рассчитывают напряжения на каждом элементе;

U1 = R1I, U2 = R2I, U3 = R3I, U4 = R4I;

) проверяют выполнение равенства

= U1 + U2 + U3 + U4.

Если по участку электрической цепи с сопротивлением R проходит постоянный ток I, создающий на этом участке падение напряжения U, то выделяемая здесь активная мощность Р определяется по одному из следующих выражений:

P=UI, Р=I2R, Р=U2/R.

Например, для цепи, представленной на рисунке 5, мощность, рассеиваемая на резисторе R2 будет равна P2=U2I=IR22=U22/R2, а мощность, потребляемая всей схемой - P=UI=IR2эк=U22/R эк.

Для измерения электрических параметров цепи (тока, напряжения, сопротивления) используются электроизмерительные приборы.

Рис. 7

Амперметр обладает малым внутренним сопротивлением, поэтому его включение практически не изменяет сопротивление цепи.

Рис. 8

Напряжение на некотором участке электрической цепи измеряется вольтметром, который подключается параллельно тому участку цепи, на котором измеряется напряжение (рис. 7). Вольтметр имеет очень большое внутреннее сопротивление, поэтому его подключение не влияет на режим работы цепи.

Рис. 9

электрический цепь резистор сопротивление

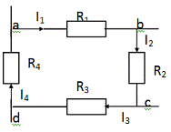
Для измерения сопротивления используется омметр. Этот электроизмерительный прибор содержит собственный источник питания, поэтому при замере сопротивлений цепь необходимо обесточить. Его входные клеммы подключаются к той паре точек электрической цепи, между которыми измеряется сопротивление (рис. 8). Перед использованием прибора должна быть произведена установка его на нуль. Порядок выполнения работы. Соберем электрическую цепь согласно Рис. 10.

Рис. 10

R1 =50 Ом, R2 =220 Ом, R3 =220 Ом, R4 =100 Ом, R5 =110 Ом, R6 =100 Ом; E1=10 В, E2=9 В

Измерим токи  в ветвях, результаты запишем в таблицу 1:

Рассчитаем токи  по методу контурных токов:

 

Рис. 11


Составим матрицы А и В:


Используя Excel, с помощью функций рабочего листа МОБР, МУМНОЖ получим

k=0,026 А; I2k= А; I3k= А.

Рассчитаем реальные токи:

I1= I1k=26 мА; I2=I2k=4,518 мА; I3= I1k+ I2k=30,518 мА; I4= I1k- I3k=19,155 мА; I5= I2k+ I3k=11,363 мА; I6= I3k=6,845 мА.

Посчитаем погрешность по формуле и запишем результаты к таблицу 1:

Таблица 1

i

Iiэ,мА

Ii,мА (МКТ)

δIi,% (МКТ)

1

26

26

0

2

4,5

4,518

0,02

3

30,5

30,518

0,02

4

19,1

19,155

0,06

5

11,4

11,363

0,04

6

6,9

6,845

0,06


Посчитаем среднеарифметическую погрешность:

δIi=

В опыте использовался метод контурных токов (МКТ).

Измерили токи в ветвях Iiэ. Рассчитали токи в ветвях: I1k=0,026 А; I2k= А; I3k= А, а далее реальные токи, используя закон Кирхгофа.

Погрешность в данном опыте составила - .

Похожие работы на - Анализ электрической цепи методом контурных токов

 

Не нашли материал для своей работы?
Поможем написать уникальную работу
Без плагиата!
Без нейросетей!