Гидравлический расчет простого трубопровода
Министерство
образования Республики Беларусь
УО «Полоцкий
государственный университет»
Курсовая
работа
по
дисциплине: Гидромеханика и аэродинамика
на тему:
Гидравлический расчет простого трубопровода
Новополоцк,
2012
Введение
Целью работы является закрепление знаний, полученных при изучении
теоретического материала, выработка навыков практического применения этих
знаний при решении инженерных задач на примере расчета простого трубопровода
заданной геометрии.
Простым трубопроводом называют трубопровод, по которому жидкость
транспортируется без промежуточных ответвлений потока.
Исходным при расчетах простого трубопровода является уравнение Бернулли,
составленное для потока жидкости от плоскости свободной поверхности питающего
резервуара до плоскости выходного сечения трубопровода. При установившемся
движении жидкости имеем
(0
1)
где:
- ординаты, определяющие высоту положения центра
выбранного сечения над произвольной горизонтальной плоскостью сравнения.
-
пьезометрический напор в сечениях 0-0 и К-К.
-
скоростной напор в сечениях 0-0 и К-К.
-
коэффициенты Кориолиса, учитывающие неравномерность распределения скоростей в
соответствующих живых сечениях потока.
- сумма
потерь напора на пути между выбранными сечениями, состоящая из потерь на трение
по длине и потерь в местных сопротивлениях.
Для
удобства расчетов вводится понятие располагаемого напора трубопровода
(0
2)
который
представляет перепад гидравлических напоров, действующих в выбранных сечениях
потока.
Преобразуя,
с учетом (0 2), уравнение Бернулли (0 1), получим
общий вид расчетного уравнения простого трубопровода
(0
3)
Так
как площадь свободной поверхности питающего резервуара достаточно велика по
сравнению с сечением трубопровода, скорости в сечении 0-0 будут малы и
скоростным напором в этом сечении можно пренебречь. После этого расчетное
уравнение примет вид:
(0
4)
Выражая
потери на трение по длине и местные потери формулами:
(0
5)
(0
6)
получим:
(0
7)
где:
- коэффициент гидравлического трения на каждом
участке
- длина
каждого линейного участка
-
диаметр трубопровода на каждом участке
-
коэффициент местных сопротивлений
-
средняя скорость потока на каждом участке
-
коэффициент Кориолиса (для турбулентного режима
, для
ламинарного
);
Используя
уравнение неразрывности
(0
8)
получим
расчетное уравнение трубопровода в окончательной форме
(0
9)
где:
- площадь выходного сечения трубопровода
-
площадь живого сечения на каждом участке
По
полученным расчетным данным строятся графики напоров (диаграмма уравнения
Бернулли), показывающие изменение по длине трубопровода полного напора потока и
его составляющих.
Воспользовавшись
этими теоретическими сведениями, плавно перейдем к практическому расчету
предложенного трубопровода.
1.
Разбиение трубопровода на линейные участки
На миллиметровой бумаге в масштабе вычерчивается предложенная схема
трубопровода с указанием всех его геометрических размеров.
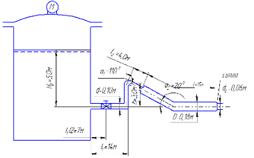
Рисунок11Схема
трубопровода (вариант: тип Ж №1)
Исходные данные:
|
Pм
|
H0
|
h
|
d
|
1 2LDl1l2dcRtжидкость
|
|
|
|
|
|
|
|
|
|
|
кг/см2
|
м
|
м
|
м
|
°
|
°
|
м
|
м
|
м
|
м
|
м
|
м
|
°С
|
|
|
3,0
|
5
|
3
|
0,1
|
120
|
20
|
0,2
|
12
|
5
|
0,08
|
0,1
|
20
|
вода
|
Весь
трубопровод условно разбивается на 7 линейных участков, границами которых
служат местные сопротивления. Каждому линейному участку и каждому местному
сопротивлению присваивается порядковый номер, при этом местному
сопротивлению присваивается тот же порядковый номер, что и линейному участку,
который оно ограничивает снизу по потоку. Местному сопротивлению «вход в
трубопровод из резервуара» порядковый номер не присваивается, а значение
коэффициента местного сопротивления для него
суммируется
со значением коэффициента местного сопротивления, имеющего порядковый номер 1,
и в дальнейшем это суммарное значение используется в расчетах, как
.
2.
Определение режима движения жидкости в трубопроводе
Определяем режим движения жидкости в трубопроводе путем сравнения
располагаемого напора Н с его критическим значением Нкр.
Располагаемый напор определяется по формуле:
;
где Н0
= 5 м;
Pм = 3,0 кг/см2=3,0·105/1.02=2,94117·105
Па
γ = ρ·g;
м,
Формулу
для получения критического напора, соответствующего переходу от ламинарного
режима движения жидкости к турбулентному можно получить, воспользовавшись
формулой для определения потерь напора на трение при ламинарном движении:
;
где
.
Имея
в виду, что критический напор Hкр
соответствует критической скорости uкр, подставим значение uкр,
выраженное через критическое значение числа Reкр,
и
получим выражение для критического напора:
Значение
можно принимать равным 2320.
при t=160C [1] стр. 16.
Найдем
Hкр
м
м
Очевидно,
что на всех участках наблюдается турбулентный режим движения, так как
и
.
Определение значений числа Рейнольдса, значений коэффициентов гидравлического
трения и местного сопротивления
Задаемся определенным значением числа Re. В случае турбулентного режима, каковой имеет место
целесообразно принимать значения
,
где
di -
диаметр трубопровода на рассматриваемом участке,
∆э - абсолютная величина эквивалентной
равномерно-зернистой шероховатости.
∆э = 0,00005 м [1] стр. 72 для трубы вида: стальная
сварная новая чистая
Участок
1-4:
;
Участок
4-6:
;
В
соответствии с принятыми значениями числа Re для каждого линейного
участка трубопровода определяем значение коэффициентов гидравлического трения λi и для
каждого местного сопротивления - значение коэффициента местного сопротивления
.
Находим
для каждого местного сопротивления - значение коэффициента местного
сопротивления
вход в
трубу [1], стр.86;
вентиль [1],
стр.90;
резкий
поворот(колено) [1], стр.90;
плавный
поворот (отвод)
где
= 0,73·A·B·C,
A- функция угла поворота Q, при Q
= 120º, A=1,17; B- функция относительного
радиуса кривизны (R0 /d)
по таблице B= 1,19; C - функция формы поперечного
сечения трубы, C= 1 для круглого сечения;
внезапное
сужение
резкий
поворот (колено)
внезапное
сужение
4.
Определение скорости истечения жидкости из трубопровода
Подставляем
значения коэффициентов гидравлического трения
и
коэффициентов местного сопротивления
в
формулу, для определения значения скорости истечения жидкости из трубопровода:
,
где
- коэффициент Кориолиса для турбулентного режима.
·g·H
= 2·9,81·52= 1020,24;
Для
участка 1-4
Для
участка 4-6
м/с
Определяем
значение расхода:
,
5.
Определение значений скоростей на всех линейных участках трубопровода и
значений числа Рейнольдса. Повторный расчет
По найденному значению расхода определяем значение скоростей на всех
линейных участках трубопровода и по ним - значения чисел Rei для каждого участка.
Если
, тогда
;
;
Определяем
число
:
;
;
Так
как полученные числа
отличаются от принятых в начале расчетов (см. начало
работы) более чем на 10%, то необходимо расчет провести вновь, при этом в
основу расчета кладутся числа
,
полученные при выполнении данного этапа.

вход в
трубу [1], стр.86;
вентиль [1],
стр.90;
резкий
поворот(колено) [1], стр.90;
плавный
поворот (отвод)
трубопровод движение жидкость гидравлический
где
= 0,73·A·B·C,
A- функция угла поворота Q, при Q
= 120º, A=1,17; B- функция относительного
радиуса кривизны (R0 /d)
по таблице B= 1,19; C - функция формы поперечного
сечения трубы, C= 1 для круглого сечения; [1], стр.90;
внезапное
сужение [1], стр. 96;
резкий
поворот (колено) [1], стр.90
внезапное
сужение [1], стр. 96;
Определяем
скорость истечения жидкости из трубопровода:
,
где
- коэффициент Кориолиса для турбулентного режима.
·g·H
= 2·9,81·52=1020,24;
;
;
;
м/с;
тогда
расход равен:
,
.
Определяем
значения скоростей на всех линейных участках трубопровода, зная что
, тогда
;
;
Определяем
число
:
;
;
Разность
в значениях
составляет менее 10% следовательно можно проводить
дальнейшие расчеты.
6.
Определение истинных значений коэффициентов гидравлического трения
7.
Определение скоростных напоров на всех линейных участках трубопровода
Определяем скоростные напоры на всех линейных участках трубопровода по
формуле:
,
- для турбулентного режима.
м;
м;
8.
Определение потерь напора на трение
Определяем потери напора на трение для всех линейных участков
трубопровода по формуле:
м;
м;
м;
м;
м;
.
Определение потерь напора на местных сопротивлениях
Определяем потери напора на местные сопротивления по формуле:
;
м ;
м ;
м ;
м ;
м ;
м ;
. Проверка
произведенных расчетов
Проводим проверку проведенных расчетов по формуле:
;
;
H=52 -
значение, полученное в начале расчетов,
Hпр=51,90544544м
- значение, полученное по результатам проверки,
Ошибка
расчетов составляет:
, что
подтверждает верность произведенных расчетов.
11.
Построение диаграммы уравнения Бернулли
На миллиметровой бумаге строим напорную и пьезометрическую линии
(диаграмму уравнения Бернулли).
Линия напора (удельной механической энергии потока) строится путем
последовательного вычитания потерь, нарастающих вдоль потока, из начального
напора потока (заданного пьезометрическим уравнением в витающем резервуаре).
Пьезометрическая линия (дающая изменение гидростатического напора потока)
строится путем вычитания скоростного напора в каждом сечении из полного напора
потока.
Величина
пьезометрического напора
в каждом
сечении определяется на графике заглублением центра сечения под пьезометрической
линией;
Величина
скоростного напора
-
вертикальным расстоянием между пьезометрической линией и линией полного напора.
Заключение
В ходе курсовой работы произведен гидравлический расчёт простого
трубопровода заданной геометрии.
Рассчитаны потери напора на трение и местные сопротивления, скоростные
напоры на всех линейных участках трубопровода. По расчетным данным построена
диаграмма уравнения Бернулли.
Произведенная проверка показала, что все расчеты выполнены верно, о чем
свидетельствует погрешность в 0,1818%.
Список
использованной литературы
1. Вильнер Я.М., Ковалев Я.Т., Некрасов Б.Б. «Справочное
пособие по гидравлике, гидромашинам и гидроприводам». Минск, «Вышэйшая
школа»,1976.
2. Примеры расчетов по гидравлике, Под. ред. А.Д,
Альтшуля. М, "Стройиздат ",1976