Гидравлический расчет трубопроводных систем
Министерство образования и науки
Российской Федерации
Федеральное государственное бюджетное
образовательное учреждение
высшего профессионального образования
ИРКУТСКИЙ ГОСУДАРСТВЕННЫЙ ТЕХНИЕСКИЙ
УНИВЕРСИТЕТ
Кафедра "Городское строительство
и хозяйство"
ПОЯСНИТЕЛЬНАЯ ЗАПИСКА
к курсовой работе по дисциплине
Наименование темы:
Гидравлический расчет трубопроводных
систем
Наименование дисциплины:
Основы гидравлики и теплофизики
Выполнил студент группы ВВбз-11 М.Ф. Мурашова
Нормоконтроль С.П. Епифанов
Руководитель С.П. Епифанов.
Иркутск 2015
Задание на
курсовую работу
По курсу: Основы гидравлики и теплофизики
Студентке: Хасаншиной Е. С.
Тема работы: Гидравлический расчет трубопроводных систем.
Исходные данные:
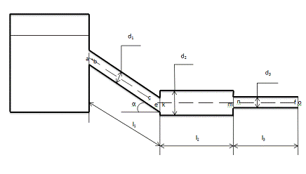
. Схема расположения трубопроводов - рис.6. Расход воды Q=3 л/с. Диаметр труб:
первой трубы d1= 75 мм, второй трубы d2 = 100 мм, третьей трубы d3 = 50 мм. Длины труб:
первой трубы l1 = 2 м, второй трубы l2 = 2 м, третьей трубы l3 = 2 м. Температура воды
в трубах T
= 400. Коэффициент шероховатости стенок трубопровода kэ = 0,1 мм. Угол
расположения наклонных участков относительно горизонтальной плоскости α = 300.
Исходные данные: 2. Определить диаметр всасывающего
трубопровода и предельную теоретическую высоту установки (всасывания)
центробежного насоса с учетом и без учета запаса, обеспечивающего отсутствие
кавитации, если насос перекачивает воду при температуреt = 500C, расходе Q = 35 м3/ч,
частоте вращения n = 1500 об/мин. Трубопровод стальной, длиной l, эквивалентом
шероховатости kэкв= 1,4 мм; имеет приемный (обратный) клапан, один поворот (колено)
900 (R=2d).
Оглавление
Введение
I. Расчет короткого трубопровода
1. Расчет скорости потоков в трубопроводах
2. Расчет потери напора трубопровода
3. Суммарные потери напора
4. Определение уровня воды в напорном баке
5. Расчет и построение напорной линии
6. Расчет и построение пьезометрической линии
7. Расчет и построение напорной характеристики
II. Расчет всасывающего трубопровода насосной установки
1. Расчет скорости и диаметра
2. Расчетная высота установки насоса
3. Расчет кавитационного запаса
Заключение
Список использованной литературы
Введение
Гидравлика - это общепрофессиональная дисциплина, изучающая
законы покоя и движения жидкостей, законы взаимодействия жидкости с твердыми
телами и способы применения этих законов для решения практических задач.
Гидравлика является инженерной наукой, решение практических
задач в ней доводится до конкретных результатов. С её помощью люди решают
множество задач, относящихся к строительству разного рода сооружений,
необходимых для решения проблем водоснабжения, а также создания гидравлического
оборудования, ремонта гидравлики, ремонта гидронасосов и так далее.
В современной технике применяются трубопроводы различного
назначения, служащие для перемещения разнообразных жидкостей и изготовленных из
различных материалов.
Все трубопроводы могут быть разделены на простые и сложные.
Простым трубопроводом называется трубопровод
без разветвлений постоянного или переменного сечения.
Сложные трубопроводы - трубопроводы с разветвлениями,
составленные из последовательно и параллельно соединенных простых трубопроводов
или ветвей с непрерывной раздачей жидкости кольцевые, а также с насосной
подачей жидкости (разомкнутые и замкнутые).
При расчете трубопроводов возможны различные сочетания
известных и требующих определения величин. В общем случае расчет трубопроводов
удобно вести в следующем порядке:
схема трубопровода разбивается на участки, отличающиеся один
от другого характером или величиной сопротивлений;
устанавливаются исходные данные для отдельных участков и всей
гидросети;
трубопровод насосная установка гидравлический
с помощью формул и таблиц определяются коэффициенты местных
сопротивлений;
определяются потери давления на каждом участке.
I. Расчет
короткого трубопровода
Вода из открытого резервуара, в котором поддерживается
постоянный уровень воды, вытекает из напорного бака через трубопровод
переменного сечения. Коэффициент шероховатости стенок трубопровода kэ=
0,1 мм=0,1⋅10-3 м. Угол
расположения наклонных участков относительно горизонтальной плоскости α = 300.
Требуется найти:
. Определить потери напора ∆hi в отдельных элементах (в
трубах и местных сопротивлениях) и полные потери напора ∆h.
2. Определить уровень воды в баке при заданном расходе Q и температуре.
. Рассчитать значения полных и статических напоров в
точках a,b,c,e,k,m,n,f и построить напорную и
пьезометрическую линии.
. Рассчитать и построить гидравлическую характеристику
трубопровода ∆h=f
(Q). Определить потери
напора в трубопроводе при заданном расходе.
Дано: Расход воды Q = 3 л/с=3⋅10-3 м3/с.
Диаметр труб: первой трубы d1 = 75 мм= 0,075 м, второй трубы d2 = 100 мм= 0,1 м, третьей
трубы d3 = 50 мм= 0,05 м. Длины труб: первой трубы l1 = 2 м, второй трубы l2 = 2 м, третьей трубы l3 = 2 м. Температура воды
в трубах T
= 400,ν40 = 0,66⋅10-6 м2/с
Рис 1. Схема короткого трубопровода.
. Расчет
скорости потоков в трубопроводах
Средняя скорость потока V - скорость движения
жидкости, определяющаяся отношением расхода жидкости Q к площади живого
сечения ω для круглых напорных труб, вычисляем площади живых сечений,
каждой трубы:
Тогда средние скорости в трубах будут равны:

2. Расчет
потери напора трубопровода
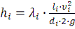
Существует два вида гидравлических потерь:
1. потери на трение по длине - вызваны внутренним трением в
жидкости и пропорциональны длине участков трубы, для их определения используем
формулу Дарси-Вейсбаха
, где 
- коэффициент гидравлического трения (коэффициент Дарси) -
безразмерный параметр, величина которого зависит от режима движения жидкости
(числа Рейнольдса). Существует три режима движения жидкости:
1) 
ламинарный;
) 
неустойчивый;
) 
турбулентный.
Области сопротивления:
1) Доквадратичная зона (область шероховатых труб):
где λ определяется по формуле Альтшуля

;
2) Зона гидравлически гладких труб:
где λ
определяется по формуле Блазиуса

.
3) Квадратичная зона шероховатых труб:
где λ определяется по формуле
Шифринсона

. местные потери напора (потери удельной энергии) - обуславливаются
изменением по величине и направлению скорости движения жидкости, приводящим к
образованию вихревых зон. Определяются по формуле Вейсбаха:
где 
коэффициент местного сопротивления, 
скорость перед (после) местным сопротивлением.
1.1 Потери при выходе потока из резервуара:
где
ζвых = 0,5 - коэффициент местного
сопротивления, ускорение свободного падения: g = 9,81 м/c2.
2.2 Потери напора в первой трубе 1 (по длине):
Для определения напора в трубе необходимо применяем формулу
Дарси-Вейсбаха:
где
- коэффициент гидравлического трения,
величина которого зависит от режима жидкости:
Тогда значение критической зоны турбулентности
Трубопровод работает в переходном режиме. λ1рассчитывается по формуле Альтшуля:
Напор в трубе равен:
.3 Потери напора на поворот (с-е):
Для того чтобы определить потери напора при резком повороте
необходимо найти коэффициент сопротивления колена круглого сечения,
воспользовавшись формулой:
где 
- значение коэффициента сопротивления для α = 1; для ориентировочных расчетов 
=1.
Получаем
2.4 Потери напора на внезапном расширении (е-k):
Применяем формулу Борда для вычисления потери напора при
внезапном расширении:
2.5 Потери во втором трубопроводе (по длине):
Рассчитывается по формуле Дарси-Вейсбаха:
,
Тогда значение критической зоны турбулентности
Трубопровод работает в переходном режиме. λ2 рассчитывается по формуле Альтшуля:
Напор в трубе равен:
Рассчитываются по формуле Борда:
где
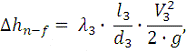
.7 Потери напора в третьем трубопроводе (n-f):
Рассчитывается по формуле Дарси-Вейсбаха:
,
Тогда значение критической зоны турбулентности
Трубопровод работает в переходном режиме. λ3рассчитывается по формуле Альтшуля:
Напор в трубе равен:
3. Суммарные
потери напора
Просуммируем все потери по трубопроводу:
4.
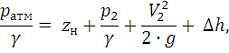
Определение уровня воды в напорном баке
Необходимо составить уравнение Бернулли, которое
характеризует поток на всем пути от сечения I-I до сечения III-III, относящееся к целому потоку
в жидкости:
где сечение I-I совпадает со свободной поверхностью в резервуаре; давление

, а скорость
жидкости на поверхности равна нулю, так как резервуар имеет большой размер и
понижением уровнем воды можно пренебречь. Сечение III-III совпадает с выходным отверстием третьего
трубопровода, а давление 
, скорость
равна скорости движения жидкости в третьем водопровод Плоскость сравнения
проведем горизонтально через ось первого трубопровода. Из условий следует, что 
Подставляя найденные величины в уравнение Бернулли, вычисляем
уровень воды в резервуаре:
5. Расчет и
построение напорной линии
Полные напоры в сечениях трубопроводов:
Ha= H = 1.278м,
Hb= Ha - ∆ha-b = 1.278 - 0.012 = 1.266м,
Hс= Hb
- ∆hb-c = 1.266 - 0.015 = 1.251м,e =
Hc - ∆hc-e = 1.251 - 0.0031 = 1.2479 м,k=
He - ∆he-k = 1.2479 - 0.0046 = 1.2433м,m=
Hk - ∆hk-m = 1.2433 - 0.0035 = 1.2398м,n=
Hm - ∆hm-n = 1.2398 - 0.0027 = 1.2371м,f=
Hn - ∆hn-f = 1.2371 - 0.1178= 1.1193м.
Наносим данные на рис 1, откладывая полученные величины от
плоскости сравнения, получаем линию сравнения.
. Расчет и
построение пьезометрической линии
Скоростные напоры в трубах:
Пьезометрические напоры в сечениях трубопроводов:
ha = Ha - H1ск = 1.278 - 0.0235= 1.2545
м,
hb =Hb - H1ск=1.2545-0.0235 = 1.231 м,
hc =Hc - H1ск=1.231 -
0.0235 =1.2075 м,e= He - H1ск=1.2075-0.0235
=1.18 4м,k
=Hk - H2ск=1.184-0.0073= 1.1767м,m
= Hm - H2ск=1.1767-0.0073=1.1694м,n
= Hn - H3ск=1.1694-0.1193 =1.0501м,f
= Hf - H3ск=1.0501-0.1193 = 0.9308м,
Результаты расчетов наносим на рис. 2 (пьезометрическая
линия).
Рис 2. Напорная пьезометрическая линия.
7. Расчет и
построение напорной характеристики
Используя уравнение расхода 
выразим:
Найдем гидравлическое сопротивление системы:
Напорная характеристика трубопровода

В таблице приведены значения потерь напора, а на рис.3 - график
напорной характеристики трубопровода.
Таблица 1
|
|
1
|
2
|
4
|
5
|
6
|
|
|
0,0036
|
0,0146
|
0,0584
|
0,1314
|
Рис. 3. Напорная характеристика трубопровода.
II. Расчет
всасывающего трубопровода насосной установки
Насос перекачивает воду при температуре t = 500C, расходе Q = 35 м3/ч, частоте вращения n = 1500 об/мин. Трубопровод стальной, длиной l=10,
эквивалентом шероховатости kэкв= 1,4 мм; имеет приемный (обратный)
клапан, один поворот (колено) 900 (R=2d). ξклапан=6; ξповорот=0.7 (угол 900,R=2∙d).
Плотность воды
.
Требуется:
Определить диаметр всасывающего трубопровода и предельную
теоретическую высоту установки (всасывания) центробежного насоса с учетом и без
учета запаса, обеспечивающего отсутствие кавитации.
Рис 4. Схема всасывающего трубопровода.
1. Расчет
скорости и диаметра
Из формулы расхода выражаем диаметр трубы:
,
где Q - расход, S - площадь сечения, V - скорость всасывания.
Vвсасывания может быть от 0.6
2 м/с
Возьмем V = 1.5 м/с, тогда диаметр равен:
Берем близкий по значению диаметр d=100 мм
2. Расчетная
высота установки насоса
Составляем уравнение Бернулли для двух сечений, приняв
плоскость сравнения на уровне свободной поверхности жидкости в питающем
резервуаре:
где ∆h - потери напора.
z1=zн, т.к. высота z2 соответствует высоте
насоса.
V1=0, т.к. на сечении 1-1
отсутствует движение жидкости.
V2=V, т.к. скорость воды в
трубопроводе постоянна.
α1=α2=1 принимаем коэффициент Кориолиса за единицу.
p1=pатм, т.к. на сечении 1-1
только атмосферное давление.
z1=0, т.к. на сечении 1-1
нулевая отметка высоты.
Получим
где потери напора ∆h на участке трубопровода от
сечения I-I и II-IIдлинойl вычисляется:
Для определения режима жидкости вычисляем число Рейнольдса.
Коэффициент кинематической вязкости воды при температуре t = 500C,
равен 
= 0.556 ∙ 10-6
Тогда значение критической зоны турбулентности
Трубопровод работает в переходном режиме. λ рассчитывается по формуле Альтшуля:
Подставляем значения и находим потери напора.
Давление насыщенного водяного пара перекачиваемой жидкости рн.
п (табл.) t=50=1221
Па;
Атмосферное давление pатм
(Иркутск) = 95673 Па;
3. Расчет
кавитационного запаса
Поскольку кавитация приводит к быстрому разрушению материала
рабочих колес и ненормальной работе насосов, разрежение в насосе не должно
превышать определённого предела, обеспечивающего отсутствие кавитации.
Значение кавитационного запаса ∆hкав вычисляется:
Тогда, предельная теоретическая высота установки
центробежного насоса с учетом запаса, обеспечивающего кавитации, равна
Заключение
В ходе решения первой задачи в курсовой работе производился расчет
короткого трубопровода. Были найдены потери напора в отдельных его элементах (в
трубах и местных сопротивлениях), а так же полные потери напора. В ходе решения
были рассчитаны значения полных и статистических напоров в точках a, b, c, e, k, m, n, f и построены напорная и пьезометрическая линии; рассчитана и построена
гидравлическая характеристика трубопровода 
; были определены потери напора в трубопроводе при заданном
расходе.
В ходе решения второй задачи курсовой работы был определен
диаметр всасывающего трубопровода при заданном расходе, рассчитана предельная
теоретическая высота установки (всасывания) центробежного насоса с учетом и без
учета запаса, обеспечивающего отсутствие кавитации.
Список
использованной литературы
1. Башта
Т.М. и др. Гидравлика, гидромашины и гидроприводы: учеб. для вузов. - М.:
Альянс, 2011. - 422с.
2. Кудинов
В.А., Карташов Э.М. Гидравлика. - М.: Высш. Шк., 2008. - 198с.
. Лапшев
Н.Н. Гидравлика. - М.: Академия, 2007.
. Сайриддинов
С.Ш. Гидравлика систем водоснабжения и водоотведения: Учеб пособие. М.:
Издательство АСВ, 2008. - 352с.
. Чугаев
Р.Р. Гидравлика. - М.: БАСТЕТ, 2008. - 671с.
Рекомендуемая
литература:
.
Чугаев Р.Р. Гидравлика. - М.: БАСТЕТ, 2008. - 671 с.
.
Лапшев Н.Н. Гидравлика. - М.: Акдемия, 2007.
.
Кудинов В.А., Карташов Э.М. Гидравлика. - М.: Высш. шк., 2008. - 198 с.
.
Сайриддинов С.Ш. Гидравлика систем водоснабжения и водоотведения: Учеб.
пособие. М.: Издательство АСВ, 2008. - 352 с.
.
Гидравлика, гидромашины и гидроприводы: учеб. для вузов/ Т.М. Башта [и др.] -
М.: Альянс, 2011. - 422 с.