Выбор основного оборудования на проектируемой подстанции

  • Вид работы:
    Курсовая работа (т)
  • Предмет:
    Физика
  • Язык:
    Русский
    ,
    Формат файла:
    MS Word
    279,91 Кб
  • Опубликовано:
    2012-10-02
Вы можете узнать стоимость помощи в написании студенческой работы.
Помощь в написании работы, которую точно примут!

Выбор основного оборудования на проектируемой подстанции

Содержание

Введение

1 Выбор основного оборудования проектируемой подстанции

1.1 Выбор силовых трансформаторов

1.2 Выбор количества отходящих линий и генераторов на УТЭЦ

2 Выбор и обоснование главной схемы электрических соединений. Разработка схем и распределительных устройств собственных нужд

2.1 Выбор главной схемы электрических соединений

2.2 Выбор трансформаторов и схемы собственных нужд подстанции

3 Расчет токов короткого замыкания

3.1 Составление схемы замещения электрической сети

3.2 Выбор базисных условий и определение параметров элементов схемы замещения

3.3 Расчет токов короткого замыкания на стороне 110 кВ

3.4 Расчет токов короткого замыкания на стороне 10 кВ

4 Выбор коммутационных аппаратов

4.1 Выбор выключателей и разъединителей

4.1.1 Выбор выключателей и разъединителей на стороне 110 кВ

4.1.2 Выбор выключателей на стороне 10 кВ

4.2 Выбор предохранителей

5 Выбор токоведущих частей и кабелей

5.1.1 Выбор сборных шин на стороне 110 кВ

5.1.2 Выбор гибких токопроводов на стороне 110 кВ

5.1.3 Выбор сборных шин на стороне 10 кВ

5.1.4 Выбор гибких токопроводов на стороне 10 кВ для соединения трансформаторов и генераторов с РУ

5.2 Выбор кабелей

5.2.1 Выбор кабелей питающих нагрузку 10 кВ

5.2.2 Выбор кабелей питающих трансформаторы 10/0,4 кВ

5.2.3 Выбор кабелей питающих ТСН

6 Выбор контрольно-измерительных приборов для основных цепей схемы .

6.1 Выбор измерительных приборов

6.2 Выбор трансформаторов тока

6.2.1 Выбор трансформаторов тока в силовом трансформаторе на стороне низкого напряжения

6.2.2 Выбор трансформаторов тока для питающих линий 110 кВ

6.2.3 Выбор трансформаторов тока на линиях к потребителям 10 кВ

6.3 Выбор трансформаторов напряжения

6.3.1 Выбор трансформаторов напряжения на стороне 110 кВ

6.3.2 Выбор трансформаторов напряжения на стороне 10 кВ

7 Выбор и описание конструкции распределительных устройств

7.1 Выбор открытого распределительного устройства

.2 Выбор закрытого распределительного устройства

7.3 Конструкция закрытого распределительного устройства 10 кВ с одной секционированной системой шин

8 Дистанционное управление выключателями и сигнализация

9 Выбор аккумуляторной батареи и подзарядного устройства

Заключение

Литература

Ведение

Электрическая энергия широко применяется во всех областях народного хозяйства и в быту. Этому способствует универсальность и простота ее использования, возможность производства в больших количествах промышленным способом и передачи на большие расстояния. Энергетика занимает ведущее место среди отраслей народного хозяйства. Уровень развития энергетики и электрификации в наиболее обобщенном виде отражает достигнутый технико-экономический потенциал страны.

Несмотря на спад производства и прочие неблагоприятные факторы, энергетика по-прежнему развивается и в настоящее время необходимы правильно спроектированные подстанции для распределения и передачи электроэнергии.

Задачей курсового проекта является закрепление теоретического материала и приобретение практических навыков по проектированию электрической части подстанции, расчету и выбору шин, трансформаторов, высоковольтных аппаратов, а также приобретение опыта в использовании справочной литературы, руководящих указаний и нормативных материалов. В учебном процессе курсовому проектированию придается большое значение, так как оно способствует приобретению навыков самостоятельной работы.

Целью данного курсового проекта является выбор основного оборудования на проектируемой подстанции. При этом преследуются следующие основные цели проектирования:

. Распределение электроэнергии в соответствии с заданным графиком потребления.

. Надежная работа установок и энергосистем.

. Сокращение капитальных затрат на сооружение установок.

. Снижение ежегодных затрат и ущерба при эксплуатации установок энергосистемы.

При выполнении курсового проекта подлежат разработке следующие вопросы:

выбор основного оборудования;

выбор и обоснование главной схемы электрических соединений и схем РУ;

расчет токов к.з.;

выбор коммутационных аппаратов и защитных приборов;

выбор токоведущих шин и кабелей;

выбор измерительных приборов;

выбор конструкции РУ.

1. Выбор основного оборудования проектируемой подстанции

1.1 Выбор силовых трансформаторов

Число трансформаторов на подстанции выбирается в зависимости от мощности и ответственности потребителей, а также наличия резервных источников питания в сетях среднего и низкого напряжений. Так как от подстанции питаются потребители всех трех категорий, то по условию надежности требуется установка нескольких трансформаторов.

Расчетная мощность трансформаторов определяется из выражения:

,                                        (1.1)         

где  - расчетная мощность трансформатора, МВА;

 - суммарная мощность потребителей, МВА;

 = 1,4 - коэффициент аварийной перегрузки трансформатора;- количество трансформаторов.

,                           (1.2)           

где  - нагрузка на стороне НН трансформатора 110/10 кВ, МВА;

 - нагрузка на стороне НН трансформатора 10/0,4 кВ, МВА;

 - мощность утилизационной теплоэлектроцентрали (УТЭЦ), МВт;

 - коэффициент активной мощности УТЭЦ.

 МВА

Найдём расчётную мощность, передаваемую через трансформатор по формуле (1.1):

 МВА.

Для первого варианта принимаем два трехфазных двухобмоточных трансформатора типа ТРДЦН-63000/110/10 ([1], табл. 6.9 с. 239).

Для второго варианта возьмём также два трансформатора, но большей мощности. Принимаем трансформаторы типа ТРДЦН-80000/110/10.

1.2 Выбор количества отходящих линий и генераторов на УТЭЦ

Количество отходящих линий определяется исходя из максимальной мощности нагрузки на данное напряжение и экономической целесообразности мощностей, и находится по следующей формуле:

,                                                   (1.3)           

где  - активная мощность, которую требуется передать по линии, МВт;  - наибольшая передаваемая мощность на одну цепь, МВт.

Количество отходящих линий на стороне 110 кВ:


Принимаем 2 линии.

На стороне 10 кВ:


Принимаем 20 линии.

Так как утилизационная теплоэлектроцентраль (УТЭЦ) вырабатывает мощность равную 12 МВт, то принимаем два турбогенератора мощностью по 6 МВт марки Т-6-2У3 с номинальным напряжением 10кВ ([3]), табл. 2.1).

2. Выбор и обоснование главной схемы электрических соединений. Разработка схем и распределительных устройств собственных нужд

2.1 Выбор главной схемы электрических соединений

Для распределительных устройств (РУ) напряжением 35 кВ и выше в зависимости от числа цепей и ответвлений применяются следующие схемы электрических соединений: блок трансформатор-линия (с выключателем или без него, с разъединителем или короткозамыкателем), мостик, одна секционированная система сборных шин.

При разработке главной схемы соединений подстанции рассматриваются два-три варианта, отличающиеся составом и схемами подключения основного оборудования, схемами РУ и т. д. В данном курсовом проекте будет рассматриваться одна и та же схема (рисунок 2.1), но с трансформаторами разной мощности (63МВА и 80МВА). На основании технико-экономического сопоставления вариантов определяем оптимальное решение, причем основное внимание уделяется методике их выполнения, а графики нагрузок и другие величины и коэффициенты принимаются по усредненным показателям.

В настоящее время ведут расчет по минимуму приведенных затрат З, руб. год, которые определяются из выражения:

,                                                     (2.1)           

где - нормативный коэффициент эффективности, 1/год, принимаемый в расчетах 0,12;

К - капиталовложения, руб.;

И - годовые издержки, руб./год.

Капиталовложения определяются по упрощенным показателям стоимости оборудования и аппаратов ([1], табл. 9.14-9.22, с. 333). Результаты расчетов капиталовложений сводим в таблицу 2.1.

Таблица 2.1 - Расчёт капиталовложений

Оборудование

Стоимость единицы, тыс. руб.

Вариант



Первый

Второй



Количество, шт.

Стоимость, тыс. руб.

Количество, шт.

Стоимость, тыс. руб.

ТРДН-63000/110

110

2

136

-

-

ТРДН-80000/110

126

-

-

2

157

Выключатели 110 кВ

33

7

57

7

57

Итого:



671


713


Годовые эксплуатационные издержки складываются из трех составляющих: амортизационных отчислений, издержек на обслуживание электроустановок и издержек, обусловленных потерями энергии в проектируемой установке:

                                        (2.2)           

Амортизационные отчисления находятся по следующему выражению:

,                                                   (2.3)           

где а - норма амортизационных отчислений, для силового оборудования равная 6,4%. Издержки на обслуживание электроустановки определяется по следующей формуле:

                                                    (2.4)           

где b - норма отчислений на обслуживание, равная 3%.

Издержки, обусловленные потерями энергии в проектируемой установке, определяются по следующей формуле:

                                               (2.5)           

где  - удельные затраты на возмещение потерь, принимаются равными 0,8 коп/кВт×ч.

 - потери энергии в проектируемой установке, кВтч/год;

,                              (2.6)           

где n - количество трансформаторов;

 - потери холостого хода, кВт;

- потери короткого замыкания, кВт;

- номинальная мощность трансформатора, МВА;

- максимальная нагрузка трансформатора, МВА;

- время максимальных потерь, час.;

,                                  (2.7)           

где - продолжительность использования максимальной нагрузки равная 5000 час.;

Определим годовые эксплуатационные издержки для первого варианта:

 тыс. руб.

 тыс. руб.

 час.

Находим потери электроэнергии в трансформаторах:

 кВт×ч

Издержки от потери электроэнергии:

 тыс. руб.

Годовые эксплуатационные издержки:

 тыс. руб.

По формуле (2.1) определяем приведенные затраты для первого варианта:

 тыс. руб.

Для второго варианта расчет выполняется аналогично.

 тыс. руб.

 тыс. руб.

 кВт×ч

 тыс. руб.

 тыс. руб.

Определяем приведенные затраты для второго варианта:

 тыс. руб.

Исходя из минимума приведенных затрат, первый вариант является более экономичным (150,844 тыс. руб. < 161,130 тыс. руб.), поэтому дальнейший расчет будем вести для него.

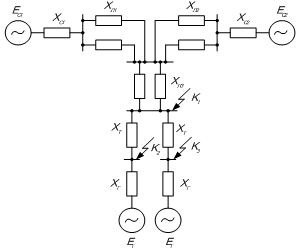
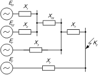
Рисунок 2.1 - Схема РУ главной понизительной подстанции 110/10 кВ.

2.2 Выбор трансформаторов и схемы собственных нужд подстанции

Мощность потребителей собственных нужд невелика, поэтому они питаются от сети 380/220 В, которая получает питание от понижающих трансформаторов. На двух трансформаторных подстанциях 35-750 кВ устанавливаются два трансформатора собственных нужд, мощность которых выбирается в соответствии с нагрузкой, с учетом допустимой перегрузки при выполнении ремонтных работ и отказа одного из трансформаторов. Состав потребителей собственных нужд сводим в таблицу 2.2.

Таблица 2.2 - Собственные нужды подстанции

Собственные нужды подстанции

Установленная мощность, кВт

cosj

tgj

Нагрузка


Единиц

Руд, кВт/ед.

Всего



Рус

Qус

1.Подогрев выключателей  2.Подогрев шкафов КРУ-10 3.Подогрев приводов разъединителей 4.Подогрев релейного шкафа 5.Отопление, освещение, вентиляция  ЗРУ 6-10 кВ.  ОПУ 6.Освещение ОРУ-110 кВ. 7.Охлаждение трансформаторов 8.Маслохозяйство

5 28 22 1  1 1 1 2 1

1,75 1 0,6 1  5,7 80 7 5 160

8,75 28 13,2 1  5,7 80 7 10 160

1 1 1 1  1 1 1 0,8 1

         0,62

8,75 28 13,2 1  5,7 80 7 10 160

         6,2

Итого: SУСТ = 313,711 кВА


Расчетная мощность потребителей собственных нужд определяется по выражению:

,                                          (3.1)           

где  - коэффициент спроса, учитывающий коэффициенты одновременности и загрузки, принимается равным 0,8;

 кВА.

Выбираем трансформатор типа ТМ-250/10.

Каждый трансформатор собственных нужд присоединяется через кабель к секционированным шинам низкого напряжения силового трансформатора на каждую секцию шин. Защитный аппарат, устанавливаемый перед ТСН - предохранитель типа ПКТ (ПК), поэтому схему присоединения ТСН на главной схеме будем выполнять следующим образом (рисунок 2).

Рисунок 2 - Схема присоединения ТСН

3. Расчет токов короткого замыкания

.1 Составление схемы замещения электрической сети

Расчет токов к.з. производится для выбора и проверки электрооборудования, а также параметров электрических аппаратов релейной защиты. Точки короткого замыкания выбираем в таких местах системы, чтобы выбираемые в последующих расчетах аппараты были поставлены в наиболее тяжелые условия. Наиболее практичными точками являются сборные шины всех напряжений.

Составляем расчетную схему проектируемой подстанции. В схему замещения все элементы (система, генератор, трансформатор, линия) входят своими индуктивными сопротивлениями. Особенностью составления схемы замещения является то, что силовые двухобмоточные трансформаторы на понижающей подстанции работают на шины низкого напряжения раздельно. Это принято для снижения уровней токов короткого замыкания в электрической сети, поэтому расчёт схемы будем вести только для тех шин, к которым подключены генераторы от УТЭЦ. Схема замещения представлена на рисунке 3.

Рисунок 3 - Схема замещения электрической сети

3.2 Выбор базисных условий и определение параметров элементов схемы замещения

За базисную мощность принимаем мощность равную SБ = 4000 МВА;

За базисное напряжение принимаем напряжения равные средним номинальным напряжениям сети, которые равны 115 кВ и 10,5 кВ: UБ1 = 115 кВ, UБ2 = 10,5 кВ. Принятые базисные напряжения вытекают из точек к.з., которые намечаются в расчетной схеме, т.е. К1 - на шинах высокого напряжения подстанции, K2 и К3 - на шинах низкого напряжения.

Базисные токи, кА определяются по формуле:

,                                                (3.1)           

где - базисная мощность, МВА;

 - базисное напряжение, кВ.

 кА;        

 кА;      

Определяем сопротивления элементов схемы замещения.

Сопротивление системы определяется по выражению:

,                                               (3.2)           

где - относительное сопротивление системы, о. е.;

;               

.            

Сопротивление трансформаторов определяем по выражению:

,                                               (3.3)           

где  - напряжение короткого замыкания, %;

 - номинальная мощность трансформатора, МВА.

Так трансформаторы с расщеплённой обмоткой, то для того чтобы найти сопротивление каждой обмотки нужно общее сопротивление трансформатора умножить на два:

;                  

Сопротивление линий определяется по выражению:

,                                              (3.4)           

где  - удельное сопротивление 1 км линии, равное 0,4 для 115 кВ;

 - протяженность линии, км.

Так как электроснабжение осуществляется по двухцепной линии, то сопротивление линий необходимо делить на два:


Сопротивление генераторов определяется по выражению:

,                                       (3.5)           

где  - относительное сопротивление генератора, о. е.;

 - номинальная мощность генератора, МВА.

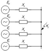
3.3 Расчет токов короткого замыкания на стороне 110кВ

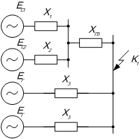
Рассчитаем ток короткого замыкания на стороне высокого напряжения трансформатора, то есть в точке К1. Упростим схему замещения, для чего преобразуем её к следующему виду (рисунок 4).

Рисунок 4 - Упрощённая схема замещения электрической сети

Параметры схемы замещения, изображённой на рис. 4 следующие:


Производим преобразование параллельно-последовательной цепи x1 - x2 - xЛ3:


Так как ЭДС генераторов равны между собой, то объединим ветви, содержащие ЭДС генераторов, а суммарное сопротивление генераторной ветви станет равным половине сопротивления генератора.


В результате всех преобразований схема замещения примет вид, изображённый на рисунке 5.

Рисунок 5 - Упрощённая схема замещения электрической сети для расчёта тока к.з. на стороне 110 кВ

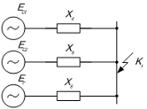
Сверхпереходной ток находим по формуле:

                                                (3.5)           

где  - сверхпереходной установившийся ток, о.е.;

 - ЭДС системы или генератора, о.е.;

 - результирующее сопротивление ветви, о.е..

По ([2], с. 106) находим значение ЭДС системы и генератора в о.е.:

.

Сверхпереходной ток от системы 1 в относительных единицах равен:


Сверхпереходной ток от системы 2 в относительных единицах равен:


Сверхпереходной ток от генератора в относительных единицах равен:


Суммарный ток замыкания в точке К1 в относительных единицах равен:


Ток короткого замыкания в точке К1 в именованных единицах равен:

 кА.

3.4 Расчет токов короткого замыкания на стороне 10 кВ

Так ветви со стороны низкого напряжения имеют одинаковые сопротивления, то токи короткого замыкания в точках К2 и К3 будут иметь одинаковые значения, поэтому рассчитаем ток короткого замыкания в точке К2.

Упростим схему замещения.

Рисунок 6 - Упрощённая схема замещения электрической сети

Расчёт параметров схемы замещения, изображённой на рисунке 6 см. в п.п. 3.3.

  

Преобразуем параллельно-последовательную цепь x1 - x2 - xЛ3. Расчет см. в п.п. 3.3.

;

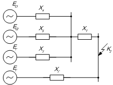
Рисунок 7 - Упрощённая схема замещения электрической сети

Преобразуем схему замещения к более простому виду.


Рисунок 8 - Упрощённая схема замещения электрической сети для расчёта тока к.з. на стороне 10 кВ

По выражению (3.5) найдём значение тока короткого замыкания в относительных единицах:

Сверхпереходной ток от системы 1 в относительных единицах равен:


Сверхпереходной ток от системы 2 в относительных единицах равен:


Сверхпереходной ток от генератора 1 в относительных единицах равен:


Сверхпереходной ток от генератора 2 в относительных единицах равен:


Суммарный ток замыкания в точке К2 в относительных единицах равен:


Ток короткого замыкания в точке К2 в именованных единицах равен:

 кА.

Ударный ток к.з. определяется по следующей формуле:

,                                             (3.6)           

где  - ударный коэффициент ( = 1,78);

 - расчетный ток трехфазного к.з.


Результаты расчетов токов к.з. сводим в таблицу 3.1.

Таблица 3.1 - Результаты расчётов токов короткого замыкания

Ток

Точка короткого замыкания


K1

K2 и K3

IK , о.е.

0,172

0,0636

IK , кА

3,464

13,987

iУ, кА

8,721

35,209


4. Выбор коммутационных аппаратов

.1 Выбор выключателей и разъединителей

Выбор выключателей производим по следующим параметрам:

. По напряжению электроустановки

                                                 (4.1)          

. По рабочему току:

,                                                 (4.2)           

где ,  - паспортные (каталожные) параметры выключателя;

. Проверка на электродинамическую стойкость выполняется по следующим условиям:

                                  (4.3)           

где  и  - расчетные значения периодической составляющей тока к.з. и ударного тока в цепи, для которой выбирается выключатель;

,  - действующее и амплитудное значение предельного и сквозного тока к.з. (каталожные параметры выключателя).

. Выбрав выключатель по рассмотренным параметрам, его проверяют на способность отключения апериодической составляющей токов к.з.:


Для определения b определяют апериодический ток:

,                                         (4.5)           

где  - время отключения выключателя, с;

,                                              (4.6)           

где  - минимальное время действия релейной защиты, принимается равным 0,01 c.

 - собственное время отключения выключателя;

 - постоянная времени затухания.

Затем определяют возможность отключения апериодической составляющей тока к.з., для чего определяют процент содержания  в токе к.з.:

,                                                (4.7)         

Выключатель отключает апериодическую составляющую при выполнении условия (4.4).

. На термическую устойчивость выключатель проверяют по условию:

                                                   (4.8)           

где  - тепловой импульс по расчету, кА2·с;

 - термический ток предельной стойкости, кА;

 - допустимое время действия термического тока предельной стойкости, с;

,                                    (4.9)           

где  - время отключения к.з., с:

t                                            (4.10)         

где  - время действия релейной защиты, с;  - собственное время отключения выключателя (каталожные данные), с;

Необходимо отметить, что расчетным видом к.з для проверки на электродинамическую и термическую стойкость является трехфазное к.з.

Разъединители, отделители и выключатели нагрузки выбираются по номинальному напряжению  (4.1), номинальному току  (4.2), а в режиме к.з. проверяются на термическую по условию (4.8) и электродинамическую стойкость по условию (4.3).

4.1.1 Выбор выключателей и разъединителей на стороне 110 кВ

Определяем рабочий ток для секционного выключателя и выключателей со стороны высокого напряжения трансформатора:

 кА.

Исходя из этого, принимаем выключатель типа ВВУ-110Б-31,5/2000У1 с  кА и  кВ


Следовательно, условия (4.1) и (4.2) выполняются.

Проверим на динамическую стойкость по условиям (4.3):

Каталожные данные выключателя:  кА;  кА.

Расчетные данные:  кА;  кА.


Следовательно, условие (4.3) выполняется.

Проверим на способность отключения апериодической составляющей токов к.з. по условиям (4.4):

Определяем апериодический ток по формуле (4.5):

кА.

Время отключения выключателя по выражению (4.6):

с.

Определяют процент содержания iat в токе к.з. по формуле (4.7):

 %.

Каталожное значение:  %, данный критерий (4.4) выполняется, т.е. выключатель обеспечивает отключение апериодической составляющей токов к.з.

Проверка на термическую стойкость по условию (4.8).

Определим значение импульса квадратичного тока, гарантированное заводом изготовителем:

 кА2·с

Расчетный импульс квадратичного тока к.з., определяется по формуле (4.9):

 кА2·с;

Время отключения к.з. определим по формуле (4.10):

с.

Условие (4.8) выполняется:


Следовательно, окончательно принимаем выключатель: ВВУ-110Б-31,5/2000У1. Результаты расчетов по выбору выключателей сводим в таблицу 4.1, по выбору разъединителей - в таблицу 4.2.

Таблица 4.1 - Результаты выбора выключателей в РУ ВН

Расчетные параметры сети

Каталожные данные выключателя

Условия выбора

 кВ кВ



 кА кА



 кА кА



 кА кА



 % %



 кА2·с кА2·с



Выбран выключатель типа: ВВУ-110Б-31,5/2000У1


Таблица 4.2 - Результаты выбора разъединителей в РУ ВН

Расчетные параметры сети

Каталожные данные выключателя

Условия выбора

 кВ кВ



 кА кА



 кА кА



 кА кА



 кА2·с кА2·с



Выбран разъединитель типа: РНД-110/630 Т1


4.1.2 Выбор выключателей на стороне 10 кВ

Выбор выключателей в РУ НН аналогичен выбору выключателей и разъединителей в РУ ВН, поэтому результаты расчётов приведём в табл. 4.3.- 4.7.

Выбираем выключатели со стороны 10 кВ трансформаторов:

кА

Таблица 4.3 - Результаты выбора выключателей со стороны НН трансформатора

Расчетные параметры сети

Каталожные данные выключателя

Условия выбора

 кВ кВ



 кА кА



 кА кА



 кА кА



 % %



 кА2·с кА2·с



Выбран выключатель типа: ВВЭ-10-31,5/2500Т3


Выбираем секционные выключатели:

кА

Таблица 4.4 - Результаты выбора секционных выключателей в РУ НН

Расчетные параметры сети

Каталожные данные выключателя

Условия выбора

 кВ кВ



 кА кА



 кА кА



 кА кА



 % %



 кА2·с кА2·с



Выбран выключатель типа: ВВЭ-10-31,5/1250Т3


Выбираем выключатели, к которым подключена нагрузка 10 кВ:

кА

Таблица 4.5 - Результаты выбора выключателей нагрузки 10 кВ

Расчетные параметры сети

Каталожные данные выключателя

Условия выбора

 кВ кВ



 кА кА



 кА кА



 кА кА



 % %



 кА2·с кА2·с



Выбран выключатель типа: ВВЭ-10-31,5/630Т3


Выбираем выключатели для линий, к которым подключены понижающие трансформаторы 10/0,4 кВ:

кА

Таблица 4.6 - Результаты выбора выключателей нагрузки 0,4 кВ

Расчетные параметры сети

Каталожные данные выключателя

Условия выбора

 кВ кВ



 кА кА



 кА кА



 кА кА



 % %



 кА2·с кА2·с



Выбран выключатель типа: ВВЭ-10-31,5/630Т3


Выбираем выключатели, к которым подключены генераторы:

кА

Таблица 4.7 - Результаты выбора генераторных выключателей

Расчетные параметры сети

Каталожные данные выключателя

Условия выбора

 кВ кВ



 кА кА



 кА кА



 кА кА



 % %



 кА2·с кА2·с



Выбран выключатель типа: ВВЭ-10-31,5/630Т3


4.2 Выбор предохранителей

Для защиты ТСН используем предохранители. Выбор предохранителей производится:

- по напряжению установки ;

по току ;

по конструкции и роду установки;

по току отключения ;

где  - предельный отключаемый ток.

Расчетная мощность потребителей собственных нужд:  кВА. электрический схема генератор выключатель

 А.

Напряжение установки:  кВ.

Выбираем предохранитель типа ПКТ101-10-10-31,5У3.


Следовательно, выбранный предохранитель соответствует условиям выбора.

5. Выбор токоведущих частей и кабелей

Основное оборудование подстанций и аппараты в этих целях соединяются между собой проводниками разного типа, которые образуют токоведущие части электрической установки. При выборе токоведущих частей необходимо обеспечить ряд требований, вытекающих из условий работы.

Проводники должны:

. Длительно проводить рабочие токи без чрезмерного повышения температуры.

. Противостоять кратковременному электродинамическому и тепловому действию токов короткого замыкания.

. Выдерживать механические нагрузки, создаваемые собственной массой и массой связанной с ними аппаратов, а также усилия, возникающие в результате атмосферных воздействий.

. Удовлетворять требованиям экономичности электроустановки.

На подстанциях, в открытой части могут применяться провода АС или жёсткая ошиновка алюминиевыми трубами. Соединение трансформатора с закрытым РУ 6-10 кВ или КРУ 6-10 кВ осуществляется гибким подвесным токопроводом, шинным мостом или закрытым комплектным токопроводом. В РУ 6-10 кВ применяется жёсткая ошиновка.

5.1 Выбор сборных шин и гибких токопроводов

5.1.1 Выбор сборных шин на стороне 110 кВ

Сборные шины по экономической плотности тока не выбираются, так как нагрузка по длине шин неравномерна и на многих участках меньше рабочего тока.

Поэтому сборные шины выбираются по допустимому току, т.е. шины должны удовлетворять условиям нагрева при максимальных нагрузках ремонтного или послеаварийного режима:

,                                                 (5.1)           

где  - максимальный ток нагрузки при ремонтном или послеаварийном режиме, А;

 - допустимый ток шин выбираемого сечения, А.

Шины проверяются: по допустимому току из условий нагрева; на термическую стойкость при воздействии токов к.з.; на динамическую стойкость при к.з. (механический расчет).

Рабочий ток определяется по выражению:

,                                          (5.2)           

где  - мощность, передаваемая через линии (шины), МВА;

 - номинальное напряжение, кВ;

 - количество линий (шин).

В РУ 110 кВ принимаются гибкие, круглого сечения из проводов марки АС.

Рабочий ток определим по формуле (5.2):

 А.

Принимаем провод типа: АС-150/24, с IДОП = 450 А ([1], табл. 7.12 с. 292).

Проверка на схлёстывание не производится так как мощность к.з. менее 4000 МВА.

Проверка на термическую стойкость не производится так как шины выполнены голыми проводами на открытом воздухе.

5.1.2 Выбор гибких токопроводов на стороне 110 кВ

Токоведущие части от присоединений к сборным шинам до выводов к трансформаторам выполняются проводами.

Выбор токопроводов в РУ 110 кВ будем производить по экономической плотности тока.

Выбор сечения по экономической плотности тока производится по следующему выражению:

,                                          (5.3)           

где  - экономическая плотность тока, зависящая от продолжительности использования максимума нагрузки (ТМАХ), А/мм2.

Мощность, поступающая на РП равна:

 МВА.

Тогда рабочий ток по формуле (5.2) равен:

 А.

Определяем экономическую плотность тока (при этом принимаем величину времени максимальных потерь равной ТМАХ = 5000 час)  = 1,1 А/мм2.

Определяем расчетное сечение по выражению (5.3):

 мм2.

Выбираем провод типа: АС-400/51 с IДОП = 825 А ([1], табл. 7.12 с. 292).

5.1.3 Выбор сборных шин на стороне 10 кВ

Шины располагаем горизонтально в одной плоскости. Расстояние между фазами 0,5 м и пролетом l=2 м.

Сборные шины по экономической плотности тока не выбирают, поэтому сечение шины выбираем по допустимому току (5.1).

Определи рабочий ток по формуле (5.2):

 А

Принимаем медные шины прямоугольного сечения 120´10 с IДОП = 2650 А. Выполним проверку шин:

. Проверка на термическую стойкость при к.з. производится по формуле:

,                                        (5.4)         

где  - выбранное сечение проводника, 0С;

 - минимально допустимое сечение проводника, 0С.

,                                       (5.5)           

где  - функция, значения которой приведены в ([3], табл. 3.12 с.238).

Для медных шин

 кА2·с

мм2.

Шины термически устойчивы т.к. выполняется условие (5.4):


. Проверка шин на электродинамическую стойкость.

При проверке шин на электродинамическую стойкость находится собственная частота колебаний шин по формуле:

,                                  (5.6)           

где  - длина пролета между изоляторами, м;

 - момент инерции поперечного сечения шины относительно оси, перпендикулярной направлению изгибающей силы, см4;

 - поперечное сечение шины, см2.

При расположении шин «на ребро» момент инерции поперечного сечения шины находится по следующей формуле:

                                            (5.7)           

где  - толщина шины, см;

 - ширина шины, см;

Момент инерции шины по (5.7):

 см4;

Собственная частота колебаний шин по (5.6)

 Гц.

Так как  <  Гц - шины удовлетворяют условию электродинамической стойкости.

. Механический расчет шин.

Шины являются механически прочными при выполнении условия:

,                                               (5.8)           

где  - допустимое механическое напряжение в материале шин. Для медных шин

 МПа ([3], табл. 4. 2 с.278);

 - расчетное напряжение в материале шин, МПа:

,                                    (5.9)           

где  - момент сопротивления шины относительно оси, перпендикулярной действию усилия, см3;

 - пролет между изоляторами, м;

 - наибольшее удельное усиление при трехфазном к.з. шин, Н/м2;

При расположении шин «на ребро» момент сопротивления находится по формуле:

,                                         (5.10)         

Момент сопротивления шин по (5.10):

 см3;

,                                          (5.11)         

где  - расстояние между фазами, м.

, Н/м2

По формуле (5.9):

, МПа


Следовательно, шины механически прочны.

Окончательно принимаем: медные шины прямоугольного сечения 120´10 с IДОП = 2650 А.

5.1.4 Выбор гибких токопроводов на стороне 10кВ для соединения трансформаторов и генераторов с РУ

Гибкие токопроводы для соединения генераторов и трансформаторов с РУ 10 кВ выполняются пучком проводов, закрепленных по окружности в кольцах-обоймах. Два провода из пучка - сталеалюминевые - несут в основном механическую нагрузку от собственного веса, гололёда и ветра. Остальные провода - алюминиевые являются токоведущими. Сечение отдельных проводов в пучке рекомендуется выбирать возможно большими (500, 600мм2), так как это уменьшает число проводов и стоимость токопровода.

. Выберем токопроводы для соединения трансформаторов с РУ.

Мощность, протекающая по шинам, равна:

 МВА.

Тогда рабочий ток по формуле (5.2) равен:

 А.

Определяем расчетное (экономическое) сечение по формуле (5.3):

 мм2.

Принимаем один несущий провод АС-500/64, тогда сечение алюминиевых проводов должно быть:

 мм2.

Число проводов А-500


Принимаем токопровод АС-500/64 + А-500 расстояние между фазами D=3м.

Найдём допустимый ток:

 А.

Найдём ток в послеаварийном режиме, когда один трансформатор отключен:

 А;

Так как  то увеличиваем сечение токопровода. Принимаем токопровод АС-500/64 + 2хА-500 с  А.

. Выберем токопровод для соединения генераторов с РУ.

Мощность, протекающая по шинам, равна:

 МВА.

Рабочий ток по выражению (5.2) равен:

 А.

Определяем расчетное (экономическое) сечение по формуле (5.3):

 мм2.

Принимаем провод АС-400/51 с  А, расстояние между фазами D=3м.

Так как , то условие (5.1) выполняется, т.е. окончательно выбираем токопровод марки АС-400/51

5.2 Выбор кабелей

Кабели выбираются:

- по напряжению установки ;

по экономической плотности тока;

по допустимому току ;

где  - длительно допустимый ток с учетом поправок на число рядом проложенных в земле кабелей (К1) и температуру окружающей среды (К2).

                                      (5.12)         

Выбранные кабели проверяются на термическую стойкость по условию (5.5).

5.2.1 Выбор кабелей питающих нагрузку 10 кВ

По формуле (5.2) найдём ток нормального режима:

 А.

Определение экономического сечения кабеля производим по формуле (5.3). Экономическая плотность тока  А/мм2.

 мм2,

Предварительно выбираем кабель типа СБ-3х150 с  А.

Определим значение  с учетом поправочных коэффициентов.


Принимаем фактическую температуру среды  при нормированной температуре .

 А.


Т.е. по условию нагрева максимальным током выбранное сечение проходит.

Проверяем выбранное сечение на термическую прочность по формуле (5.5):


Значение коэффициента  определяем по ([3], табл. 3.12 с.238). Для кабелей до 10 кВ с медными жилами .

 мм2.

Окончательно принимаем кабель типа СБ-3х150 с  А.

5.2.2 Выбор кабелей питающих трансформаторы 10/0,4 кВ

По формуле (5.2) найдём ток нормального режима:

 А.

Определение экономического сечения кабеля производим по формуле (5.3).

Экономическая плотность тока  А/мм2.

 мм2,

Предварительно выбираем кабель типа СБ-3х50 с  А.

Определим значение  с учетом поправочных коэффициентов.


Принимаем фактическую температуру среды  при нормированной температуре .

 А.


Т.е. по условию нагрева максимальным током выбранное сечение проходит.

Проверяем выбранное сечение на термическую прочность по формуле (5.5):


Значение коэффициента  определяем по ([3], табл. 3.12 с.238). Для кабелей до 10 кВ с медными жилами .

 мм2.

Так как принятое сечение кабеля меньше  мм2, то увеличиваем сечение.

Окончательно принимаем кабель типа СБ-3х95 с  А.

5.2.3 Выбор кабелей питающих ТСН

Нагрузка ТСН:  кВА.

По формуле (5.2) найдём ток нормального режима:

 А.

Определение экономического сечения кабеля производим по формуле (5.3).

Экономическая плотность тока  А/мм2.

 мм2,

Предварительно выбираем кабель типа СБ-3х16 с  А.

Определим значение  с учетом поправочных коэффициентов.


Принимаем фактическую температуру среды  при нормированной температуре .

 А.


Т.е. по условию нагрева максимальным током выбранное сечение проходит. Проверяем выбранное сечение на термическую прочность по формуле (5.5):


Значение коэффициента  определяем по ([3], табл. 3.12 с.238). Для кабелей до 10 кВ с медными жилами .

 мм2.

Так как принятое сечение кабеля меньше  мм2, то увеличиваем сечение.

Окончательно принимаем кабель типа СБ-3х95 с  А.

6. Выбор контрольно-измерительных приборов для основных цепей схемы

.1 Выбор измерительных приборов

Контроль за режимом работы основного и вспомогательного оборудования на подстанциях осуществляется с помощью контрольно-измерительных приборов.

Измерениями должны быть охвачены все параметры основного и вспомогательного оборудования, которые определяют режим управления объекта - подстанции.

В соответствии с ПУЭ показывающие или реагирующие электроизмерительные приборы должны иметь класс точности не ниже 2,5; счетчики активной энергии, предназначенные для денежных расчётов (расчётные счётчики) - не ниже 2,0, а для линий межсистемных связей напряжением 110 кВ -1,0,220 кВ и выше - 0.5.

Класс точности счетчиков реактивной энергии выбирают на одну ступень ниже класса точности соответствующих счетчиков активной энергии. Для фиксирующих приборов допускается класс точности 3,0. Амперметры подстанций, РУ могут иметь класс точности - 4. В табл. 6.1 показаны приборы, устанавливаемые на подстанции.

Таблица 6.1 - Контрольно-измерительные приборы на подстанции

Цепь

Место установки

Перечень приборов

Статор

Амперметр, вольтметр, ваттметр, варметр, счётчик активной энергии, датчики активной и реактивной мощности. Регистрирующие приборы: ваттметр, амперметр


Ротор

Амперметр, вольтметр. Вольтметр в цепи основного и резервного возбудителя

Двухобмоточный трансформатор

НН

Амперметр, варметр, ваттметр, счетчики активной и реактивной энергии

Линия 10 кВ от УТЭЦ


Амперметр, расчётные счётчики активной и реактивной - энергии

Сборные шины 10 кВ

На каждой секции шин или системе шин

Вольтметр для измерения междуфазного напряжения, вольтметр с переключением для измерения фазного напряжения

Совмещённый обходной и секционный выключатель


Амперметр, ваттметр, варметр с двусторонней шкалой, расчётные счётчики и фиксирующий прибор

Линия 110 кВ


Амперметр, ваттметр, варметр, фиксирующий прибор, используемый для определения места к.з., расчётные счетчики активной и реактивной энергии

Линии 10 кВ к потребителям


Амперметр, расчётные счетчики активной и реактивной энергии, принадлежащие потребителям

Трансформатор собственных нужд

НН

Амперметр, расчетный счетчик активной энергии


6.2 Выбор трансформаторов тока

Выбор трансформаторов тока (ТА) производится по следующим условиям: по напряжению установки:

                                                 (6.1)           

по рабочему току:

,                                            (6.2)           

где  - номинальный первичный ток трансформатора тока, А;

Номинальный ток должен быть как можно ближе к рабочему току установки, так как недогрузка первичной обмотки приводит к увеличению погрешностей.

по конструкции и классу точности;

по электродинамической устойчивости:

,                                        (6.3)           

где  - кратность электродинамической устойчивости по каталогу;

по термической стойкости:

,                                       (6.4)           

где  - кратность термической устойчивости (справочные данные);

 - время протекания тока термической устойчивости, с.

по вторичной нагрузке:

                                                   (6.5)           

где  - номинальная допустимая нагрузка трансформатора тока в выбранном классе точности, Ом;

 - вторичная нагрузка трансформатора тока, Ом.

Индуктивное сопротивление вторичных цепей невелико, поэтому , где:

                                         (6.6)           

где  - сопротивление приборов;

 - сопротивление измерительных проводов;

 - переходное сопротивление контактов;

Сопротивление приборов определяется по формуле:

,                                              (6.7)           

где  - номинальный вторичный ток приборов, А;

 - мощность приборов, ВА.

Переходное сопротивление контактов () принимает следующие значения:

 Ом - при малом количестве приборов;

 Ом - при большом количестве приборов;

Зная  определяют допустимое сопротивление проводов  по формуле:

                                   (6.8)           

По значению сопротивления проводов определяют площадь сечения провода по формуле:

,                                                 (6.9)           

где  - удельное сопротивление материала провода, Ом·мм2/м;

 - расчётная длина, зависящая от схемы соединения трансформатора тока и расстояния  от трансформатора тока до приборов, м.

При включении в неполную звезду ; при включении в звезду ; при включении в одну фазу . В данном курсовом проекте все приборы на подстанции включаются в неполную звезду. Провода с медными жилами (Ом·мм2/м) применяются во вторичных цепях основного и вспомогательного оборудования мощных электростанций с агрегатами 100 МВт и более, а также на подстанциях с высшим напряжением 220 кВ и выше. В остальных случаях во вторичных цепях применяются провода с алюминиевыми жилами (Ом·мм2/м).

Полученная площадь сечения по формуле (6.9) не должна быть по условию механической прочности менее 4 мм2 для проводов с алюминиевыми жилами. Провода с площадью сечения более 6 мм2 обычно не применяются.

Сопротивление измерительных проводов () зависит от длины и сечения соединительных проводов.

6.2.1 Выбор трансформаторов тока в силовом трансформаторе на стороне низкого напряжения

Трансформаторы тока установим на каждой из расщеплённых обмоток.

Определим рабочий ток трансформатора тока по формуле (5.2):

 А.

По ([2], табл. 5.9 с.298) выбираем трансформатор тока типа ТШЛ-10-У3 с номинальным вторичным током 5А. Результаты выбора и проверки по формулам приведем в таблице 6.2.

Таблица 6.2 - Выбор трансформаторов тока на стороне НН силового трансформатора

Расчетные параметры

Каталожные данные

Условия выбора

 кВ кВ



 А А



 кАНе проверяется



 кА2·с



Для того чтобы выполнить проверку по условию (6.5), сперва выберем приборы, которые подключаются к трансформатору тока (см. табл. 6.3)

Таблица 6.3 - Приборы, подключаемые к вторичной обмотке трансформаторов тока

Наименование и тип прибора

Нагрузка, ВА, фазы


А

В

С

Амперметр Э377

0,1

0,1

0,1

Счетчик активной энергии U670M

2,5

-

2,5

Счетчик реактивной энергии U676

2,5

-

2,5

Ваттметр Д335

0,5

-

0,5

Варметр Д335

0,5

-

0,5

Итого:

6,1

0,1

6,1


Проверку трансформатора тока по вторичной нагрузке произведём для наиболее загруженной фазы, из таблицы 6.3 видно, что наиболее загружены фазы А и С.

Сопротивление приборов определим по формуле (6.7):

 Ом.

Номинальная вторичная нагрузка трансформатора тока в классе точности 0,5:  Ом.Следовательно, условие (6.5) выполняется, так как 0,244 Ом < 0,8 Ом. Сопротивление контактов принимаем  Ом.

Определяем допустимое сопротивление проводов по формуле (6.8):

 Ом.

Принимаем длину соединительных проводов с алюминиевыми жилами 50 м. Сечение проводов по формуле (6.9):

 мм2.

Принимаем контрольный кабель типа АКВРГ с жилами сечением 6 мм2.

6.2.2 Выбор трансформаторов тока для питающих линий 110 кВ

Определим рабочий ток трансформатора тока по формуле (5.2):

 А.

По ([2], табл. 5.9 с.304) выбираем трансформатор тока типа ТФЗМ110Б-1-У1 с номинальным вторичным током 5А. Результаты выбора и проверки по формулам приведем в таблице 6.4.

Таблица 6.4 - Выбор трансформаторов тока для питающих линий 110 кВ

Расчетные параметры

Каталожные данные

Условия выбора

 кВ кВ



 А А



 кА кА



 кА2·с




Для того чтобы выполнить проверку по условию (6.5), сперва выберем приборы, которые подключаются к трансформатору тока (см. табл. 6.5)

Таблица 6.5 - Приборы, подключаемые к вторичной обмотке трансформаторов тока

Наименование и тип прибора

Нагрузка, ВА, фазы


А

В

С

Амперметр Э351

0,5

0,5

0,5

Счетчик активной энергии ЭU670M

2,5

-

2,5

Счетчик реактивной энергии ЭU676

2,5

-

2,5

Ваттметр Д335

0,5

-

0,5

Варметр Д335

0,5

-

0,5

Итого:

6,5

0,5

6,5


Проверку трансформатора тока по вторичной нагрузке произведём для наиболее загруженной фазы, из таблицы 6.5 видно, что наиболее загружены фазы А и С.

Сопротивление приборов определим по формуле (6.7):

 Ом.

Номинальная вторичная нагрузка трансформатора тока в классе точности 0,5:  Ом. Следовательно, условие (6.5) выполняется, так как 0,26 Ом < 1,2 Ом. Сопротивление контактов принимаем  Ом.

Определяем допустимое сопротивление проводов по формуле (6.8):

 Ом.

Принимаем длину соединительных проводов с алюминиевыми жилами 50 м. Сечение проводов по формуле (6.9):

 мм2.

Принимаем контрольный кабель типа АКВРГ с жилами сечением 4 мм2.

6.2.3 Выбор трансформаторов тока на линиях к потребителям 10 кВ

Определим рабочий ток трансформатора тока по формуле (5.2):

 А.

По ([2], табл. 5.9 с.298) выбираем трансформатор тока типа ТОЛ-10-У3 с номинальным вторичным током 5А. Результаты выбора и проверки по формулам приведем в таблице 6.6.

Таблица 6.6 - Выбор трансформаторов тока на стороне НН силового трансформатора

Расчетные параметры

Каталожные данные

Условия выбора

 кВ кВ



 А А



 кА кА



 кА2·с




Для того чтобы выполнить проверку по условию (6.5), сперва выберем приборы, которые подключаются к трансформатору тока (см. табл. 6.7)

Таблица 6.7 - Приборы, подключаемые к вторичной обмотке трансформаторов тока

Наименование и тип прибора

Нагрузка, ВА, фазы


А

В

С

Амперметр Э377

0,1

0,1

0,1

Счетчик активной энергии ЭU670M

2,5

-

2,5

Счетчик реактивной энергии ЭU676

2,5

-

2,5

Итого:

5,1

0,1

5,1


Проверку трансформатора тока по вторичной нагрузке произведём для наиболее загруженной фазы, из таблицы 6.7 видно, что наиболее загружены фазы А и С.

Сопротивление приборов определим по формуле (6.7):

 Ом.

Номинальная вторичная нагрузка трансформатора тока в классе точности 0,5:  Ом. Следовательно, условие (6.5) выполняется, так как 0,204 Ом < 0,8 Ом.

Сопротивление контактов принимаем  Ом.

Определяем допустимое сопротивление проводов по формуле (6.8):

 Ом.

Принимаем длину соединительных проводов с алюминиевыми жилами 50 м. Сечение проводов по формуле (6.9):

 мм2.

Принимаем контрольный кабель типа АКВРГ с жилами сечением 6 мм2.

6.3 Выбор трансформаторов напряжения

Трансформаторы напряжения (TV) выбираются по следующим условиям:

по напряжению установки:

                                                 (6.10)         

по вторичной нагрузке:

                                                   (6.11)         

где  - нагрузка всех измерительных приборов и реле, присоединённых к трансформатору напряжения, ВА;

 - номинальная мощность в выбранном классе точности. Для однофазных трансформаторов соединенных в звезду следует взять суммарную мощность всех трёх фаз, а для соединённых по схеме открытого треугольника - удвоенную мощность одного трансформатора.

Для упрощения расчётов нагрузку приборов можно не разделять по фазам, тогда:

,                   (6.12)

где  - полная суммарная мощность всех приборов, подключенных ко вторичной обмотке трансформаторов напряжения, ВА;

 и  - суммарные коэффициенты активной и реактивной мощности соответственно для приборов, подключенных к трансформатору напряжения;

 и  - суммарная активная и реактивная мощности соответственно для приборов, подключенных к трансформатору напряжения, Вт и ВАр.

по классу точности;

по конструкции и схеме соединения обмоток.

При определении вторичной нагрузки сопротивление соединительных проводов не учитывают, так как оно мало. Обычно сечение проводов принимают из условия механической прочности, равной 1,5 мм2 и 2 мм2 соответственно для медных и алюминиевых проводов.

6.3.1 Выбор трансформаторов напряжения на стороне 110 кВ

По ([3], табл. 4-23 с.426) выбираем трансформатор напряжения типа НКФ-100-58-У3. Расчёт нагрузки основной обмотки приведём в таблице 6.8.

Таблица 6.8 - Вторичная нагрузка трансформатора напряжения

Наименование и тип прибора

Мощность одной катушки, ВА

Число катушек

cosj

sinj

Число приборов

Общая мощность







P, Вт

Q, вар

Вольтметр Э335

2

1

1

0

1

2

-

Ваттметр Д335

1,5

2

1

0

1

3

-

Варметр Д335

1,5

2

1

0

1

3

-

Счетчик активный ЭU670М

2,5

2

0,38

0,925

4

7,6

18,5

Счетчик реактивный ЭU676

2,5

2

0,38

0,925

4

7,6

18,5

Итого:

23,2

37


Тогда нагрузка вторичных цепей трансформатора напряжения по формуле (6.12):

 В·А.

Выбранный трансформатор НКФ-100-58-У3 имеет номинальную мощность в классе точности 0,5, необходимом для присоединения счётчиков, 400 ВА. Условие (6.11) выполняется, т. е. 43,672 ВА < 400 ВА, следовательно, трансформатор будет работать в выбранном классе точности.

6.3.2 Выбор трансформаторов напряжения на стороне 10 кВ

По ([3], табл. 4-23 с.426) выбираем трансформатор напряжения типа ЗНОМ-15-У3.

Расчёт нагрузки основной обмотки приведём в таблице 6.9.

Таблица 6.9 - Вторичная нагрузка трансформатора напряжения

Наименование и тип прибора

Мощность одной катушки, ВА

Число катушек

cosj

sinj

Число приборов

Общая мощность







P, Вт

Q, вар

Вольтметр Э335

2

1

1

0

1

2

-

Ваттметр Д335

1,5

2

1

0

1

3

-

Варметр Д335

1,5

2

1

0

1

3

-

Счетчик активный ЭU670М

2,5

2

0,38

0,925

2

3,8

9,25

Счетчик реактивный ЭU676

2,5

2

0,38

0,925

2

3,8

9,25

Итого:

15,6

18,5


Тогда нагрузка вторичных цепей трансформатора напряжения по формуле (6.12):

 ВА.

Выбранный трансформатор ЗНОМ-15-У3 имеет номинальную мощность в классе точности 0,5, необходимом для присоединения счётчиков, 75 ВА. Условие (6.11) выполняется, т. е. 24,2 ВА < 75 ВА, следовательно, трансформатор будет работать в выбранном классе точности.

7. Выбор и описание конструкции распределительных устройств

.1 Выбор открытого распределительного устройства

Выбор ОРУ 110 кВ. Распределительное устройство, расположенное на открытом воздухе называется открытым распределительным устройством (ОРУ). Как правило ОРУ 110 кВ и выше выполняются открытыми.

Открытые РУ должны обеспечивать надежность работы, безопасность и удобство обслуживания при минимальных затратах на сооружение, возможность расширения, максимальное применение крупноблочных узлов заводского изготовления.

Все аппараты ОРУ обычно располагаются на невысоких основаниях (металлических или железобетонных). По территории ОРУ предусматриваются проезды для возможности монтажа и ремонта оборудования.

Шины могут быть гибкими из многопроволочных проводников или круглых труб. Первые крепятся на порталах с помощью подвесных изоляторов, а вторые с помощью опорных изоляторов на железобетонных и металлических стойках. Применение жесткой ошиновки позволяет уменьшить площадь ОРУ.

Открытые РУ имеют следующие преимущества перед ЗРУ:

меньший объем строительных работ и как следствие уменьшение стоимости РУ;

легче выполняется расширение и конструкция;

все аппараты доступны для наблюдения;

В то же время ОРУ занимают большую площадь, менее пригодны для эксплуатации при плохих климатических условиях, аппараты подвержены запылению, загрязнению и колебанию температуры.

Открытые РУ 110 кВ по схеме с одной секционированной системой шин сооружаются однопортальными. Металлические стойки расположены через 4.6 м соединены швеллерами и уголками образуют жесткую конструкцию, на которой в нижней части - разъединители и сборные шины. Между линейными и шинными разъединителями есть сетчатое ограждение для обеспечения безопасности при подъеме на опору со стороны линии или трансформаторов во время ремонтов.

Приводы разъединителей монтируются на основных металлических стойках. Вдоль многопролетного портала проходит лоток для контрольных кабелей. Такое ОРУ достаточно компактно, но не вполне удобно в эксплуатации из-за высокого расположения разъединителей. Расстояние между токоведущими частями и от них до различных элементов ОРУ выбирается в соответствии с требованиями ПУЭ. В таблице 7.1 приведены основные расстояния между токоведущими частями и от них до различных элементов ОРУ.

Таблица 7.1 - Расстояния между токоведущими частями и от них до элементов ОРУ

Наименование расстояния

Расстояние, мм

1.Оборудования и изоляции до заземленных конструкций или постоянных ограждений высотой не менее 2 м.

900

2. Между проводами разных фаз.

1000

3. От токоведущих частей или от элементов оборудования и изоляции, находящихся под напряжением, до постоянных ограждений высотой 1,6м, до габаритов транспортируемого оборудования.

1650

4. Между токоведущими частями разных цепей в разных плоскостях при обслуживании нижней цепи и не отключенной верхней.

1650

5. От не огражденных токоведущих частей до земли в кровле зданий при наибольшем провисании проводов.

3600

6. Между токоведущими частями разных цепей в разных плоскостях, а также между токоведущими частями разных цепей по горизонтали при обслуживании одной цепи и не отключенной другой, от токоведущих частей до верхней кровли забора, между токоведущими частями и зданиями или сооружениями.

2900


7.2 Выбор закрытого распределительного устройства

Закрытые распределительные устройства (ЗРУ) обычно сооружаются на напряжения 3-20 кВ. Однако при ограничении площади РУ, а также неблагоприятных климатических условиях и большой загрязненности атмосферы применяют ЗРУ 35-220 кВ. Обслуживание ЗРУ должно быть удобным и безопасным.

Неизолированные токоведущие части во избежание случайных прикосновений к ним должны быть помещены в камеры или ограждены. Ограждение может быть сплошным или сетчатым и должны запираться на замок.

Осмотры оборудования производятся из коридора обслуживания, ширина которого должна быть не менее 1 м, при одностороннем и при двухсторонним обслуживании - 1.2 м. Если в коридоре помещены приводы разъединителей и выключателей, то ширина такого коридора должна быть 1,5м и 2м соответственно.

Из помещения ЗРУ предусматриваются выходы наружу или в помещение с негорючими стенами и перекрытиями: один выход при длине РУ до 7м; два выхода при длине РУ от 7 до 60 м и при длине более 60 м - два выхода по концам и один с таким расчетом , чтобы расстояние от любой точки коридоров РУ до выхода не превышала 30 м. Двери РУ должны иметь самозапирающиеся замки, открываемые со стороны РУ без ключа. ЗРУ должно обеспечивать пожарную безопасность. Распределительное устройство должно быть экономичным. Для этого применяются железобетонные блоки вместо кирпича, укрупненные электроузлы и т.д. .

7.3 Конструкция закрытого распределительного устройства 10 кВ с одной секционированной системой шин

Здание сооружается из стандартных железобетонных конструкций, несущие колонны расположены в два ряда через 6 м. На колонны опираются балки пролетом 1.5 м. Стены из железобетонных плит не имеют оконных пролетов. Т.к. помещение ЗРУ длинной более 7 м предусматриваем 2 выхода по его торцам.

Ячейки КРУ располагаем в один ряд. Основой ячеек является стальной каркас. Сборные шины медные, прямоугольного сечения, с пролетом между изоляторами 2 м, рассчитаны на номинальный ток 2650 А.

Таблица 7.2 - Расстояния между токоведущими частями и от них до элементов РУ

Наименование расстояния

Наименьшее расстояние в свету, мм

От токоведущих частей до заземленных конструкций и частей зданий.

120

Между проводниками разных фаз.

130

От токоведущих частей до сетчатых заграждений

220

Между не огражденными токоведущими частями разных цепей

2000

От не огражденных выводов из РУ до земли при выходе из РУ на территорию станции и при отсутствии проезда под выводами

4500

От контактного ножа разъединителя в отключенном расстоянии до проводника, присоединенного ко второму контакту

150

От токоведущих частей до сплошных заграждений.

150



8. Дистанционное управление выключателями и сигнализация

Дистанционное управление электрическими аппаратами (выключателями, разъединителями) применяется на расстояниях от щита управления до распределительного устройства, не расстояниях нескольких сотен метров. Дистанционное управление может осуществляться на постоянном или переменном оперативном токе.

К схемам дистанционного управления высоковольтными выключателями предъявляются следующие требования:

Схема управления должна позволять дистанционное ручное и автоматическое (от устройства релейной защиты и автоматики) надежное отключение и включение выключателя.

На щите управления и самом выключателе должны быть предусмотрены устройства сигнализации положения. При этом сигнализация положения при дистанционном управлении должна отличаться от сигнализации при автоматическом отключении или включении.

Схемы управления должны исключать возможность включений выключателя на короткое замыкание при одном командном импульсе (так называемое "прыганье" выключателя).

Схемы управления должны иметь постоянный контроль исправности цепей.

Чтобы обеспечить выполнение требований электротехнической промышленностью разработана и изготовляется специальная аппаратура дистанционного управления (ДУ).

Для питания электромагнитов привода высоковольтных выключателей при дистанционном управлении применяют ключи управления, реле, контакторы и блокировочные контакты. В схему управления обычно входят также реле и сигнальные лампы, указывающие положение выключателя (включен или отключен).

На щитах управления электроустановок для информации обслуживающего персонала об изменении режимов работы оборудования предусматриваются различные устройства сигнализации. По назначению они разделяются на: сигнализацию положения коммутационных аппаратов; аварийную - об аварийном отключении коммутационного аппарата; предупреждающую - о наступлении ненормального режима или ненормального состояния отдельных элементов установки; сигнализацию действия защиты (указательные реле); сигнализацию действия автоматики; командную - для передачи наиболее важных распоряжений.

Ручное управление выключателями производится при помощи ключей управления. Кроме того, контактными ключами переключают цепи питания сигнальных ламп, замыкают цепи аварийной сигнализации и др.

В настоящее время используются малогабаритные переключатели общепромышленного назначения типа ПМО и малогабаритные ключи МК.

Ключи управления состоят из набора контактных пакетов лицевого фланца с рукояткой. В каждом контактном пакете имеются четыре неподвижные и один подвижный контакт. Неподвижные контакты нумеруются последовательно, начиная с верхнего правого контакта (глядя с лицевого фланца ключа против часовой стрелки).

Подвижные контакты всех пакетов укреплены на центральном поворачивающем валике, соединенном с рукояткой. Они соединяют два неподвижных контакта в пакете и выполняются двух основных типов. Контакты одного типа жестко следуют за поворачивающимся валиком, другого типа - имеют на валике свободный ход на резные углы - 45°, 90°, 135°. Кроме того, подвижные контакты различаются по форме и могут насаживаться на валик под разными углами по отношению друг к другу и рукоятке переключателя. В зависимости от исполнения подвижных контактов пакеты нумеруются (от 1 до 10 номера).

По характеру движения валика с рукояткой различают ключи с самовозвратом в нейтральное фиксированное положение (ПМОВ, МКВ), с несколькими фиксированными положениями (ПМОФ, МКФ), с несколькими фиксированными положениями и возвратными положениями (ПМОВФ, МКВФ).

В простейшем случае фиксированные ключи управления имеют два положения рукоятки: «Включено», «Отключено». Возвратные ключи имеют три положения рукоятки: «В - включить», «О - отключить» и нейтральное (фиксированное) положение.

Рисунок 9 - Схема управления и сигнализации выключателем

Органом управления в схеме является ключ SA1 типа ПМОВ-112256. Особенностью электромагнитного привода является то, что его катушка YAC потребляет ток, значительно превышающий коммутационную способность ключа управления. Поэтому цепь катушки включения YAC замыкается контактором КМ, расположенном у привода. Катушка отключения привода YAT потребляет небольшой ток и включена в цепь управления непосредственно.

Пря повороте рукоятки клоча управления SA1 в положение «В - включить», замыкаются контакты SA1.1 и запитывается контактор соленоида включения КМ, который замыкает силовую цепь соленоида включения.

При повороте рукоятки SA1 в положение «О - отключить» замыкаются контакты SA1.2 SA1 и через них эапитывается соленоид отключения YAT привода выключателя.

В отключенном положении выключателя горит зеленая лампа HLC1, сигнализируя об отключенном положении выключателя, во включенном - горит красная лампа HLR1, сигнализируя о включенном положении выключателя.

Реле KL2 и KL3 контролируют цепи включения и отключения и являются повторителями включенного положения выключателя. Их контакты используются в схемах автоматики и сигнализации

Фиксация команды включить определяется реле KL4, которое запитывается через контакты KL2.2 повторителя KL2 и в случае аварийного отключения выключателя релейной защитой (контакты KL1.1), удерживаются через замкнутые контакты SA1.3 SA1 и свои замыкающие контакты КL4.1.

Питание сигнальных ламп, включенного положения HLR2 и отключенного положения выключателя HLC2 осуществляется через соответствующие повторители KL2 и KL3.

Блокировка от многократных включений (блокировка от «прыгания») выполнены на электрическом принципе и реле KBS, которое имеет две обмотки - последовательно включенную KBSA и параллельно включенную KBSV. Если выключатель включается ключом управления SA1.1 на короткое замыкание (кнопка К3 в нажатом положении), то срабатывает релейная защита (контакт KL1.1), замыкая цепь обмотки KBSA и электромагнита отключения YAT выключателя. Реле KBS срабатывает, разрывая цепь КМ контактом KBS.1 и образуя цепь самоудержания через обмотку KBSV и контакт KBS.2. Отключившийся выключатель не может быть включен до тех пор, пока схема не вернется в исходное положение, для чего необходимо разомкнуть контакты SA1.1 ключа управления SA1 выключателя.

9. Выбор аккумуляторной батареи и подзарядного устройства

Число основных элементов в батарее:

.

Общее число элементов:

.

Количество добавочных элементов:

.

Типовой номер определяем по формуле:


где 1,05 - коэффициент запаса;

 - нагрузка установившегося получасового аварийного разряда

 А/м - допустимая нагрузка аварийного разряда, А/м, приведенная к первому номеру аккумуляторов.

Таблица 9.1 - Расчетные нагрузки электроприемников

Вид потребителя

Параметры электроприемников

Расчетные нагрузки


Кол. Эл. Пр.

 кВт АА ААвар. реж. до 30минТолчок тока в нач. авНаиб. толч. IКОНЦ, А







Постоянная нагрузка

-

-

-

20

-

20

20

20

Аварийное освещение

-

-

-

160

-

160

-

160

Приводы выключателей ПЭ-11 для ВМПЭ

1

-

58

-

-

-

58

-

Преобразовательные агрегаты оперативной связи

1

7.2

38

30

100

30

100

30

Привод ШПЭ - 31 У1 для МКП-35

1

-

124

-

-

-

-

124

Привод ШПЭ - 44 У1 для У-110Б-2000-40У1

1

-

240

-

-

-

-

240

Расчетные величины

210

178

574


.

Предварительно принимаем СК-10.

Проверяем по уровням напряжения.

А) по ([3], рис. 10.8 стр. 199) определяем из условия обеспечения минимального допустимого напряжения на приводе выключателя равным 85 % с учетом потери напряжения в соединительном кабеле равной 5 % Iт.доп=20 А/м.


Принимаем СК-10.

Б) при толчке тока в конце аварийного режима (включение У-110 и МКП-35) ток предшествующего разряда

 А/м.

Ток в момент толчка, приведенный к первому номеру

 А/м.

По кривой ([3] рис. 10-7) определяем напряжение на элементе в момент толчка Uэл=1,68 В и напряжение на шинах батареи Uш=1,58×122=192,76 В, или 87,6% Uном. Так как напряжение при толчке тока получилось меньше 90%, то выбираем СК-12, в этом случае j=574/12=47,83; Uш=1.65×122=201,3 В, или 91.5% Uном.

Подзарядное устройство:

 А;

 В

Выбираем подзарядное устройство ВАЗП 380/260 - 40/80 на напряжение 380-260 В и ток 40-80 А.

В данном разделе в качестве оперативного тока был выбран постоянный ток. В качестве источника оперативного тока выбрана батарея из 122 аккумуляторов типа СК - 12 и подзарядное устройство к ней ВАЗП 380/260 - 40/80.

Заключение

При разработке курсового проекта были рассмотрены следующие вопросы:

. Выбор основного оборудования;

. Выбор принципиальной схемы соединений ГПП;

. Выбор обеспечения питания собственных нужд;

. Расчет токов короткого замыкания;

. Выбор коммутационной аппаратуры;

. Выбор токоведущих частей;

. Выбор измерительных приборов для основных цепей и измерительных трансформаторов;

. Выбор РУ.

При выборе основного оборудования были выбраны силовые трансформаторы типа ТРДЦН-80000/110/10. При выборе принципиальной схемы предпочтение было отдано схеме с одной секционированной системой шин.

Выбор коммутационной аппаратуры заключался в выборе выключателей и разъединителей. На стороне 110 кВ были выбраны воздушные выключатели типа ВВУ-110Б-31,5/2000У1; на стороне 10 кВ - вакуумные выключатели типа ВВЭ-10-31,5/2500Т3. На стороне 110 кВ были выбраны разъединители типа РНД-110/630Т1.

Для защиты ТСН выбран предохранитель типа ПКТ101-10-10-31,5У3. Выбор токоведущих частей: на стороне 110 кВ были выбраны гибкие токопроводы на основе проводов марки АС, на стороне 10 кВ - окрашенные медные шины прямоугольного сечения 120´10, гибкие токопроводы типа АС-300/39; и кабели с медными жилами, типа CБ.

При выборе измерительных приборов были выбраны: на стороне 110 кВ - трансформаторы тока типа ТФЗМ110Б-1-У1 и трансформаторы напряжения типа НКФ-100-58-У3; на стороне 10 кВ - трансформаторы тока типа ТОЛ-10-У3, и трансформаторы напряжения типа ЗНОМ-15-У3.

Литература

1. Справочник по проектированию электроэнергетических систем под редакцией С.С Рокотяна и И.М. Шапиро - М.: Энергия, 1985.

. Неклепаев Б.Н., Крючков И.П. Электрическая часть электростанций и подстанций: Справочные материалы для курсового и дипломного проектирования - М. Энергоатомиздат, 1989.

. Рожков Л.Д., Козулин В.С.. Электорооборудование станций и под станций.-М.: Энергия, 1980.

. Околович М.Н. Проектирование электрических станций - М.:Энергоиздат,1982.

. Идельчик В.И. Электрические системы и сети: Учебник для вузов.-М.:Энергоатомиздат,1989.

. Гук Ю.Б. и др.. Проектирование электрической части станций и подстанций: Учебное пособие для вузов. -Л.: Энергоатомиздат, 1985.

Похожие работы на - Выбор основного оборудования на проектируемой подстанции

 

Не нашли материал для своей работы?
Поможем написать уникальную работу
Без плагиата!
Без нейросетей!