Выбор главных схем электрических соединений и основного оборудования районной понизительной проходной подстанции
Федеральное государственное бюджетное
образовательное учреждение
высшего профессионального образования
«Саратовский государственный
технический университет имени Гагарина Ю.А.»
Энергетический факультет
Кафедра «Электроснабжение
промышленных предприятий»
КФБН 1404.14.514 ПЗ
КУРСОВОЙ ПРОЕКТ
ЭЛЕКТРИЧЕСКИЕ СТАНЦИИ И ПОДСТАНЦИИ
Выполнила студентка группы Б1ЭЛЭТ31
Носкова К.Д.
Саратов 2014
Реферат
Курсовой проект по курсу «Электрические станции и подстанции» выполнен на
листах формата А4, состоит из таблиц, рисунков и представляет собой выбор
оборудования и главных электрических схем.
Суточный и годовой графики нагрузки, выбор мощности трансформаторов,
расчёт и выбор ру, расчёт и выбор основного оборудования.
Расчёты произведены с использованием программ Microsoft Office Excel, рисунки и чертежи выполнены с помощью прoграммы AutoCad 14.
Целью курсового проекта является выбор главных схем электрических
соединений и выбор основного оборудования районной понизительной проходной
подстанции.
Был выполнен анализ графиков нагрузок, выбрана мощность трансформаторов,
схемы распределительных устройств высшего и низшего напряжения. Помимо
основного оборудования были выбраны типы релейной защиты и автоматики,
оперативный ток, трансформатор собственных нужд подстанции, рассчитаны
заземление подстанции и молниеотводы.
В состав графической части входит:
. КФБН1404.14.514 - главная схема электрических соединений
под-станции (полная принципиальная схема), схема сетевого района;
. КФБН1404.14.514 - конструктивный чертеж распредустройства ВН
(план и разрез по ячейке, задаваемой руководителем), схема заполнения РУ 6-10
кВ.
Аннотация
В данном курсовом проекте выполнен выбор основного оборудования и главных
схем электрических соединений понизительной районной подстанции. При выборе
основного оборудования был произведен приближённый технико-экономический
расчет.
Питание проектируемой подстанции приходит с двух сторон: от внешней
системы и КЭС. В соответствии со схемой сети, потребителями подстанции и
расчётными данными были выбраны схемы главных электрических соединений и схемы
распределительных устройств на сторонах высшего и низшего напряжения.
Выбрав оборудование и схемы электрических соединений, опираясь на типовые
схемы, была выполнена графическая часть. Выбор схем произведён в соответствии с
основными требованиями подстанции: обеспечение надёжности электроснабжения
потребителей подстанции в нормальном и в послеаварийном режимах, учёт
возможного дальнейшего расширения подстанции.
Summary
In this course project selection made major capital equipment
and wiring diagrams of lowering regional substation. When selecting the main
equipment was produced approximate technical and economic calculation .designed
substation comes from two sides: from the external system and IES. In
accordance with the scheme of the network, consumers substation and calculated
data were selected main circuit electrical connections and circuit switchgear
on the sides of the higher and lower voltage. Most cost- voltage overhead suitable
chosen depending on the length of lines and the power transmitted through them.
of circuits produced in accordance with the basic requirements of the
substation: ensuring reliability of electricity supply substations and power
flows on tietrunk or relations in the normal and failure mode, possible further
expansion accounting substation.
Введение
Подстанции являются неотъемлимой частью электрических сетей, так как при
передаче и потреблении требуются отличные напря
В настоящее время электрическая энергия является наиболее широко
используемой формой энергии. Это обусловлено относительной легкостью ее
получения, преобразования, передачи на большое расстояние и распределения между
приемниками.
Для передачи электроэнергии на большие расстояния с минимальными потерями
необходимы большие напряжения линий. Генераторы выдают недостаточно высокое
напряжение, приёмники также нуждаются в низком напряжении. Для преобразований
напряжений необходимы подстанции.
Электростанции при помощи электрических линий (через подстанции) связывают
друг с другом для параллельной работы на общую нагрузку. Такая совокупность
электростанций, подстанций и приемников электрической энергии, связанных между
собой линиями электропередачи, называется энергетической системой (ЭЭС).
Подстанция - узлы электрической сети, именно поэтому очень важно правильно
выбрать оборудование и схемы электрических соединений, чтобы достичь
максимальной надёжности, экономичности, простоты эксплуатации и сроительства.
Исходные данные
КЭС: G5-G7
Pном=220
МВт;
Uном=15,75
кВ.
С1:
Sкз=1000
МВА;
U=220
кВ.
Т19-Т21:
S=250
МВА.
Т7-Т8:
S=63МВА.=80 км,=130 км.
Н5=10 МВА,
cos
=0,5.
ПС:
Рmax=35
МВт,
U=10 кВ,
n=9.
Нагрузка:
I=20 %;
II=50%;
III=30%.
Таблица 1
|
часы
|
Зима
|
Лето
|
|
0-6
|
80
|
50
|
|
6-12
|
100
|
7
|
|
12-18
|
100
|
70
|
|
18-24
|
70
|
50
|
Рисунок 1 - Исходная схема
1.
Обработка графиков нагрузок
Таблица 2 - Суточный график нагрузок
|
часы
|
Зима
|
Лето
|
|
0-6
|
80
|
50
|
|
6-12
|
100
|
70
|
|
12-18
|
100
|
70
|
|
18-24
|
70
|
50
|
Рисунок 2 - Суточный график нагрузок
Коэффициент нагрузки
Построим годовой график нагрузок
Потребляемая мощность в течение суток

; 

; 

; 

; 
Рисунок 3 - Годовой график нагрузок
Количество электроэнергии, потребляемое проектируемой подстанцией за год
(МВт
ч)
Среднегодовая
нагрузка и коэффициент нагрузки
(МВт)
Продолжительность использования максимальной нагрузки
(ч)
Найдем время потерь по эмпирической формуле
2.
Выбор числа и мощности силовых трансформаторов на проектируемой подстанции
Исходя из требования надёжности электроснабжения потребителей, в
аварийном режиме потребители первой и второй категории (70% от всех потребителей)
по надёжности должны получать электроэнергию. Коэффициент перегрузки
трансформатора допускается 30 %, т.к. время максимальной перегрузки по
суточному графику составляет 12 часов (50% от всего времени работы
трансформатора)
Где
SI,II-мощность потребителей I и II
категории, SI,II=PI,II/cos
(МВА)
Самое близкое большее стандартное значение - 25 МВА.
Для сравнения возьмем трансформатор с большей мощностью 32 МВА.
Таблица 3 - Напряжение для двух вариантов
мощности трансформаторов
В расчёте используем наибольший поток, так как напряжение должно быть
одинаковым. Так как линия двухцепная, в расчёте Р/2.
Рисунок 4 - Потоки мощности к ПС
(кВ)
Таблица 4 Выбираем для сравнения два трансформатора
Для ТРДН 25
(Мвар)
(МВт
ч)
Проверим
целесообразность отключения одного из трансформаторов в часы минимальных
нагрузок
(МВА)
где Кэк - экономический эквивалент для перевода квар в кВ. Для
трансформаторов в районных сетях 110 кВ Кэк=0,08.
Так как Sэт<Smin, то отключение не целесообразно, то
есть оба трансформатора постоянно будут в работе в нормальных режимах.
Для ТРДН 32
(Мвар)
(МВт)
Проверим целесообразность отключения одного из трансформаторов в часы
минимальных нагрузок
(МВА)
Так
как Sэт<Smin, то отключение не целесообразно, то есть оба трансформатора
постоянно будут в работе в нормальных режимах.
2.1 Оценка экономической эффективности
Таблица 5 - Приближённый расчет
капиталовложений
ТРДН-25
ТРДН-32 Стоимость выключателя, тыс.руб Квв
Куд
НДС 7300
3,86
1,18=33250
00
3,86
1,18=33250
Стоимость
трансформатора, тыс. руб Ктр
Куд
НДС 5500
3,86
1,18=25051
3,86
1,18=28877
Итого,
тыс.руб 18Квв+2Ктр 18
33250+2
25051=548852
33250+2
28877=556504
где Ктр и Квв - стоимости трансформатора [4.
Таблица 7.20] и выключателя [4. Таблица 7.19] соответственно;
Куд - коэффициент удорожания, информация по стоимости
устарела;
НДС - налог.
В соответствие с выбранной схемой РУВН и РУНН на ПС необходимо установить
18 выключателей (9 - фидера, 4 - вводы, 2 - секционные, 3 - на РУВН в
соответствие с мостовой схемой 110-5Н)
Таблица 6 - Экономический расчет обоих
вариантов
Прибыль R=cэ
Wгод
I, где сэ - тариф на электроэнергию сэ =2,7
; - индекс к
стоимости объема передаваемой электроэнергии, I=0,3;
|
R=2,7 226233000 0,3=183,25 млн.руб
|
|
|
Стоимость потерь, млн. руб
|
|
|

|
|
|
Стоимость обслуживания, млн.руб
|
|
|

|
|
|
Прибыль от реализации, млн.руб
|
|
|

|
|
|
Налоги, млн.руб
|
|
|

|
|
|
Удельная себестоимость, руб/кВт ч
|
|
|

|
|
Таблица 7 - Технико-экономическое обоснование
вариантов
|
Показатель
|
Ед. изм.
|
ТРДН-25
|
ТРДН-32
|
|
Напряжение
|
кВ
|
110
|
110
|
|
Мощность
|
МВА
|
25
|
32
|
|
Средняя рентабельность продукции
|
%
|
38,04
|
38,27
|
|
Средняя рентабельность производства
|
%
|
82,37
|
81,72
|
|
ЧДД нарастающим итогом
|
млн.руб
|
90,39
|
86,58
|
|
Индекс доходности
|
|
0,82
|
0,818
|
|
Срок окупаемости
|
лет
|
10
|
10
|
Расчётный период 11 лет. Оба варианта по экономическим показателям
практически равны, по техническим - оба приемлемы. Выбираем первый вариант, так
как он несколько выгоднее.
Проверим оба трансформатора на допустимые систематические нагрузки.
Мощность трансформаторов ТРДН-25 на ПС 50 МВА, максимальная нагрузка
43,75 МВА, то есть ТРДН-25 удовлетворяем условию
(МВА)
ТРДН-32 мощнее ТРДН-25, поэтому производить проверку бессмысленно.
3.
Выбор главной схемы электрических соединений
подстанции
Проходная ПС, питающаяся с 2х сторон. ВЛ достаточно длинные, поэтому
велика вероятность аварии на линии. Также отсутствие частых коммутаций
трансформаторов позволяют сделать выбор в сторону мостовой схемы 5Н.
К тому же данная схема позволяет бесперебойно питать потребителей I и II категории по надёжности, процент которых достаточно велик,
70 %.
В случае аварии на ВЛ или при выводе выключателя в ремонт неповреждённая
линия будет питать оба трансформатора: один по своей линии, другой через
перемычку с выключателем нагрузки.
РУВН открытое (ОРУ), так как ОРУ дешевле, ниже сроки строительства,
естественное охлаждение трансформаторов.
РУНН закрытое, защищённое от механических воздействий. За счет
относительно невысокого уровня напряжения (10 кВ) не нужна очень мощная
изоляция, как потребовалась бы при ЗРУ-110 кВ.
секционные шины, попарно соединённые секционными выключателями,
оборудованными АВР, так как имеются потребители I и II
категории.
4.
Расчет токов КЗ
б=1000(МВА)б=110(МВА)
(кА)
Рисунок 5 - Схема замещения сети
Рисунок 6 - Схема замещения сети
Рисунок 7 - Эквивалентная схема замещения
Определим эквивалентное сопротивление цепи относительно точки К1.
Для этого необходимо определить сопротивления всех элементов сети:
Относительное сопротивление системы C
Относительное сопротивление линии W2
Относительное сопротивление обмоток высшего напряжения на Т7 и
Т8
Т7
и Т8 - АТДЦТН-250:
Uвн=230 кВ
Uсн=121 кВ
Uнн=11/13,8/15,75/38,5 кВ
Uкз вн-сн=11%
Uкз вн-нн=32%
Uкз сн-нн=20%
%
%
%
Тогда:
Так как проектируемая ПС является проходной и подсоединяется к линии W6, необходимо сопротивление этой линии разделить на два
одинаковых участка, сопротивление кторых
Сопротивление КЭС включает в себя сопротивления генераторов G5-G7 и повышающих трансформаторов Т19-Т21
Сопротивление генераторных ветвей
где
- сверхпереходное сопротивление генераторов
ТВВ-220-2Е,
N - количество
генераторов.
Сопротивление
повышающих трансформаторов
Подсчёт Хэкв к1
Определяем коэффициенты распределения для всех ветвей относительно К1
Сопротивления генерирующих цепей до точки К1
Номинальный
ток генератора
(кА)
(кА)
По
расчетным кривым затухания периодической составляющей при t=0 и
t=0,1с для турбогенераторов определим [5. Рисунок 10-7]
(кА)
(кА)
Периодическая
составляющая тока от обоих источников
(кА)
(кА)
Расчет ударного тока КЗ.
Значения
ударных коэффициентов (
) и постоянной времени затухания апериодической
составляющей тока КЗ (
)
(с)
(кА)
(кА)
(кА)
Полученные значения занесем в [Таблица 6].
Подсчёт Хэкв к2
Сопротивление проектируемой ПС (Т13//Т14)
%
%
Так
как Т13//Т14, Х1-сопротивление одной нижней
обмотки при Хвн=0, при этом в режиме КЗ один из трансформаторов
выходит из строя, учитываем сопротивление одного трансформатора
Тогда
Определяем
коэффициенты распределения для всех ветвей относительно К2
Рисунок
9 - Распределение потоков мощностей
Сопротивления
генерирующих цепей до точки К2

Номинальный ток генератора
(кА)
(кА)
По
расчетным кривым затухания периодической составляющей при t=0 и
t=0,1с для турбогенераторов определим [5. Рисунок 10-7]
(кА)
(кА)
Периодическая
составляющая тока от обоих источников
(кА)
(кА)
Расчет
ударного тока КЗ.
Значения
ударных коэффициентов (
) и постоянной времени затухания апериодической
составляющей тока КЗ (
)
(с)
(кА)
(кА)
(кА)
Полученные значения занесем в [Таблица 6].
Таблица 8 - Результаты расчета токов КЗ
|
Iп_(t=0), кА
|
Iп_(t=0,1), кА
|
iуд, кА
|
iа, кА
|
|
К1
|
5,8
|
3,7
|
14,76
|
1,1
|
|
К2
|
1,56
|
1,55
|
4,09
|
0,42
|
5. Выбор основного электрооборудования и токоведущих частей
.1 Выбор токопровода ОРУ 110 кВ
Выбираем гибкие сталеалюминиевые шины по экономической плотности тока.
(А)
jэк=1 А/мм2 для Tим
5000 ч, для алюминиевых неизолированных токоведущих
частей.
В
соответствии со схемой РУВН - мостик с ремонтной перемычкой со стороны ВЛ, в
нормальном режиме работы выключатель на перемычке со стороны трансформаторов
отключен, трансформаторы работают изолированно, рабочие токи также разделяются
по двум проводникам
А
Тогда
мм2
Проверка на максимальный длительный ток нагрузки.
В аварийном режиме, когда выходит из строя один трансформатор, включается
выключатель на перемычке со стороны трансформаторов, и один рабочий
трансформатор принимает всю нагрузку. Коэффициент перегрузки для ТРДН25 - 1,3
(А)
Допустимый длительный ток по условию нагрева для АС120/19 - 380 А. [6.
Таблица П.2-1]
(А)
Проверка на термическую стойкость при КЗ.
Определениея минимального термически стойкого сечения
C=91
для алюминиевых шин
где tрасч=(tзащ+tс,В), принимаем равным 0,11 с
мм2
мм2
Проверка на коронирование.
Согласно ПУЭ, проверке на коронирование удовлетворяет выбранное сечение,
так как qmin=70 мм2
мм2
Выбраный гибкий сталеалюминиевый провод удовлетворяет всем условиям и
проверкам.
.2 Выбор изоляторов
Для гибких сталеалюминиевых шин выбираем высоковольтные полимерные
подвесные изоляторы ЛК 70/110-И-2 ГП(ГС)
Условия выбора
Наименование параметра
ЛК 70/110-И-2 ГП(ГС)
Расчётные данные
Номинальное напряжение, кВ
Uуст=110
Uрасч=110
Допускаемая нагрузка, Н
Fдоп=21000
Fрасч=163
Допускаемая нагрузка
кН
Fразр=70 кН
Максимальная нагрузка
Н
Кф для шин круглого сечения - 1
Красп для раположения шин в одной плоскости - 1
.3 КРУ 10 кВ
Для РУНН выбираем жесткие сталеалюминиевые шины из-за больших рабочих
токов.
Выбираем жесткие алюминиевые шины по экономической плотности тока.
(кА)
jэк=1 А/мм2 для Tим
5000 ч, для алюминиевых неизолированных токоведущих
частей.
В
соответствии со схемой РУНН - с двумя секционированными системами шин, при
нормальном режиме секционные выключатели отключены, и ко всем шинам отдельно
подводится питание. Поэтому рабочий ток распределяется между четырьмя
проводниками
(А)
Тогда
мм2
Проверка на максимальный длительный ток нагрузки.
Для аварийного режима, при выходе из строя одного из трансформаторов,
секционные выключатели включены и ток проходит по двум проводникам, питающим
секционированные шины (с учетом коэффициента перегрузки трансформатора - 1,3)
(кА)
(А)
Допустимый
длительный ток по условию нагрева для жестких алюминиевых шин q=80
8 мм2 - 1320 А. [1. Глава 1.3]
(А)
(А)
В ПУЭ даны значения длительно допустимых токов с учетом расположения шин
на ребро, так как в данном проекте располагаем шины плашмя, то значение
длительно допустимого тока необходимо уменьшить на 7%.
Проверка на термическую стойкость при КЗ.
Определение минимального термически стойкого сечения
=91 для алюминиевых шин
где tрасч=(tзащ+tс,В), принимаем равным 0,11 с
мм2
мм2
Проверка на коронирование для U=10 кВ не производится.
Проверка шин на электродинамическую стойкость.
Наибольшее удельное усилие, действующее на среднюю фазу при трехфазном
токе КЗ
где а - межфазное расстояние, а=0,22 м [2. Таблица 4.2.5 ]
Н
Где l - длина пролета между опорными
изоляторами, l=0,95 м,
W -
момент сопротивления шины относительно оси, перпендикулярный действию усилия
(см3)
(МПа)
Марка
сплава алюминия АД31Т,
[3. Таблица 42]
(МПа)
Выбранная жесткая алюминиевая шина удовлетворяет всем условиям и
проверкам.
Сборные шины в КРУ
Сечение сборных шин выбирают по максимальному длительному току нагрузки.
(А)
Для аварийного режима, при выходе из строя одного из трансформаторов,
секционные выключатели включены и ток проходит по двум проводникам, питающим
секционированные шины (с учетом коэффициента перегрузки трансформатора - 1,3)
(А)
Допустимый
длительный ток по условию нагрева для жестких алюминиевых шин q=60
8 мм2 - 1040 А. [1. Глава 1.3]
Проверка
на термическую стойкость при КЗ.
Определениея
минимального термически стойкого сечения
C=91
для алюминиевых шин
где tрасч=(tзащ+tс,В), принимаем равным 0,11 с
мм2
мм2
Проверка на коронирование для U=10 кВ не производится.
Проверка шин на электродинамическую стойкость.
Наибольшее удельное усилие, действующее на среднюю фазу при трехфазном
токе КЗ
где а - межфазное расстояние, а=0,22 м [2. Таблица 4.2.5 ]
Н
Где l - длина пролета между опорными
изоляторами, l=0,95 м,
W -
момент сопротивления шины относительно оси, перпендикулярный действию усилия
(см3)
(МПа)
Марка
сплава алюминия АД31Т,
[рожкова табл 42]
(МПа)
Выбранная жесткая алюминиевая шина удовлетворяет всем условиям и
проверкам
5.4 Линии 10 кВ
На вводе силового трансформатора и на отходящих фидерах разные рабочие
максимальные токи.
Рисунок 7 - Распределение нагрузки между шинами НН
Определение токов на отходящих фидерах приближённо по второму закону
Кирхгофа
На СШ 1,2 и 3
(А)
На
СШ 4
(А)
Выбираем
сечение алюминиевого кабеля методу по экономической плотности тока.
jэк=1,2 А/мм2 для Tим
5000 ч, для кабелей с алюминиевыми жилами [8. Таблица
28-1].
Тогда
для секций 1,2,3 и 4 соответсвенно
мм2
мм2
Выбираем
трёхжильный кабель ААГ с сечением жилы 95мм2, при этом общее сечение
q=
мм2 для СШ 1, 2 и 3 [6. Таблица 2];
Для
линий СШ 4 выбираем трёхжильный кабель ААГ с сечением жилы 50 мм2, q=
мм2, 150<160, но разница составляет
менее 10 %, поэтому принимаем данное сечение.
Проверка
на максимальный длительный ток нагрузки.
Для
аварийного режима расчёт производить не имеет смысла, так как при выходе из
строя одного силового трансформатора нагрузка на каждый фидер не изменится. При
отключении одной из линий, на других линиях нагрузка также не увеличится.
Допустимый
длительный ток для сечения жилы 95 мм2-194 А,
Для
50 мм2-132 А [6. Таблица 3]. Iл нужно разделить на 3, так как допустимое значение
дано для одной жилы выбранного сечения, а выбранный кабель трёхжильный
(А)
(А)
Проверка на термическую стойкость при КЗ.
Определение минимального термически стойкого сечения
C=91
для алюминиевых шин
где tрасч=(tзащ+tс,В), принимаем равным 0,11 с
мм2
мм2
мм2
Проверка на коронирование для U=10 кВ не производится.
Выбранный кабель удовлетворяет всем условиям и проверкам.
.5 Выбор изоляторов
Для жестких алюминиевых шин выбираем изоляторы опорно-стержневые ОСК
4-10-А-2
Таблица 9 Условия выбора
|
Наименование параметра
|
ОСК 4-10-А-2
|
Расчётные данные
|
|
Номинальное напряжение, кВ
|
Uуст=10
|
Uрасч=10
|
|
Допускаемая нагрузка, Н
|
Fдоп=2400
|
Fрасч=12,5
|
Допускаемая нагрузка
кН
Fразр=4 кН
Максимальная нагрузка
Н
kh- поправочный коэффициент на высоту шины, для шины, расположенной плашмя kh=1
Для гибких сталеалюминиевых шин на ОРУ 110 кВ принимаем изоляторы типа
ПС-6А. Собирают в гирлянду, в гирлянде 10 изоляторов
Таблица 10 Условия выбора
|
Наименование параметра
|
ПС-6А
|
Расчётные данные
|
|
Номинальное напряжение, кВ
|
Uуст=110
|
Uрасч=110
|
|
Допускаемая нагрузка, Н
|
Fдоп=21000
|
Fрасч=35,8
|
Допускаемая нагрузка
(кН)
Fразр=6 кН, изоляторы собираем в гирлянду
из 7 изоляторов.
Максимальная нагрузка
Н
а=1 [2. Таблица 4.2.5.].
Для отходящих кабельных линий выбираем ЛК 70/10-И.
Таблица 11 Условия выбора
|
Наименование параметра
|
ЛК 70/10-И
|
Расчётные данные
|
|
Номинальное напряжение, кВ
|
Uуст=10
|
Uрасч=10
|
|
Допускаемая нагрузка, Н
|
Fдоп=42
|
Fрасч=4,3
|
Допускаемая нагрузка
(кН)
Fразр=70 кН
Максимальная нагрузка
(кН)
а-междуфазное расстояние, а=0,1м [1. Пункт 2.3.86.]
l-
длина пролёта. Для КЛ 10 кВ примем 150 м;
6. Выбор высоковольтных выключателей
6.1 ОРУ-110 кВ
Выключатель элегазовый колонкового типа ВЭКТ-110/III - 40/2000 У1. Высокий уровень изоляционных свойств элегаза позволяют
исключить повторные пробои и перенапряжения. Небольшой объем, снижение расходов
на обслуживание, высокий уровень взрыво- и пожаробезопасности делают выбор экономически
целесообразным.
Управление выключателями осуществляется пружинным приводом, исполнение
19.
Таблица 12 - Технические данные ВЭКТ-110
|
Наименование параметра
|
ВЭКТ-110/III -
40/2000 У1
|
Расчётные данные
|
Выполнение условия
|
|
Номинальное напряжение, кВ
|
Uа,ном=110
|
Uуст,ном=110
|
110=110
|
|
Номинальный ток, A
|
Iа,ном=2000
|
Iраб,max= 114,8
|
2000>114,8
|
|
Номинальный ток отключения, кА
|
Iо,ном= 40
|
Iп (t=0)= 5,8
|
40>5,8
|
|
Полный ток, кА
|
80,9 9,380,9>9,3
|
|
|
|
Сверхпереходной ток, кА
|
Iпр.ск =40
|
I11=6,9
|
40>6,9
|
|
Ударный ток, кА
|
iпр.ск=102
|
iуд=14,76
|
102>14,76
|
|
Интеграл Джоуля, кА2 сI2т tт 4,8 106Вк= (I11)2 (tрасч+Та) Вк=7,6184,8 106>7,618
|
|
|
|
где Iт и tт - ток термической стойкости и время
протекания тока термической стойкости, для выключателя ВГТ-110II-40/2500ХЛ1,
-
значение содержания апериодической составляющей в отключающем токе, tрасч=(tзащ+tс,В),
т.к защиту еще не выбрали, tс,В= 0,085с, tрасч
0,11 с.
6.2 КРУ
Выбираем ВВД63А-10 на выкатном элементе. Управление выключателем может
быть как дистанционное оперативное, так и ручное неоперативное. В данном
коммутационном аппарате присутствует АПВ для секционных выключателей, для
остальных выключателей в ячейках КРУ АПВ отсутствует.
Производитель ООО «Электроаппарат».
Привод ПМ19, входит в комплект выключателя.
Данный выключатель подходит к ВЭ, который в свою очередь, подходит к
ячейкам К-59.
Так как на вводе силового трансформатора и на отходящих фидерах разные
рабочие максимальные токи, то и параметры выбранного выключателя будут разные.
Определение токов на отходящих фидерах приближённо по второму закону
Кирхгофа
(А)
Не
на всех шинах одинаковое количество отходящих фидеров - на одной шине 3 фидера,
соответственно, токи меньше, но на всех линиях устанавливаем одинаковые
выключатели.
На
вводах силового трансформатора 10 кВ и секционные выключатели -
ВВД63А-10-20/1250-ЭМ19-В-У3;
На
отходящих линиях - ВВД63А-10-20/630-ЭМ19-В-У3
tрасч=(tзащ+tс,В)
Таблица
13 - Технические характеристики ВВД63А-10
|
Каталожные данные
|
Расчётные данные
|
|
|
Наименование параметра
|
На вводах силового трансформатора 10 кВ
|
На отходящих линиях
|
На вводах силового трансформатора 10 кВ
|
На отходящих линиях
|
Выполнение условия
|
|
Номинальное напряжение, кВ
|
Uа,ном=10
|
Uуст,ном=10
|
10=10
|
|
Номинальный ток, A
|
Iа,ном= 1250
|
Iа,ном= 630
|
Iраб,max= 625
|
Iраб,max= 312,5
|
1250>625
630>312,5
|
|
Номинальный ток отключения, кА
|
Iо,ном= 20
|
Iп (t=0)= 1,56
|
20>1,56
|
|
Полный ток, кА
|
19,8 2,619,8>2,6
|
|
|
|
Сверхпереходной ток, кА
|
Iпр.ск =20
|
I11=1,98
|
20>1,98
|
|
Ударный ток, кА
|
iпр.ск=63
|
63>4,09
|
|
|
|
|
|
|
|
Интеграл
Джоуля, кА2
сI2т
tт
Т.к
защиту еще не выбрали, tс,В= 0,08с, tрасч
0,11 с.
7. Выбор разъединителей
На стороне ОРУ-110 кВ выбор разъединителей производится по условиям
выбора выключателей (кроме параметра - ток отключения, так разъединителем можно
производить операции только в бестоковую паузу или при токах намагничивания).
Выбор разъединителей производится только на стороне ВН, так как на стороне НН
роль разъединителей выполняют разъемы КРУ (ячейки выкатные, то видимый разрыв
создается за счет выкатных элементов).
Выбираем разъединитель РГП-3-2-I-110/1250 УЛ1 производства СП ОАО «Узэлектроаппарат - Электрощит»
Таблица 14 - Технические данные РГП-3-2
|
Наименование параметра
|
РГП-3-2-II-110/1250
УЛ1
|
Расчётные данные
|
Выполнение условия
|
|
Номинальное напряжение, кВ
|
Uа,ном=110
|
Uуст,ном=110
|
110=110
|
|
Номинальный ток, A
|
Iа,ном= 1250
|
Iраб,max= 114,8
|
1250>114,8
|
|
Сверхпереходной ток, кА
|
Iпр.ск =
25
|
I11=6,9
|
25>6,9
|
|
Ударный ток, кА
|
iпр.ск=63
|
iуд=14,76
|
63>14,76
|
Интеграл
Джоуля, кА2
сI2т
tт
,875
106Вк= (I11)2
(tрасч+Та)
Выбранный
разъединитель удовлетворяет всем условиям.
Для
данного типа разъединителя предусмотрена фарфоровая изоляция С4-450 I
УХЛ1 и приводы для главных и заземляющих ножей - ПДС и ПР-П(К)-90.
8. Выбор трансформаторов тока
.1 ОРУ-110 кВ
На стороне ОРУ 110 кВ в выключателях нагрузки нет встроенных
трансформаторов тока, следовательно, их нужно выбрать. Выбираем трансформаторы
для наружной установки ТОГФ-110II.
Таблица 15 - Технические данные ТОГФ-110
|
Наименование параметра
|
ТОГФ-110II 0,5S 5/0,5/5P-50-100-200/5 УХЛ1
|
Расчётные данные
|
Выполнение условия
|
|
Номинальное напряжение, кВ
|
Uа,ном=110
|
Uуст,ном=110
|
110=110
|
|
Номинальный первичный ток I1,ном , А
|
I1,ном = 50-100-200
|
Iраб,max= 114,8
|
200>114,8
|
|
Номинальный вторичный ток I2,ном, А
|
I2,ном=5
|
|
|
|
Классы точности вторичных обмоток для измерений
|
0,5
|
|
|
|
Классы точности вторичных обмоток для защиты
|
10Р
|
|
|
|
Номинальная вторичная нагрузка, ВА
|
30
|
|
|
|
Ток электродинамической стойкости, кА
|
Iд=102
|
iуд=14,76
|
102>14,76
|
|
Интеграл Джоуля, кА2 сI2т tт 1,6 106Вк=5,2 1031,6 106>5,2 103
|
|
|
|
Расчетная вторичная нагрузка трансформатора тока состоит из сопротивления
приборов rприб, соединительных проводов rпр и переходного сопротивления
контактов rк
(Ом)
где Sприб - вторичная нагрузка
Таблица 16 - Вторичная нагрузка ТТ
|
Наименование прибора
|
Тип прибора
|
Потребляемая мощность, ВА
|
|
|
фаза А
|
фаза В
|
фаза С
|
|
Амперметр
|
Э-377
|
0,1
|
-
|
-
|
|
Ваттметр регистрирующий
|
Д-335
|
1,5
|
-
|
1,5
|
|
Счетчик активной энергии
|
И-674
|
2,5
|
-
|
2,5
|
|
Счетчик реактивной энергии
|
И-673
|
2,5
|
-
|
2,5
|
|
ИТОГО
|
|
6,6
|
-
|
6,5
|
rк принимается равным 0,05 Ом при
количестве приборов три и менее.
Сопротивление соединительных проводов зависит от их длины и сечения. Для
того чтобы трансформатор тока работал в выбранном классе точности, необходимо
выполнить условие
Из условия
где
=30 ВА,
(Ом)
(Ом)
Зная
, можно определить их сечение
(мм2)
где с - удельное сопротивление материала провода, для алюминия с =0,0283
Ом∙мм2/м;
lрасч - расчетная длина провода, зависящая
от схемы соединения ТТ. При двух ТТ, включенных в неполную звезду (данные
трансформаторы тока устанавливаются на РУВН, перед трансформатором, поэтому не
возникнет большой не симметрии и следовательно, применение схемы включения
«полная звезда» нецелесообразно. Трансформатор тока поставляется со схемой
соединения вторичных обмоток «звезда» . Но по требованию заказчика поставщик
предоставит трансформатор тока с выбранной схемой соединения вторичных
обмоток).
l -
расстояние от ТТ до измерительных приборов. Это расстояние примем l= 85 м.
(м)
Выбираем четырёхжильный контрольный кабель АКРВГ с сечением 2,5 мм2.
По условию механической прочности сечение кабелей не должно быть менее 2 мм2[1.
таблица 2-1-1]
(мм2)
По условию электродинамической стойкости трансформатора тока:
Iд - наибольший пик, Iд =102 кА.
(кА)
По условию термической стойкости:
(кА2
с)
где Iт и tт - ток термической стойкости и время
протекания тока термической стойкости [каталог];
где tрасч=(tзащ+tс,В), принимаем равным 0,11 с
(кА2
с)
Выбранный трансформатор тока удовлетворяет всем условиям.
8.2 КРУ-10 кВ
В ячейки К-59 установим трансформатор тока ТЛК-10. В связи с тем, что
токи на вводах силового трансформатора 10 кВ и в ячейках секционных
выключателей больше, чем токи на отходящих фидерах, будем выбирать разное
исполнение ТЛК-10 по номинальному току первичной обмотки.
Расчет производиться аналогично [предыдущий пункт]
Таблица 17 - Технические данные ТЛК-10
|
Каталожные данные
|
Расчётные данные
|
|
|
Наименование параметра
|
Ввод 10 кВ трансформатора и секционный выключатель
|
Линии 10 кВ
|
Ввод 10 кВ трансформатора и секционный выключатель
|
Линии 10 кВ
|
Выполнение условия
|
|
Номинальное напряжение, кВ
|
Uа,ном=10
|
Uа,ном=10
|
Uуст,ном=10
|
Uуст,ном=10
|
10=10
|
|
Номинальный первичный ток, А
|
I1,ном =1000
|
I1,ном =400
|
Iраб,max= 625
|
Iраб,max= 312,5
|
1000>625 400>312,5
|
|
Номинальный вторичный ток, А
|
I2,ном=5
|
|
|
|
|
Классы точности вторичных обмоток для измерений
|
0,5
|
|
|
|
|
Классы точности вторичных обмоток для защиты
|
10Р
|
|
|
|
|
Номинальная вторичная нагрузка вторичных обмоток, ВА
|
S2ном=10
|
|
|
|
|
Ток электродинамической стойкости, кА
|
Iд=81
|
iуд=4,09
|
|
102>4,09
|
|
Интеграл Джоуля, кА2 с3 1060,8 106Вк=0,4 103Вк=0,14 1033 106>0,43 103 0,77 106>0,14 103
|
|
|
|
|
|
|
|
|
|
|
|
|
Таблица 18 - Потребляемая мощность приборов
|
Наименование прибора
|
Тип прибора
|
Потребляемая мощность, ВА
|
|
|
Ввод 10 кВ трансформатора (количество на ПС - 4)
|
Линии 10 кВ (9)
|
Секционный выключатель (2)
|
|
|
фаза А
|
фаза В
|
фаза С
|
фаза А
|
фаза В
|
фаза С
|
|
|
Амперметр
|
Э-377
|
0,1
|
-
|
-
|
0,1
|
-
|
-
|
0,1
|
|
Ваттметр регистрирующий
|
Д-335
|
1,5
|
-
|
1,5
|
-
|
-
|
-
|
-
|
|
Счетчик активной энергии
|
И-674
|
2,5
|
-
|
2,5
|
2,5
|
-
|
2,5
|
-
|
|
Счетчик реактивной энергии
|
И-673
|
2,5
|
-
|
2,5
|
2,5
|
-
|
2,5
|
-
|
|
ИТОГО
|
|
6,6
|
-
|
6,5
|
5,1
|
-
|
5
|
-
|
(Ом)
rк принимается равным 0,1 Ом при
количестве приборов более трех.
rпр зависит от их длины и сечения.
Для того чтобы трансформатор тока работал в выбранном классе точности,
необходимо выполнить условие
Из
условия
где
=10 ВА,
(Ом)
(мм2)
l - расстояние
от ТТ до измерительных приборов. Это расстояние примем l=4 м для КРУ-10
кВ
(м)
Выбираем
четырёхжильный контрольный кабель АКРВГ с сечением 2,5 мм2.
По
условию механической прочности сечение кабелей не должно быть менее 2 мм2[1.
Таблица 2-1-1]
(мм2)
По условию электродинамической стойкости трансформатора тока:
(кА)
По
условию термической стойкости для трансформатора тока ТЛК-10-4 0,5/10Р 400/5:
(кА2
с)


(кА2
с)
По
условию термической стойкости для трансформатора тока ТЛК-10-4 0,5/10Р 1000/5:
(кА2
с)


(кА2
с)
Выбранные
трансформаторы тока удовлетворяют всем условиям.
трансформатор напряжение релейный подстанция
9. Выбор трансформаторов напряжения
.1 Выбор ТН 10 кВ
Так как на стороне 10 кВ применено КРУ, выбираем трансформатор напряжения
ЗНОЛП-10 (Электротехническая компания ООО "ЭТК "Оникс").
Таблица 19 - Технические данные ЗНОЛП-10
|
Наименование параметра
|
Каталожные данные
|
Расчётные данные
|
Выполнение условия
|
|
Номинальное напряжение, кВ
|
Uа,ном=10
|
Uуст,ном=10
|
10=10
|
|
Номинальное напряжение первичной обмотки, В
|
U1,ном=10000/
|
|
|
|
Номинальное напряжение основной вторичной обмотки, В
|
U2,ном=100/
|
|
|
|
Номинальная мощность основной вторичной обмотки, ВА, в классе
точности 0,5
|
S2,ном=75
|
|
|
|
Предельная мощность вне класса точности, ВА
|
S2,max=630
|
|
|
Для
питания измерительных приборов целесообразно соединение двух однофазных ТН по
схеме открытого треугольника S2=2
S2ном.
Таблица
20 - Вторичная нагрузка трансформатора напряжения на секции 1, 2 и 3
|
Наименование прибора
|
Тип прибора
|
Мощность одной обмотки,
ВА
|
Число
обмоток, k
|
сos sin Число
приборов n
|
Потребляемая мощность
|
|
|
|
|
|
|
|
|
|
P2, Вт
|
Q2, вар
|
|
Счетчик активной энергии
|
И-674
|
7,9
|
2
|
0,38
|
0,925
|
1
|
6
|
14,6
|
|
Счетчик реактивной энергии
|
И-673
|
7,9
|
2
|
0,38
|
0,925
|
1
|
6
|
14,6
|
|
Ваттметр
|
Д-335
|
1,5
|
2
|
1
|
0
|
1
|
3
|
0
|
|
Счетчик активной энергии
|
И-674
|
7,9
|
2
|
0,38
|
0,925
|
2
|
12
|
29,2
|
|
Счетчик реактивной энергии
|
И-673
|
7,9
|
2
|
0,38
|
0,925
|
2
|
12
|
29,2
|
|
Вольтметр
|
Э-335
|
2
|
1
|
1
|
0
|
1
|
2
|
0
|
|
Варметр
|
Д-335
|
1,5
|
1
|
0
|
1
|
3
|
0
|
|
|
|
|
|
|
|
|
|
|
Активная
энергия приборов-
Реактивная
потребляемая энергия приборов-
(ВА)
По
условию (для работы ТН в заданном классе точности 0,5)
(ВА)
Данное
условие выполняется
Таблица
21 - Вторичная нагрузка ТН на секции 4
|
Наименование прибора
|
Тип прибора
|
Мощность обмотки, ВА
|
Число
обмоток, k
|
сos sin Число
приборов nПотребляемая мощность
|
|
|
|
|
|
|
|
|
|
|
|
P2, Вт
|
Q2, вар
|
|
Счетчик активной энергии
|
И-674
|
7,9 ВА
|
2
|
0,38
|
0,925
|
1
|
6
|
14,6
|
|
|
Счетчик реактивной энергии
|
И-673
|
7,9 ВА
|
2
|
0,38
|
0,925
|
1
|
6
|
14,6
|
|
|
Ваттметр
|
Д-335
|
1,5 ВА
|
2
|
1
|
0
|
1
|
3
|
0
|
|
|
Счетчик активной энергии
|
И-674
|
7,9 ВА
|
2
|
0,38
|
0,925
|
3
|
18
|
43,8
|
|
|
Счетчик реактивной энергии
|
И-673
|
7,9 ВА
|
2
|
0,38
|
0,925
|
3
|
18
|
43,8
|
|
|
|
|
|
|
|
|
|
|
|
|
|
|
|
|
|
|
|
|
|
|
|
(ВА)
По
условию (для работы ТН в заданном классе точности 0,5)
(ВА)
Сечение
соединительных проводов от ТН до измерительных приборов
где
- допустимая потеря напряжения во вторичной цепи ТН,
=0,5 % от U2ном при наличии в цепи ТН счётчиков;
l - расстояние
от ТТ до измерительных приборов. Это расстояние примем l=4 м для КРУ-10
кВ
(м)
-
удельная проводимость материала провода, для алюминия
=32 м/Ом∙мм2
Для
соединительных проводов от ТН на шинах 1, 2 и 3
(мм2)
По условию механической прочности сечение соединительных приводов не
должно быть менее 2,5 мм2 для алюминия, поэтому принимаем qпр=2,5 мм2.
Выбираем контрольный кабель АКРВГ с сечением жил 2,5 мм2.
Для соединительных проводов от ТН на шине 4
(мм2)
Выбираем контрольный кабель АКРВГ с сечением жил 2,5 мм2 по
условиям механической прочности.
.2 Выбор предохранителей
Выбираем предохранители, расположенные между сборными шинами низшего
напряжения 10 кВ и трансформатором напряжения, типа ПКТ 101-10-2-12,5 У3.
Таблица 22 - Технические данные ПКТ
101-10-2-12,5 У3
|
Наименование параметра
|
Каталожные данные
|
Расчётные данные
|
Выполнение условия
|
|
Номинальное напряжение, кВ
|
U1ном=10
|
Uа уст=10
|
10=10
|
|
Номинальный ток, А
|
Iном=2
|
Iрабmax=0,11
|
2>0,11
|
|
Номинальный ток отсечки, кА
|
Iном отс=12,5
|
I11=1
|
12,5>1
|
(А)
Выбираем предохранители, расположенные между приборами и трансформатором
напряжения, типа ПН-2 100/31,5 А (низковольтная вторичная цепь ТН)
Таблица 23 - Технические данные ПН-2 100/31,5 А
|
Наименование параметра
|
Каталожные данные
|
Расчётные данные
|
Выполнение условия
|
|
Номинальное напряжение, В
|
U2ном=100
|
Uа уст=100
|
100=100
|
|
Номинальный ток, А
|
Iном=100
|
|
|
|
Ток вставки, А
|
Iном вст=31,5
|
Iрабmax=10,9
|
31,5>10,9
|
(А)
Данные предохранители удовлетворяют условиям.
.3 Выбор ТН 110 кВ
На ОРУ-110 кВ выбираем измерительные трансформаторы напряжения НДКМ-110.
Трансформатор напряжения предназначен для подключения измерительных приборов в
сеть 110 кВ.
Таблица 24 - Технические данные НДКМ-110 УХЛ1
|
Наименование параметра
|
Каталожные данные
|
Расчётные данные
|
Выполнение условия
|
|
Класс напряжения, кВ
|
Uа,ном=110
|
Uуст,ном=110
|
110=110
|
|
Номинальное напряжение первичной обмотки, кВ
|
U1,ном= 110/ √3
|
|
|
|
Номинальное напряжение основной вторичной обмотки №1, кВ
|
U2,ном= 0,1/ √3
|
|
|
|
Номинальное напряжение основной вторичной обмотки №2, кВ
|
U2,ном= 0,1/ √3
|
|
|
|
Номинальная мощность, ВА, основной вторичной обмотки №2 в
классах точности 0,5
|
S2 =200
|
|
|
|
Предельная мощность вне класса точности, ВА
|
S2,max=1200
|
|
|
Для
питания измерительных приборов целесообразно соединение двух однофазных ТН по
схеме открытого треугольника S2=2
S2ном.
Активная
энергия приборов-
Реактивная
потребляемая энергия приборов-
Таблица
25 - Вторичная нагрузка трансформатора напряжения на ОРУ-110 кВ
|
Наименование прибора
|
Тип прибора
|
Мощность одной обмотки,
ВА
|
Число
обмоток, k
|
сos sin Число
приборов nПотребляемая мощность
|
|
|
|
|
|
|
|
|
|
|
P2, Вт
|
Q2, вар
|
|
Счетчик активной энергии
|
И-674
|
7,9 ВА
|
2
|
0,38
|
0,925
|
1
|
6
|
14,6
|
|
|
Счетчик реактивной энергии
|
И-673
|
7,9 ВА
|
2
|
0,38
|
0,925
|
1
|
6
|
14,6
|
|
|
Ваттметр
|
Д-335
|
1,5 ВА
|
2
|
1
|
0
|
1
|
3
|
0
|
|
|
Варметр
|
Д-335
|
1,5 ВА
|
2
|
1
|
0
|
1
|
3
|
0
|
|
|
|
|
|
|
|
|
|
|
|
|
(ВА)
По
условию (для работы ТН в заданном классе точности 0,5)
(ВА)
Сечение
соединительных проводов от ТН до измерительных приборов
l - расстояние
от ТТ до измерительных приборов. Это расстояние примем l= 85 м.
(м)
-
удельная проводимость материала провода, для алюминия
=32 м/Ом∙мм2.
Для
соединительных проводов
(мм2)
Выбираем двухжильный контрольный кабель АКРВГ с сечением жил 2,5 мм2.
10. Ограничители перенапряжений
Выбираем нелинейные ограничители ОПН-110 кВ и ОПН-10 кВ для ОРУ-110 кВ и
КРУ-10 кВ соответственно. [7. Таблица 24]
Таблица 26 - Выбор нелинейных ограничителей
перенапряжений
|
Наименование параметра
|
ОПН-110У1
|
|
Класс напряжения, кВ
|
110
|
|
Номинальное напряжение, кВдейств
|
73
|
|
Напряжение на ограничителях, допустимое в течение времени,
кВдейств · 20 мин · 20 с · 3,5 с · 1,0 с · 0,15 с · 0,12
с
|
88 95 100 105 112 -
|
|
Расчетный ток коммутационного перенапряжения, волна 1,2/2,5
мс, А
|
280
|
|
Остающееся напряжение при расчетном токе коммутационного
перенапряжения, кВ: · не
менее ·
не более · в долях Uф, не более
|
175 190 1,85
|
|
Остающееся напряжение, кВ (не более) при импульсном токе с
длиной фронта волны 8 мкс с амплитудами, А: · 3000 · 5000 · 7000
· 10000 · 15000 · в долях Uф, не более: · 5000 · 10000
|
230 250 - 280 - 2,71
2,42
|
|
Длина пути утечки внешней изоляции, мм, не менее
|
2260
|
|
Пробивное напряжение искрового элемента: · при плавном подъеме напряжения
частоты 50 Гц, кВдейств, не менее · на косоугольной волне при предразрядном времени 800 - 1200
мкс, кВ, не более
|
- -
|
|
Масса, кг
|
115
|
11. Выбор релейной защиты
РЗ силового трансформатора ТРДН-25:
. от повреждений на выводах, а также от внутренних повреждений
(все виды КЗ в обмотках, на выводах) - продольная дифференциальная токовая
защита без выдержки времени
. Защита от замыканий внутри бака маслонаполненных
трансформаторов, сопровождающихся выделением газа, а также от понижения уровня
масла в баках - газовая защита
. Для защиты от перегрузки применяем - максимальная токовая
защита
. от несимметричных КЗ - токовая защита обратной
последовательности и от симметричных КЗ - максимальная токовая защита с
минимальным пуском напряжения.
РЗ линий 10 кВ:
. От многофазных КЗ - мгновенная токовая отсечка;
. От замыканий на землю - максимальная токовая защита.
РЗ линий 110 кВ
. От многофазных КЗ - мгновенная токовая отсечка;
. От замыканий на землю - ДФЗ.
РЗ сборных шин 10 кВ
. От многофазных КЗ - мгновенная токовая отсечка;
. От замыканий на землю - максимальная токовая защита.
РЗ шин 110 кВ
. трехступенчатая дистанционная защита и токовая отсечка от
многофазных КЗ;
. четырехступенчатая токовая направленная защита нулевой
последовательности от замыкания на землю.
Выбор шкафов РЗ
Таблица 27 - Шкафы РЗ
|
Тип шкафа
|
Назначение шкафа
|
К-во шкафов, шт
|
|
ШЭРА-ЛВ110-2001
|
Ступенчатая защита линии 110 кВ Резервная защита и АУВ
линии 110 кВ
|
2
|
|
ШЭРА-ДЗО-2001
|
Дифф. защита ошиновки 110 кВ
|
1
|
|
ШЭРА-С110-3001
|
Защита и автоматика СВ 110 кВ Шинные ТН110кВ-1 и ТН110кВ-2
(ЗМН, АЧР, ЧАПВ)
|
1
|
|
ШЭРА-ТТ-4007
|
Основная защита Т1(Т2); Резервная защита тр-ра и АУВ ввода
110 кВ Т1(Т2) Защита и автоматика ввода 6(10) кВ-1 Т1(Т2) Защита и автоматика
ввода 6(10) кВ-2 Т1(Т2)
|
2
|
|
ШЭРА-РН-2051
|
Регулирование напряжения Т1 и Т2
|
1
|
|
ШЭРА-ЦС-2001
|
Центральная сигнализация
|
1
|
|
ШЭРА-С10-3001
|
Защита и автоматика СВ6(10)кВ-1(2) Шинные ТН6кВ-1(3) и
ТН6кВ-2(4) (ЗМН, АЧР, ЧАПВ)
|
2
|
ЗАО “РАДИУС Автоматика”, все шкафы расположены в ОПУ. КРУ - зона
высоковольтного оборудования, а шкафы РЗ - низковольтная, поэтому расположение
в ОПУ более удобное.
12. Автоматика подстанции
.1 АРВ
Устройство АВР выполняем на секционном выключателе шин НН. При выходе из
строя линии или трансформатора устройство АВР восстанавливает питание. Так как
среди потребителей проектируемой ПС есть потребители первой категории по
надёжности, для которых перерыв электроснабжения допускается лишь на время
автоматического переключения, использование АРВ необходимо.
Рисунок 8 - Принципиальная схема устройств АВР на секционном выключателе,
оборудованным пружинным приводом.
В исходном положении схемы выключатели Q1 и Q3 включены, Q2 отключен,
ключ управления SA находится в положении АВР; реле минимального напряжения KV1
- KV4 и блокировочное реле KB включены. Пружина S привода выключателя Q2
заведена, конечный выключатель SQ незамкнут.
При исчезновении напряжения на 1-й секции шин реле KV1, KV2 теряют
питание, их размыкающие контакты замыкаются и подают питание на реле времени
КТ1, которое срабатывает и создает цепь питания промежуточного реле КL1. Реле
KL1 срабатывает и, воздействуя на катушку отключения YAT1 привода выключателя
Q1, отключает Q1. Вспомогательный контакт SQ1.3 включает катушку включения YAC2
привода выключателя Q2. Пружина освобождается и включает секционный выключатель
Q2. Восстанавливается питание потребителей электроэнергии, присоединенных к 1-й
секции шин.
После включения Q2 для подготовки его к новому действию необходимо с
помощью двигателя М натянуть пружину. Освободившаяся пружина в конце своего
хода замыкает SQ, двигатель М получает питание, натягивает пружину, а SQ
размыкается.
Однократность действия устройства АВР обеспечивается с помощью реле КВ.
При отключении Q1 или Q3 реле KB теряет питание, его замыкающий контакт с
выдержкой времени на размыкание в цепи YAC2 размыкается и YAC2 теряет питание.
Выдержку времени выбирают такой, чтобы обеспечить только одно включение
выключателя Q2.
Аналогично работает данная схема при исчезновении напряжения на 2-й
секции шин.
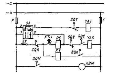
.2 АПВ
АПВ позволяет не выводить линию из работы из-за возникновения
неустойчивых повреждений, которые быстро самоустраняются. Доля неустойчивых
повреждений весьма высока и составляет 50-90 %.
В ПУЭ указано, что устройствами АПВ должны в обязательном порядке
снабжаться все воздушные и кабельно-воздушные линии с рабочим напряжением 1кВ и
выше.
Для двухцепных линиях необходимо устанавливать АПВ на выключателях на
обоих концах линии, так как для таких линий характерно наличие напряжения по
обоим концам линии.
Рисунок 9 - АПВ на двухцепной лини
Для линий U=110 кВ
применяется трёхфазное АПВ однократного включения. Применение АПВ двукратного
действия нецелесообразно, так как при втором повторном включении порядка
процент успешного АПВ очень мал(10- 15%), а стоимость таких АПВ достаточно
велика.
Рисунок 10 - Принципиальная схема однократного АПВ для выключателей с
пружинным приводом
В положении готовности привода (пружины заведены) контакт готовности
привода SQY замкнут. При включении выключателя замкнется специальный
вспомогательный контакт привода SQA, который размыкается только при оперативном
отключении выключателя ключом управления SA или контактом телеуправления (на
рис. 1 не показан). При отключении выключателя релейной защитой замыкаются
вспомогательные контакты выключателя SQC и SQK. При этом создается цепь
несоответствия положения привода и выключателя, необходимая для пуска АПВ:
шинка ~а - оставшийся замкнутым контакт SQA - обмотка реле времени КТ-
замкнувшийся контакт SQK- шинка ~b. Реле времени КТ срабатывает, и через
заданное время замыкается временно замыкающий контакт КТ.1 в цепи
электромагнита включения YAC. К этому моменту в цепи электромагнита включения
YAC все вспомогательные контакты: SQA, SQY, SQC - замкнуты, электромагнит
включения YAC срабатывает и освобождает механизм зацепления, удерживающий
пружины привода в заведенном состоянии.
13. Измерение и учет электроэнергии
.1 Цепь понизительного трансформатора с расщеплённой обмоткой НН
Таблица 28 - Перечень установленных
измерительных приборов
|
Наименование прибора
|
Тип прибора
|
Мощность, ВА
|
|
Амперметр
|
Э-377
|
0,1
|
|
Ваттметр регистрирующий
|
Д-335
|
1,5
|
|
Счетчик активной энергии
|
И-674
|
2,5
|
|
Счетчик реактивной энергии
|
И-673
|
2,5
|
Так как на двухтрансформаторной ПС установлены трансформаторы с
расщеплённой обмоткой, следовательно 4 секции сборных шин, весь перечень
приборов устанавливается на каждом вводе 10 кВ силового трансформатора, то есть
4 набора.
.2 Цепь сборных шин 10 кВ
Таблица 29 - Перечень установленных
измерительных приборов
|
Наименование прибора
|
Тип прибора
|
Мощность, ВА
|
|
Вольтметр
|
Э-335
|
2
|
|
Вольтметр с переключением для измерения трёх фазных
напряжений
|
Э-335
|
2
|
Устанавливаются на каждой шине (4 комплекта приборов).
Цепь секционного выключателя
13.3 Таблица 30 - Перечень
установленных измерительных приборов
|
Наименование прибора
|
Тип прибора
|
Мощность, ВА
|
|
Амперметр
|
Э-335
|
0,5
|
Устанавливается на каждом секционном выключателе (2 комплекта приборов).
.4 Цепь КЛ 10 кВ
Таблица 31 - Перечень установленных
измерительных приборов
|
Наименование прибора
|
Тип прибора
|
Мощность, ВА
|
|
Амперметр
|
Э-335
|
0,5
|
|
Счетчик активной энергии
|
И-674
|
2,5
|
|
Счетчик реактивной энергии
|
И-673
|
2,5
|
Устанавливается на каждой отходящей линии (9 комплектов приборов).
.5 Цепь ВЛ 110 кВ
Таблица 32
- Перечень установленных
измерительных приборов
|
Наименование прибора
|
Тип прибора
|
Мощность, ВА
|
|
Амперметр
|
0,5
|
|
Счетчик активной энергии
|
И-674
|
2,5
|
|
Счетчик реактивной энергии
|
И-673
|
2,5
|
|
Ваттметр
|
Д-335
|
1,5
|
|
Варметр
|
Д-335
|
1,5
|
Устанавливается на каждой линии, подходящей на ПС (2 комплекта).
Амперметр устанавливается один на линию, так как управление осуществляется
всеми фазами одновременно.
13.6 Цепь трансформатора собственных нужд
Таблица 33- Перечень установленных
измерительных приборов
|
Наименование прибора
|
Тип прибора
|
Мощность, ВА
|
|
Амперметр
|
Э-335
|
0,5
|
|
Счетчик активной энергии
|
И-674
|
2,5
|
Устанавливается на стороне ВН и НН. Количество ТСН - 2, поэтому
устанавливается 4 комплекта измерительных приборов.
14. Выбор оперативного тока и источников питания
Вид оперативного тока - переменный ток. Переменный ток используется на
подстанциях напряжением 110кВ, на которой установлены выключатели с пружинными
приводами.
Источником переменного оперативного тока выбираем ТН, присоединённых к
питающим ВЛ.
15. Собственные нужды подстанции
Таблица 34 - Расход СН для ПС 110 кВ
|
Электроприёмники СН
|
Установленная мощность Руст, кВт
|
Количество приёмников
|
Суммарная мощность, кВт
|
|
Электродвигатели обдува трансформатора
|
4
|
2
|
8
|
|
Подогрев выключателя
|
1,5
|
3
|
4,5
|
|
Подогрев выключателя
|
1,75
|
13
|
22,75
|
|
Обогрев шкафов РЗ
|
0,5
|
7
|
3,5
|
|
Обогрев шкафов КРУ
|
0,6
|
19
|
11,4
|
|
Освещение ОРУ 110 кВ
|
|
|
5
|
|
Оперативные цепи
|
|
|
1,8
|
(кВт)
где kс-коэффициент спроса, kc=0,7;
(кВт)
Коэффициент
мощности cos
для всех нагрузок, кроме охлаждения равен 1[3.
Таблица 54]
При двух трансформаторах собственных нужд на подстанции без постоянного
дежурства
(кВА)
Согласно ГОСТ 9680-77Е, S
принимаем равной 40 кВА.
Выбираем ТСКС-40/145/10-У3, "Завод Силовой Электроаппаратуры"
г. Чебоксары.
При выборе схем электрических соединений собственных нужд подстанций
предусматриваются меры, повышающие их надежность: установка на подстанции двух
трансформаторов собственных нужд, секционирование шин собственных нужд.
При выпрямленном токе рекомендуется схема, согласно которой предусматривается
непосредственное подключение трансформаторов собственных нужд к обмоткам
низшего напряжения главных трансформаторов.
Рисунок 11 - Упрощенная схема присоединения ТСН
16. Регулирование напряжения на подстанции
Устройство РПН позволяет регулировать напряжение без разрыва цепи, то
есть без отключения трансформатора. Диапазон регулировки РПН выше, чем ПБВ.
ТРДН уже оборудован РПН.
Рисунок 12 - РПН с токоограничивающим реактором
Предел регулировки - 9х1,78%
17. Выбор и конструкция распредустройств
Выбрана схема РУВН 110-5Н. Данная схема предназначена для тупиковой
двухтрансформаторной ПС с питанием с двух сторон. Данная схема удовлетворяет
требованиям по надёжности за счёт секционирования сети в режиме ремонта
выключателя или при КЗ на одной питающей линии (мостик с выключателями в цепях
трансформаторов и ремонтной перемычкой со стороны трансформаторов). Также
частые выключения трансформаторов не ожидаются, так как в часы минимальных
нагрузок не целесообразно выводить из рабочего режима трансформатор, что также
подтверждает правильность выбора данной схемы.
18. Заземление подстанции
Определяем площадь заземляющего устройства подстанции
(м2)
(Ом
м)
(м)
(Ом
м)
(м)
(м)
(с)
(с)
Естественных заземлителей нет. Ток, стекающий с заземлителей подстанции
при однофазном КЗ, принимаем равным
(кА)
(с)
(В)
[рожкова
7.5]
где
М=0,806 при
L=125
м
Потенциал на заземлителе
(В)
По условию
(кВ)
Сопротивление заземляющего устройства
(Ом)
Действительный план заземляющего устройства преобразуем в расчётную
квадратную модель со стороной
(м)
Число ячеек по стороне квадрата
Принимаем m=1
Длина полос в расчётной модели
(м)
Длина сторон ячейки
(м)
Число вертикальных заземлителей по периметру контура
nв=35
Общая длина вертикальных заземлителей
(м)
Относительная глубина
тогда
,
[3. Таблица76]
Определяем
, тогда
,
Ом
м.
Общее
сопротивление сложного заземлителя
(Ом)
Условие Rз<Rз,доп не выполняется: 1>0,68 Ом.
Найдем напряжение прикосновения
Условие Uпр<Uпр,доп не выполняется: 580>400 В.
Примем меры для снижения Uпр путем расширения заземляющего
устройства за пределы ПС путём использования естественных заземлителей.
На ПС будем использовать естественные заземлители системы трос-опоры
линии 110 кВ общим сопротивлением Rе=2 Ом,
тогда общее сопротивление ЗУ ПС
(Ом)
(В)
Теперь условия Rз<Rз,доп и Uпр<Uпр,доп выполняются.
Определим наибольший допустимый ток, стекающий с заземлителей ПС при
однофазном КЗ
(А)


а б
Рисунок 13 - Заземление подстанции: а - заземляющее устройство ПС; б -
расчётная мдель
19. Молниезащита подстанции
Построение зоны защиты для молниеотвода высотой h<60 м производится
следующим образом. От основания молниеотвода в противоположные стороны
откладываются два отрезка СА' и СВ', равные 0,75h, концы полученных точек А' и
В' соединяют с вершиной О молниеотвода. Далее на молниеотводе на высоте 0,8h
находится точка О', которая соединяется прямой линией с концами отрезков СВ и
СА, равных l,5h.
h -
высота молниеотвода, h=30
м;
,75h=22,5 м;
,8h=24 м;
,5h=45 м;
hx - высота защищаемого объекта,
(силовой трансформатор имеет самую высокую точку на
ПС);
L - расстояние
между молниеотводами в соответствии с планом ПС, в котором молниеотводы
располагаются по углам территории ПС на расстоянии 1 м от ограждения.
Следовательно, L=34-2=32 м, то есть из длины стороны ПС вычитаем
удвоенное расстояние от молниеотводов до ограждения.
При
hx<
(м)
Верхняя граница зоны защиты представляет собой дугу окружности радиуса R,
соединяющую вершины молниеотводов и точку, расположенную на перпендикуляре,
идущем из середины расстояния между молниеотводами на высоте h0.
Величина h0, в метрах, вычисляется по эмпирической формуле:
(м)
h0
находится выше
самой высокой точки, то есть все объекты защищены.
Найдём оптимальную высоту молниеотвода
(м)
При этом в вышеприведенной формуле значение h0 соответствует
значению, вычисленному исходя из необходимой (требуемой) ширины зоны защиты,
величина которой определяется высотой защищаемого сооружения и его размерами в
плоскости, перпендикулярной оси молниеотводов.
Ширина зоны защиты
(м)
при
hx<
.
Рисунок
14 - Схема молниезащиты
Список литературы
1. Правила устройства электроустановок. 6-е изд.- М.: НЦ
ЭНАС, 2000. - 101 с.
2. Правила устройства электроустановок. Раздел 4. 7-е
изд.- М.: НЦ ЭНАС, 2003. - 104 с.
3. Рожкова Л.Д., Карнеева Л.К., Чиркова Т.В.
Электрооборудование электрических станций и подстанций.- М.: ИЦ «Академия»,
2012.- 448 с.
4. Справочник по проектированию электрических сетей /
под ред. Д.Л. Файбисовича. - 4-е изд., перераб. и доп. - М.: ЭНАС, 2012. - 376
с.
5. Ульянов С.А. Электромагнитные переходные процессы в
электрических системах. Учебник для электротехнических и энергетических ВУЗов и
факультетов. - М., "Энергия", 1970.-520с.
. ГОСТ 18410-73. Кабели силовые с пропитанной
бумажной изоляцией. -
М.: Изд-во стандартов, 1982. - 74 с.
. И 34-70-021-85. Инструкция по эксплуатации средств
защиты от перенапряжений. -М.: Союзтехэнерго, 1985. -58 с.
. Славнин М.И. Электрооборудование электрических
станций и трансформаторных подстанций. -М.: Госэнергоиздат, 1963.-550с.