Электрическая подстанция

  • Вид работы:
    Курсовая работа (т)
  • Предмет:
    Физика
  • Язык:
    Русский
    ,
    Формат файла:
    MS Word
    527,75 Кб
  • Опубликовано:
    2013-11-06
Вы можете узнать стоимость помощи в написании студенческой работы.
Помощь в написании работы, которую точно примут!

Электрическая подстанция

Содержание

Введение

. Выбор основного оборудования на проектируемой подстанции

. Выбор схем распределительных устройств

. Расчет токов короткого замыкания

.1 Определение сопротивлений схемы замещения

.2 Расчет токов короткого замыкания в точке К1

.3 Расчет токов короткого замыкания в точке К2

.4 Расчет токов короткого замыкания в точке К3

. Выбор сборных шин

.1 Выбор системы сборных шин на стороне ВН (500 кВ)

.2 Выбор системы сборных шин на стороне НН (10 кВ)

. Выбор оборудования на стороне ВН

.1 Выбор вводного выключателя на стороне ВН

.2 Выбор вводного разъединителя на стороне ВН

.3 Выбор трансформатора тока на стороне ВН

.4 Выбор трансформатора напряжения на стороне ВН

. Выбор оборудования на стороне НН

.1 Выбор вводного выключателя на стороне НН

.2 Выбор секционного выключателя на стороне НН

.3 Выбор линейного выключателя на стороне НН

.4 Выбор вводного трансформатора тока на стороне НН

.5. Выбор линейного трансформатора тока на стороне НН

.6 Выбор трансформатора напряжения на стороне НН

. Выбор трансформаторов собственных нужд и схемы питания потребителей собственных нужд

. Расчет заземляющего устройства ОРУ 500кВ

Введение

электрический подстанция трансформатор замыкание

В наше время вся хозяйственная деятельность построена на использовании электрической энергии. Ни одно производство, ни одно предприятие не может функционировать, не будучи электрифицированным. Поэтому существует необходимость в строительстве новых электроустановок.

Комплекс взаимосвязанного оборудования и сооружений, предназначенный для производства или преобразования, передачи, распределения или потребления электрической энергии, называется электроустановкой.

Электроэнергия, вырабатываемая на электростанции, поступает на электрические подстанции, на которых происходит преобразование электроэнергии по напряжению, частоте или роду тока.

Электрические подстанции - это электроустановки, предназначенные для распределения электроэнергии (распределительные подстанции), преобразования электроэнергии одного напряжения в энергию другого напряжения с помощью трансформаторов (трансформаторные подстанции).

Системой электроснабжения называют совокупность устройств для производства, передачи и распределения электроэнергии. Системы электроснабжения промышленных предприятий создаются для обеспечения питания электроэнергией промышленных приемников, поэтому необходимо, чтобы удовлетворялись основные требования электроприемников, находящихся у потребителей.

Надежность электроснабжения достигается благодаря бесперебойной работе всех элементов энергосистемы и применению ряда технических устройств, как в системе, так и у потребителей: устройств релейной защиты и автоматики, автоматического ввода резерва (АВР) и повторного включения (АПВ), контроля и сигнализации.

Качество электроснабжения определяется поддержанием на установленном уровне значений напряжения и частоты, а также ограничением значений в сети высших гармоник и несинусоидальности и несимметричности напряжений.

Экономичность электроснабжения достигается путем разработки совершенных систем распределения электроэнергии, использования рациональных конструкций комплектных распределительных устройств трансформаторных подстанций и разработки оптимизации системы электроснабжения. На экономичность влияет выбор рациональных напряжений, оптимальных значений сечений проводов и кабелей, числа и мощности трансформаторных подстанций, средств компенсации реактивной мощности.

1. Выбор основного оборудования на проектируемой подстанции

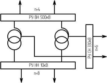
Устанавливаем на подстанции два трансформатора для надежного электроснабжения потребителей первой категории.

Рис.1.1. Структурная схема подстанции

При двух трансформаторах на подстанции мощность каждого из них выбирается по условию:

, [1, 94] (1.1)

где Sрасч - наибольшая нагрузка подстанции на расчетный период, МВА.

, [1, 95] (1.2)

где Рсн - суммарная активная нагрузка распределительного устройства среднего напряжения (СН), МВт;

Рнн - суммарная активная нагрузка распределительного устройства низшего напряжения (НН), МВт;

Qсн - суммарная реактивная мощность распределительного устройства СН, Мвар;

Qнн - суммарная реактивная мощность распределительного устройства НН, Мвар.

Определяем общую активную мощность, протекающую по всем линиям СН и НН:

; (1.3)

, (1.4)

где Рсн/ - мощность, потребляемая одной линией СН, МВт;

Рнн/ - мощность, потребляемая одной линией НН, МВт;

n - количество линий на стороне СН или НН.

 МВт;

 МВт.

Определяем общую реактивную мощность, протекающую по всем линиям СН и НН:

, (1.5)

, (1.6)

где tgjсн =0,62

tgjнн= 0,62

Мвар;

 Мвар.

Определяем расчетную мощность подстанции:

 МВ×А

 МВ×А

Выбираем группу из трёх однофазных автотрансформаторов типа АОДЦТН-167000/500/330/10 кВ, с масляным охлаждением с дутьём и принудительной циркуляцией масла, трех обмоточный с РПН [1,П2.10].

Номинальная мощность данного автотрансформатора:

 (1.7)

МВ∙А

Определяем коэффициент выгодности:

, [1, 93] (1.8)

где Uвн - напряжение на высшей стороне (ВН), кВ;

Uсн - напряжение на СН, кВ.

Типовая мощность равна:

; [1, 94] (1.9)

 МВ×А

Полная мощность на стороне НН:

 [1, 94] (1.10)

 МВ×А

Проверяем загрузку обмотки НН:

 [1, 94] (1.11)

Условие выполняется.

Таблица 1. Параметры автотрансформатора АОДЦТН - 167000/500/330/10 кВ

Тип Автотрансформатора

Номинальная мощность, МВА

Наибольший допустимый ток в общей обмотке, А

номинальное напряжение, кВ

Потери, кВт

Напряжение короткого замыкания, %

Ток холостого хода, %





Рх.х

Короткого замыкания




автотрансформатора

Обмотки НН


ВН

СН

НН


ВН-СН

ВН-НН

СН-НН

ВН-СН

ВН-НН

СН-НН


АОДЦТН- 167000/500/330/10

167

33

345

500/√3

330/√3

10,5

61

300

81

86

9,5

67

61

0.2


2. Выбор схем распределительных устройств

Выбор схемы РУ ВН и РУ СН.

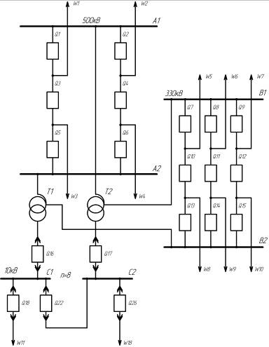
На стороне ВН выбирается схема с двумя системами шин и тремя выключателями на две цепи. Как видно из рис.2 на 4 присоединений необходимо 6 выключателей, т.е. на каждое присоединение необходимо «полтора» выключателя. Для отключения линии W1 необходимо отключить выключатели Q1 и Q3.

В нормальном режиме все выключатели включены, обе системы шин находятся под напряжением. Для ревизии любого выключателя отключают его и разъединители, установленные по обе стороны выключателя. Количество операций для вывода в ревизию - минимальное, разъединители служат только для отделения выключателя при ремонте, никаких операций переключений ими не производят.

Достоинством схемы является то, что при ревизии любого выключателя все присоединения остаются в работе. Другим достоинством полуторной схемы является её высокая надёжность, так как все цепи остаются в работе даже при повреждении на сборных шинах.

Количество необходимых операций разъединителями в течении года для вывода в ревизию поочерёдно всех выключателей, разъединителей и сборных шин значительно меньше, чем в схеме с двумя рабочими и обходной системами шин.

Недостатками схемы 3/2 является:

)отключение к.з. на линии двумя выключателями, что увеличивает общее количество ревизий выключателей;

) удорожание конструкции РУ при нечётном числе присоединений, так как одна цепь должна присоединяться через два выключателя;

) усложнение цепей релейной защиты;

) увеличение количества выключателей в схеме.

Выбор схемы РУ НН.

На стороне НН выбирается схема с одной секционированной системой сборных шин. Схема довольно проста. Достоинством её является то, что операции с разъединителями необходимы только при выводе присоединения в целях безопасного производства работ. Вследствие однотипности и простоты операций с разъединителями аварийность из-за неправильных действий с ними дежурного персонала мала; кроме того, авария на сборных шинах приводит к отключению только одного источника и половины потребителей, вторая секция и все присоединения к ней остаются в работе.

Данные схемы приведены на рис. 2.

Рис. 2. Упрощенная принципиальная схема подстанции 500/330/10 кВ

3. Расчет токов короткого замыкания

Составим схему замещения для расчета токов трехфазных коротких замыканий.

Рис. 3.1. Общая схема замещения подстанции 500/330/10кВ

Расчет будем производить в относительных единицах.

Принимаем базовую мощность

.1 Определение сопротивлений схемы замещения

Определим сопротивление системы:

, [1,131] (3.1)

где  - относительное номинальное сопротивление энергосистемы:

;

 - номинальная мощность энергосистемы, МВА:

;

.

Определим сопротивление ЛЭП:  

, [1,131] (3.2)

где - удельное значение индуктивного сопротивления ЛЭП, Ом/км :

= 0,307 Ом/км для U=500 кВ [1.130];

Uср- среднее значение напряжения на шинах ВН, кВ:

Uср =Uном =500 кВ;

 - длина ЛЭП от энергосистемы до подстанции, км:

.


Определим сопротивление обмоток автотрансформатора:

, [1,129] (3.3)

,  (3.4)

,  (3.5)

где - напряжение короткого замыкания между обмотками ВН и СН  автотрансформатора, %;

 - напряжение короткого замыкания между обмотками СН и НН автотрансформатора, %;

 - напряжение короткого замыкания между обмотками ВН и НН автотрансформатора, %.

;

;

.

Определим сопротивление автотрансформатора в относительных единицах:

, [1,131] (3.6)

где Sном - номинальная мощность автотрансформатора, МВА:

Sном=501 МВА;

;

;


3.2 Расчет токов короткого замыкания в точке К1

Рис. 3.2.Схемы замещения для расчета токов короткого замыкания в точке К1

а) полная схема;

б) упрощенная схема.

Определим эквивалентное сопротивление:


Т.к. x2=x3=x4=x5 то:


;


Определим базовый ток:

, [1,142] (3.6)

где = среднее напряжение короткого замыкания в точке К1, кВ:

= Uном =500 кВ.

Определим начальное значение периодической составляющей тока короткого замыкания в точке К1:

, [1,142] (3.7)

где  - ЭДС системы:

=1 [1,130]

Определим ударный ток системы при коротком замыкании в точке К1:

, [1,148] (3.8)

где - ударный коэффициент:

=1,895 [1,150]

Определим апериодическую составляющую тока короткого замыкания в момент времени t:

, [1,151] (3.9)

где  - время отключения линии при коротком замыкании, с:

 - собственное время отключения выключателя, с:

= 0,017с (для выключателя 3AT2EI-550), [1,630];

 - время срабатывания релейной защиты, с:

=0,01с

;

 - постоянная времени затухания апериодической составляющей тока к.з., с:

=0,06 с [1,150]

Определим периодическую составляющую тока короткого замыкания в момент времени t. Так как система всегда является удаленной от места короткого замыкания, то


3.3 Расчет токов короткого замыкания в точке К2


Рис. 3.3.Схемы замещения для расчета токов короткого замыкания в точке К2

а) полная схема;

б) упрощенная схема.

Определим эквивалентное сопротивление:


;



Определим базовый ток:


где = среднее напряжение короткого замыкания в точке К2,кВ:

= Uном=330 кВ

Определим начальное значение периодической составляющей тока короткого замыкания в точке К2:


Определим ударный ток системы при коротком замыкании в точке К2

,

где =1,78

Определим апериодическую составляющую тока короткого замыкания в момент времени t:


где  - время отключения линии при коротком замыкании, с:

= 0,025с (для выключателей ВГК1-330-40);

=0,01с

;

=0,04 с

Определим периодическую составляющую тока короткого замыкания в момент времени t. Так как система всегда является удаленной от места короткого замыкания, то


.4 Расчет токов короткого замыкания в точке К3

Рис. 3.4.Схемы замещения для расчета токов короткого замыкания в точке К3

а) полная схема;

б) упрощенная схема.

Определим эквивалентное сопротивление:


Определим базовый ток:

,

где  - среднее напряжение короткого замыкания в точке К3, кВ:

= Uном=10,5 кВ

Определим начальное значение периодической составляющей тока короткого замыкания в точке К3:

 

Определим ударный ток системы при коротком замыкании в точке К3:

,

где =1,935

Определим апериодическую составляющую тока короткого замыкания в момент времени t


где  - время отключения линии при коротком замыкании, с:

= 0,045с (для выключателей HD4/GT 12.16.40);

=0,01с

=0,15 с

Определим периодическую составляющую тока короткого замыкания в момент времени t. Так как система всегда является удаленной от места короткого замыкания, то

Результаты расчетов токов к.з. заносим в табл. 3.1.

Таблица 3.1. Расчетные токи короткого замыкания

Точки к.з.

Uном, кВ

In,o, кA

iу, кА

iat, кА

К1 К2 К3

500 330 10,5

4,772 6,014 34,8

12,789 15,734 95,23

4,309 3,545 34,11


4. Выбор сборных шин

.1 Выбор системы сборных шин на стороне высшего напряжения (500 кВ)

Определяем расчетный и максимальный ток на шинах ВН:




 =809,9 А

Так как сборные шины по экономической плотности не выбираются, принимаем сечение по допустимому току:

 [1,233] (4.1)

 [1,233] (4.2)

По табл. П3.3 [1,624] принимаем провод марки АС - 2Ч700/86, с сечением провода q=1400 мм2, наружным диаметром провода d=36,2 мм. и допустимой токовой нагрузкой

Условие по допустимому току выполняется

Сборные шины на электродинамическое действие токов к.з. не проверяем, т.к.  [1,233]

Проверяем сечение на термическое действие тока короткого замыкания:

, [1,220] (4.3)

где  - выбранное поперечное сечение шины, ;

 - минимальное сечение по термической стойкости, :

, [1,191] (4.4)

:

 

где  - время отключения линии при коротком замыкании, с:

= 0,017с

=0,01с

;

 = 0,06 с

с - коэффициент для алюминиевых шин,  :

 [1,192]

Условие проверки на термическое действие выполняется.

Проверка по условиям короны:

При горизонтальном расположении проводов напряженность электрического поля на средней фазе больше на 7%, чем расчетное значение, т.е.

, [1,238] (4.5)

где  - начальная критическая напряженность электрического поля, при котором возникает корона, :

, [1,237] (4.6)

где m - коэффициент, учитывающий шероховатость поверхности провода:

m=0,82 [1,237];

- радиус провода, см:

=1,81 см.

Е - напряженность электрического поля около провода,  

, [1,237] (4.7)

где - число проводов в фазе: ;

- коэффициент, учитывающий число проводов в фазе:

 [1,237] (4.8)

;

- эквивалентный радиус расщеплённых проводов, см:

 [1,237] (4.9)

;

где - расстояние между проводами в расщеплённой фазе, см:

 [1,238];

Dcp - среднее геометрическое расстояние между проводами фаз, расположенными горизонтально, см:

, [1,237] (4.10)

где D - расстояние между соседними фазами, см:

D=900 см [1,237]

Таким образом, провод АС - 2Ч700/86 по условиям короны проходит.

4.2 Выбор шин на стороне низшего напряжения (10 кВ)

Наибольший ток нормального режима на стороне НН:

, [1,214]

где , согласно (1.10)

Наибольший ток ремонтного или послеаварийного режима на стороне НН

 [1,214]

 

Выбираем сечение шин по нагреву (по допустимому току):

;

.

По табл. П3.4 [1,624] выбираем жесткие однополосные алюминиевые шины, прямоугольного сечения:

размеры шин, мм:  100Ч8;

сечение одной полосы, : 800;

масса одной полосы, : 2,16;

допустимый ток, А: 1625.

Условие по допустимому току выполняется.

Проверяем выбранные шины на термическую стойкость при коротком замыкании:

,

где минимальное сечение по термической стойкости при  = 0,15 с, = 0,055с равно:

Условие проверки на термическую стойкость выполняется.

Проверяем шины на электродинамическую стойкость:

f0 , [1,222] (4.11)

где f0 - собственная частота колебательной системы изолятор-шина, Гц:

f0 =200 Гц [1,221];

q - поперечное сечение шины,;

q= 8 см2 [1,625];

J- момент инерции поперечного сечения шины относительности оси, перпендикулярной направлению изгибающей силы,:

при расположении шин плашмя:

, [1.223] (4.12)

где h=10см; b=0,8см;

при расположении шин на ребро:

; [1,223] (4.13)

 - длина пролета между изоляторами, м:

, [1,221] (4.14)

Если шины расположены плашмя, то:

,

тогда:

.

Если шины расположены на ребро, то:

тогда:

.

Вариант расположения шин плашмя позволяет увеличить длину пролета между изоляторами до l=1,58 м, т.е. дает значительную экономию изоляторов, поэтому принимаем расположение шин плашмя.

Проверяем шины на механическую прочность. Шины будут механически прочны, если будет соблюдаться условие:

, [1,222] (4.15)

где  - допустимая величина напряжения, МПа:

[1,224];

 - расчетная величина напряжения, МПа:

 [1,222] (4.16)

где а - расстояние между фазами, м:

а=0,8м, [1,221];

W - момент сопротивления шины относительно оси, перпендикулярной действию усилия, :

 [1,223] (4.17)

,

т.е. шины механически прочны.

5. Выбор оборудования на стороне высшего напряжения

.1 Выбор вводного выключателя на стороне высшего напряжения

Согласно (4.1) и (4.2):

= 404,95 А,

 =809,9А;

Согласно табл.3.:

Предварительно выбранный выключатель 3AT2EI-550 удовлетворяет условиям выбора:

по напряжению установки:

, [1,338] (5.1)

где - напряжение на стороне ВН подстанции, кВ:

= 500кВ;

 - номинальное напряжение выключателя, кВ:

=500кВ.

кВ=500кВ;

по длительному току:

, [1,338] (5.2)

 [1,338] (5.3)

,


Таблица 5.1. Каталожные данные выключателя 3AT2EI-550

, кВ,АIн.откл кА

,%iдин, кА

 Iдин,кА

Iтер, кА

tтер, c

tотк, с

tсв, с




500

2000

40

-

100

40

40

3

0,08

0,017


Проверяем выключатель по отключающей способности:

отключение симметричного тока короткого замыкания:

 [1,338] (5.4)

отключение апериодической составляющей тока короткого замыкания:

, [1,338] (5.5) где  - номинальное значение апериодической составляющей в отключаемом токе для времени t, кА:

 [1,338] (5.6)

где - нормированное значение содержания апериодической составляющей в отключаемом токе для времени t, %

По отключающей способности выключатель проходит.

Проверяем выключатель по включающей способности:

, [1,338] (5.7)

где - номинальный ток включения, кА:

, [1,338]

  

, [1,338] (5.8)

где - наибольший пик тока включения, кА:

, [1,338] (5.9)

По включающей способности выключатель проходит.

Проверяем на электродинамическую стойкость:

, [1,338] (5.10)

где - действующее значение периодической составляющей предельного сквозного тока короткого замыкания, кА

, [1,338] (5.11)

где - ток электродинамической стойкости

Условия электродинамической стойкости выполняются.

Проверяем на термическую стойкость:

, [1,339] (5.12)

где - ток термической стойкости;

, согласно (4.4)

Условие термической стойкости выполняется.

Полученные данные сводим в табл. 5.3.

5.2 Выбор вводного разъединителя на стороне высшего напряжения

Выбираем разъединитель наружной установки с вертикальным движением ножей РГ-500/2000-40 УХЛ1 [1,627].

Таблица 5.2. Каталожные данные разъединителя РГ-500/2000-40 УХЛ1

Uном, кВ

Iном, кВ

, кВIтер кА/tтер, с





Главные ножи

Заземляющие ножи.

500

2000

100

40/2

40/1


Разъединитель удовлетворяет проверке по напряжению установки:

 [1,290] (5.13)

кВ = 500 кВ,

и по длительному току:

 [1,290] (5.14)

 [1,290] (5.15)

,95А < 2000А

,9А < 2000А

Производим проверку по электродинамической стойкости:

 [1,291] (5.16)

где - амплитуда предельного сквозного тока разъединителя, кА: =100кА  

,789кА < 100 кА

Условия электродинамической стойкости выполняются.

Производим проверку по термической стойкости:

, [1,291] (5.17)

где , согласно (4.4)

Условие термической стойкости выполняется.

Полученные данные сводим в табл. 5.3.

Таблица 5.3. Данные выключателя и разъединителя на стороне ВН

Условия выбора

Расчётные данные

Каталожные данные



Выключатель 3AT2EI-550

Разъединитель РГ-500/2000-40 УХЛ1

Uуcт Uном500 кВ500 кВ500 кВ




Iрасч < Iном Imax < Iном

404,95 А 809,9 А

2000 А 2000 А

2000 А 2000 А

In.t. < Iном ia.t. < ia.ном.

4,772 кА 4,538 кА

40 кА 31,11 кА

− −

iу < iвкл In.o. < Iн.отк

12,789 кА 4,772 кА

101,82 кА 40 кА

− −

In.o. < Iдин iу < iдин

4,772 кА 12,789 кА

40кА 100 кА

− −

12,789 кА−100 кА




1,98 кА2с

 4800 кА2с

3200 кА2с



.3 Выбор трансформатора тока на стороне высшего напряжения

Выбираем по [1,632] трансформатор тока типа

ТФРМ - 500 - 3000 - У1 - 0,5/10Р/10Р/10Р, который удовлетворяет условиям выбора:

по напряжению установки:

 [1,373]

кВ = 500кВ

по номинальному току первичной обмотки:

 [1,373]

 [1,373]


Таблица 5.4. Каталожные данные трансформатора тока типа ТФРМ - 500 - 3000 - У1 - 0,5/10Р/10Р/10Р

, кВ, А Аiдин, кАIтер, кАtтер, c, ВА







500

3000

1

120

47

1

40


Проверяем выбранный трансформатор тока на электродинамическую стойкость:

 [1,373]

Условие электродинамической стойкости выполняется.

Проверяем его на термическую стойкость:

, [1,373]

где , согласно (4.4)

Условие термической стойкости выполняется.

Перечень необходимых измерительных приборов принимаем по табл.4.11, [1,364]; типы приборов, их параметры - по табл.П4.7, [1,635] и проводим их в табл.5.5.

Таблица 5.5. Вторичная нагрузка трансформатора тока типа ТФРМ - 500 - 3000 - У1 - 0,5/10Р/10Р/10Р

Прибор

тип

Нагрузка фазы, ВА



А

В

С

Амперметр

Э-335

0,5

0,5

0,5

Ваттметр

Д-335

0,5

-

0,5

Варметр

Д-335

0,5

-

0,5

Счётчик активной энергии

САЗ-И681

2,5

2,5

-

Счётчик реактивной энергии

СР4-И676

-

2,5

2,5

Итого:

4

5,5

4

 

Проверяем выбранный трансформатор по вторичной нагрузке:

, [1,373] (5.18)

где  - номинальная допустимая нагрузка трансформатора тока в выбранном классе точности, Ом;

 - вторичная нагрузка трансформатора тока, Ом.

Так как индуктивное сопротивление токовых цепей очень мало, то принимаем

Определяем расчетную вторичную нагрузку:

, [1,374] (5.19)

где  - сопротивление приборов, Ом:

, [1,374] (5.20)

где  - мощность, потребляемая приборами, ВА:

 = 5,5 ВА;

 - вторичный ток трансформатора, А:

=1А

- сопротивление контактов, Ом:

= 0,1Ом, [1,374]

- сопротивление проводов, Ом.

Сопротивление проводов зависит от их длины и сечения. Чтобы трансформатор работал в выбранном классе точности, необходимо выдержать условие:

 [1,374] (5.21)

следовательно:

,

где 

Определим сечение соединительных проводов:

, [1,374] (5.22)

где - удельное сопротивление провода, :

, [1,374]

- расчетная длина, зависящая от схемы соединения трансформатора, м:

, [1,374]

Для соединения трансформатора тока с приборами выбираем контрольный кабель марки КРВГ, сечением , [1,375]

Определяем действительное сопротивление проводов:


Определяем действительную вторичную нагрузку:

Проверяем условие

Условие выполняется.

Полученные данные внесём в табл.5.6.

Таблица 5.6. Расчетные и каталожные данные трансформатора тока типа ТФРМ - 500 - 3000 - У1 - 0,5/10Р/10Р/10Р

Условия выбора

Расчетные данные

Каталожные данные

500В500В



404,95 А

,9А3000 А

3000 А



12,789 кА120 кА



1,98 кА2с2209 кА2с



6,825 Ом40 Ом




5.4 Выбор трансформатора напряжения на стороне высшего напряжения

По напряжению установки и табл.П4.6, [1,633] выбираем трансформатор напряжения типа НДЕ - 500У1 с классом точности 0,5.

Таблица 5.7. Каталожные данные трансформатора напряжения типа НДЕ - 500У1

Параметры

Каталожные данные

Номинальное напряжение первичной обмотки

500/√3В

Номинальное напряжение основной вторичной обмотки

100/√3В

Номинальное напряжение дополнительной обмотки

100В

Номинальная мощность

300ВА

Максимальная мощность

1200ВА


Перечень приборов, установленных на РУ 500кВ принимаем по табл.4.11, [1,364], их параметры - по табл.П4.7, [1,635]. Полученные данные сведём в табл.5.8.

Таблица 5.8. Вторичная нагрузка трансформатора напряжения типа НДЕ - 500У1

Приборы

Тип

S одной обмотки, ВА

Число обмоток

cosц

Число приборов

Общая потребляемая мощность








Р, Вт

Q, вар

Отходящие линии:

Ваттметр

Д335

1,5

1

1

0

1Ч8

12

0

Варметр

Д335

1,5

1

1

0

1Ч8

12

0

Фиксатор импульсного действия

ФИП

3

1

0,38

0,925

1Ч8

9,12

22,2

Счетчик активной мощности

САЗ-И681

5,26

2

0,38

0,925

1Ч8

15,99

38,92

Счётчик реактивной энергии

СР4 - И689

7,89

2

0,38

0,925

1Ч8

23,99

58,39

Сборные шины:

Регистрирующий частотомер

Н - 397

7

1

1

0

1

7

0

Вольтметр

Э - 335

2

1

1

0

1Ч8

16

0

Регистрирующий вольтметр

Н - 395

10

1

1

0

1Ч8

80

0

Итого:





57

176,1

119,51


Определим суммарную мощность приборов, присоединённых к трансформатору напряжения:

 [1,375] (5.23)

Проверим выбранный трансформатор напряжения:

по напряжению:

 [1,375] (5.24)

по вторичной нагрузке:

, [1,375] (5.24)

где - мощность трансформатора напряжения в заданном классе мощности по табл.П4.6, [1, 634];

так как трансформатор напряжения соединен в звезду, то вместо  берём сумму трёх трансформаторов:


тогда

Условия соблюдаются.

Таким образом, трансформаторы напряжения будут работать в выбранном классе точности 0,5.

Для соединения трансформаторов с приборами принимают контрольный кабель КРВГ с сечением  по условию механической прочности.

6. Выбор оборудования на стороне низшего напряжения

.1 Выбор вводного выключателя на стороне низшего напряжения

Согласно пункту 4.2

= 760,66 А,

 =1521,32 А;

Согласно пункту 3.4:

Предварительно выбранный выключатель HD4/GT 12.16.40 удовлетворяет условиям выбора:

по напряжению установки:

,  

кВ=10кВ;

по длительному току:

 

,


Таблица 6.1. Каталожные данные вводного выключателя HD4/GT 12.16.40

, кВ,АIн.откл

кА,%iдин,

кАIдин,

кАIтер,

кАtтер,

ctотк,

сtсв,

с










10

1600

40

---

125

40

40

3

0,055-0.06

0,045

Проверяем выключатель по отключающей способности:

отключение симметричного тока короткого замыкания:

 

отключение апериодической составляющей тока короткого замыкания:

,

где  - номинальное значение апериодической составляющей в отключаемом токе для времени t, кА:


где =50%, [1,296]

Условие  соблюдается, а условие  нет. В этом случае допускается проверку производить по полному току короткого замыкания:

 [1,338] (6.1)

По полному току выбранный выключатель проходит.

Проверяем выключатель по включающей способности:

,

где - номинальный ток включения, кА:

, [1,338]

 

,  

где - наибольший пик тока включения, кА:

, [1,338]

По включающей способности выключатель проходит.

Проверяем на электродинамическую стойкость:

 

,

  

Условия электродинамической стойкости выполняются.

Проверяем на термическую стойкость:

,

где

Условие термической стойкости выполняется.

Полученные данные сводим в табл. 6.2.

Таблица 6.2. Данные вводного выключателя HD4/GT 12.16.40 на стороне НН

Условия выбора

Расчетные данные

Каталожные данные

Uуcт Uном10 кВ10 кВ



Iрасч < Iном Imax < Iном

760,66 А 1521,32 А

1600 А 1600 А

In.t. < Iном.  38,8 кА

,325 кА40 кА

84,853 кА



iу < iвкл In.o. < Iн.отк

95,23 А 34,8 кА

101,823 кА 40 кА

In.o. < Iдин iу < iдин

34,8 кА 95,23 кА

40 кА 125 кА

248,26 кА2с4800 кА2с




.2 Выбор секционного выключателя на стороне низшего напряжения

Наибольший ток ремонтного или послеаварийного режима на стороне НН для выбора секционного выключателя:


По [2] выбираем выключатель HD4/GT 12.12.40, который удовлетворяет условиям выбора:

по напряжению установки:

,

кВ=10кВ;

по длительному току: 

 

,

Таблица 6.3. Каталожные данные секционного выключателя HD4/GT 12.12.40

, кВ,АIн.откл

кА,%iдин,

кАIдин,

кАIтер,

кАtтер,

ctотк,

сtсв,

с










10

1250

40

---

125

40

40

3

0,055-0,06

0,045


Проверяем выключатель по отключающей способности:

отключение симметричного тока короткого замыкания:

 

отключение апериодической составляющей тока короткого замыкания:

,

где  - номинальное значение апериодической составляющей в отключаемом токе для времени t, кА:


где =50%, [1,296]

Условие  соблюдается, а условие  нет. В этом случае допускается проверку производить по полному току короткого замыкания:


По полному току выбранный выключатель проходит.

Проверяем выключатель по включающей способности:

,

где - номинальный ток включения, кА:

, [1,338]

 

,

, [1,338]

По включающей способности выключатель проходит.

Проверяем на электродинамическую стойкость:

 

,

  

Условия электродинамической стойкости выполняются.

Проверяем на термическую стойкость:


где, - согласно (4.14)


Условие термической стойкости выполняется.

Полученные данные сводим в табл. 6.4.

Таблица 6.4. Данные секционного выключателя HD4/GT 12.12.40 на стороне НН

Условия выбора

Расчетные данные

Каталожные данные

Uуcт Uном10 кВ10 кВ



Imax < Iном

732А

1250 А

In.t. < Iном.  34,8 кА

,325 кА40 кА

84,853 кА



iу < iвкл In.o. < Iн.отк

95,23 А 34,8 кА

101,823 кА 40 кА

In.o. < Iдин iу < iдин

34,8 кА 95,23 кА

40 кА 125 кА

139,27 кА2с4800 кА2с




.3 Выбор линейного выключателя на стороне низшего напряжения

Наибольший ток нормального режима на стороне НН для выбора линейного выключателя:


Наибольший ток ремонтного или послеаварийного режима на стороне НН для выбора линейного выключателя:


По [2] выбираем выключатель HD4/GT 12.12.40, который удовлетворяет условиям выбора:

по напряжению установки:

,

кВ=10кВ;

по длительному току: 

,

,

Таблица 6.5. Каталожные данные линейного выключателя HD4/GT 12.12.40

, кВ,АIн.откл

кА,%iдин,

кАIдин,

кАIтер,

кАtтер,

ctотк,

сtсв,

с










10

1250

40

---

125

40

40

3

0,055-0,06

0,045


Проверяем выключатель по отключающей способности:

отключение симметричного тока короткого замыкания:

 

отключение апериодической составляющей тока короткого замыкания:

,

где  - номинальное значение апериодической составляющей в отключаемом токе для времени t, кА:


где =50%, [1,296]

Условие  соблюдается, а условие  нет. В этом случае допускается проверку производить по полному току короткого замыкания:


По полному току выбранный выключатель проходит.

Проверяем выключатель по включающей способности:

,

где - номинальный ток включения, кА:

, [1,338]

 

,

, [1,338]

По включающей способности выключатель проходит.

Проверяем на электродинамическую стойкость:

 

,

  

Условия электродинамической стойкости выполняются.

Проверяем на термическую стойкость:


где, - согласно (4.14)


Условие термической стойкости выполняется.

Полученные данные сводим в табл. 6.6.

Таблица 6.6. Данные секционного выключателя HD4/GT 12.12.40 на стороне НН

Условия выбора

Расчетные данные

Каталожные данные

Uуcт Uном10 кВ10 кВ



Iрасч < Iном Imax < Iном

122,013 А 244,026 А

1250 А 1250 А

In.t. < Iном.  34,8 кА

,325 кА40 кА

84,853 кА



iу < iвкл In.o. < Iн.отк

95,23 кА 34,8 кА

101,823 кА 40 кА

In.o. < Iдин iу < iдин

34,8 кА 95,23 кА

40 кА 125 кА

139,27 кА2с4800 кА2с




.4 Выбор вводного трансформатора тока на стороне низшего напряжения

Выбираем по [1, 632] трансформатор тока типа

ТЛШ - 10 -2000У3 - 0,5/10Р, который удовлетворяет условиям выбора:

по напряжению установки:

кВ = 10кВ

по номинальному току первичной обмотки:


Таблица 6.7. Каталожные данные трансформатора тока типа ТЛШ - 10 -2000У3 - 0,5/10Р

, кВ, А

Аiдин,

кАIтер,

кАtтер,

c, ВА







10

2000

5

100

31,5

3

20


Проверяем выбранный трансформатор тока на электродинамическую стойкость:

Условие электродинамической стойкости выполняется.

Проверяем его на термическую стойкость:

,

где , согласно пункту 4.2

Условие термической стойкости выполняется.

Перечень необходимых измерительных приборов принимаем по табл.4.11, [1,364]; типы приборов, их параметры - по табл.П4.7, [1,635] и проводим их в табл.6.8.

Таблица 6.8. Вторичная нагрузка трансформатора тока типа ТЛШ - 10 -2000У3 - 0,5/10Р

Прибор

тип

Нагрузка фазы, ВА



А

В

С

Амперметр

Э-335

0,5

0,5

0,5

Ваттметр

Д-335

0,5

-

0,5

Варметр

Д-335

0,5

-

0,5

Счётчик активной энергии

САЗ-И681

2,5

2,5

-

Счётчик реактивной энергии

СР4-И676

-

2,5

2,5

Итого:

4

5,5

4


Проверяем выбранный трансформатор по вторичной нагрузке:

,

где  - номинальная допустимая нагрузка трансформатора тока в выбранном классе точности, Ом;

 - вторичная нагрузка трансформатора тока, Ом.

Так как индуктивное сопротивление токовых цепей очень мало, то принимаем

Определяем расчетную вторичную нагрузку:

,

где  - сопротивление приборов, Ом:


где  - мощность, потребляемая приборами, ВА:

 = 5,5 ВА;   - вторичный ток трансформатора, А:

=5А

- сопротивление контактов, Ом:

= 0,1Ом, [1,374]

- сопротивление проводов, Ом.

Сопротивление проводов зависит от их длины и сечения. Чтобы трансформатор работал в выбранном классе точности, необходимо выдержать условие:

следовательно: ,

где

Определим сечение соединительных проводов:

,

где - удельное сопротивление провода, :

, [1,374]

- расчетная длина, зависящая от схемы соединения трансформатора, м:

, [1,374]

Для соединения трансформатора тока с приборами выбираем контрольный кабель марки КРВГ, сечением , [1,375]

Определяем действительное сопротивление проводов:


Определяем действительную вторичную нагрузку:

Проверяем условие

Условие выполняется.

Полученные данные внесём в табл.6.9.

Таблица 6.9. Расчетные и каталожные данные трансформатора тока типа ТЛШ - 10 -2000У3 - 0,5/10Р

Условия выбора

Расчетные данные

Каталожные данные

10В10В



760,66А

,32А2000А

2000А



95,23 кА100кА



248,26 кА2с2976,75кА2с



0,368Ом0,8Ом




6.5 Выбор линейного трансформатора тока на стороне низшего напряжения

Наибольший ток нормального режима на стороне НН для выбора линейного выключателя:


Наибольший ток ремонтного или послеаварийного режима на стороне НН для выбора линейного выключателя:


Выбираем по [1,632] трансформатор тока типа

ТЛМ - 10 - 600У3 - 0,5/10Р, который удовлетворяет условиям выбора:

по напряжению установки:

кВ = 10кВ

по номинальному току первичной обмотки:


Таблица 6.10. Каталожные данные трансформатора тока типа ТЛМ - 10 - 600У3 - 0,5/10Р

, кВ, А Аiдин, кАIтер, кАtтер, c, ВА







10

600

5

100

23

3

10


Проверяем выбранный трансформатор тока на электродинамическую стойкость:

Условие электродинамической стойкости выполняется.

Проверяем его на термическую стойкость:

,

где , согласно пункту 5.2

 

Условие термической стойкости выполняется.

Перечень необходимых измерительных приборов принимаем по табл.4.11, [1,364]; типы приборов, их параметры - по табл.П4.7, [1,635] и проводим их в табл.6.11.

Таблица 6.11. Вторичная нагрузка трансформатора тока типа ТЛМ - 10 - 600У3 - 0,5/10Р

Прибор

тип

Нагрузка фазы, ВА



А

В

С

Амперметр

Э-335

0,5

-

0,5

Счётчик активной энергии

САЗ-И681

2,5

-

2,5

Счётчик реактивной энергии

СР4-И676

2,5

-

2,5

Итого:

5,5

-

5,5


Проверяем выбранный трансформатор по вторичной нагрузке:

,

где  - номинальная допустимая нагрузка трансформатора тока в выбранном классе точности, Ом;

 - вторичная нагрузка трансформатора тока, Ом.

Так как индуктивное сопротивление токовых цепей очень мало, то принимаем

Определяем расчетную вторичную нагрузку:

,

где  - сопротивление приборов, Ом:


где  - мощность, потребляемая приборами, ВА:

 = 5,5 ВА; 

 - вторичный ток трансформатора, А:

=5А

- сопротивление контактов, Ом:

= 0,1Ом, [1,374]

- сопротивление проводов, Ом.

Сопротивление проводов зависит от их длины сечения. Чтобы трансформатор работал в выбранном классе точности, необходимо выдержать условие:


следовательно:

,

где 

Определим сечение соединительных проводов:


где - удельное сопротивление провода, :

, [1,374]

- расчетная длина, зависящая от схемы соединения трансформатора, м:

, [1,374]

 

Для соединения трансформатора тока с приборами выбираем контрольный кабель марки КРВГ, сечением 2,5, [1,375]

Определяем действительное сопротивление проводов:


Определяем действительную вторичную нагрузку:

Проверяем условие

Условие выполняется.

Полученные данные внесём в табл.6.12.

Таблица 6.12 Расчетные и каталожные данные трансформатора тока типа ТЛМ - 10 - 600У3 - 0,5/10Р

Условия выбора

Расчетные данные

Каталожные данные

10 В10 В



190,165 А

,33 А600 А

600 А



95,23 кА100 кА



248,26 кА2с1587 кА2с



0,368 Ом0,4 Ом




.6 Выбор трансформатора напряжения на стороне низшего напряжения

По напряжению установки и табл.П4.6, [1,633] выбираем трансформатор напряжения типа НОМ - 10 - 66 - У3 с классом точности 0,5.

Таблица 6.13. Каталожные данные трансформатора напряжения типа НОМ-10-66-У3

Параметры

Каталожные данные

Номинальное напряжение первичной обмотки

10В

Номинальное напряжение основной вторичной обмотки

100В

Номинальное напряжение дополнительной обмотки

-

Номинальная мощность

75ВА


Перечень приборов, установленных на РУ 10кВ принимаем по табл.4.11, [1,364], их параметры - по табл.П4.7, [1,635]. Полученные данные сведём в табл.6.14.

Таблица 6.14. Вторичная нагрузка трансформатора напряжения типа НОМ - 10 - 66 - У3

Приборы

Тип

S одной обмотки, ВА

Число обмоток

cosц

sinц

Число приборов

Общая потребляемая мощность








Р, Вт

Q, вар

Отходящие линии:

Счетчик активной мощности

САЗ-И681

5,26

2

0,38

0,925

6

24

58,39

Счётчик реактивной энергии

СР4-И689

7,9

2

0,38

0,925

6

36,02

87,69

Сборные шины:

Вольтметр

Э - 335

2

1

1

0

1

2

0

Вольтметр пофазный

Э - 335

2

1

1

0

1

2

0

Регистрирующий вольтметр

Н - 395

10

1

1

0

1

10

0

Автотрансформатор:

Варметр

Д - 335

1,5

1

1

0

1

1,5

0

Ваттметр

1,5

1

1

0

1

1,5

0

Счетчик активной мощности

САЗ-И681

5,26

2

0,38

0,925

1

2

9,74

Счётчик реактивной энергии

СР4-И689

7,9

2

0,38

0,925

1

2

14,61

Итого:





19

79,02

170,43


Определим суммарную мощность приборов, присоединённых к трансформатору напряжения:

 

Проверим выбранный трансформатор напряжения:

по напряжению:

 

по вторичной нагрузке:

где - мощность трансформатора напряжения в заданном классе мощности по табл.П4.6, [1,634]; так как трансформатор напряжения однофазный, то вместо  берём сумму трёх трансформаторов:

Тогда

Условия соблюдаются.

Таким образом, трансформаторы напряжения будут работать в выбранном классе точности 0,5.

Для соединения трансформаторов с приборами принимают контрольный кабель КРВГ с сечением  по условию механической прочности.

7. Выбор трансформаторов собственных нужд и схемы питания потребителей собственных нужд

Согласно указаниям [1,474] принимаем для двухтрансформаторной подстанции 500 кВ два трансформатора собственных нужд. Так же для подстанции принимаем постоянный оперативный ток. Трансформаторы собственных нужд присоединяются к сборным шинам 10 кВ. По табл.П6.1 [1,639] и табл. П6.2.1 [1,640] определяем суммарную нагрузку собственных нужд и сводим в табл.7.

Таблица 7. Нагрузка собственных нужд подстанции 500/330/10

Вид потребителя собственных нужд

Установленная мощность

cosц

tgц

Нагрузка


Ед.кВт´кол

Всего кВт



Pуст, кВт

Qуст, квар

Охлаждение автотрансформатора  АОДЦТН - 167000/500/330

29,6´2

59,2

0,85

0,62

50,32

36,704

Подогрев шкафов КРУ-10

1Ч6

6

1

0

6

-

Отопление, освещение, вентиляция: ОПУ ЗРУ 10 кВ

 110Ч1 6Ч1

 110 6

 1 1

 0 0

 110 6

 - -

Освещение ОРУ 500 кВ

10Ч1

10

1

0

10

-

Подзарядно - зарядный агрегат ВАЗП

 2Ч23

 46

 1

 0

 46

 -

Маслохозяйство

1Ч300

300

1

0

300

-

Итого:

-

-

-

-

528,32

36,704

 

Расчетная полная мощность потребителей собственных нужд:

, [1,475] (7.1)

где  - коэффициент спроса, учитывающий коэффициенты загрузки и одновременности:

=0,8, [1,475]

.

8. Расчет заземляющего устройства ОРУ 500кВ.

Производим расчёт заземляющего устройства ОРУ 500 кВ площадью 190´80 м

Рис. 8. Упрощенная схема заземляющего устройства

Определим удельное сопротивление грунта:

верхний слой грунта - чернозем  ;

нижний - глина .

Определим глубину верхнего слоя почвы:

 [1,589]

Определим глубину залегания заземления:

 [1,589]

Определим высоту вертикальных заземлений:

 

Расстояние между вертикальными заземлителями:

 [1,593]

Определим длительность прохождения тока через тело человека:

, [1,597] (8.1)

где - время срабатывания релейной защиты, с:

=0,01с, [1,600]

- время отключения выключателя 3AT2EI-550, с:

=0,017с;

Принимаем допустимое напряжение прикосновения по длительности протекания тока через тело:

 [1,596]

Определим по плану OPУ длину горизонтальных заземлений:

 [1,592] (8.2)

Действующий план преобразуем в расчетную квадратную модель со стороной:

 [1,601] (8.3)

Определим число вертикальных заземлений по периметру контура:

 [1,601]

Число вертикальных заземлений:

 [1,601] (8.4)

Принимаем =50.

Общие длины вершин заземлителей:

 [1,601] (8.5)

Относительная глубина:

 [1,599]

Общее сопротивление сложного заземления:

, [1,599] (8.6)

где  , [1,599] (8.7)

т.к.

;

 - эквивалентное сопротивление земли, Ом∙м:

По табл. 7.6 [1,599] определяем

т. к. ;

;

;

следовательно

 

Определим коэффициент напряжения прикосновения:

 [1,598] (8.8)

где М - параметр, зависящий от :

М=0,62, [1,598]

 - коэффициент, определяемый по сопротивлению тела человека и  сопротивлению протекания тока от ступней:

, [1,598] (8.9)

где  - сопротивление тела человека, Ом:

, [1,598]

 - сопротивление протекания тока от ступней, Ом:

 [1,598] (8.10)

Определим напряжение на заземлении:

 [1,598] (8.11)

 

Должно соблюдаться условие:

 

Условие выполняется.

Определим ток замыкания:

 [1,601] (8.12)

Определим сопротивление заземляющего устройства:

 [1,598] (8.13)

Должно соблюдаться условие:

 

Условие выполняется.

Определим напряжение прикосновения:

 [1, 601] (8.14)

Должно соблюдаться условие:

 

Условие выполняется.

Похожие работы на - Электрическая подстанция

 

Не нашли материал для своей работы?
Поможем написать уникальную работу
Без плагиата!
Без нейросетей!