Исследование электрической схемы подстанции 220/110/35/6 'Лена'
ВВЕДЕНИЕ
Целью настоящего проекта является исследование электрической схемы
подстанции 220/110/35/6 Лена. Это подразумевает то, что перерасчет и
перепроверка элементов подстанции производится на основании действующих в
настоящее время нормативно-технических документов, чтобы затем установить
различия с расчетной схемой и схемой, имеющейся на данный момент. Но также
исследование подразумевает нахождение каких-либо недостатков схемы и
предложение возможных вариантов их исключения.
Питание подстанции производится двумя линиями 220 кВ от подстанции
Коршуниха и подстанции Якурим. На подстанции установлены два автотрансформатора
связи с внешней системой мощностью 63 МВА. Обслуживание подстанции осуществляет
постоянный дежурный персонал. Для расчета электрической нагрузки на подстанции
в дипломном проекте использованы данные, полученные на основании контрольных
замеров в период зимнего максимума за 2006 и 2007 годы. Данный расчет
электрической нагрузки позволит определить степень загруженности силовых
автотрансформаторов.
Подстанция Лена находится в процессе модернизации, поэтому в данном
проекте целесообразно проверять как уже новое установленное, так и предлагаемое
к установке оборудование. Таким образом, тема дипломного проекта актуальна.
Проверка силового оборудования распределительных устройств высокого, среднего и
низкого напряжения подстанции приведена в пятом разделе проекта, где для
проверки на термическую и динамическую устойчивость были использованы токи
короткого замыкания, для расчета которых использована программа «GTCURR». Расчет токов короткого замыкания
приведен в четвертом разделе проекта.
Расчет параметров релейной защиты одного из рекомендуемых к установке
автотрансформаторов мощностью 125 МВА производится в шестом разделе дипломного
проекта.
В специальном вопросе дипломного проекта разработана универсальная
физическая модель для испытания компьютерных защит. В основу физической модели
положена линия электропередачи, напряжением 35 кВ.
1. ОБЩАЯ ХАРАКТЕРИСТИКА ОБЪЕКТА ПРОЕКТИРОВАНИЯ
.1 Общие сведения о подстанции «Лена»
Подстанция «Лена» была построена в 1975г для электроснабжения
строительства и эксплуатации Байкало-Амурской железнодорожной магистрали,
потребителей Усть-Кутского и Киренского районов и города Усть-Кута. Она
предназначена для дальнейшего распределения электроэнергии, связана линиями
электропередачи с подстанциями Осетрово, Усть-Кут, Подымахино, Причал, Лесная,
Нефтебаза.
Подстанция «Лена» является структурным подразделением Северных
электрических сетей. Располагается подстанция в городе Усть-Куте Иркутской
области, на северной его окраине.
В настоящее время подстанция «Лена» используется на напряжения 220, 110,
35 и 6 кВ. Основные потребители, запитанные от подстанции «Лена» по степени
надежности относятся ко всем категориям надежности (I категория - 10 %, II категория - 50 %, III
категория - 40%).
Первая категория - электроприемники, нарушение электроснабжения которых
может повлечь за собой опасность для жизни людей, значительный ущерб народному
хозяйству, нарушение функционирования особо важных элементов городского
хозяйства и т.п. Эти электроприемники должны обеспечиваться электроэнергией от
двух независимых источников питания, и перерыв в их электроснабжении может быть
допущен только на время автоматического ввода резервного питания.
Питание особой группы потребителей 1 категории вообще не допускает
перерыва даже на время АВР и требует установки третьего независимого источника.
К таким источникам могут относиться специальные аккумуляторные батареи,
инерционные установки, местные электростанции и т.д.
Вторая категория - электроприемники, перерыв электроснабжения которых
связан с массовым недоотпуском продукции, простоем рабочих, механизмов и т.п.
Эти электроприемники рекомендуется обеспечивать электроэнергией от двух
независимых источников питания, при этом допустим перерыв электроснабжения на
время, необходимое для включения резервного питания дежурным персоналом или
выездной бригадой.
Третья категория - все остальные электроприемники. Электроснабжение этих
электроприемников может выполняться от одного источника питания при условии,
что перерывы электроснабжения, необходимые для ремонта или замены поврежденного
элемента сети, не превышают 1 суток.
1.2 Описание района размещения подстанции
Подстанция расположена в зоне резко континентального климата:
абсолютный минимум - минус 54ºС;
абсолютный максимум - 38 ºС;
скорость ветра повторяемостью раз в 5 лет - 23 м/сек;
район по гололедности - I;
толщина стенки гололеда - 15 мм;
глубина сезонного промерзания грунта - 3 м.
сейсмичность площадки подстанции - 6 баллов.
число грозовых часов в году - до 40 часов
1.3 Электрическая схема подстанции
Электрическая часть подстанции включает в себя разнообразное основное и
вспомогательное оборудование. К основному оборудованию, предназначенному для
передачи и распределения электроэнергии, относятся:
сборные шины, предназначенные для приема электроэнергии и распределения
ее к потребителям;
коммутационные аппараты;
выключатели, предназначенные для включения и отключения цепей в
нормальных и аварийных условиях;
разъединители, предназначенные для снятия напряжения с обесточенных
частей электроустановок и для создания видимого разрыва цепи.
Вспомогательное оборудование предназначено для выполнения функций
измерения, сигнализации, защиты и автоматики и т.д.
На подстанции «Лена» установлено следующее оборудование:
два автотрансформатора АТДЦТН - 63000/220 с устройством РПН;
два трансформатора ТДТН-25000/110;
один трансформатор ТРДН-40000/110/6/6;
высоковольтные выключатели:
сторона 220 кВ: У-220-2000-У1;
сторона 110 кВ: МПК-110м-1000;
сторона 35 кВ: ВМД-35-630;
сторона 6 кВ: ВМПЭ-10-3000, BB/TEL-10-630, BB/TEL-10-1600
разъединители РНДЗ-220 (110)-1000, РЛНД-35-630;
разрядники вентильные;
ограничители перенапряжений;
трансформаторы напряжения;
трансформаторы тока;
устройства релейной защиты и автоматики;
устройства ВЧ-связи.
Схема электрических соединений подстанции должна обеспечивать надежное
электроснабжение присоединенных потребителей и надежный транзит мощности через
подстанцию в нормальных, ремонтных и послеаварийных режимах. Главными
признаками, определяющими тип подстанции, являются её местоположение,
назначение и роль в энергосистеме, число и мощность установленных
трансформаторов, их тип и высшее напряжение.
Схема электрических соединений распределительного устройства 220 кВ -
«Мостик с выключателями в цепях автотрансформаторов и ремонтной перемычкой со
стороны линий». На стороне 110 кВ - «схема с двойной системой шин и обходной».
На стороне 35 и 6 кВ - «одна рабочая, секционированная выключателем, система
шин».
1.4 Схема внешнего электроснабжения подстанции
Сети, обслуживаемые подстанцией, делятся на питающие и распределительные.
Питающие сети предназначены для передачи электроэнергии от подстанции
системообразующей сети подстанциям других районов и используются на напряжение
110-220 кВ. Питание подстанции «Лена» осуществляется по двум линиям 220 кВ от
подстанции «Коршуниха» и подстанции «Якурим». В свою очередь подстанции
«Коршуниха» и «Якурим» получают питание в основном от Усть-Илимской ГЭС.
Питающие линии 220 кВ присоединены к шинам ОРУ-220 кВ. С ОРУ-220 кВ через
два автотрансформатора АТ-1 и АТ-2 получает питание ОРУ-110 кВ, которое также
имеет присоединения воздушными линиями напряжением 110 кВ: на подстанцию
«Осетрово» - 2 линии; на подстанцию «Усть-Кут» - 1 линия; на подстанцию
«Подымахино» - 1 линия; на подстанцию «Причал» - 1 линия.
Распределительные сети предназначены для передачи электроэнергии на небольшие расстояния
от шин 6-35 кВ к промышленным, городским и сельским потребителям. С ОРУ-35 кВ
электроэнергия распределяется по воздушным линиям на такие городские ТП: Город;
Нефтебаза; Лесная. С РУ-6 кВ электроэнергия распределяется: на Больничный
комплекс, Стадион, Судоверфь, ТП-1-4 и т.д.
2. ОПРЕДЕЛЕНИЕ РАСЧЕТНЫХ НАГРУЗОК
Важнейшей предпосылкой рационального выбора электроснабжения является
правильное определение расчетных нагрузок, в зависимости от которых
устанавливаются параметры всех элементов подстанции.
Электрическая нагрузка - величина, характеризующая потребление мощности отдельными
приемниками или потребителями электроэнергии. При проектировании и эксплуатации
систем и сетей основными являются три вида нагрузок: активная мощность,
реактивная мощность и ток.
В практике проектирования систем электроснабжения применяют различные
методы определения электрических нагрузок, которые подразделяются на основные и
вспомогательные. В первую группу входят методы расчета по:
установленной мощности и коэффициенту спроса. Определение расчетной
силовой нагрузки по установленной мощности и коэффициенту спроса является
приближенным методом расчета, поэтому его применение рекомендуют для
предварительных расчетов и определения общезаводских нагрузок;
средней мощности и отклонению расчетной нагрузки от средней (статический
метод). Статический метод позволяет определить расчетную нагрузку с любой
принятой вероятностью ее появления. Применение этого метода целесообразно
определения нагрузок по отдельным группам и узлам приемников электроэнергии
напряжением до 1кВ;
средней мощности и коэффициенту формы графика нагрузок, данный метод
может применяться для определения расчетных нагрузок цеховых шинопроводов, на
шинах низшего напряжения цеховых трансформаторных подстанций, на шинах РУ-10кВ;
средней мощности и коэффициенту максимума (метод упорядоченных диаграмм).
В методе упорядоченных диаграмм принята допустимая для инженеров погрешность,
равная 10%. Однако на практике она составляет 20-40% и поэтому применение
данного метода требует тщательного анализа исходных данных и результатов
расчета.
Вторая группа включает в себя методы расчета по:
удельному расходу электроэнергии на единицу продукции при заданном объеме
выпуска продукции за определенный период времени (используется для определения
нагрузок ряда приемников характеризующихся неизменными или малоизменяющимися
графиками нагрузок (электроприводы вентиляторов, насосов, преобразовательных
агрегатов, печи сопротивления и другие));
удельной нагрузке на единицу производственной площади. Целесообразно
применять для определения расчетной нагрузки на стадии проектного задания, при
технико-экономическом сравнении вариантов, а также для других ориентировочных
расчетов.
Нагрузки существующих предприятий допускается принимать по данным фактических
замеров, с учетом планов развития предприятия и естественного увеличения
нагрузок.
В данном проекте для дальнейших расчетов нагрузки принимаем по данным
контрольных замеров в часы пик зимнего периода за 2006-2007 годы. Данные о
нагрузках приведены в таблице 2.1.
Таблица 2.1
Максимальная нагрузка трансформаторов за 2007 год.
|
Наименование присоединений
|
Номинальная мощность
|
ΔР, МВт
|
ΔQ,
МВар
|
U, кВ
|
Р, МВт
|
Q, МВар
|
S, МВА
|
I, А
|
|
1
|
2
|
3
|
4
|
5
|
6
|
7
|
8
|
9
|
|
АТ-1 обм 220 обм 110 обм 10
|
63
|
0,098
|
3,495
|
224
|
42,1
|
19,5
|
46,4
|
120
|
|
63
|
-
|
-
|
113
|
42
|
16
|
44,9
|
230
|
|
-
|
-
|
-
|
-
|
-
|
-
|
-
|
откл
|
|
АТ-2 обм 220 обм 110 обм 10
|
63
|
0,119
|
2,544
|
226
|
33,2
|
14,7
|
36,3
|
93
|
|
63
|
-
|
-
|
116
|
33
|
12
|
35,1
|
175
|
|
-
|
-
|
-
|
-
|
-
|
-
|
-
|
откл
|
|
Т-3 обм 110 обм 35 обм 6
|
25
|
0,031
|
0,917
|
113
|
12,8
|
6,1
|
14,2
|
72
|
|
25
|
-
|
-
|
36
|
2,2
|
1,3
|
2,5
|
40
|
|
25
|
-
|
-
|
6,2
|
10,5
|
3,8
|
11,21
|
1044
|
|
Т-4 обм 110 обм 35 обм 6
|
25
|
0,119
|
0,355
|
116
|
8,1
|
5
|
9,5
|
47
|
|
25
|
-
|
-
|
36,2
|
8,1
|
4,6
|
9,26
|
148
|
|
25
|
-
|
-
|
6,2
|
-
|
-
|
-
|
откл
|
|
Т-5 обм 110 обм 6 обм 6
|
40
|
0,016
|
0,568
|
116
|
7,4
|
2,9
|
7,9
|
39
|
|
20
|
-
|
-
|
6,1
|
7,3
|
2,2
|
7,66
|
725
|
|
20
|
-
|
-
|
6,1
|
-
|
-
|
-
|
откл
|
Таблица 2.2.
Максимальная нагрузка трансформаторов за 2006 год.
|
Наименование присоединений
|
Номинальная мощность
|
ΔР, МВт
|
ΔQ,
МВар
|
U, кВ
|
Р, МВт
|
Q, МВар
|
S, МВА
|
I, А
|
|
АТ-1 обм 220 обм 110 обм 10
|
63
|
0,081
|
2,887
|
230
|
45,03
|
23,08
|
50,6
|
127
|
|
63
|
-
|
-
|
116
|
44,9
|
22
|
50
|
250
|
|
-
|
-
|
-
|
-
|
-
|
-
|
-
|
откл
|
|
АТ-2 обм 220 обм 110 обм 10
|
63
|
0,095
|
2,022
|
228
|
43,25
|
22,17
|
48,6
|
123
|
|
63
|
-
|
-
|
115
|
43,1
|
20,5
|
47,7
|
239
|
|
-
|
-
|
-
|
-
|
-
|
-
|
-
|
откл
|
|
Т-3 обм 110 обм 35 обм 6
|
25
|
0,017
|
0,49
|
116
|
8,7
|
4,8
|
9,9
|
50
|
|
25
|
-
|
-
|
36,3
|
1,1
|
0,8
|
1,3
|
21
|
|
25
|
-
|
-
|
6,4
|
7,5
|
3,4
|
8,27
|
746
|
|
Т-4 обм 110 обм 35 обм 6
|
25
|
0,022
|
0,42
|
116
|
8,4
|
6,1
|
10,4
|
53
|
|
25
|
-
|
-
|
36,5
|
8,4
|
5,6
|
10,07
|
159
|
|
25
|
-
|
-
|
6,4
|
-
|
-
|
-
|
откл
|
|
Т-5 обм 110 обм 6 обм 6
|
40
|
0,016
|
0,568
|
116
|
7,4
|
2,9
|
7,9
|
40
|
|
20
|
-
|
-
|
6,2
|
7,3
|
2,2
|
7,66
|
713
|
|
20
|
-
|
-
|
6,2
|
-
|
-
|
-
|
Анализируя данные, представленные в таблицах 2.1 - 2.2, видно, что
максимальная нагрузка составляет 99,2 МВА. В недалеком будущем к подстанции
«Лена» планируется подключение ряда новых потребителей, таких как
нефтеперекачивающая станция, лесоперерабатывающий комплекс. По предварительным
подсчетам мощность перспективной нагрузки будет составлять 51 МВА.
Следовательно, суммарная нагрузка, присоединенная к шинам 110 кВ, составляет
150,2 МВА.
3. ВЫБОР ЧИСЛА И МОЩНОСТИ АВТОТРАНСФОРМАТОРОВ ПОДСТАНЦИИ
Выбирая трансформаторы связи с системой, необходимо учитывать требования
надежности станции с системой электроснабжения потребителей. Трансформаторы
связи должны обеспечивать надежную работу станции, как в нормальном, так и в
режиме отключения одного из трансформаторов для планово-предупредительного
ремонта и в аварийном режиме. Обычно для связи с системой устанавливают
несколько трансформаторов.
В качестве трансформаторов связи на подстанции «Лена» установлены два
автотрансформатора связи с системой. Их параметры приведены в табл. 3.1.
Таблица 3.1.
Установленные
автотрансформаторы.
|
Тип и мощность тр-ров МВА
|
Напряж. обм., кВ
|
Потери, кВт
|
Uкз %
|
Iхх, %
|
|
ВН
|
СН
|
НН
|
Рхх
|
Ркз
|
ВН-СН
|
ВН-НН
|
СН-НН
|
|
|
|
|
|
А
|
Б
|
ВН-СН
|
ВН-НН
|
СН-НН
|
|
|
|
|
|
АТДЦТН-63
|
230
|
121
|
11
|
37
|
45
|
200
|
160
|
140
|
11
|
35
|
22
|
0,5
|
В настоящий момент автотрансформаторы подстанции «Лена» работают с
коэффициентом загрузки:
где
- максимальная нагрузка подстанции, МВА;
-
номинальная мощность автотрансформатора, МВА;
-
количество трансформаторов.
Коэффициент
загрузки в аварийном режиме:
Следует
отметить, что к подстанции планируется подключение новых потребителей, мощность
которых составляет примерно 51 МВА.
Ожидаемый
коэффициент загрузки при этом составит:
,
где
- суммарная максимальная ожидаемая мощность, МВА;
-
номинальная мощность трансформатора, МВА;
-
количество трансформаторов.
Коэффициент
загрузки в аварийном режиме:
Из
расчетов видно, что существующие трансформаторы будут работать с перегрузкой. В
связи с этим, требуется увеличение мощности автотрансформаторов.
По
вышеизложенным данным выберем автотрансформаторы.
Предлагается
следующий вариант решения технического вопроса повышения мощности: установка
двух автотрансформаторов большей мощности (замена существующих
автотрансформаторов АТДЦТН-63000/220 на новые АТДЦТН-125000/220), при этом
величина коэффициента загрузки каждого автотрансформатора (согласно расчету)
составит:
Коэффициент
перегрузки в аварийном режиме:
Параметры
выбранных автотрансформаторов приведены в таблице 3.2.
Таблица
3.2.
Предлагаемые
автотрансформаторы.
|
Тип и мощность тр-ров МВА
|
Напряж. обм., кВ
|
Потери, кВт
|
Uкз %
|
Iхх, %
|
|
ВН
|
СН
|
НН
|
Рхх
|
Ркз
|
ВН-СН
|
ВН-НН
|
СН-НН
|
|
|
|
|
|
А
|
Б
|
ВН-СН
|
ВН-НН
|
СН-НН
|
|
|
|
|
|
АТДЦТН-125
|
230
|
121
|
11
|
75
|
85
|
315
|
280
|
275
|
11
|
45
|
28
|
0,5
|
Из расчетов видно, что автотрансформаторы будут работать с нормальными
коэффициентами загрузки, следовательно, данный вариант близок к оптимальному.
4. РАСЧЕТ ТОКОВ КОРОТКОГО ЗАМЫКАНИЯ
.1 Общие сведения о коротких замыканиях
Основной причиной нарушения нормального режима работы системы
электроснабжения является возникновение КЗ в сети или в элементах
электрооборудования вследствие повреждения изоляции или неправильных действий
обслуживающего персонала. Короткими замыканиями называют замыкания между
фазами (фазными проводниками электроустановки), замыкания фаз на землю (нулевой
провод) в сетях с глухо- и эффективно заземленными нейтралями, а также витковые
замыкания в электрических машинах. Для снижения ущерба, обусловленного выходом
из строя электрооборудования при протекании токов КЗ, а также для быстрого
восстановления нормального режима работы системы электроснабжения необходимо
правильно определять токи КЗ и по ним выбирать электрооборудование, защитную
аппаратуру и средства ограничения токов КЗ.
При возникновении КЗ имеет место увеличение токов в фазах системы
электроснабжения или электроустановок по сравнению с их значением в нормальном
режиме работы. В свою очередь, это вызывает снижение напряжений в системе,
которое особенно велико вблизи места КЗ.
В трехфазной сети различают следующие виды КЗ: трехфазные, двухфазные,
однофазные и двойные замыкания на землю.
Трехфазные КЗ являются симметричными, так как в этом случае все фазы
находятся в одинаковых условиях. Все остальные виды КЗ являются
несимметричными, поскольку при каждом из них фазы находятся не в одинаковых
условиях и значения токов и напряжений в той или иной мере искажаются.
Наиболее распространенным видом КЗ являются однофазные КЗ в сетях с
глухо- и эффективно заземленной нейтралью. Значительно реже возникают двойные
замыкания на землю, т.е. одновременное замыкание на землю разных фаз в
различных точках сети, работающей с изолированной нейтралью.
Расчетным видом КЗ для выбора или проверки параметров электрооборудования
обычно считают трехфазное КЗ. Однако для выбора или проверки уставок релейной
защиты и автоматики требуется определение и несимметричных токов КЗ.
Расчет токов КЗ с учетом действительных характеристик и действительных
режимов работы всех элементов системы электроснабжения сложен. Поэтому для
решения большинства практических задач вводят допущения, которые не дают
существенных погрешностей:
не учитывается сдвиг по фазе ЭДС различных источников питания, входящих в
расчетную схему;
трехфазная сеть принимается симметричной;
не учитываются токи нагрузки;
не учитываются емкости, а, следовательно, и емкостные токи в воздушной и
кабельной сетях;
не учитывается насыщение магнитных систем, что позволяет считать
постоянными и не зависящими от тока индуктивные сопротивления всех элементов
короткозамкнутой цепи;
не учитываются токи намагничивания трансформаторов.
4.2 Общие сведения о программе “GTCURR”
В данном дипломном проекте для расчета токов КЗ используется компьютерная
программа «GTCURR», разработанная на кафедре
“Электрические станции” Московского Энергетического института. Программа
предназначена для расчета токов КЗ в цепях с элементами типа: система, линия,
трансформатор, генератор, реактор, асинхронный двигатель, синхронный двигатель,
обобщенная нагрузка с целью выбора и проверки электрооборудования и проводников
электростанций, подстанций и электрических сетей. Она обеспечивает расчет
периодической составляющей тока КЗ с учетом активных сопротивлений элементов
сети, расчет эквивалентной постоянной времени затухания апериодической
составляющей и ударного тока КЗ.
Ввод расчетной схемы осуществляется в графическом режиме с использованием
проблемно-ориентированного меню, которое значительно облегчает работу с
программой.
На основании расчетов программой формируется протокол, который содержит
параметры всех элементов расчетной схемы. Кроме введенных параметров для
каждого элемента выводятся параметры схемы замещения, рассчитанные при базисной
мощности SБ=1000 МВА. После описания схемы в протоколе
фиксируются значения токов в каждой расчетной точке. При этом указываются
периодическая составляющая и ударный ток от каждого элемента, примыкающего к
точке КЗ, и их результирующее значение. Кроме того, для результирующего тока
выдаются эквивалентные активное и реактивное сопротивления и постоянная
времени.
4.3 Расчет токов короткого замыкания с помощью программы «GTCURR»
Для расчета используем параметры силовых трансформаторов, а также на
основании собранных данных по энергорайону известна мощность короткого
замыкания на шинах 220, 110 кВ. Она составляет 1374,38 МВА для шин 220 кВ и
709,1 МВА для шин 110 кВ соответственно.
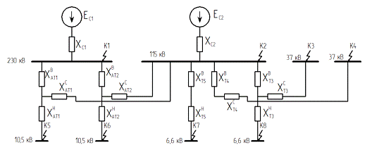
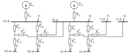
4.3.1 Расчет токов трехфазного КЗ в максимальном режиме
Рис. 4.1. Расчетная схема электрической сети
Используя расчетную схему, составляется расчетная схема замещения,
представленная на рис. 4.2.
Рис. 4.2. Схема замещения сети
Протокол расчета программы приведен в приложении 1. Результаты расчета
приведены в таблице 4.1.
Таблица 4.1.
Результаты
расчёта токов трехфазного КЗ в максимальном режиме
|
Точка КЗ
|
Место КЗ
|
Ток КЗ
|
|
|
, кА , кА
|
|
|
К1
|
Сторона 220 кВ
|
4,8
|
12,28
|
|
К2
|
Сторона 110 кВ
|
7,85
|
20,36
|
|
К3
|
Сторона 35 кВ
|
3,22
|
8,61
|
|
К4
|
Сторона 35 кВ
|
3,22
|
8,61
|
|
К5
|
Сторона 10 кВ
|
18,5
|
50,97
|
|
К6
|
Сторона 10 кВ
|
18,5
|
50,97
|
|
К7
|
Сторона 6 кВ
|
20,93
|
55,47
|
|
К8
|
Сторона 6 кВ
|
11,75
|
31,46
|
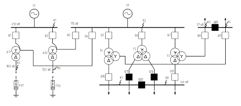
4.3.2 Расчет токов трехфазного КЗ в минимальном режиме
Рис. 4.3. Расчетная схема электрической сети
Рис. 4.4. Схема замещения сети
Протокол расчета программы приведен в приложении 2. Результаты расчета
приведены в таблице 4.2.
Таблица 4.2.
Результаты
расчёта токов трехфазного КЗ в минимальном режиме
|
Точка КЗ
|
Место КЗ
|
Ток КЗ
|
|
|
|
, кА , кА
|
|
|
|
1
|
2
|
3
|
4
|
|
|
К1
|
Сторона 220 кВ
|
2,72
|
6,96
|
|
|
К2
|
Сторона 110 кВ
|
4,78
|
12,34
|
|
К3
|
Сторона 35 кВ
|
2,97
|
7,91
|
|
К4
|
Сторона 35 кВ
|
2,97
|
7,91
|
|
К5
|
Сторона 10 кВ
|
16,19
|
44,22
|
|
К6
|
Сторона 10 кВ
|
16,19
|
44,22
|
|
К7
|
Сторона 6 кВ
|
11,14
|
29,74
|
|
К8
|
Сторона 6 кВ
|
11,14
|
29,74
|
.3.3 Расчет токов двухфазного КЗ в максимальном режиме
Ток двухфазного КЗ рассчитывается по следующей формуле:
,
где
ХS - суммарное сопротивление системы до точки КЗ (в
данном случае сопротивление обратной последовательности равно сопротивлению
прямой Х1с=Х2с).
Короткое
замыкание в точке К1:
кА;
Короткое
замыкание в точке К2:
кА;
Короткое
замыкание в точке К3:
кА;
Короткое
замыкание в точке К4:
кА;
Короткое
замыкание в точке К5:
кА;
Короткое
замыкание в точке К6:
кА;
Короткое
замыкание в точке К7:
кА.
Короткое
замыкание в точке К8:
кА.
.3.3
Расчет токов двухфазного КЗ в минимальном режиме
Короткое
замыкание в точке К1:
кА;
Короткое
замыкание в точке К2:
кА;
Короткое
замыкание в точке К3:
кА;
Короткое
замыкание в точке К4:
кА;
Короткое
замыкание в точке К5:
кА;
Короткое
замыкание в точке К6:
кА;
Короткое
замыкание в точке К7:
кА.
Короткое
замыкание в точке К8:
кА.
5.
ПРОВЕРКА СИЛОВОГО ОБОРУДОВАНИЯ ПОДСТАНЦИИ
5.1 Общие
положения по проверке силового оборудования
Электрические аппараты распределительных устройств должны надёжно
работать как в нормальном режиме, так и при возможных отклонениях от него. При
проектировании электрических установок все аппараты и токоведущие части
выбирают по условиям длительности работы при нормальном режиме и проверяют по
условиям работы при коротких замыканиях. Все аппараты и токоведущие части
подвергаются динамическому и термическому воздействию токов КЗ. За расчётное
принимают трёхфазное КЗ. Электродинамическая стойкость характеризуется
максимально допустимым током аппарата imax, который должен быть равен или больше расчётного ударного
тока трёхфазного КЗ.
Проверка на термическую стойкость сводится к определению наибольшей
температуры нагрева их токами КЗ, для чего необходимо знать расчётное время
действия тока КЗ и время отключения КЗ tОТК. В эту величину входит время действия релейной защиты tЗ и полное время отключения выключателей tВ : tОТК= tЗ+tВ.
Значения tЗ и tВ приведены в справочниках по выключателям и релейной защите.
Чаще всего принимается tВ=0.08c как для быстродействующих выключателей и tЗ=0,02с (tОТК= tЗ+tВ=0,02+0,08=0,1с).
Для проверки на термическую стойкость нужно определить величину ВК
теплового импульса короткого замыкания, характеризующего количество тепла,
выделяющегося в аппарате и проводнике за время отключения.
Проводники и аппараты, выбранные для мощных присоединений по условиям
длительного режима и динамической стойкости, имеют значительные запасы по
термической стойкости. Проверка высоковольтного оборудования производится по
следующим условиям [2]:
Uуст ≤ Uн,(5.1)
где Uуст - расчетная величина напряжения, кВ;
Uн- номинальное напряжение, кВ.
Iраб.форс ≤ Iдл.н,(5.2)
где Iраб.форс - максимальный длительный ток, А;
Iдл.н- номинальный ток, А.
Проверка выбранных аппаратов на электродинамическую стойкость
производится по трехфазному току КЗ, дающему наибольшее электромеханическое
усилие между проводниками в начальный момент КЗ. Стойкость оборудования к
термическому (тепловому) действию тока КЗ также проверяется по трехфазному току
КЗ.
Iпо ≤ Iпр.с,(5.3)
где Iпо- начальное значение периодической
составляющей тока КЗ, кА;
Iпр.с- предельный сквозной ток (действующее
значение периодической составляющей), кА.
iуд ≤ iпр.с,(5.4)
где iуд- ударный ток (максимальное
мгновенное значение тока КЗ - наступает через 0,01 с момента возникновения КЗ),
кА;
iпр.с- предельный сквозной ток (наибольший
пик), кА.
Iпо ≤ Iоткл.н,(5.5)
где Iоткл.н- номинальный ток отключения, кА.
,(5.6)
где iа- апериодическая составляющая тока КЗ, кА;
β- номинальное относительное
содержание апериодической составляющей.
,(5.7)
где t- время действия тока КЗ, с;
Ta- постоянная времени, с.
t = tз + tв,(5.8)
где tз- время действия релейной защиты, равное 0,02 с;
tв- полное время отключения
выключателя, с.
Вк
≤
,(5.9)
где Вк- тепловой импульс, кА2·с;
Iтн- ток термической стойкости, кА;
tтн- допустимое время действия тока
термической стойкости, с.
.(5.10)
iуд ≤ Iэл.дин,(5.11)
где Iэл.дин- ток электродинамической стойкости,
кА.
При выборе выключателей используются условия 5.1 ÷
5.10,5.11; разъединителей
- 5.1 ÷
5.4,5.9, 5.11.
Контроль за режимом работы основного и вспомогательного оборудования на
подстанциях осуществляется с помощью контрольно - измерительных приборов. В
зависимости от характера объекта и структуры его управления место размещения и
количество контрольно - измерительных приборов могут сильно отличаться на
различных подстанциях. Трансформаторы тока (ТТ) для питания измерительных
приборов и устройств релейной защиты и автоматики (РЗ и А) выбирают по 5.1, 5.2
и вторичному току. Проверка осуществляется по условиям 5.9,5.11 и по классу точности.
Работа ТТ в заданном классе точности обеспечивается, если его номинальная
нагрузка вторичной цепи S2н больше или равна расчётной S2:
S2 ≤ S2н (5.12)2 = I2н2 ·
(ΣZпр + Rпров + Rконт),(5.13)
гдеΣZпр- сумма сопротивлений последовательно
включённых обмоток приборов, Ом;
Rпров- сопротивление контактов,
принимается равным 0,1 Ом;
Rконт- сопротивление соединительных
проводов, Ом
ΣZпр = Sпр/ I2н2,(5.14)
гдеSпр- общая нагрузка приборов.
Исходя из располагаемой мощности ТТ определяется минимальное сечение
соединительных проводов:
,(5.15)
где Smin- минимальное сечение проводов, мм2;
ρ- удельное сопротивление провода,
Ом·м;
Z2н- номинальная нагрузка вторичной цепи
ТТ, Ом;
lрасч- расчётная длина проводов [2], м.
Сечение соединительных проводов по условию механической прочности не
должно быть меньше 2,5 мм2 для алюминиевых жил и не больше 6 мм2.
К ТТ подсоединяются следующие приборы: амперметр, ваттметр, счётчик
активной энергии. Трансформаторы напряжения (ТН) для питания измерительных
приборов и устройств РЗ и А выбирают по (5.1) и по классу точности. Работа ТН в
заданном классе точности обеспечивается, если выполняется условие (5.12), где
за S2н принимают мощность всех трёх фаз для
ТН, соединённых по схеме звезды, и удвоенную мощность однофазного ТН с
соединением обмоток по схеме открытого треугольника.
Сечение проводов в цепях ТН определяется по допустимой потере напряжения.
Согласно [2] потеря напряжения от ТН до счетчиков технического учета и до щитов
измерительных приборов должна быть не более 1,5% при нормальной нагрузке. Для
упрощения расчетов при учебном проектировании можно принимать сечение проводов
по условию механической прочности 2,5 мм2 для алюминиевых жил.
К ТН подсоединяются следующие приборы: вольтметр, ваттметр, счётчик
активной энергии.
Расчётную мощность с учётом коэффициентов мощности приборов определяют по
формуле:
(5.16)
.2 Проверка высоковольтных выключателей
В соответствии с ГОСТ 687-70 для проверки выключателей необходимо иметь
следующие токи КЗ: начальный периодический ток Iпо; ударный ток iУД; периодический Iп и апериодический iа, отключаемые к моменту размыкания дугогасительных контактов
выключателя.
Исходя из п.2 вычислим расчетные токи:
Расчётный ток на шинах 220 кВ подстанции приближенно может быть принят:
Расчётный
ток на шинах 110 кВ подстанции равен:
Расчетный
ток на шинах 35 кВ:
Расчетный
ток на шинах 6 кВ:
Выключатели
проверяем в табличной форме:
Таблица
5.1.
Проверка установленных выключателей на шинах 220 кВ
|
Расчётные величины
|
Каталожные данные
выключателя типа У-220-2000-У1
|
Условия проверки
|
|
UУСТ = 220 кВ
|
UH = 220 кB
|
|
|
IРАСЧ = 394 А
|
IHOM =2000 A
|
|
|
IП0 = 4,8 кА
|
IПР.С. = 25 кA
|
|
|
iУД = 12,28 кА
|
iПР.С. = 64 кА
|
|
|
IП0 = 4,8 кА
|
IОТКЛ.Н. = 25 кА
|
|
|
8,068кА 0,25
|
|
|
|
ВК = 3,69 кА2с
|
IТН2·tТН=252·3 кА2·с
|
|
По результатам проверки по всем условиям проходит установленный на
подстанции масляный выключатель типа У-220-2000-У1. Следует принять во
внимание, что данные выключатели были установлены на подстанции более 25 лет
назад и физически устарели, поэтому предлагаю к установке новые элегазовые
выключатели марки 242PMR40-20,
результаты проверки которых приведены в таблице 5.2.
Таблица 5.2.
Проверка рекомендуемых к установке выключателей на шинах 220 кВ
|
Расчётные величины
|
Каталожные данные
выключателя типа 242PMR40-20
|
Условия проверки
|
|
UУСТ = 220 кВ
|
UH = 220 кB
|
|
|
IРАСЧ = 394 А
|
IHOM = 2000 A
|
|
|
IП0 = 4,8 кА
|
IПР.С. = 25 кA
|
|
|
iУД = 12,28 кА
|
iПР.С. = 63 кА
|
|
IП0 = 4,8 кА
|
IОТКЛ.Н. = 25 кА
|
|
|
8,068кА 0,25
|
|
|
|
ВК = 3,69 кА2с
|
IТН2·tТН=252·3 кА2·с
|
|
Таким образом, рекомендуемые к установке выключатели проходят по условиям
длительной работы при нормальном режиме и по условиям работы при КЗ.
Следовательно, для автотрансформаторов АТДЦТН-125000/220 на ОРУ-220 кВ выбираем
выключатель типа 242PMR40-20.
Таблица 5.3.
Проверка установленных выключателей на шинах 110 кВ
|
Расчётные величины
|
Каталожные данные
выключателя типа МПК-110М-1000-20У1
|
Условия проверки
|
|
UУСТ = 110 кВ
|
UH = 110 кB
|
|
|
IРАСЧ = 788 А
|
IHOM = 1000 A
|
|
|
IП0 = 7,85 кА
|
IПР.С. = 20 кA
|
|
|
iУД = 20,36 кА
|
iПР.С. = 52 кА
|
|
|
IП0 = 7,85 кА
|
IОТКЛ.Н. = 20 кА
|
|
|
13,202 кА 0,3
|
|
|
|
ВК = 9,86 кА2с
|
IТН2·tТН=202·3 кА2·с
|
|
По результатам проверки по всем условиям проходит установленный на
подстанции масляный выключатель типа МПК-110М-1000-20У1. Следует принять во
внимание, что данные выключатели были установлены на подстанции более 25 лет
назад и физически устарели, поэтому предлагаю к установке новые элегазовые
выключатели марки 145PM40-20,
результаты проверки которых приведены в таблице 5.4.
Таблица 5.4.
Проверка рекомендуемых к установке выключателей на шинах 110 кВ
|
Расчётные
величиныКаталожные данные выключателя типа 145РМ40-20Условия проверки
|
|
|
|
UУСТ = 110 кВ
|
UH = 110 кB
|
|
|
IРАСЧ = 788 А
|
IHOM = 1000 A
|
|
|
IП0 = 7,85 кА
|
IПР.С. = 25 кA
|
|
|
iУД = 20,36 кА
|
iПР.С. = 63 кА
|
|
|
IП0 = 7,85 кА
|
IОТКЛ.Н. = 25 кА
|
|
|
13,202 кА 0,3
|
|
|
|
ВК = 9,86 кА2с
|
IТН2·tТН=252·3 кА2·с
|
|
Таким образом, рекомендуемые к установке выключатели проходят по условиям
длительной работы при нормальном режиме и по условиям работы при КЗ.
Следовательно, для автотрансформаторов АТДЦТН-125000/220 на ОРУ-110 кВ выбираем
выключатель типа 145PM40-20.
Таблица 5.5.
Проверка установленных выключателей на шинах 35 кВ
|
Расчётные величины
|
Каталожные данные
выключателя типа ВМД-35-630
|
Условия проверки
|
|
UУСТ = 35 кВ
|
UH = 35 кB
|
|
|
IРАСЧ = 194 А
|
IHOM = 630 A
|
|
|
IП0 = 3,22 кА
|
IПР.С. = 17 кA
|
|
|
iУД = 8,61 кА
|
iПР.С. = 40 кА
|
|
|
IП0 = 3,22 кА
|
IОТКЛ.Н. = 20 кА
|
|
|
5,41 кА 0,36
|
|
|
|
ВК = 1,66 кА2с
|
IТН2·tТН=202·3 кА2·с
|
|
По результатам проверки по всем условиям проходит установленный на
подстанции масляный выключатель типа ВМД-35-630. Следует принять во внимание,
что данные выключатели были установлены на подстанции более 25 лет назад и
физически устарели, поэтому предлагаю к установке новые элегазовые выключатели
с вакуумными дугогасящими камерами марки 48PM, результаты проверки которых приведены в таблице 5.6.
Таблица 5.6.
Проверка рекомендуемых к установке выключателей на шинах 35 кВ
|
Расчётные величины
|
Каталожные данные
выключателя типа 48РМ
|
Условия проверки
|
|
UУСТ = 35 кВ
|
UH = 35 кB
|
|
|
IРАСЧ = 194 А
|
IHOM = 630 A
|
|
|
IП0 = 3,22 кА
|
IПР.С. = 17 кA
|
|
|
iУД = 8,61 кА
|
iПР.С. = 40 кА
|
|
|
IП0 = 3,22 кА
|
IОТКЛ.Н. = 17 кА
|
|
|
5,41 кА 0,36
|
|
|
|
ВК = 1,66 кА2с
|
IТН2·tТН=172·3 кА2·с
|
|
Таким образом, рекомендуемые к установке выключатели проходят по условиям
длительной работы при нормальном режиме и по условиям работы при КЗ.
Следовательно, для трансформаторов ТДТН-25000/115/38,5/6,6 на ОРУ-35 кВ
выбираем выключатель типа 48PM.
Таблица 5.7.
Проверка установленных выключателей на шинах 6 кВ
|
Расчётные величины
|
Каталожные данные
выключателя типа ВМПЭ-10-3000
|
Условия проверки
|
|
UУСТ = 6 кВ
|
UH = 10 кB
|
|
|
IРАСЧ = 1533 А
|
IHOM = 3000 A
|
|
|
IП0 = 20,93 кА
|
IПР.С. = 31,5 кA
|
|
|
iУД = 55,47 кА
|
iПР.С. = 81 кА
|
|
|
IП0 = 20,93 кА
|
IОТКЛ.Н. = 31,5 кА
|
|
|
35,19 кА 0,3
|
|
|
|
ВК = 70,09 кА2с
|
IТН2·tТН=31,52·3 кА2·с
|
|
Таким образом, существующие выключатели проходят по условиям длительной
работы при нормальном режиме и по условиям работы при КЗ.
5.3 Проверка разъединителей
Разъединители проверяют по длительному номинальному току и номинальному
напряжению, проверяют на термическую и динамическую устойчивости. Расчётные
величины те же, что и для выключателей.
Таблица 5.8.
Проверка установленных разъединителей на стороне 220 кВ
|
Расчётные величины
|
Каталожные данные
разъединителя типа РНДЗ-220-1000
|
Условия проверки
|
|
UУСТ = 220 кВ
|
UH = 220 кB
|
|
|
IРАСЧ = 394 А
|
IHOM = 1000 A
|
|
|
IП0 = 4,8 кА
|
IПР.С. = 100 кA
|
|
|
iУД = 12,28 кА
|
iПР.С. = 100 кА
|
|
|
ВК = 3,69 кА2с
|
кА2с
|
|
По результатам проверки по всем условиям проходит установленный на
подстанции разъединитель типа РНДЗ-220-1000. Но ввиду того, что разъединители
физически устарели, т.к срок их эксплуатации превышает 25 лет, предлагаю к
установке новые разъединители марки РПД-2-220/1000-УХЛ1. Результаты проверки
приведены в таблице 5.9.
Таблица 5.9.
Проверка рекомендуемых к установке разъединителей на стороне 220 кВ
|
Расчётные величины
|
Каталожные данные
разъединителя типа РПД-2-220/1000-УХЛ1
|
Условия проверки
|
|
UУСТ = 220 кВ
|
UH = 220 кB
|
|
|
IРАСЧ = 394 А
|
IHOM = 1000 A
|
|
|
IП0 = 4,8 кА
|
IПР.С. = 102 кA
|
|
|
iУД = 12,28 кА
|
iПР.С. = 102 кА
|
|
|
ВК = 3,69 кА2с
|
кА2с
|
|
Предлагаемый к установке разъединитель проходит по всем условиям
проверки.
Таблица 5.10.
Проверка установленных разъединителей на стороне 110 кВ
|
Расчётные величины
|
Каталожные данные
разъединителя типа РНДЗ-110-1000
|
Условия проверки
|
|
UУСТ = 110 кВ
|
UH = 110 кB
|
|
|
IРАСЧ = 788 А
|
IHOM = 1000 A
|
|
|
IП0 = 7,85 кА
|
IПР.С. = 80 кA
|
|
|
iУД = 20,36 кА
|
iПР.С. = 80 кА
|
|
|
ВК = 9,86 кА2с
|
кА2с
|
|
По результатам проверки по всем условиям проходит установленный на
подстанции разъединитель типа РНДЗ-110-1000.
Таблица 5.11.
Проверка установленных разъединителей на стороне 35 кВ
|
Расчётные величины
|
Каталожные данные
разъединителя типа РЛНД-35-630
|
Условия проверки
|
|
UУСТ = 35 кВ
|
UH = 110 кB
|
|
|
IРАСЧ = 194 А
|
IHOM = 630
A
|
|
|
IП0 = 3,22 кА
|
IПР.С. = 63 кA
|
|
|
iУД = 8,61 кА
|
iПР.С. = 63 кА
|
|
|
ВК = 1,66 кА2с
|
кА2с
|
|
По результатам проверки по всем условиям проходит установленный на
подстанции разъединитель типа РЛНД-35-630.
5.4 Проверка измерительных трансформаторов тока
Трансформаторы тока (ТТ) для питания измерительных приборов проверяют по
номинальному первичному и вторичному токам, по классу точности и проверяют на
термическую и динамическую устойчивость.
Таблица 5.12.
Проверка установленных ТТ на напряжение 220 кВ
|
Расчётные величины
|
Каталожные данные ТТ типа
ТФЗМ-220-600/5
|
Условия проверки
|
|
UУСТ = 220 кВ
|
UH = 220 кB
|
|
|
IРАСЧ =394 А
|
Iдл.н. = 600 A
|
|
|
iУД = 12,28 кА
|
Iдин = 50 кА
|
|
|
ВК = 3,69 кА2с
|
кА2с
|
|
По результатам проверки по всем условиям проходит установленный на
подстанции трансформатор тока типа ТФЗМ-220-600/5.
Класс точности ТТ по ПУЭ для присоединения счетчиков выбираем равным 0,5.
Работа ТТ в заданном классе точности обеспечивается, если его номинальная
нагрузка вторичной цепи S2H больше или равна расчётной S2:
,
где
ΣZприб.- сумма сопротивлений последовательно включенных
обмоток приборов;пров.- сопротивление соединенных проводов;
Rконт.= 0,1- сопротивление контактов, если имеется более трех
приборов.
К ТТ подсоединяются следующие приборы: амперметр, ваттметр, счётчик
активной и реактивной энергии.
Таблица 5.13.
Подсчет нагрузки ТТ
|
Наименование прибора
|
Тип прибора
|
Нагрузка трансформатора
тока, ВА
|
|
|
Фаза А
|
Фаза Б
|
Фаза С
|
|
Амперметр
|
Э-335
|
1,5
|
-
|
1,5
|
|
Ваттметр
|
Д-335
|
0,5
|
-
|
0,5
|
|
Счётчик активной энергии
|
САЗ-И680
|
2,5
|
-
|
2,5
|
|
Счётчик реактивной энергии
|
И-680М
|
2,5
|
-
|
2,5
|
|
ИТОГО:
|
|
7
|
-
|
7
|
Находим Zприб.:
.
Зная
вторичное сопротивление ТТ Rвтор.=0,8
Ом, находим сопротивление соединительных проводов:
,
Нагрузка вторичной цепи:
.
Исходя из располагаемой мощности ТТ определяется минимальное сечение
соединительных проводов:
( 4.5.)
где Smin - минимальное сечение проводов, мм2;
ρ - удельное сопротивление провода,
Ом·м;
Z2н - номинальная нагрузка вторичной
цепи ТТ, Ом;
lрасч - расчётная длина проводов, м.
,
=>
Соединительные провода для ТТ принимаются с номинальным сечением
.
Таблица 5.14.
Проверка ТТ на напряжение 110 кВ
|
Расчётные величины
|
Каталожные данные ТТ типа
ТВТ-110/50
|
Условия проверки
|
|
UУСТ = 110 кВ
|
UH = 110 кB
|
|
|
IРАСЧ = 788 А
|
Iдл.н. = 1000 A
|
|
|
S2=20 B·A
|
S2H=20 B·A
|
|
|
iУД = 20,36 кА
|
Iдин = 158 кА
|
|
|
ВК = 9,86 кА2с
|
кА2с
|
|
Таблица 5.15.
Подсчет нагрузки ТТ.
|
Наименование прибора
|
Тип прибора
|
Нагрузка трансформатора
тока, ВА
|
|
|
Фаза А
|
Фаза Б
|
Фаза С
|
|
Амперметр - 3шт
|
Э - 335
|
1,5
|
-
|
1,5
|
|
Ваттметр
|
Д - 335
|
0,5
|
-
|
0,5
|
|
Варметр
|
Д-365
|
0,5
|
|
0,5
|
|
ИТОГО:
|
|
2,5
|
-
|
2,5
|
Находим Zприб.:
.
Зная
вторичное сопротивление ТТ Rвтор.=0,8
Ом, находим сопротивление соединительных проводов:
,
и определяем их минимальное сечение:
,
Соединительные
провода для ТТ принимаются с номинальным сечением
.
Нагрузка
вторичной цепи:
.
Соединительные
провода для ТТ принимаются с номинальным сечением
.
Таблица 5.16.
Условия проверки ТТ на напряжение 35 кВ.
|
Расчётные величины
|
Каталожные данные ТТ типа
ТФН-35
|
Условия проверки
|
|
1
|
2
|
3
|
|
UУСТ = 35 кВ
|
UH = 35 кB
|
|
|
IРАСЧ = 194 А
|
|
|
S2=7,5B·A
|
S2H=8 B·A
|
|
|
iУД = 8,61 кА
|
Iдин = 134 кА
|
|
|
ВК = 1,66 кА2с
|
кА2с
|
|
По результатам проверки по всем условиям проходит установленный на
подстанции трансформатор тока типа ТФН-35.
Таблица 5.17.
Подсчет нагрузки ТТ.
|
Наименование прибора
|
Тип прибора
|
Нагрузка трансформатора
тока, ВА
|
|
|
Фаза А
|
Фаза Б
|
Фаза С
|
|
Амперметр
|
Э - 335
|
0,5
|
-
|
0,5
|
|
Ваттметр
|
Д - 335
|
0,5
|
-
|
0,5
|
|
Варметр
|
Д-365
|
0,5
|
|
0,5
|
|
ИТОГО:
|
|
1,5
|
-
|
1,5
|
Находим Zприб.:
.
Зная
вторичное сопротивление ТТ Rвтор.=0,3
Ом, находим сопротивление соединительных проводов:
,
и определяем их минимальное сечение:
,
где lрасч - расчётная длина проводов (для цепи
РУ 35 кВ lрасч =50м=0,05км);
ρ=31,5 Ом·мм2/км - удельное
сопротивление алюминия.
Нагрузка вторичной цепи:
.
Соединительные
провода принимаются с номинальным сечением
.
Таблица 5.18.
Проверка ТТ на напряжение 6 кВ
|
Расчётные величины
|
Каталожные данные ТТ типа
ТВЛМ-10
|
Условия проверки
|
|
UУСТ = 6 кВ
|
UH = 10 кB
|
|
|
IРАСЧ = 1533 А
|
Iдл.н. = 3000 A
|
|
|
S2=20 B·A
|
S2H=20 B·A
|
|
|
iУД = 55,47 кА
|
Iдин = 100 кА
|
|
|
ВК = 70,09 кА2с
|
кА2с
|
|
По результатам проверки по всем условиям проходит установленный на
подстанции трансформатор тока типа ТВЛМ-10.
Таблица 5.19.
Подсчет нагрузки ТТ.
|
Наименование прибора
|
Тип прибора
|
Нагрузка трансформатора
тока, ВА
|
|
|
Фаза А
|
Фаза Б
|
Фаза С
|
|
Амперметр
|
Э - 335
|
0,5
|
-
|
0,5
|
|
Ваттметр
|
Д - 335
|
0,5
|
-
|
0,5
|
|
Варметр
|
Д-365
|
0,5
|
|
0,5
|
|
ИТОГО:
|
|
1,5
|
-
|
1,5
|
Находим Zприб.:
.
Зная
вторичное сопротивление ТТ Rвтор.=0,8
Ом, находим сопротивление соединительных проводов:
,
и определяем их минимальное сечение:
,
где lрасч - расчётная длина проводов (для
линий 6-10 кВ lрасч =5м=0,005км);
ρ=31,5 Ом·мм2/км - удельное
сопротивление алюминия.
Нагрузка вторичной цепи:
.
Соединительные
провода принимаются с номинальным сечением
.
5.5 Проверка измерительных трансформаторов напряжения
Таблица 5.20.
Проверка трансформатора напряжения на напряжение 220 кВ
|
Расчётные величины
|
Каталожные данные ТН типа
НКФ-220
|
Условия выбора
|
|
UУСТ = 220 кВ
|
UH = 220
B
|
|
|
S2 = 35,7B·A
|
S2H = 400 B·A
|
|
По результатам проверки по всем условиям проходит установленный на
подстанции трансформатор напряжения типа НКФ-220.
Работа ТН в заданном классе точности обеспечивается, если выполняется
условие S2 ≤ S2н, где за S2н принимают мощность всех трёх фаз для
ТН, соединённых по схеме звезды, и удвоенную мощность однофазного ТН с
соединением обмоток по схеме открытого треугольника.
К ТН подсоединяются следующие приборы: вольтметр, ваттметр, счётчик
активной и реактивной энергии.
Таблица 5.21.
Вторичная нагрузка ТН
|
Наименование прибора
|
Тип прибора
|
Число приборов
|
Мощность одной катушки,ВА
|
Число катушек
|
cosφ
|
sinφ
|
Общая потребляемая мощность
|
|
|
|
|
|
|
|
Р,Вт
|
Q,Вар
|
|
1
|
2
|
3
|
4
|
5
|
6
|
7
|
8
|
9
|
|
Вольтметр
|
Э-335
|
1
|
2
|
1
|
1
|
0
|
2
|
-
|
|
Счётчик активной энергии
|
И-680
|
1
|
2
|
2
|
0,38
|
0,925
|
4
|
9,7
|
|
Счётчик реактивной энергии
|
И-680М
|
1
|
2
|
2
|
0,38
|
0,925
|
4
|
9,7
|
|
Ваттметр
|
Н-348
|
1
|
10
|
2
|
1
|
0
|
20
|
-
|
|
ИТОГО:
|
|
|
|
|
|
|
30
|
19,4
|
Расчетную мощность с учетом коэффициентов мощности приборов определяют по
формуле:
Сечение проводов в цепях ТН определяется по допустимой потере напряжения.
Согласно [3] потеря напряжения от ТН до счетчиков технического учета и до щитов
измерительных приборов должна быть не более 1,5% при нормальной нагрузке. Для
упрощения расчетов при учебном проектировании можно принимать сечение проводов
по условию механической прочности 2,5 мм2 для алюминиевых жил [4].
Таблица 5.22.
Проверка трансформатора напряжения на напряжение 110 кВ
|
Расчётные величины
|
Каталожные данные ТН типа
НКФ-110
|
Условия выбора
|
|
UУСТ = 110 кВ
|
UH = 110
B
|
|
|
S2 = 35,7 B·A
|
S2H = 400 B·A
|
|
По результатам проверки по всем условиям проходит установленный на
подстанции трансформатор напряжения типа НКФ-110.
Таблица 5.23.
|
Наименование прибора
|
Тип прибора
|
Число приборов
|
Мощность одной катушки,ВА
|
Число катушек
|
cosφ
|
sinφ
|
Общая потребляемая мощность
|
|
|
|
|
|
|
|
Р,Вт
|
Q,Вар
|
|
1
|
2
|
3
|
4
|
5
|
6
|
7
|
8
|
9
|
|
Вольтметр
|
Э-335
|
1
|
2
|
1
|
1
|
0
|
2
|
-
|
|
Счётчик активной энергии
|
И-680
|
1
|
2
|
2
|
0,38
|
0,925
|
4
|
9,7
|
|
Счётчик реактивной энергии
|
И-680М
|
1
|
2
|
2
|
0,38
|
0,925
|
4
|
9,7
|
|
Ваттметр
|
Н-348
|
1
|
10
|
2
|
1
|
0
|
20
|
-
|
|
ИТОГО:
|
|
|
|
|
|
|
30
|
19,4
|
Вторичная нагрузка ТН
Расчетную мощность с учетом коэффициентов мощности приборов:
Сечение проводов к ТН по алюминию равно 2,5 мм2.
Таблица 5.24
Трансформатор напряжения на напряжение 35 кВ.
|
Расчётные величины
|
Каталожные данные ТН типа
ЗНОМ-35
|
Условия проверки
|
|
UУСТ = 35 кВ
|
UH = 35
B
|
|
|
S2 = 48,1B·A
|
S2H=150B·A
|
|
По результатам проверки по всем условиям проходит установленный на
подстанции трансформатор напряжения типа ЗНОМ-35.
Таблица 5.25.
Вторичная нагрузка ТН.
|
Наименование прибора
|
Тип прибора
|
Число приборов
|
Мощность одной катушки,ВА
|
Число катушек
|
cosφ
|
sinφ
|
Общая потребляемая мощность
|
|
|
|
|
|
|
|
Р, Вт
|
Q, Вар
|
|
Вольтметр
|
Э - 335
|
2
|
2
|
1
|
1
|
0
|
4
|
-
|
|
Счётчик активной энергии
|
И - 680
|
1
|
2
|
2
|
0,38
|
0,925
|
4
|
9,7
|
|
Частотометр
|
Э-372
|
2
|
3
|
1
|
1
|
0
|
6
|
|
|
Вольтметр регестрирую щий
|
Н-344
|
1
|
10
|
1
|
1
|
0
|
10
|
|
|
Ваттметр
|
Н-348
|
1
|
10
|
2
|
1
|
0
|
20
|
-
|
|
ИТОГО:
|
|
|
|
|
|
|
44
|
19,4
|
Расчетную мощность с учетом коэффициентов мощности приборов определяют по
формуле:
Сечение
проводов к ТН по алюминию равно 2,5 мм2.
Таблица 5.26.
Трансформатор напряжения на напряжение 6 кВ.
|
Расчётные величины
|
Каталожные данные ТН типа
НАМИ-6
|
Условия проверки
|
|
UУСТ = 6 кВ
|
UH = 6 B
|
|
|
S2 = 48,1B·A
|
S2H=150B·A
|
|
Таблица 5.25.
Вторичная нагрузка ТН.
|
Наименование прибора
|
Тип прибора
|
Число приборов
|
Мощность одной катушки,ВА
|
Число катушек
|
sinφ
|
Общая потребляемая мощность
|
|
|
|
|
|
|
|
Р, Вт
|
Q, Вар
|
|
Вольтметр
|
Э - 335
|
2
|
2
|
1
|
1
|
0
|
4
|
-
|
|
Счётчик активной энергии
|
И - 680
|
1
|
2
|
2
|
0,38
|
0,925
|
4
|
9,7
|
|
Частотометр
|
Э-372
|
2
|
3
|
1
|
1
|
0
|
6
|
|
|
Вольтметр регестрирую щий
|
Н-344
|
1
|
10
|
1
|
1
|
0
|
10
|
|
|
Ваттметр
|
Н-348
|
1
|
10
|
2
|
1
|
0
|
20
|
-
|
|
ИТОГО:
|
|
|
|
|
|
|
44
|
19,4
|
Расчетную мощность с учетом коэффициентов мощности приборов определяют по
формуле:
Сечение
проводов к ТН по алюминию равно 2,5 мм2.
6. РЕЛЕЙНАЯ ЗАЩИТА
.1 Общие принципы выбора и размещения релейных защит
Системы электроснабжения - это сложный производственный комплекс, все
элементы которого участвуют в едином производственном процессе, основными
специфическими особенностями которого являются быстротечность явлений и
неизбежность повреждений аварийного характера - коротких замыканий в
электрических установках. Поэтому надежное и экономичное функционирование
систем электроснабжения возможно только при широкой их автоматизации. Для этой
цели используется комплекс автоматических устройств, состоящий из устройств
автоматического управления и устройств автоматического регулирования.
Среди устройств автоматического управления первостепенное значение имеют
устройства релейной защиты, действующие при повреждении электрических
установок. Релейная защита нашла применение в системах электроснабжения раньше
других устройств автоматического управления. Наиболее опасные и частые
повреждения - короткие замыкания между фазами электрической установки и
короткие замыкания фаз на землю в сетях с глухозаземленными нейтралями.
Возможны и более сложные повреждения, сопровождающиеся короткими замыканиями и
обрывом фаз. В электрических машинах и трансформаторах наряду с указанными
повреждениями возникают замыкания между витками одной фазы. Вследствие
короткого замыкания нарушается нормальная работа системы электроснабжения с
возможным выходом синхронных генераторов, компенсаторов и электродвигателей из
синхронизма и нарушением режима работы потребителей. Опасность представляет
также термическое и динамическое действие тока КЗ как непосредственно в месте
повреждения, так и при прохождении его по неповрежденному оборудованию.
Для предотвращения развития аварии и уменьшения размеров повреждения при
КЗ необходимо быстро выявить и отключить поврежденный элемент системы
электроснабжения. В ряде случаев повреждение должно быть ликвидировано в
течение долей секунды. Очевидно, что человек не в состоянии справиться с такой
задачей. Определяют поврежденный элемент и воздействуют на отключение
соответствующих выключателей устройства релейной защиты с действием на
отключение. Основным элементом релейной защиты является специальный аппарат -
реле.
Иногда в эксплуатации возникают ненормальные режимы, вызванные
перегрузкой оборудования или внешними короткими замыканиями, возникающими в
других элементах. При этом по неповрежденному оборудованию проходят
значительные токи (сверхтоки), которые приводят к преждевременному старению
изоляции, износу оборудования. Сверхтоки, вызванные внешними короткими
замыканиями, устраняются после отключения поврежденного элемента собственной
защитой. От сверхтоков перегрузки на соответствующем оборудовании должна
предусматриваться защита, действующая на сигнал. При этом оперативный персонал
принимает меры к разгрузке оборудования или к его отключению. При отсутствии
постоянного дежурного персонала защита должна действовать на автоматическую
разгрузку или отключение.
Устройства релейной
защиты должны выполнять определеннные функции. Такими функциями являются
срабатывание при повреждении защищаемого элемента системы электроснабжения
(внутренние повреждения) и несрабатывание при коротких замыканиях за пределами
этого элемента (внешние КЗ), а также в нормальных режимах. Иногда допускается
срабатывание защиты и при внешних КЗ. На каждом элементе системы
электроснабжения обычно устанавливают основную и резервную защиты. Основная
защита предназначена для действия при КЗ в пределах всего защищаемого элемента
с временем, меньшим, чем у других защит, а резервная защита работает вместо
основной в случае ее отказа или вывода из работы. Такое резервирование
называется ближним. К резервной защите обычно предъявляется требование
срабатывать и при повреждениях на смежных элементах в случае отказа их
собственных защит или выключателей. При этом резервная защита выполняет дальнее
резервирование. В условиях эксплуатации в силу ряда причин защита может не
справиться с заданными функциями: не сработать при повреждении в пределах
защищаемого элемента (отказ срабатывания); сработать при внешних КЗ (излишнее
срабатывание) и при отсутствии повреждений в системе электроснабжения (ложное
срабатывание). Все эти неправильные действия называются отказом
функционирования защиты. С целью ограничения отказов функционирования защите
придаются определенные свойства. Основные из них селективность, устойчивость
функционирования, надежность функционирования.
Под селективностью понимают высшее свойство релейной защиты, действующей
на отключение, определять поврежденный элемент и отключать только его. Для
релейной защиты, действующей на сигнал, селективность-это способность
однозначно указывать место возникновения ненормального режима и конкретно
элемент системы электроснабжения, требующий вмешательства персонала. На каждом
элементе системы электроснабжения (генератор, трансформатор, линия и др.)
устанавливается один или несколько комплектов релейной защиты, которые должны
отключать защищаемый элемент при повреждениях в нем или подавать сигнал о
ненормальном режиме защищаемого элемента. Если по принципу своего действия
защита срабатывает только при КЗ на защищаемом элементе, то ее относят к
защитам, обладающим абсолютной селективностью. Защиты, которые могут
срабатывать как резервные при повреждении на смежном элементе, если это
повреждение не отключается, называются относительно селективными.
При коротких замыканиях на защищаемом элементе устойчивость
функционирования характеризуется чувствительностью. Под чувствительностью
релейной защиты понимается ее способность реагировать на возможные повреждения
в минимальных режимах работы системы электроснабжения, когда изменение
воздействующей величины минимально.
Чувствительность защиты оценивают коэффициентом чувствительности. Он
регламентирует отношение между значением воздействующей величины при
металлическом коротком замыкании в защищаемой зоне и установленным на защите
значением параметра ее срабатывания. Правилами устройств электроустановок (ПУЭ)
определены необходимые минимальные коэффициенты чувствительности для различных
защит и защищаемых элементов.
Надежность функционирования. В устройствах релейной защиты и автоматики
сигналы в процессе преобразования и передачи могут искажаться и ослабляться
из-за помех и неисправностей отдельных функциональных элементов, что приводит к
отказам функционирования, поэтому устройства защиты и автоматики должны
выполняться с определенной степенью надежности. Под надежностью систем
энергетики понимают свойство объекта выполнять задание функции в заданном
объеме при определенных условиях эксплуатации. Очевидно, что для обеспечения
требуемой надежности устройства релейной защиты и автоматики должны выполняться
с применением высококачественных и надежно работающих реле и других элементов.
6.2 Защита автотрансформаторов АТДЦТН-125000/220
Основными видами повреждений трансформаторов, которые учитываются при
выполнении их релейной защиты, являются многофазные и однофазные короткие
замыкания в обмотках и на выводах, а также «пожар» в стали сердечника
(вызывается вихревыми токами при нарушении изоляции между пластинами
магнитопровода). Однофазные замыкания рассматриваются двух видов - на землю и
между витками фазы обмотки (витковые замыкания). Основными ненормальными режимами
работы являются внешние КЗ, перегрузки, недопустимое понижение уровня масла и
недопустимые повышения напряжения. При возникновении наиболее опасных
повреждений (многофазные и витковые КЗ) защиты должны без выдержки времени
действовать на отключение выключателей трансформатора.
Для защиты мощных трансформаторов S > 6,3 МВА от КЗ внутри обмоток на их выводах и в
соединениях до выключателей применяются продольные дифференциальные токовые
защиты. От всех повреждений внутри бака с масляным заполнением и понижения
уровня масла широко используется газовая защита - единственная в технике
релейной защиты работающая на неэлектрическом принципе. Также для защиты от
сверхтоков и перегрузок применяется МТЗ - максимальная токовая защита.
.2.1 Продольно дифференциальная защита автотрансформатора с
реле ДЗТ-21
Комплект защитных устройств, получивших название ДЗТ-21, представляет
собой блок на полупроводниковых элементах, обладающий свойствами, характерными
для дифференциальных реле, но более высокой чувствительности, достаточной для
отключения повреждений, сопровождающихся токами в защите, меньшими номинальных.
Блок обладает улучшенными свойствами отстройки от бросков тока намагничивания и
токов небаланса при внешних КЗ. Защита выполнена трехфазной в четырехмодульной кассете:
три модуля по числу фаз и четвертый общий модуль питания и управления
(стабилизатор питания, выходное промежуточное реле, сигнализация). Реле
позволяет осуществить торможение от двух групп трансформаторов тока. При
необходимости торможения от трех групп трансформаторов тока используется
приставка дополнительного торможения типа ПТ-1. Для выравнивания вторичных
токов в плечах защиты могут использоваться автотрансформаторы тока (TAL). Особенности принципов, в
соответствии с которыми разработан комплект защиты типа ДЗТ-21, гарантируют
необходимую чувствительность ко всем вероятным видам повреждений в зоне защиты,
поэтому необходимости в проверке чувствительности нет. В дополнение к основной
дифференциальной защите автотрансформатора на ДЗТ-21 применяется обычный набор
дополнительных защит.
Определение первичных токов для всех сторон защищаемого
трансформатора, соответствующих
его номинальной мощности:
(6.1)
где
IНОМ -
первичный номинальный ток трансформатора;
SHOM
- номинальная мощность защищаемого трансформатора, кВА;
UНОМ - номинальное напряжение на высокой, средней или
низкой стороны трансформатора, кВ.
Ток
на стороне ВН:
Ток
на стороне СН:
Ток
на стороне НН:
Выбор
трансформаторов тока и расчет коэффициентов трансформации. В соответствии со схемами соединения обмоток
защищаемого силового трансформатора выбираются схемы соединения вторичных
обмоток трансформаторов тока ТА. Так как трансформатор имеет схему соединения
обмоток Y/Y/, то вторичные обмотки ТА на стороне ВН и СН
соединяются в треугольник, а на стороне НН - в полную звезду. При этом в
дифференциальной цепи устанавливаются три реле ДЗТ - 21.
Расчетные
коэффициенты трансформации ТА определяются по формуле:
(6.2)
где
КСХ - коэффициент схемы;
КСХ
= 1 - для схемы соединения обмоток ТА в Y.
КСХ
=
- для схемы соединения обмоток ТА в .
IНОМ(ТА) - номинальный вторичный ток ТА, равный 5 А;
→
стандартное значение KТА.ВН
→
стандартное значение KТА.СН
→
стандартное значение KТА.НН
Расчет вторичных токов в плечах защиты. Расчет производится по формуле:
(6.3)
На стороне ВН, где обмотки ТА соединены в :
На
стороне СН, где обмотки ТА соединены в :
На
стороне НН, где обмотки соединены в Y:
Результаты
выполненных выше расчетов помещены в таблицу 6.1.
Таблица
6.1.
Исходные
данные и выбор ТА
|
Параметры
|
Обозначение и метод
определения
|
Числовые значения на
сторонах
|
|
|
220 кВ
|
110 кВ
|
10 кВ
|
|
Максимальное значение тока
в обмотках трансформатора при внешнем трехфазном КЗ, приведённое к стороне
ВН, кА
|
4,87,8518,5
|
|
|
|
|
Минимальное значение тока в
обмотках трансформатора при внешнем двухфазном КЗ, кА
|
2,3394,11113,923
|
|
|
|
|
Первичный ток на сторонах
защищаемого трансформатора, А
|
313,777627,5553306,64
|
|
|
|
|
Схема соединения вторичных
обмоток ТА
|
|
|
|
Y
|
|
Коэффициент схемы включения
реле защиты
|
КСХ
|
|
|
1
|
|
Расчетный коэффициент
трансформации трансформатора тока
|
  
|
|
|
|
|
Принятый коэффициент
трансформации ТА
|
КТА
|
 
|
|
|
|
Вторичный ток в плечах
защиты, соответствующий номинальной мощности трансформатора, А
|
4,5595,4354,133
|
|
|
|
Определение необходимости установки выравнивающих
автотрансформаторов.
Выбирается одна любая из сторон защищаемого трансформатора, принимаемая в дальнейших
расчетах за основную. Вторичные обмотки ТА основной стороны подсоединяются к
ответвлению трансреактора (ТАV) реле ДЗТ-21 либо непосредственно, либо через
промежуточные выравнивающие автотрансформаторы (ТАL). Непосредственное
подсоединение вторичных обмоток ТА к трансреакторам реле выполняется, если
значения вторичных токов ТА основной стороны находятся в пределах от 2,5 до 5
А.
За
основную принимаем сторону ВН, тем более, что номинальный ток этой стороны
примерно равен номинальному току трансреактора на ответвлении 2 (табл.4.1.,
[5]). Таким образом, на основной стороне, где
=4,559 А,
выравнивающего автотрансформатора не требуется, а вторичные обмотки ТА
подсоединяются непосредственно к трансреакторам реле ДЗТ-21.
Определение
номера ответвления для трансреактора комплекта ДЗТ-21 на основной стороне. Для основной стороны выбирается ответвление
трансреактора TAV с таким номинальным током, чтобы выполнялось
соотношение:
( 6.4.)
Для
рассматриваемого трансформатора на стороне ВН, где
=4,559 А, согласно формуле 6.4. по таблице 4.1. [5]
можно выбрать ответвление 2, т.е.
=4,6 А.
Определение
номеров ответвлений для автотрансформаторов трансреакторов на не основных
сторонах. Ответвления трансреактора
или автотрансформаторов АТ-31 или АТ-32 для не основных сторон следует
выбирать, исходя из вторичного тока
. в плечах защиты на рассматриваемой не основной стороне
и тока выбранного ответвления
основной
стороны. При этом должно выполняться соотношение:
( 6.5.)
Принимаются
ответвления с номинальным током, равным или ближайшим меньшим расчетного.
Для
рассматриваемого случая получаются следующие цифры и подсоединения
Сторона
СН:
Если
значение номинального тока, выбранного согласно формуле 6.5. ответвления
трансреактора, отличается от расчетного значения тока
в целой части или в первом знаке после запятой, то на
данной не основной стороне целесообразно включение выравнивающего
автотрансформатора (АТ-31 или АТ-32), даже если ток находится в пределах от 2,5
до 5 А. В нашем случае так и произошло, т.к. ближайший наименьший ток
ответвления трансреактора (табл.4.1., [5]) равен 5 А, что значительно
отличается от 5,48 А.
В
рассматриваемом случае поскольку значение
находится
в выше 5 А, то необходимо применить АТ-32. Единственным условием является
подбор коэффициента трансформации автотрансформатора так, чтобы ток равный
, в максимальной степени соответствовал одному из
значений токов трансреактора из таблицы 4.1. [5]. Таким значением для нашего
примера является
понижающего автотрансформатора АТ-32, поскольку
А, что соответствует номинальному току ответвления №5
трансреактора. При использовании АТ-32 с таким
вторичные
обмотки ТА на стороне НН следует подключить к входным клеммам
автотрансформатора 1-6, а реле ДЗТ-21 - к выходным клеммам 1-3 (табл. 4.3.,
[5]).
Сторона
НН:
Поскольку
этот ток также отличается от номинального значения тока, то на данной не
основной стороне также целесообразно включение выравнивающего
автотрансформатора. Коэффициент трансформации автотрансформатора
подбираем так, чтобы ток равный
, в максимальной степени соответствовал одному из
значений токов трансреактора из таблицы 4.1. [15]. Таким значением для нашего
примера является
понижающего автотрансформатора АТ-32, тогда
А, а номер ответвления трансреактора №5. В этом
случае номера входных клемм автотрансформатора, к которым подсоединяются
вторичные обмотки ТА стороны НН согласно таблице 4.3 [15], 1-5, а выходных -
1-3.
Выбор сторон, на которых используется торможение и уставки
начала торможения. В
рассматриваемом случае применяем торможение на всех сторонах, для чего
используются промежуточные трансформаторы тока на двух сторонах и приставка
дополнительного торможения на третьей стороне. Уставка «начала торможения» при
торможении со всех сторон будет определяться как:
( 6.6.)
Выбор ответвлений промежуточных трансформаторов тока цепи
торможения реле.
Ответвление
промежуточных трансформаторов тока ТА цепи торможения реле и
приставки дополнительного торможения выбираются на основании выражения:
, ( 6.7.)
где
- коэффициент трансформации выравнивающего
трансформатора на стороне, где осуществляется торможение (если
автотрансформатора нет, то
).
Сторона
ВН (основная):
Сторона
СН:
Сторона
НН:
Ответвления
принимаются по таблице 4.4. [15] с током
равным или ближайшим меньшим расчетного. Т.о. для стороны ВН номер ответвления
- 2, для стороны СН номер ответвления - 2, для стороны НН номер ответвления -
3.
Результаты
расчетов помещены в таблицу 5.2.
Таблица
5.2.
Результаты расчета параметров элементов подключения реле ДЗТ-21
|
Параметры
|
Обозначение и метод
определения
|
Числовые значения на
сторонах
|
|
|
110 кВ
|
35 кВ
|
10 кВ
|
|
Номинальный ток принятого ответвления
трансреактора реле на основной стороне, А
|
|
4,6
|
-
|
-
|
|
Расчетный ток ответвления
автотрансформаторов тока на не основных сторонах, А
|
|
-
|
5,48
|
4,17
|
|
Тип автотрансформаторов
тока в плечах защиты
|
по табл. 4.3
|
-
|
АТ-32
|
АТ-32
|
|
Номинальный ток
используемого ответвления автотрансформатора тока, к которому подводятся
вторичные токи в плечах защиты, А
|
по табл. 4.3
|
-
|
5,435
|
4,133
|
|
Номер используемого
ответвления автотрансформатора тока, к которому подводятся вторичные токи в
плечах защиты
|
по табл. 4.3.
|
-
|
1-6
|
1-5
|
|
Номинальный ток
используемого ответвления автотрансформатора тока, к которому подключено
реле, А
|
по табл. 4.3
|
-
|
3
|
3
|
|
Номер используемого
ответвления автотрансформатора тока, к которому подключено реле
|
по табл. 4.3.
|
-
|
1-3
|
1-3
|
|
Номинальный ток принятого
ответвления трансреактора на не основной стороне, А
|
по табл. 4.1.
|
-
|
3
|
3
|
|
Номер используемого
ответвления трансреактора реле
|
по табл. 4.1.
|
2
|
5
|
5
|
|
Расчетный ток ответвления
промежуточных ТА цепи торможения реле, А
|
|
4,559
|
3,071
|
2,973
|
|
Номинальный ток принятого
ответвления промежуточных трансформаторов тока цепи торможения (приставки), А
|
3,753,753
|
|
|
|
|
Номер используемого
ответвления промежуточных трансформаторов тока цепи торможения (приставки), А
|
по табл. 4.4.
|
2
|
2
|
3
|
Определение первичного тормозного тока, соответствующего
началу торможения.
Первичные токи начала торможения является основой для определения минимального
тока срабатывания защиты при отсутствии торможения.
При использовании торможения на всех сторонах силового трансформатора
первичный тормозной ток, соответствующий началу торможения, определяется по
формуле (6.8.):
( 6.8.)
где
- коэффициент токораспределения соответственно для
сторон ВН, СН, НН в расчетном нагрузочном режиме. Если нет специальных указаний
можно условно считать, что расчетный режим соответствует номинальному току в
обмотках ВН и токам в обмотках СН и НН с коэффициентами
=0,5. Тогда для рассматриваемого случая:
Определение
тока небаланса в режиме, соответствующем началу торможения. Ток небаланса в режиме, соответствующем началу
торможения определяется по формуле (6.9.):
, ( 6.9.)
где
- составляющая тока небаланса от погрешности
трансформаторов тока;
-
составляющая тока небаланса от регулирования коэффициента трансформации
силового трансформатора;
-
составляющая тока небаланса от несовпадения расчетных токов и номинальных токов
используемых ответвлений автотрансформаторов тока.
, (
6.10.)
где
=1 - коэффициент, учитывающий апериодическую
составляющую тока КЗ;
=1 -
коэффициент, учитывающий однотипность трансформаторов тока;
-
относительное значение погрешности трансформаторов тока;
( 6.11.)
где
- относительная погрешность, обусловленная
регулированием напряжения на стороне ВН и СН соответственно;
-
коэффициент токораспределения, отражающий долю тока КЗ, протекающего по обмотке
ВН и СН соответственно в расчетном режиме внешнего КЗ.
( 6.12.)
где
- расчетные значения токов на не основных сторонах
для выбора схемы включения АТ-31, АТ-32 или трансреактора реле ДЗТ-21;
-
номинальные токи принятых ответвлений.
Тогда
для рассматриваемого примера:
, так как
нет регулировки.
Определение
первичного минимального тока срабатывания защиты. Первичный минимальный ток срабатывания защиты (ее
чувствительного органа) с ДЗТ-21 определяется из двух основных условий:
)
отстройки от расчетного первичного тока небаланса в режиме, соответствующему
началу торможения:
, (
6.13.)
где
.
)
отстройки от тока небаланса переходного режима при внешнем коротком замыкании:
( 6.14.)
За
основу для настройки принимается большее из этих двух значений:
Таким
образом за основу для настройки реле принимается
Определение
относительного минимального тока срабатывания реле. Ток срабатывания чувствительного органа реле
устанавливается специальным пусковым сопротивлением в комплексе ДЗТ-21. Значение
этого тока определяется по формуле:
, (
6.15.)
где
- коэффициент трансформации трансформатора тока для
расчетной стороны;
-
коэффициент схемы для расчетной стороны.
Расчетной
стороной, т.е. стороной, для которой взяты все величины в данном выражении,
принимается та не основная сторона, где ток принятого ответвления трансреактора
или автотрансформатора, т.е.
., в максимальной степени отличается от расчетного, т.е
от
. В данном случае такой стороной является сторона НН:
Определение
коэффициента торможения защиты.
Коэффициент торможения
, равный тангенсу угла наклона тормозной
характеристики, выбирается из условия недействия защиты от тока небаланса при
внешнем трехфазном КЗ в максимальном режиме работы системы и определяется по
формуле:
, (
6.16.)
где
- расчетный ток небаланса, определенный для тока
внешнего трехфазного КЗ в максимальном режиме. При определении
берем
, а
.
Полученное
расчетное значение
выставляется на реле ДЗТ-21 при помощи переменного
резистора.
Расчет
тока срабатывания дифференциальной токовой отсечки. Большая эффективность тормозных свойств реле ДЗТ-21
при наличии апериодических составляющих в токе КЗ может дать отрицательные
результаты. Например, при внутренних КЗ с большими токами может возникнуть
замедление срабатывания реле (пока не исчерпается апериодическая составляющая).
Для обеспечения надежности и уменьшения времени действия реле при больших
кратностях тока КЗ в защищаемой зоне в комплекте ДЗТ-21 предусмотрена
дифференциальная токовая отсечка, т.е. дифференциальная защита без отстройки от
апериодической составляющей и без тормозных свойств. Первичный ток срабатывания
дифференциальной токовой отсечки определяется условиями отстройки от броска
тока намагничивания и от тока небаланса при внешнем трехфазном коротком
замыкании.
Как
показали исследования, надежная отстройка от броска тока намагничивания
получается, если ток срабатывания будет равен или больше
. В переводе на первичный ток это составит:
( 6.17.)
Второй
вариант расчета - отстройка от максимального расчетного тока небаланса.
Расчетный ток небаланса может быть определен по выражению:
Тогда
Таким
образом, лимитирующей является отстройка от максимального расчетного тока
небаланса, и для настройки реле принимается первичный ток 8799,097 А.
Чувствительность
дифференциальной защиты на ДЗТ-21 может не проверятся, т.к. она заведомо выше
требуемой согласно ПУЭ. Чувствительность дифференциальной токовой отсечки не
определяется, т.к она является вспомогательным элементом.
6.2.2 Защита от многофазных КЗ на шинах НН
В трансформаторах и автотрансформаторах значительной мощности для
отключения КЗ на шинах, а также для резервирования отключения повреждений на
элементах, присоединённых к этим шинам, рекомендуется применять максимальные
токовые защиты (МТЗ) с комбинированным пуском по напряжению. Опытные данные и
теоретические исследования показали, что применение простой МТЗ и даже МТЗ с
блокировкой минимального напряжения не обеспечивают должной чувствительности.
Защита выполняется двумя токовыми реле РТ - 40, которые присоединяются к
ТА, соединённым в неполную звезду и установленным в цепи ответвления к
выключателю НН. Пусковые органы напряжения выполняются посредством фильтр-реле
обратной последовательности РНФ - 1М и минимального реле напряжения РН -
54/160, присоединённых к трансформатору напряжения TV, установленному на шинах НН. Схема присоединения пусковых
органов напряжения показана на рис. 6.1.
Рис. 6.1. Схема подсоединения пусковых органов напряжения
Ток срабатывания защиты определяется по формуле:
(6.18)
где
Котс = 1,2 - коэффициент отстройки (надёжности);
КВ
= 0,8 - коэффициент возврата.
Для
рассматриваемого случая:
Ток
срабатывания реле определяется:
(6.19)
где
КСХ = 1 - коэффициент схемы;
КТА
= 4000/5 - коэффициент трансформации ТА (табл. 5.1).
Первичное
напряжение срабатывания фильтр-реле напряжения обратной последовательности
определяется из условия отстройки от напряжения небаланса в нагрузочном режиме.
где
Uном -
номинальное междуфазное напряжение.
Поскольку
, то напряжение срабатывания реле РНФ-1М будет равно
Первичное
напряжение срабатывания минимального реле напряжения определяется из условия
отстройки от напряжения самозапуска двигателей от действия АВР и может быть
принято 0,7 Uном, т.е.
для реле РН - 54/160 это составит 70 В. Как уже было сказано выше защита
выполняется с двумя выдержками времени:
где
tПР.max -
максимальная выдержка времени защит присоединений к шинам НН трансформатора; Dt = 0,5 - 0,6 с
- ступень выдержки времени.
Чувствительность
МТЗ по току при двухфазном КЗ в минимальном режиме на шинах НН оценивается
коэффициентом чувствительности
, который
составляет:
(6.20)
где I(2)КЗ.min.НН - ток двухфазного КЗ на шинах НН в
минимальном режиме, приведённый к напряжению 11 кВ.
Согласно
ПУЭ значение КЧ для МТЗ от сверхтоков не должно быть менее 1,5.
6.2.3 Защита от многофазных КЗ на стороне СН
Защита предназначена для резервирования отключения КЗ на ошиновке и шинах
СН, а также на элементах, присоединённых к этим шинам. (защита от сверхтоков
СН). В качестве этой защиты используют МТЗ с комбинированным пуском по
напряжению, выполненной аналогично описанной выше для стороны НН.
На основании формул 6.18, 6.19, и 6.20 для МТЗ на стороне СН получим:
Защита,
как правило, имеет три выдержки времени и действует последовательно на
отключение секционного выключателя шин СН, на отключение выключателя СН
трансформатора, на отключение трансформатора со всех сторон (на выходные
промежуточные реле).
или
где
tПР.max -
максимальная выдержка времени защит присоединений к шинам СН трансформатора.
6.2.4 Защита от многофазных КЗ на стороне ВН
Защита предназначена для резервирования отключения КЗ на шинах НН и СН, а
также для резервирования основных защит трансформатора. Защита присоединяется к
ТА, установленным на стороне ВН. На трёхобмоточных трансформаторах с
односторонним питанием вторичные обмотки ТА соединяются в треугольник. Защита
выполняется тремя токовыми реле типа РТ-40. Так же, как и на сторонах НН и СН,
рекомендуется применение защиты с комбинированным пуском по напряжению. При
этом в качестве пусковых органов используются реле РНФ-1М и РН54/160,
установленные на стороне НН и СН. Защита выполняется с одной выдержкой времени,
равной наибольшей из выдержек времени соответствующих защит на сторонах НН и
СН, и действует на выходные промежуточные реле для отключения трансформатора со
всех сторон.
Для рассматриваемого случая:
Выдержка
времени принимается равной наибольшей из выдержек времени МТЗ, установленных на
сторонах НН и СН.
Чувствительность
защиты оценивается при двухфазных КЗ на шинах НН и СН при работе системы в
минимальном режиме. Из сопоставления токов видно, что лимитирующим (минимальным)
будет режим с КЗ на шинах НН.
6.2.5
Защита от перегрузки автотрансформатора
Предназначена
для защиты от симметричных перегрузок. Обычно выполняется МТЗ с независимой
выдержкой времени. Защита осуществляется одним реле типа РТ-40, включенным на
ток одной фазы. На трёхобмоточных трансформаторах при одностороннем питании эта
защита устанавливается на обмотках ВН и НН. Реле тока устанавливаются во
вторичные цепи тех же ТА, которые обеспечивают работу МТЗ от многофазных КЗ.
Защита действуют на сигнал с выдержкой времени большей максимальной выдержки
времени резервных защит трансформатора.
( 5.21)
где
Iном -
номинальный ток трансформатора, приведенный к стороне, где установлена защита;
Котс
= 1,05 - коэффициент отстройки (надёжности);
КВ
= 0,8 - коэффициент возврата.
На
стороне НН:
На
стороне СН:
На
стороне ВН:
Чувствительность
токовых защит от перегрузки не оценивается.
6.2.6 Газовая защита
Газовая защита предназначена от замыкания внутри бака трансформатора и в контактном
отсеке РПН, сопровождающихся выделением газа. Один комплект реле находится в
патрубке, соединяющим основной бак трансформатора с баком расширителя, второй
комплект - в контакторном отсеке РПН.
Газовая защита бака трансформатора - двухступенчатая. Одна ступень
действует на сигнал, другая на отключение трансформатора. Газовая защита отсека
РПН имеет одну ступень, действующую на отключение.
Газовая защита является чисто механическим устройством, идёт в комплекте
с силовым трансформатором и расчётных параметров не имеет. Контактные элементы
газовой защиты должны быть учтены при синтезе принципиальной схемы оперативных
цепей защиты.
Основным элементом газовой защиты является газовое реле KSG, устанавливаемое в маслопроводе
между баком и расширителем (рис. 6.2., а). Ранее выпускалось поплавковое
газовое реле ПГ-22. Более совершенно реле РГЧЗ-66 с чашкообразными элементами 1
и 2 (рис. 6.2., б).
Элементы выполнены в виде плоскодонных алюминиевых чашек, вращающихся вместе
с подвижными контактами 4 вокруг осей 3. Эти контакты замыкаются с неподвижными
контактами 5 при опускании чашек. В нормальном режиме при наличии масла в
кожухе реле чашки удерживаются пружинами 6 в положении, указанном на рисунке.
Система отрегулирована так, что масса чашки с маслом является достаточной для
преодоления силы пружины при отсутствии масла в кожухе реле. Поэтому понижение
уровня масла сопровождается опусканием чашек и замыканием соответствующих
контактов. Сначала опускается верхняя чашка и реле действует на сигнал. При
интенсивном газообразовании возникает сильный поток масла и газов из бака в
расширитель через газовое реле. На пути потока находится лопасть 7, действующая
вместе с нижней чашкой на общий контакт. Лопасть поворачивается и замыкает
контакт в цепи отключения трансформатора, если скорость движения масла и газов
достигает определенного значения, установленного на реле.
Достоинства газовой защиты: высокая чувствительность и реагирование
практически на все виды повреждения внутри бака; сравнительно небольшое время
срабатывания; простота выполнения, а также способность защищать трансформатор
при недопустимом понижении уровня масла по любым причинам.
Наряду с этим защита имеет ряд существенных недостатков, основной из
которых - нереагирование ее на повреждения, расположенные вне бака, в зоне
между трансформатором и выключателями. Защита может подействовать ложно при
попадании воздуха в бак трансформатора, что может быть, например, при доливке
масла, после ремонта системы охлаждения и др. Возможны также ложные
срабатывания защиты на трансформаторах, установленных в районах, подверженных
землетрясениям. В таких случаях допускается возможность перевода действия
отключающего элемента на сигнал. В связи с этим газовую защиту нельзя использовать
в качестве единственной защиты трансформатора от внутренних повреждений.
Необходимо также отметить, что начальная стадия виткового замыкания может
и не сопровождаться появлением дуги и газообразованием. В таком случае газовая
защита не действует и витковые замыкания в трансформаторе могут длительно
оставаться незамеченными.
7. УНИВЕРСАЛЬНАЯ ФИЗИЧЕСКАЯ МОДЕЛЬ ДЛЯ ИСПЫТАНИЯ КОМПЬЮТЕРНЫХ
ЗАЩИТ
.1 Тенденции развития элементов и систем релейной защиты
Релейная зашита является основным видом автоматики в электрических сетях
и системах без которой невозможна нормальная работа этих систем и другого
электротехнического оборудования. Основным элементом любой зашиты, является
реле. Тенденция развития релейных защит в настоящее время заключается в
постепенной замене контактных элементов на бесконтактные, электромеханических
комплексов релейной защиты узкого предназначения на цифровые, компьютерные
комплексы с весьма широкими возможностями. Обуславливается это рядом
неоспоримых преимуществ компьютерных, микропроцессорных комплексов перед
электромеханическими устройствами:
обеспечение точности и постоянства характеристик;
уменьшение эксплуатационных расходов и повышение надежности вследствие
непрерывной самодиагностики;
возможность измерения, регистрации, индикации режимов и событий;
возможность реализации полноценной автоматической системы управления технологическим
процессом.
.2 Возможности микропроцессорного блока релейной защиты и
автоматики серии «БЭМП»
Компьютерная защита «БЭМП» выполняет все необходимые функции релейной
защиты, автоматики, сигнализации и управления для присоединения среднего напряжения
6 - 35 кВ. Может применяться в качестве основного устройства РЗА присоединений
комплектных распределительных устройств (КРУ) электрических станций и
распределительных подстанций сетевых предприятий, промышленных предприятий, а
также предприятий нефтяного и газового комплекса. Защита выполняется в виде
компактной панели, представленной на рис. 7.1.
Рис. 7.1. Микропроцессорный блок релейной защиты и автоматики серии
«БЭМП»
Типовые функциональные схемы БЭМП позволяют проектировать устройства
защиты и автоматики:
защиты воздушных и кабельных линий;
защиты вводных и секционных выключателей;
защиты асинхронных и синхронных двигателей;
устройства контроля напряжения секции шин;
устройства автоматической частотной разгрузки (АЧР);
устройства быстрого автоматического ввода резерва;
ряд других исполнений устройств РЗА.
7.3 Характеристика физической модели лабораторного стенда
При подготовке современных инженеров-электриков необходимо знакомить их с
такими защитами, изучать их в лаборатории. Чтобы осваивать принципы настройки и
работы этих защит, а также их возможности, необходимо иметь дело с действующими
образцами. Для этого в лаборатории необходима физическая модель объекта, на
которую и должна работать соответствующая защита.
Передо мной была поставлена задача разработать такую модель. При
разработке были учтены следующие требования:
. Универсальность, а именно возможность подсоединения любой цифровой
защиты;
. Соблюдение коэффициентов подобия с реальным объектом;
. Возможность воспроизведения таких факторов, которые позволят
исследовать все основные возможности защит;
. Наличие необходимых источников питания, в том числе и для
функционирования блоков защит;
. Наличие сигнальных устройств;
. Безопасность работы с моделью.
На данную физическую модель будет осуществлено подключение панели защиты
типа «БЭМП». В недалеком будущем на базе дипломного проектирования такая
лабораторная установка будет собрана.
За основу для моделирования была взята линия класса напряжения 35 кВ, протяженностью
40 км, выполненная проводом марки АС-70/11, питающая нагрузку мощностью 4 МВА.
Линия отходит от подстанции с сопротивлением системы 15 Ом.
Принят коэффициент подобия
по напряжению:
,
где
- напряжение линии, кВ
-
напряжение модели, В.
по
току:
,
где
- номинальный ток, протекающий по линии, А;
-
номинальный ток модели, А
В
результате модель линии имитируется сопротивлением:
Ом
где
- длина линии, км
-
удельное сопротивление провода, Ом/км
Сопротивление
нагрузки:
А
где
- мощность нагрузки, МВА,
Ом
где
- сопротивление нагрузки, Ом.
При
таком сопротивлении и питании от 380 В в цепях будут протекать токи:
А,
где
- сопротивление системы, Ом.
Далее
осуществлен расчет токов короткого замыкания в различных точках модели. На их
основании далее была выбрана коммутационная аппаратура.
Рис.
7.2. Схема замещения физической модели линии
Короткое
замыкание в точке К1:
;
Короткое
замыкание в точке К2:
;
Короткое
замыкание в точке К3:
Для
создания модели была выбрана следующая коммутационная аппаратура:
магнитные
пускатели, имитирующие короткие замыкания;
двухпозиционное
промежуточное реле РП-12;
автоматические
выключатели ВА47-29;
кнопки
мгновенного действия и переключатели.
На
модели будут установлены трансформаторы тока (
), к
которым возможно подсоединение любых комплексов защиты. Также предусмотрены
источники постоянного оперативного тока
[В].
В
результате разработана принципиальная схема и схема подключения защиты,
представленные на рис. 7.3 и рис. 7.4 соответственно.
Рис.
7.3. Принципиальная схема физической модели
Рис.
7.5. Схема подключения защиты
Таким
образом, разработанная физическая модель удовлетворяет всем поставленным к ней
требованиям и готова к практической реализации.
8.
ЭКОНОМИЧЕСКАЯ ЧАСТЬ
В данной главе дипломного проекта определим сметную стоимость
предполагаемой установки двух новых автотрансформаторов на подстанции «Лена»,
т.е. составим смету на приобретение и монтаж электрооборудования. Кроме этого
произведем расчет стоимости сооружения лабораторного стенда по исследованию
компьютерных защит.
Стоимость строительства определяется его сметой - экономическим
документом, характеризующим предел допустимых затрат на сооружение объекта.
Сметы служат исходным документом для планирования капитального строительства. В
сметах определяются денежные, трудовые и материальные затраты, необходимые для
выполнения определенного объема строительно-монтажных работ.
Для определения сметной стоимости используются сметные нормы на
строительные работы, прейскуранты на оборудования, ценники на монтаж
оборудования, единичные расценки - нормативы, характеризующие сметную стоимость
единицы строительных работ и включающим стоимость материалов, заработную плату
рабочих, затраты на эксплуатацию используемых механизмов (прямые затраты на
единицу работ); нормы накладных расходов. Для типовых строительных работ
имеются единые районные единичные расценки (ЕРЕР), при использовании которых
вносят некоторые поправки, вытекающие из конкретных условий строительства.
Исходными материалами для определения сметной стоимости строительства
объекта служат данные проекта по составу оборудования, объему строительных и
монтажных работ. В связи с тем, что существует очень много различных
технических и экономических нюансов при формировании цен на промышленное оборудование
в современных рыночных условиях. Сметой на приобретение оборудования
учитываются затраты на транспортировку, складирование, хранение, доставку и
погрузочно-разгрузочные работы.
В данном проекте составим локальную ресурсную ведомость на приобретение и
монтаж основного электрооборудования (по ГЭСНм).
Государственные элементные сметные нормы (ГЭСНм) предназначены для
определения потребности в ресурсах (затраты труда рабочих, строительные машины,
материалы) при выполнении работ по монтажу электротехнических установок и
составления сметных расчетов (смет) ресурсным методом. ГЭСНм-2001 являются
исходными нормативами для разработки единичных расценок на работы федерального
(ФЕР), территориального (ТЕР), отраслевого уровней, индивидуальных и
укрупненных норм (расценок) и других нормативных документов, применяемых для
определения прямых затрат в сметной стоимости монтажных работ.
Состав работы для данного типа автотрансформатора включает в себя:
. Укладка и демонтаж временных клеток из шпал и рельсов по шпалам;
. Установка и очистка баков для масла;
. Прокладка и демонтаж временных маслопроводов;
.Промывка маслопровода;
.Монтаж трансформатора;
.Слив масла из трансформатора;
.Монтаж и демонтаж ФОСН;
.Монтаж и демонтаж вакуумпровода;
.Ваккумирование трансформатора;
.Залив масла в трансформатор;
.Сушка и засыпка силикагеля;
.Отбор проб масла;
.Прокладка и разделка кабеля;
.Контрольный прогрев;
.Дежурство при опробовании и испытании;
.Присоединение.
8.1 Определение сметной стоимости предполагаемой установки
автотрансформаторов
Таблица 8.1.
Локальная ресурсная ведомость на приобретение и монтаж основного
электрооборудования.
|
Номер по порядку
|
Шифр номера норматива и код
ресурса
|
Наименование работ и
затрат, характеристика оборудования и его масса
|
Единицы измерения
|
Количество
|
|
|
|
|
на единицу измерения
|
общая
|
|
08-01-001-17
|
Автотрансформатор АТДЦТН -
125/220/110
|
шт.
|
2
|
|
1.
|
|
Затраты труда
рабочих-монтажников
|
чел.-ч
|
1099
|
2198
|
|
1.1
|
|
Средний разряд работы
|
|
4
|
|
2.
|
|
Затраты труда машинистов
|
чел.-ч
|
127
|
254
|
|
3.
|
|
МАШИНЫ И МЕХАНИЗМЫ
|
|
|
|
|
021102
|
Краны на автомобильном ходу
при работе на монтаже технологического оборудования 10 т
|
маш.-ч
|
71,1
|
142,2
|
|
400002
|
Автомобили бортовые
грузоподъемностью до 8 т
|
маш.-ч
|
7,94
|
15,88
|
|
030203
|
Домкраты гидравлические
грузоподъемностью 63 т
|
маш.-ч
|
76,2
|
152,4
|
|
350701
|
Станции насосные для
привода гидродомкратов
|
маш.-ч
|
9,05
|
18,1
|
|
010410
|
Тракторы на пневмоколесном
ходу при работе на других видах строительства (кроме водохозяйственного) 59
(80) кВт (л.с.)
|
маш.-ч
|
1,24
|
2,48
|
|
040502
|
Установки для сварки ручной
дуговой (постоянного тока)
|
маш.-ч
|
9,21
|
18,42
|
|
351101
|
Установки
"Суховей"
|
маш.-ч
|
42
|
84
|
|
|
050102
|
Компрессоры передвижные с
двигателем внутреннего сгорания давлением до 686 кПа (7 ат) 5 м3/мин
|
маш.-ч
|
42
|
84
|
|
351051
|
Установки передвижные
цеолитовые
|
маш.-ч
|
6,26
|
12,52
|
|
350221
|
Маслоподогреватели
|
маш.-ч
|
6,26
|
12,52
|
|
350202
|
Маслонасосы шестеренные 2.3
м3/час
|
маш.-ч
|
15,8
|
31,6
|
|
350801
|
Установки вакуумной
обработки трансформаторного масла
|
маш.-ч
|
18,1
|
36,2
|
|
350401
|
Насосы вакуумные 3.6 м3/мин
|
маш.-ч
|
69,1
|
138,2
|
|
350100
|
Выпрямители
полупроводниковые для подогрева трансформаторов
|
маш.-ч
|
12,6
|
25,2
|
|
351251
|
Шкафы сушильные
|
маш.-ч
|
9,28
|
18,56
|
|
030902
|
Подъемники гидравлические
высотой подъема 10 м
|
маш.-ч
|
5,09
|
10,18
|
|
4.
|
|
МАТЕРИАЛЫ
|
|
|
|
|
202-0012
|
Пути крановые из рельсов
железнодорожных на бетонном основании, марка стали С 255. Рельсы
железнодорожные
|
т
|
0,0025
|
0,005
|
|
105-0071
|
Шпалы непропитанные для
железных дорог 1 тип
|
шт.
|
3,68
|
7,36
|
|
102-0081
|
Пиломатериалы хвойных
пород. Доски необрезные длиной 4-6.5 м, все ширины, толщиной 44 мм и более
III сорта
|
м3
|
0,062
|
0,124
|
|
101-9184
|
Скобы металлические
|
кг
|
33,3
|
66,6
|
|
101-0324
|
Кислород технический
газообразный
|
м3
|
14,8
|
29,6
|
|
542-0042
|
Пропан-бутан, смесь
техническая
|
кг
|
8
|
16
|
|
101-1924
|
Электроды диаметром 4 мм
Э42А
|
кг
|
5,83
|
11,66
|
|
101-1627
|
Сталь углеродистая
обыкновенного качества, марка стали ВСт3пс5, листовая толщиной 4-6 мм
|
т
|
0,0343
|
0,0686
|
|
101-1805
|
Гвозди строительные
|
т
|
0,001
|
0,002
|
|
101-0113
|
Бязь суровая арт. 6804
|
10 м2
|
0,472
|
0,944
|
|
113-9042
|
Клей БМК-5к
|
кг
|
0,61
|
1,22
|
|
500-9597
|
Шлифовальная бумага
|
кг
|
2
|
4
|
|
542-0031
|
Смазка универсальная
тугоплавкая УТ (консталин жировой)
|
т
|
0,00036
|
0,00072
|
|
543-0001
|
Пластина техническая без
тканевых прокладок
|
т
|
0,015
|
0,03
|
|
500-9204
|
Прессшпан листовой, марки А
|
кг
|
0,3
|
0,6
|
|
101-9852
|
Краска
|
кг
|
0,24
|
0,48
|
|
500-9502
|
Бирки-оконцеватели
|
100 шт.
|
1,84
|
3,68
|
|
534-9100
|
Муфта
|
шт.
|
20
|
40
|
|
103-0006
|
Трубы стальные сварные
водогазопроводные с резьбой черные легкие (неоцинкованные) диаметр условного
прохода 50 мм, толщина стенки 3 мм
|
м
|
0,0875
|
0,175
|
|
101-1641
|
Сталь угловая,
равнополочная, марка стали ВСт3кп2 размером 50х50х5 мм
|
т
|
0,001
|
0,002
|
|
544-0054
|
Лакоткани хлопчатобумажные
на перкале В, марки ЛХММ-105, шириной 800-850 мм, толщиной 0,24 мм
|
м2
|
3
|
6
|
.2 Стоимость сооружения лабораторного стенда по исследованию
компьютерных защит
Рассмотрим капитальные затраты на сооружение лабораторной установки. В
связи с отсутствием стабильных цен расчеты произведены в ценах 2007 года.
Результаты приведены в таблице 8.2.
Таблица 8.2.
Затраты на сооружение лабораторного стенда
|
№ п/п
|
Наименование
|
Цена, руб.
|
Кол-во, шт.
|
Общая стоимость, руб.
|
|
1
|
2
|
3
|
4
|
5
|
|
1
|
Микропроцессорный блок
релейной защиты типа БЭМП 1-01
|
50000
|
1
|
50000
|
|
2
|
Кнопки мгновенного действия
|
36,05
|
5
|
180,25
|
|
3
|
Понижающий трансформатор
|
3000
|
1
|
3000
|
|
4
|
Переключатели
|
70,2
|
2
|
140,4
|
|
5
|
Магнитные пускатели
|
458,45
|
1375,35
|
|
6
|
Автоматический выключатель
типа ВА47-29
|
74,85
|
2
|
149,7
|
|
7
|
Выпрямитель
|
200
|
1
|
200
|
|
8
|
Сигнальные лампы
|
30,91
|
6
|
185,46
|
|
9
|
Двухпозиционное реле РП-12
|
1389,80
|
1
|
1389,80
|
|
10
|
Трансформатор тока
|
300
|
3
|
900
|
|
Итого
|
57520,96
|
9. Организационные мероприятия,
обеспечивающие безопасность работ в электроустановках
Нарушение правил электробезопасности при использовании технологического
оборудования, электроустановок и непосредственное соприкосновение с токоведущими
частями установок, находящихся под напряжением, создает опасность поражения
электрическим током [15]. Из 100 случаев поражения электрическим током 90 - это
летальный исход. Поэтому стоит уделять должное внимание мероприятиям по
обеспечению безопасности работ на электроустановках.
Мероприятия по обеспечению безопасности работ на электроустановках
делятся на организационные и технические [12]. Во избежание
несчастного случая при работе на электроустановке существует ряд норм и правил,
которые направлены на организацию безопасной работы на электроустановках. В
данной главе рассматриваются организационные мероприятия.
Организационные мероприятия, обеспечивающие безопасность работ в
электроустановках, являются:
- оформление работ нарядом, распоряжением или перечнем работ,
выполняемых в порядке текущей эксплуатации;
допуск к работе;
надзор во время работы;
оформление перерывов в работе, перевода на другое рабочее
место, окончания работы и т.д.
Работы в электроустановках проводятся по устному или письменному
распоряжению (наряду). Работы без снятия напряжения вдали от токоведущих
частей, находящихся под напряжением, кратковременные и небольшие по объему
работы с полным или частичным снятием напряжения, а также без снятия напряжения
вблизи и на токоведущих частях, находящихся под напряжением, выполняемые
оперативным персоналом или под его наблюдением, проводятся по устному
распоряжению. Работы с полным или частичным снятием напряжения, а также без
снятия напряжения вблизи и на токоведущих частях, находящихся под напряжением,
выполняются по наряду. В наряде указывают место работы, время начала и
окончания работы, условия безопасного проведения работы, состав бригады и лиц,
ответственных за безопасность проведения работы.
Ответственными за безопасность работ являются следующие: лицо, выдающее
наряд или отдающее распоряжение; допускающий (ответственное лицо оперативного
персонала), ответственный руководитель работ, производитель работ, наблюдающий,
члены бригады. Право выдачи нарядов предоставляется лицам электротехнического
персонала предприятия и уполномоченным на выдачу нарядов распоряжением
ответственного за электрохозяйство (энергетика) предприятия. Эти лица имеют
квалификационную группу V, а в электроустановках напряжение до 1000 В - не ниже
IV. Право отдавать распоряжения на производство работ, перечень которых
определен главным энергетиком предприятия, предоставляется также лицам
оперативного персонала с квалификационной группой не ниже IV.
Допуск бригады к работе по наряду. Перед допуском к работе ответственный
руководитель и производитель работ совместно с допускающим проверяют выполнение
технических мероприятий безопасности. Затем производится допуск бригады, при
этом допускающий проверяет соответствие состава бригады и квалификации лиц
записи в наряде; прочитывает по наряду фамилии ответственного руководителя,
производителя работ, членов бригады и содержание работы; объясняет бригаде,
откуда снято напряжение, где наложены заземления, какие части ремонтируемого и
соседних присоединений остались под напряжением и какие особые условия
производства работ соблюдаться; убеждается, что все изложенное бригадой понято;
доказывает отсутствие напряжения на присоединениях, выделенных для выполнения
работ: в установках напряжением выше 35 кВ показом наложенных заземлений; в
установках напряжением 35 кВ и ниже, там, где заземления не видны с места
работы, прикосновением к токоведущим частям рукой после предварительной
проверки отсутствия напряжения указателем напряжения; при наличии заземлений,
наложенных непосредственно у места работы, прикосновение к токоведущим частям
не требуется; сдает рабочее место производителю работ.
Один экземпляр наряда, по которому сделан допуск, находится у
производителя работ, а второй - у оперативного персонала.
Надзор во время работы. После допуска бригады к работе надзор за членами
бригады с целью предупреждения нарушений требований техники безопасности
возлагается на производителя работ (или наблюдающего). Производитель работ (или
наблюдающий) все время находится на месте работы. Членов бригады, работающих
отдельно, производитель работ приводит на рабочее место и дает необходимые
указания по технике безопасности. При необходимости отлучки производитель работ
(или наблюдающий), если на время отлучки его не могут заменить ответственный
руководитель или лицо, выдавшее наряд, или лицо оперативного персонала, обязан
удалить бригаду из электроустановки.
Изменение состава бригады с оформлением в наряде вносится ответственным
руководителем работ или лицам, выдавшим наряд, а при отсутствии их лицом,
имеющим право выдачи наряда по данной электроустановке.
Оформление перерывов в работе. При перерыве в работе на протяжении
рабочего дня (по условиям производства работ или на обед) бригада удаляется с
ОРУ или ЗРУ. Наряд остается на руках у производителя работ (или наблюдающего).
Плакаты, ограждения заземления остаются на местах. Ни один из членов бригады не
имеет права войти после перерыва в РУ в отсутствии производителя работ (или
наблюдающего). После перерыва производитель работ (или наблюдающий) указывает
бригаде место работы.
Пробное включение оборудования на рабочее напряжение до полного окончания
работ производится после выполнения оперативным персоналом следующих операций:
бригада удалена из РУ, наряд у производителя работ отобран и в наряде оформлен
перерыв; временные ограждения, заземления и плакаты сняты, а постоянные
ограждения установлены на свои места.
Подготовка рабочего места и допуск бригады после пробного включения
оборудования на рабочее напряжение производится в обычном порядке в присутствии
ответственного руководителя. По окончании рабочего дня рабочее место приводится
в порядок, плакаты заземления и ограждения остаются на местах. На следующий
день к прерванной работе можно приступить после осмотра места работы и проверки
выполнения мероприятий безопасности допускающим, ответственным руководителем
или производителем работ.
Перевод бригады на новое рабочее место. Работа на нескольких рабочих
местах одного присоединения по одному наряду может выполняться при соблюдении
следующих условий: все рабочие места подготавливает оперативный персонал и
принимает ответственный руководитель и производитель работ до начала работ;
производитель работ с бригадой допускается на одно из рабочих мест; в
электроустановках с местным оперативным персоналом перевод бригады на другое
рабочее место производится допускающим; на электроустановках, эксплуатируемых
без местного оперативного персонала, бригаду переводит на другое рабочее место
(при отсутствии допускающего) ответственный руководитель; перевод бригады на новое
рабочее место оформляется в наряде.
При работах без снятия напряжения оформление допуска на другое рабочее
место требуется только при переводе бригады из ОРУ одного напряжения в ОРУ
другого напряжения или из одного помещения ЗРУ в другое.
Окончание работы, сдача - прием рабочего места, закрытие наряда и
включение оборудования в работу. После полного окончания работы рабочее место
приводится в порядок, принимается ответственным руководителем, который после
вывода бригады производителем работ расписывается в наряде об окончании работы
и сдает его оперативному персоналу, а при отсутствии последнего оставляет в
папке действующих нарядов. Если ко времени окончания работ ответственного
руководителя нет на месте, производитель работ с его разрешения и с разрешения
оперативного персонала, расписавшись в наряде о выводе бригады и сдаче наряда,
оставляет его в папке действующих нарядов. В этом случае ответственный
руководитель по прибытии на электроустановку обязан до закрытия наряда
оперативным персоналом осмотреть рабочее место и расписаться в наряде об
окончании работы.
Наряд закрывает оперативный персонал после осмотра оборудования и мест
работы, проверки отсутствия людей, посторонних предметов, инструмента и при
надлежащей чистоте места, где проводились работы, а также после того, как будут
последовательно выполнены следующие операции: сняты заземления, удалены
временные ограждения и плакаты «Работать здесь», «Влезать здесь», установлены
на место постоянные ограждения и сняты все прочие вывешенные до начала работы
плакаты. Изоляцию отремонтированного оборудования проверяют, если это
необходимо, сразу после снятия переносных заземления до удаления временных
ограждения и плакатов.
Оборудование включают только после закрытия наряда, а если работы на
присоединении проводились по нескольким нарядам - после закрытия всех нарядов.
Срок действия нарядов 5 календарных суток. При перерывах в работе наряд
остается действительным, если схема не восстанавливалась и условия производства
работ остались неизменными. Все экземпляры закрытых нарядов хранят в течение 30
дней, после чего их уничтожают. Если при выполнении работ по нарядам были
аварии и электротравмы, то эти наряды хранятся в архивах предприятия.
Выполнение работ по распоряжениям. Распоряжение на производство работы
имеет разовый характер и действует в течение не более одних суток. По
распоряжению можно выполнять следующие работы баз снятия напряжения вдали от
токоведущих частей, находящихся под напряжением:
а) уборка и благоустройство территории ОРУ, скашивание травы, расчистка
от снега дорог и проходов; проезд по территории автомашин, транспортировка,
погрузка или разгрузка грузов; уборка коридоров и служебных помещений ЗРУ,
помещений щитов управления, в том числе уборка за панелями релейной,
измерительной и прочей аппаратуры и т.п.;
б) ремонт осветительной аппаратуры и замена ламп, расположенных вне камер
и ячеек; ремонт аппаратуры телефонной связи; уход за щетками и их замена на
электродвигателях; возобновление надписей на кожухах оборудования, и т.п.;
в) ремонт строительной части зданий ЗРУ и зданий, расположенных на
территории ОРУ, ремонт фундаментов оборудования и порталов, перекрытий
кабельных каналов, дорог, заборов и т.п.;
г) надзор за сушкой отключенных трансформаторов и другого оборудования;
обслуживание маслоочистительной и прочей вспомогательной аппаратуры при очистке
и сушке масла выведенного из схемы оборудования;
д) проверка воздухоосушительных фильтров и замена сорбентов в них;
е) монтаж, проверка, регулировка, снятие для ремонта и установка измерительных
приборов, устройств релейной защиты, автоматика, телемеханики и связи
(напряжением до 1000 в); работы в приводах коммутационных аппаратов, на
вторичных цепях, в цепях электроприводов пароводяной арматуры, производимые в
помещениях электроустановок, где нет токоведущих частей напряжением выше 1000
в, где токоведущие части находятся за постоянными сплошными или сетчатыми
ограждениями, полностью закрывающими ячейки или камеры (щиты, пульты
управления, помещения с КРУ, машинные залы, котельные и т.п.), а также в
приборных отсеках КРУ и КТП; в коридорах управления ЗРУ, где не огражденные
токоведущие части, расположенные над проходом, находятся на высоте не менее
2,75 м при напряжении до 35кВ включительно и 3,5 м при напряжении до 110 кВ
включительно; в шкафах релейной защиты ОРУ, в агрегатных шкафах и приводах
выключателей, вынесенных за сетчатое ограждение.
При выполнении работ по распоряжению производителя работ (наблюдающего)
назначают из числа ремонтного персонала или персонала специальных служб
(электроизмерительных лабораторий, служб защиты и автоматики и т.п.), постоянно
обслуживающего данную электроустановку. К членам бригады, работающим под
надзором наблюдающего, это не относится.
Работы по распоряжению, указанные в пп. «а - д», может выполнять один
рабочий, а указанные в п. «е» - один рабочий оперативного персонала, но не
менее чем два ремонтного персонала и персонала специальных служб.
Квалификационная группа производителя работ, указанная в пп. «а - д», должна
быть не ниже IV, а работ, указанных в п. «е» - не
ниже V.
Оперативный персонал может выполнять работы, указанные в пп. «а» и «б», в
порядке текущей эксплуатации без записи в журнале, остальные работы (пп. «в -
е») - по распоряжению с записью в журнале. Распоряжение на производство работ,
указанных в пп. «а» и «б», могут отдавать также лица оперативного персонала с
квалификационной группой IV.
Перечень работ, производимых оперативным персоналом, определяется распоряжение
лица, ответственного за электрохозяйство.
В случае производственной необходимости по распоряжению под наблюдением
оперативного персонала или самому оперативному персоналу разрешается проводить
небольшие по объему, кратковременные (продолжительностью не более 1 ч)
следующие работы:
с полным или частичным снятием напряжения выполняемые с наложением
заземлений: отсоединение и присоединение кабеля к отдельному электродвигателю,
переключение ветвлений на силовом трансформаторе, подтяжка и зачистка единичный
контактов на шинах и оборудовании, доливка масла в маслонаполненные вводы и устранение
течи масла из них, доливка масла в отдельные аппараты; эти работы производятся
не менее чем двумя лицами с квалификационной группой не ниже IV, включая лицо оперативного
персонала; при допуске выполняются все необходимые технические мероприятия, за
исключением ограждения мест в ОРУ;
без снятия напряжения вблизи и на токоведущих частях, находящихся под
напряжением, не требующие установки заземлений: работа на кожухах оборудования,
чистка и мелкий ремонт арматуры кожуха, маслоуказательных стеков и не
находящихся под напряжением баках выключателей и расширителей трансформаторов и
т.п.; присоединение арматуры кожуха для сушки и очистки масла; измерения
токоизмерительными клещами, проверка нагрева контактов штангой, определение
штангой места вибрации шин, фазировка, смена предохранителей, единичная
операция по контролю изоляторов и соединительных зажимов штангой, измерения при
проверке фильтров присоединения высокочастотных каналов на ВЛ напряжением выше
1000 В; доливка и взятие проб масла и т.п.; эти работы проводятся двумя лицами,
включая лицо оперативного персонала с квалификационной группой не ниже IV, которое осуществляет непрерывный
надзор за работающим; при этих работах выполняются все необходимые мероприятия
для обеспечения безопасности.
Оперативному персоналу, а также по его распоряжению ремонтному персоналу
и персоналу специальных служб и отделов, закрепленных за данной
электроустановкой, разрешается выполнять следующие работы без наряда, но с
записью в оперативном журнале:
не требующие снятия напряжений - уборку помещений до ограждения, чистку и
обтирку кожухов и корпусов электрооборудования, находящегося под напряжением,
доливку масла в подшипники, уход за щетками, кольцами и коллекторами
электрических машин, замету пробочных предохранителей;
со снятием напряжения - ремонт магнитных пускателей, пусковых кнопок,
автоматов, рубильников, реостатов, контакторов и другой пусковой и
коммутационной аппаратуры при условии установки ее вне щитов и сборок; ремонт
отдельных электроприемников (электродвигатели, электрокалориферы и т.п.),
отдельно расположенных магнитных станций и блоков управления, а также замену
плавкий вставок открытого типа; ремонт осветительной проводки. Оперативный
персонал с квалификационной группой не ниже IV указанные работы может выполнять единолично в порядке
текущей эксплуатации.
При получении травмы немедленно прекратить работу, оказать себе или
получить от рядом работающих (по возможности) первую доврачебную помощь.
Необходимо сообщить о несчастном случае непосредственно руководителю (мастеру,
начальнику района), вызвать медицинскую помощь, либо доставить пострадавшего в
ближайшее медицинское учреждение. Каждый работник знает месторасположение
аптечки и умеет ей пользоваться. Место происшествия сохраняется до
расследования причин несчастного случая таким, каким оно было на момент
получения травмы (если это не угрожает жизни и здоровью окружающих работников,
не вызывает аварии и не нарушит производственного процесса, который, по
условиям технологии ведется непрерывно).
Первая помощь оказывается немедленно, по возможности, на месте
происшествия.
При ушибах (нарушении работы конечности), если у пострадавшего нет других
повреждений, ушибленную часть плотно забинтовывают.
При повреждении кожи (рваная, резаная кожа) и кровотечении рану перевязывают
и останавливают кровотечение, накладывают давящую повязку. Если кровотечение не
останавливается - накладывают жгут или закрутку, используя для этой цели
полотенце, платок, резиновый шланг и т.п. При легких ранениях применяют
бактерицидный пластырь.
При повреждении костей пальцев и кисти рук прибинтовывают кисть руки к
широкой шине. В ладонь предварительно вкладывают комок ваты, бинта, руку
согнуть в локте под прямым углом и подвязывают к шее, на поврежденное место
накладывают лед или марлю, смоченную холодной водой.
При поражении электрическим током немедленно освободить пострадавшего от
действия тока (выключить рубильник, перерубить провод). При этом нельзя
прикасаться к пострадавшему пока он находится под действием тока. Первую
доврачебную помощь оказывают сразу после прекращения воздействия электрического
тока, не теряя времени для переноса пострадавшего в другое место. Пострадавшего
кладут на спину, на твердую поверхность, проверяют наличие пульса. Если
пострадавший находится в сознании - обеспечивают ему покой до прибытия врача.
Если пострадавший находится в бессознательном состоянии, но с устойчивым
дыханием и пульсом - его укладывают, создают приток свежего воздуха, дают
нюхать нашатырный спирт. При отсутствии у пострадавшего признаков жизни делают
ему искусственное дыхание.
В случае попадания в зону растекания электрического тока (зону шагового
напряжения) из зоны выходят короткими шажками, не отрывая одной ноги от другой.
При наличии электрозащитных средств (боты, галоши) пользуются ими для выхода из
зоны шагового напряжения. Запрещается выпрыгивать из зоны шагового напряжения
на одной ноге.
Во всех случаях после оказания первой доврачебной помощи пострадавший
направляется в ближайшее медицинское учреждение.
ЗАКЛЮЧЕНИЕ
В дипломном проекте было произведено исследование электрической схемы
подстанции 220/110/35 кВ «Лена». В результате исследования выполнено следующее:
) Дана общая характеристика подстанции, ее электрической схемы, а также
установленного на ней оборудования.
) Определена расчетная электрическая нагрузка автотрансформаторов связи,
которая составила 150,2 МВА.
) Рассчитано число и мощность автотрансформаторов, и на основании
расчетов предложено заменить старые автотрансформаторы (два автотрансформатора
АТДЦТН-63000/220) на два новых (АТДЦТН-125000/220), у которых рассчитанный
коэффициент загрузки составил Кзагр.тран = 60%.
) При помощи программы «GTCURR»
произведен расчет токов короткого замыкания (результат работы программы в
приложении 1). Расчет токов короткого замыкания произведен для двух режимов -
максимального и минимального.
) На основании расчетной нагрузки и токов короткого замыкания произведена
проверка основного силового оборудования подстанции (высоковольтные
выключатели, разъединители, трансформаторы тока и напряжения) по условиям
длительного режима, термической и динамической стойкости. Так как подстанция
«Лена» находится в режиме модернизации, то проверилось, как установленное, так
и предлагаемое к установке оборудование. Все проверенное оборудование проходит
по всем результатам проверки.
) Для защиты от повреждений силовых автотрансформаторов АТДЦТН-125000/220
при аварийных режимах работы на примере одного из них рассчитаны уставки
дифференциальной защиты с реле ДЗТ-21, максимальных токовых защит от сверхтоков
при внешних коротких замыканиях, а также максимальной токовой защиты от
перегрузок. Расчеты показали, что все указанные защиты проходят по
чувствительности.
) В специальном вопросе дипломного проекта разработана универсальная
физическая модель для испытания компьютерных защит. За основу модели взята
воздушная линия электропередачи напряжением 35 кВ. Составлена принципиальная
схема стенда, а также схема подключения защиты. Выбрано коммутационное
оборудование. Таким образом физическая модель полностью готова к практической
реализации.
) В экономической части определена сметная стоимость предлагаемой
установки новых автотрансформаторов по государственным элементным сметным
нормам, она составила 71200 руб. Кроме этого произведен расчет стоимости
сооружения лабораторного стенда по исследованию компьютерных защит. Капитальные
затраты на лабораторный стенд составляют 57520,96 руб.
) В разделе безопасность жизнедеятельности раскрыт вопрос об
организационных мероприятиях, обеспечивающих безопасность работ на электроустановках.
электрическая подстанция автотрансформатор релейный
Список используемой литературы
1. Неклепаев Б. Н., Крючков И. П. Электрическая часть
электростанций и подстанций: Справочные материалы для курсового и дипломного
проектирования: Учеб. пособие для вузов.- 4-е изд., перераб. и доп.- М.:
Энергоатомиздат, 1989.-608 с.: ил.
2. Емцев А.Н. Электрическая часть станций и подстанций.
Проектирование электрической схемы ТЭЦ. Учебное пособие. 2005.
. Правила устройства электроустановок. - 7-ое издание
перераб. и доп. 2005.
. Проектирование электрической части станций и
подстанций: Учебное пособие для вузов / Гук Е.Б., Кантан В.В., Петрова С.С. -
Л.: Энергоатомиздат. Ленинградское отделение, 1985.
. Защита трехобмоточных понижающих трансформаторов и
автотрансформаторов (примеры расчета): Методическое пособие для самостоятельной
работы студентов. / Попик В.А. - Братск: БрИИ, 2004 - 52 с.
6. Проектирование систем электроснабжения, электрических
систем и сетей: Методические указания по дипломному проектированию / Емцев
А.Н., Попик В.А. - Братск: ГОУ ВПО «БрГУ», 2004.
7. Автоматика электроэнергетических систем: Учебное
пособие. / Курбацкий В.Г., Попик В.А. - Братск: ГОУ ВПО «БрГТУ», 2004.
. Правила технической эксплуатации и техники
безопасности при эксплуатации электроустановок потребителей. - М: ИНФРА-М,
2003.
. Опалева Г.Н. Схемы и подстанции электроснабжения:
Справочник: Учебное пособие. - М.:ФОРУМ: ИНФРА-М, 2006. - 480 с.
. Электротехнический справочник том 3. Производство,
передача и распределение электрической энергии / под общей ред. профессоров МЭИ
В.Г. Герасимова и др. - М.: изд. МЭИ 2004. - 964 с.
11. ГОСУДАРСТВЕННЫЕ ЭЛЕМЕНТНЫЕ СМЕТНЫЕ НОРМЫ НА
МОНТАЖ ОБОРУДОВАНИЯ. ГЭСНм-2001-08.Сборник № 8
ОАО НИИ Проектэлектромонтаж (Н.А. Кашехлебова) и ассоциацией
Росэлектромонтаж (Е.Ф. Хомицкий) под методическим
руководством
ЦНИИЭУС Госстроя России.
12. Сабарно Р.В., Степанов А.Г., Электробезопасность на
электропредприятиях: Справочник., К., 1985, 284 - 286 с.
13. Девисилов В.А. Охрана труда: Учебник. - 2-е изд., испр.
и доп. - М.: ФОРУМ: ИНФРА-М, 2006. - 448 с.: ил.
. Безопасность жизнедеятельности: Учебник для вузов/
С.В. Белов, А.В. Ильницкая, А.Ф. Козьяков и др.; Под общ. ред. С.В. Белова. 3-е
изд., испр. и доп. - М.: Высш.шк., 2001. - 485 с.: ил.
. Безопасность жизнедеятельности: Учебник / Под ред.
Проф. Э.А. Арустамова. - 13-е изд., перераб. и доп. - М.: Издательско-торговая
корпорация «Дашков и Кº», 2007. - 456 с.