Выбор основного оборудования на проектируемой подстанции
СОДЕРЖАНИЕ
Введение
. Выбор силовых трансформаторов проектируемой
подстанции
. Выбор и обоснование главной схемы электрических
соединений
.1 Выбор количества отходящих линий
.2 Выбор схем распределительных устройств
.3 Технико-экономическое сравнение вариантов
. Выбор сечений проводников воздушных и кабельных
линий и расчет режимов электрической сети проектируемой подстанции
.1 Выбор сечений проводников
.2 Расчет режимов работы электрической сети
.2.1 Расчет электрической сети в режиме максимальных
нагрузок
.2.2 Расчет электрической сети в режиме минимальных
нагрузок
. Расчет токов короткого замыкания
.1 Составление схемы замещения электрической сети
.2 Выбор базисных условий и определение параметров
элементов схемы замещения
.2.1 Расчет токов к.з. на стороне 220 кВ
.2.2 Расчет токов к.з. на стороне 35 кВ
.2.3 Расчет токов к.з. на стороне 6 кВ
.3 Выбор токоограничивающих реакторов
. Выбор коммутационных аппаратов
.1 Выбор выключателей
.1.1 Выбор выключателей на стороне 220 кВ
.1.2 Выбор выключателей на стороне 35 кВ
.1.3 Выбор секционного выключателя на стороне 35 кВ
.1.4 Выбор выключателей на стороне 6 кВ
.1.5 Выбор секционного выключателя на стороне 6 кВ
.1.6 Выбор выключателей на отходящей линии 6 кВ
.1.7 Выбор выключателей нагрузки на линии 6кВ
.2 Выбор разъединителей
.3 Выбор предохранителей для ТП1 и ТП2
. Выбор токоведущих частей и кабелей
.1 Выбор сборных шин и гибких токопроводов
.1.1 Выбор сборных шин на стороне 220 кВ
.1.2 Выбор сборных шин на стороне 35 кВ
.1.3 Выбор сборных шин на стороне 6 кВ
. Выбор контрольно-измерительных приборов для основных
цепей схемы
. Выбор измерительных трансформаторов
.1 Выбор трансформаторов тока
.2 Выбор трансформаторов напряжения
. Выбор и описание конструкции РУ
.1 Выбор закрытого распределительного устройства
.2 Конструкция закрытого распределительного устройства
10 кВ с одной секционированной системой шин
.3 Выбор ограничителей перенапряжения и изоляторов на
проектируемой подстанции
Заключение
Литература
ВВЕДЕНИЕ
Электрическая энергия широко применяется во всех областях народного
хозяйства и в быту. Этому способствует универсальность и простота ее
использования, возможность производства в больших количествах промышленным
способом и передачи на большие расстояния. Энергетика занимает ведущее место
среди отраслей народного хозяйства. Уровень развития энергетики и
электрификации в наиболее обобщенном виде отражает достигнутый
технико-экономический потенциал страны.
Несмотря на спад производства и прочие неблагоприятные факторы,
энергетика по-прежнему развивается и в настоящее время необходимы правильно
спроектированные подстанции для распределения и передачи электроэнергии.
Задачей курсового проекта является закрепление теоретического материала и
приобретение практических навыков по проектированию электрической части
подстанции, расчету и выбору шин, трансформаторов, высоковольтных аппаратов,
расчету режимов электрической сети, а также приобретение опыта в использовании
справочной литературы, руководящих указаний и нормативных материалов.
При выполнении курсового проекта подлежат разработке следующие вопросы:
выбор основного оборудования;
выбор и обоснование главной схемы электрических соединений подстанции;
выбор проводников ЛЭП и расчет режимов электрической сети;
расчет токов короткого замыкания;
выбор коммутационных аппаратов;
выбор токоведущих частей;
выбор измерительных приборов и измерительных трансформаторов;
выбор конструкции РУ.
Целью данного курсового проекта является выбор основного оборудования на
проектируемой подстанции.
1. ВЫБОР СИЛОВЫХ ТРАНСФОРМАТОРОВ ПРОЕКТИРУЕМОЙ ПОДСТАНЦИИ
Число трансформаторов на подстанции выбирается в зависимости от мощности
и ответственности потребителей, а также наличия резервных источников питания в
сетях среднего и низкого напряжений. Так как от подстанции питаются потребители
всех трех категорий, то по условию надежности требуется установка не менее двух
трансформаторов.
Для выбора трансформаторов на РП определим расчетную мощность
трансформаторов по формуле[1,с.12]:
(1.1)
Где
Sт.расч. - расчетная мощность трансформатора, МВA;с= S1+S2+S3+S4 - суммарная
мощность потребителей, МВA;
S1=P1/cosφ1=52/0.86=60 MBA
S2P2/cosφ2=1.9/0.87=2.1 MBA
S3=P3/cosφ3=0.7/0.89=0.79 MBA
S4=P4/cosφ4=14/0.9=15.5 MBA
с=
S1+S2+S3+ S4= 60+2.1+0.79+15.5=87.5 МВА
,4
- коэффициент аварийной перегрузки;- количество трансформаторов.
Намечаем
два варианта трансформаторов[4,с.124]:
вариант:
2*ТДТН-63000/220/35
вариант:
3*ТДТН-40000/220/35
Проверим
1 и 2 варианты трансформаторов по коэффициентам загрузки:
Для
1 варианта: 2*ТДТН-63000/220/35
Определим коэффициент загрузки по формуле:
з=Sс/n·Sном (1.2)
з =87.5/2·63=0,69
Условие kз=0.65-0.8 выполняется.
Определим коэффициент загрузки в послеаварийном режиме по формуле:
з п/ав=Sрасч/(n-1)·Sном (1.3)
з п/ав=87.5/63=1.38
Условие kз п/ав ≤1.4 выполняется.
Для 2 варианта: 3*ТДТН-40000/220/35
Определим коэффициент загрузки по формуле(1.2):
з=Sс/n·Sном
з =87.5/3·40=0,726
Условие kз=0.65-0.8 выполняется.
Определим коэффициент загрузки в послеаварийном режиме по формуле (1.3):
з п/ав=Sрасч/(n-1)·Sном
з п/ав=87.5/2·40=1.089
Условие kз п/ав ≤1.4 выполняется.
Предварительно принимаем для технико-экономического сравнения два
варианта:
вариант: 2*ТДТН-63000/220/35
вариант: 3*ТДТН-40000/220/35
Для выбора трансформаторов на ТП1 определим расчетную мощность по формуле
(1.1) :
т.расч = S2/(n-1)·1.4=2.1/1.4=1.66МВА
По справочным данным предварительно выбираем два трансформатор типа ТМ
мощностью 1.6МВА, то есть 2*ТМ-1600/10[4,с.126].
Определим коэффициент загрузки по формуле (1.2) :з =2.1/2·1.6=0.726
Условие kз=0.65-0.8 выполняется.
Определим коэффициент загрузки в послеаварийном режиме по формуле (1.3):
з п/ав=2.1/1.6=1.45
Условие kз п/ав ≤1.4 не выполняется.
Следовательно выбираем два трансформатора большей мощности, то
есть 2*ТМ-2500/10.
Определим коэффициент загрузки по формуле (1.2) :з =2.1/2·2.5=0.465
Определим коэффициент загрузки в послеаварийном режиме по формуле (1.3):
з п/ав=2.1/2.5=0.93
Условие kз п/ав ≤1.4 выполняется.
Окончательно принимаем два трансформатора ТМ-2500/10.
Мощность трансформатора на ТП2 определим из условия :ном ≥S3
.0 >0.92
Выбираем к установке трансформатор ТМ-1000/10.
Коэффициент загрузки определим по формуле (1.2):з =0.92/1.0=0.92
Условие kз ≤0.93 выполняется.
Окончательно принимаем трансформатор ТМ-1000/10
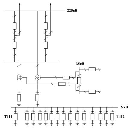
2. ВЫБОР И ОБОСНОВАНИЕ ГЛАВНОЙ СХЕМЫ ЭЛЕКТРИЧЕСКИХ СОЕДИНЕНИЙ
2.1 Выбор количества отходящих линий
Количество отходящих линий определяется исходя из дальности передачи и
экономически целесообразных величин передаваемых можностей:
лэп>Ppy/Pл (2.1)
где Ppy -величина активной мощности на i-ой стороне распределителя
устройства, МВт;л -предел передаваемой активной мощности по одноцепной
линии,МВт;
Пределы передаваемой мощности (Pл) даны в таблице 3.1 [1].
Выбираем количество линий, питающих РП:
лэп> Pрп /220=74.8/155=0.483
по условию надежности принимаем nлэп =2 линии т.к. от РП питаются
потребители всех трех категорий.
Выбираем количество линий, питающих нагрузку P1:лэп1 =P1/6=52/4=13
принимаем nлэп1 =13 присоединительных линий, по которым запитаны
потребители 1-й категории надежности.
Выбираем количество линий, питающих ТП1:лэп2 =P2/4=1.9/4=0.5
принимаем nлэп1 =2 линии, исходя из того, что линия питает потребителей
1-й и 2-й категории надежности.
Выбираем количество линий, питающих ТП2:лэп3= P3/4=0.79 /4=0.2
принимаем nлэп =1 линию т.к. потребители 3-ей категории надежности.
Выбираем количество линий, питающих нагрузку P4:лэп4 =P4/10=14/10=1.6
принимаем nлэп4=2 линии, по которым запитаны потребители 2-й категории
надежности.
2.2 Выбор схем распределительных устройств
При выборе электрической схемы РУ влияет множество факторов, из которых
основные: номинальное напряжение; число присоединений; их мощность; схема сети,
к которой присоединяется данное РУ; очередность сооружения и перспектива
дальнейшего расширения.
Выбираем электрическую схему распределительного устройства по таблице 3.2
[1].
Схема №1 «Четырёхугольник»: напряжение 220-750кВ; ВН-сторона подстанции;
две присоединительные линии[1,с.18].
Рис. 2.1 Схема распределительных устройств «четырёхугольник»
2.3 Технико-экономическое сравнение вариантов
При разработке главной схемы соединений подстанции рассматриваются два
варианта, отличающиеся количеством и мощностью трансформаторов.
На основании технико-экономического сравнения двух вариантов с
трансформаторами ТДТН-40000/220/35 и ТДТН-63000/220/35 по минимуму приведенных
затрат выбираем для дальнейшего расчёта схему подстанции с наименьшими
приведенными затратами[1,с.32].
Рис. 2.2 Структурная схема подстанции.
В настоящее время ведут расчет по минимуму приведенных затрат З, руб.год,
которые определяются из выражения:
(2.2)
где
р - нормативный коэффициент эффективности,1/год, принимаемый в расчетах 0.12;
К
- капиталовложения, руб.;
И
- годовые издержки, руб.год.
Капиталовложения
определяются по упрощенным показателям стоимости оборудования и аппаратов.
Результат расчетов капиталовложений приводятся в таблице 2.1[4,с. 216].
Таблица
2.1 Расчет капиталовложений
|
Оборудование
|
Стоимость единицы, тыс.руб.
|
Вариант
|
|
|
Первый
|
Второй
|
|
|
Кол-во, шт.
|
Стоимость, тыс.руб.
|
Кол-во, шт.
|
Стоимость, тыс.руб.
|
|
ТДТН-63000/220/35
|
189.5
|
2
|
379
|
|
|
|
ТДТН-40000/220/35
|
127
|
|
|
3
|
381
|
Годовые эксплуатационные издержки складываются из трех составляющих:
(2.3)
где
Иа = аК - амортизационные отчисления;
где
а - норма амортизационных отчислений, для силового оборудования равна 6.4% при
Uном≥220кВ;
первый
вариант:
тыс.руб.
второй
вариант:
тыс.руб
Ио
= b∙К - издержки на обслуживание электроустановки;- норма отчислений на
обслуживание, равна 2% при Uном≥220кВ;
первый
вариант:
тыс.руб
второй
вариант:
, тыс.руб
Ип
= ß
Wп - издержки, обусловленные потерями энергии в проектируемой
установке;
ß - удельные затраты на возмещение потерь, принимаются равными 0.8*10-2
тыс.руб/МВт ч;
ΔWп - годовые потери энергии, МВтч/год; для трехобмоточного
трансформатора;
где
n - количество трансформаторов;
ΔРхх - потери холостого хода, МВт;
- время
максимальных потерь, ч;
Для
первого варианта:
ΔРхх=0.061 МВт
МВт;
МВт;
МВт;
час. (2.4)
где
ТНБ -продолжительность использования максимальной нагрузки,
час;
час;
МВт ч
тыс.руб.;
И
= 24.256 + 7.58 + 18.22 = 50.056 тыс.руб.;
З
= 0.12
379 + 50.056 = 95.536 тыс.руб.
Для
второго варианта: ΔРхх=0.055 МВт
МВт;
МВт;
МВт;
час.
где
ТНБ -продолжительность использования максимальной нагрузки,
час;
час;
МВт ч
тыс.руб.;
И
= 24.384 + 7.62 + 22.733 = 54.737 тыс.руб.;
З
= 0.12
381 + 54.737 = 100.457 тыс.руб.
Сравнивая
показатели затрат для трансформаторов ТДТН-63000/220/35 (З = 95.536 тыс.руб.) и
ТДТН-40000/220/35 (З = 100.457 тыс.руб.) окончательно принимаем первый вариант
два трансформатора типа:
ТДТН-63000/220/35
3. ВЫБОР СЕЧЕНИЙ ПРОВОДНИКОВ ВОЗДУШНЫХ И КАБЕЛЬНЫХ ЛИНИЙ И РАСЧЕТ РЕЖИМОВ
ЭЛЕКТРИЧЕСКОЙ СЕТИ ПРОЕКТИРУЕМОЙ ПОДСТАНЦИИ
3.1 Выбор сечений проводников
Выбор сечений проводников ВЛ осуществляем по экономической плотности
тока, с последующей проверкой по условиям нагрева. Проверку на механическую
прочность не выполняем, а выбираем сечения для заданного класса напряжений.
Ток участка в нормальном режиме рассчитывается по формуле:
(3.1)
Выбирем
сечение проводников ВЛ:
Определим
экономическую плотность тока: jэк=1,0 при Тнб=6165.775 ч.
=Iнорм/jэк (3.2)
=114.234/1.0=114.234
мм2
Принимаем
F=240 мм2, так как по короне это минимальное сечение для линии 220кВ[7,с.162].
Длительно
допустимый ток для провода АС-240/32 равен 605А.
Послеаварийный
ток линии равен:
(3.3)
п/ав=228.468
А<Iдоп=605 А, следовательно провод проходит по условиям нагрева.
Окончательно
принимаем провода АС-240/32.
Выбирем
кабель для питания ТП1. Кабель выбираем по экономической плотности тока, а
затем выполняем проверку по нагреву длительно допустимым током и на термическую
стойкость к токам КЗ.
Для
питаня ТП1 необходимо 2 кабеля, тогда по формуле (3.1):
Определим
экономическую плотность тока: jэк=1,2 при Тнб2=7200 ч.=111.896/1.2=93.247 мм2
Принимаем
F=95 мм2. Выбираем кабель АСБ-95 с Iдоп=225 А
Послеаварийный
ток линии равен:
Допустимый
ток кабеля пересчитываем с учетом температуры и способа прокладки и количества
кабелей:
доп’=k1·k2· k3· Iдоп (3.4)
Где: k1 -поправочный коэффициент на количество работающих кабелев,
k1=0.92 (расстояние на свету - 200мм, количество кабелей - 2)- поправочный
коэффициент на ток в зависимости от температуры, k2=0.89(табл. П14 [7])-
поправочный коэффициент на влажность песка более 15%,
k3=1.25доп’=0.92·0.89·1.25·225=230.288Ап/ав=223.792 А< Iдоп’=230.288 А,
следовательно кабель проходит по условиям нагрева.
Окончательно принимаем кабель АСБ-95.
Для питания ТП2 необходим 1 кабель, тогда по формуле (3.1):
Определим
экономическую плотность тока: jэк=1,4 при Тнб3=3500 ч.=88.465/1.4=63.189 мм2
Принимаем
F=70 мм2. Выбираем кабель АСБ-70 с Iдоп=190 Анорм=88.465 А< Iдоп=190 А,
следовательно кабель проходит по условиям нагрева.
Окончательно
принимаем кабель АСБ-70.
Выбирем
сечение проводников для питания нагрузки P4 по формуле (3.1):
Определим
экономическую плотность тока: jэк=1,1 при Тнб4=5000 ч.=148.28/1.1=134.8 мм2
Принимаем
F=150 мм2. Выбираем провода АС-150 с Iдоп=450 А [7,с.178]
Послеаварийный
ток линии равен:
п/ав=296.56
А< Iдоп=450 А, следовательно провод проходит по условиям нагрева.
Окончательно
принимаем провода АС-150.
3.2 Расчет режимов работы электрической сети
Для
данной электрической сети схема замещения будет иметь следующий вид:
Рис.
3.1 Cхема замещения электрической сети
Определим
параметры схемы замещения. Для этого выпишем паспортные данные ее
элементов[7,с.187]:
1) воздушная линия 220кВ (провод АС-240/32):
r01=0.121 Ом/км
х01 =0.435 Ом/км=2.6·10 -6 См/км
=Uн2· b0·L=2202·2.6·10 -6·56=7.047Мвар
2)
кабельные линии ТП 1 (кабель АСБ-95):
r02=0.326 Ом/км
х02=0.078 Ом/км
3) кабельные линии ТП 2 (кабель АСБ-70):
r03=0.443 Ом/км
х03=0.08 Ом/км
4) трансформаторы:
на РП (ТДТН-63000/220/35):ном=63 МВА
ΔPх=0.061 МВт
ΔQх=0.315МВарвн=230 кВсн=38.5 кВнн=6.6
кВкв-с=11%кв-н=20.5%кс-н=9.5%
ΔPкв-с=0.315 МВт
На ТП1: (ТМ-2500/10):ном2=2.5 МВАвн2=6 кВнн2=0.4 кВт2=0.4 Ом
Хт2=2.16 Ом
На ТП2: (ТМ-1600/10):ном3=1.0 МВАвн3=6 кВнн3=0.4 кВт3=1.22 Ом
Хт3=5.35 Ом
Тогда параметры схемы замещения определим по следующим формулам:
Сопротивления в трансформаторах:
На ТП 1:
т2э=Rт2/2=0.4/2=0.2 Ом
Хт2э=Хт2/2=2.16/2=1.08 Омт2э= Rтэ2+ jХтэ2=0.2+j1.08 Ом
На ТП 2:т3=1.22 Ом
Хт3=5.35 Ом
т3= Rт3+ jХт3=1.22+j5.35 Ом
На РП:тв=Rтс=Rтн=ΔPкв-с · Uвн2/ Sном2=0.315·2302/632=4.198 Ом
(3.5)кв=0.5·( Uкв-с+ Uкв-н - U кс-н)=0.5·(11+20.5-9.5)=11% (3.6)кс=0.5·(
Uкв-с+ U кс-н - Uкв-н) =0.5·(11+9.5-20.5)=0%кв=0.5·( Uкв-н+ Uкс-н - U кв-с)
=0.5·(20.5+9.5-11)=9.5%
Ом (3.7)
Ом
Ом
Полные
эквивалентные сопротивления трансформатора на РП (ТДТН-63000/220/35):
Z
твэ= Rтв/2+ jХтв/2=2.099+j46.183 Ом (3.8)тсэ= Rтс/2+ jХтс/2=2.099 Омтнэ= Rтн/2+
jХтн/2=2.099+j39.885 Ом
Полные
потери холостого хода:
ΔS х
= ΔPх +jΔQ х, (3.9)
ΔS х =0.061+j0.315
Активное
сопротивление ВЛЭП:
л1э=r01·L1/n, (3.10)
где
L1 - длина линии, км;- количество линий.
Rл1э=0.121·56/2=3.388Ом.
Реактивное сопротивление ВЛЭП:
Хл1э=х0·L1/n, (3.11)
Хл1э=0.435·56/2=12.18Ом.
Полные эквивалентные сопротивление ВЛЭП:
л1э= Rл1э + jХл1э =3.388+j12.18 Ом
Активное и реактивное сопротивления КЛ определим по формулам (3.10) и
(3.11):
Rл2э=0.326·0.5/2=0.082Ом.
Хл2э=0.078·0.5/2=0.02Ом.
Полные эквивалентные сопротивление КЛ питающей ТП1:л2э= Rл2э + jХл2э
=0.082+j0.02 Ом
Активное и реактивное сопротивления КЛ определим по формулам (3.10) и
(3.11):л3=0.443·0.9=0.399Ом.
Хл3=0.08·0.9=0.072Ом.
Полные эквивалентные сопротивление КЛ питающей ТП2:
л3= Rл3+ jХл3 =0.399+j0.072 Ом
3.2.1 Расчет электрической сети в режиме
максимальных нагрузок
В режиме максимальных нагрузок задаемся напряжением в узле 1 равным
1,1Uном и мощностями, равными мощностям из условия[1,с.14]:
Расчет электрической сети производим в два этапа: на первом этапе
осуществляем расчет потоков мощности «с конца», а на втором - расчет напряжений
«с начала».
Определяем мощность в конце трансформатора на ТП1:
т2к=1.9+j1.187 МВА;
Мощность в начале трансформатора:
т2н= Sт2к+ (Sт2к/ Uвн)2·(Rт2э+jXт2э), (3.12)
Sт2н=1.9+j1.187 +(1.92+j1.1872)/62·(0.2+j1.08)=1.872+j1.291 МВА;
Мощность в начале первой КЛ:
л2н= Sт2н+ (Sт2н/
Uном)2·(Rл2э+jXл2э)л2н=1.872+j1.291+(1.8722+j1.2912)/62·(0.082+j0.02)=1.873+j1.303МВА
Определяем мощность в конце трансформатора на ТП2:
т3к=0.79+j0.453 МВА;
Мощность в начале трансформатора:
т3н= Sт3к+ (Sт3к/
Uвн)2·(Rт3+jXт3)т3н=0.79+j0.453+(0.792+j0.4532)/62·(1.22+j5.35)=
0.707+j0.542МВА;
Мощность в начале второй КЛ:
л3н= Sт3н+ (Sт3н/
Uном)2·(Rл3+jXл3)л3н=0.707+j0.542+(0.7072+j0.5422)/62·(0.399+j0.072)=
0.708+j0.551МВА.
Мощность в конце трансформатора на РП:
тнк=S1+ Sл2н+
Sл3нт1к=52+j34.706+1.873+j1.303+0.708+j0.551=58.581+j36.56МВА;
Мощность в начале низкой обмотки трансформатора на РП:
тнн= Sт1к+ (Sт1к/
Uвн)2·(Rтнэ+jXтнэ)тнн=58.581+j36.56+(58.5812+j36.562)/2302·(2.099+j39.885)=
=55.393+j38.225МВА
Мощность в начале средней обмотки трансформатора на РП:
Sтсн= S4+ (S4/ Uвн)2·(Rтэс+jXтсэ)
Sтсн=14+j8.197+(142+8.1972)/2302·(2.099+j0)=16.004+j8.202МВА
Мощность в конце высокой обмотки трансформатора на РП:
твк= Sтнн+ Sтсн=55.393+j38.225+16.004+j8.202=71.397+46.427МВА
Мощность в начале высокой обмотки трансформатора на РП:
твн= Sтвк+ (Sтвк/
Uвн)2·(Rтвэ+jXтвэ)твн=71.397+46.427+(71.3972+j46.4272)/2302·(2.099+j39.885)=65.668+
j49.127МВА
Мощность в конце ВЛ:
вл1к= Sтвн +2· ΔSх-jQc (3.13)вл1к=65.668+j49.127+2·(0.061+
j0.315)- j 7.047=65.79+ j 42.71МВА;
Мощность в начале ВЛ:
вл1н= Sвл1к+ (Sвл1к/ Uном)2·(Rл1э+jXл1э) (3.14)вл1н=65.79+ j
42.71+(65.792+ 42.712)/2302·(3.388+j12.18) =
=64.656+ j 43.646МВА.нач= Sвл1н-jQс=64.656+ j 43.646- j 7.047=64.656+ j
36.599 МВА.
Производим расчет напряжений в узлах. Напряжение системы принимаем 242кВ
равным 1,1Uном. Тогда напряжение на высокой стороне РП, то есть в узле 2:
(3.15)
Напряжение
трансформатора после высокой обмотки, то есть в узле 0:

Напряжение
трансформатора на шинах СН:
=U3в·Uсн/Uвн
, (3.16)
=229.394·38.5/230=38.399кВ.
Напряжение
трансформатора на шинах НН, приведенное к высокой стороне, то есть в узле 4в:
Напряжение
трансформатора на шинах НН, то есть в узле 4:
=U4в·Uнн/Uвн
=222.771·6.6/230=6.393кВ.
Напряжение
на высокой стороне трансформатора на ТП1, то есть в узле 5:
(3.17)
кВ.
Напряжение
трансформатора на ТП1 на шинах НН, приведенное к высокой стороне, то есть в
узле 6в:
кВ.
Напряжение
трансформатора на шинах НН, то есть в узле 6:
=U6в·Uнн/Uвн ,
=6.087·0.4/6=0.406кВ.
Напряжение на высокой стороне трансформатора на ТП2, то есть в узле 7:
кВ.
Напряжение
трансформатора на ТП2 на шинах НН, приведенное к высокой стороне, то есть в
узле 8в:
кВ.
Напряжение
трансформатора на шинах НН, то есть в узле 8:
=U8в·Uнн/Uвн
,
=5.749·0.4/6=0,383кВ.
Так
как напряжение у потребителя не отличается от номинального больше, чем на 5%,
то нам не нужно осуществлять регулирование его на РП и ТП.
3.2.2 Расчет электрической сети в режиме минимальных
нагрузок
В
режиме минимальных нагрузок задаемся напряжением в узлах равным 1,05Uном и
мощностями, равными 0,6 мощности из условия.
Производим
расчет напряжений в узлах. Напряжение системы принимаем 231кВ. Тогда напряжение
на высокой стороне РП, то есть в узле 2:
Напряжение
трансформатора после высокой обмотки, то есть в узле 0:
Напряжение
трансформатора на шинах СН, приведенное к высокой стороне, то есть в узле 3в:
Напряжение
трансформатора на шинах СН:
=U3в·Uсн/Uвн
,
U3=223.399·38.5/230=37.395кВ.
Напряжение
трансформатора на шинах НН, приведенное к высокой стороне, то есть в узле 4в:
Напряжение
трансформатора на шинах НН, то есть в узле 4:
=U4в·Uнн/Uвн
=219.351·6.6/230=6.294кВ.
Напряжение
на высокой стороне трансформатора на ТП1, то есть в узле 5:
кВ.
Напряжение
трансформатора на ТП1 на шинах НН, приведенное к высокой стороне, то есть в
узле 6в:
кВ.
Напряжение
трансформатора на шинах НН, то есть в узле 6:
=U6в·Uнн/Uвн ,
=6.111·0.4/6=0.407кВ.
Напряжение на высокой стороне трансформатора на ТП2, то есть в узле 7:
кВ.
Напряжение
трансформатора на ТП2 на шинах НН, приведенное к высокой стороне, то есть в
узле 8в:
кВ.
Напряжение
трансформатора на шинах НН, то есть в узле 8:
=U8в·Uнн/Uвн
,
=5.916·0.4/6=0,394кВ.
Так
как напряжение у потребителя не отличается от номинального больше, чем на 5%,
то нам не нужно осуществлять регулирование его на РП и ТП.
4.
РАСЧЕТ ТОКОВ КОРОТКОГО ЗАМЫКАНИЯ
.1 Составление схемы замещения электрической
сети
Расчет токов к.з. производится для выбора и проверки электрооборудования,
а также параметров электрических аппаратов релейной защиты. Точки короткого
замыкания выбираем в таких местах системы, чтобы выбираемые в последующих
расчетах аппараты были поставлены в наиболее тяжелые условия. Наиболее
практичными точками являются сборные шины всех напряжений.
Составляем расчетную схему проектируемой подстанции. В схему замещения
все элементы (система, трансформатор, линия) входят своими индуктивными
сопротивлениями. Схема замещения представлена на рис. 4.1.
рис. 4.1.Схема замещения.
4.2 Выбор базисных условий и определение параметров
элементов схемы замещения
За базисную мощность принимаем мощность равную Sб = 1800 МВА;
За базисное напряжение принимаем напряжения равные средним номинальным
напряжениям сети, которые равны 230 кВ, 37 кВ и 6.3 кВ:б1 = 230 кВ , Uб2 = 37
кВ, Uб3 = 6.3 кВ. Принятые базисные напряжения вытекают из точек к.з., которые
намечаются в расчетной схеме, т.е. К1 - на шинах высокого напряжения
подстанции, K2 и К3 - на шинах среднего и низкого напряжения
соответственно[17,с.145].
Базисные токи определяются по формуле:
, кА (4.1)
где
Sб - базисная мощность, МВА;б - базисное напряжение, кВ.
кА;
кА;
кА.
Определяем
сопротивления элементов схемы замещения.
Сопротивление
системы определяется по выражению:
, (4.2)
где
xd - относительное сопротивление системы, о. е.;
xс
=
о.е.
Сопротивление
трансформаторов определяем по выражению:
(4.3)
где
Uк - напряжение короткого замыкания, %;н - номинальная мощность трансформатора,
МВА.
Для
трехобмоточного трансформатора сопротивления равны:
о.е. ;
о.е. ;
о.е. ;
Сопротивление
линий определяется по выражению:
, (4.4)
где
xo - удельное сопротивление 1 км линии, xo1=0.435 Ом/км для ВЛ ;=0.078 Ом/км
для КЛ1 ;=0.08 Ом/км для КЛ2 ;- протяженность линии, км.
Так
как две линии включены параллельно друг другу, то сопротивление линий
необходимо делить на два:
Ом.
Ом.
Ом.
4.2.1 Расчет токов к.з. на стороне 220 кВ
Рассчитаем ток короткого замыкания на стороне высокого напряжения
трансформатора, то есть в точке К1.
(4.5)
где
∑Х - результирующее сопротивление ветви, ∑Х=ХС+ХЛ1Э о.е. (для
данного участка ветви).
о.е.
Ударный ток к.з. определяется по следующей формуле:
, (4.6)
где
kу - ударный коэффициент, kу = 1.75 (для 220 кВ);
-
расчетный ток трехфазного к.з..
кА.
4.2.2 Расчет токов к.з. на стороне 35 кВ
Рассчитаем
ток короткого замыкания на стороне среднего напряжения трансформатора, то есть
в точке К2.
Результирующее
сопротивление ветви на данном участке равно:
∑Х=
ХС+ХЛ1Э+ХТВН+ХТСН о.е. (для данного участка ветви).
о.е.
где kу - ударный коэффициент, kу = 1.61 (для 35 кВ);
кА.
4.2.3 Расчет токов к.з. на стороне 6 кВ
Рассчитаем
ток короткого замыкания на стороне низкого напряжения трансформатора, то есть в
точке К3.
Результирующее
сопротивление ветви на данном участке равно:
∑Х=
ХС+ХЛ1Э+ХТВН+ХТСН+ХТНН о.е. (для данного участка ветви).
о.е.
где kу - ударный коэффициент, kу = 1.37 (для 6 кВ);
кА.
Рассчитаем
ток короткого замыкания на стороне высокого напряжения трансформатора, то есть
в точке К4.
Результирующее
сопротивление ветви на данном участке равно:
∑Х=
ХС+ХЛ1Э+ХТВН+ХТСН+ХТНН+ ХЛ2Э о.е. (для данного участка ветви).
о.е.
где kу - ударный коэффициент, kу = 1.37 (для 6 кВ);
кА.
Рассчитаем
ток короткого замыкания на стороне высокого напряжения трансформатора, то есть
в точке К5.
Результирующее
сопротивление ветви на данном участке равно:
∑Х=
ХС+ХЛ1Э+ХТВН+ХТСН+ХТНН+ ХЛ3 о.е. (для данного участка ветви).
о.е.
где kу - ударный коэффициент, kу = 1.37 (для 6 кВ);
кА.
4.3 Выбор токоограничивающих реакторов
Ток
КЗ IПО3=25.898 A;
Требуемый
номинальный ток отключения выключателя Iоткл=20 кА;
Номинальное
напряжение Uн3=6.3 кВ;
Тогда
результирующее сопротивление цепи:
Ом.
Требуемое
сопротивление цепи:
Ом.
Тогда
требуемое сопротивление реактора:
Ом. (4.7)
Ом.
A.
Окончательно
принимаем реактор РБСДГ 10-2∙2500-0.14УЗ[5,с.248]н=0.14 Ом;
Тогда
результирующее сопротивление за реактором:
∑ф=Xрн+
X∑=0.14+0.140=0.28 Ом;
Тогда
фактический ток КЗ за реактором:
А;
Проверим
данный реактор на электродинамическую стойкость:у = 1.37 (для 6 кВ);
кА.<Iдин
=79кА.
Осуществим
пересчет токов КЗ в точках К3, К4, К5 с учетом реакторов:=2∙Xpн=2∙0.14=0.28
Ом.б=1800 МВА.
о.е.
Рассчитываем
точку К3:
о.е.
<20
у = 1.37 (для 6 кВ);
кА.
Рассчитываем
точку К4:
о.е.
<20
у = 1.37 (для 6 кВ);
кА.
Рассчитываем
точку К5:
о.е.
<20
у = 1.37 (для 6 кВ);
кА.
5.
ВЫБОР КОММУТАЦИОННЫХ АППАРАТОВ
5.1 Выбор выключателей
Выбор
выключателей производим по следующим параметрам:
.
по напряжению электроустановки
. (5.1)
.
по рабочему току:
, (5.2)
где
Uном, Iном - паспортные(каталожные) параметры выключателя;
.
Проверка на электродинамическую стойкость выполняется по следующим условиям:
(5.3)
где
Ino и iУ - расчетные значения периодической составляющей тока к.з. и ударного
тока в цепи, для которой выбирается выключатель;дин, Iадин - действующее и
амплитудное значение предельного и сквозного тока к.з. (каталожные параметры
выключателя).
.Выбрав
выключатель по рассмотренным параметрам, его проверяют на термическую
стойкость:
ВK£ В, (5.4)
где
В - значение импульса квадратичного тока, гарантированное заводом
изготовителем, определяется по формуле:
,
(5.5)
где
IT - термический ток предельной стойкости;- допустимое время действия
термического тока предельной стойкости;и tT - справочные данные;
ВK
- расчетный импульс квадратичного тока к.з., определяется по формуле:
, (5.6)
где
tоткл - время отключения к.з.:откл = tрз+tвык , (5.7)
где
tрз - время действия релейной защиты;вык - собственное время отключения
выключателя(каталожное данное);
Необходимо
отметить, что расчетным видом к.з для проверки на электродинамическую и
термическую стойкость является трехфазное к.з.
Разъединители
и выключатели нагрузки выбираются по номинальному напряжению Uном.,
номинальному длительному току IНОМ, а в режиме к.з. проверяются на термическую
и электродинамическую стойкость.
5.1.1 Выбор выключателей на стороне 220 кВ
1. Определяем рабочий ток для выключателей:
А.
Выбираем
выключатель типа ВВБ-220Б-31.5/2000У1 с Iном=2000 А и Uном. = =220 кВ([2] с.
238, табл. 5.2).
А
<2000 А;
кВ
≤ 220 кВ.
Следовательно,
условия (5.1) и (5.2) выполняются.
.Проверка
на динамическую стойкость:
Каталожные
данные выключателя: Iдин = 40 кА ; iдин = 102 кА.
Расчетные
данные: Ino = 8.620 кА ; iуд = 21.33 кА.
дин
> Ino;дин > iуд.
Следовательно,
условия (5.3) выполняются.
.
Проверка на термическую стойкость:
ВK
£ В.
электрический соединение подстанция замещение
Значение
импульса квадратичного тока, гарантированное заводом изготовителем,
определяется по формуле:
кА2·с.
Расчетный
импульс квадратичного тока к.з., определяется по формуле:
кА2·с;
Время
отключения к.з.:
откл
= tрз + tвык = 0.1+0.08 = 0.18 с.
Условие
выполняется.
Следовательно,
окончательно принимаем выключатель: ВВБ-220Б-31.5/2000У1.
Результаты
расчетов по выбору выключателей приведены в табл.5.1.
Таблица
5.1. Выбор выключателей на стороне 220 кВ
|
Расчетные параметры сети
|
Каталожные данные
выключателя
|
Условия выбора
|
|
Uуст = 220 кВ
|
Uном = 220 кВ
|
Uуст Uном
|
|
Iмах = 228 А
|
Iном = 2000 А
|
Iмах Iном
|
|
Ino = 8.620 кА
|
Iдин = 40 кА
|
Ino Iдин
|
|
iуд = 21.33 кА
|
iдин = 102 кА
|
iуд iдин
|
|
ВK =17.09 кА2·с
|
В = 4800 кА2·с
|
ВK £ В
|
|
Выбран выключатель типа:
ВВБ-220Б-31.5/2000У1.
|
5.1.2 Выбор выключателей на стороне 35 кВ
1. Определяем рабочий ток для выключателей:
А.
Выбираем
выключатель типа ВВУ-35А-40/2000У1 с Iном=2000 А и Uном. = 35 кВ([2] с. 239,
табл. 5.2).
А
< 2000 А;
кВ
≤ 35 кВ.
Следовательно,
условия (5.1) и (5.2) выполняются.
.Проверка
на динамическую стойкость:
Каталожные
данные выключателя: Iдин = 40 кА ; iдин = 102 кА.
Расчетные
данные: Ino = 7.668 кА ; iуд =17.459 кА.
дин
> Ino;дин > iуд.
Следовательно,
условия (5.3) выполняются.
.
Проверка на термическую стойкость:
ВK
£ В.
Значение
импульса квадратичного тока, гарантированное заводом изготовителем,
определяется по формуле:
кА2·с.
Расчетный
импульс квадратичного тока к.з., определяется по формуле:
кА2·с;
Время
отключения к.з.:
откл
= tрз + tвык = 0.1+0.07 = 0.17 с.
Условие
выполняется.
Следовательно,
окончательно принимаем выключатель: ВВУ-35А-40/2000У1
Результаты
расчетов по выбору выключателей приведены в табл.5.2.
Таблица
5.2. Выбор выключателей на стороне 35 кВ
|
Расчетные параметры сети
|
Каталожные данные
выключателя
|
Условия выбора
|
|
Uуст = 35 кВ
|
Uном = 35 кВ
|
Uуст Uном
|
|
Iмах = 297 А
|
Iном = 2000 А
|
Iмах Iном
|
|
Ino = 7.668 кА
|
Iдин = 40 кА
|
Ino Iдин
|
|
iуд = 17.459 кА
|
iдин = 102 кА
|
iуд iдин
|
|
ВK =13.524 кА2·с
|
В = 4800 кА2·с
|
ВK £ В
|
|
Выбран выключатель типа:
ВВУ-35А-40/2000У1
|
5.1.3 Выбор секционного выключателя на стороне
35 кВ
1. Определяем рабочий ток для выключателей:
А.
Выбираем
выключатель типа ВВУ-35А-40/2000У1 с Iном=2000 А и Uном. = 35 кВ([2] с. 239,
табл. 5.2).
А
< 2000 А;
кВ
≤ 35 кВ.
Следовательно,
условия (5.1) и (5.2) выполняются.
.Проверка
на динамическую стойкость:
Каталожные
данные выключателя: Iдин= 40 кА ; iдин = 102 кА.
Расчетные
данные: Ino = 7.668 кА ; iуд =17.459 кА.
дин
> Ino;дин > iуд.
Следовательно,
условия (5.3) выполняются.
.
Проверка на термическую стойкость:
ВK
£ В.
Значение
импульса квадратичного тока, гарантированное заводом изготовителем,
определяется по формуле:
кА2·с.
Расчетный
импульс квадратичного тока к.з., определяется по формуле:
кА2·с;
Время
отключения к.з.:
откл
= tрз + tвык = 0.1+0.07 = 0.17 с.
Условие
выполняется.
Следовательно,
окончательно принимаем выключатель: ВВУ-35А-40/2000У1
Результаты
расчетов по выбору выключателей приведены в табл.5.3.
Таблица
5.3 Выбор секционного выключателя на стороне 35 кВ
|
Расчетные параметры сети
|
Каталожные данные
выключателя
|
Условия выбора
|
|
Uуст = 35 кВ
|
Uном = 35 кВ
|
Uуст Uном
|
|
Iмах = 148 А
|
Iном = 2000 А
|
Iмах Iном
|
|
Ino = 7.668 кА
|
Iдин = 40 кА
|
Ino Iдин
|
|
iуд = 17.459 кА
|
iдин = 102 кА
|
iуд iдин
|
|
ВK =13.524 кА2·с
|
В = 4800 кА2·с
|
ВK £ В
|
|
Выбран выключатель типа:
ВВУ-35А-40/2000У1
|
5.1.4 Выбор выключателей на стороне 6кВ
1. Определяем рабочий ток для выключателей:
А.
Выбираем
выключатель типа ВВТЭ-10-20/630УХЛ2 с Iном=630 А и Uном. = 10 кВ([2] стр. 236,
табл. 5.1).
312.35
А < 630 А;
кВ
≤ 10 кВ.
Следовательно,
условия (5.1) и (5.2) выполняются.
.Проверка
на динамическую стойкость:
Каталожные
данные выключателя: Iдин = 20 кА ; iдин = 52 кА.
Расчетные
данные: Ino = 8.578 кА ; iуд = 16.619 кА.
дин
> Ino;дин > iуд.
Следовательно,
условия (5.3) выполняются.
.
Проверка на термическую стойкость:
ВK
£ В.
Значение
импульса квадратичного тока, гарантированное заводом изготовителем,
определяется по формуле:
кА2·с.
Расчетный
импульс квадратичного тока к.з., определяется по формуле:
кА2·с;
откл
= tрз + tвык = 0.05+0.1 = 0.15 с.
Условие
выполняется.
Следовательно,
окончательно принимаем выключатель: ВВТЭ-10-20/630УХЛ2[5,с.136].
Результаты
расчетов по выбору выключателей приведены в табл.5.4.
Таблица
5.4 Выбор выключателей на стороне 6 кВ
|
Расчетные параметры сети
|
Каталожные данные
выключателя
|
Условия выбора
|
|
Uуст = 6 кВ
|
Uном = 10 кВ
|
Uуст Uном
|
|
Iмах = 312.35 А
|
Iном = 630 А
|
Iмах Iном
|
|
Ino = 8.578 кА
|
Iдин = 20 кА
|
Ino Iдин
|
|
iуд = 16.619 кА
|
iдин = 52 кА
|
iуд iдин
|
|
В K =15.452 кА2·с
|
В= 1200 кА2·с
|
ВK £ В
|
|
Выбран выключатель типа:
ВВТЭ-10-20/630УХЛ2
|
5.1.5 Выбор секционного выключателя на стороне 6
кВ
1. Определяем рабочий ток для выключателей:
А.
Выбираем
выключатель типа ВВЭ-10-31.5/2000У3 с Iном=2000 А и Uном. =10 кВ([2] стр. 239,
табл. 5.2).
А
< 2000 А;
кВ
≤ 10 кВ.
Следовательно,
условия (5.1) и (5.2) выполняются.
.Проверка
на динамическую стойкость:
Каталожные
данные выключателя: Iдин= 31.5 кА ; iдин. = 80 кА.
Расчетные
данные: Ino = 8.578кА ; iу =16.619 кА.
Iдин>
Ino;дин > iуд.
Следовательно,
условия (5.3) выполняются.
.
Проверка на термическую стойкость:
ВK
£ В.
Значение
импульса квадратичного тока, гарантированное заводом изготовителем,
определяется по формуле:
кА2·с.
Расчетный
импульс квадратичного тока к.з., определяется по формуле:
кА2·с;
Время
отключения к.з.:
откл
= tрз + tвык = 0.1+0.05 = 0.15 с.
Условие
выполняется.
Следовательно,
окончательно принимаем выключатель: ВВЭ-10-31.5/2000У3
Результаты
расчетов по выбору выключателей приведены в табл.5.5.
Таблица
5.5 Выбор секционного выключателя на стороне 6 кВ
|
Расчетные параметры сети
|
Каталожные данные
выключателя
|
Условия выбора
|
|
Uуст = 6 кВ
|
Uном =10 кВ
|
Uуст Uном
|
|
Iмах = 1663 А
|
Iном =2000 А
|
Iмах Iном
|
|
Ino =8.578 кА
|
Iдин= 31.5 кА
|
Ino Iдин
|
|
iу = 16.619 кА
|
iдин = 80 кА
|
iу i дин
|
|
ВK =27.96кА2·с
|
В =2976.8 кА2·с
|
ВK £ В
|
|
Выбран выключатель типа:
ВВЭ-10-31.5/2000У3
|
5.1.6 Выбор выключателей на отходящей линии 6 кВ
1.
Определяем рабочий ток для выключателей на нагрузку
:
А.
Выбираем
выключатель типа ВВТЭ-10-10/630У2 с Iном=630 А и Uном. = 10 кВ([2] с. 236,
табл. 5.1).
А
< 630 А;
кВ
≤ 10 кВ.
Следовательно,
условия (5.1) и (5.2) выполняются.
.Проверка
на динамическую стойкость:
Каталожные
данные выключателя: Iдин = 10 кА ; iдин = 25 кА.
Расчетные
данные: Ino = 8.578 кА ; iуд = 16.619 кА.
дин
> Ino;дин > iуд.
Следовательно,
условия (5.3) выполняются.
.
Проверка на термическую стойкость:
ВK
£ В.
Значение
импульса квадратичного тока, гарантированное заводом изготовителем,
определяется по формуле:
кА2·с.
Расчетный
импульс квадратичного тока к.з., определяется по формуле:
кА2·с;
Время
отключения к.з.:
откл
= tрз + tвык = 0.05+0.1 = 0.15 с.
Условие
выполняется.
Следовательно,
окончательно принимаем выключатель: ВВТЭ-10-10/630У2.
Результаты
расчетов по выбору выключателей приведены в табл.5.6.
Таблица
5.6 Выбор выключателей на стороне 6 кВ
|
Расчетные параметры сети
|
Каталожные данные
выключателя
|
Условия выбора
|
|
Uуст = 6 кВ
|
Uном = 10 кВ
|
Uуст Uном
|
|
Iмах = 224 А
|
Iном = 630 А
|
Iмах Iном
|
|
Ino = 8.578 кА
|
Iдин = 10 кА
|
Ino Iдин
|
|
iуд = 16.619 кА
|
iдин = 25 кА
|
iуд iдин
|
|
В K =15.452 кА2·с
|
В= 300 кА2·с
|
ВK £ В
|
|
Выбран выключатель типа:
ВВТЭ-10-10/630У2
|
1.
Определяем рабочий ток для выключателей на нагрузку
:
А.
Выбираем
выключатель типа ВВТЭ-10-10/630У2 с Iном=630 А и Uном. = 10 кВ([2] стр. 236,
табл. 5.1).
.53
А < 630 А;
кВ
≤ 10 кВ.
Следовательно,
условия (5.1) и (5.2) выполняются.
.Проверка
на динамическую стойкость:
Каталожные
данные выключателя: Iдин = 10 кА ; iдин = 25 кА.
Расчетные
данные: Ino = 8.578 кА ; iуд = 16.619 кА.
дин
> Ino;дин > iуд.
Следовательно,
условия (5.3) выполняются.
.
Проверка на термическую стойкость:
ВK
£ В.
Значение
импульса квадратичного тока, гарантированное заводом изготовителем,
определяется по формуле:
кА2·с.
Расчетный
импульс квадратичного тока к.з., определяется по формуле:
кА2·с;
Время
отключения к.з.:
откл
= tрз + tвык = 0.05+0.1 = 0.15 с.
Условие
выполняется.
Следовательно,
окончательно принимаем выключатель: ВВТЭ-10-10/630У2.
Результаты
расчетов по выбору выключателей приведены в табл.5.7.
Таблица
5.7 Выбор выключателей на стороне 6 кВ
|
Расчетные параметры сети
|
Каталожные данные
выключателя
|
Условия выбора
|
|
Uуст = 6 кВ
|
Uном = 10 кВ
|
Uуст Uном
|
|
Iмах = 88.53 А
|
Iном = 630 А
|
Iмах Iном
|
|
Ino = 8.578 кА
|
Iдин = 10 кА
|
Ino Iдин
|
|
iуд = 16.619 кА
|
iдин = 25 кА
|
iуд iдин
|
|
В K =15.452 кА2·с
|
В= 300 кА2·с
|
ВK £ В
|
|
Выбран выключатель типа: ВВТЭ-10-10/630У2
|
1.
Определяем рабочий ток для выключателей на нагрузку
:
А.
Выбираем
выключатель типа ВВТЭ-10-10/630У2 с Iном=630 А и Uном. = 10 кВ([2] стр. 236,
табл. 5.1).
.9
А < 630 А;
кВ
≤ 10 кВ.
Следовательно,
условия (5.1) и (5.2) выполняются.
.Проверка
на динамическую стойкость:
Каталожные
данные выключателя: Iдин= 10 кА ; iдин= 25 кА.
Расчетные
данные: Ino = 8.578 кА ; iу = 16.619 кА.
дин>
Ino;дин> iу.
Следовательно,
условия (5.3) выполняются.
.
Проверка на термическую стойкость:
ВK
£ В.
Значение
импульса квадратичного тока, гарантированное заводом изготовителем,
определяется по формуле:
кА2·с.
Расчетный
импульс квадратичного тока к.з., определяется по формуле:
кА2·с;
Время
отключения к.з.:
откл
= tрз + tвык = 0.075+0.1 = 0.175 с.
Условие
выполняется.
Следовательно,
окончательно принимаем выключатель: ВВТЭ-10-10/630У2 Результаты расчетов по
выбору выключателей приведены в табл.5.8.
Таблица
5.8 Выбор выключателей на стороне 6 кВ
|
Расчетные параметры сети
|
Каталожные данные
выключателя
|
Условия выбора
|
|
Uуст =6 кВ
|
Uном = 10 кВ
|
Uуст Uном
|
|
Iмах = 623.9А
|
Iном = 630 А
|
Iмах Iном
|
|
Ino = 8.578 кА
|
Iдин = 10 кА
|
Ino Iдин
|
|
iу = 16,619 кА
|
iдин = 25кА
|
iу iдин
|
|
В K =29.8 кА2·с
|
В= 300 кА2·с
|
ВK £ В
|
|
Выбран выключатель типа:
ВВТЭ-10-10/630У2
|
5.1.7 Выбор выключателей нагрузки на линии 6 кВ
1.
Определяем рабочий ток для выключателей на нагрузку
:
А.
Выбираем
выключатель типа ВНПу-10/400-10зУ3 с Iном=400 А и Uном. = 10 кВ([2] стр. 252,
табл. 5.3).
А
< 400 А;
кВ
≤ 10 кВ.
.Проверка
на динамическую стойкость:
Каталожные
данные выключателя: Iдин = 10 кА ; iдин. = 25 кА.
Расчетные
данные: Ino = 8.248 кА ; iу = 15.98 кА.
дин>
Ino;дин> iу.
Следовательно,
условия (5.3) выполняются.
.
Проверка на термическую стойкость:
ВK
£ В.
Значение
импульса квадратичного тока, гарантированное заводом изготовителем,
определяется по формуле:
кА2·с.
Расчетный
импульс квадратичного тока к.з., определяется по формуле:
кА2·с;
Время
отключения к.з.:
откл
= tрз + tвык = 0.05+0.1 = 0.15 с.
Условие
выполняется.
Следовательно,
окончательно принимаем выключатель: ВНПу-10/400-10зУ3.
Результаты
расчетов по выбору выключателей приведены в табл.5.9.
Таблица
5.9 Выбор выключателей на стороне 6 кВ
|
Расчетные параметры сети
|
Каталожные данные
выключателя
|
Условия выбора
|
|
Uуст =6 кВ
|
Uном = 10 кВ
|
Uуст Uном
|
|
Iтах = 224 А
|
Iном = 630 А
|
Iмах Iном
|
|
Ino = 8.248 кА
|
Iдин = 10 кА
|
Ino Iдин
|
|
iу = 15.98 кА
|
iдин =25 кА
|
iу iдин
|
|
В K =17.007 кА2·с
|
В= 100 кА2·с
|
ВK £ В
|
|
Выбран выключатель типа:
ВНПу-10/400-10зУ3
|
1.
Определяем рабочий ток для выключателей на нагрузку
:
А.
Выбираем
выключатель типа ВНПу-10/400-10зУ3 с Iном=400 А и Uном. = 10 кВ([2] стр. 252,
табл. 5.3).
.53
А < 400 А;
кВ
≤ 10 кВ.
.Проверка
на динамическую стойкость:
Каталожные
данные выключателя: Iдин = 10 кА ; iдин. = 25 кА.
Расчетные
данные: Ino = 7.423 кА ; iу = 14.382 кА.
дин>
Ino;дин> iу.
Следовательно,
условия (5.3) выполняются.
.
Проверка на термическую стойкость:
ВK
£ В.
Значение
импульса квадратичного тока, гарантированное заводом изготовителем,
определяется по формуле:
кА2·с.
Расчетный
импульс квадратичного тока к.з., определяется по формуле:
кА2·с;
Время
отключения к.з.:
откл
= tрз + tвык = 0.05+0.1 = 0.15 с.
Условие
выполняется.
Следовательно,
окончательно принимаем выключатель: ВНПу-10/400-10зУ3.
Результаты
расчетов по выбору выключателей приведены в табл.5.10.
Таблица
5.10 Выбор выключателей на стороне6 кВ
|
Расчетные параметры сети
|
Каталожные данные
выключателя
|
Условия выбора
|
|
Uуст =6 кВ
|
Uном = 10 кВ
|
Uуст Uном
|
|
Iмах = 88.53 А
|
Iном = 630 А
|
Iмах Iном
|
|
Ino = 7.423 кА
|
Iдин = 10 кА
|
Ino Iдин
|
|
iу = 14.382 кА
|
iдин =25 кА
|
iу iдин
|
|
В K =13.775 кА2·с
|
В= 100 кА2·с
|
ВK £ В
|
|
Выбран выключатель типа:
ВНПу-10/400-10зУ3
|
5.2 Выбор разъединителей
. Определяем рабочий ток для разъединителя:
А.
Выбираем
разъединитель типа РНДЗ-1-220/630Т1 с Iном=630 А и Uном. =220 кВ([2] стр. 274).
А
<630 А;
кВ
≤ 220 кВ.
Следовательно,
условия (5.1) и (5.2) выполняются.
.Проверка
на динамическую стойкость:
Каталожные
данные разъединителя: Iдин = 40 кА ; iдин. = 100 кА.
Расчетные
данные: Ino = 8.620 кА ; iуд = 21.33 кА.
дин
> Ino;дин > iуд.
Следовательно,
условия (5.3) выполняются.
.
Проверка на термическую стойкость:
ВK
£ В.
Значение
импульса квадратичного тока, гарантированное заводом изготовителем,
определяется по формуле:
кА2·с.
Расчетный
импульс квадратичного тока к.з., определяется по формуле:
кА2·с;
Время
отключения к.з.:
откл
= tрз + tвык = 0.1+0.08 = 0.18 с.
Условие
выполняется.
Следовательно,
окончательно принимаем разъединитель: РНДЗ-1-220/630Т1.
Результаты
расчетов по выбору разъединителя приведены в табл.5.11.
Таблица
5.11 Выбор разъединителя на стороне 220 кВ
|
Расчетные параметры сети
|
Каталожные данные
разъединителя
|
Условия выбора
|
|
Uуст = 220 кВ
|
Uном = 220 кВ
|
Uуст Uном
|
|
Iмах = 228 А
|
Iном = 630 А
|
Iмах Iном
|
|
Ino = 8.620 кА
|
Iдин = 40 кА
|
Ino Iдин
|
|
iуд = 21.33 кА
|
iдин = 100 кА
|
iуд iдин
|
|
ВK =17.09 кА2·с
|
В = 1600 кА2·с
|
ВK £ В
|
|
Выбран разъединитель типа:
РНДЗ-2-220/630Т1.
|
Аналогичные расчеты выполняются и для шин 35:
. Определяем рабочий ток для разъединителя 35 кВ:
А.
Выбираем
разъединитель типа РНДЗ-1-35/1000 ХЛ 1 с Iном=1000 А и Uном. =35 кВ([2] стр.
269).
А
< 1000 А;
кВ
≤ 35 кВ.
Следовательно,
условия (5.1) и (5.2) выполняются.
.Проверка
на динамическую стойкость:
Каталожные
данные разъединителя: Iдин = 25 кА ; iдин. = 63 кА.
Расчетные
данные: Ino = 7.668 кА ; iуд =17.459 кА.
дин
> Ino;дин > iуд.
Следовательно,
условия (5.3) выполняются.
.
Проверка на термическую стойкость:
ВK
£ В.
Значение
импульса квадратичного тока, гарантированное заводом изготовителем,
определяется по формуле:
кА2·с.
Расчетный
импульс квадратичного тока к.з., определяется по формуле:
кА2·с;
Время
отключения к.з.:
откл
= tрз + tвык = 0.1+0.08 = 0.18 с.
Следовательно,
окончательно принимаем разъединитель: РНДЗ-1-35/1000 ХЛ 1[5,с.127].
Результаты
расчетов по выбору разъединителя приведены в табл.5.12.
Таблица
5.12 Выбор разъединителя на стороне 35 кВ
|
Расчетные параметры сети
|
Каталожные данные
разъединителя
|
Условия выбора
|
|
Uуст = 35 кВ
|
Uном = 35 кВ
|
Uуст Uном
|
|
Iмах = 297 А
|
Iном = 1000 А
|
|
Ino = 7.668 кА
|
Iдин = 25 кА
|
Ino Iдин
|
|
iуд = 17.459 кА
|
iдин = 63 кА
|
iу iдин
|
|
ВK =14.112 кА2·с
|
В = 625 кА2·с
|
ВK £ В
|
|
Выбран разъединитель типа:
РНДЗ-1-35/1000 ХЛ 1
|
5.3 Выбор предохранителей для ТП 1и ТП 2
Для защиты ТСН используем предохранители. Выбор предохранителей
производится:
по напряжению установки Uуст < Uном;
по току Iнорм. < Iном., Imax < Iном;
по конструкции и роду установки;
по току отключения Ino < Iдин.;
где Iдин. - предельный отключаемый ток.
Для ТП1:
А.
Напряжение
установки: U = 10 кВ.
Расчетные
данные: Ino = 8.248 кА ; iу = 15.98 кА.
Выбираем
предохранитель типа ПКТ 104-6-315-20У3 ([2] стр. 254, табл. 5.4).
=
224 А < Iном = 315А;= 8.248 кА < Iдин = 20 кА.
Следовательно,
выбранный предохранитель соответствует условиям выбора.
Результаты
расчетов по выбору предохранителя приведены в табл.5.13.
Таблица
5.13 Выбор предохранителя на стороне 6 кВ для ТП 1
|
Расчетные параметры сети
|
Каталожные данные
предохранителя
|
Условия выбора
|
|
Uуст =6 кВ
|
Uном = 6 кВ
|
Uуст Uном
|
|
Imax = 224 А
|
Iном = 315 А
|
Iмах Iном
|
|
Ino = 8.248 кА
|
Iдин = 20 кА
|
Ino Iдин
|
|
Выбран предохранитель типа:
ПКТ 104-6-315-20У3
|
Для ТП2:
А.
Напряжение
установки: U = 6 кВ.
Расчетные
данные: Ino = 7.423 кА ; iу = 14.382 кА.
Выбираем
предохранитель типа ПКТ 103-6-100-31.5У3 ([2] стр. 254, табл. 5.4).
=
88.53 А < Iном = 100А;= 7.423кА < Iдин = 31.5 кА.
Следовательно,
выбранный предохранитель соответствует условиям выбора.
Результаты
расчетов по выбору предохранителя приведены в табл.5.14.
Таблица
5.14 Выбор предохранителя на стороне 6 кВ для ТП 2
|
Расчетные параметры сети
|
Каталожные данные
предохранителя
|
Условия выбора
|
|
Uуст = 6кВ
|
Uном = 6 кВ
|
Uуст Uном
|
|
Imax = 88.53 А
|
Iном = 100 А
|
Iмах Iном
|
|
Ino = 7.423 кА
|
Iдин = 31.5 кА
|
Ino Iдин
|
|
Выбран предохранитель типа:
ПКТ 103-6-100-31.5У3
|
6. ВЫБОР ТОКОВЕДУЩИХ ЧАСТЕЙ И КАБЕЛЕЙ
Основное оборудование подстанций и аппараты соединяются между собой
проводниками разного типа, которые образуют токоведущие части электрической
установки. При выборе токоведущих частей необходимо обеспечить ряд требований,
вытекающих из условий работы[9,с.34].
Проводники должны:
· длительно проводить рабочие токи без чрезмерного повышения
температуры;
· противостоять кратковременному электродинамическому и
тепловому действию токов к.з.;
· выдерживать механические нагрузки, создаваемые собственной
массой и массой связанных с ними аппаратов, а также усилия, возникающие в
результате атмосферных воздействий (ветер, гололёд);
· удовлетворять требованиям экономичности электроустановки.
6.1 Выбор сборных шин и гибких токопроводов
.1.1 Выбор сборных шин на стороне 220 кВ
Сборные шины всех напряжений по экономической плотности тока не
выбираются, т.к. нагрузка по длине шин неравномерна и на многих её участках
меньше рабочего тока. Поэтому выбираем сборные шины по допустимому току при
максимальной нагрузке на шинах:
, (6.1)
где
Iдоп - допустимый ток на шинах выбранного сечения, А.
Шины
проверяются:
· на термическую стойкость при воздействии токов к.з.;
· на динамическую стойкость при к.з. (механический расчёт);
· проверка по условиям коронирования;
· проверка на схлёстывание.
Определяем максимальный рабочий ток на шинах:
А.
;
Выбираем
провод типа: АС-70/11, с Iдоп =265 А([2] с. 428, табл. 7.35).
Проверка
шин на схлёстывание не производится, так как
<20кА.
Проверку
на термическое действие Т.К.З. не производится, так как шины выполнены голыми
проводами на открытом воздухе.
По
условию короны для ВЛ 220 кВ минимальное принимается АС 240/32, Iдоп = 605 А.
Выбираем
токоведущие части гибким токопроводом. Выбор производим по jэк:=6500ч, значит
jэк=1 А/мм2
мм2
Принимаем
2 несущих провода АС 240/32 и 2 токоведущих провода того же сечения, так как по
короне оно минимально для данного напряжения.
Принимаем
токопровод 2х АС 240/32+2х А 240
Найдём
допустимый ток:
А.
Так
как Iдоп = 2420А > Iрабут=202 А, , то условие проверки выполняется, т.е.
окончательно выбираем токопровод марки 2х АС 240/32 и шину 2х А 240.
6.1.2 Выбор сборных шин на стороне 35 кВ
Сборные
шины всех напряжений по экономической плотности тока не выбираются, т.к.
нагрузка по длине шин неравномерна и на многих её участках меньше рабочего
тока. Поэтому выбираем сборные шины по допустимому току при максимальной
нагрузке на шинах:
,
где
Iдоп - допустимый ток на шинах выбранного сечения, А.
Определяем
максимальный рабочий ток на шинах:
А.
;
Выбираем
провод типа: АС-95/16, с Iдоп = 330 А([2] стр. 428, табл. 7.35).
Проверка
шин на схлёстывание не производится, так как
<20кА.
Проверку
на термическое действие Т.К.З. не производится, так как шины выполнены голыми
проводами на открытом воздухе.
Выбираем
токоведущие части гибким токопроводом. Выбор производим по jэк:=5000ч, значит
jэк=1.1А/мм2
мм2
Принимаем
2 несущих провода АС 95/16 и 1 токоведущий провод А 95 того же сечения, так как
по короне оно минимально для данного напряжения.
Принимаем
токопровод 2х АС 120/32+ А 95
Найдём
допустимый ток:
А.
Так
как Iдоп = 990А > Iрабн=297 А, то условие проверки выполняется, т.е.
окончательно выбираем токопровод марки 2х АС 120/32+ А 95.
6.1.3Выбор сборных шин на стороне 6 кВ
Выбираем
сечение жёсткого шинопровода на напряжение 6 кВ. Предполагаем, что сборные шины
будут располагаться по вершинам прямоугольного треугольника с расстояниями
между фазами aх= ay=0.6 м и пролётом l=1.5 м.
Ток
рабочий нормального режима одной шины:
А.
Ток
максимального режима:
А.
Принимаем
шины прямоугольного сечения, алюминиевые (30×4) мм, Iдоп=365 А, ([3] стр. 47, табл. П11).
Условие
- выполняется.
Проверим
шины на термическую стойкость.
Проведем
проверку шин на термическую стойкость по условию:
(6.2)
где
(6.3)
где
Вк - тепловой импульс, А2с;
С
- коэффициент зависящий от вида и материала проводника, для алюминиевых шин
С=90([3] стр.22, табл.2.2).
мм2
мм2
таким
образом условие выполняется.
Проверим шины на механическую прочность. Определим частоту собственных
колебаний конструкции при взаимодействии шинной конструкции в горизонтальной
плоскости:
(6.4)
Гц.
Т.к.
f0<200 Гц, то необходимо изменять сечение.
Принимаем шины прямоугольного сечения, алюминиевые (100×6)
мм, Iдоп=1425 А, ([3]
стр. 47, табл. П11).
Условие
- выполняется.
Проверим
шины на термическую стойкость.
Проведем
проверку шин на термическую стойкость по условию:
(6.2)
где
(6.3)
где
Вк - тепловой импульс, А2с;
С
- коэффициент зависящий от вида и материала проводника, для алюминиевых шин
С=90([3] стр.22, табл.2.2).
мм2
мм2
таким
образом условие (6.2) выполняется.
Проверим шины на механическую прочность. Определим частоту собственных
колебаний конструкции при взаимодействии шинной конструкции в горизонтальной
плоскости:
(6.4)
Гц.
Т.к.
f0>200 Гц, то не нужно изменять сечение.
Проверим на механическую прочность по условию:
(6.5)
Расчетное напряжение в шинах:
(6.6)
МПа.
таким
образом 1.79 МПа < 82,3МПа.
Окончательно
принимаем алюминиевые шины коробчатого сечения с размерами (100×6.
7.
ВЫБОР КОНТРОЛЬНО-ИЗМЕРИТЕЛЬНЫХ ПРИБОРОВ ДЛЯ ОСНОВНЫХ ЦЕПЕЙ СХЕМЫ
Контроль
за режимом работы основного и вспомогательного оборудования на подстанциях
осуществляется с помощью контрольно-измерительных приборов.
Измерениями
должны быть охвачены все параметры основного и вспомогательного оборудования,
которые определяют режим управления объекта - подстанции.
В
соответствии с ПУЭ показывающие или реагирующие электроизмерительные приборы
должны иметь класс точности не ниже 2,5; счетчики активной энергии,
предназначенные для денежных расчётов (расчётные счётчики) - не ниже 2,0, а для
линий межсистемных связей напряжением 110 кВ -220 кВ и выше - 0.5.
Класс
точности счетчиков реактивной энергии выбирают на одну ступень ниже класса
точности соответствующих счетчиков активной энергии. Для фиксирующих приборов
допускается класс точности 3,0. Амперметры подстанций, РУ могут иметь класс
точности - 4. В табл. 7.1 показаны приборы, устанавливаемые на подстанции.
Таблица
7.1 - Контрольно-измерительные приборы на подстанции
|
Цепь
|
Место установки
|
Перечень приборов
|
|
|
Линия 6кВ
|
|
Амперметр, расчетные
счетчики активной и реактивной энергии
|
|
|
Линия 220 кВ
|
|
Амперметр, ваттметр,
варметр, фиксирующий прибор, используемый для определения места к.з.,
расчётные счетчики активной и реактивной энергии
|
|
|
Шунтирующий реактор
|
|
Амперметр, варметр
|
|
|
Трехобмоточный
трансформатор
|
ВН
|
Амперметр
|
|
|
СН
|
Амперметр, ваттметр,
варметр, счетчики активной и реактивной энергии
|
|
|
НН
|
То же
|
|
|
Сборные шины 6 кВ
|
На каждой секции шин или
системе шин
|
Вольтметр для измерения
междуфазного напряжения, вольтметр с переключением для измерения фазного
напряжения
|
|
Сборные шины 35 кВ
|
То же
|
Вольтметр для измерения
междуфазного напряжения, вольтметр с переключением для измерения фазного
напряжения
|
|
Сборные шины 220 кВ
|
То же
|
Вольтметр с переключателем
для измерения трех междуфазных напряжений и регистрирующий вольтметр
|
|
|
|
|
|
|
8. ВЫБОР ИЗМЕРИТЕЛЬНЫХ ТРАНСФОРМАТОРОВ
Выбор трансформаторов тока производится по следующим условиям:
по напряжению установки:
уст < Uном; (8.1)
по току:
раб.max < I1ном; (8.2)
по конструкции и классу точности;
по электродинамической стойкости:
, (8.3)
где
kдин - кратность динамической устойчивости по каталогу;ном - номинальный
первичный ток ТА.
по
термической стойкости:
, (8.4)
где
kT - кратность термической устойчивости(справочные данные);Т - время протекания
тока термической устойчивости;
Вк
- расчетный импульс квадратичного тока к.з..
·
по вторичной
нагрузке:
< Zном, (8.5)
где Zном - номинально-допустимая нагрузка в выбранном классе точности;-
вторичная нагрузка ТА.
Индуктивное сопротивление вторичных цепей невелико, поэтому Z2 ~ r2,
= rприб. + rпров. + rк., (8.6)
где rприб. - сопротивление приборов;пров. - сопротивление измерительных
проводов;к. - переходное сопротивление контактов;
,
(8.7)
где
I2 ном - номинальный вторичный ток;приб.- мощность приборов;к = 0,05 [Ом] - при
малом количестве приборов;к = 0,1 [Ом] - при большом количестве приборов;пров.
- зависит от длины и сечения соединительных проводов.
8.1 Выбор трансформаторов тока
)Выбор
встроенного ТА в силовом трансформаторе на стороне ВН
Результаты
выбора приведены в табл.8.1.
Таблица
8.1 Выбор встроенных трансформаторов тока в силовом трансформаторе на стороне
ВН
|
Расчетные данные
|
Условия выбора
|
Каталожные данные
|
|
Uуст = 220 кВ
|
Uуст £ Uном
|
Uном =220 кВ
|
|
Iраб.ут=228А
|
Iрабут £ Iном
|
Iном= 300А
|
|
Вк = 15.60 кА2 с
|
Вк £( Iном ×kT)2× tт
|
(0.3 ×25)2 ×3=168.75 кА2
с
|
В этой таблице:
Рабочий утяжеленный ток:
кз=8.620
кА, iуд=21.33кА (в точке 1)
Тепловой
импульс:
Вк=8.6202·(0,18+0,03)=15.60кА2·ст=3с=25
Выбираем ТА типа ТВТ 220-I-600/5.
)Выбор встроенного ТА в силовом трансформаторе на стороне CH
Результаты выбора приведены в табл.8.2.
Таблица 8.2 Выбор встроенных трансформаторов тока в силовом
трансформаторе на стороне СН
|
Расчетные данные
|
Условия выбора
|
Каталожные данные
|
|
Uуст = 35 кВ
|
Uуст £ Uном
|
Uном =35 кВ
|
|
Iраб.ут=297А
|
Iрабут £ Iном
|
Iном= 300А
|
|
Вк = 15.875 кА2 с
|
Вк £( Iном ×kT)2× tт
|
(0.3×28)2 ×3=211.68 кА2
с
|
В этой таблице:
Рабочий утяжеленный ток:
кз=7.668
кА, iуд=17.459кА (в точке 2)
Тепловой
импульс:
Вк=7.6682·(0,17+0,1)=15.875кА2·ст=3с=28
Выбираем ТА типа ТВТ 35-I-600/5.
)Выбор встроенного ТА в силовом трансформаторе на стороне НH
Результаты выбора приведены в табл.8.3.
Таблица 8.3 Выбор встроенных трансформаторов тока в силовом
трансформаторе на стороне НН
|
Расчетные данные
|
Условия выбора
|
Каталожные данные
|
|
Uуст = 6 кВ
|
Uуст £ Uном
|
Uном =10 кВ
|
|
Iраб.ут=6651.8А
|
Iрабут £ Iном
|
Iном= 12000А
|
|
Вк = 12.877 кА2 с
|
Вк £( Iном ×kT)2× tт
|
(12×28)2 ×3=338688кА2
с
|
В этой таблице:
Рабочий утяжеленный ток:
кз=8.578
кА, iуд=16.619кА (в точке 3)
Тепловой
импульс:
Вк=8.5782·(0,075+0,1)=12.877кА2·ст=3с=28
Выбираем ТА типа ТВТ 10-I-12000/5.
) Выбор трансформаторов тока на 220кВ.
Результаты выбора приведены в табл.8.4.
Таблица 8.4 Выбор трансформаторов тока на 220 кВ
|
Расчетные данные
|
Условия выбора
|
Каталожные данные
|
|
Uуст = 220 кВ
|
Uуст £ Uном
|
Uном = 220 кВ
|
|
Iраб.ут=228А
|
Iрабут £ Iном
|
Iном= 300А
|
|
iуд = 21.33кА
|
iуд £ iдин
|
iдин =27кА
|
|
Вк = 15.60 кА2 с
|
Вк £ Iт2× tт
|
102·3=300 кА2 с
|
В этой таблице:
Рабочий утяжеленный ток:
кз=8.620
кА, iуд=21.33кА (в точке 1)
Тепловой
импульс:
Вк=8.6202·(0,18+0,03)=15.60кА2·ст=10кАт=3с
Выбираем трансформатор тока типа ТФЗМ 220Б-I.
) Выбор трансформаторов тока на линиях, питающих мощность P1.
Результаты выбора приведены в табл.8.5.
Таблица 8.5 Выбор ТА на линии, питающей мощность Р1
|
Расчетные данныеУсловия
выбораКаталожные данные
|
|
|
|
Uуст=6кВ
|
Uуст £ Uном
|
Uном = 10 кВ
|
|
Iраб.ут=633,9А
|
Iрабут £ Iном
|
Iном= 800 А
|
|
iуд=16.619кА
|
iуд £ iдин
|
iдин =74.5 кА
|
|
Вк=18.395кА2·с
|
Вк £ Iт2× tт
|
37.82·3=4286.52кА2с
|
В этой таблице:
Рабочий утяжеленный ток:
кз=8,578кА,
iуд=16,619кА (в точке 3)
Тепловой
импульс:
Вк=8.5782·(0,15+0,1)=18.395кА2·ст=37.8
кАт=3с
Таблица 8.6 Вторичная нагрузка трансформатора тока
|
Наименование и тип прибора
|
Мощность по фазам, МВА
|
|
А
|
В
|
С
|
|
Амперметр
|
0,5
|
0,5
|
0,5
|
|
Счетчик активной энергии
|
2,5
|
-
|
2,5
|
|
Счетчик реактивной энергии
|
2,5
|
2,5
|
2,5
|
|
Итого:
|
5,5
|
3
|
5,5
|
|
|
|
|
|
|
Расчет ведем по наиболее загруженной фазе.
Сопротивление приборов:
Нагрузка
Z2 ТТ равна:
Номинальная
вторичная нагрузка в классе точности 0,5 = 0,4Ом.
Сопротивление
контактов принимаем rк = 0,05 (т.к. подключается три прибора).
Определяем
допустимое сопротивление проводов:
rпр=
z2ном-rприб-rк = 0,4- 0,22 - 0,05 = 0,13Ом.
Сечение
проводов:
мм2.
По
условию механической прочности минимальное сечение равно 4,0 мм2, поэтому
принимаем сечение провода S = 4,0 мм . Контрольный кабель типа АКВРГ с тремя
жилами сечением 4,0 мм2.
Выбираем
ТА типа ТПЛК-10.
)
Выбор трансформаторов тока на КЛ, питающие ТП1.
Результаты
выбора приведены в табл.8.7.
Таблица
8.7 Выбор трансформаторов тока на КЛ, питающей ТП1
|
Расчетные данные
|
Условия выбора
|
Каталожные данные
|
|
Uуст=6кВ
|
Uуст £ Uном
|
Uном = 10 кВ
|
|
Iраб.ут=224А
|
Iрабут £ Iном
|
Iном= 300 А
|
|
iуд=16.619кА
|
iдин =74,2 кА
|
|
|
Вк=18.395кА2·с
|
Вк £( Iном ×kT)2× tт
|
(0,3·45)2·3=546.75 кА2с
|
В этой таблице:
Рабочий утяжеленный ток:
кз=8,578кА,
iуд=16,619кА (в точке 3)
Тепловой
импульс:
Вк=8.5782·(0,15+0,1)=18.395кА2·ст=3с=45дин=175
Таблица 8.8 Вторичная нагрузка трансформатора тока
|
Наименование и тип прибора
|
Мощность по фазам, МВА
|
|
А
|
В
|
С
|
|
Амперметр
|
0,5
|
0,5
|
0,5
|
|
Счетчик активной энергии
|
2,5
|
-
|
2,5
|
|
Счетчик реактивной энергии
|
2,5
|
2,5
|
2,5
|
|
Итого:
|
5,5
|
3
|
5,5
|
|
|
|
|
|
|
Расчет ведем по наиболее загруженной фазе.
Сопротивление приборов:
Ом.
Нагрузка
Z2 ТТ равна:
Номинальная
вторичная нагрузка в классе точности 0,5 = 0,4Ом.
Сопротивление
контактов принимаем rк = 0,05 (т.к. подключается три прибора).
Определяем
допустимое сопротивление проводов:
пр=
z2ном-rприб-rк = 0,4- 0,22 - 0,05 = 0,13Ом.
Сечение
проводов:
мм2.
По
условию механической прочности минимальное сечение равно 4,0 мм2, поэтому
принимаем сечение провода S = 4,0 мм . Контрольный кабель типа АКВРГ с тремя жилами
сечением 4,0 мм2.
Выбираем
трансформатор тока типа ТПЛ-10.
)
Выбор трансформаторов тока на КЛ, питающей ТП2
Результаты
выбора приведены в табл.8.9.
Таблица
8.9 Выбор трансформаторов тока на КЛ, питающей ТП2
|
Расчетные данные
|
Условия выбора
|
Каталожные данные
|
|
Uуст=6кВ
|
Uуст £ Uном
|
Uном = 10 кВ
|
|
Iраб.ут=88.53А
|
Iрабут £ Iном
|
Iном=100 А
|
|
iуд=16.619кА
|
iдин =35,36 кА
|
|
|
Вк=18.395кА2·с
|
Вк £( Iт ×kT)2× tт
|
(0,1×45)2·3=60.75кА2с
|
В этой таблице:
Рабочий утяжеленный ток:
кз=8,578кА,
iуд=16,619кА (в точке 3)
Тепловой
импульс:
Вк=8.5782·(0,15+0,1)=18.395кА2·ст=3с=45дин=250
Таблица 8.10 Вторичная нагрузка трансформатора тока
|
Наименование и тип прибора
|
Мощность по фазам, МВА
|
|
А
|
В
|
С
|
|
Амперметр
|
0,5
|
0,5
|
0,5
|
|
Счетчик активной энергии
|
2,5
|
-
|
2,5
|
|
Счетчик реактивной энергии
|
2,5
|
2,5
|
2,5
|
|
Итого:
|
5,5
|
3
|
5,5
|
|
|
|
|
|
|
Расчет ведем по наиболее загруженной фазе.
Сопротивление приборов:
Ом.
Нагрузка
Z2 ТТ равна:
Номинальная
вторичная нагрузка в классе точности 0,5 = 0,4Ом.
Сопротивление
контактов принимаем rк = 0,05 (т.к. подключается три прибора).
Определяем
допустимое сопротивление проводов:
пр=
z2ном-rприб-rк = 0,4- 0,22 - 0,05 = 0,13Ом.
Сечение
проводов:
мм2.
По
условию механической прочности минимальное сечение равно 4,0 мм2, поэтому
принимаем сечение провода S = 4,0 мм . Контрольный кабель типа АКВРГ с тремя жилами
сечением 4,0 мм2.
Выбираем
трансформатор тока типа ТПЛ-10.
)Выбор
трансформаторов тока на секционном выключателе на стороне НН
Результаты
выбора приведены в табл.8.11.
Таблица
8.11 Выбор трансформаторов тока на секционном выключателе на стороне НН
|
Расчетные данные
|
Условия выбора
|
Каталожные данные
|
|
Uуст=6кВ
|
Uуст £ Uном
|
Uном = 10 кВ
|
|
Iраб.ут=1662.9А
|
Iрабут £ Iном
|
Iном= 2000А
|
|
Вк = 16.188 кА с
|
Вк £( Iном ×kT)2× tт
|
(2×35)2·3=14700 кА2с
|
В этой таблице:
Рабочий утяжеленный ток:
кз=8,578кА,
iуд=16,619кА (в точке 3)
Тепловой
импульс:
Вк=8.5782·(0,17+0,05)=16.188кА2·ст=3с=35
Таблица 8.12 Вторичная нагрузка трансформатора тока
|
Наименование и тип прибора
|
Количество
|
Мощность, ВА
|
|
Амперметр
|
1
|
0,5
|
|
Итого:
|
|
0,5
|
Сопротивление приборов:
Ом.
Нагрузка
Z2 ТТ равна:
Номинальная
вторичная нагрузка в классе точности 0,5 = 0,8 Ом.
Сопротивление
контактов принимаем rк = 0,05 (т.к. подключается один прибор).
Определяем
допустимое сопротивление проводов:
пр=
z2ном-rприб-rк = 0,8- 0,02 - 0,05 = 0,73Ом.
Сечение
проводов:
мм2.
По
условию механической прочности минимальное сечение равно 4,0 мм2, поэтому
принимаем сечение провода S = 4,0 мм . Контрольный кабель типа АКВРГ с тремя
жилами сечением 4,0 мм2.
Выбираем
трансформатор тока типа ТШЛ-10.
)
Выбор трансформаторов тока на 35 кВ.
Результаты
выбора приведены в табл.8.13.
Таблица
8.13 Выбор трансформаторов тока на 35 кВ
|
Расчетные данные
|
Условия выбора
|
Каталожные данные
|
|
Uуст = 35 кВ
|
Uуст £ Uном
|
Uном =35 кВ
|
|
Iраб.ут=297А
|
Iрабут £ Iном
|
Iном= 300А
|
|
iуд =17.459кА
|
iуд £ iдин
|
iдин =63кА
|
|
Вк = 15.875 кА2 с
|
Вк £ Iт2× tт
|
152·3=675 кА2 с
|
В этой таблице:
Рабочий утяжеленный ток:
кз=7.668
кА, iуд=17.459кА (в точке 2)
Тепловой
импульс:
Вк=7.6682·(0,17+0,1)=15.875кА2·ст=15кАт=3с
Выбираем трансформатор тока типа ТФЗМ 35Б-I.
8.2 Выбор трансформаторов напряжения
Трансформаторы напряжения (TV) выбираются по следующим условиям:
по номинальному напряжению:
уст < U1ном;
(8.8)
где U1ном - номинальное первичное напряжение.
по вторичной нагрузке:
<S2ном; (8.9)
по классу точности;
по конструкции.
где S2 - мощность внешней вторичной цепи(вторичная нагрузка);ном -
номинальная вторичная нагрузка. Принимают равной мощности всех трех однофазных
TV, соединенных по схеме "звезда", и удвоенную мощность однофазного
трансформатора, включенного по схеме "треугольник".
) Выбираем трансформаторы напряжения на стороне 6 кВ.
Выбор трансформаторов напряжения показан в табл.8.14
Таблица 8.14 Выбор трансформаторов напряжения на стороне 6 кВ
|
Наименование приборов
|
Число приборов
|
Мощность ВА
|
Число катушек
|
cos
|
sin
|
P, Вт.
|
Q, Вар
|
|
1.Вольтметр для измерения
междуфазного напряжения
|
1
|
10
|
1
|
1
|
0
|
10
|
0
|
|
2.Регистрирующий вольтметр
|
1
|
10
|
1
|
1
|
0
|
10
|
0
|
|
3.Счетчик активной энергии
|
4
|
2Вт
|
2
|
0,38
|
0,925
|
16
|
38.9
|
|
4.Счетчик реактивной
энергии
|
4
|
3Вт
|
2
|
0,38
|
0,925
|
24
|
58,32
|
|
Итого
|
|
40
|
97,22
|
(8.10)
ВА
Выбираем
к установке НТМИ-10У3, который имеет номинальную мощность 120ВА в классе
точности 0,5.
)
Выбор трансформаторов напряжения на стороне 220кВ
Таблица
8.15 Выбор трансформаторов напряжения на стороне 220 кВ
|
Наименование приборов
|
Число прибор.
|
Мощность ВА
|
Число катушек
|
cos
|
sin
|
P, Вт.
|
Q, Вар
|
|
1.Вольтметр для измерения
м/ф напр-ия
|
1
|
10
|
1
|
1
|
0
|
10
|
0
|
|
2.Регистрирующий вольтметр
|
1
|
10
|
1
|
1
|
0
|
10
|
0
|
|
3.Ваттметр
|
2
|
1,5 Вт
|
2
|
1
|
0
|
6
|
0
|
|
4.Варметр
|
2
|
1,5 Вт
|
2
|
1
|
0
|
6
|
0
|
|
5.Счетчик активной энергии
|
2
|
2Вт
|
2
|
0,38
|
0,925
|
8
|
19.44
|
|
6.Счетчик реактивной
энергии
|
2
|
3Вт
|
2
|
0,38
|
0,925
|
12
|
29.16
|
|
Итого
|
|
32
|
48.6
|
ВА
Результаты
выбора трансформаторов напряжения показаны в табл.8.16.
Таблица
8.16 Выбор трансформатора напряжения на стороне 220 кВ
|
Расчетные данные
|
Условие выбора
|
Каталожные данные
|
|
Uуст=220 кВ
|
Uуст<Uном
|
Uном=220кВ
|
|
 Sном=400ВА
|
|
|
Выбираем НКФ-220-58.
) Выбор трансформаторов напряжения на стороне 35кВ
Таблица 8.17 Выбор трансформаторов напряжения на стороне 35 кВ
|
Наименование приборов
|
Число приборов
|
Мощность ВА
|
Число катушек
|
cos
|
sin
|
P, Вт.
|
Q, Вар
|
|
1.Вольтметр для измерения
м/ф напр-ия
|
1
|
10
|
1
|
1
|
0
|
10
|
0
|
|
2.Регистрирующий вольтметр
|
1
|
10
|
1
|
1
|
0
|
10
|
0
|
|
3.Счетчик активной энергии
|
1
|
2Вт
|
2
|
0,925
|
4
|
9.72
|
|
4.Счетчик реактивной
энергии
|
1
|
3Вт
|
2
|
0,38
|
0,925
|
6
|
14.58
|
|
Итого
|
|
10
|
24.3
|
ВА
Результаты
выбора трансформаторов напряжения показаны в табл.8.18.
Таблица
8.18 Выбор трансформатора напряжения на стороне 35 кВ
|
Расчетные данные
|
Условие выбора
|
Каталожные данные
|
|
Uуст=35 кВ
|
Uуст<Uном
|
Uном=35кВ
|
|
 Sном=150*3=450ВА
|
|
|
Выбираем:ЗНОМ-35-65
. ВЫБОР И ОПИСАНИЕ КОНСТРУКЦИИ РУ
Распределительное устройство, расположенное на открытом воздухе
называется открытым распределительным устройством (ОРУ). Как правило РУ 35 кВ и
выше выполняются открытыми.
Открытые РУ должны обеспечивать надежность работы, безопастность и
удобство обслуживания при минимальных затратах на сооружение, возможность
расширения, максимальное применение крупноблочных узлов заводского
изготовления.
Все аппараты ОРУ обычно располагаются на невысоких основаниях
(металических или железобетонных). По территории ОРУ предусматриваются проезды
для возможности монтажа и ремонта оборудования.
Шины могут быть гибкими из многопроволочных проводников или круглых труб.
Первые крепятся на порталах с помощью подвесных изоляторов, а вторые с помощью
опорных изоляторов на железобетонных и металлических стойках. Применение
жесткой ошиновки позволяет уменьшить площадь ОРУ.
Под силовыми трансформаторами, масляными реакторами и баковыми
выключателями выше 220 кВ укладывается слой гравия не меньше 25 см и
предусматривается сток масла в аварийных случаях, в систему стока ливневых вод.
Кабели оперативных цепей, цепей управления, релейной защиты и автоматики,
воздуховоды прокладываются в лотках из железобетонных конструкций без
заглубления их в почву или в металических лотках подвешенных в конструкции ОРУ.
Открытые РУ имеют следующие преимущества перед ЗРУ:
·
меньший объем
строительных работ и как следствие уменьшение стоимости РУ;
- легче выполняется расширение и конструкция;
все аппараты доступны для наблюдения;
В то же время ОРУ занимают большую площадь, менее пригодны для
эксплуатации при плохих климатических условиях, аппараты подвержены запылению,
загрязнению и колебанию температуры.
Открытые РУ 220 кВ по схеме с одной секционированной системой шин
сооружаются однопортальными. Металлические стойки расположениы через 4.6 м
соеденены швелерами и уголками образуют жесткую конструкцию, на которой в
нижней части - разъединители и сборные шины.
Между линейными и шинными разъединителями есть сетчатое ограждение для
обеспечения безопастности при подъеме на опору со стороны линии или
трансформаторов во время ремонтов.
Приводы разъединителей монтируются на основных металлических стойках.
Вдоль многопролетного портала проходит лоток для контрольных кабелей. Такое ОРУ
достаточно компактно, но не вполне удобно в эксплуатации из-за высокого
расположения разъединителей. Расстояние между токоведущими частями и от них до
различных элементов ОРУ выбирается в соответствии с требованиями ПУЭ. В
табл.9.1 приведены основные расстояния между токоведущими частями и от них до
различных элементов ОРУ.
Таблица 9.1- основные расстояния между токоведущими частями и от них до
различных элементов ОРУ
|
Границы
|
Расстояние, мм
|
|
1.Оборудования и изоляции
до заземленных конструкций или постоянных ограждений высотой не менее 2 м.
|
900
|
|
2. Между проводами разных
фаз.
|
1000
|
|
3. От токоведущих частей
или от элементовоборудования и изоляции, находящихсяпод напряжением, до
постоянных ограждений высотой 1.6 м, до габаритов транспортируемого
оборудования.
|
1650
|
|
4. Между токоведущими
частями разных цепей в разных плоскостях при обслуживании нижней цепи и
неотключенной верхней
|
1650
|
|
5. От неогражденных
токоведущих частей до земли в кровле зданий при наибольшем провисании
проводов
|
3600
|
|
6. Между токоведущими
частями разных цепей в разных плоскостях, а также между токоведущими частями
разных цепей по горизонтали при обслуживании одной цепи и неотключенной
другой, от токоведущих частей до верхней кровли забора, между токоведущими
частями и зданиями или сооружениями
|
2900
|
9.1 Выбор закрытого распределительного
устройства
Закрытые распределительные устройства (ЗРУ) обычно сооружаются на
напряжения 3-20 кВ. Однако при ограничении площади РУ, а также неблагоприятных
климатических условиях и большой загрязненности атмосферы применяют ЗРУ 35-220
кВ. Обслуживание ЗРУ должно быть удобным и безопастным.
Неизолированные токоведущие части во избежании случайных прикосновений к
ним должны быть помещены в камеры или ограждены. Ограждение может быть сплошным
или сетчатым и должны запираться на замок.
Осмотры оборудования производятся из коридора обслуживания, ширина
которого должна быть не менее 1 м при одностороннем и при двухсторонним
обслуживании - 1.2 м. Если в коридоре помещены приводы разъединителей и
выключателей, то ширина такого коридора должна быть 1.5 и 2 м соответственно.
Из помещения ЗРУ предусматриваются выходы наружу или в помещение с
негорючими стенами и перекрытиями: один выход при длинне РУ до 7м; два выхода
при длинне РУ от 7 до 60 м и при длинне более 60 м - два выхода по концам и
один с таким расчетом , чтобы расстояние от любой точки коридоров РУ до выхода
не превышала 30 м. Двери РУ должны иметь самозапирающиеся замки, открыемые со
стороны РУ без ключа. ЗРУ должно обеспечивать пожарную безопастность.
Распределительное устройство должно быть экономичным. Для этого применяются
железобетонные блоки вместо кирпича ,укрупненные электроузлы и т.д..
9.2 Конструкция закрытого распределительного
устройства 6 кВ с одной секционированной системой шин
Здание сооружается из стандартных железобетонных конструкций, несущие
колонны расположены в два ряда через 6 м. На колонны опираются балки пролетом
1.5 м. Стены из железобетонных плит не имеют оконных пролетов. Т.к. помещение
ЗРУ длиной более 7 м предусматриваем 2 выхода по его торцам.
Ячейки КРУ располагаем в один ряд. Основой ячеек является стальной
каркас. Сборные шины алюминиевые, прямоугольного сечения, с пролетом между
изоляторами 1 м, рассчитаны на номинальный ток 2963 А.
Таблица 9.2 - основные расстояния между токоведущими частями и от них до
различных элементов ЗРУ
|
Наименование расстояния
|
Наименьшее расстояние в
свету, мм
|
|
От токоведущих частей до
заземленных конструкций и частей зданий
|
90
|
|
2. Между проводниками
разных фаз
|
350
|
|
3. От токоведущих частей до
сплошных заграждений
|
120
|
|
4. От токоведущих частей до
сетчатых за граждений
|
190
|
|
5. Между неогражденными
токо ведущими частя ми разных цепей
|
2000
|
|
6. От неогражденных выводов
из РУ до земли при выходе из РУ на территорию станции и при отсутствии
проезда под выводами
|
4500
|
|
7. Между секциями шин
|
3000
|
9.3 Выбор ограничителей перенапряжения и
изоляторов на проектируемой подстанции
Для нормального функционирования электрооборудования, установленного на
подстанции необходимо произвести выбор ограничителей перенапряжения(ОПН) и
изоляторов.
ОПН выбирают по номинальному напряжению установки.
Для защиты изоляции от перенапряжений выбираем по таблице П3.5 [5] на
стороне 6 кв ограничителей перенапряжения типа ОПН-КР/TEL 6/6,3УХЛ2 c Uном = 6
кВ, Uном.д = 6.3 кВ. Для защиты изоляции электрооборудования от перенапряжений
на стороне 220 кВ выбираем ограничителей перенапряжения типа ОПН-220/242-6(II)
Uном = 220 кВ, Uном.д = 242 кВ. А для защиты изоляции электрооборудования от
перенапряжений на стороне 35 кВ выбираем ограничителей перенапряжения типа
ОПН-35/37-6(II) Uном = 35 кВ, Uном.д = 37 кВ.
ЗАКЛЮЧЕНИЕ
В данном курсовом проекте проектировалась электрическая часть подстанции.
Были решены следующие задачи: выбрана и разработана схема подстанции,
произведено технико-экономическое сравнение двух вариантов с трансформаторами
ТДТН-40000/220/35 и ТДТН-63000/220/35 по минимуму приведенных затрат, и на его
основании выбрана для дальнейшего расчёта схема подстанции с наименьшими
приведенными затратами, т.е. схема изображенная на рис. 2.1 с трансформаторами
ТДТН-63000/220/35.
Произведён выбор сечений проводников воздушных и кабельных линий и расчёт
режимов электрической сети с проектируемой подстанцией.
Затем для выбранной схемы подстанции был произведен расчёт токов
короткого замыкания.
Были выбраны коммутационные аппараты: выключатели и разъединители на
стороне 220 кВ, 35 кВ, а также выключатели на стороне 6 кВ, и предохранители,
для защиты ТСН. Проверка электрических аппаратов на работоспособность
производилась в условиях ненормальных режимов, то есть термическую и
динамическую стойкость при коротких замыканиях.
Разработана полная схема подстанции. Данная подстанция имеет три номинала
напряжения: 220 кВ, 35 кВ и 6 кВ. Имеет 13 отходящих линий на стороне 6 кВ и 2
линии на стороне 35 кВ.
Выбраны токоведущие части подстанции для напряжения 35 кВ и 6 кВ, при
этом учитывались требования, вытекающие из условий работы проводников.
Произведён выбор измерительных трансформаторов тока и напряжения, а также
всей контрольно-измерительной аппаратуры на подстанции.
Контрольно-измерительные приборы выбирались из условия, что измерениями должны
быть охвачены все параметры основного и вспомогательного оборудования,
определяющего режим управления подстанции.
Курсовой проект выполнен с учётов всех норм проектирования и в
соответствии с требованиями ЕСКД и ПУЭ, а разработанная подстанция
удовлетворяет современным техническим требованиям, предъявляемым к системам
электроснабжения.
ЛИТЕРАТУРА
1. Проектирование электрической части
станций и подстанций : учеб. пособие для вузов / Ю. В. Гук [и др.]. - Ленинград
: Энергоатом- издат, 1985.
2. Околович, М. Н. Проектирование
электрических станций / М. Н. Околович. - Москва : Энергоатомиздат, 1982.
3. Ополева, Г. Н. Схемы и подстанции
электроснабжения / Г. Н. Ополева. - Москва : Форум-Инфра, 2006.
4. Рожкова, JI. Д. Электрооборудование
станций и подстанций / J1. Д. Рожкова, В. С. Козулин. - 2-е изд. - Москва :
Энергия, 1987.
5. Неклепаев, Б. Н. Электрическая часть
электростанций и подстанций. Справочные материалы для курсового и дипломного
проектирования / Б. Н. Неклепаев, И. П. Крючков. - 4-е изд. - Москва :
Энергоатомиздат, 1989.
6. Лычев, П. В. Электрические сети
энергетических систем / П. В. Лычев, В. Т. Федин. - Минск : Ушверспэцкае, 1990.
7. Лычев, П. В. Электрические сети
энергетических систем. Решение практических задач / П. В. Лычев, В. Т. Федин. -
Минск : Дизайн ПРО, 1997.
8. Методические указания для курсового
проектирования по курсу «Электрические станции и подстанции систем
электроснабжения» для студентов специальности 0303 / авт.-сост.: А. Н. Бохан,
Г. И. Селиверстов. -Гомель : ГПИ, 1989.
9. Выбор токоведущих частей и кабелей :
практ. пособие к решению задач по курсу «Электрическая часть станций и
подстанций» для студентов специальности Т.01.01 «Электроэнергетика» днев. и
заоч. форм обучения / авт.-сост. А. Н. Бохан. - Гомель : ПГТУ им. П. О. Сухого,
2002.
10.Электрическая
часть станций и подстанций: практ. пособие к решению задач по одноим. курсу для
студентов специальности 1-42 01 03 «Электроснабжение» днев. и заоч. форм
обучения / авт.-сост.: А. Н. Бохан, В. В. Кротенок. - Гомель : ГГТУ им. П. О.
Сухого, 2004.
11.Нормы
технологического проектирования понижающих подстанций с высшим напряжением
35-750 кВ. - Москва : Энергия, 1978.
12.Правила
устройства электроустановок. - 6-е изд., перераб. и доп. - Москва : Атомиздат,
1999.
13.Справочник
по проектированию электроэнергетических систем / под ред. С. С. Рокотяна, И. М.
Шапиро. - Москва : Энергоатомиздат, 1985.
14.Электротехнический
справочник : в 3 ч. - Москва : Энергоиз- дат, 1980.-т. 1.
15.ГОСТ
30323-95. Методы расчета электродинамического и термического действия тока
короткого замыкания. - Минск : Межгос. совет по стандартизации, метрологии и
сертификации, 1995.
16.Евминов,
J1. И. Короткие и простые замыкания в распределительных сетях / JI. И. Евминов.
- Гомель : ГГТУ им. П. О. Сухого, 2003.
17.Поспелов,
Г. Е. Электрические системы и сети / Г. Е. Поспелов, В. Т. Федин, П. В. Лычев.
- Минск : Технопринт, 2004.
18.Электрическая
часть станций и подстанций / А. А. Васильев [и др.]. - Москва : Энергия, 1990.
.
Методические указания для курсового проектирования по курсу «Электрические
станции и подстанции промышленных предприятий» для студентов специальности 1-43
01 07 / авт.-сост.: Г. И. Селиверстов., С.Г. Жуковец -Гомель : ГГТУ им П.О.
Сухого, 2008.