|
Тип трансформатора
|
Sном, МВА
|
Uном, кВ, обмоток
|
Потери ХХ
|
RТР, Ом, обмоток
|
XТР, Ом, обмоток
|
|
|
ВН
|
СН
|
НН
|
DPхх кВт
|
DQхх, квар
|
В
|
С
|
Н
|
В
|
С
|
Н
|
|
|
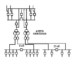
ТДТН-63000/110
|
63
|
115
|
38.5
|
6.6
|
70
|
536
|
0.52
|
0.52
|
0.52
|
22.6
|
0
|
13.1
|
|
ТДТН-40000/110
|
63
|
115
|
38.5
|
6.6
|
50
|
360
|
0.95
|
0.95
|
0.95
|
35.4
|
0
|
20.6
|
|
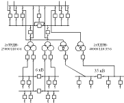
ТРДН-25000/110
|
25
|
115
|
-
|
6.6
|
29
|
200
|
2.54
|
55.9
|
В данном разделе были выбраны трансформаторы для двух вариантов схем.
3. Выбор принципиальной схемы первичных соединений подстанции
Как правило, распределительные устройства (РУ) напряжением 35 кВ и выше
выполняются открытыми (ОРУ). ОРУ должны обеспечить надежность работы,
безотказность и удобство обслуживания при минимальных затратах на сооружение,
возможность расширения. Все аппараты ОРУ обычно располагаются на невысоких
основаниях (металлических или железобетонных).
По территории ОРУ предусматриваются проезды для возможности механизации,
монтажа и ремонта оборудования. Для РУ напряжением 6 кВ выбираем комплектные
распределительные устройства (КРУ). Эти КРУ состоят из закрытых шкафов, с
встроенными в них аппаратами, измерительными и защитными приборами. Для РУ
напряжением 35 кВ и выше в зависимости от числа цепей и ответвлений применяются
следующие схемы электрических соединений: блок трансформатор-линия (с
выключателем или без него, с разъединителем или короткозамыкателем), мостик,
одна секционированная система сборных шин.
При разработке главной схемы соединений подстанции рассматриваются два
варианта (см. рис.2.1 и рис.2.2), отличающиеся составом и схемами подключения
основного оборудования, схемами РУ и т.д. На основании технико-экономического
сопоставления вариантов определяем оптимальное решение, причем основное
внимание уделяется методике их выполнения, а графики нагрузок и другие величины
и коэффициенты принимаются по усредненным показателям.
Для первого варианта на стороне ВН принимаем схему одна секционированная
система шин с обходной с совмещенным секционным и обходным выключателями ([6],
табл. 6.8; [7], стр. 358-359). На стороне СН и НН применяем одиночную
секционированную систему шин (см. рис. 3.1).
Для второго варианта на стороне ВН принимаем схему одна секционированная
система шин с обходной с отдельными секционным и обходным выключателями ([6],
табл. 6.8), на стороне СН и НН применяем схему с одной секционированной
системой шин (см. рис. 3.2).
Рис. 3.1. Главная схема электрических соединений подстанции по первому
варианту
Рис. 3.2. Главная схема электрических соединений подстанции по второму
варианту
4. Технико-экономическое сравнение вариантов
Для окончательного выбора варианта необходимо сравнить эти две схемы (см.
рис. 4.1, 4.2). В настоящее время ведут расчет по минимуму приведенных затрат
З, руб./год, которые определяются из выражения:
(4.1)
где
- нормативный коэффициент эффективности, I/год,
принимаемый в расчетах 0.12;
К
- капиталовложения, руб.;
И
- годовые издержки, руб./год;
М
- математическое ожидание ущерба, руб./год.
Капиталовложения
определяются по упрощенным показателям стоимости оборудования и аппаратов ([5],
табл. П.5.59-5.79). При этом не учитываем стоимость одинакового оборудования.
Результаты расчетов капиталовложений приводятся в табл. 4.1.
Таблица 4.1.Капиталовложения в подстанции
Годовые эксплуатационные издержки складываются из трех составляющих:
, (4.2)
где
- амортизационные отчисления, тыс. руб.,
; (4.3)
где а - норма амортизационных отчислений, для силового оборудования равна
6.4%;
-
издержки на обслуживание электроустановки,
, (4.4)
где
b - норма отчислений на обслуживание, равна 2.5%;
-
издержки, обусловленные потерями энергии в проектируемой установке,
, (4.5)
где
b - удельные затраты на возмещение потерь, принимаются
равными 0.8 коп/кВт×ч;
- потери
электроэнергии, кВт×ч/год,
, (4.6)
где
n - количество трансформаторов;
Рхх
- потери холостого хода, кВт;СТ - мощность нагрузки, МВА;
UНТ - номинальное напряжение стороны ВН трансформатора,
кВ;
RОБМ - сопротивление обмотки трансформатора, Ом;
tСТ - время максимальных потерь, ч,
,ч (4.7)
где
Тм - продолжительность использования максимальной нагрузки (см. исходные
данные), ч.;
Определим годовые эксплуатационные издержки для первого варианта:
тыс.
руб.
тыс.
руб.
Определим средневзвешенное время максимальной нагрузки
ч.
Отсюда
ч.
Для
стороны ВН
ч.
ч.
Для
стороны СН
ч.
Находим потери электроэнергии в трансформаторах
кВт×ч.
Издержки на потери электроэнергии
тыс.
руб.
Годовые эксплуатационные издержки
тыс.
руб.
По выражению (4.2) определяем приведенные затраты для первого варианта
тыс.
руб.
Для второго варианта расчет выполняется аналогично.
тыс.
руб.
тыс.
руб.
кВт×ч.
кВт×ч.
тыс.
руб.
тыс.
руб.
Определяем приведенные затраты для второго варианта
тыс.
руб.
Исходя
из минимума приведенных затрат, первый вариант является более экономичным
(185.11 тыс.руб.<215.53тыс.руб.), поэтому дальнейший расчет будем вести для
него (см. рис. 3.1).
5. Расчет токов короткого замыкания
Расчет токов к.з. производится для выбора и проверки электрооборудования,
а также для расчета параметров электрических аппаратов релейной защиты.
Точки к.з. выбираем в трех местах системы, чтобы проверяемые в
последующих расчетах аппараты были поставлены в наиболее тяжелые условия.
Наиболее практичными точками являются сборные шины всех напряжений.
Составляем расчетную схему проектируемой подстанции. В схему замещения ее
элементы (система, трансформатор, линия) вводятся своими индуктивными
сопротивлениями. При составлении схемы замещения, учитываем, что подстанция
является транзитной, а так же то, что силовые трансформаторы на понижающих
подстанциях работают на шины низкого (среднего) напряжения раздельно.
Принимаем, что каждая система обладает двумя независимыми источниками (вытекает
из количества линий). Это принято для снижения уровней токов к.з. в
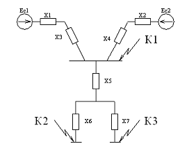
электрической сети. Схема замещения представлена на рис. 5.1.
Рис. 5.1. Схема замещения электрической сети.
Выбор базисных условий и определение параметров элементов
схемы замещения
За базисную мощность принимаем мощность равную Sб = 1000 МВА.
За базисное напряжение принимаем напряжения равные средним напряжениям сети,
которые равны: Uб1 = 115 кВ; Uб2 = 37 кВ; Uб3
= 6.3 кВ. Принятые базисные напряжения вытекают из точек к.з., которые
намечаются в расчетной схеме, т.е. К1 - на шинах высокого напряжения
подстанции, К2 - на шинах среднего напряжения, К3 - на шинах низкого
напряжения. Базисные токи определяются по формуле:
, кА (5.1)
где
Sб - базисная мощность, МВА;б - базисное напряжение, кВ.
кА;
кА;
кА.
Определяем
сопротивления элементов схемы замещения. Сопротивление системы определяется по
выражению ([8], табл. 3.5):
, (5.2)
где
Х·С -
относительное сопротивление системы;С - номинальная мощность
системы, МВА.
о.е.;
о.е.
Сопротивление линий определяется по выражению ([8], табл.3.5), учитывая,
что у системы два источника, а также то, что подстанция транзитная,
сопротивление линий не делим на 2:
, (5.3)
где
x0 -
удельное сопротивление 1 км линии, равное 0.4 Ом/км ([8], табл. 3.3);-
протяженность линии, км.
о.е.;
о.е.;
Сопротивление трансформаторов рассчитываем по следующим выражениям:
, (5.4)
где
XТ -
сопротивление трансформаторов (см. табл. 2.1), Ом.
, о.е;
, о.е;
, о.е.
Расчет токов к.з. на стороне 110 кВ
Сложив последовательно соединенные сопротивления Х1 и Х3,
Х2 и Х4 переходим к схеме на рис.5.2.
о.е.;
о.е.
Рис.
5.2. Преобразованная схема замещения электрической сети для определения токов
к.з.
Сверхпереходной ток от систем находим по формуле:
, (5.5)
где
I - сверхпереходной установившийся ток, кА;*С - напряжение системы, о.е.;
Х*РЕЗ -
результирующее сопротивление ветви, о.е.
кА;
кА;
кА.
Ударный ток в точке К1 определяется по выражению:
кА,
где
kУД = 1.72
- ударный коэффициент ([9], табл.6.1).
Расчет токов к.з. на стороне 35 кВ
Находим эквивалентное значение параллельно соединенных сопротивлений Х8
и Х9:
о.е.
Определяем коэффициенты распределения по ветвям
;
;
.
Определяем результирующее сопротивление .
о.е.
Переходим к схеме, представленной на рис.5.3
Рис.5.3. Преобразованная схема замещения для расчета токов к.з.
о.е.;
о.е.
кА;
кА;
кА.
Ударный ток в точке К2 определяется:
кА.
Расчет токов к.з. на стороне 6 кВ
Расчетная схема в этом случае аналогична, как и для точки К2 (рис. 5.4).
о.е.;
о.е.;
о.е.
кА;
кА;
кА.
Определяем ударный ток в точке К3:
кА.
Результаты
расчета токов к.з. сведены в табл. 5.1.
Таблица
5.1.Токи короткого замыкания
|
Параметр
|
Точки короткого замыкания
|
|
РУ ВН
|
РУ СН
|
РУ НН
|
|
Iпо, кА
|
3.034
|
4.637
|
21.043
|
|
Iу, кА
|
7.379
|
11.672
|
52.972
|
6. Выбор трансформаторов и схемы собственных нужд подстанции
Мощность потребителей собственных нужд невелика, поэтому они питаются от
сети 380 /220 В, которая получает питание от понижающих трансформаторов. На
двухтрансформаторных подстанциях 35-750 кВ устанавливаются два ТСН, мощность
которых выбирается в соответствии с нагрузкой, с учетом допустимой перегрузки
при выполнении ремонтных работ и отказа одного из трансформаторов.
Состав потребителей собственных нужд сводим в табл.6.1, состав
потребителей собственных нужд подстанции зависит от типа подстанции, мощности
трансформаторов, наличия синхронных компенсаторов, типа оборудования.
Рис. 6.1. Схема питания собственных нужд подстанции.
Для питания оперативных цепей подстанций может применяться переменный и
постоянный ток. Постоянный оперативный ток применяется на всех подстанциях
330-750 кВ, на подстанциях 110-220кВ с числом масляных выключателей 110, 220 кВ
три и более. В нашем случае будет применен постоянный оперативный ток, на
подстанциях с постоянным оперативным током трансформаторы Т1 и Т2
присоединяются к шинам 6-35 кВ.
На рис. 6.1. приведена схема питания собственных нужд подстанции.
Таблица 6.1.Таблица собственных нужд подстанции
|
Тип потребителя
|
Установленная мощность
|
cosf
|
Нагрузка
|
|
|
|
P, кВт
|
Q, квар
|
|
N х p, кВт
|
всего
|
|
|
|
|
Охлаждение трансформаторов ТДТН-63000/110/35/6
|
2х4.5
|
9
|
0.85
|
9
|
5.58
|
|
Подогрев выключателей У-110Б
|
7х11.3
|
79.1
|
1
|
79.1
|
-
|
|
Подогрев выключателей МКП-35
|
7х4.4
|
30.8
|
1
|
30.8
|
-
|
|
Подогрев шкафов КРУ-10
|
13х1
|
13
|
1
|
13
|
-
|
|
Подогрев приводов разъединителей
|
37х0.6
|
22.2
|
1
|
22.2
|
-
|
|
Подогрев релейного шкафа
|
7х1
|
7
|
1
|
7
|
-
|
|
Отопление, освещение, вентиляция:
|
|
|
ЗРУ 6 кВ
|
7
|
7
|
1
|
7
|
-
|
|
ОПУ
|
60
|
60
|
1
|
60
|
-
|
|
Освещение:
|
|
|
ОРУ 110 кВ
|
2
|
2
|
1
|
2
|
|
|
ОРУ 35 кВ
|
5
|
5
|
1
|
5
|
-
|
|
ВАЗП
|
2х23
|
46
|
1
|
46
|
-
|
|
Маслохозяйство
|
250
|
250
|
250
|
-
|
|
ИТОГО
|
531.1
|
5.58
|
Расчетная мощность потребителей собственных нужд подстанции
определяется по выражению:
(6.1)
где
КС - коэффициент спроса, учитывающий коэффициенты одновременности и
загрузки, принимается равным 0.8;
кВА;
кВА.
Определяем мощность трансформатора собственных нужд (2.1)
кВА.
Выбираем
два трансформатора типа ТМ-400/6.
7. Выбор средств ограничения токов к.з. и коммутационной аппаратуры для
распределительного устройства подстанции
Выбор реакторов на стороне 6 кВ
При выборе реактора выполняется упрощенный расчет тока к.з., когда вся
система, включая проектируемую станцию, приводится к одному результирующему
сопротивлению между объединенными источниками питания и точкой к.з. Xå , которое определяется по выражению:
, Ом,
где
IП0 -
найденный ток к.з. (см. п.7).
Требуемое
сопротивление цепи к.з. для обеспечения IНОМОТКЛ=20 кА:
, Ом.
Разность
полученных сопротивлений дает желаемое сопротивление реактора:
, Ом.
Затем
в соответствии с требуемыми значениями UНОМ и IНОМ
выбирается реактор с сопротивлением XР ближайшим большим значения XТРР.
Произведем
выбор реактора.
, Ом,
, Ом.
, Ом.
Определяем
максимальный ток:
кА.
Выбираем
реактор РБДГ-10-4000-0.105.
Определяем
ток к.з. за реактором.
кА,
кА.
Выбор коммутационной аппаратуры
Выбор выключателей производим по следующим параметрам:
·
по напряжению
электроустановки
УСТ < UНОМ; (7.1)
·
по длительному
расчетному току с учетом возможных длительных перегрузок основного оборудования
IMAX < IНОМ , (7.2)
где IMAX = k*IРАБ,НОРМ;
UНОМ, IНОМ - паспортные (каталожные) параметры
выключателя ([4], табл. 5.1-5.2);
k - коэффициент, зависящий от допускаемых длительных повышений тока.
Проверка на электродинамическую стойкость выполняется по следующим
условиям:
,
. (7.3)
где
IПО и iУД - расчетные значения периодической составляющей
тока к.з.(при Т=0, Ino - см.п.5.) и ударного тока в цепи (при Т=0.01 с), для
которой выбирается выключатель;ДИН, IMДИН - действующее и амплитудное значение предельного
сквозного тока к.з. (каталожные параметры выключателя).
Выбрав выключатель по рассмотренным параметрам, зная по каталогу
собственное время отключения выключателя, находят время от начала к.з. до
расхождения контактов выключателя:
, с (7.4)
где
tЗMIN - минимальное время действия релейной защиты,
принимаем равным 0.01 с, и для этого времени определяют периодическую In и
апериодическую iА составляющие тока к.з.;
tсв - собственное время отключения выключателя ([4], табл. 5.1-5.2).
Апериодическую составляющую тока к.з. находят по выражению:
(7.5)
где
Та - постоянная времени затухания. Величину Та и значение
ударного коэффициента определяем по ([9], табл.6.1).
Отключающая способность выключателя проверяется по следующим условиям. В
первую очередь производится проверка на симметричный ток отключения по условию:
Ino < Iоткл., где Iоткл. - номинальный ток отключения по каталогу.
Затем проверяется возможность отключения апериодической составляющей тока
к.з. iаt .Процентное содержание iаt определяем по выражению
,% (7.6)
и проверяем условие b < bНОМ. Величину bНОМ (нормированное значение содержания
апериодической составляющей в отключаемом токе, %) определяем по ([4], рис.8.1)
или по каталогам.
Если
, а
, тогда
допускается выбирать выключатель по полному току:
. (7.7)
На
термическую стойкость выключатель проверяют по расчетному импульсу квадратичного
тока к.з. ВК и найденным в каталоге предельному, гарантированному
заводом-изготовителем току термической стойкости аппарата IТ и
времени его протекания tТ:
. (7.8)
Значение термического импульса определяем по выражению
(7.9)
где
,
где
время действия релейной защиты (принимаем 1.5с),
полное время отключения выключателя (приводится в
технических характеристиках выключателя), с.
Необходимо
отметить, что расчетным видом к.з для проверки на электродинамическую и
термическую стойкость является трехфазное к.з. Разъединители, отделители и
выключатели нагрузки выбираются по номинальному напряжению UНОМ,
номинальному длительному току IНОМ, а в режиме к.з. проверяются на
термическую и электродинамическую стойкость.
Выбор выключателей и разъединителей на стороне 110 кВ
Определяем максимальный рабочий ток:
кА.
Расчетный импульс квадратичного тока к.з.:
кА2с;
с.
Результаты расчета по выбору выключателя приведены в табл.7.1, по выбору
разъединителей в табл.7.2.
Таблица 7.1.Выбор выключателей на стороне 110 кВ
|
Расчетные данные
|
Каталожные данные
|
Условия выбора
|
|
 
|
|
|
|
 
|
|
|
|
Проверка на отключающую способность
|
А)
периодическая составляющая
Выбираем масляный баковый выключатель типа У-110Б-2000-40У1 (серия
"Урал", 110 кВ, 2000 А, ток отключения 40 кА, для умеренного климата
открытой установки). Привод выключателя ШПЭ - 44 У1 ([4], табл. 5.2)
Таблица 7.2 Выбор разъединителей на стороне 110 кВ
|
Расчетные данные
|
Каталожные данные
|
Условия выбора
|
|
 
|
|
|
|
 
|
|
|
|
Проверка на динамическую стойкость
|
|
 
|
|
|
|
Расчетные данные
|
Каталожные данные
|
Условия выбора
|
|
Проверка на термическую стойкость
|
|
 
|
|
|
Выбираем разъединитель типа РНД3.2-110/1000 У1 (тип привода ПДН-1У1).
Выбор выключателей и разъединителей на стороне 35 кВ
Выключатели и разъединители на стороне 35 кВ и 6 кВ выбираем в три этапа:
1. Выбор вводных выключателей и разъединителей в их цепях.
2. Выбор выключателей и разъединителей в цепях отходящих линий.
3. Выбор секционных выключателей и разъединителей в их цепях.
Объясняется это тем, что аппараты в п.1 будут рассчитываться на Iраб.мах
полной нагрузки SВН, аппараты отходящих линий (п.2)
рассчитываем по максимальному рабочему току линии, а секционные выключатели и
разъединители в их цепях - по максимальному току секции.
Выбор вводных выключателей и разъединителей в их цепях.
Определяем максимальный рабочий ток:
кА.
Расчетный импульс квадратичного тока к.з.:
кА2с;
с.
Результаты
расчетов по выбору выключателей приведены в табл.7.3, по выбору разъединителей
в табл.7.4.
Таблица 7.3.Выбор вводных выключателей на стороне 35кВ
|
Расчетные данные
|
Каталожные данные
|
Условия выбора
|
|
 
|
|
|
|
 
|
|
|
|
Проверка на отключающую способность
|
А)
периодическая составляющая
|
, 
|
|
|
|
Расчетные данные
|
Каталожные данные
|
Условия выбора
|
|
В) апериодическая составляющая  %
|
|
|
|
Проверка на динамическую стойкость
|
|
 
|
|
|
|
Проверка на термическую стойкость
|
|
кА2с
|
|
|
Выбираем баковый выключатель типа МКП-35-1000-25БУ1 ([4], табл. 5.2).
Таблица 7.4 Выбор разъединителей в цепи вводных выключателей на стороне
35 кВ
|
Расчетные данные
|
Каталожные данные
|
Условия выбора
|
|
 
|
|
|
|
 
|
|
|
|
Проверка на динамическую стойкость
|
|
 
|
|
|
|
Проверка на термическую стойкость
|
|
 
|
|
|
Выбираем разъединитель типа РНДЗ.1-35/1000 У1 (тип привода ПРН-110У1)
([4], табл. 5.5).
Выбор секционного и линейных выключателей, а так же разъединителей в их
цепях.
Определяем максимальный рабочий ток:
кА.
Выбираем
баковый выключатель типа МКП-35-1000-25БУ1 ([4], табл. 5.2), его проверка
аналогична рассмотренной выше.
Результаты
расчетов по выбору разъединителей представлены в табл.7.5.
Таблица 7.5.Выбор разъединителей в цепи секционного выключателя на
стороне 35 кВ
|
Расчетные данные
|
Каталожные данные
|
Условия выбора
|
|
 
|
|
|
|
 
|
|
|
|
Проверка на динамическую стойкость
|
|
 
|
|
|
|
Проверка на термическую стойкость
|
|
 
|
|
|
Выбираем разъединитель типа РНДЗ.1-35/630 У1 (тип привода ПРН-110У1)
([4], табл. 5.5).
В качестве линейных выключателей применяем выключатель МКП-35-1000-25БУ1,
выше он был проверен по более жестким условия, поэтому вторую проверку
производить нет смысла. По тем же самым причинам выбранный разъединитель
РНДЗ.1-35/630 У1, так же не подвергаем проверке.
Выбор вводных выключателей и разъединителей в их цепях.
Расчетный импульс квадратичного тока к.з.:
кА2с;
с.
Результаты
расчетов по выбору выключателей приведены в табл.7.6, по выбору разъединителей
в табл.7.7.
Таблица 7.6.Выбор вводных выключателей на стороне 6 кВ
|
Расчетные данные
|
Каталожные данные
|
Условия выбора
|
|
 
|
|
|
|
 
|
|
|
|
Проверка на отключающую способность
|
А)
периодическая составляющая
|
, 
|
|
|
|
Расчетные данные
|
Каталожные данные
|
Условия выбора
|
В)
апериодическая составляющая
Выбираем маломасляный выключатель типа ВМПЭ-10-3150-31.5У3. Привод
выключателя ПЭВ - 11А ([4], табл. 5.1)
Таблица 7.7. Выбор разъединителей в цепи вводных выключателей на стороне
6 кВ
|
Расчетные данные
|
Каталожные данные
|
Условия выбора
|
|
 
|
|
|
|
 
|
|
|
|
Проверка на динамическую стойкость
|
|
 
|
|
|
|
Проверка на термическую стойкость
|
|
 
|
|
|
Выбираем разъединитель типа РВРЗ-2-10/4000 У3 (тип привода ПР-3У3) ([4],
табл. 5.5).
Выбор секционных выключателей и разъединителей в их цепях.
Определяем максимальный рабочий ток:
кА.
Расчетный импульс квадратичного тока к.з.:
кА2с;
с.
Выбираем маломасляный выключатель типа ВМПЭ-10-1600-20У3. Привод
выключателя ПЭ-11 ([4], табл. 5.5).
Результаты расчетов по выбору выключателей приведены в табл.7.8, по
выбору разъединителей в табл.7.9.
Таблица 7.8.Выбор секционного выключателя на стороне 6 кВ
|
Расчетные данные
|
Каталожные данные
|
Условия выбора
|
|
 
|
|
|
|
 
|
|
|
|
Проверка на отключающую способность
|
А)
периодическая составляющая
Таблица 7.9.Выбор разъединителей в цепи секционных выключателей на
стороне 6 кВ
|
Расчетные данные
|
Каталожные данные
|
Условия выбора
|
|
 
|
|
|
|
 
|
|
|
|
Проверка на динамическую стойкость
|
|
 
|
|
|
|
Проверка на термическую стойкость
|
|
 
|
|
|
Выбираем разъединитель типа РВРЗ-2-III-10/2000 IУ3 (тип привода ПР-3) ([4], табл. 5.5).
Выбор линейных выключателей и разъединителей в их цепях.
Потребитель 5МВА.
Определяем максимальный рабочий ток:
кА.
Выбираем маломасляный выключатель типа ВМПЭ-10-630-20У3. Привод
выключателя ПЭ-11 ([4], табл. 5.1). Проверку не производим, т.к. у этого
выключателя те же параметры что и у ВМПЭ-10-1600-20У3.
Результаты выбора разъединителей представлены в табл.7.10.
Таблица 7.10.Выбор разъединителей в цепи линейных выключателей на стороне
6 кВ
Выбираем разъединитель типа РВЗ-6/630 (тип привода ПР-11) ([4], табл.
5.5).
Потребитель 3МВА.
Определяем максимальный рабочий ток:
кА.
Выбираем маломасляный выключатель типа ВМПЭ-10-630-20У3. Привод
выключателя ПЭ-11 ([4], табл. 5.1).
Результаты выбора разъединителей представлены в табл.7.11.
Таблица 7.11.Выбор разъединителей в цепи линейных выключателей на стороне
6 кВ
Выбираем разъединитель типа РВЗ-6/400 III (тип привода ПР-11) ([4], табл. 5.5).
В данном разделе были выбраны коммутационные аппараты на всех РУ
подстанции.
8. Выбор измерительных приборов для силовых цепей подстанции
и измерительных трансформаторов
В соответствии с ПУЭ показывающие или регистрирующие
электронно-измерительные приборы должны иметь класс точности не ниже 2.5
(счетчик не ниже 2, а для линий связей 10-110, 220 кВ и выше - 0.5). Класс
точности счетчиков реактивной энергии выбирают на одну ступень ниже класса
точности соответствующих счетчиков активной энергии. Для фиксирующих приборов
допускается класс точности - 3, амперметры подстанций, РУ могут иметь класс
точности - 4. В таблице 8.1 показаны приборы, устанавливаемые на подстанции.
Таблица 8.1Контрольно-измерительные приборы на подстанции
Выбор трансформаторов тока (ТТ) производится по следующим условиям:
·
по напряжению
установки
UУСТ < UНОМ; (8.1)
·
по току
(номинальный ток должен быть как можно ближе к рабочему току установки, т.к.
недогрузка первичной обмотки приводит к увеличению погрешностей);
РАБ,MAX<IНОМ. (8.2)
по конструкции и классу точности;
по электродинамической стойкости:
; (8.3)
где
kЭД -
кратность динамической устойчивости по каталогу;НОМ - номинальный
первичный ток ТТ, А;
Электродинамическая стойкость шинных трансформаторов тока определяется
устойчивостью самих шин РУ, поэтому такие трансформаторы, поэтому условию не
проверяются.
по термической стойкости:
, (8.4)
где
kT - кратность термической стойкости (справочные данные,
[4]);Т - и допустимое время протекания тока термической стойкости,
с;
Вк
- расчетный импульс квадратичного тока к.з. (тепловой импульс).
по
вторичной нагрузке:
2 < Z2НОМ, (8.5)
где
Z2НОМ - номинальная допустимая нагрузка ТТ в выбранном классе
точности, Ом;2 - вторичная нагрузка ТТ, Ом.
Индуктивное сопротивление токовых вторичных цепей невелико, поэтому
, (8.6)
где
rПРИБ - сопротивление приборов, Ом,
; (8.7)
где
I2НОМ - номинальный вторичный ток ТТ, А;
SПРИБ - мощность потребляемая приборами, ВА;ПР -
сопротивление измерительных проводов (зависит от длины и сечения соединительных
проводов), Ом;К - переходное сопротивление контактов (rК=0.05
Ом при 3 приборах и rК=0.1 Ом при большем числе приборов).
Из выражения (8.6) определим сопротивление приборов
. (8.8)
Зная rПР можно определить сечение соединительных проводов:
, (8.9)
где
r - удельное сопротивление материала провода (r=0.0175 для медных жил, r=0.0283 для
алюминиевых);РАСЧ - расчетная длина, зависящая от схемы соединения
ТА ([8], стр. 379), м
Проверка измерительных трансформаторов тока и напряжения по вторичной
нагрузке производится только в РУ низкого напряжения 6-10 кВ.([1], стр.22).
Выбор трансформаторов тока в РУ - 110 кВ
Выбираем ТТ типа ТФНД - 110М ([4], табл.5.9) (применить встроенные в
выключатель У-110Б-2000-40У1 ТТ нельзя, т.к. ТТ с номинальным током 400 имеет
класс точности 3).
Результаты выбора приведены в таблице 8.2.
Таблица 8.2.Выбор трансформаторов тока в цепях РУ 110 кВ
|
Расчетные данные
|
Каталожные данные
|
Условия выбора
|
|
 
|
|
|
|
 
|
|
|
|
Проверка на динамическую стойкость
|
|
 
|
|
|
|
Проверка на термическую стойкость
|
|
 
|
|
|
Трансформаторы тока выбираем класса точности 0.5. Кроме того, для
подключения измерительных приборов могут быть использованы ТТ, встроенные в силовые
трансформаторы типа ТВТ 110-I-600/5. Количество встроенных во вводе
трансформатора - 2.
Выбор трансформаторов тока на стороне 35 кВ
В цепях трансформаторов (вводы от Т1 и Т2).
Выбираем ТТ класса точности 0.5 типа ТФНД - 35М ([4], табл.5.9).
Результаты выбора приведены в таблице 8.3.
Таблица 8.3 Выбор трансформаторов тока в цепях трансформаторов 35 кВ
В цепях секционного выключателя.
Выбираем ТТ класса точности 0.5 типа ТФНД - 35М ([4], табл.5.9).
Результаты выбора приведены в таблице 8.4.
Таблица 8.4 Выбор трансформаторов тока в цепях секционного выключателя 35
кВ
В цепях линейных выключателей.
Определяем рабочий ток:
кА.
Выбираем
ТТ класса точности 0.5 типа ТФНД - 35М ([4]. табл.5.9). Результаты выбора
приведены в таблице 8.5.
Таблица 8.5. Выбор трансформаторов тока в цепях линейных выключателей 35
кВ
Выбор трансформаторов тока на стороне 6 кВ
В цепях трансформаторов (вводы от Т1 и Т2).
Выбираем ТТ класса точности 0.5 типа ТЛ - 10 У3 ([4], табл.5.9).
Результаты выбора приведены в таблице 8.6.
Таблица 8.6.Выбор трансформаторов тока в цепях трансформаторов 6 кВ
Для проверки трансформатора тока по вторичной нагрузке, пользуясь схемой
включения и каталожными данными приборов, определяем нагрузку по фазам для
наиболее загруженного ТТ.
|
Прибор
|
Тип
|
Нагрузка, ВА, фазы
|
|
|
A
|
В
|
С
|
|
Амперметр
|
Э-350
|
0.5
|
|
|
|
Ваттметр
|
Д-335
|
0.5
|
|
0.5
|
|
Счетчик активной энергии
|
И-680
|
2.5
|
|
2.5
|
|
Счетчик реактивной энергии
|
И-676
|
2.5
|
|
2.5
|
|
Итого
|
|
6
|
|
5.5
|
Общее сопротивление приборов
Ом.
Вторичная номинальная нагрузка ТТ в классе точности 0.5 составляет 0.8
Ом. Сопротивление контактов принимаем 0.1 Ом, тогда сопротивление проводов
Ом.
Принимая
длину соединительных проводов с алюминиевыми жилами 40м ([8], стр. 379),
определяем сечение.
мм2.
Полученная
площадь сечения не должна быть меньше 4мм2 для проводов с
алюминиевыми жилами и 2,5 мм2 для проводов с медными жилами - по
условиям механической прочности. Провода с площадью сечения больше 6 мм2
обычно не применяются.
Принимаем
контрольный кабель АКВРГ с жилами сечением 4мм2.
В цепях секционного выключателя.
Выбираем шинные ТТ класса точности 0.5 типа ТЛ - 10 У3 ([4], табл.5.9).
Результаты выбора приведены в таблице 8.8.
Таблица 8.8.Выбор трансформаторов тока в цепях секционного выключателя 6
кВ
|
Расчетные данные
|
Каталожные данные
|
Условия выбора
|
|
 
|
|
|
|
 
|
|
|
|
Проверка на динамическую стойкость
|
|
 
|
|
|
|
Проверка на термическую стойкость
|
|
 
|
|
|
Для проверки трансформатора тока по вторичной нагрузке, пользуясь схемой
включения и каталожными данными приборов, определяем нагрузку по фазам для
наиболее загруженного ТТ.
Таблица 8.9.Вторичная нагрузка ТТ в цепях секционного выключателя 6 кВ
|
Прибор
|
Тип
|
Нагрузка, ВА, фазы
|
|
|
A
|
В
|
С
|
|
Амперметр
|
Э-350
|
0.5
|
|
|
|
Итого
|
|
0.5
|
|
|
Общее сопротивление приборов
Ом.
Вторичная номинальная нагрузка ТТ в классе точности 0.5 составляет 0.4
Ом. Сопротивление контактов принимаем 0.1 Ом, тогда сопротивление проводов
Ом.
Принимая
длину соединительных проводов с алюминиевыми жилами 40м ([8], стр. 379),
определяем сечение.
мм2.
Принимаем контрольный кабель АКВРГ с жилами сечением 4мм2.
В цепях линейных выключателей.
Потребитель 5МВт.
Выбираем ТТ класса точности 0.5 типа ТЛ - 10 У3 ([4], табл.5.9).
Результаты выбора приведены в таблице 8.10.
Таблица 8.10 Выбор трансформаторов тока в цепях линейных выключателей 6
кВ
|
Расчетные данные
|
Каталожные данные
|
Условия выбора
|
|
 
|
|
|
|
 
|
|
|
|
Проверка на динамическую стойкость
|
|
 
|
|
|
|
Проверка на термическую стойкость
|
|
 
|
|
|
Проверяем трансформатор тока по вторичной нагрузке, пользуясь схемой
включения и каталожными данными приборов.
Определяем нагрузку по фазам для наиболее загруженного ТТ (табл. 8.11).
Таблица 8.11.Вторичная нагрузка ТТ в цепях отходящих линий 6 кВ
|
Прибор
|
Тип
|
Нагрузка, ВА, фазы
|
|
|
A
|
В
|
С
|
|
Амперметр
|
Э-350
|
0.5
|
|
|
|
Счетчик активной энергии
|
И-680
|
2.5
|
|
2.5
|
|
Счетчик реактивной энергии
|
И-676
|
2.5
|
|
2.5
|
|
Итого
|
|
5.5
|
|
5
|
Общее сопротивление приборов
Ом.
Вторичная
номинальная нагрузка ТТ в классе точности 0.5 составляет 0.4 Ом. Сопротивление
контактов принимаем 0.1 Ом, тогда сопротивление проводов
Ом.
Принимая
длину соединительных проводов с алюминиевыми жилами 5 м ([8], стр. 379),
определяем сечение
мм2.
Принимаем контрольный кабель АКВРГ с жилами сечением 4мм2.
Потребитель 3МВт.
Выбираем ТТ класса точности 0.5 типа ТЛ - 10 У3 ([4], табл.5.9).
Результаты выбора приведены в таблице 8.12.
Таблица 8.12 Выбор трансформаторов тока в цепях линейных выключателей 6
кВ
|
Расчетные данные
|
Каталожные данные
|
Условия выбора
|
|
 
|
|
|
|
 
|
|
|
|
Проверка на динамическую стойкость
|
|
 
|
|
|
|
Проверка на термическую стойкость
|
|
 
|
|
|
Так как вторичная нагрузка ТТ такая же (см. табл.11), то проверку не
проводим и сразу принимаем контрольный кабель АКВРГ с жилами сечением 4мм2.
Выбор трансформаторов напряжения на стороне 110 кВ
Трансформаторы напряжения (TН) выбираются по следующим условиям:
по номинальному напряжению
УСТ < U1НОМ, (8.10)
где U1НОМ - номинальное первичное напряжение ТН, кВ;
по вторичной нагрузке
2У < S2НОМ, (8.11)
где S2СУМ - мощность всей внешней вторичной цепи (вторичная
нагрузка), присоединенная к трансформатору напряжения, ВА;2НОМ -
номинальная мощность в выбранном классе точности, при этом следует иметь в
виду, что для однофазных трансформаторов, соединенных по схеме
"звезда", следует взять суммарную мощность всех трех фаз, а для
соединенных по схеме открытого "треугольника"- удвоенную мощность
одного трансформатора, ВА.
по классу точности;
по конструкции и схеме соединения обмоток.
Для упрощения нагрузку не разделяют по фазам:
, ВА (8.12)
При определении вторичной нагрузки сопротивление проводов не учитывают,
так как оно мало. Обычно сечение проводов принимают по условию механической
прочности, равной 1.5 мм для медных проводов ([2], cтр. 32, [8], стр. 375).
Проверка
измерительных трансформаторов тока и напряжения по вторичной нагрузке
производится только в РУ низкого напряжения 6 кВ ([1], стр. 22). В связи с
вышеуказанным, для ОРУ 110 кВ выбираем три комплекта трансформаторов напряжения
НКФ-110-58У1 (Uном=110000/
, 100/
, 100, Sном = 400 ВА, схема соединения
1/1/1-0-0) соединенных по схеме Yo/Yo/D - 0.
Выбор трансформаторов напряжения для РУ 35 кВ
Для
ЗРУ 35 кВ выбираем два комплекта по три трансформатора напряжения (три на
секцию) ЗНОМ-35-65У1 (Uном=35000/
, 100/
, 100/3, Sном = 150 ВА, схема соединения
1/1/1-0-0) соединенных по схеме Yo/Yo/D - 0.
Выбор трансформаторов напряжения для ЗРУ 6 кВ
Определяем вторичную нагрузку трансформатора напряжения (см. табл.8.13).
Таблица 8.13.Вторичная нагрузка трансформатора напряжения
|
Наименование и тип прибора
|
Мощность одной катушки прибора, ВА
|
Число катушек
|
Кол-во прибор
|
cosf
|
sinf
|
P, Вт
|
Q, вар
|
|
Вольтметр Э-335
|
2
|
1
|
2
|
1.0
|
0
|
2.0
|
-
|
|
Ваттметр Д-335
|
1.5
|
2
|
1
|
1.0
|
0
|
3.0
|
-
|
|
Варметр Д-335
|
1.5
|
2
|
1
|
1.0
|
0
|
3.0
|
-
|
|
Счетчик активной энергии И-680
|
2 Вт
|
2
|
5
|
0.38
|
0.925
|
20
|
48.68
|
|
Счетчик реактивной энергии И-676
|
3 Вт
|
2
|
5
|
0.38
|
0.925
|
30.0
|
73.03
|
|
ИТОГО
|
58
|
121.71
|
Вторичная нагрузка трансформатора напряжения одной секции (расчет велся
на одну секцию):
ВА
Выбираем два трансформатора напряжения (по одному на секцию шин) типа
НТМИ - 6 - 66У3 с номинальными напряжениями обмоток: первичной - 6000 В,
основной вторичной - 100 В, дополнительной вторичной 100/3 В, Sном =
150 ВА в классе точности 1 и группой соединения Yo/Yo/Ñ - 0.
В этом разделе были выбраны измерительные трансформаторы тока и
напряжения.
9. Выбор сборных шин, токопроводов и кабелей (ЛЭП)
Основное оборудование подстанций и аппараты в этих цепях соединяются между
собой проводниками разного типа, которые образуют токоведущие части
электрической установки. При выборе токоведущих частей необходимо обеспечить
ряд требований, вытекающих из условий работы. Проводники должны:
. Длительно проводить рабочие токи без чрезмерного повышения температуры.
. Противостоять кратковременному электродинамическому и тепловому
действию токов к.з.
. Выдерживать механические нагрузки, создаваемые собственной массой и
массой связанной с ними аппаратов, а также усилия, возникающие в результате
атмосферных воздействий.
. Удовлетворять требованиям экономичности электроустановки.
В закрытых РУ 6-10 кВ ошиновки и сборные шины выполняются жесткими
алюминиевыми шинами. Сборные шины выбираются по допустимому рабочему току
(согласно ПУЭ сборные шины и ошиновка в пределах РУ по экономической плотности
тока не выбираются) и термическую стойкость при воздействии токов к.з. и на
динамическую стойкость при к.з. (механический расчет).
Выбор сечения токопроводов производится по экономической плотности тока:
, (9.1)
где
ток нормального режима (без перегрузок), А;
нормированная
экономическая плотность тока ([9], табл. 7.2),
.
Сечение,
найденное по выражению (9.1) округляется. При этом принимается ближайшее
меньшее стандартное сечение, если оно не отличается от экономического значения
больше чем на 15%. В противном случае принимается
ближайшее большее стандартное сечение.
Как говорилось выше, сборные шины всех напряжений по экономической
плотности тока не выбираются, так как нагрузка по длине шин неравномерна и на
многих ее участках меньше рабочего тока.
Проверка по допустимому току.
, (9.2)
где
допустимый ток на шины выбранного сечения с учетом
поправки при расположении шин плашмя или при температуре охлаждающей среды,
отличной от принятой в таблицах, А.
Проверка
на термическую стойкость при к.з. производится по условию:
, (9.3)
где
С - коэффициент ([9], стр.136);
Проверка
шин на электродинамическую стойкость.
Жесткие шины, укрепленные на изоляторах, представляют собой динамическую
колебательную систему, находящуюся под воздействием электродинамических сил. В
такой системе возникают колебания, частота которых зависит от массы и жесткости
конструкции.
Для алюминиевых шин
, (9.4)
где
l - длина пролета между изоляторами, м.;
J - момент
инерции поперечного сечения шины относительно оси, перпендикулярной направлению
изгибающей силы, см4;
(9.5)
q - поперечное
сечение шины, см2.
Изменяя
длину пролета и форму сечения шин, добиваются того, чтобы механический резонанс
был исключен, т.е.
.
Расстояние
а принимается в соответствии с типовыми конструкциями универсальных РУ в
пределах 40-80 см. Пролет l выбирается в пределах 1,5-2 м в зависимости от
конструктивного выполнения РУ.
Механический
расчет однополосных шин.
Напряжение
в материале шины, возникающее при воздействии изгибающего момента (для
однополосной шины), МПа,
, (9.6)
где
W - момент сопротивления шины относительно оси,
перпендикулярной действию усилия ([8], табл. 4-2), см3.
Шины
механически прочны, если
(9.7)
Гибкие
шины и токопроводы обычно крепят на гирляндах подвесных изоляторов с достаточно
большими расстояниями между фазами: 35кВ-1,5м, 110кВ-3м, 220кВ-4м, 330кВ-4,5м,
500кВ-6м, 750кВ-10м. При таких расстояниях силы взаимодействия между фазами
невелики, а поэтому расчета на электродинамическое действие для гибких шин
обычно не производят. Однако при больших токах КЗ может произойти схлестывание
проводов. На электродинамическое действие тока КЗ должны проверяться гибкие
шины РУ при мощности КЗ, равной или большей значений, указанных в [8], стр.
244.
Проверка
на корону.
По
короне проверяются шины РУ 110 кВ и выше ([9], стр. 147).
мм2. (9.8)
Выбор гибких токопроводов ОРУ 110 кВ
Выбираем сечение по экономической плотности тока ф.(9.1):
мм2.
Выбираем сталеалюминевый провод АС-185/29.
Выбранные шины проверяем по условиям нагрева при максимальных нагрузках
ремонтного или послеаварийного режима:
.
Проверка
на термическую стойкость при к.з.:
мм2.
Проверка
по короне:
мм2.
Т.к.
SКЗ<6000
МВА, то на схлестывание провода не проверяем.
Окончательно
принимаем провод марки АС-185/29.
Выбор сборных шин ОРУ 110 кВ
Выбираем по допустимому току два провода марки АС-120/19.
.
Выбранное
сечение проверяем на термическое действие токов к.з.:
мм2.
Проверка
по короне:
мм2.
Окончательно принимаем АС-120/19.
Выбор гибких токопроводов от трансформаторов до РУ 35 кВ
Электрические соединения трансформаторов с РУ-35 кВ выполняют гибкими
токопроводами. Такой токопровод состоит из пучка алюминиевых проводов,
равномерно распределенных по окружности, для чего их закрепляют в кольцах,
обоймах. Кольца с токоведущими проводами крепятся к сталеалюминиевым проводам,
воспринимающим механическую нагрузку. Число проводов определяется с учетом
экономической плотности тока. Несущие провода подвешены на натяжных гирляндах и
стене главного корпуса и к опорам. Расстояние между кольцами - обоймами
принимается 1 м. Расстояние между фазами гибкого токопровода 1.5м.
Выбираем сечение по экономической плотности тока ф.(9.1):
мм2.
Сечение несущего провода принимаем равным Sнес = 0.15·qЭ=54.1 мм2.
Принимаем несущий провод АС-70/11, тогда сечение алюминиевых проводов:
мм2.
число
проводов А - 95: n = 290.5/95=3.05~ 3
Принимаем
токопровод АС - 70/11 + 3xА95 расстояние между фазами D=3.5м.
Проверяем по допустимому току:
.
Выбранное
сечение проверяем на термическое действие токов к.з.:
мм2.
На
электродинамическое действие токов к.з. проверяются провода ВЛ при iУ
> 50 кА, в нашем случае iу = 11.672 кА. При больших токах к.з. провода в
фазах в результате динамического взаимодействия могут настолько сблизиться, что
произойдет схлестывание или пробой между фазами.
Окончательно
принимаем АС - 70/11 + 3xА95.
Выбор сборных шин РУ 35 кВ
Выбираем по допустимому току два провода марки АС-120/19.
.
Выбранное
сечение проверяем на термическое действие токов к.з.:
мм2.
Окончательно принимаем 2хАС-120/19.
Выбор отходящих линий РУ 35 кВ
Выбираем сечение по экономической плотности тока ф.(9.1):
мм2.
Выбираем провод марки АС-240/32.
Проверяем по длительно допустимому току
.
Выбранное
сечение проверяем на термическое действие токов к.з.:
мм2.
Окончательно выбираем провод АС-240/32.
Выбор гибких токопроводов от трансформаторов до ЗРУ 6 кВ
Электрические соединения трансформаторов с РУ-6 кВ выполняют гибкими
токопроводами.
Выбираем сечение по экономической плотности тока ф.(9.1):
мм2.
Сечение несущего провода принимаем равным Sнес = 0.15·qЭ=203.3 мм2.
Принимаем несущий провод АС-185/29, тогда сечение алюминиевых проводов:
мм2.
число
проводов А - 150: n = 1170/150=7.8~ 8
Принимаем
токопровод АС - 185/29 + 8xА150 расстояние между фазами D=1.5м.
Проверяем по допустимому току:
.
Выбранное
сечение проверяем на термическое действие токов к.з.:
мм2.
Окончательно
принимаем АС - 185/29 + 8xА150.
Выбор сборных шин РУ 6 кВ
Выбираем по допустимому току двухполосную шину 100х10.
.
Выбранное
сечение проверяем на термическое действие токов к.з.:
мм2.
Проверка
шин на электродинамическую стойкость.
Частота
собственных колебаний
Гц<30
Гц;
см4.
Механический
расчет двухполосных шин.
Напряжение
в материале шины, от взаимодействия полос, МПа,
см3;
Н/м;
МПа,
Напряжение
в материале шин от взаимодействия фаз
см3;
МПа.
Шины
механически прочны, т.к.
.
Выбор кабелей отходящих линий РУ 6 кВ
Для потребителя 5 МВт.
Выбираем сечение по экономической плотности тока ф.(9.1):
мм2.
Выбираем два кабеля ААБ-3х240 (расстояние между ними в свету 200 мм).
Проверяем по длительно допустимому току
,
где
IДОП.Т -
допустимый табличный ток для рассматриваемого кабеля ([10], табл. П.3.2), А;
kП - поправочный коэффициент, учитывающий число рядом
проложенных работающих кабелей ([10], табл. П.3.5);
kТ - поправочный коэффициент на температуру окружающей
среды, исходя из условий прокладки ([10], табл. П.3.3);
kАВ - коэффициент перегрузки в послеаварийном режиме
([10], табл. П.3.4).
Выбранное
сечение проверяем на термическое действие токов к.з.:
мм2.
Окончательно выбираем 2хААБ-3х240.
Для потребителей 3 МВт.
Выбираем сечение по экономической плотности тока ф.(9.1):
мм2.
Выбираем два кабеля ААБ-3х150 (расстояние между ними в свету 200 мм).
Проверяем по длительно допустимому току
.
Выбранное
сечение проверяем на термическое действие токов к.з.:
мм2.
В данном случае повышаем сечение кабелей до 240 мм2 и
окончательно выбираем 2хААБ-3х240.
Выбор выключателей и кабелей в цепях ТСН
Определяем ток утяжеленного режима
А.
Применяем
выключатель типа ВМПЭ-10-630-20У3. Проверка этого выключателя была произведена
в п.7.
Кабели к ТСН выбираем по напряжению и экономической плотности тока
(принимаем Тм тсн = 5600 час, тогда Jэ = 1.2 А/мм2 ([9],
табл. 7.2):
мм2.
Выбираем стандартное сечение кабеля - 16 мм и кабель марки ААБ - 3х16 мм.
Проверяем по длительно допустимому току:
По
условиям нагрева кабель проходит, проверяем на термическую стойкость (кабели
проверяют по току при к.з. в начале кабеля):
мм2.
По
условию термической стойкости кабель не проходит, выбираем кабель ААБ - 3х240.
Выбор распределительных устройств, основные конструктивные
решения
Существуют два основных вида РУ - закрытые и открытые. Распределительное
устройство, расположенное на открытом воздухе называется открытым распределительным
устройством (ОРУ). ОРУ применяют обычно при напряжениях - 35 кВ и выше.
Открытые РУ должны обеспечивать надежность работы, безопасность и
удобство обслуживания при минимальных затратах на сооружение, возможность
расширения, максимальное применение крупноблочных узлов заводского
изготовления. ОРУ должно быть ограждено. Все аппараты ОРУ обычно располагаются
на невысоких основаниях (металлических или железобетонных). По территории ОРУ
предусматриваются проезды для возможности монтажа и ремонта оборудования. Шины
могут быть гибкими из многопроволочных проводников или круглых труб. Первые
крепятся на порталах с помощью подвесных изоляторов, а вторые с помощью опорных
изоляторов на железобетонных и металлических стойках. Применение жесткой ошиновки
позволяет уменьшить площадь ОРУ. Шины были выбраны гибкие из многопроволочных
проводов. Под силовыми трансформаторами, масляными реакторами и баковыми
выключателями выше 110 кВ укладывается слой гравия не менее 25 см и
предусматривается сток масла, а в аварийных случаях в систему стока ливневых
вод. Кабели оперативных цепей, цепей управления, релейной защиты и автоматики,
воздуховоды прокладываются в лотках из железобетонных конструкций без
заглубления их в почву или в металлических лотках подвешенных в конструкции
ОРУ.
Открытые РУ имеют следующие преимущества перед ЗРУ:
меньший объем строительных работ и как следствие уменьшение стоимости РУ,
так как необходимы лишь подготовка площадки, устройство дорог, сооружение
фундаментов и установка опор, в связи с этим уменьшаются время сооружения и
стоимость ОРУ;
легче выполняется расширение и конструкция;
все аппараты доступны для наблюдения;
В то же время ОРУ занимают большую площадь, менее пригодны для
эксплуатации при плохих климатических условиях, аппараты подвержены запылению,
загрязнению и колебанию температуры.
Для стороны 35 кВ и 110 кВ выбираем ОРУ.
Закрытые распределительные устройства (ЗРУ) обычно сооружаются на
напряжения до 35 кВ. Однако при ограничении площади РУ, а также неблагоприятных
климатических условиях и большой загрязненности атмосферы применяют ЗРУ 35 -
220 кВ. Обслуживание ЗРУ должно быть удобным и безопасным. Неизолированные
токоведущие части во избежание случайных прикосновений к ним должны быть
помещены в камеры или ограждены. Ограждение может быть сплошным или сетчатым и
должно запираться на замок.
Осмотры оборудования производятся из коридора обслуживания, ширина
которого должна быть не менее 1 м при одностороннем и при двухстороннем
обслуживании - 1.2 м. Если в коридоре помещены приводы разъединителей и
выключателей, то ширина такого коридора должна быть 1.5 и 2 м соответственно.
Из помещения ЗРУ предусматриваются выходы наружу или в помещение с
негорючими стенами и перекрытиями: один выход при длине РУ до 7м; два выхода по
концам при длине РУ от 7 до 60 м и при длине более 60м - два выхода по концам и
один с таким расчетом, чтобы расстояние от любой точки коридоров РУ до выхода
не превышало 30 м.
Двери из ЗРУ должны иметь самозапирающиеся замки, открываемые со стороны
РУ без ключа и открываться наружу. ЗРУ должно обеспечивать пожарную
безопасность. Распределительное устройство должно быть экономичным. Для этого
применяются железобетонные блоки вместо кирпича, укрупненные электроузлы и т.д.
На питающих линиях 110 кВ предусматриваем установку аппаратов
высокочастотной обработки (конденсаторы связи, фильтры присоединения и
заградители) отдельных фаз для образования каналов связи по проводам ЛЭП.
Конденсатор связи создает путь для токов высокой частоты от приемопередатчика в
линию и одновременно отделяет приемопередатчик от высокого напряжения
промышленной частоты линии.
Устанавливаем фильтр ОФП - 4.
Заградитель преграждает вход токов высокой частоты за пределы линии.
Выпускаемые отечественной промышленностью заградители ВЗ-630-0.5У1 рассчитаны
на рабочий ток 630 А.
Предусматриваем также защиту оборудования подстанции от атмосферных
перенапряжений с помощью вентильных разрядников для ОРУ-110 кВ - РВС-110МУ1,
([4], табл. 5.20)
Для распредустройства 110 кВ выбрано типовое ОРУ, а для стороны 6 кВ -
закрытое комплектное распределительное устройство. Схемы и размеры РУ приведены
в графической части проекта.
Выбор источника и оборудования оперативного тока
Для нормальной работы приборов и аппаратов управления и сигнализации, а
также для питания оперативных цепей релейной защиты и автоматики, создающих
логическую последовательность операций при срабатывании соответствующего устройства,
необходим вспомогательный источник оперативного тока. Возможно использование
как постоянного, так и переменного оперативного тока ( [9], стр.547). Питание
оперативных цепей может осуществляться как от специальных независимых
источников энергии (аккумуляторных батарей), так и путем отбора мощности от
первичной установки.
Использование аккумуляторной батареи в качестве источника оперативного
тока обеспечивает электроснабжение вторичных устройств даже при полном
исчезновении напряжения переменного тока в обслуживаемой электроустановке.
Однако капитальные затраты оказываются значительными. Поэтому аккумуляторные
батареи применяют только на мощных электростанциях и крупных районных
подстанциях (на всех подстанциях 330-750 кВ и на подстанциях 110-220 кВ при
наличии РУ 110-220 кВ со сборными шинами) ([11], стр. 548). На основании
вышеуказанного устанавливаем на данной подстанции установку постоянного тока с
аккумуляторными батареями.
Схема аккумуляторной установки
На подстанциях 110 - 500 кВ с выключателями на высоком напряжении
установка аккумуляторной батареи для питания цепей управления, сигнализации,
блокировки, аварийного освещения. Емкость батареи на подстанциях выбирается
значительно меньшей, чем на станциях. Колебание напряжения на шинах постоянного
тока подстанции значительно меньше, так как нагрузка на батарее здесь
практически постоянна, а длительность толчковых токов составляет доли секунды.
Все это позволяет отказаться от элементного коммутатора в схеме аккумуляторной
установки. Основные 108 элементов присоединяются к шинам, от которых питаются
сети управления и аварийное освещение. Дополнительные элементы присоединяются
на шинки питания электромагнитных приводов. В нормальном режиме постоянная
нагрузка питается от подзарядного устройства, которое одновременно служит для
подзаряда всей батареи. В этом режиме на шинах управления напряжение равно 2.15×108 = 232 В. При разряде до 1.8 В на
элемент снижается до 1.8×108 = 195 В (88.5 % от номинального). При заряде напряжение на каждом
элементе поднимается до 2.35 В. Для того, чтобы в этом случае напряжение на
шинах управления не превышало допустимого значения 230-235 В, выполняется
дополнительная отпайка от 100-го элемента. Дополнительные элементы обеспечивают
более высокое напряжение на шинах питания приводов, а следовательно, позволяют
снизить сечение кабелей к силовым приводам, которое определяется допустимой
потерей напряжения. Количество дополнительных элементов может быть различным
(от 6 до 30) и определяется конкретным расчетом. Параллельно дополнительным
элементам включается балластное сопротивление, значение которого регулируется
так, чтобы ток постоянной нагрузки проходил по этому сопротивлению, а ток
подзаряда - по дополнительным элементам.
Для подзаряда и послеаварийного заряда предусматривается установка двух
автоматизированных выпрямительных устройств.
Выбор аккумуляторной батареи и подзарядного устройства
Число основных элементов в батарее:
.
Общее
число элементов:
.
Количество
добавочных элементов:
.
Типовой
номер определяем по формуле:
где
1.05 - коэффициент запаса;АВ - нагрузка установившегося получасового
аварийного разряда, принимаем по таблице 11.1, = 25 А/м - допустимая нагрузка
аварийного разряда, А/N, приведенная к первому номеру аккумуляторов ([8],
рис. 7.26).
Таблица 11.1 Расчетные нагрузки электроприемников
|
Вид потребителя
|
Параметры электроприемников
|
Расчетные нагрузки
|
|
Кол. Эл. Пр.
|
PНОМ, кВт
|
IНОМ, А
|
IРАСЧ.ДЛИТ., А
|
IПУСК, А
|
Авар. реж. до 30мин
|
Толчок тока в нач. ав
|
Наиб. толч. IКОНЦ, А
|
|
Постоянная нагрузка
|
-
|
-
|
-
|
20
|
-
|
20
|
20
|
20
|
|
Аварийное освещение
|
-
|
-
|
-
|
160
|
-
|
160
|
-
|
160
|
|
Приводы выключателей ПЭ-11 для ВМПЭ
|
1
|
-
|
58
|
-
|
-
|
-
|
58
|
-
|
|
Преобразовательные агрегаты оперативной связи
|
1
|
7.2
|
38
|
30
|
100
|
30
|
100
|
30
|
|
Привод ШПЭ - 31 У1 для МКП-35
|
1
|
-
|
124
|
-
|
-
|
-
|
-
|
124
|
|
Привод ШПЭ - 44 У1 для У-110Б-2000-40У1
|
1
|
-
|
240
|
-
|
-
|
-
|
-
|
240
|
|
Расчетные величины
|
210
|
178
|
574
|
.
Предварительно принимаем СК-10.
Проверяем по уровням напряжения.
А) по рис. 10.8 ([9], стр. 199) определяем из условия обеспечения
минимального допустимого напряжения на приводе выключателя равным 85 % с учетом
потери напряжения в соединительном кабеле равной 5 % Iт.доп=20 А/N.
Принимаем
СК-10.
Б)
при толчке тока в конце аварийного режима (включение У-110 и МКП-35) ток
предшествующего разряда
А/N.
Ток в момент толчка, приведенный к первому номеру
А/N.
По
кривой на рис. 10-7 [9] определяем напряжение на элементе в момент толчка Uэл=1.68 В и напряжение на шинах батареи Uш=1.58×122=192.76 В, или 87.6% Uном. Так как напряжение при толчке тока получилось меньше
90%, то выбираем СК-12, в этом случае j=574/12=47.83, Uш=1.65×122=201.3 В, или 91.5% Uном.
Подзарядное устройство:
А;
В
Выбираем подзарядное устройство ВАЗП 380/260 - 40/80 на напряжение
380-260 В и ток 40-80 А.
В данном разделе в качестве оперативного тока был выбран постоянный ток.
В качестве источника оперативного тока выбрана батарея из 122 аккумуляторов
типа СК - 12 и подзарядное устройство к ней ВАЗП 380/260 - 40/80.
Выбор схемы дистанционного управления и сигнализации для
выключателя ВМПЭ-10-630-20У3
При управлении технологическим процессом подстанции возникает
необходимость дискретного воздействия (закрыть, открыть, включить, отключить)
на исполнительные органы. В главной электрической схеме такими органами
являются приводы выключателей, установленных в цепях трансформаторов, линий и
т.д.
Подача управляющей команды осуществляется вручную оператором или от
автоматических устройств, которые применяются для выполнения переключений в
аварийных ситуациях (ликвидация к.з., нарушений устойчивости параллельной
работы генераторов и т.п.).
Действие систем управления сопровождается работой устройств сигнализации,
которые дают оперативному персоналу необходимую информацию о состоянии
оборудования и срабатывании защиты и автоматики. Для предотвращения
неправильных операций предусматриваются специальные блокировки.
Устройства управления, сигнализации и блокировок с соответствующими
источниками питания образуют на электрических станциях и подстанциях систему
вторичных цепей. К этой системе относят также схемы автоматики, релейной защиты
и технологического контроля.
В этом разделе была выбрана схема дистанционного управления и
сигнализации для выключателя ВМПЭ-10-630-20У3.
На рис. 12.1 приведена схема управления выключателем с электромагнитным
приводом ключом серии ПМОВФ. Положение контактов указано для случая, когда
выключатель отключен, а обмотки реле и контактора обесточены. Такое состояние
условно считается нормальным и принято при изображении схем управления.
Кратковременность командного импульса обеспечивается с помощью
вспомогательных контактов выключателя В, связанных механически с валом
выключателя, а именно: размыкающего в цепи включения и замыкающего в цепи
отключения. Вспомогательные контакты автоматически размыкают цепи управления
после завершения соответствующей команды. Кроме того, достаточно мощные
вспомогательные контакты, разрывающие цепи управления, освобождают от этого
маломощные контакты реле и ключа управления. Включение выключателя
осуществляется подачей команды на промежуточный контактор КМ оператором
посредством контактов ключа управления 5А или автоматическим устройством,
выходные контакты которого включены параллельно контактам SA. Контактор замыкает цепь
электромагнита включения YAC,
который производит включение выключателя. В конце процесса включения
вспомогательные контакты В разрывают цепь включения, а другие контакты В,
замыкаясь, подготавливают цепь отключения.
При отключении оператором (с помощью оперативных контактов ключа
управления) или под действием выходных контактов релейной защиты замыкается
цепь электромагнита отключения YAT.
По завершении операции, вспомогательные контакты вновь занимают положение,
указанное на рисунке.
Сигнализация об основных положениях выключателя “включено” и “отключено”
осуществляется при соответствии положения рукоятки ключа положению контактов
выключателя. Например, если ключ находится в положении “отключено” и
выключатель отключен, в схеме образуется цепь +УШ, контакты 13-16 ключа,
резистор R, нормально замкнутый вспомогательный
контакт выключателя В, зеленая лампа ЛЗ, -ШУ. Зеленая лампа горит ровным светом.
Для контроля цепей управления использованы два промежуточных реле: реле
положения “включено” РПВ, фиксирующее включенное положение выключателя и
контролирующее цепь отключения, и реле положения “отключено” РПО, фиксирующее
отключенное положение выключателя и контролирующее цепь включения. В цепи этих
реле устанавливаются дополнительные резисторы R для исключения ложного срабатывания контактора КМ или
электромагнита отключения в случае закорачивания обмоток РПВ и РПО.
Рис. 12.1. Общая схема управления и сигнализации выключателя с ключом
ПМОВФ.
Запуск сигнализации обрыва цепей управления происходит через
последовательно включенные размыкающие контакты реле РПВ и РПО. При исправном
состоянии цепей управления обмотка одного реле обтекается током, а другого
обесточена. В результате цепь подачи сигнала обесточена. В случае обрыва цепи
последующей команды управления обмотки обоих реле оказываются обесточенными, и
происходит запуск сигнализации.
Заключение
электроэнергия подстанция оборудование трансформатор
При разработке курсового проекта были рассмотрены следующие вопросы:
. Выбор силовых трансформаторов;
. Выбор принципиальной схемы соединений ГПП;
. Выбор трансформаторов и схемы собственных нужд подстанции;
. Расчет токов короткого замыкания;
. Выбор коммутационной аппаратуры;
. Выбор токоведущих частей;
. Выбор измерительных приборов для основных цепей и измерительных
трансформаторов;
. Выбор разрядников на проектируемой ГПП;
. Выбор РУ;
. Выбор схемы дистанционного управления и сигнализации для выключателя
ВМПЭ-10-630-20У3.
При выполнении данного курсового проекта были решены следующие задачи:
были выбраны и разработаны две схемы подстанции (с двумя трансформаторами
ТДТН-63000/110/35/6 и с четырьмя трансформаторами 2хТРДН - 25000/110/6/6,
2хТДТН - 40000/110/35/6), произведено их технико-экономическое сравнение и на
его основании выбрана для дальнейшего расчета схема подстанции с наименьшими
приведенными затратами - с двумя трансформаторами ТДТН-63000/110/35/6. Затем
для выбранной схемы произведен расчет токов короткого замыкания. Наибольший ток
короткого замыкания (трехфазного), после установки реактора на стороне НН
подстанции (IК = 13.084 кА, iУ = 32.936 кА), наименьший -
на стороне ВН (IК = 3.034 кА, iУ = 7.379 кА). Были
выбраны коммутационные аппараты (на стороне 110 кВ выбран масляный баковый
выключатель У-110Б-2000-40У1 и разъединители РНД3.2-110/1000 У1); на стороне 35
кВ выбраны баковые выключатели МКП и разъединители в цепях вводных, секционного
и линейных выключателей.
На стороне 6 кВ выбраны маломасляные выключатели ВМПЭ и разъединители в
цепях всех выключателей.
Произведен выбор измерительных трансформаторов тока и напряжения, а также
всей контрольно-измерительной аппаратуры на подстанции. Выбран оперативный ток
подстанции и источник оперативного тока, разработана схема дистанционного
управления и сигнализации выключателем.
Разработана полная схема подстанции. Данная подстанция имеет три номинала
напряжений: 110 кВ, 35 кВ и 6 кВ. Имеется 4 отходящих линий на стороне 35 кВ и
8 отходящих линий на стороне 6 кВ.
Курсовой проект выполнен с учетом всех норм проектирования и в
соответствии с требованиями ЕСКД, а разработанная подстанция удовлетворяет
современным техническим требованиям.
Литература
1. Программа курса, контрольные задания и методические
указания к выполнению курсового проекта "Электрические станции и
подстанции систем электроснабжения" для студентов заочного обучения по
специальности 10.04-Электроснабжение./А.Н.Бохан.-Гомель:ГПИ,1990.
. Методические указания для курсового проектирования по курсу
"Электрические станции и подстанции систем электроснабжения" для
студентов специальности 03.03/Г.И.Селиверстов,А.Н.Бохан.-Гомель:ГПИ,1988.
.Околович М.Н. Проектирование электрических станций -
М.:Энергоиздат,1982.
. Неклепаев Б.Н., Крючков И.П. Электрическая часть
электростанций и подстанций: Справочные материалы для курсового и дипломного
проектирования - М. Энергоатомиздат, 1989.
. Блок В.М. Электрические сети и системы: Учеб. Пособие для
электроэнергет. спец. вузов. - М.:Высш. шк., 1986.
. Идельчик В.И. Электрические системы и сети: Учебник для
вузов.-М.:Энергоатомиздат,1989.
. Методические указания к курсовому проекту по курсу
“Электрическая часть станций и подстанций” (для студентов спец. 03.03)/Л.И.
Евминов.-Гомель:ГПИ, 1980.
. Рожков Л.Д., Козулин В.С.. Электорооборудование станций и
под станций.-М.: Энергия, 1980(1997).
. Гук Ю.Б. и др.. Проектирование электрической части станций
и подстанций: Учебное пособие для вузов. -Л.: Энергоатомиздат, 1985
. Лычев П.В., Федин В.Т. Электрические системы и сети.
Решение практических задач: Учебное пособие для вузов.-Мн.:ДизайнПРО, 1997.