|
Средняя
частота полосы пропускания, МГц
|
500
|
|
Полоса
пропускания по уровню 6 дБ, кГц
|
3,4
|
|
Избирательность
по соседнему каналу, дБ
|
50
|
|
Вносимое
затухание в полосе пропускания, дБ
|
6
|
|
Входное
сопротивление, кОм
|
1
|
|
Выходное
сопротивление, кОм
|
1
|
1.6 Предварительный расчет коэффициента усиления
В радиовещательных транзисторных РПУ, где для
детектирования амплитудно-модулированных сигналов обычно используется диодный
детектор. Для качественного детектирования на входе детектора должно быть
напряжение В. Поэтому общий коэффициент усиления линейного тракта РПУ при
заданной чувствительности составит
.
Произведем примерный расчет
коэффициента усиления по каскадам РПУ:
,
,
,
,
тогда
,
1.7 Выбор типа усилительных проборов
В современных радиоприемных устройствах в
качестве усилительных приборов используются как транзисторы (биполярные и
полевые), так и микросхемы.
Для расчета РПУ были использованы биполярные и
полевые транзисторы.
Для расчета УРЧ и УПЧ - КТ382Б с параметрами:
мА
МГц
В
пФ
мСм
пФ
мСм
См
См
Для расчета смесителя - КП303Г с параметрами:
мА
В
2. Подробный расчет радиоприемного
устройства
.1 Расчет входной цепи
Входная цепь, как составная часть
преселектора РПУ, в значительной мере определяет его электрические
характеристики по чувствительности и избирательности.
Так как требуется работа в широком
диапазоне то входная цепь должна работать в режиме ненастроенной антенны. При
этом входная цепь проектируется так, чтобы обеспечить передачу из антенны на
вход первого каскада возможно большего напряжения сигнала.
Для того чтобы осуществить прием
сигнала в достаточно широком диапазоне была выбрана схема одноконтурной входной
цепи с электрической штыревой антенной.
Выберем для входного контура
конденсатор переменной емкости с
пФ и
пФ.
Определим необходимую дополнительную
емкость схемы
, которая
включается параллельно переменному конденсатору:
пФ,
где
- коэффициент перекрытия диапазона.
Найдем емкость дополнительного
конденсатора с учетом емкости монтажа
пФ и влияния входной емкости
усилительного прибора УРЧ
:
пФ,
где
пФ,
n=0,6 - коэффициент включения
транзистора УРЧ во входную цепь.
Определим минимальную эквивалентную
емкость контура:
пФ.
Тогда индуктивность входного
контура:
мкГн.
Коэффициент включения антенны найдем
по следующей формуле:
,
.
Найдем индуктивность катушки связи с
антенной:
где Ксв = 0,1 ;
мкГн.
Рассчитаем резонансный коэффициент передачи
входной цепи:
,
где
- эквивалентная добротность контура,
пФ - эквивалентная емкость антенны
(
м - длина
штыря)
2.2 Расчет усилителя радиочастоты
В данной работе в качестве усилителя
радиочастоты используется схема на биполярном транзисторе с общим эмиттером,
которая обеспечивает в рабочем диапазоне частот наибольшее усиление полезного
сигнала. Нагрузкой усилителя является резонансная система из двух контуров с
внешнеемкостной связью.
Такой тип связи позволит упростить регулировку
связи между контурами и уменьшить габариты прибор
Номиналы емкостей Ск1, Ск2, Сдоп1, Сдоп2,и
индуктивностей Lк1, Lк2 возьмем такими же как и во входной цепи.
Для начала рассчитаем элементы УРЧ по
постоянному току. Выберем ЕП=9В. Зададим ток коллектора Iк = 3 мА, тогда ток
базы будет:
,
мкА.
Ток делителя
,
мА.
DUR3
обычно равно 0,1∙Еп ; т.к. Еп = 9 В, соответственно, DUR3 = 0,9.
Тогда
,
Ом.
Рассчитаем делитель напряжения:
,
.
Таким образом,
КОм,
Ком.
Рассчитаем емкость Cбл:
пФ.
Рассчитаем характеристическое
сопротивление контура:
Ом.
Определим коэффициент включения в
контур транзистора УРЧ:
,
где
=0,013 - эквивалентное затухание
контура УРЧ,
=0,01 -
собственное конструктивное затухание контура,
кОм - выходное сопротивление
транзистора УРЧ.
Из соотношения
где m и n - коэффициенты включения
предыдущего и последующего каскадов соответственно в систему контуров, 
- проводимость контура,
и
- входная и
выходная проводимость транзисторов последующего и предыдущего каскадов,
определим коэффициент включения транзистора последующего каскада в систему
контуров:
Рассчитаем проводимость контура:
Тогда коэффициент включения:
.
Определим минимальные эквивалентные
емкости контуров, полагая, что в каждый контур вносятся емкости только с одной
стороны:
пФ,
пФ,
где
=
=3 пФ - собственная емкость катушки
индуктивности.
Результирующие затухания контуров,
учитывая вносимые в каждый контур затухания только с одной стороны, будут
равны:
,
.
Выберем связь между контурами
критической, т.к. при этом обеспечивается минимальные искажения сигнала при
максимальных значениях полосы пропускания, избирательности и коэффициента
передачи. Т.е.
.
Рассчитаем необходимый коэффициент
связи между контурами:
.
Определим емкость контура
внешнеемкостной связи:
пФ.
Т.к. Ссв соизмерима с емкостью
монтажа, то применим неполную внешнеемкостную связь, подключив Ссв
автотрансформаторно к обоим контурам с коэффициентом включения
Тогда
пФ.
Резонансный коэффициент усиления
УРЧ:
,
где
- крутизна транзистора.
Рассчитаем устойчивый резонансный
коэффициент усиления
где Ку - коэффициент запаса
устойчивости, обычно равный 0,8
Т.к. резонансный коэффициент
усиления получился больше устойчивого, то для повышения эквивалентной
добротности контура уменьшим коэффициенты включения
до 0,1, а
до 0,05.
Тогда получаем:
Теперь условие
выполняется.
2.3 Выбор схемы преобразователя частоты
При выборе схемы преобразователя частоты
задаются следующими требованиями:
возможно больший коэффициент передачи при
преобразовании;
минимальный уровень шумов, вносимых
преобразователем в тракт приемника;
высокая стабильность работы гетеродина;
минимальное просачивание энергии гетеродина в
смеситель.
Исходя из подобных соображений, в данном
курсовом проекте был выбран преобразователь частоты с внешним гетеродином,
выполненный по схеме с общим истоком.
Кроме того, использование внешнего гетеродина
позволит
уменьшить взаимосвязь между входом контура
преобразователя и контуром гетеродина;
повысить стабильность работы гетеродина;
облегчить настройку контуров;
уменьшить просачивание энергии гетеродина в
антенну;
исключить непосредственную связь контура
гетеродина с сигнала.
Так как транзистор должен работать в нелинейном
режиме то выберем рабочую точку по ВАХ из справочника исходя из этих
требований.
Пусть UСИ=2В тогда IC=5,3мА при UЗИ=0 и
UГ=1Ввозьмем равным 1МОм
Потерями в колебательном контуре по постоянному
току пренебрежем
Найдем R5
Возьмем CК=10 нФ исходя из этого по
формуле Томпсона найдем LК.
мкГн
Рассчитаем характеристическое
сопротивление контура:
Ом.
Найдем резонансное эквивалентное
сопротивление контура.
Ом
Рассчитаем коэффициент усиления по
формуле:
Где m - коэффициент включения
следующего каскада в контур, возьмем m=0,9
.4 Расчет усилителей промежуточной
частоты
Сначала найдем необходимый
коэффициент усиления
Таким образом, необходимо 3 каскада
УПЧ два из которых будут апериодическими усилителями, а последний резонансным
усилителем.
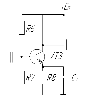
Расчет апериодического УПЧ:
В этом каскаде будем использовать
транзистор КТ382Б в схеме с общим эмиттером для получения максимального
коэффициента усиления. Нагрузкой будет являться входное сопротивление
следующего каскада.
Для начала рассчитаем элементы по
постоянному току. ЕП=9В, Iк = 3 мА, тогда ток базы будет:
,
мкА.
Ток делителя
,
мА.
DUR8
обычно равно 0,1∙Еп ; т.к. Еп = 9 В, соответственно, DUR8 = 0,9.
Ом.
Рассчитаем делитель напряжения:
,
.
Таким образом,
КОм,
Ком.
Рассчитаем емкость Cбл:
пФ.
где Y21 - крутизна транзистора, а RН
- входное сопротивление следующего каскада аналогичного данному.
Т.е. а RН =Rб1 Rб2 и Rвх транзистора
включенные параллельно друг с другом
Омб1=5кОм, Rб2=28кОм
Тогда RН =200 Ом
Второй каскад УПЧ полностью
совпадает с первым по характеристикам.
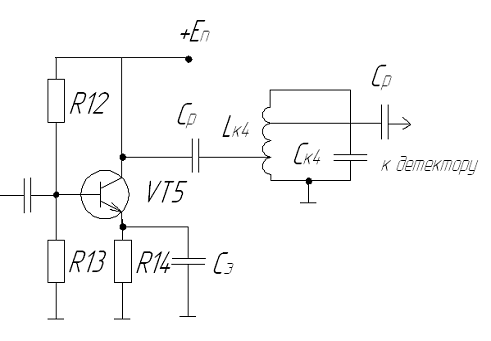
Расчет резонансного УПЧ:
Расчет по постоянному току такой же,
как у апериодического усилителя.
Возьмем CК=5 нФ исходя из этого по
формуле Томпсона найдем LК.
мкГн
Рассчитаем характеристическое сопротивление
контура:
Ом.
Найдем резонансное эквивалентное
сопротивление контура.
Ом
Определим коэффициент включения
транзистора в контур:
Коэффициент включения детектора в
контур n возьмем равным 0,8.
Рассчитаем резонансный коэффициент
усиления по формуле:
Рассчитаем устойчивый резонансный
коэффициент усиления
где Ку - коэффициент запаса
устойчивости, обычно равный 0,8
Т.к. резонансный коэффициент
усиления получился больше устойчивого, то уменьшим коэффициент включения
детектора
до 0,1.
Тогда получаем:
Теперь условие
выполняется.
Проверим выполнение условия
Условие выполняется необходимый
коэффициент усиления получен.
.5 Выбор схемы детектора
В современных транзисторных
приемниках для детектирования непрерывных амплитудно-модулированных сигналов
используют диодные и транзисторные детекторы.
Наибольшее распространение получили
детекторы на полупроводниковых диодах из-за малых габаритов и меньших
нелинейных искажений сигнала, обусловленных достаточно протяженным линейным
участком детекторной характеристики.
В данном курсовом проекте была
применена схема последовательного диодного детектора с раздельной нагрузкой,
т.к. она
обладает относительно высоким
входным сопротивлением;
обеспечивает лучшую (по сравнению с
параллельной схемой) фильтрацию напряжения промежуточной частоты.
В детекторе будем использовать диод
ГД403А как рекомендованный для использования в качестве детектора АМ сигналов в
радиоприемных устройствах
Обычно
ВХ.УНЧ для
транзисторных приемников примерно 5…30кОм
Обычно
;
Зададимся RН=3кОм тогда RН1=560Ом
RН=2,4кОм
Также обычно принимают
пФ
Таким образом
пФ
Заключение
В данном курсовом проекте произведен
расчет структурной схемы приёмника АМ-сигналов УКВ диапазона, а также
произведен подробный расчет схемы электрической принципиальной преселектора и
усилителя промежуточной частоты проектируемого приемника. Приемник обеспечивает
ослабление по зеркальному каналу - 60 дБ, по соседнему каналу - 60 дБ.
Чувствительность 10 мкВ при отношении сигнал/шум 10 дБ, диапазон частот 1 - 12
МГц, напряжение питания 9 В.
приемник сигнал частота
преселектор
Список литературы
приемник сигнал частота преселектор
Аржанов
В.А. Устройства приема и обработки сигналов: Учеб.-метод. пособие. - Омск:
Изд-во ОмГТУ, 2000. - 68 с.
Аржанов
В.А, Науменко А.П. Проектирование устройств приема радиосигналов: Учебное
пособие.- Омск: Изд-во ОмГТУ, 1998.-136 с.
Головин
О.В. и др. Радиоприемные устройства: - Учеб для техникумов.-М.:Высш. Шк.,
1987.- 440 с.:ил.
ГОСТ
12252-86. Радиостанции с угловой модуляцией сухопутной подвижной службы. - М.:
Изд-во стандартов, 1986. - 51 с.
ГОСТ
16019-78. Требования по устойчивости к механическим и климатическим
воздействиям и методы испытаний. - М.: Изд-во стандартов, 1978. - 23 с.
Женатов
Б.Д. Курсовое и дипломное проектирование. Методические указания для студентов
специальности 201200. - Омск: Изд-во ОмГТУ, 1997. - 40 с.
Транзисторы
для аппаратуры широкого применения: Справочник / К.М. Брежнева, Е.И. Гантман,
Т.И. Давыдова и др. Под ред.Б.Л. Перельмана. − М.: Радио и связь, 1981. −
656 с.
Цыкин
Г.С.Усилительные устройства:-Связь:1971.-366 с.