Техническое задание на проектирование радиоприемного устройства
Содержание
1. Техническое задание на проектирование радиоприемного устройства
1.1 Выбор типа структурной схемы
1.2 Расчёт сквозной полосы пропускания приёмника
1.3 Выбор структуры преселектора и числа преобразований частоты
1.4 Определение избирательной системы тракта промежуточной
частоты
1.5 Выбор первых каскадов приёмника
1.6 Выбор электронных приборов для высокочастотного тракта
1.7 Оценка динамического диапазона приёмника
1.8 Выбор регулировок приёмника
1.9 Выбор тракта усилителя низкой частоты
1.10 Структурная схема
2. Электрическое проектирование радиоприёмника
2.1 Расчёт параметров электронных приборов
2.2 Расчет входной цепи
2.3 Расчет усилителя радиочастоты
2.4 Расчет смесителя
2.5 Расчет УПЧ
2.6 Расчет детектора
Заключение
Список используемой литературы
1. Техническое задание на проектирование радиоприемного устройства
Разработанное радиоприёмное устройство должно иметь следующие
параметры:
Диапазон принимаемых частот f = 2.57
- 6.1 МГц
Чувствительность 2,6 мкВ
Избирательность по зеркальному каналу
68 дБ
Избирательность по соседнему каналу
30 дБ
Ослабление помехи на промежуточной
частоте 80 дБ
Ширина спектра принимаемого сигнала
3 кГц
Эффективность АРУ 70/7 дБ
радиоприёмник частота усилитель
1. Эскизное проектирование
.1 Выбор типа структурной схемы
Профессиональные коротковолновые
приёмники обычно выполняются по схеме с двукратным преобразованием частоты. Так
как к данному приёмнику предъявляются довольно высокие требования по
чувствительности и избирательности, то с помощью одного преобразования частоты
их не достигнуть (далее это подтверждается расчетами).
Для обеспечения высокой
избирательности по зеркальному каналу используется схема инфрадинного приёма
(первое ПЧ происходит вверх). Первая промежуточная частота выбирается из
диапазона частот 35 - 55 МГц. Основную селекцию осуществляет тракт первой
промежуточной частоты.
Вторая промежуточная частота
выбирается из условия обеспечения избирательности по соседнему и второму
зеркальному каналам приёма. Для обеспечения избирательности по соседнему каналу
после второго смесителя ставится фильтр сосредоточенной селекции (ФСС).
.2 Расчёт сквозной полосы
пропускания приёмника
Сквозная полоса пропускания
приёмника определяется следующей формулой:
,
где
-
полоса сигнала (зависит от типа сигнала и его модуляции),
- нестабильность частот
настройки приёмопередающего тракта.
За счёт использования
синтезаторов частоты современная аппаратура обладает высокой стабильностью,
поэтому для профессиональных приёмников можно не учитывать
.
Тогда сквозная полоса пропускания
приёмника равна:
1.3 Выбор структуры преселектора и
числа преобразований частоты
Преселектор обеспечивает заданную
избирательность по зеркальному каналу и каналу прямого прохождения (на
промежуточной частоте).
Частота зеркального канала при
преобразовании частоты равна:
.
В данном радиоприёмнике
избирательность по первому зеркальному каналу должна быть не менее 68 дБ.
Поскольку частота первого зеркального канала довольно далеко отстоит от рабочих
частот схемы, то заданная избирательность легко обеспечится.
После первого смесителя
используем полосовой кварцевый фильтр ФП2П-4-1-В, настроенный на первую
промежуточную частоту 55,5 МГц. Данный фильтр обеспечивает затухание в полосе
задержания не менее 70 дБ. Таким образом, нет необходимости в использовании
высокодобротных колебательных контуров.
По техническому заданию ослабление
помехи на промежуточной частоте должно составлять 80 дБ.
Рассчитаем
избирательность по каналу прямого прохождения:
Избирательность по
каналу прямого прохождения обеспечивается фильтром Z1
и полосовым кварцевым фильтром Z2.
Избирательность от ПФ Z2
>60 дБ.
Таким образом, фильтр Z1 должен обеспечить затухание порядка 20 дБ на частоте
.
Следовательно, необходимо использовать не ФНЧ, а полосовой фильтр Z1.
1.4 Определение избирательной
системы тракта промежуточной частоты
Первую промежуточную частоту
выбираем равной 55,5 МГц. После первого смесителя используем полосовой
кварцевый фильтр, настроенный на первую промежуточную частоту. Использование
данного фильтра позволяет получить хорошие параметры по избирательности. После
фильтра ставим слабоизбирательный УПЧ. Затем второй смеситель переносит спектр
сигнала на вторую промежуточную частоту. Выберем эту частоту из стандартных
значений равной 465 кГц. Далее определимся со способом обеспечения заданной
избирательности. Используем ФСС, который поставим после второго смесителя.
По техническому заданию ФСС должен
обеспечить избирательность по соседнему каналу 30 дБ.
Для АМ в Европе
соседний канал отличается от основного на
. На основе этого
выбираем тип фильтра ФП1П-023. Данный фильтр обладает следующими параметрами
-
частота настройки фильтра,
- полоса пропускания,
-
затухание за пределами полосы пропускания,
- затухание в полосе
пропускания,
,
.
Из величины полосы
пропускания фильтра и затухания за ее пределами, следует, что избирательность
по соседнему каналу составит 45 дБ, что более чем удовлетворяет техническому
заданию.
1.5 Выбор первых
каскадов приёмника
Первые каскады приёмника определяют
его чувствительность. Как правило, в преселектор входит один каскад УРЧ.
Чувствительность проектируемого приёмника задана в техническом задании и равна EA = 2,6 мкВ.
Оценим чувствительность приёмника по
его коэффициенту шума.
При отсутствие УРЧ имеем:
В качестве активного
элемента используем малошумящий транзистор КТ368А, коэффициент шума которого
равен:

При наличии УРЧ
коэффициент шума приёмника равен:
Далее сравниваем
найденные коэффициенты шума с допустимым коэффициентом шума, при котором
обеспечивается заданная в ТЗ чувствительность:
Так как коэффициент шума
приёмника без УРЧ больше допустимого(9>8,5), а с УРЧ меньше(3,93<8,3), то
можно сделать вывод о необходимости использования УРЧ в данном приёмнике.
1.6 Выбор электронных приборов для
высокочастотного тракта
Так как к данному приёмнику
предъявляются довольно высокие требования по чувствительности, то целесообразно
выполнить УРЧ на малошумящем транзисторе. В диапазоне КВ применяют следующие
биполярные транзисторы: КТ359, КТ3108, КТ368, КТ633. Для УРЧ с ШПТЛ выбираем
транзистор КТ368А. Данный транзистор СВЧ диапазона и поэтому при построении на
нем УРЧ можно добиться необходимого усиления в широкой полосе частот.
УПЧ1 должен обеспечить небольшое
усиление полезного сигала на промежуточной частоте, равной 55,5 МГц.
Регулировка усиления в первом УПЧ не требуется, поэтому используем микросхему
без системы АРУ. Всем вышеперечисленным требованиям удовлетворяет ИМС 228УВ1.
Распределение усиления между
трактами радиоприёмника
Общее усиление приёмника
определяется чувствительностью приёмника и обеспечением необходимого напряжения
на входе детектора. Для амплитудного детектора надо обеспечить напряжение Uвх.дет=0,2…0,5 В. Общее усиление
можно посчитать по формуле:
(109 дБ)
Найдём коэффициент
передачи преселектора по следующей формуле:
,
где
коэффициент
передачи входной цепи;
коэффициент передачи
УРЧ;
максимальное входное
напряжение на смесителе.
Для обеспечения
линейности работы смесителя необходимо, чтобы
.
Пусть
,
тогда:
(32 дБ)
Коэффициент усиления
транзисторного смесителя обычно имеет величину 4…6. Примем
(14
дБ).
Остальное усиление
должен обеспечить УПЧ:
Распределим усиление
между УПЧ следующим образом Купч1=10 дБ, Купч2=20 дБ.
1.7 Оценка динамического диапазона
приёмника
Динамический диапазон
Первыми каскадами
приёмника являются УРЧ и смеситель.
Так как
,
то допустимый уровень сигналов на входе УРЧ выше, чем допустимый уровень
входных сигналов смесителя. Следовательно, при расчете динамического диапазона
приёмника вместо
следует
брать
.
Совместный коэффициент
шума УРЧ и смесителя:
Шумовой порог (при
):
Параметр
приёмника
равняется:
Тогда динамический
диапазон приёмника равен:
1.8 Выбор регулировок приёмника
Используем гетеродин с
кварцевой стабилизацией, что позволяет получить нестабильность частоты
гетеродина
.
Считаем доплеровское
смещение частоты равным нулю.
Без системы АПЧ
требуется полоса:
При наличии системы АПЧ
с коэффициентом подстройки KАПЧ:
Поскольку величина
небольшая,
то система АПЧ не требуется.
Система АРУ позволяет
расширить динамический диапазон приёмника по основному каналу. Пусть A, дБ - требуемый диапазон входных сигналов, а B, дБ - допустимый диапазон изменения напряжения на выходе. Тогда
требуемое изменение коэффициента усиления приёмника равно (А - В), дБ.
Нежелательно
регулировать усиление в первом каскаде УРЧ и смесителях.
Найдем требуемое число
каскадов в усилителе промежуточной частоты:
1.9 Выбор тракта усилителя низкой
частоты
Для усилителя низкой частоты
выбираем ИМС К174УН4А в стандартной схеме включения. Данная микросхема
используется в качестве усилителя низкой частоты. Принципиальная схема ИМС
К174УН4А приведена на рисунке 2.
Рисунок 1
Рассмотрим назначение выводов данной
микросхемы:
, 6 - выводы; 2 - обратная связь; 4
- вход; 5 - фильтр; 7 - питание (+Uи.п); 8 - выход; 9 - общий (-Uи.п).
Основные электрические параметры ИМС
К174УН4А:
- напряжение источника
питания;
(при f = 1кГц) - потребляемый микросхемой ток;
(при f = 1кГц) - коэффициент усиления по напряжению;
(при f = 1кГц) - входное сопротивление микросхемы;
- сопротивление
нагрузки;
- номинальная выходная
мощность;
- максимальный ток
нагрузки.
На рисунке 2 приведена
типовая схема включения микросхемы К174УН4А:
Рисунок 2
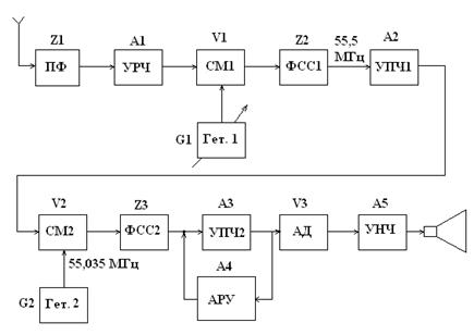
1.10 Структурная схема
Рисунок 3 Структурная схема
профессионального коротковолнового приёмника
2. Электрическое проектирование
радиоприёмника
.1 Расчёт параметров электронных
приборов
Для выбранного транзистора КТ368А
определим Y-параметры и шумовые характеристики в схеме с ОЭ на частоте
сигнала fс. Необходимые для расчётов параметры транзистора возьмём из [3].
Параметры транзистора КТ368А указаны в Приложении 1.
Заданные параметры:
- статический
коэффициент передачи тока базы в схеме с ОЭ;
- модуль статического
коэффициента передачи тока базы в схеме с ОЭ на некоторой частоте fм = 100 МГц;
- входное сопротивление
транзистора в режиме малого сигнала;
- постоянная времени
цепи обратной связи;
- ёмкость коллекторного
перехода;
-
максимальный ток коллектора.
Расчёт параметров схемы
с ОЭ на КТ368А:
Y-параметры:

Поскольку
оказался
меньше требуемого (для УРЧ необходимо 90), то от схемы с ОЭ переходим к
каскодной схеме ОЭ - ОБ. Каскодная схема реализует преимущества Каскадов с ОЭ и
ОБ - больший коэффициент усиления по напряжению и высокое выходное
сопротивление.
Транзисторы VT1 и VT2 на рис.4
выбираем одинаковые КТ368А.
Рассчитаем Y-параметры каскодной схемы:
Рассчитаем параметры
преобразования биполярных транзисторов, работающих в преобразователях частоты:
.2 Расчет входной цепи
В профессиональных радиоприёмниках
применяются настроенные антенны. Сопротивление антенны примем равным R = 75 Ом. Таким образом, в диапазоне
принимаемых частот 2,57-6,1 МГц считаем сопротивление антенны постоянным и
равным 75 Ом.
С помощью программы RFSim 99 Version 1.05 была смоделирована
входная цепь, представляющая собой полосовой фильтр. Были заданы следующие
параметры: центральная частота фильтра 4,125 МГц, полоса пропускания 4 МГц,
полосовой фильтр второго порядка, тип фильтра - фильтр Чебышева,
неравномерность в полосе пропускания фильтра 0,1 дБ, входное сопротивление
фильтра 75 Ом (сопротивление антенны).
Схема входной цепи изображена на
рисунке 6:
Рис.4
Из рисунка 4 видно, что ПФ
трансформирует сопротивление антенны 75Ом в сопротивление 102 Ом. Величины
емкостей выбраны согласно номинальному ряду E24 и равны 560 пФ и 330 пФ.
Номиналы индуктивностей равны 2,5 мкГн и 4,3 мкГн.
На рисунке 7 представлена
зависимость коэффициента передачи входной цепи по напряжению от частоты:
Рисунок 5
Данная входная цепь даёт ослабление
помехи на f = 465 кГц 20 дБ. Таким образом, общее ослабление помехи на f = 465 кГц превысит 70 дБ + 20 дБ =
90 дБ, что удовлетворяет техническому заданию 80 дБ.
Неравномерность коэффициента
передачи по напряжению в пределах полосы пропускания ПФ не превышает 0,1 дБ.
Ослабление первого зеркального
канала входной цепью составляет 50 дБ.
Поскольку в техническом задании
сказано, что ослабление помехи на ПЧ должно составлять 80 дБ, то введём
дополнительное средство избирательности. Последовательно с входной цепью
включим параллельный колебательный контур, настроенный на первую промежуточную
частоту 55,5 МГц. На частоте 55,5 МГц сопротивление контура будет бесконечно
большим, что приведёт к значительному подавлению помехи с данной частотой,
идущей от антенны.
Тогда схема входной цепи будет
выглядеть так:
Рисунок 6
На рисунке 9 представлена
зависимость коэффициента передачи входной цепи по напряжению от частоты:
Рисунок 7
Из рисунка 9 видно, что входная цепь
подавляет первую промежуточную частоту на 88 дБ, что удовлетворяет требованиям
технического задания.
.3 Расчет усилителя радиочастоты
Для обеспечения заданной
избирательности достаточно одного контура в нагрузке усилителя радиочастоты
(УРЧ). Для получения широкополосного усиления используем УРЧ с ШПТЛ. Из пункта
1.8, следует, что усиление УРЧ должно быть порядка 45. Рассчитав в пункте 2.1
для
схемы с ОЭ видим, что такой величины устойчивого усиления недостаточно. Поэтому
переходим к каскодной схеме УРЧ. Для неё
, что удовлетворяет
условию по усилению УРЧ.
Условие по усилению УРЧ Kо:
Необходимо получить
усиление равное 40, а данное усиление удовлетворяет условию по усилению УРЧ.
Воспользуемся методикой
расчета УРЧ из [2]:
Исходные данные:
Кремниевый транзистор
КТ368А, Eпит = 6 В, Uкэ
= 2В, Iк = 10 мА, Iкбо
= 0,3 мкА, T = 10…40 oC, fo = 6.1 МГц, g11 = 2,2 мСм.
Расчет:
Рассчитаем номиналы
емкостей:
2.4 Расчет смесителя
Произведём расчёт транзисторного
смесителя с ФСИ по методике из [1].
, так как
, так как
, так как
, так как
Тогда модуль
резонансного коэффициента передачи равен:
Поскольку расчетный
коэффициент усиления смесителя меньше устойчивого, то данный режим работы
смесителя осуществим.
2.5 Расчет УПЧ
УПЧ1 должен обеспечить небольшое
усиление полезного сигала на промежуточной частоте, равной 55,5 МГц. Не
требуется регулировка усиления в первом УПЧ, поэтому используем микросхему без
системы АРУ. Всем вышеперечисленным требованиям удовлетворяет ИМС 228УВ1.
Данная микросхема применяется для усиления сигналов с частотой менее 60 МГц.
По своей структуре микросхема 228УВ1
является универсальным однокаскадным усилителем. Принципиальная схема ИМС
228УВ1 представлена на рисунке 10.
Рисунок 8
Из принципиальной схемы видно, что
микросхема представляет собой один каскад на биполярном транзисторе, включённом
по схеме с общим эмиттером. Вывод 1 является входом микросхемы, а вывод 14 -
выходом. Поскольку УПЧ1 не должен давать большого усиления, то используем схему
включения ИМС, реализующую апериодический усилитель.
Рисунок 9
Электрические параметры ИМС 228УВ1:
Напряжение источников
питания:
,
.
Потребляемый ток 3,2…4
мА
Крутизна проходной
характеристики 8 мА/В ( при f
= 55,5 МГц )
Входное сопротивление
> 400 Ом
Выходное сопротивление
< 50 кОм
Потребляемая мощность
< 70 мВт
Ток коллектора 3,2…4 мА
УПЧ2 должен обеспечить
довольно высокое усиление (порядка 40 дБ) на второй промежуточной частоте,
равной 465 кГц. Также для получения постоянного уровня сигнала на входе
амплитудного детектора и расширения динамического диапазона приёмника
необходимо использовать систему АРУ. Рассмотрим структуру интегральной
микросхемы 235УР7. Она состоит из усилителя промежуточной частоты с АРУ и
эмиттерным повторителем.
Принципиальная схема ИМС
235УР7 приведена на рисунке 10.
Рисунок 10
Используем схему включения с
эмиттерным повторителем. Данная схема приведена на рисунке 11.
Рисунок 11
Рассмотрим назначение выводов
микросхемы:
,2 - входы;
- корпус( -Uи.п);
- напряжение АРУ;
- дополнительный вывод цепи питания;
- питание (+Uи.п);
- питание второго каскада;
- выход усилителя;
- вход эмиттерного повторителя;
- выход эмиттерного повторителя.
Электрические параметры ИМС 235УР7:
Напряжение источника
питания:
;
Потребляемый ток <
3,5 мА;
Крутизна проходной
характеристики > 10 мА/В ( при Uвх
=10 мВ, f = 1,6 МГц )
Входное сопротивление
> 2 кОм ( при Uвх =10 мВ, f = 1,6 МГц );
Выходное сопротивление
> 10 кОм;
Входная ёмкость < 20
пФ ( при Uвх =10 мВ, f
= 1,6 МГц );
Выходная ёмкость < 15
пФ ( при Uвх =10 мВ, f
= 1,6 МГц );
Напряжение регулировки
АРУ 1,87…2,53 В;
Потребляемый АРУ ток
< 0,1 мА ( при Uвх =10 мВ, f = 1,6 МГц );
Нижняя граничная частота
fн > 100 кГц.
2.6 Расчет детектора
Рисунок 14
Произведём расчёт последовательной
схемы диодного детектора.
1 Выбор типа диода и его параметров:
выбираем германиевый диод Д9В со
следующими параметрами:
2 Находим допустимое значение выходного сопротивления детектора:
Вычисляем общее сопротивление нагрузки детектора:
Определяем сопротивления разделённой нагрузки:
Определяем общую ёмкость нагрузки:
Выбираем ёмкость первого конденсатора фильтра 0,1 пФ, тогда:
Вычисляем ёмкость разделительного конденсатора, устанавливаемого
после детектора:
Для амплитуды напряжения на входе детектора от 0,1 до 0,5 В и
нагрузки АД 15 кОм коэффициент передачи детектора примерно равен 0,3.
Найдём значение коэффициента передачи детектора с учётом
разделения нагрузки:
Заключение
В данной курсовой работе было
спроектировано профессиональное радиоприемное устройство. Был произведен расчет
всех элементов электрической схемы устройства. Все характеристики полученного
профессионального приемника соответствуют техническому заданию. Соответствие
полученных характеристик приемника с заданными представлено в таблице:
|
Параметр технического задания
|
Требуемый
|
Полученный
|
|
Диапазон принимаемых частот
|
2,57 - 6.1 МГц
|
2.57 - 6.1 МГц
|
|
Чувствительность
|
2.6 мкВ
|
2.6 мкВ
|
|
Избирательность по зеркальному каналу
|
68 дБ
|
70 дБ
|
|
Избирательность по соседнему каналу
|
30 дБ
|
45 дБ
|
|
Ослабление помехи на промежуточной частоте
|
80 дБ
|
88 дБ
|
|
Эффективность АРУ
|
70/7 дБ
|
> 70/7 дБ
|
Список используемой
литературы
1.
Проектирование радиоприёмных устройств на базе аналоговых блоков:
учебно-методическое пособие / Н.П. Никитин, В.В. Кийко. Екатеринбург: ГОУ ВПО
УГТУ-УПИ, 2004. 113с.
2.
Проектирование радиоприёмных устройств. Под. ред. А.П. Сиверса.
Учебное пособие для вузов. М., “Сов. радио”, 1976. 485с.
3.
Транзисторы для аппаратуры широкого применения.: Справочник/Под
ред. Б.Л. Перельмана. М.: Радио и связь, 1981. 656с.
4.
Аналоговые интегральные микросхемы: Справочник / А.Л. Булычев,
В.И. Галкин, В.А. Прохоренко. Минск “Беларусь” , 1993. 382с.
5.
Резисторы: Справочник/Под ред. И.И. Четверткова. М.: Радио и
связь, 1991. 528с.
6.
Полупроводниковые приборы. Диоды выпрямительные, стабилитроны,
тиристоры: Справочник / А.Б. Гитцевич, А.А. Зайцев, В.В. Мокряков и др. Под
ред. А.В. Голомедова. - М.: Радио и связь, 1989. 528с.
7.
Электрические конденсаторы и конденсаторные установки: Справочник
/ В.П. Берзан, Б.Ю. Геликман, М.Н. Гураевский; Под ред. Г.С. Кучинского. - М.:
Энергоатомиздат, 1987. 656с.