Приемник УКВ-диапазона

  • Вид работы:
    Дипломная (ВКР)
  • Предмет:
    Информатика, ВТ, телекоммуникации
  • Язык:
    Русский
    ,
    Формат файла:
    MS Word
    290,18 Кб
  • Опубликовано:
    2012-07-09
Вы можете узнать стоимость помощи в написании студенческой работы.
Помощь в написании работы, которую точно примут!

Приемник УКВ-диапазона

Государственное образовательное учреждение высшего

профессионального образования

«ОМСКИЙ ГОСУДАРСТВЕННЫЙ ТЕХНИЧЕСКИЙ УНИВЕРСИТЕТ»

Кафедра «Радиотехнические устройства и системы диагностики»





Квалификационная работа

На тему: Приемник УКВ-диапазона

Студента

Михацкого Николая Константиновича

группы РИБ-148

Пояснительная записка

Шифр работы КР-02068999-32-06ПЗ

Специальность 210300.62 «Радиотехника»





Омск 2012г.

Задание по дипломному проектированию

Произвести расчет радиоприёмного устройства с заданными характеристиками:

1.   Диапазон принимаемых частот 30-120 МГц

2.       Чувствительность 6 мкВ

.        Избирательность по побочному каналу 60 дБ

.        Избирательность по соседнему каналу 60 дБ

.        Полоса пропускания 100 кГц

.        Вид модуляции ЧМ

Введение

Радиоприемным устройством (РПУ) называют такое радиотехническое устройство, которое предназначено для приёма радиосигналов и преобразования их к виду, позволяющему использовать передаваемое сообщение.

Для передачи любого сообщения (речевого, текстового, изображения, цифровых данных и т.д.) с помощью радиоволн служит радиоканал, который соединяет источник и потребитель сообщения. Он содержит радиопередающее устройство, среду, в которой распространяются радиоволны, и радиоприемное устройство.

В радиопередающем устройстве сообщение преобразуется в соответствующий ему модулирующий сигнал. Этот сигнал модулирует высокочастотное колебание. С помощью передающей антенны происходит преобразование энергии радиосигнала, т.е. модулированного высокочастотного электрического колебания, в энергию электромагнитного поля. В виде радиоволн поле распространяется в окружающем антенну пространстве. При этом радиоволна может рассеиваться, поглощаться, отражаться от неоднородностей среды, преломляться и т.д. В результате энергия радиоволны в месте приема оказывается значительно меньше, чем вблизи передающей антенны. С помощью приемной антенны происходит обратное преобразование энергии электромагнитного поля высокой частоты в энергию электрического колебания. В результате цепи приемной антенны создается ЭДС радиосигнала, являющегося источником входного воздействия для РПУ.

Радиоприем сопровождается действием на радиоканал различных радиопомех, а также искажением сигнала. Радиопомехи и искажения сигнала могут привести к недопустимым искажениям в передаваемом сообщении.

Под помехами понимаются все действующие на РПУ колебания, которые мешают приему полезного сообщения и приводят к его искажению.

Радиопомехи могут возникать вне РПУ, т.е. в среде распространения радиоволн (внешние помехи) и внутри него (внутренние помехи). Совокупность всех помех определяет электромагнитную обстановку (ЭМО) в месте приема.

Искажения вне РПУ связаны с физическими процессами, сопровождающими распространение радиоволн: многолучевостью, дисперсией и др. Искажения внутри РПУ обусловлены не идеальностью его характеристик, т.е. отличием характеристик РПУ от тех, которые не приводят к искажениям передаваемого сообщения.

Выделяют три составных части РПУ: 1) приемная антенна; 2) собственно РПУ, или радиоприемник, в котором осуществляется необходимые преобразования сигнала, используемого для передачи соответствующего сообщения; 3) выходное (оконечное) устройство (ОУ), в котором происходит преобразование сигнала в сообщение или обработка сигнала с целью его дальнейшего использования. Это устройство может входить в состав РПУ или быть автономным.

Радиосигнал, несущий полезную информацию, как правило, на выходе РПУ не является единственным и доминирующим по уровню мощности. Этот сигнал обычно мал и содержится в смеси с помехами, создаваемыми другими, одновременно работающими радиопередатчиками, а также источниками различных излучений. Передаваемое сообщение соответствует модулирующему колебанию и в явном виде во входном радиосигнале не содержится. Поэтому в РПУ необходимо осуществить: 1) выделение полезного сигнала из смеси его с помехами; 2) выделение модулирующей функции; 3) различные преобразования полезного сигнала с целью достижения возможности и удобства его использования. Таким образом, РПУ выполняет ряд функции.

Функция избирательности (селективности) - это функция выделения полезного сигнала из смеси «сигнал плюс помеха», в соответствии с некоторым различием их физических свойств и характеристик. А именно: 1) частотным; 2) пространственным; 3) поляризационным; 4) временным; 5) амплитудным и другими.

Функция демодуляции (детектирования) - эта функция РПУ, обратная модуляции в радиопередатчике. Она направлена на выделение модулирующего колебания из колебаний радиосигнала высокой частоты, используемого в радиосистеме для передачи полезной информации.

Функция усиления полезного сигнала обусловлена тем, что его уровень на входе РПУ, как правило, недостаточен для нормальной работы ОУ. Поэтому сигналы приходиться усиливать.

Функция частотного преобразования радиосигнала предполагает преобразование области частот принимаемых сигналов в некоторую другую, заранее выбранную частотную область, где обеспечиваются наилучшие условия их обработки. Эта функция осуществляется в частотно-преобразовательных устройствах.

Функция адаптации (приспособления) к изменяющейся ЭМО предполагает изменение параметров РПУ с целью обеспечения заданного или максимально возможного в данных условиях приема качества работы РПУ. Необходимость в адаптации связана с изменением характеристик, как полезного сигнала, так и помех.

Виды радиоприемных устройств.

Радиоприемные устройства различаются по следующим принципам классификации:

. Области применения: для звукового радиовещания, телевидения, радиосвязи, радиолокации, радионавигации, радиоизмерений, радиоастрономии и т.д. Каждой области приложения радиотехники соответствует своя радиосистема и входящее в её состав РПУ.

. Диапазону частот: НЧ, СЧ, ВЧ, ОВЧ, УВЧ и СВЧ. Радиовещательные приемники в зависимости от диапазона длин волн бывают ДВ, СВ, КВ и УКВ. Характерно, что РПУ различных диапазонов имеют структурные, схемные и конструктивные отличия, строятся на различной компонентной базе, и поэтому обычно выполняются, как самостоятельные устройства. Однако иногда возможно объединение (частичное или полное) РПУ разных диапазонов.

. Виду принимаемых сигналов: непрерывных и дискретных.

. Виду принимаемой информации: радиотелефонные, кодированных сообщений, телевизионные (прием подвижных изображений), фототелеграфные (прием неподвижных изображений) и др. Иногда в одном РПУ предусмотрен прием информации различных видов (условно «универсальные» РПУ, широко применяемые в радиосвязи).

. Виду модуляции принимаемого радиосигнала: с АМ; ЧМ; и ФМ, которые обобщенно называют угловыми видами модуляции (УМ); АИМ; ШИМ; дельта-модуляции и т.д. Иногда в одном РПУ возможен прием сигналов с различными видами модуляции, однако в этом случае требуется полная или частичная смена приемного тракта и его узлов.

. Условной «дальности действия» РПУ, входящего в определенную радиотехническую систему.

. Месту установки РПУ: стационарные, переносные (носимые), мобильные (на подвижных сухопутных объектах), бортовые (для работы на судах, самолетах, спутниках космической связи, управляемых ракетах и снарядах и т.д.).

. Способу питания: от сети переменного тока, гальванических батарей и аккумуляторов, солнечных батарей, с «универсальным» питанием, т.е. от нескольких источников.

. Способу управления: с ручным, частично или полностью автоматическим, дистанционным, комбинированным управлением.

. Массогабаритным характеристикам и др.

1. Обзор литературы и анализ состояния вопроса

.1 Обзор литературы

Радиоприемные устройства входят в состав различных радиотехнических систем связи, т.е. систем передачи информации с помощью электромагнитных волн

Радиоприемное устройство состоит из приемной антенны, радиоприемника и оконечного устройства, предназначенного для воспроизведения сигналов. Радиоприемники можно классифицировать по ряду признаков, из которых основными являются: тип схемы, вид принимаемых сигналов, назначение приемника, диапазон частот, вид активных элементов, используемых в приемнике, тип конструкции приемника.

По типу схем различают приемники детекторные, прямого усиления (без регенерации и с регенерацией), сверхрегенеративные и супергетеродинные приемники, обладающие существенными преимуществами перед приемниками других типов и широко применяемые на всех диапазонах приемников.

Первые радиоприемники были детекторного типа. Сигнал с антенны поступал непосредственно на детектор и далее на наушники. Следующим этапом стало применение усилительных каскадов в цепях высокой частоты. Такие приемники называются приемниками прямого усиления. Приемники, состоящие из последовательно включенных усилителей ВЧ, неудобны по нескольким причинам. Во-первых, отдельные каскады должны быть настроены на одну и ту же частоту, что требует очень точного согласования группы одновременно перестраиваемых LC контуров. Во-вторых, поскольку общая частотная избирательность определяется характеристиками всех усилителей в совокупности, форма полосы пропускания будет зависеть от точности настройки каждого каскада; отдельные каскады не могут иметь столь узкополосную характеристику, как хотелось бы, так как настройка в этом случае была бы практически невозможна. И поскольку принимаемый сигнал может быть любой частоты в пределах принимаемого диапазона, нельзя использовать пьезофильтры для получения нужной формы АЧХ каскадов. Пьезофильтр - это полосовой фильтр на основе одного или нескольких пьезокерамических кристаллов, пропускающий узкую полосу частот (от нескольких сотен Герц и выше) и имеющий крутые спады на границах частоты. Лучшее решение этих проблем дает применение супергетеродинного приема. Структурная схема приемника приведена на рисунке 1.

Рис. 1. Структурная схема супергетеродинного приемника.

Основной принцип супергетеродинного приема - преобразование принимаемого сигнала в сигнал фиксированной частоты, называемой промежуточной (ПЧ) и в дальнейшем ее детектировании, т.е. преобразование высокочастотного сигнала в низкочастотный, в том числе и звуковой сигнал. Смысл такого преобразования заключается в том, что на одной частоте просто получить амплитудно-частотную характеристику (АЧХ) требуемой формы. Промежуточная частота может быть выше и ниже частоты принимаемого сигнала. Более высокая ПЧ применяется в радиоприемниках длинноволнового диапазона и в специальных измерительных приемниках. Для УКВ диапазона промежуточная частота принята 10,7 МГц, а для диапазонов ДВ, СВ и КВ 455 (или 465) кГц. Необходимая АЧХ формируется либо многоконтурным фильтром сосредоточенной селекции (ФСС), либо пьезокерамическим фильтром.

Сигнал с антенны попадает в высокочастотный тракт, включающий преселектор (входной полосовой фильтр и усилитель высокой частоты), а также гетеродин со смесителем. УВЧ не только усиливает сигнал, но и фильтрует его в заданной полосе. Усиленный ВЧ-сигнал поступает в смеситель. После смесителя сигнал (с точностью до амплитуды) имеет вид cos2п(fн+fг)t+cos2п(fн-fг)t, что соответствует модулированным сигналам на несущих fн+fг и fн-fг. Разностную составляющую - промежуточную частоту (ПЧ) fпч=fн-fг - выделяют полосовым фильтром и в дальнейшем работают именно с ней.

Сигнал ПЧ фильтруется и усиливается, после чего сигнал попадет на частотный детектор - ЧМ-демодулятор. После демодуляции низкочастотный сигнал усиливается в усилителе звуковой частоты и далее поступает на устройства воспроизведения.

Профессиональные радиоприёмные устройства часто выполняются по супергетеродинной схеме с двукратным преобразованием частоты. Это позволяет: увеличить избирательность по зеркальному каналу, увеличить избирательность по соседнему каналу благодаря применению низкой второй промежуточной частоты, получить устойчивое усиление. Но при этом значительно усложняется схема и конструкция приёмника и появляются дополнительные побочные каналы приёма.

Рис. 2. Схема супергетеродинного приемника с двукратным преобразованием частоты

Недостатками двойного преобразования частоты являются: а) наличие дополнительных побочных каналов приёма; б) значительное усложнение схемы и конструкции приёмника.

По назначению различают приемники связные, радиовещательные, телевизионные, радиорелейных и телеметрических линий, радиолокационные, радионавигационные и другие. Связные радиоприемники чаще всего служат для приема одноканальных непрерывных сигналов с АМ (с несущей и боковыми полосами), ОБП (однополосной) и ЧМ или дискретных сигналов с амплитудной манипуляцией, частотной или фазовой. Радиовещательные приемники (монофонические) принимают одноканальные непрерывные сигналы с АМ на длинных, средних и коротких волнах и с ЧМ на ультракоротких волнах. Приемники черно-белых телевизионных программ принимают непрерывные сигналы с АМ и частичным подавлением одной боковой полосы частот и звуковые сигналы с ЧМ. Приемники цветных телевизионных программ принимают также сигналы, создающие цветное изображение. Приемники оконечных станций радиорелейных и телеметрических линий обычно предназначены для приема и разделения каналов многоканальных сигналов с частотным и временным уплотнением.

Приемники промежуточных станций радиорелейных линий (наземных и спутниковых) отличаются от приемников оконечных станций тем, что в них не происходит разделения многоканальных сигналов.

Импульсные радиолокационные приемо-передающие станции обычно излучают зондирующие радиоимпульсы с фиксированными периодами следования, длительностью импульсов, амплитудой и несущей частотой. Приемники таких станций служат для приема части энергии зондирующих сигналов, отраженной от целей. Отраженные сигналы могут быть импульсными или непрерывными, причем информация о целях может содержаться в изменении во времени амплитуды (или отношения амплитуд) и частоты (или спектре) сигналов.

Согласно рекомендации МККР (Международного консультативного комитета по радио) спектр радиосвязи делится на диапазоны. Наиболее широко распространенные приемники работают в диапазоне 30 кГц - 300 ГГц (на волнах 10 км - 1мм).

В качестве активных элементов каскадов приемников, работающих на частотах 30 кГц - 300 МГц, используются полупроводниковые приборы и электронные лампы. Предпочтение отдается полупроводниковым приборам благодаря их преимуществам (малые габаритные размеры и масса; низкие напряжения и токи питания; большой срок службы и механическая прочность).

К основным показателям приемного устройства относят чувствительность, избирательность (селективность), верность воспроизведения сообщения и стабильность. Особым показателем приемного устройства, дополнительно определяющим возможность совместной работы радиоприемных устройств различного назначения, является уровень радиопомех, создаваемых радиоприемным устройством.

Приемники конструктивно выполняются из отдельных (навесных) активных и пассивных элементов с печатным или объемным монтажом или из готовых интегральных микросхем, представляющих собой каскады, узлы приемников и даже целые приемники.


В настоящее время промышленность выпускает радиовещательные приемники с широкой унификацией отдельных узлов и блоков. Это позволяет на единой конструктивной основе создавать различные как по внешнему оформлению, так и по параметрам приемники бытового назначения. Для переносных транзисторных радиоприемников немаловажное значение имеет снижение массы и габаритов. Эта задача решается благодаря применению малогабаритных узлов и деталей. Однако наибольшая эффективность достигается при использовании интегральных микросхем, в которых резисторы, конденсаторы, транзисторы изготовлены в тонкой пластине монокристаллического полупроводника. В транзисторных радиовещательных приемниках применяются гибридные интегральные микросхемы серии К224 и К237, Микросхемы обладают сравнительно невысокой стоимостью, большой помехоустойчивостью и могут работать в тяжелых температурных условиях.

На базе этих микросхем выпускаются переносные радиоприемники третьего класса Урал-301, Урал-302, Ори-он-301 и второго класса Украина 201, Меридиан-201, Меридиан-202, Геолог и др.

Основные показатели радиоприемников Таблица


Диапазоны принимаемых волн

Чувствительность

Избирательность по соседнему каналу

Ослабление зеркального канала

Напряжение питания

Урал-301

ДВ,СВ,КВ-1 - 11,6..12,1МГц; КВ-2 - 9,4..9,9МГц; КВ-3 - 7,5..7,95МГц; УКВ;

ДВ - 1,5 мВ/м; СВ - 0,8 мВ/м; КВ - 150 мкВ; УКВ - 20 мкВ;

ДВ,СВ - не менее 30 дБ;

ДВ - 30 дБ; СВ - 26 дБ; КВ - 12 дБ; УКВ - 30 дБ;

9 В;

Урал-302






Орион-301

ДВ,СВ,КВ-1 - 11,6..12,1МГц; КВ-2 - 9,4..9,9МГц; КВ-3 - 7,5..7,95МГц; УКВ;

ДВ - 1,5 мВ/м; СВ - 0,8 мВ/м; КВ - 150 мкВ; УКВ - 20 мкВ;

ДВ,СВ - не менее 26 дБ;

ДВ - 36 дБ; СВ - 30 дБ; КВ - 14 дБ; УКВ - 30 дБ;

9 В;

Меридиан-201

ДВ,СВ,КВ-1 - 11,7..12,1МГц; КВ-2 - 9,5..9,8МГц; КВ-3 - 7,0..7,3МГц; КВ-4 - 5,8..6,2МГц; КВ-5 - 3,95..5,8МГц; УКВ;

ДВ - 1,0 мВ/м; СВ - 0,5 мВ/м; КВ - 60 мкВ; УКВ - 15 мкВ;

ДВ,СВ - не менее 46 дБ;

ДВ - 46 дБ; СВ - 36 дБ; КВ - 16 дБ; УКВ - 26 дБ;

9 В;

Меридиан-202






Украина-201

ДВ,СВ,КВ-1 - 11,7..12,1МГц; КВ-2 - 9,5..9,8МГц; КВ-3 - 7,0..7,3МГц; КВ-4 - 3,95..6,3МГц;

ДВ - 1,0 мВ/м; СВ - 0,5 мВ/м; КВ с магнитной антенной - 250 мкВ; КВ со штыревой и магнитной - 60..100мкВ;

ДВ,СВ - не менее 46 дБ;

ДВ - 46 дБ; СВ - 30 дБ; КВ - 16 дБ;

9 В;


Следует отметить, что освоение и внедрение интегральных микросхем явилось новой элементной базой для создания высокоэкономичных малогабаритных радиоприемников, где воплощаются наиболее перспективные технические решения, определяемые главным направлением развития бытовой радиовещательной аппаратуры. В соответствии с требованиями ГОСТ 5651-82 все радиовещательные приемники (имеющие объем более 0,3 дм3) в зависимости от своих электрических и акустических параметров изготовляются пяти классов: высший (0), 1, 2, 3 и 4. Автомобильные радиоприемники в соответствии с ГОСТ 17692-72 выпускаются I, II и III классов. Все радиоприемники (кроме автомобильных ) имеют фирменное торговое название, к которому добавляется трехзначный цифровой индекс.

Первая цифра обозначает класс приемника, вторая и третья - порядковый номер разработки модели. У стереофонических радиоприемников сокращенное обозначение стерео добавляется после цифрового индекса. Например, Эстония-006-стерео - стереофоническая радиола высшего класса, шестая модель.

2. Выбор промежуточной частоты и структурной схемы приёмника

Промежуточная частота- частота <#"564044.files/image003.gif"> ДВ-диапазона до  УКВ-диапазона. Поэтому диапазон частот, который должен принимать приемник, разбивают на поддиапазоны.

Переход с поддиапазона на поддианазон осуществляется при помощи переключающихся индуктивностей.

Критерием, для того чтобы узнать, необходимо ли разбивать диапазон приемника на поддиапазоны, служит коэффициент диапазона , рассчитываемый по формуле:


где fmax=30 Мгц, fmin=120 Мгц

Разделение общего диапазона частот РПУ на поддиапазоны необходимо в том случае, когда коэффициент диапазона , превышает значение коэффициента перекрытия, соответствующего классу проектируемого радиоприёмного устройства.

Коэффициент перекрытия поддиапазона РПУ III класса на диапазоне частот РПУ 30-300 МГц, Кпдmax= 1,1-1,5.

В радиовещательных РПУ разбивка диапазона осуществляется так, чтобы были одинаковые коэффициенты перекрытия, по формуле:


где Кпдmax= 1,5, Кпд= 4

Радиовещательный приемник будет четырехдиапазонным.

.2 Поверочный расчёт чувствительности приёмника

Чувствительность радиоприёмника, способность радиоприёмника <#"564044.files/image009.gif">,

где  - чувствительность приёмника по мощности, мВт, мкВт;  - чувствительность по напряжению, мВ, мкВ;  - коэффициент шума приёмника;  - постоянная Больцмана; T= 300- абсолютная температура;  - требуемое превышение мощности сигнала над мощностью шумов на выходе РПУ;  - активное сопротивление антенны, кОм;  - полоса пропускания РПУ, кГц.

При предварительном расчете сопротивление антенны 75 Ом, а требуемое превышение сигнала над помехой зависит от назначения РПУ. Для радиовещательного приёмника (ЧМ-сигналы) требуемое превышение мощности сигнала над мощностью шумов на выходе РПУ равно .

Коэффициент шума будет равен:


где

.3 Выбор промежуточной частоты приёмника

Предварительный выбор промежуточной частоты fпр необходим для того, чтобы выполнить требования к подавлению зеркальной помехи, что в свою очередь связано с определением количества контуров входной цепи и УРЧ.

Для большинства простых радиовещательных приёмников преселектор состоит из одноконтурной входной цепи. Профессиональные и радиовещательные приёмники высокого класса имеют в составе преселектора чаще всего два контура, входящих в состав входной цепи либо одноконтурной цепи и входной нагрузки УРЧ (рис. 1). Где К - колебательный контур, Э - усилительный элемент.

гетеродин приёмник поддиапазон линейный тракт

Рис.3. Преселектор РПУ

Увеличение количества контуров преселектора приводит к усилению подавления зеркальной помехи, однако такой путь существенно усложняет аппаратную реализацию. Заданное подавление зеркальной помехи  достигается за счёт применения двойного преобразования частоты при числе контуров преселектора не более двух.


где n - число контуров в преселекторе, а Qэ - эквивалентная добротность нагруженных контуров в преселекторе.

Промежуточная частота должна иметь стандартное значение, установленное ГОСТом, поскольку на таких частотах мощные радиостанции не работают.

Руководствуясь унификацией радиоэлектронной аппаратуры, выберем промежуточную частоту из принятого стандартного ряда номинальных значений промежуточных частот: 80, 100, 115, 215, 465, 500, 750, 900 кГц, 4, 5, 30, 60 и 10,7 МГц. Также учтём, что  не должна находиться в диапазоне принимаемых частот.

Выберем fпр=10,7 МГц. Проверим выбранную промежуточную частоту на обеспечение избирательности по зеркальному каналу σзк.


Так как σзк(2) больше заданной σзк, то выбираем схему с 2 контурами Антенна-Входная цепь-УРЧ.


При проектировании структурной схемы принимаются схемные, конструктивные и технические решения, преследующие следующую цель: построение приемника, наиболее удовлетворяющего требованиям технического задания. Также радиовещательные приемники должны быть дешевыми, иметь несложную схему и простое управление, поскольку они рассчитаны на массовое производство и служат для индивидуального пользования.

Современные радиоприёмные устройства строятся, как правило, по супергетеродинной схеме с одним или двумя преобразователями частоты. Двойное преобразование частоты, характерно для профессиональных радиоприемных устройств, позволяет за счет высокой первой промежуточной частоты существенно увеличить подавление зеркальной помехи, а за счёт низкой второй промежуточной частоты получить хорошую избирательность по соседнему каналу.

Структурная схема получаемого радиоприёмного устройства изображена на рис. 4.

Рис. 4. Структурная схема приёмника

где ВЦ - входная цепь, УРЧ - усилитель радиочастоты, С - смеситель, Г - гетеродин, Ф- фильтр, УПЧ - усилитель промежуточной частоты, Д - детектор, ОУ - оконечное устройство.

.5 Расчет общего коэффициента усиления линейного тракта и разбивка его по каскадам

В современных транзисторных приёмниках ЧМ-сигналов, как правило, используется диодный детектор. Для качественного детектирования на входе детектора должно быть напряжение Uвх=0,5. Отсюда требуемый общий коэффициент усиления линейного тракта радиоприёмника (от антенны до детектора) при заданной чувствительности в виде ЭДС  рассчитывается по формуле:


где hд=0,2- действующая высота приёмной антенны.

Распределим общий коэффициент Кобщ по каскадам РПУ следующим образом: входная цепь Квц =3, резонансный УВЧ Курч=3, фильтр Кф=0,9, смеситель Ксм=3, одноконтурный УПЧ Купч=50, Купч=50, Купч=50.

3. Расчёт входной цепи

Входной цепью называют часть схемы приемника, связывающую антенно-фидерную систему с входом первого каскада приемника. Первым каскадом может быть усилитель радиочастоты или смеситель. Основным назначением входных цепей является передача полезного сигнала от антенны к входу первого активного элемента и предварительное выделение принимаемого полезного сигнала из всей совокупности сигналов, индуцируемых в антенной цепи.

Рис. 5. Входная цепь

Выбираем конденсаторы C1, C2, C3 для первого поддиапазона частот

-52,5 МГц.

С1=5-30пФ, С2=1-3пФ, С3=22пФ

Скmin=6 пФ, Cкmax=33пФ

Определим собственную проводимость контура

,

где Qк=200 - конструктивная добротность.

Определяем коэффициенты включения m2 и m1 исходя из заданной эквивалентной добротности, где Ra - сопротивление антенны:

m2=0.17 Rа=75Ом R11= 10 Ом


Проверим:


Рассчитаем резонансный коэффициент усиления:


4. Выбор смесителя и гетеродина

.1 Смеситель

При современной тяжелой помеховой обстановке в эфире важен большой динамический диапазон смесителя, позволяющий в значительной мере избавиться от перекрестных, интермодуляционных и тому подобных помех от мощных внеполосных сигналов, которые практически не ослабляются каскадами, установленными перед фильтром основной селекции. Если в УРЧ еще можно принять ряд мер, увеличивающих его линейность, то смесители чаще всего выполняются на нелинейных элементах (диодах, транзисторах), которые по самому принципу работы многих смесителей, преобразующих частоту, должны быть нелинейными. По этой причине динамический диапазон смесителя обычно хуже, чем УРЧ.

Рис. 6. Смеситель

Выберем смеситель на полевом транзисторе в режиме управляемого сопротивления. Сигнал с входного контура подаётся на исток транзистора, а сигнал несущей частоты снимается с истока. Источника питания не требуется. Напряжение гетеродина подается на затвор транзистора и управляет сопротивлением канала.

Известно, что при небольших напряжениях промежуток исток-сток полевого транзистора ведет себя как линейный резистор, независимо от полярности приложенного напряжения. В то же время сопротивление канала может изменяться от десятков Ом до многих мегом в зависимости от напряжения затвор-исток. Это позволяет использовать полевой транзистор в смесителях как управляемый линейный элемент.

К основным достоинствам такого смесителя относится высокая чувствительность, поскольку по каналу транзистора не проходит ни ток питания, ни ток гетеродина, а только слабый ток сигнала, при этом транзистор шумит не многим сильнее обычного резистора с тем же сопротивлением. Характерна и высокая линейность, так как проводимость канала не зависит от небольшого входного напряжения.

Кроме того, смеситель отличается малым проникновением сигнала гетеродина во входную цепь и исключительно малой мощностью, требуемой от гетеродина, поскольку входное сопротивление по цепи затвора велико.

Подобный простейший смеситель обеспечивает чувствительность около 1мкВ (без УРЧ) и динамический диапазон порядка 65дБ. Что вполне соответствует нашим требованиям.

.2 Гетеродин

Гетеродин маломощный ламповый или полупроводниковый генератор электрических колебаний, применяемый для преобразования частот в супергетеродинном радиоприёмнике <#"564044.files/image040.gif">

Рис. 7. Гетеродин

В качестве гетеродина подойдет схема на транзисторе с ОЭ. Отвод катушки заземлен по высокой частоте через выходное сопротивление источника питания. Через конденсатор Сб переменное напряжение подается на базу транзистора. Это напряжение по отношению к коллекторному имеет фазовый сдвиг на 180°, что обеспечивает положительную обратную связь. Амплитуда напряжения обратной связи устанавливается соответствующим выбором положения отвода на катушке L. Ток коллектора транзистора определяется сопротивлениями резисторов Rб и Rэ.

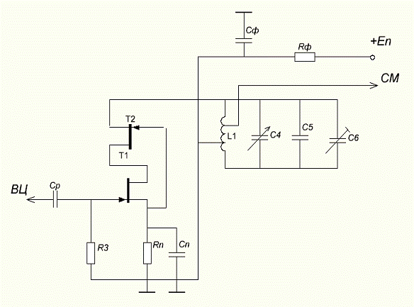
5. Расчёт усилителя высокой частоты

В современных радиоприёмниках с высокой реальной чувствительностью, как правило, используется один каскад усилителя радиочастоты (УРЧ). Для обеспечения высокой шумовой чувствительности достаточно иметь коэффициент усиления каскада .

Транзисторы в УРЧ применяются как биполярные, так и полевые и выбираются по частотным свойствам. Важно, чтобы граничная частота () транзистора была гораздо выше рабочей частоты (). В частности, при  параметры транзистора практически не зависят от частоты.

Рис. 8. Усилитель радиочастоты

Рассчитаем усилитель радиочастоты по схеме указанной на рисунке 8. Выберем транзистор КТ302Г (кремневый биполярный транзистор с n-каналом, предназначенный для усиления и генерирования колебаний на частотах до 1 ГГц). Расчет усилителя сводится к определению коэффициентов включения, элементов связи транзистора с контуром и резонансного коэффициента усиления.

Основные характеристики транзистора КТ302Г:

Максимально допустимое напряжение затвор-сток Uзсmax=20В Uкбо =15В

Максимально допустимое напряжение сток-исток Uсиmax =20В

Максимально допустимый постоянный ток стока Iсmax=43mA

. Зададим ток коллектора Ic=15мА, а напряжение питания Еп=9В.

. Номиналы С4, С5, С6 возьмем такие же, как С1, С2, С3 соответственно.

. Рассчитаем Rп:

,

типовое значение Rn=62 Ома.

. R3 возьмем равным 5 МОм (типовое значение).

. Рассчитаем Rф:

,

ф=180 Ом

. Рассчитаем Ср, Сф, Сп:

 ,

где fmin=30 МГц, Rвх=50КОм. Ср=2,2пФ


СФ=56пФ

,

Сп=18нФ

. Определим Скmax и Скmin:

,

где См=5пФ.

. Найдем

,

где fmax=120 МГц.


. Рассчитаем коэффициенты включения в контур транзистора УРЧ m1 и следующего транзистора m2:


где Qэ=85, Qк=200, R22=50 КОм, R11=75 КОм.

. Определим коэффициенты Кmin и Кmax:

,

где S=10.

. Определим Кд:


. Рассчитаем индуктивность L1:


. Коэффициент устойчивости находится по формуле:

,

где С12=0,005пФ, Ку=0,8.

. Выбор фильтра

Выберем кварцевый фильтр исходя из технического задания. Кварцевый фильтр ФП1П-049а своими характеристиками полностью подходит для решения поставленной задачи.

Основные параметры кварцевого фильтра ФП1П-049а:

Средняя частота полосы пропускания, МГц: 10,7

Полоса пропускания по уровню 6дБ,кГц: 100-150

Затухание за полосой пропускания дБ: 60

Вносимое затухание в полосе пропускания дБ: 10

Входное сопротивление кОм: 0,33

Выходное сопротивление кОм: 0,33

7. Расчёт усилителя промежуточной частоты

В транзисторных приёмниках УКВ диапазона преобразователь частоты выполняется, как правило, по схеме с общим гетеродином, что позволяет получить более высокие качественные показатели приёмника и создать оптимальные условия работы для транзисторов гетеродина и смесителя. В нагрузке преобразователя частоты включается резонансная система, настроенная на промежуточную частоту.

Рис. 9. Усилитель ПЧ

Рассчитаем усилитель промежуточной частоты по схеме указанной на рисунке 9. В качестве усилительного элемента выберем транзистор КТ382Б с характеристиками:

Максимально допустимое напряжение коллектор-база Uкбо =15В

Максимально допустимое напряжение коллектор-эмиттер Uкэо = 10В

Максимально допустимый постоянный ток коллектора Iкmax = 20мА

Статический коэффициент передачи тока биполярного транзистора в схеме с общим эмиттером h21э = 40-330

Зададим ток коллектора 13 мА, а напряжение питания 12В.

. Определи ток базы транзистора:


где h21э=200

. Определи ток делителя напряжения:


. Рассчитаем резисторы R6,R7,R8:

,

R8=390 Ом (ряд Е24)

,

где Uбэ=0.6; R7=12 КОм.

,

R6=75 КОм (типовое значение).

. Рассчитаем емкость эмиттера:

,

Сэ=62 пФ.

. Входное сопротивление транзистора: Ом Ом


. Сопротивление нагрузки для текущего каскада:


Данное сопротивление справедливо для первых двух каскадов УПЧ, сопротивление нагрузки для последнего каскада будет порядка 10 КОм.

. Рассчитаем коэффициент усиления УПЧ:


8. Выбор детектора

В зависимости от принципа работы различают частотно-амплитудные, частотно-фазовые и частотно-импульсные детекторы. В частотно-амплитудных детекторах изменение частоты сигнала преобразуется в изменение амплитуды с последующим амплитудным детектированием. В частотно-фазовых детекторах изменение частоты преобразуется в изменение фазового сдвига между двумя напряжениями с дальнейшим фазовым детектированием. В частотно-импульсных детекторах ЧМ колебание преобразуется в последовательность импульсов, частота следования которых пропорциональна отклонению частоты входного сигнала от среднего значения. Напряжение на выходе, пропорциональное числу импульсов в единицу времени, можно сформировать при помощи счетчика импульсов. Такие детекторы называют импульсно-счетными.

В данном радиоприёмнике необходимо использовать частотный детектор, так как сигнал, который он демодулирует является частотно модулированным.

В современных радиоприёмных устройствах наибольшее распространение получили частотные детекторы на полупроводниковых диодах. На рисунке 8 изображена схема детектора отношений.

Рис. 10. Детектор отношений

Выходные напряжения амплитудных детекторов вычитаются при формировании выходного напряжения частотного детектора. В результате получается достаточно протяженный и линейный участок детекторной характеристики с высокой крутизной .

Детектор отношений с симметричным заземлением нагрузки (резисторы R5 и R6) относительно диодов VD1, VD2 .Напряжения Uвх1 и Uвх2 на каждом из диодов детектора представляют собой сумму половины напряжения U2 на контуре L3C3 и напряжения U1 на дополнительной катушке индуктивности L2, которая индуктивно связана с катушкой L1. Соответствующим подбором числа витков катушки L2 и связи между контурами L1C1 и L3C3 можно добиться практически полного подавления паразитной амплитудной модуляции, что позволяет использовать дробные детекторы без предварительного ограничителя амплитуды входного сигнала. Платой за это является некоторый рост нелинейных искажений по сравнению с детекторами, выполненными по схеме дискриминатора. Параллельно нагрузке включен конденсатор C7 емкостью около 50 мкФ. Емкость этого конденсатора и сопротивление нагрузки выбирают из такого расчета, чтобы постоянная времени τ=CR была значительно больше периода самой низкой звуковой частоты.

Напряжение звуковой частоты снимается с точки соединения конденсаторов C4 и C5 и поступает на фильтр верхних частот на резисторе R4 и конденсаторе C8.

Заключение

В данной квалификационной работе был рассчитан линейный тракт радиовещательного приёмника супергетеродинного типа. Данный радиоприёмник четырехдиапазонный, с преобразованием частоты. Параметры рассчитанной части РПУ удовлетворяет требованиям, изложенным в техническом задании.

Список литературы

1.   Аржанов В.А. Устройства приёма и обработки сигналов: Учеб.-метод. пособие.- Омск: Изд-во ОмГТУ, 2000. - 68 с.

2.       Аржанов В.А. Проектирование радиоприёмных устройств: учеб. пособие В.А. Аржанов, А.П. Науменко. - Омск: Изд-во ОмГТУ, 2008. - 312 с.

.        Аржанов В.А. Нелинейные эффекты в линейном тракте радиоприёмного устройства: Учеб. пособие. - Омск: Изд-во ОмГТУ, 1998. - 104 с.

4.   Аржанов В.А. Резонансные усилители: Учеб. пособие. - Омск: Изд-во ОмГТУ, 2004. - 128 с.

5.       Аржанов В.А., Науменко А.П. Проектирование устройств приема радиосигналов: Учеб. пособие. - Омск: Изд-во ОмГТУ, 1994. - 136 с.

.        Курсовое и дипломное проектирование. Метод. указания / Сост.: В.А. Аржанов, Ю.М. Вещкурцев, И.В. Никонов, М.Г. Семенов.- Омск: - Изд-во ОмГТУ, 1997. - 44 с.

.        Горшелев В.Д. и др. Основы проектирования радиоприёмников. -Л., «Энергия», 1977. - 384 с. с ил.

.        Богданович Б.М., Окулич Н.И., Радиоприемные устройства: Учеб. пособие для вузов. Под общ. ред. Б.М. Богдановича. - Мн.: Выш. шк., 1991. - 418 с.: ил.


Не нашли материал для своей работы?
Поможем написать уникальную работу
Без плагиата!
Без нейросетей!