|
Тип
|
Средняя частота
полосы пропускания, КГц
|
Селективность
при расстройке ± 9 кГц, дБ,
не менее
|
Затухание в
полосе пропускания, дБ, не более
|
|
ПФ1П - 022
|
465
|
26
|
9,5
|
|
ПФ1П - 1М
|
465
|
40
|
8
|
По ТЗ избирательность по соседнему каналу (КВ диапазона) sСК=60 дБ, а выбранное мной
значение sСК=66 дБ что удовлетворяет нашему условию.
Для УКВ2 диапазона выбираем ФСС типа ПФ1П - 049а.
Расчёт требуемого усиления линейного тракта. Распределение
усиления по каскадам.
Найдем коэффициент усиления линейного тракта приёмника (до
детектора):
КЛТ =
где UВХ. Д - напряжение сигнала на входе детектора;
КЗ - коэффициент запаса;
ЕА - чувствительность приёмника, указанная в ТЗ.
Для АМ тракта:
КЛТ =
=26520
Полученное значение коэффициента усиления КЛТ
распределим по каскадам
КЛТ = КВЦ КУРЧ КПЧ КУПЧ
ФСС
где КВЦ, КУРЧ, КПЧ, КУПЧ
- коэффициенты усиления входной цепи, усилителя радиочастоты, преобразователя и
усилителя промежуточной частоты.
При предварительном расчёте можно задаться следующими
коэффициентами передачи каскадов:
входная цепь 2 ¸
5,резонансный УРЧ в диапазоне КВ 7 ¸ 15,преобразователь частоты 10 ¸ 20,одноконтурный резонансный УПЧ (один каскад) 30 ¸ 50
ФСС 0,2 ¸ 0,3
КЛТ =
=37500
Окончательный расчёт выполняют после выбора электронных приборов.
Проверка осуществимости АРУ
Целью расчета является определение необходимого числа регулируемых
каскадов в проектируемом приемнике.
Число регулируемых каскадов NАРУ
зависит от требуемого изменения коэффициента усиления приемника под действием
АРУ ЛТ, которое определяется выражением
ЛТ =
где a - диапазон
изменения входного сигнала;
b - диапазон изменения выходного
напряжения.
ЛТ =
= 7,667
Число регулируемых каскадов определяется выражением
где Л1 - изменение усиления на один регулируемый каскад
Л1 » 10.
Полученное число каскадов округляют в большую сторону т.е.
NАРУ=
= 0,885 округляем до 1.
Проектирование
принципиальной электрической схемы
Выбор электронных приборов
При использовании интегральных микросхем рассчитываются
только преселектор и контур гетеродина, а также выполняется расчет сопряжения
настроек контуров преселектора и гетеродина. Элементы принципиальной схемы, которые
не рассчитываются, выбираются на основе анализа принципа работы схемы и по
справочным данным, по разработанным ранее промышленным приемникам или по
рекомендуемым для выбранной интегральной схемы типовым схемам включения.
Для УНЧ выбирается микросхема по таким параметрам, как
выходная мощность и полоса воспроизводимых частот, которые должны
соответствовать данным ТЗ.
Расчёт входной цепи
Рассчитываемый приемник, по техническому заданию, является
приемником 1-й группы сложности, поэтому связь входного контура с антенной
выбираем трансформаторной.
Плавная перестройка контура в заданном диапазоне частот может
осуществляться механически (конденсатором переменной емкости), при механическом
способе перестройки используются конденсаторы переменной емкости (КПЕ) с
воздушным или пленочным диэлектриком.
Выбираем значения СМИН и СМАКС
переменных конденсаторов, так как для АМ тракта заданный диапазон частот
3,95 - 12,1 МГц:
Емкость переменного конденсатора: СМИН=7 пФ; СМАКС=250
пФ
Ёмкость подстроечного конденсатора: СпМИН=2 пФ; СпМАКС=10
пФ
По выбранным СМИН, СМАКС выбираем тип
переменного конденсатора
КПЕ - 5….5/240,а также тип подстроечного конденсатора КПК - 7
2/15
Теперь выбираем значения СМИН и СМАКС
переменных конденсаторов, для ЧМ тракта в диапазоне частот 100 - 108
МГц:
Емкость переменного конденсатора: СМИН=7 пФ; СМАКС=15
пФ
Ёмкость подстроечного конденсатора: СпМИН=1 пФ; СпМАКС=3
пФ
По выбранным СМИН, СМАКС выбираем тип
переменного конденсатора
КПЕ. - .2….3/150
а также тип подстроечного конденсатора КПК - 7 1/10
Найдем максимальную допустимую неперестраиваемую ёмкость
схемы ВЦ СНП для АМ тракта:
=19,5∙пФ
где kПД - требуемый коэффициент перекрытия поддиапазона с учётом
запаса

Требуемая ёмкость подстроечного конденсатора
СП = СНП - СL - СМ - n2 СВХ
n принимаем равным 0,2
СВХ=С11 - С12 К0=6∙10-12
- (7∙10-12) ∙5= - 29 пФ
К0 - коэффициент усиления напряжения первого каскада
УРЧ примем равным 5.
Так как в схеме используется биполярный транзистор типа KT315A
С11 согласно таблице примем равным 6 пФ
С12 согласно таблице примем равным 7 пФ
Согласно техническому заданию приемник будет работать в диапазоне
КВ поэтому:
СL - емкость катушки индуктивности примем равной 4 пФ
СМ - емкость монтажа примем равной 7 пФ
СП =1,95∙10-11 - 4∙10-12 - 7∙10-12
- 0,22∙ (-2,9∙10-11) =9,7∙пФ
Так как емкость подстроечного конденсатора положительная,
производим сравнение с величиной СL + СМ + n2 СВХ
∙10-12 + 7∙10-12 + 0,22
+ (-2,9∙10-11) =9,8 пФ
из расчета видно что емкость СП сравнима с этой
величиной (т.е. имеет тот же порядок) следовательно можно считать, что
выбранный переменный конденсатор обеспечивает заданное перекрытие.
Требуемая индуктивность контура определяется выражением:

мкГн
где fМАКС - МГц; С - пФ; L - мкГн.
Теперь найдем максимальную допустимую неперестраиваемую ёмкость
схемы ВЦ СНП для ЧМ тракта:

=23,58∙пФ
Найдем ёмкость подстроечного конденсатора
СП = СНП - СL - СМ - n2 СВХ
n принимаем равным 0,2
СВХ=С11 - С12 К0=3,5∙10-12
- (0,7∙10-12) ∙3= 1,4∙пФ
К0 - коэффициент усиления напряжения первого каскада
УРЧ примем равным 3.
Так как в схеме используется полевой транзистор типа КП301А
С11 согласно таблице примем равным 3,5 пФ
С12 согласно таблице примем равным 0,7 пФ
Согласно техническому заданию приемник будет работать в диапазоне
УКВ поэтому:
СL - емкость катушки индуктивности примем равной 4 пФ
СМ - емкость монтажа примем равной 6 пФ
СП =2,376∙10-11 - 4∙10-12 - 6∙10-12
- 0,22∙7∙10-13=13,5∙пФ
Так как емкость подстроечного конденсатора положительная,
производим сравнение с величиной
СL +
СМ + n2 СВХ, 4∙10-12 + 6∙10-12
+ (0,22∙1,4∙10-12) =10,06∙пФ
из расчета видно что емкость СП сравнима с этой
величиной (т.е. имеет тот же порядок) следовательно можно считать, что
выбранный переменный конденсатор обеспечивает заданное перекрытие.
Требуемая индуктивность контура определяется выражением:

мкГн
Дальнейший расчёт производится с учётом вида связи контура с
антенной.
Трансформаторная связь с антенной
Могут быть выбраны два режима работы:
Первый - режим удлинения при f0A < fМИН, соответствующий понижению собственной частоты антенной
цепи.
Второй - режим укорочения при f0A > fМАКС, соответствующий повышению собственной частоты антенной
цепи.
Выбираем режим удлинения так как он обеспечивает большую
равномерность коэффициента передачи напряжения по поддиапазону.
Коэффициент удлинения АМ тракта равен:
отсюда выразим
где fОА - резонансная частота антенной цепи.
Найдем резонансную частоту антенной цепи f0A=1,975
МГц
Значение g примем равным
2, При малых значениях g увеличивается
коэффициент передачи напряжения входной цепи и его непостоянство при настройке
на разные частоты поддиапазона (неравномерность).
Значение индуктивности катушки связи LСВ рассчитаем
из условия обеспечения резонанса антенной цепи на частоте f0А
где qC, qL - коэффициенты разброса параметров антенн
Возьмем qC = qL и равным 2
СА определяется в зависимости от диапазона частот СА=70
пФ
LA в диапазоне КВ равна 0
мГн
Найдем минимальное значение оптимального коэффициента связи,
соответствующего режиму согласования:
kСВМИН =
для расчета этой формулы потребуется найти следующие величины:

СВ = 2pfМИН LСВ dСВ, примем
dСВ = 0,02; qR = 1,5; rA=80;
Эквивалентная добротность контура ВЦ при частоте настройки
входного контура f0 = 12.1∙МГцследовательно расчет значения оптимального
коэффициента связи, в данном случае, будет производиться на этой частоте (т.к.
в дальнейшем расчет резонансного коэффициента передачи будет производиться для
трех частот). m - коэффициент включения, примем равным
0,3; тогда
QЭ = 2pf0 LЭ GЭ= 2∙3,14∙12,1∙106∙3,456∙10-11∙3,806∙104
= 100,541
Где
См

мкГн
LЭ -
индуктивность контуров преселектора на максимальной частоте поддиапазона. где С
- пФ; f - МГц; L - мкГн;
СэМИН = СМИН + СL+ CМ + СПСР + n2 СВХ -
минимальная эквивалентная ёмкость переменного конденсатора
СэМИН =7∙10-12+4∙10-12+5∙10-12+7∙10-12+0,22∙
(-2,9∙10-11) =21,84 пФ
где коэффициент включения нагрузки n = 0,2
СпСР = (СпМИН + СпМАКС) /2 -
среднее значение емкости подстроечного конденсатора.
СпСР = (2∙10-12 + 8∙10-12)
/2=5 пФ
Найдем резонансный коэффициент передачи напряжения для трёх частот
поддиапазона: fн=3,95 МГц; fc=8,025
МГц; fв=12,1 МГц.
В режиме удлинения будем использовать формулу:

Далее найдем резонансный коэффициент передачи при частоте
настройки входного контура fc=8,025 МГц.
Для его расчета понадобиться еще раз найти минимальное значение оптимального
коэффициента связи, на данной частоте.
kСВМИН =
где Qэ = 100,359
тогда
При fн=3,95 МГц резонансный коэффициент передачи будет
равен
при Qэ = 100,177;
и минимальном значении оптимального коэффициента связи
kСВ МИН =
Теперь произведем расчет для ЧМ тракта:
Найдем коэффициент удлинения:
отсюда выразим
Найдем резонансную частоту антенной цепи f0A=50 МГц
Значение g примем равным
2
Значение индуктивности катушки связи LСВ
рассчитаем из условия обеспечения резонанса антенной цепи на частоте f0А где qC = qL возьмем равным 2
,
мкГн
Найдем минимальное значение оптимального коэффициента связи:
kСВ МИН =
для расчета этой формулы нужно найти:

rСВ = 2pfМИН LСВ dСВ, примем dСВ = 0,02; qR = 1,5; rA=80;
Далее найдем эквивалентную добротность контура ВЦ при частоте
настройки входного контура f0 = 100∙МГц коэффициент включения m - примем равным 3
QЭ = 2pf0 LЭ GЭ= 2∙3,14∙100∙106∙8,676∙10-13∙1,834∙105
= 100,063
Где
См

мкГн
СэМИН = СМИН + СL+ CМ + СПСР + n2 СВХ -
минимальная эквивалентная ёмкость переменного конденсатора:
СэМИН =7∙10-12+4∙10-12+5+6∙10-12+0,22∙
(1,4∙10-12) =19,56∙пФ
где коэффициент включения нагрузки n = 0,2
СпСР = (СпМИН + СпМАКС) /2 -
среднее значение емкости подстроечного конденсатора.
СпСР = (1 + 4) /2=2,5∙пФ
Найдем резонансный коэффициент передачи напряжения для трёх частот
поддиапазона: fн=100 МГц; fc=104
МГц; fв=108 МГц.
В режиме удлинения будем использовать формулу:
Найдем минимальное значение оптимального коэффициента связи:

Далее по техническому заданию требуется найти резонансный
коэффициент передачи напряжения ещё для двух частот:
QЭ = 2pf0 LЭ GЭ= 2∙3,14∙104∙106∙0,111∙1,381
= 100,065
Где
См
СэМИН = СМИН + СL+ CМ + СПСР + n2 СВХ -
минимальная эквивалентная ёмкость переменного конденсатора:
СэМИН =7∙10-12+4∙10-12+2,5∙10-12+6∙10-12+0,22∙
(1,4∙10-12) =19,56 пФ
где коэффициент включения нагрузки n = 0,2
СпСР = (СпМИН + СпМАКС) /2 -
среднее значение емкости подстроечного конденсатора. СпСР
= (1 + 4) /2=2,5 пФ
Для нахождения резонансного коэффициента передачи (на данной частоте)
будем использовать формулу:
Найдем минимальное значение оптимального коэффициента связи:
kСВ МИН =

при частоте настройки входного контура f0 = 108∙МГц
QЭ = 2pf0 LЭ GЭ= 2∙3,14∙108∙106∙0,111∙1,33
= 100,068
Где
См
Определим резонансный коэффициент передачи (на данной частоте)
используя формулу:

]
Расчёт сопряжения контуров входной цепи и гетеродина
Расчёт сопряжения контуров преселектора и гетеродина выполняется
чаще всего на трёх частотах. Вычисляют отношение
n=fПР/fСР,
где fПР - промежуточная частота, для АМ - тракта 465 кГц; для ЧМ -
тракта 10,7 МГц.
-
средняя частота сигнала;
fС MAX, fC MIN - максимальная и минимальная частоты сигнала соответственно.
По графику, (рис.2), определим ёмкость конденсатора С2,
включённого последовательно в контур гетеродина, а по графику, на рис.3,
определим ёмкость конденсатора С3, включённого параллельно в контур
гетеродина.
Рис.2
Рис.3
Для АМ - тракта значение С1 возьмем меняющимся в
пределах от 7 до 250 пФ
далее по графикам найдем С2 и С3.
С2 - примем равным 1930 пФ, а С3=1,3 пФ
Определим среднюю частоту поддиапазона
МГц
Далее по графику, на рис.4, определим коэффициент α;
α=0,881
получим 
мкГн
Рис.4
Теперь определим значение индуктивности контура.
Так как мы знаем параметры контуров входной цепи и гетеродина,
можно вычислить их резонансные частоты в нескольких точках и построить кривую
сопряжения настроек ВЦ и гетеродина.


Построим график сопряжения настроек ВЦ и гетеродина.
Из графика видно что выбранные конденсаторы обеспечивают заданную
перестройку по частоте.
Для ЧМ - тракта значение С1 возьмем меняющимся в
пределах от 7 до 15 пФ
тогда С2=1950 пФ; а С3=4,1 пФα=0,7 Средняя частота поддиапазона равна
МГц,
получим

мкГн

,
Также построим график сопряжения настроек ВЦ и гетеродина.
Из графика видно что выбранные конденсаторы обеспечивают заданную
перестройку по частоте.
Принцип работы
В верхнем положении переключателя S1 работает ЧМ тракт, принятый антенной сигнал через катушку связи L1 поступает на входной резонансный контур образованный
элементами L2, C1; перестройка контура производиться при помощи конденсатора С1.
Далее сигнал поступает на УРЧ находящийся внутри микросхемы К174ХА15,
работающую на колебательный контур L7, С8.
Через связанный контур L3, С2 с
контуром L7, С8 сигнал поступает на вход смесителя.
Частота гетеродина задается элементами L4, С5, С6, С7 Полученная промежуточная частота 10,7 МГц,
выделяется контуром L5, С9. Через катушку связи L6 сигнал ПЧ поступает на пьезофильтр и далее на тракт
обработки ПЧ. Также с контура L5, С9 берется
сигнал на систему АРУ. Тракт ПЧ построен на микросхеме К174ХА6 представляющий
собой активные полосовые фильтры и также квадратурный детектор, а также
детектор уровня входного сигнала, после детектирования через ФНЧ R7, С21 сигнал поступает на УНЧ.
В нижнем положении переключателя S1 работает АМ тракт принятый сигнал с антенны через катушку связи L9 поступает на резонансный контур L10, C26 настроенный на частоту принимаемого
сигнала. Далее сигнал поступает на апереодический УРЧ затем на смеситель куда
также подается частота гетеродина. Частота настройки гетеродина определяется
контуром L11, С24, С25, С27. Перестройка гетеродина
осуществляется переменным конденсатором С25. Полученный сигнал ПЧ выделяется контуром
L15, С33 и подается на ФСС Z2, далее на микросхему К174УР10 которая компенсирует потери
в пьезофильтре. Далее через ФСС Z3 сигнал
поступает на УПЧ и затем на тракт обработки ПЧ который собран на микросхеме
К237ХА2 представляющей собой АМ детектор с системой АРУ продетектированный
сигнал поступает на УНЧ.
Список
литературы
1. Проектирование
радиоприемных устройств. Под ред. А.Н. Сиверса. М.: Сов. Радио, 1976.485 с. ил.
2. Справочник
"Диоды, тиристоры, транзисторы и микросхемы широкого применения". Воронеж:
Изд-во Воронеж, 1994
. Методические
указания по курсовому проектированию радиоприёмных устройств аналоговых
сигналов. Таганрог: Изд-во ТРТУ, 2002.64с.
. 4.
Аналоговые интегральные схемы. Под ред. А.Л. Булычева, В.И. Галкина, В.А.
Прохоренко.: Минск "Беларусь" 1994
Приложение
Конденсатро К10 - 17а
Технические данные:
Пределы номинальных емкостей, пФ………3300 - 8200
Группа по температурной стабильности……М47
Номинальное напряжение, В………………..50
Резистор МЛТ-0,25
Технические данные:
Номинальная мощность ……….0.125 Вт
Температурный диапазон - …….55 - +125С
Рабочее напряжение ……………220В
Подстроечный конденсатор СТС - 0,38RA
Технические данные:
Емкость, пФ………………………..1,4 - 6,0
Температурный коэффициент………N350
Светодиод АЛ307В
Технические данные:
Длина волны света …………………….552…572 нм
Ток прямой …………………………. ….10 мА
Максимальное прямое напряжение……2.5 В
Диод КД522
Технические данные:
Максимальный прямой ток …………. ….100 мА
Максимальное обратное напряжение……30 В
Температура окружающей среды ………. - 50…+85С
Электролитический конденсатор
Технические данные:
Температурный диапазон ……. - 40°С + 85°С
Емкость, мкФ…………………. 2000 - 5000
Максимальное рабочее напряжение, В……16
Микросхемы
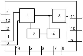
Микросхема К174ХА15 Функциональный состав и
назначене выводов.
Предельные эксплуатационные параметры
Uи. п, В…………9±0,9
Iпот, мА………. ≤30
Ку. U, дБ………. ≥22
Кш, дБ…………≤10
Функциональный состав: I - усилитель ВЧ, II - смеситель, III - фильтр НЧ, IV - усилитель АРУ, V - буферный усилитель, VI - гетеродин, VII - стабилизатор напряжения.
Назначение выводов: 1, 16 - выводы гетеродина, 2 - вход
стабилизатора напряжения, питание (+Uп), 3 - вход смесителя, 4 - вход 2 смесителя, 5,
12 - общий, питание (-Uп), 6 - вход усилителя АРУ, 7 - вывод усилителя АРУ, 8 -
выход УВЧ, 9, 10 - вывод УВЧ, 11 - выход усилителя АРУ, 13,14 - выходы сигнала
промежуточной частоты, 15 - питание (+Uп).
Микросхема К174ХА6 Функциональный состав и
назначене выводов.
Предельные эксплуатационные параметры
Uи. п, В…………12±1,2
Iпот, мА…….…. ≤16
Кг, %………..…1
Uи. п min, В………4,5
Uи. п max, В………18
Uвых. НЧ, мВ…….160
Многофункциональная микросхема. Предназначена для усиления,
ограничения и детектирования ЧМ сигналов промежуточной частоты, бесшумной
настройки на принимаемую станцию, формирования напряжений для индикатора
напряженности поля и АПЧ радиовещательных УКВ ЧМ - приемников первого и высшего
классов.
Назначение выводов:
- корпус; 2 - отключение АПЧ; 3 - фильтр; 4, 6 - фильтры НЧ;
5 - выход АПЧ; 7 - выход НЧ; 8, 11 - выходы ПЧ; 9, 10 - фазосдвигающие контуры;
12 - питание (+Uи. п.); 13 - вход БШН; 14 - выход на индикатор; 15 - выход БШН; 16, 17 -
блокировка; 18 - вход ПЧ.
Описание структурной схемы включения:
- усилитель-ограничитель; 2 - детектор уровня; 3 - частотный
детектор; 4,7 - ключи; 5 - триггер; 6 - стабилизатор; 8 - усилитель.
Микросхема К174ХА2 Функциональный состав и
назначение выводов
Предельные эксплуатационные параметры
Uи. п, В…………9±0,9
Iпот, мА………. ≤16
Кг, %…………10
Uи. п max, В………15
Uвых. НЧ, мВ…….60
Функциональный состав: I - усилитель ВЧ, II - усилитель АРУ, III - гетеродин, IV - смеситель, V - стабилизатор
напряжения, VI - УПЧ, VII - усилитель АРУ.
Назначение выводов: 1 - вход 1 усилителя ВЧ, 2 - вход 2
усилителя ВЧ, 3 - вход усилителя АРУ усилителя ВЧ, 4,5,6 - выводы гетеродина, 7
- выход УПЧ, 8 - общий вывод, питание (-Uп), 9 - вход усилителя
АРУ УПЧ, 10 - выход усилителя индикации, 11, 13 - выводы УПЧ, 12 - вход УПЧ, 14
- вход стабилизатора напряжения, питание (+Uп), 15, 16 - выходы
смесителя.
Микросхема К174УР10 назначение выводов
- питание (+Uи. п); 2,3 - выходы; 5 - вход; 6 - питание (-Uи. п)
Предельные эксплуатационные параметры
Uи. п, В…………12±1,2
Iпот, мА……….15…35
Ку. U, дБ…………21…30
Uвх max, мВ………300
Рmax, мВт………530
Микросхема К237ХА2 Функциональный состав
- усилитель промежуточной частоты; 2 - усилитель постоянного
тока; 3 - амплитудный детектор; 4 - ДАРУ.
Усилитель промежуточной частоты с детектором АРУ,
предназначенный для использования в приемниках АМ сигналов.
Предельные эксплуатационные параметры
Uи. п, В…………4±6,4
Iпот, мА………. ≤4
Uвх, мкВ………12…25
Рпот, мВт………≤25
Кг, %.................. ≤3
Rвх, Ом…………430…1000
Микросхема К174УН7 назначение выводов
Усилитель мощности низкой частоты с номинальной выходной
мощностью 4,5 Вт при нагрузке 4 Ом.1 - питание (+Uи. п); 4 - вывод; 5 -
коррекция; 6 - обратная связь; 7 - фильтр; 8 - вход; 9 - корпус; 10 - эмиттер
выходного транзистора; 12 - выход.
Предельные эксплуатационные параметры
Uи. п, В…………15±1,5
Iпот, мА………. 20
Кг, %.....2
Uвх А max, мВ………2
Рmax, Вт………4,5
S, мВ………….70