|
Назначение приемника
Вид модуляции
Диапазон частот, МГц
Чувствительность, мкВ, не менее
Избирательность по зеркальному каналу, дБ, не менее
Избирательность по соседнему каналу, дБ, не менее
Диапазон воспроизводимых звуковых частот, Гц, не уже
Напряжение источника питания, В
Максимальная рабочая температура, оС
Тип антенны
|
УКВ, ВЧ
ЧМ
88-108
3
44
33
100-11000
10
45
штырь
|
Рассчитать входную цепь, УРЧ и преобразователь частоты. Выбрать,
описать и рассчитать основные элементы для систем автоподстройки частоты (АПЧ).
Предлагаемый для курсового проектирования радиовещательный приёмник
целесообразно выполнять по супергетеродинной схеме с однократным преобразователем
частоты, поскольку такая схема построения приёмника даёт возможность обеспечить
достаточно высокие технические показатели приёмника без лишнего усложнения его схемной
реализации. Возможная структурная схема построения РПУ ЧМ сигналов приведена на
рис.1.
Рис. 1
В схему входят следующие функциональные блоки:
ВЦ - входная цепь, на которую принимаемый сигнал поступает от
внешней или внутренней антенны;
УРЧ - усилитель радиочастоты;
ПЧ - преобразователь частоты, в состав которого входят смеситель
(см) и гетеродин (гет) и в котором происходит преобразование принимаемой частоты
сигнала в постоянную промежуточную частоту;
радиоприемное устройство диапазон контур
УПЧ - усилитель промежуточной частоты, осуществляющий основное
усиление сигнала;
ЧД - частотный детектор, перед которым включается амплитудный
ограничитель (АО);
УЗЧ - усилитель звуковой частоты;
АПЧ - система автоподстройки частоты.
Совокупность функциональных блоков, от антенны включая детектор,
образуя так называемый линейный тракт приемника (ЛТП), и предметом проектирования
является проектирование линейного тракта.
Полоса пропускания всего высокочастотного тракта приёмника Пвч
от антенны до детектора должна быть больше ширины спектра сигнала из-за возможных
отклонений частот и погрешностей сопряжения контуров сигнала и гетеродина, т.е.
Пвч>Пс.
При проектировании радиовещательных приемников надо учесть, что
рабочие частоты радиовещательных станций имеют очень высокую стабильность, и поэтому
отклонения частоты принимаемого сигнала можно не рассматривать и не учитывать.
Наилучшее качество приёма наблюдается при точной настройке приёмника
на принимаемую станцию, а именно при совпадении преобразованной в промежуточную
частоты сигнала с центральной частотой полосы пропускания тракта промежуточной частоты
(ТПЧ). При этом расчёте следует учесть возможные отклонения частоты гетеродина,
т.е. взять 2∆fг.
Таким образом, найдём:
П = Пс+ 2∆fг (1)
В случае в ЧМ сигналов полоса частот Пс, занимаемая спектром
сигнала, равна
Гц (2)
где М - коэффициент частотной модуляции и равен;
(3)
- максимальное отклонение (девиация) частоты;
Fв - верхняя модулирующая частота (100-11000
Гц).
Абсолютную величину отклонения частоты гетеродина ∆fг можно
рассчитать, основываясь на известных данных по его относительной стабильности частоты.
Считается, что транзисторный гетеродин без кварцевой стабилизации и без термостатирования
имеет относительную нестабильность частоты
(4)
причём в диапазонном приемнике в качестве частоты гетеродина
надо брать верхнюю, т. е максимальную частоту заданного диапазона, плюс промежуточную
частоту
fг = fг
макс = fc + fпрчм
= 108 ∙106 + 10.7*106 = 118.7 МГц
Поэтому абсолютные отклонения частоты гетеродина могут быть рассчитаны
по формуле:
∆fг = fг ∙ δfг =
fг ∙ 10-4 = 118,7 ∙ 102
= 11.87 кГц
Таким образом, подставляем найденные значения в (1), получаем:
П = Псчм+ 2∆fг =
168,90 + 2 ∙ 11,87 = 192,64 кГц.
При расчёте полосы пропускания радиочастотного тракта (преселектора)
Прч, следует учесть ещё погрешность сопряжения (∆fсопр = 300 кГц [4]) частот настроек контуров цепей сигнала гетеродина.
Тогда, окончательно:
Ппр = П + 2∆fсопр
= 192,64 ∙ 103 + 2 ∙ 300 ∙ 103 = 792,64
(кГц) (5)
Целью этого этапа проектирования является выбор числа и типа
селективных систем всего радиочастотного тракта приёмника и расчёт их требуемой
эквивалентной добротности Qэ, исходя из заданной избирательности
приёмника по зеркальному каналу Sезк = 44мкВ
и обеспечения требуемой полосы пропускания этого тракта Прч при допустимой
неравномерности АЧХ.
В этом случае надо рассчитать Qэ, исходя
из допустимой неравномерности АЧХ в полосе пропускания Qэп,
затем исходя из заданной избирательности по зеркальному каналу Qэз, и принять такое значение Qэ,
чтобы выполнить оба эти условия, т.е.
Qэп ≥ Qэ ≥ Qэз (6)
После проведённого расчёта полосы пропускания удобно рассчитать
добротность Qэп.
Для этого надо распределить общую допустимую неравномерность
АЧХ 14 дБ [4] по блокам приёмника и задаться допустимой неравномерностью АЧХ в полосе
радиочастотного тракта.
Воспользовавшись приведёнными ориентированными данными в табл.1.2
[4]. выбираем, σ =1,1 (раз)
Как правило, в преселекторе используются два одиночных контура:
один во входной цепи и один в УРЧ. Если эти контуры одинаковые, то их добротность
рассчитывается по формуле:
(7)
где σ = 1,1 в относительных единицах (разах)
fн = 88 МГц нижняя частота
заданного диапазона.
Имея ввиду, что микросхемы и биполярные транзисторы имеют малое
входное сопротивление и при подключении к контуру они существенно (в 1,5-2 раза)
снижают его собственную добротность. Поэтому значение Qэз
не должно быть большим и должно лежать в пределах Qэз
= 50 - 80.
Поэтому применим 2 одиночных одинаковых контура в преселекторе,
при этом требуемая эквивалентная добротность определяется по формуле:
(8)
где у - относительная частотная расстройка
Sезк = 44 дБ =1044/20
= 158,489 раз
По формуле (8):
Тогда для выполнения условия (6) Qэ принимаю
равным Qэ = 35.
Целью данного раздела проектирования является определение типа
и числа резонансных систем тракта промежуточной частоты (ТПЧ). И для того, чтобы
это обеспечить применяют фильтры сосредоточенной селекции (ФСС), называемые также
фильтрами сосредоточенной избирательности (ФСИ).
Расчет ТПЧ начнем с ФСС.
В приемниках разных групп сложности, имеющих как средние, так
и высокие качественные показатели, применяются многозвенные ФСС на LC-элементах.
Схема включения такого многоконтурного фильтра приведена на рисунке 2.
Рисунок
2. Возможная схема ФСС
В этой схеме каждый контур фильтра с учетом элементов связи настроен
на среднюю частоту полосы пропускания, т.е. на промежуточную частоту fпр.
Для получения качественно возможного коэффициента прямоугольности
АЧХ используют фильтры с характеристиками Чебышева. Однако, с целью уменьшения всплесков
АЧХ в полосе пропускания и уменьшения нелинейности ФЧХ используем ФСС с максимально
гладкой АЧХ, т.е. с характеристикой Баттерворта [4]:
σ (α) =
n, (9)
где
v - параметр, определяющий σп - неравномерность
АЧХ на краях полосы пропускания;
n - число контуров ФСС.
α = Δf / П - обобщенная расстройка; (10)
Δfск = 300 кГц [4], ППЧ чм = 150 кГц
[7, c.24]
Тогда по (10): α = 2 ∙ 300 / 150 = 4
Допустимую неравномерность 14 дБ в диапазоне УКВ всего тракта
по звуковому давлению диапазона воспроизводимых частот следует распределить таким
образом, чтобы на тракт промежуточной частоты приходилась неравномерность АЧХ в
полосе пропускания не более 6 дБ, поэтому возьмем σп = 3 дБ = 1,41
(разах). Неравномерность АЧХ на краях полосы пропускания равна [1]:
σп =
=> v = σп2 - 1= 1,412-1=0,9881
≈ 1,
Для приемников ЧМ расстройку соседнего
канала принимаем равной Δfск = ±300 кГц. [4]
Переведем заданную селективность
из дБ в разы: Seск = 33 дБ
=1033/20 = 44,668
Необходимое число контуров, при
неравномерности АЧХ в полосе σп = 3 дБ, при v =1 и α > 1,
находим:
n ≥
lg Seск /lg α = lg 44,668 /lg 4 = 2,74 ≈ 3
Выбираем 3 контура.
ПФ можно реализовать, если [3, c.213]:
(11)
fпр = 10,7∙106
Гц,
Конструктивное затухание:

(12)
Выберем Д< 0.5 = 0,2
Тогда Д1= А - (n - 1) ∙Д = 2 - (3 - 1) ∙
0,2 = 1,6
где А=2, при n =3 [3, c.213].
Из рисунка 7.10 [3] определяем при Д=0,2 нормированные значения
коэффициентов связи:
К12=1,8; К23=0,87; К34=0,6;
К450,48; К56=0,35; К67=0,88.
Абсолютные значения коэффициентов связи и затухания [3]:
ki, i+1=Ki, i+1*П
/ fпр, d1=Д1*П / fпр. (13)
d1=1,6
0,022
Задаваясь эквивалентной емкостью С1э = С2э =
500 пФ, находим С12 = k12 ∙
C1э
пФ,
Тогда С1 = Сэ - С12
пФ
Эквивалентное затухание контура:
ρ = 1/ (ωпр * Сэ)
= 1/ (2 ∙ π ∙ 10,7 ∙ 500 ∙ 10-6) = 29,749
Ом,
тогда при
Резонансный коэффициент включения равен [3]:
(14)
В линейном тракте приемника ЧМ требуется обеспечить необходимое
усиление полезного сигнала.
В приемнике ЧМ сигналов при применении отдельного диодного амплитудного
детектора амплитуда сигнала, подводимого ко входу детектора имеет величину порядка
0,2 - 0,4 В, т.е. Uвх. д =0,3 В.
Амплитуда сигнала на входе приемника при задании чувствительности
по напряженности поля Е в точке приема определяется соотношением [4]:
Uвх. пр-ка=Е∙hд∙
, (15)
где hд - действующая высота (длина) приемной антенны,
для штыревых антенн диапазона УКВ можно принять значение hд ≈ 0,1÷0,2
м, hд = 0,15 м.
Uвх. пр-ка=3 * 10-6 ∙√2=
4,24 мкВ.
При этом требуемый коэффициент усиления рассчитываем по формуле:
Котр = Uвх. д /
Uвх. пр-ка = 0,3∙ 106 /4,24
= 70,71 ∙103 (16)
Проверим, достигается ли в линейном тракте приемника требуемое
усиление принимаемого сигнала. Для этого рассчитаем общий коэффициент усиления линейного
тракта как произведение коэффициентов усиления его отдельных каскадов [4], т.е.
Ко = КВЦ * КУРЧ * КПЧ
* КФСС * КУПЧ,
Обычно Квц = 0,5-0,7
КУРЧ =3-10
КПЧ = 1
КФСС =0,5-0,7
КУПЧ = 103 - 105
Ко = 0,5 ∙ 4 ∙ 1 ∙ 0,5 ∙ 105
= 105
Надо выполнить условие: Ко > Котр.,
т.е.105 > 7 ∙ 104 выполняется.
В диапазоне УКВ используются электрически настроенные (диполи)
и ненастроенные штыревые телескопические антенны, и связь входного контура с антенной
- трансформаторная или внешнеемкостная.
Приближенная эквивалентная схема штыревой антенны представляет
собой ЭДС Еа, влюченный последовательно с емкостью Са, приведена на рис.3.
Рис.3 Приближенная эквивалентная
схема штыревой антенны
Эквивалентная емкость
штыревой антенны СА имеет малую величину, порядка нескольких пикофарад.
Емкость СА зависит от длины штыря антенны приемника в может быть определена
по следующей приближенной формуле:
СА ≈
10 ∙ l (17)
где l - длина штыря в метрах.
При отсутствии заземления корпуса приемника емкость штыревой
антенны несколько увеличивается и в зависимости от размеров корпуса приемника может
иметь значения от 3 до 10 пФ.
Действующая высота штыревой антенны приближенно равна длине штыря
l, т.е. hд ≈ l = 0,15 м. ЭДС ЕА равна [4]:
ЕА = Е * hд ≈ Е * l = 3 ∙ 0,15
= 0,45, (18)
где Е - напряженность поля.
Рис.4 Эквивалентная схема штыревой
антенны в диапазоне УКВ
Выполним расчет
входной цепи с внешнеёмкостной связью по схеме:
Рис. 5 Схема входной цепи с внешнеемкостной связью с антенной
и внутриемкостной связью с транзистором.
Для настройки контура
входной цепи используем секцию блока конденсаторов.
Вычисляем максимально
допустимую емкость входной цепи:
(19)
где kпд = fomax / fomin = 108/88 = 1,227 - коэффициент перекрытия поддиапазона;
Скmах и Ckmin - максимальная
и минимальная емкости выбранного блока конденсаторов, которые выбираются из следующих
соображений.
Начальная емкость
контура:
, где
СL = 3.5 пФ - собственная емкость
катушки контура,
См =
5.10 пФ - емкость монтажа,
Сп =
2.20 пФ - емкость подстроечного конденсатора,
Свх
- входная емкость транзистора следующего каскада,
Свых
- выходная емкость транзистора каскада,
р1=1,
р2 = 0,3.0,5 - коэффициенты подключения транзисторов к контуру.
Обычно на коротких
и метровых волнах С0 = 5.10 пФ.
Пусть Сkmin = 4 пФ и выполняется условие
, тогда
= 11,09 пФ
Определяем индуктивность
контура по формуле [5, c.159]
(20)
где L измерено в микрогенри; f - в мегагерцах и С - в пикофарадах.
ρк
=2*π* fо*Lк = 2∙π∙108 ∙106∙0,155∙10-6
= 105,13 Ом
Параметры антенны
CАmax = 10 пФ и CАmin = 3 пФ, RА
= 300 Ом
Эквивалентное затухание
контура входной цепи dэр = 0,022, собственное
затухание контура d=0.01 тогда находим наибольшую емкость
связи с антенной СсвА∆f, при
которой разброс емкости антенны вызывает допустимую расстройку входного контура
приемника, полагая, что расстройки, обусловленные разбросом емкостей антенны и входа
УРЧ, одинаковы [5]:
(21)
Выбираем емкость
связи из условия Ссв A ≤ 0.89 пФ, Выбираем СсвА = 0,87 пФ.
Рассчитываем коэффициент
включения контура ко входу УРЧ, при котором обеспечивается требуемая избирательность
по зеркальному каналу:
(22)
параметры 1-го активного элемента Rвх
=1кОм и Свх =15пФ (транзистор КТ368)
Рассчитываем емкость связи, необходимую для получения mвхзк:
Ссв. вх ≥
(23)
Ссв. вх ≥
пФ
Определяем емкость подстроечного конденсатора:
Определяем коэффициент передачи входной цепи для крайних частот
поддиапазона (f = 88 - 108МГц) по
формуле
, (24)
где mвх = (Ск+Сп
+См) / (Ск+Сп +См + Ссв вх +Свх)
(25)
Для нижней частоты:
Для верхней частоты диапазона по формулам 24 и 25:
Таким образом, сочетание внешнеемкостной связи с антенной и внутриёмкостной
связи со входом УРЧ обеспечивает малое изменение коэффициента передачи входной цепи
по диапазону.
Для электронной перестройки частоты в радиовещательного приемника
АМ тракта применим варикапную матрицу КВС - 111А из двух варикапов.
Для варикапов КВС - 120 усредненная зависимость емкости напряжения
следующая:
С = Снач ∙ ( (Uнач
+ φнач) / (u + φнач))
0,43, (26)
где Снач = 33пФ при управляющем начальном напряжении Uнач = 4В
φнач - контактная разность потенциалов p-nерехода, φнач = 0,85
В
u - текущее значение управляющего напряжения.
(от 0 до 30 В)
С при u =0 = 33 ∙ ( (4 + 0,85) / (0 + 0,85)) 0,43
= 69,78 пФ
Спри u = 30 = 33 ∙ ( (4 + 0,85) / (30 + 0,85)) 0,43
= 14,89 пФ
Основные параметры варактора КВС - 111А [4, табл 4.1]:
Сном. мин=27пФ,
Сном. макс=39 пФ,
Q=
200,Iобр. макс= 1 мкА,
Uобр.
макс =30 В,
режим измерения:
Сном: U = 4 В, f = 1МГц,
Q: f = 50 МГц, U = 4B
Сделаем в приемнике на транзисторах резонансный УРЧ, так как
при этом достигается улучшение избирательности по зеркальному и другим побочным
каналам приема. В УРЧ используем биполярные транзисторы по схеме с общей базой,
так как она имеет меньшую проходную емкость и обеспечивает в связи с этим больший
устойчивый коэффициент усиления. В диапазоне УКВ контур УРЧ делается перестраиваемым
по диапазону.
В супергетеродинных приемниках высокого класса и в приемниках
прямого усиления с числом перестраиваемых контуров более одного целесообразно применять
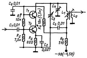
каскодные усилители (рис.6). [7, c.44] Устойчивый коэффициент
усиления такого усилителя с транзисторами, имеющими высокую граничную частоту, при
рациональном выполнении монтажа очень велик, что достигается благодаря малой проходной
емкости каскада ОБ. Такие усилители хорошо работают в диапазоне УКВ. Так как коэффициент
усиления первого транзистора по напряжению равен 1, то напряжение питания между
его эмиттером и коллектором можно выбрать небольшим (1 - 2 В), обеспечив тем самым
запас по питанию второго транзистора, и избежать ограничения в его коллекторной
цепи при значительных амплитудах сигнала па выходе. Температурная стабилизация осуществляется
включением в цепь эмиттера резистора R3.
Рисунок 6.
Расчет УРЧ при известных параметрах используемого транзистора
сводится к определению коэффициентов включения и элементов транзистора с контуром
и к расчету коэффициентов усиления.
Коэффициент подключения р1 и р2 транзисторов
к контуру УРЧ вычисляем по формулам [4]:
р1 =
, (30)
р2 =
, (31)
где Rвых - выходное сопротивление транзистора, нагрузкой
которого является данный контур;
Rвх - входное сопротивление следующего усилительного
прибора - транзистора;
Qэ, Qк - эквивалентная и конструктивная
добротности контура.
В диапазоне УКВ широко применяется транзистор типа КТ368 с параметрами
[4]:
g11 = 1,35 мСм, b11 = 5,5 мСм, g12
= 0,0150 мСм, b12 = 0,590 мСм, g21 =36 мСм, b21
= - 11,2 мСм, g22 = 0,84 мСм, b22 = 0,940 мСм, f = 100 МГц
Из предыдущих расчетов ρк =105,13 Ом, Qэ
= 35, Qк = 142,667;
Rвых = R22
= 1/g22 = 1/0,84*10-3 = 1,19 кОм;
-
Rвх = R11
= 1/g11 = 1/1,35*10-3 = 0,74 кОм;
р1 =
=0,449;
р2 =
=0,354
Резонансный коэффициент усиления УРЧ Ко равен:
Ко = р1 * р2 * S * Rэ,
где S - крутизна на рабочей частоте, S = g21 = 36
мСм;
Rэ = ρ * Qэ = 105,13 * 35 = 3,68 кОм;
Ко = 0,449 * 0,354 * 36 * 10-3 * 3,68 *
103 = 21,06
Коу = 0,45 * (│Y21│/ │Y12│),
где│Y21│=
│Y12│= 
Должны получить выполнение условия Ко ≤ Коу.
Как видим условие выполняется.
В диапазоне УКВ широкое распространение вследствие простоты получила
схема преобразователя с совмещенным гетеродином. Транзисторный смеситель обычно
строится по схеме с общим эммитером для сигнала, т.е. напряжение подается на базу
транзистора (рис.7)
Рисунок 7. Схема транзисторного преобразователя частоты с совмещенным
гетеродином диапазона УКВ (прототип УКВ-2-2Е)
Реальная, электрическая
схема цепи AПЧ (без ЧД). соответствующая ее структуре на
рис8, представлена на рис.9. откуда видно, что в качестве ее управителя частотой
(УЧ) используется подключенный к одноконтурной резонансной цепи гетеродина варикап
В. К нему всегда приложено постоянное запирающее напряжение Еро, значение
которого значительно превышает максимально возможное значение амплитуда действующего
на нем сигнала в связи с чем его можно рассматривать только в качестве конденсатора
переменной емкости Св, однозначно обусловленной величиной подводимого к нему регулирующего
напряжения Ер.
Рис 8.
Требуемая (исходная)
резонансная частота гетеродина fг устанавливается
при отсутствии регулировка значением Cв=Cво, имеющем место при Ер= Ер0. С изменением регулирующего
напряжения Ер, когда появляется его приращение ∆Ер = Ер - Еро изменяется и
значение Св = Сок, что приводит к изменению резонансной частоты гетеродина fг и, следовательно, обеспечивает его подстройку.
Рис. 9.
Содержащийся в схеме
рис.9 дроссель Д устраняет влияние конденсатора (обычно большой емкости) фильтра
Сф на настройку резонансной цепи гетеродина. Для устранения же влияния на нее самого
дросселя его индуктивность Lд должна заметно превышать значение
индуктивности резонансной цепи гетеродина fг, практически
достаточно иметь LD =
(5.10) Lг.
Как известно, значение
его емкости Ср нужно выбрать таким образом, чтобы его сопротивление на
частоте гетеродина fг оказалось практически равным
нулю.
1.
Акимов Н.Н., Ващуков Е.П., Прохоренко В.А., Ходоренок Ю. П.: Резисторы, конденсаторы,
трансформаторы, дроссели, коммутационные устройства РЭА, справочник - Минск
"Беларусь" 1994 г.
2.
Буга Н.Н., Фалько А.И. Радиоприёмные устройства: Учебник для вузов - М.:
Радио и связь, 1996.
3.
Калихман С.Г., Левин Я.М. Радиоприёмники на полупроводниковых приборах. Теория
и расчёт. - М.: Связь, 1979.
4.
Методические указания по выполнению курсового проекта.
5.
Проектирование радиоприемных устройств. Под ред.А.П. Сиверса. Учебное пособие
для вузов.М., "Сов. радио", 1976.
6.
Справочник по учебному проектированию приемно-усилительных устройств / М.К.
Белкин, В.Т. Белинский и др. - 2-е изд. - В. ш., 1988.
7.
Справочник радиолюбителя-конструктора. - 3-е изд., переработанное и дополненное.
- М.: Радио и Связь, 1983. - 560с. (Массовая радиобиблиотека; Вып.1043).
|
|
|
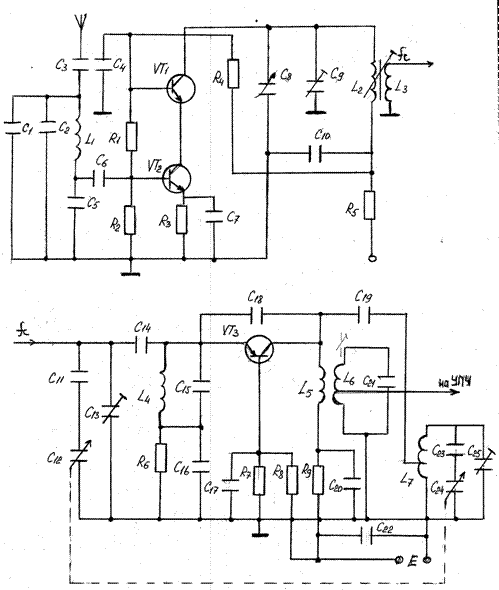
ВЧ часть УКВ приемника
Схема электрическая принципиальная
|
|
СОР
Вследствие малого
значения емкости штыревая антенна может быть подключена и, как правило, подключается
непосредственно полностью к входному контуру приемника по схеме, приведенной на
рис.4.
A