Разработка схемы радиоприемного устройства

  • Вид работы:
    Курсовая работа (т)
  • Предмет:
    Информатика, ВТ, телекоммуникации
  • Язык:
    Русский
    ,
    Формат файла:
    MS Word
    611,46 Кб
  • Опубликовано:
    2017-10-13
Вы можете узнать стоимость помощи в написании студенческой работы.
Помощь в написании работы, которую точно примут!

Разработка схемы радиоприемного устройства

САНКТ-ПЕТЕРБУРГСКОЕ ГОСУДАРСТВЕННОЕ БЮДЖЕТНОЕ ПРОФЕССИОНАЛЬНОЕ ОБРАЗОВАТЕЛЬНОЕ УЧРЕЖДЕНИЕ

ПОЛИТЕХНИЧЕСКИЙ КОЛЛЕДЖ ГОРОДСКОГО ХОЗЯЙСТВА








КУРСОВОЙ ПРОЕКТ

по МДК 02.01.01 Радиоприемные и радиопередающие устройства

Тема: Разработка схемы радиоприемного устройства










Санкт-Петербург 2017 г.

Содержание

радиоприемный устройство усилитель частота

Введение

. Расчетно-теоретическая часть

.1 Анализ технического задания

.2 Эскизный расчет структурной схемы РПУ

.3 Выбор элементной базы

.4 Расчетная часть проекта

.4.1 Расчет входной цепи

.4.2 Расчет преобразователя частоты

.4.3 Расчёт параметров автоматической регулировки усиления

.4.4 Расчет гетеродина

.4.5 Расчет блока питания

. Конструкторско-технологическая часть

.1 Описание конструкции печатного узла РПУ

.2 Описание алгоритма поиска неисправности УРЧ

Заключение

Список использованной литературы

Приложение А Схема электрическая структурная РПУ ПКГХ.КП.11.02.02.РЭ-14-7с.01 Э1

Приложение Б Перечень элементов ПКГХ.КП.11.02.02.РЭ-14-7с.01 ПЭ3

Введение


Данный курсовой проект является заключительным этапом в изучении основ радиоприемных устройств и методов их построения. Как показывает практика, радиоприемное устройство - это важнейший функциональный элемент радиотехнических систем. Оно способно принимать слабые радиосигналы и преобразовывать их к виду, позволяющему воспринимать содержащуюся в них информацию. В состав устройства входят приемник, антенна и оконечное устройство. Антенна воспринимает энергию электромагнитного поля и превращает ее в напряжение радиочастоты. Приемник выделяет из спектра приходящих колебаний нужный полезный сигнал; усиливает его за счет энергии источника питания; осуществляет обработку, ослабляя действие вездесущих помех; выполняет детектирование принятого сигнала, формируя колебания, соответствующие передаваемому сообщению. Эти колебания используются оконечным устройством для получения нужного эффекта - звукового (динамическая головка), визуального (ЖКИ, ЭЛТ) и т.д.

Задача курсового проекта заключается в разработке схемы радиоприемника, удовлетворяющего всем требованиям технического задания (ТЗ), которые отвечают ГОСТ 5651-89 для приёмников соответствующего диапазона и группы сложности.

1. Расчетно-теоретическая часть

1.1 Анализ технического задания


Техническим заданием установлено разработать РПУ со следующими параметрами.

Таблица 1

Параметры технического задания

N п/п

Параметр

Значение

1

Диапазон принимаемых частот, МГц

7,1…9,77

2

Чувствительность, мкВ

5

3

Ширина спектра сообщения, кГц

8

4

Избирательность по каналу прямого прохождения, дБ

40

5

Избирательность по зеркальному каналу, дБ

20

6

Избирательность по соседнему каналу, дБ

40

7

Эффективность системы АРУ

60/6

8

Тип модуляции

АМ

9

Тип сигнала

А


Примечания:

А - аналоговый сигнал,

Ц - цифровой (импульсный) сигнал,

АМ - амплитудная модуляция,

ЧМ - частотная модуляция

1.2 Эскизный расчет структурной схемы РПУ


При эскизном проектировании для выбора и обоснования структурной схемы приемника решаются следующие вопросы:

¾      выбор способа обработки сигнала и типа структурной схемы;

¾      расчет сквозной полосы пропускания приемника;

¾      определение числа поддиапазонов и избирательной системы тракта промежуточной частоты;

¾      выбор структуры первых каскадов преселектора и числа преобразований частоты;

¾      выбор электронных приборов для высокочастотного тракта;

¾      распределение усиления между трактами приемника;

¾      оценка динамического диапазона приемника;

¾      выбор тракта усиления низких частот;

¾      выбор регулировок приемника.

Выбор типа структурной схемы

Радиовещательные приемники обычно выполняются по схеме с однократным преобразованием частоты - см. рис. 1.

Для реализации переменной настройки в супергетеродине достаточно изменять только частоту гетеродина при широкополосной входной цепи или частоту гетеродина и частоту настройки ВЦ.

Рисунок 1 Схема радиоприемного устройства

Первым блоком приемника является входная цепь (ВЦ) - это часть схемы приемника, связывающую антенно-фидерную систему с входом первого каскада приемника. Первым каскадом может быть усилитель радиочастоты или смеситель. Входная цепь обычно представляет собой пассивный четырехполюсник, включающий в себя резонансную систему и элементы связи. В зависимости от диапазона частот резонансная система выполняется на сосредоточенных или распределенных элементах и состоит из одного или нескольких колебательных контуров или резонаторов (коаксиальных, полосковых, объемных).

Смеситель (смеситель частот) - электрическая цепь, создающая спектр комбинационных частот при подаче на неё двух или более сигналов разной частоты. Смесители являются частью преобразователей частоты в радиоприёмных, радиопередающих и других устройствах, в которых осуществляется генерирование и формирование сигнала.

Усилитель промежуточной частоты (УПЧ) необходим для нормальной работы детектора. Он усиливает сигнал, ослабленный ФСС, до уровня чувствительности детектора. УПЧ может состоять из нескольких каскадов.

Детектор предназначен для преобразования высокочастотного модулированного сигнала в низкочастотный сигнал, изменяющийся по закону модулирующего сигнала. Так как детектирование нелинейный процесс и связан с образованием новой частоты, то применяют диод или транзистор.

Гетеродин - маломощный генератор электрических колебаний, применяемый для преобразования частот в супергетеродинном радиоприёмнике, волномере и др.

Гетеродин создаёт колебания вспомогательной частоты, которые смешиваются с поступающими извне колебаниями высокой частоты, в результате чего получается постоянная разностная (промежуточная) частота. Гетеродин должен иметь высокую стабильность частоты.

Автоматическая регулировка усиления (АРУ) - система, автоматически изменяющая усиление приёмника электрических колебаний при изменении напряжения сигнала на его входе. Действие АРУ направлено на значительное уменьшение изменений напряжения выходных сигналов приёмника по сравнению с входными. Это осуществляется посредством цепей, которые передают выпрямленное детектором регулирующее напряжение на базы транзисторов или на управляющие сетки электронных ламп переменной крутизны, усилителей высокой, промежуточной частоты и преобразователя частоты, уменьшая их усиление с увеличением напряжения сигнала на входе и наоборот. Таким образом происходит компенсация в приёмнике изменений напряжения входных сигналов.

Расчет сквозной полосы пропускания приемника

Ширина спектра сигнала при двухполюсной АМ определяется по формуле:

ΔfС = 2·FB = 2·8 = 16 кГц

Полоса пропускания линейного тракта приемника П определяется по формуле:

П=1,2

Определение числа поддиапазонов

Для того чтобы приемник мог принимать сигналы от станций в широком диапазоне частот и в то же время ослабить влияние помех на зеркальном и других побочных каналах, он должен иметь перестраиваемую резонансную систему ВЦ для настройки на эти частоты. Разделение общего диапазона на поддиапазоны производится в области коротких волн. Чтобы узнать, необходимо ли разбивать диапазон приемника на поддиапазоны, нужно рассчитать коэффициент перекрытия диапазона:

Кп = =

где fmax и fmin - максимальная и минимальная частоты требуемого по ТЗ диапазона принимаемых частот приемника.

Разбивка на поддиапазоны производится только, если Кn > 3. Таким образом, разбивать на поддиапазоны нет необходимости.

Выбор структуры преселектора и числа преобразований частоты

Преселектор супергетеродинного приемника обеспечивает заданную избирательность по побочным каналам приема, в первую очередь по зеркальному каналу и каналу прямого прохождения.

Частота зеркального канала при простом преобразовании частоты где fС - частота сигнала, fП промежуточная частота, знак плюс или минус ставится в зависимости от верхней или нижней настройки гетеродина.

З = fС ± 2 fП

fc=8.5мГц=8500 кГц

f31=fc+2fП=8500+2*465=8500+930=9430кГц

f32=fc+2fП=8500-2*465=8500-930=7570кГц

f31=9,43МГц

f32=7,57МГц

Частота канала прямого прохождения равна промежуточной частоте fП=465 кГц.

Под избирательностью понимают отношение коэффициентов передачи по основному и побочному каналам приема.

Наиболее употребительные схемы преселекторов, приведенные на рисунке 2.

Рисунок 2 Схемы преселекторов

Определение избирательной системы тракта промежуточной частоты

Избирательная система тракта промежуточной частоты определяет его полосу пропускания и избирательность по соседнему каналу.

В современных приемниках достаточно широко используются монолитные кварцевые фильтры, представляющие собой решетку из электродов, попарно осажденных на поверхности кварцевой подложки. Пары электродов действуют как резонаторы, а участки между ними - как элементы связи. По сравнению с кварцевыми фильтрами, собираемыми из дискретных компонентов, монолитные фильтры обладают более высокой надежностью и обеспечивают миниатюризацию аппаратуры.

В качестве фильтра выбираю ФП1П1-7М.

Таблица 2

Технические характеристики фильтра ФП1П1-7М

Тип изделия

Номинальная частота, кГц

Ширина полосы по уровню 6дБ

Избирательность при расстройке, дБ, не менее

Гарантированное затухание, дБ, не менее

Вносимое затухание дБ, не более

Вх./Вых.нагрузочное сопротивление, кОм

ФП1 П1-7-М

465

16-20

50(±25кГц)

38,0

4,0

3,0/1,5


Для согласования с предыдущим и последующим каскадами используются согласующие цепи в виде контуров с неполным емкостным подключением. С учетом согласующих цепей и дополнительной экранировки фильтр обеспечивает результирующее внеполосное затухание примерно 70 дБ.

Выбор первых каскадов радиоприемника и структуры преселектора, исходя из допустимого коэффициента шума

Первые каскады приемника в значительной степени определяют его чувствительность. Для обеспечения высокой чувствительности требуется применение, как правило, одного каскада УРЧ после ВЦ.

Реальная чувствительность приемника определяется его коэффициентом шума N.

В отсутствие УРЧ имеем соответственно:


Учитывая, что коэффициент шума усилителя NУРЧ ≈ 2NТР, а преобразователя частоты NСМ ≈ 4NТР, где NТР - паспортное значение коэффициента шума транзистора (используется безразмерная величина), рассчитываем значение коэффициента шума приемника без УРЧ и при наличии УРЧ. Эта величина сравнивается с допустимым коэффициентом шума, обеспечивающим заданную чувствительность ЕА:

 дБ

 

Здесь значения  имеет размерность В:

 Вт/Гц; ПШ ≈ 1,1П - шумовая полоса, Гц; γ - допустимое отношение (в «разах») мощности сигнала к мощности шума на выходе линейного тракта приемника (т. е. до демодулятора), - активное сопротивление антенны, Ом.

При определении отношения сигнал/шум - γ на входе демодулятора (выходе линейного тракта) приходится учитывать несколько факторов. Прежде всего на выходе приемников разных типов для работы оконечного аппарата требуется различное отношение сигнал/шум: для профессионального связного приемника - порядка 10 (10 дБ), для вещательного АМ-приемника - порядка 100 (20 дБ), для вещательного ЧМ-приемника - 400 (26 дБ). Кроме того, при демодуляции отношение сигнал/шум может существенно изменяться: при амплитудной модуляции (m = 0,3) оно ухудшается, при широкополосной частотной (ψ > 1) - наоборот, улучшается.

Наконец, чувствительность может оцениваться как при отсутствии внешних помех, так и при их наличии. Ориентировочно, оценивая порядок величины γ, можно считать, что в случае частотной модуляции достаточно обеспечить работу ЧД в надпороговой области и принимать γ = 10 (10 дБ). Для профессиональных приемников АМ-сигналов требуется γ = 100 (20 дБ), а для вещательных приемников γ = 1000 (30 дБ). Для радиолокационных приемников - γ = 10 (10 дБ), для приемников цифровых данных для допустимой вероятности ошибки не хуже 10-6 можно взять γ ≥ 5 для ФМн, γ ≥ 7 для ЧМн, γ ≥ 9 для АМн. Решение о необходимости применения УРЧ принимается на основе требования

 

Однако в случае высоких требований по подавлению зеркального канала σЗК допускается применение УРЧ и в том случае, когда по соображениям достижения заданной чувствительности УРЧ не является необходимым. Сопротивление антенны обычно принимают равным RA = 75 -300 Ом.

Распределение усиления между трактами радиоприемника. Общее усиление радио тракта определяется, с одной стороны, необходимым напряжением на входе детектора, а с другой - заданной чувствительностью приемника. Обычно оно принимается с 2- или 3-кратным запасом:

=

В приемниках АМ-сигналов на входе детектора надо обеспечить:

¾      линейный амплитудный детектор на кремниевых диодах UВХ.ДЕТ ≥ 0,8…1,5 В;

¾      транзисторный амплитудный детектор U ВХ. ДЕТ ≥ 0,02…0,05 В;

¾      частотные детекторы с расстроенными контурами, со связанными контурами, а также дробный детектор U ВХ. ДЕТ ≥ 0,1…0,2 В;

¾      балансный диодный фазовый детектор UВХ.ДЕТ ≥ 0,3…0,5 В;

¾      частотно-фазовый и фазовый детекторы на микросхеме перемножителя UВХ.ДЕТ ≥ 0,005…0,01 В.

Линейность работы смесителя по входному сигналу обычно обеспечивается до напряжений на входе UВХ.СМ ≤ 100…200 мкВ. Коэффициент передачи преселектора, следовательно, должен быть равен:


Коэффициент передачи транзисторного смесителя обычно имеет величину порядка 4…6. Остальное усиление достигается за счет УПЧ:


В любом приемнике от правильности распределения усиления по каскадам напрямую зависят его основные технические характеристики: чувствительность, динамический диапазон и линейность тракта приема. Одновременно с вопросами обеспечения заданного усиления и линейности тракта приемника решаются вопросы улучшения коэффициента шума. Чем дальше каскад отстоит от входа и чем больше усиление по мощности предыдущих каскадов, тем меньше он влияет на суммарный коэффициент шума. Требования по чувствительности приемника и линейности его тракта оказываются противоречивыми и обычно удовлетворяются методом компромисса. Одновременно решаются вопросы регулирования усиления в определенных каскадах радиотракта для обеспечения заданного динамического диапазона по основному и по соседнему каналам приема.

При проектировании целесообразно построить диаграмму уровней сигналов и шумов на входе и выходе каскадов приемника. Она строится в логарифмическом масштабе, при этом усиление или затухание каскадов выражается в децибелах. Например: преселектор приемника дает ослабление 2 дБ, УРЧ - усиление 20 дБ, смеситель - усиление 10 дБ,

ФСС - ослабление 6 дБ и т.д. Уровень сигнала и шума при этом удобно выражать в дБ по отношению к 1 мВт (дБм). Пример такой диаграммы для схемы профессионального КВ-приемника приведен на рисунке.

Рисунок 3 Диаграмма уровней сигнала и шума в тракте радиоприемника

- сигнал при максимальной входной мощности;

- сигнал при минимальной входной мощности;

- уровень шума.

.        Максимальная выходная мощность приемника - это мощность, которая подводится к громкоговорителю (нагрузке) при допустимых нелинейных искажениях.

.        Минимальная входная мощность приемника - это реальная чувствительность приемника.

.        Внутренний шум приемника - это аддитивная флуктуационная помеха, создаваемая элементами схемы приемника.

.        Оценка динамического диапазона приемника

.        Динамический диапазон - диапазон уровней сигналов, в пределах которого приемник должен сохранять заданные характеристики.

.        Обычно динамический диапазон выражают через отношение максимальной и минимальной мощности на входе приемника, при которых приемник сохраняет заданные характеристики, т.е.

Максимальный коэффициент усиления функционально законченного тракта приемника определяется, исходя из максимально возможного внутри полосного блокирования. Это означает, что максимальный коэффициент усиления зависит от качества фильтрации перед каскадами основного усиления.

Выбор регулировок приемника

При эскизном проектировании предусматривается система регулировок, обеспечивающая поддержание точной настройки приемника на частоту принимаемого сигнала, поддержание заданного уровня сигнала на входе детектора.

Автоматическая подстройка частоты гетеродина позволяет уменьшить до допустимой величины требуемую полосу пропускания УПЧ приемника, если абсолютное значение нестабильности настроек велико.

При наличии системы ФАП полагают П =

Система АРУ применяется для расширения динамического диапазона приемника по основному каналу и как корректор мультипликативной помехи. Если требуемый диапазон входных сигналов составляет А дБ, а изменение напряжения на выходе допускается в пределах В дБ, то требуемое изменение коэффициента приемника равно (А - В) дБ.

Режимная регулировка позволяет изменять коэффициент усиления одного транзисторного усилительного каскада на 20-26 дБ. Максимальный уровень входного напряжения такого каскада ограничен значением


где  - амплитуда входного сигнала в милливольтах,  - допустимый для данного каскада коэффициент нелинейных искажений при коэффициенте модуляции . Обчн

Полагая, что в качестве регулируемых каскадов в радиоприемнике используются идентичные усилители промежуточной частоты, определяют требуемое число каскадов с округлением до ближайшего большего целого числа:

=

В целях обеспечения хороших характеристик реальной избирательности, чувствительности и линейности преобразования нежелательно регулировать усиление в первом каскаде УРЧ и смесителях. При необходимости на УРЧ организуется отдельная цепь АРУ, управляющее напряжение которой вырабатывается по сигналу, еще не прошедшему ФСС. Это позволяет снижать усиление УРЧ при действии мощных внеполосных помех, что способствует уменьшению перекрестных и интермодуляционных искажений, т.е. расширению динамического диапазона приемника.

В современных радиоприемных устройствах проблему регулирования усиления решают путем использования управляемых аттенюаторов на диодах или варикапах, включаемых между каскадами. Перспективным является также метод регулирования за счет изменения глубины отрицательной обратной связи усилителей. Метод имеет то положительное свойство, что введение обратной связи улучшает линейность усилителя.

Структурная электрическая схема определяет основные функциональные части приемника, их назначения и связи. Все функциональные части на схеме изображают в виде прямоугольников или условных графических обозначений. На схеме допускаются поясняющие надписи, диаграммы, таблицы, указания параметров в характерных точках (величины токов, напряжений, формы и величины импульсов, математические зависимости и т. п.).

1.3 Выбор элементной базы


МИКРОСХЕМЫ

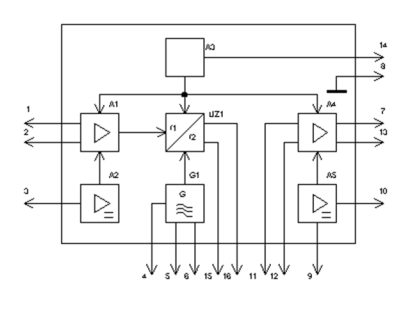
В качестве основного узла радиоприемного устройства вполне подошла бы микросхема К174ХА2. На рисунке приведена её функциональная схема.

Рисунок 4 Функциональная схема микросхемы К174ХА2

Примечание к рисунку:

А1- усилитель радиочастоты (УРЧ);

А2- система АРУ;

А3- стабилизатор напряжения;

А4- усилитель промежуточной частоты (УПЧ);

А5- система АРУ;-гетеродин;- смеситель.

Описание и характеристики микросхема К174ХА2 (datasheet)

Интегральная микросхема К174ХА2 представляет собой полупроводниковую интегральную микросхему 3-й степени интеграции. Она содержит 34 транзистора, 21 диод, и 57 резисторов.

Электрические параметры ИМС К174ХА2 приведены в таблице 3.

Таблица 3

Технические характеристики микросхемы К174ХА2

Номинальное напряжение питания

Ток потребления при UП = 9В, Т = +25°С, не более

Отношение сигнал-шум при UП = 9В, fвх = 1 МГц, UВХ =10мкВ, m= 0,8, T= +25°С, не более

Выходное напряжение низкой частоты при UП = 9В, fвх= 1 МГц, fпч = 465кГц, fм=1 кГц. m= 0,8, T=+25°С:. при UВХ = 20мкВ, не менее при UВХ = 5∙105 мкВ

Изменение выходного напряжения низкой частоты при изменении напряжения источника питания в диапазоне 4,8...9В при f=1МГц, fм=1 кГц, m= 0,3, UВХ = 10мкВ, Т= +25°С, не более

Верхнее значение частоты входного сигнала при UП = 9В, Т = +25°С, не менее

Коэффициент гармоник при Un = 9В, fвх = 1МГц, fпч =465 кГц, fм=1кГц, m= 0,8, T = +25° С, не более: при UВХ = 5 ∙105мкВ при UВХ = 3∙104 мкВ

Входное сопротивление УПЧ при Un = 9В, Т =+25°С, не менее

Входное сопротивление УВЧ при Un = 9В, Т =+25°С, не менее

Выходное сопротивление УПЧ при Un = 9В, Т =+25°С, не менее


Предельные эксплуатационные данные:

Напряжение питания .........................................4,8... 15В

Максимальное входное напряжение ...................2В

Максимальная температура кристалла ...............+125° С

Температура окружающей среды......................-25...+550 С

Микросхема представляет собой усилитель мощности низкой частоты с номинальной выходной мощностью 2Вт при нагрузке 4 Ом. Выбор принимаемой частоты осуществляется с схемой шумопонижения, которая исключает приём сигналов шума.

Назначение микросхемы

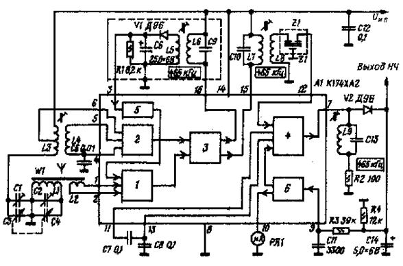
Микросхема К174ХА2 предназначена для использования в радиовещательных супергетеродинных приемниках I-III классов с амплитудной модуляцией. Эта микросхема содержит следующие узлы: усилитель высокой частоты. двойной балансный смеситель с отдельным гетеродином и усилитель промежуточной частоты с АРУ.

Рисунок 6 Схематическое представление и подключение микросхемы К174ХА2

Описание блоков микросхемы, представленной на рисунке 6:

- УВЧ ;

- гетеродин;

- смеситель;

- УПЧ;

- УПТ АРУ УВЧ;

6 -УПТ АРУ УПЧ.

КОНДЕНСАТОР

Конденсаторы К10-17

Рисунок 10 Изображения конденсаторов К10-17

Конденсаторы К10-17 предназначены для работы в цепях постоянного, переменного токов и в импульсных режимах.

Конденсаторы изготавливают в соответствии с ОЖО.460.172 ТУ; ОЖО.460.107 ТУ; ОЖО.460.107 ТУ ОЖО.460.183 ТУ; ОЖО.460.107 ТУ ПО.070.052.

Конденсаторы выпускаются в водородоустойчивом и неводородоустойчивом исполнениях.

К10-17а (рис. 1):

правильной формы, изолированные керамические конденсаторы, исполнение - все климатическое.

К10-17б (рис. 2):

изолированные окукленные керамические конденсаторы, исполнение - все климатическое.

К10-17в (рис. 3):

незащищенные керамические конденсаторы. Типы контактных электродов: серебро-палладий (нелуженые);

серебро-никель барьер/олово-свинец (луженые).

К10-17-4в (рис. 3):

незащищенные керамические конденсаторы. Конденсаторы изготовляют в соответствии с ОЖО.460.172 ТУ.

Предназначены для поверхностного монтажа. Поставка производится россыпью или в блистер-ленте. Типы контактных электродов: серебро-палладий, серебро-никель барьер/олово-свинец.

Таблица 8

Характеристики конденсаторов К10.


Таблица 9

Типоразмерные характеристики конденсаторов К10


КАТУШКА ИНДУКТИВНОСТИ

Рисунок 11 Условно-графическое обозначение катушки индуктивности

Катушка индуктивности является пассивным компонентом электронных схем, основное предназначение которой является сохранение энергии в виде магнитного поля. Свойство катушки индуктивности чем-то схоже с конденсатором, который хранит энергию в виде электрического поля.

Катушка индуктивности представляет собой обмотку из проводящего материала, как правило, медной проволоки, намотанной вокруг либо железосодержащего сердечника, либо вообще без сердечника.

Применение в качестве сердечника материалов с высокой магнитной проницаемостью, более высокой чем воздух, способствует удержанию магнитного поля вблизи катушки, тем самым увеличивая ее индуктивность. Индуктивные катушки бывают разных форм и размеров.

Большинство изготавливаются путем намотки эмалированного медного провода поверх ферритового сердечника.

При выполнении расчета электрической цепи, или же изложении типового подключения микросхемы указывается включение катушки индуктивности с соответствующим параметром. В дальнейшем, в перечне элементов может быть указана марка выбранной катушки индуктивности. Или же исполнение катушки, с указанием количества витков провода с определенной толщиной.

РЕЗИСТОР С2-33Н


С2-33Н - резисторы постоянные непроволочные тонкопленочные общего применения всеклиматического варианта исполнения предназначены для работы в электрических цепях постоянного, переменного токов и в импульсном режиме. Резисторы С2-33Н изготавливают в двух исполнениях - предназначенном для ручной и для автоматизированной сборки аппаратуры.

Резисторы С2-33Н изготавливают 1 типа 13 видов, трех конструктивных исполнений.


Основные технические данные резисторов С2-ЗЗН:

Номинальная мощность рассеяния, номинальное сопротивление и допускаемые отклонения номинального сопротивления, предельное рабочее напряжение:


Рср - сумма средней импульсной и постоянной составляющей мощности нагрузки,

Р - допустимая мощность, рассеиваемая резистором при нагрузке постоянным или переменным током.

РЕЗИСТОР ПОДСТРОЕЧНЫЙ СП3-19

Резисторы СП3-19 применяются для работы в цепях постоянного и переменного токов в непрерывных и импульсных режимах. Резистор СП3-19б предназначен для монтажа на поверхность. Резисторы СП3-19 изготавливаются в соответствии с техническими условиями ОЖО 468.372 ТУ (приёмка "ОТК") и ОЖО.468.134 ТУ (приёмка "5").

Общий вид и габаритные размеры:

СП3-19А

СП3-19Б

СП3-19Г

Основные технические характеристики:

- Резистор однооборотный с круговым перемещением подвижной системы

Мощность (при температуре 70°С) 0,5 Вт

Диапазон номинальных сопротивлений 47...1 000 000 Ом

Допускаемое отклонение сопротивления от номинального +/-10%; +/-20%

Предельное рабочее напряжение 150 В

Число циклов перемещения подвижной системы 500

Ресурс 20 000 часов

Характеристика изменения сопротивления Линейная

Отклонение от линейности, не более 20%

ТКС для резисторов с сопротивлением до 330 Ом +/-0,0005 1/°С

ТКС для резисторов с сопротивлением свыше 330 Ом +/-0,00025 1/°С

ПОЛЕВЫЕ ТРАНЗИСТОРЫ.

Полево́й (униполя́рный) транзи́стор - полупроводниковый прибор, работа которого основана на управлении электрическим сопротивлением токопроводящего канала поперечным электрическим полем, создаваемым приложенным к затвору напряжением.

Область, из которой носители заряда уходят в канал, называется истоком, область, в которую они входят, называется стоком, электрод, на который подается управляющее напряжение, называется затвором.

ПОЛЕВОЙ ТРАНЗИСТОР КП303И

Технические характеристики полевого транзистора КП303И

Рисунок 14 Схема полевого транзистора КП303И

Таблица 13

Технические характеристики полевого транзистора КП303И


Область применения: предназначены для применения во входных каскадах усилителей высокой (Д, Е, И) и низкой (А, Б, В, Ж) частот с высоким входным сопротивлением.

ДИОДЫ

Диод- электронный элемент, обладающий различной проводимостью в зависимости от направления электрического тока.

Диоды бывают электровакуумными (кенотроны), газонаполненными (газотроны, игнитроны, стабилитроны коронного и тлеющего разряда), полупроводниковыми и др. В настоящее время в подавляющем большинстве случаев применяются полупроводниковые диоды.

Одной из разновидностей диодов являются варикапы. Варикап - это полупроводниковый диод, работа которого основана на зависимости барьерной емкости p-n - перехода от обратного напряжения.       

ВАРИКАП КВ139АР

Технические характеристики варикапа КВ139АР

Рисунок 16 Схема варикапа КВ139АР

Таблица 14

Технические характеристики КВ139АР

Варикап

Cв/Uоб пФ/В

Kс(U1-U2) (В)

ТКЕ*1000 (U)

Q(U/F) (В/МГц)  [пФ/МГц]

Iоб/Uоб мкА/В

Uoб max В

КВ139АР

500-620/1

18-25 (1-5)

-

160[500/1]

0.5/

16


ИМПУЛЬСНЫЙ ДИОД КД521В

Технические характеристики импульсного диода КД521В

Рисунок 17 Схема импульсного диода КД521В

Таблица 15

Технические характеристики КД521В

Диод (цоколевка)

Uоб/Uимп В/В

Iпр/Iим мА/мА

Tв/Qпк(Iп/Uо) нс/пк (мА/В)

Cд/Uд пф/В

Uпр/Iпр В/мА

Iо мкА

КД521В

50/75

50/500

4/200(/10)

10/0

1/50


СТАБИЛИТРОН Д814А

Рисунок 19 Схема стабилитрона Д814А

Стабилитроны Д814А кремниевые, сплавные, средней мощности.

Предназначены для стабилизации напряжения 7,0-8,5 В, в диапазоне токов стабилизации 3...40 мА.

Выпускаются в металлостеклянном корпусе с гибкими выводами.

Таблица 17

Технические характеристики Д814А

Тип стабилитрона

Uст.

αUст.

Uпр. (при Iпр.)

rст.

Iст.

Рmax

Тк.max (Тп.)

Т окр.


мин

ном

макс

Iст.ном.




мин

макс





В

В

В

мА

%/С

В (мА)

Ом

мА

мА

Вт

°С

°С

Д814А

7

8

8,5

5

0,07

1 (50)

6

3

40

0,34

125

-60… +125


1.4 Расчетная часть проекта


1.4.1 Расчет входной цепи

Схема входной цепи приёмника с прямым преобразованием частоты состоит из полосового фильтра на заданный диапазон принимаемых частот. Внешняя антенна подключена к первичной обмотке катушки индуктивности L1, входящей в состав ФВЧ. Число витков первичной и вторичной обмоток катушки L1 принимается одинаковым.

Рисунок 21 Схема входных цепей преселектора

Преселектор содержит два базовых звена, образующих полосовой фильтр: ФВЧ на элементах С1, C2, L1 и ФНЧ на элементах C3, С4 и L2. Принимаем частоту среза звена ФВЧ fФВЧ = 6,9 МГц, а частоту среза звена ФНЧ - fФНЧ = 9,8 МГц.

Выполним расчёт номиналов элементов для ФВЧ. Волновое сопротивление фильтра принимаем равным 75 Ом, оно выражается известным соотношением

,

а частота среза ФВЧ равна:

,

тогда, задаваясь значением волнового сопротивления, находим ёмкость конденсатора С1, С2 и индуктивность L1 катушки ФВЧ:


Ёмкость конденсаторов С1 и С2 для Т-образной схемы ФВЧ равна С1 = С2 = 2 · СФВЧ = 2 · 1,538 · 10-10 = 3,076 · 10-10 = 307,6 пФ. Индуктивность L1 = L = 0,865 мкГн.

Выполним расчёт номиналов элементов для ФНЧ. Волновое сопротивление фильтра также принимаем равным 75 Ом, тогда получаем для П-образной схемы ФНЧ:


Ёмкость конденсаторов С3 и С4 для П-образной схемы ФНЧ равна С3 = С4 = 0,5 · СФНЧ = 0,5 · 433 · 10-12 = 216 · 10-12 = 216 пФ. Индуктивность катушки ФНЧ: L2 = L = 2,435 мкГн.

Номиналы элементов полосового фильтра приведены в таблице 19.

Таблица 19

Номиналы элементов полосового фильтра преселектора

Параметр

Значение

Параметр

Значение

L1

0,865 мкГн

С1, С2

308 пФ

L2

2,435 мкГн

С3, С4

216 пФ

 

1.4.4 Расчет гетеродина

Гетеродин приемника конструктивно входит в состав микросхемы К174ХА2 преобразователя частоты и для своей работы требует подключения внешних пассивных частотно-задающих элементов. Исходными данными для расчета этих элементов является заданный диапазон рабочих частот гетеродина 7,1…9,77 МГц равный рабочему диапазону принимаемых сигналов.

Регулировка частоты гетеродина осуществляется с помощью варикапа, путем изменения обратного напряжения на нём. Диапазон емкости варикапа для регулировки частоты гетеродина и настройки приёмника необходимо рассчитать исходя из заданного диапазона перестройки частоты. Из системы уравнений находим значения, индуктивности, сумму минимальной и максимальной емкости контура гетеродина:

,

где ρ - волновое сопротивление контура гетеродина для средней частоты рабочего диапазона, принимается равным 1200 Ом;

fmax, fmin - максимальная и минимальная частоты рабочего диапазона, Гц;

Lгет - индуктивность контура гетеродина, Гн;

Cmax, Cmin - максимальная и минимальная ёмкость контура, Ф.

После соответствующих расчётов получаем следующие значения:

max + Cmin ≈ 31,45 пФ; Lгет ≈ 22,64 мкГн.

По значению максимальной частоты рабочего диапазона определим значение минимальной требуемой емкости контура:


Максимальная требуемая ёмкость контура в этом случае составит

Cmax = 31,45 - Cmin = 31,45 - 11,72 = 19,73 пФ.

С учётом необходимости включения добавочных и разделительных конденсаторов в цепи контура гетеродина, выбираем варикап типа КВ104А. Его номинальное значение ёмкости при обратном напряжении 4 В лежит в пределах 90…120 пФ. Максимальное допустимое обратное напряжение составляет 45 В. Величина добротности варикапа КВ104А не менее 100 в диапазоне частот до 10 МГц.

Ёмкость добавочного конденсатора С10, включенного последовательно с варикапом, принимаем равной 27 пФ. Точная подстройка границ изменения ёмкости контура гетеродина выполняется при наладке радиоприёмника путём подбора диапазона управляющего напряжения на варикапе с помощью резисторов R2, R3. Индуктивность L3 контура гетеродина принимаем равной 23 мкГн. Конденсаторы С8-9 образуют цепь обратной связи в гетеродине по схеме Хартли. Конденсатор С11 является разделительным по постоянному току для исключения замыкания вывода 6 микросхемы на корпус через катушку контура гетеродина.

Номиналы элементов схемы гетеродина приведены в таблице 21.

Таблица 21

Номиналы элементов схемы гетеродина

Параметр

Значение

Параметр

Значение

R1

220 Ом

С5, С6

10 мкФ

R2 (подбирается при наладке)

1,2 кОм

С7

10 нФ

R3

10 кОм

С8, С9

100 пФ

R4

47 кОм

С10

27 пФ



С11

1 нФ



L3

23 мкГн


.4.5 Расчет блока питания

Для стабилизации выходного напряжения и достижения низкого коэффициента пульсаций в схеме используется стабилизатор в интегральном исполнении на соответствующее выходное напряжение и ток нагрузки. Стабилизатор напряжения DA4 выполнен на специализированной микросхеме типа BA17812T в корпусе TO220FP с номинальным выходным напряжением 12 В, защитой от перегрева и перегрузок по току.

Рисунок 24 Типовая схема включения микросхемы BA17812T

Блок питания должен обеспечивать общий выходной ток Iвых не менее

Iвых = 1,5 ∙ ∑ IОУ = 1,5 ∙ (3,5 + 160 + 600) = 781,5 мА,

где IОУ - ток потребления микросхемами радиоприемника, мА.

Требования к номинальным параметрам диодов выпрямительного моста:


где Uпр = 1,2 В - прямое падение напряжения на диодах моста в плече.

Ток через диоды и обратное напряжение в каждом плече моста равны:

;

.

С учётом этих значений выбираем для схемы выпрямителя диодный мост типа КЦ412А. Технические данные моста КЦ412А приведены в таблице 22.

Таблица 22

Параметры диодного моста типа КЦ412А

Тип

Iпр.ср, (А)

Iпр.и, (А)

Uобр.макс, (В)

Uпр, (В)

КЦ412А

1

15

50

1,2


Действующие значения напряжений и токов для вторичных обмоток силового трансформатора:

,

.

Получаем значения тока и напряжения для вторичных обмоток:

;

.

Трансформатор подбирается по требуемым параметрам напряжения U2 и тока I2 во вторичной обмотке с учетом запаса по напряжению в 20…25% для регулирования стабилизатором, при этом целесообразно использовать малогабаритные трансформаторы серии ТПК-25 для печатного монтажа. Масса трансформатора серии ТПК-25 не более 0,6 кг, ток холостого хода - не более 0,035 А.

Таблица 23

Параметры малогабаритного трансформатора ТПК-25-007

Ном. мощность, В∙А

Ток первичной обмотки, А

Напряжения вторичных обмоток (при номинальной нагрузке), В

Допустимый ток вторичных обмоток, А



Номера вторичных обмоток




7 - 9


25

0,075

18

1,4


Выбираем для блока питания силовой трансформатор ТПК-25-007 на номинальное напряжение первичной обмотки 220 В, на витом магнитопроводе А33. Технические параметры малогабаритного силового трансформатора ТПК-25-007 приведены в таблице 11. На рисунке 25 приведен внешний вид трансформатора серии ТПК-25.

Рисунок 25 Общий вид силового трансформатора ТПК-25

2. Конструкторско-технологическая часть

2.1 Описание конструкции печатного узла РПУ

Печатный узел является первой и самой сложной, многоэлементной сборочной единицей РЭА, объединяющей множество элементов электрической схемы функционального узла.

Так как целью работы является все же разработка радиоприемного устройства в зоне УКВ, то для конструкции печатного узла вполне может подойти навесной монтаж элементов с тщательной пропайкой каждого элемента устройства, что в свою очередь позволит эксплуатировать устройство не опасаясь внешних факторов воздействия, таких как вибрации, случайное падение.

Основой печатного узла является печатная плата в виде изоляционного основания с нанесенными на него печатными проводниками и элементами, закрепляемыми механическим путем (развальцовкой, заклепками, разворотом) с последующей опайкой. Все навесные элементы имеют маркировку в соответствии с принципиальной схемой.

Касаемо изготовления печатной платы самого устройства - стоит учитывать то, в каких условиях будет эксплуатироваться радиоприемное устройство, в том числе такие параметры как температура и влажность окружающей среды. В связи с этими факторами, уже стоит задуматься над выбором материала для печатной платы, а так же её защиты от их влияния.

Разводка и трассировка дорожек не должна затруднять выполнение монтажа элементов радиоприемного устройства. В соответствии с данным этапом стоит отметить, что от этого может пострадать сама компактность устройства.

2.2 Описание алгоритма поиска неисправности УРЧ

Процедура диагностики и локализации неисправностей состоит из четырех основных этапов: выявления симптомов неисправности; идентификации и локализации источника (или места) неисправности; замены или ремонта подозреваемого узла; повторной проверки компьютера с целью подтверждения его работоспособности. Неисправность преобразователя частоты радиоприемника проявляется в отсутствии приема сигналов, понижении чувствительности или смещении диапазонов.

Для обнаружения неисправности преобразователя частоты проверяют прохождение входного сигнала и сигнала гетеродина.

Работоспособность гетеродина определяют с помощью осциллографа. Смеситель контролируется измерением режимов по постоянному току.

При неисправности во входных цепях:

·              отсутствует прием на одном или нескольких диапазонах;

·              или отмечается уменьшение чувствительности приемника.

В первом случае может не быть контакта в цепях прохождения сигнала или происходит замыкание цепи на общий провод.

Чувствительность уменьшается из-за расстройки контуров или возникновения дополнительного переходного сопротивления в соединительных цепях и в случае отказа УРЧ. Работоспособность УРЧ определяют, измеряя режимы по постоянному току и контролируя прохождение сигнала.

Алгоритм диагностики преобразователя частоты приведен ниже.


Заключение


В ходе выполнения курсового проекта были изучены и освоены теоретические и практические аспекты проектирования радиоприёмных устройств, а также разработан рабочий проект радиоприемника для заданного диапазона частот и типа модуляции.

С учётом технических требований в задании на проектирование была выбрана и обоснована структурная схема радиоприёмника и приняты основные схемотехнические решения. На основании этих данных была разработана принципиальная электрическая схема и выполнен полный электрический расчет всех узлов радиоприёмного устройства.

Список использованной литературы


1.       Богданович Б.М., Окулич Н.И. Радиоприемные устройства: Учеб. пособие для радиотехн. спец. вузов / Под общ. ред. Б. М. Богдановича. Минск: Высшая школа, 1991.

.        Войшвилло Г.В. Усилительные устройства: Учеб. для вузов. М.: Радио и связь, 1983.

.        Манаев Е. И. Основы радиоэлектроники. М: Радио и связь, 1990.

.        Ногин В.Н. Аналоговые электронные устройства: Учеб. пособие для вузов. М.: Радио и связь, 1992.

.        Поляков В.Т. Радиолюбителям о технике прямого преобразования. М.: Патриот, 1990.

.        Степанов Б. Г. и др. Любительская радиосвязь на КВ. М.: Радио и связь, 1991.

Приложение А


Структурная схема

ПКГХ 210413 РЭ-14-7с 07.000 Э1


Приложение Б


Перечень элементов

ПКГХ 210308 РЭ 14-7с. 07.000 ПЭ3

Поз. обозначение

Наименование

Кол

Примечание


КОНДЕНСАТОР



С1

308 пФ

1


С2, С7, С10,С12,С12..

216 пФ

5


С16, С21

10 нФ

2


С32

10 мкФ

1


С41

27 пФ

1


С35

1 нФ

1


С51

4,7 нФ

1


С52

2,2 нФ

1



КАТУШКА

1


L1

0,865 мкГн

1

4 витков на оправке 2.5мм

L2

2,435 мкГн

1

1-2 витков на оправке 2.5мм

L3

23 мкГн

1

2-3 витков на оправке 1.8мм

L9

25 мкГн

1


L10

25 мкГн

1

2-3 витков на оправке 1.8мм

L13

26 мкГн

1


L17

28 мкГн

1

2-3 витков на оправке 1.8мм

L18

28 мкГн

1

2-3 витков на оправке 1.8мм


РЕЗИСТОР



R1

220 Ом

1


R3

10 кОм

1

переменный

R6

22 кОм

1


R12

220 кОм

1


R13

180 кОм

1


R14

10 кОм

1


R16

3,3 кОм

1


R17

8,2 кОм

1


R20

1,8 кОм

1


R21

3,9кОм

1


R24

82 кОм

1


R25

1,5 кОм

1


R26

62 кОм




ТРАНЗИСТОР



VT3

КП303И

1



ДИОД



VD4

KB139AP

1


VD6

КД521В

1



Похожие работы на - Разработка схемы радиоприемного устройства

 

Не нашли материал для своей работы?
Поможем написать уникальную работу
Без плагиата!
Без нейросетей!