Разработка телевизионного приемника

  • Вид работы:
    Курсовая работа (т)
  • Предмет:
    Информатика, ВТ, телекоммуникации
  • Язык:
    Русский
    ,
    Формат файла:
    MS Word
    396,94 Кб
  • Опубликовано:
    2013-10-30
Вы можете узнать стоимость помощи в написании студенческой работы.
Помощь в написании работы, которую точно примут!

Разработка телевизионного приемника

Введение

Радиоприемное устройство - устройство, предназначенное для улавливания, преобразования и использования электромагнитной энергии, принятой от радиопередающей станции. Обычно радиоприемное устройство включает в себя: антенну и приемник.

Большое разнообразие современных радиоприемников можно разбить на три категории: профессиональные, радиовещательные и специализированные. При проектировании и расчете радиоприемного устройства учитывается целый ряд требований, обуславливающих качество работы. Характер предъявляемых требований определяется в зависимости от назначения приемного устройства.

ТВ приёмник предназначен для воспроизведения на экране передаваемого с помощью телевизионного сигнала изображения. Различают системы цветного и черно-белого телевидения. Эти системы совместимы, т. е. телевизионные приёмники могут принимать сигналы обеих систем, воспроизводя либо цветное, либо черно-белое изображение. Диапазон частот, в которых передаются телевизионные сигналы, занимает промежуток от 48,5 МГЦ (1 канал) до 790 МГц (60 канал). В последнее время наблюдается тенденция все более интенсивного использования дециметрового диапазона (21-60 каналы), так как диапазон метровых волн используется максимально.

Целью данного курсового проекта является разработка телевизионного приемника метрового (6-12 каналы) и дециметрового диапазона с характеристиками, соответствующими ГОСТ 18198-89. Телевизоры. Общие технические условия.

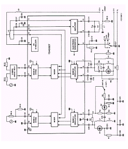
1. Состав структурной схемы приемника


Рисунок 1 - структурная схема ТВ приемника

.1 Предварительный расчёт схемы приёмника

.1.1 Расчёт уровня входного сигнала

По заданию антенна - телескопическая. Примем длину антенны=0,5м.на МВ и 0,2м на ДМВ.

Напряжённость поля Е=200мкВ/м.

Определим длину волны на минимальной частоте диапазона МВ (6 канал)

 метра.

,

Действующая высота антенны на МВ:


Активное сопротивление антенны:


Тогда входное напряжение на МВ мкВ.

На ДМВ:

Определим длину волны на минимальной частоте диапазона ДМВ (470 МГц)

м.

,

Действующая высота антенны на ДМВ:


Активное сопротивление антенны:


Тогда входное напряжение на ДМВ мкВ.

1.1.2 Выбор числа поддиапазонов и их границ

Если при неизменной индуктивности контура не может быть обеспечено перекрытие всего диапазона приемника переменным конденсатором или варикапом, а также для удобства и большей точности настройки, диапазон приемника делится на отдельные поддиапазоны.

Диапазон требуется разбить на поддиапазоны, если коэффициент перекрытия диапазона

 > (3),

при перестройке контура варикапом. Для метрового диапазона: fmin=174МГц, fmax=230МГц, соответственно минимальная и максимальная частоты диапазона.

=1.32 ,

диапазон не требует разбития на поддиапазоны.

Для дециметрового диапазона: fmin=470МГц, fmax=630МГц, соответственно минимальная и максимальная частоты диапазона.

=1.34 ,

также не требует разбития на поддиапазоны.

1.1.3 Определение основной полосы пропускания радиоприемника

Расчет необходимой полосы пропускания приемника (обычно по уровню - 3дБ) определяется следующим выражением:


где - ширина спектра сигнала;  - суммарная погрешность установки частоты.

В приемниках без АПЧ полоса пропускания определяется шириной спектра сигнала для ТВ сигнала ПС = 8 МГц, тогда .

Применение АПЧ позволяет значительно сузить полосу пропускания, что уменьшает воздействие помех и повышает избирательность, однако усложняет схему и конструкцию приемника.

Согласно ГОСТ 18198-89 (Телевизоры. Общие технические условия) основная полоса пропускания для телевизионных приемников является стандатной величиной и равняется 8 МГц.

.1.4 Расчет коэффициента шума приемника

Для обеспечения заданной чувствительности необходимо найти допустимый коэффициент шума радиоприемного тракта приемника Nд . При реальной чувствительности приемника в виде ЭДС сигнала в антенне, для которой отношение сигнал/шум (С/Ш) на выходе приёмника больше минимально допустимого отношения С/Ш или равно ему, то допустимый коэффициент шума Fд следует вычислить из условия:

 

где ЕА=70,8мкВ - эдс, наводимая в антенне на МВ Еа=30,4 мкВ.- на ДМВ ,  - постоянная Больцмана,  - абсолютная комнатная температура, = 8*1,1=8,8 МГц - шумовая полоса тракта основной селекции, С/Ш = 200 (46дБ) - отношение сигнал/шум на выходе приемника,

     =33,5 Ом - внутреннее сопротивление приемной антенны на МВ,

     = 45 Ом--------------------//-------------------- на ДМВ А - температура внешних шумов, для  .

Таким образом, допустимый коэффициент шума на МВ:

 дБ.

Допустимый коэффициент шума на ДМВ:

 дБ.

.1.5 Предварительное распределение к-тов усиления, шума, неравномерности АЧХ по каскадам приёмника

Таблица 1

Блок

К-т усиления

К-т шума

Неравн. АЧХ

ВЦ

0,7

1,42

0,3 дБ

УРЧ

12

1,3

0,3дБ

СМ

18

2,5

0,3дБ

ФОС

0,5

3,3

1,5дБ

УПЧ

2500

5

1дБ

АД

----

----

1дБ


Общая неравномерность АЧХ не превышает 0,3+0,3+0,3+1,5+1+1=4,4дБ

По заданию-не более 5 дБ.

Необходимый к-т усиления линейного тракта определится как

раз (90,95дБ). на МВ

раз (98,3дБ) на ДМВ

Полученный в результате предварительного распределения к-т усиления =189000 или 105,5 дБ, что выбрано с учётом старения элементов.

К-т шума =

что меньше максимально допустимого к-та шума (N<3,62 на ДМВ) .

.1.6 Определение параметров избирательных систем тракта радиочастоты

Избирательная система тракта РЧ обеспечивает избирательность приемника по зеркальным и побочным каналам, принимает участие в формировании общей резонансной характеристики приемника. Избирательность в данном тракте обеспечивается перестраиваемыми резонансными контурами, настроенными на частоту принимаемого сигнала. Число таких контуров и их добротность и обуславливает избирательность приемника по зеркальным и побочным каналам.

Расчет параметров для метрового диапазона

Добротность контуров тракта РЧ необходимо выбрать так, чтобы одновременно удовлетворить следующим условиям: обеспечить избирательность по зеркальному каналу Se зк, побочному каналу Se ск и пропустить полосу не уже полосы передаваемого радио сигнала. Таким образом, значение добротности Qэ находят:

·   из условия обеспечения по зеркальному каналу.


где n - количество контуров тракта (n=3); Se зк - заданная избирательность по ЗК (177,8 раз); f0 - частота, на которой определяется добротность(максимальная частота диапазона f0=230МГц); fпр - промежуточная частота (38МГц).

Значение Qэ зк следует определить на максимальной частоте диапазона. Для n = 3:

Таким образом для обеспечения заданной избирательности по зеркальному каналу необходимо 3 контура с добротностью Qэ зк ³ 11,1.

·   из условия обеспечения полосы пропускания:

,

где n - количество контуров (n=3); П - ширина полосы пропускания ( 8 МГц); f0 - частота, на которой определяется добротность; sп - ослабление на краях ПП (1,2 раз).

Значение Qэ пп следует рассчитывать на минимальной частоте диапазона.

.

Искомое значение добротности Qэ должно находиться из условия:

.

Для расчетов добротность Qэ приравнивается к добротности на максимальной частоте Qэ (fмах) :

Qэ (fмах) = 12.

Добротность на минимальной частоте Qэ (fмin) находят по формуле:

,  

где Qк - конструктивная добротность контура; Rвх fmax = Rвх fmin - входное сопротивление транзистора на минимальной и максимальной частотах.

При конструктивной добротности Qк = 100 и при условии неизменности параметров транзистора по диапазону получим:

.

При таких значениях добротностей и количества одиночных контуров получаются следующие характеристики:

·   избирательность по зеркальному каналу:

,  

где f0 , Qэ - частота и добротность, на которой измеряется избирательность:

на fmin = 174 МГц:

,

          на fmax = 230 МГц:

;

·   избирательность по побочному каналу на частоте равной промежуточной:

,

где f0 - крайняя частота диапазона, наиболее близкая к промежуточной.

При fпр = 38 МГц : f0 =174 МГц , Qэ = 15,3. Соответствующая избирательность:

          ;

·   избирательность по соседнему каналу:

,

где Dfск - расстройка при которой задана избирательность по соседнему каналу.

При Dfск = 8 МГц избирательность по соседнему каналу:

          на fmin = 174 МГц:

,

          на fmax = 230 МГц:

;

·   ослабление на краях ПП (неравномерность АЧХ):

,

на fmin = 174 МГц:

,

          на fmax = 230 МГц:

.

Расчет параметров для дециметрового диапазона

Для расчета тракта дециметрового диапазона используется та же методика, т.к. схемы трактов МВ и ДМВ аналогичны.

Значение добротности Qэ находят:

·   из условия обеспечения по зеркальному каналу:

          Значение Qэ зк следует определить на максимальной частоте диапазона. Для n = 3:

;

·   из условия обеспечения полосы пропускания:

Значение Qэ пп следует рассчитывать на минимальной частоте диапазона.

.

Для расчетов добротность Qэ приравнивается к добротности на максимальной частоте Qэ (fмах) :

Qэ (fмах) = 30.

Добротность на минимальной частоте Qэ (fмin):

при конструктивной добротности Qк = 100 и при условии неизменности параметров транзистора по диапазону получим:

.

При таких значениях добротностей и количества одиночных контуров получаются следующие характеристики:

·   избирательность по зеркальному каналу:

на fmin = 470 МГц:

,

на fmax = 630 МГц:

;

·   избирательность по побочному каналу на частоте равной промежуточной:

;

·   избирательность по соседнему каналу:

на fmin = 470 МГц:

,

на fmax = 630 МГц:

;

·   ослабление на краях ПП (неравномерность АЧХ):

на fmin = 470 МГц:

на fmax = 630 МГц:

.

Расчеты, проведенные в данном пункте, показывают, что выбранные параметры тракта радиочастоты полностью удовлетворяют требованиям поставленной задачи.

.1.7 Предварительный расчёт АРУ

          В предварительном расчете системы автоматической регулировки усиления (АРУ) определяется количество регулируемых каскадов высокой и промежуточных частот.

1. Исходными данными для расчета АРУ являются [2]:

·   изменение входного напряжения а = ЕАmax / EAmin = 50 дБ ( 316 раз);

·   изменение выходного напряжения р = Uвых.max / Uвых.max = 3 дБ ( 1,413 раз.)

2. Определяем степень изменения коэффициента усиления одного каскада под действием АРУ (Л1).

Для транзисторных приемников практически можно принять Л1 = 10 раз.

3. Определяем требуемое изменение коэффициента усиления под действием АРУ[2]:

;

1. Считая, что все управляемые каскады идентичны, находим необходимое число регулируемых каскадов[2]:


То есть, число регулируемых каскадов системы АРУ равно 2.

.1.8 Предварительный расчёт АПЧГ


По графику определим полосу захвата АПЧ-от F1 до F2.

П=1МГц.

Средняя крутизна в полосе захвата В/МГц.

При изменении частоты в пределах ±300кГц выходное напряжение детектора АПЧГ изменится на 10,8* (±0,3)= ±3,24 В

При изменении напряжения АПЧ на 3, 24 В частота гетеродина должна изменяться на 300 КГц.

. Выбор элементов тракта радиочастоты

В селекторах каналов телевизионных приемников используют специально разработанные варикапы - полупроводниковые диоды, емкость которых регулируется изменением напряжения. В схеме дециметрового селектора будет использоваться варикап КВ122Б.

Его параметры приведены в табл. 2:

Таблица 2

Параметр

мин

тип

макс

Емкость диода, пФ ( В и  МГц)2,0-2,3




Коэффициент перекрытия по емкости ( В)4,5-6,5




Добротность ( В,  МГц)300--




Постоянный обратный ток ( В), мкА--0,2





В схемах метровых селекторов используются варикапы КВ121А

Его параметры приведены в табл. 3

Таблица 3

Параметр

мин

тип

макс

Емкость диода, пФ ( В и  МГц)4,3-6




Коэффициент перекрытия по емкости ( В)7,6--




Добротность ( В,  МГц)200--




Постоянный обратный ток ( В), мкА--0,5





Схемы усилителей радиочастоты (УРЧ) строятся на транзисторах с перестраиваемым контуром.

Основными критериями, по которым производится ориентировочный выбор транзисторов, являются:

·   превышение предельной частоты усиления (генерации) в несколько раз по сравнению с максимальной рабочей частотой;

·   наличие параметров, обеспечивающих выполнение заданных технических требований;

·   минимальная стоимость при наличии необходимых параметров.

Для УРЧ выбираем полевой транзистор с двумя изолированными затворами КП327Б для метрового диапазона и КП327А для дециметрового. Частоты 12 и 40 каналов соответственно 230 и 630 МГц. Граничные частоты этих транзисторов 1.2 и 2ГГц, а коэффициенты шума - 2,8 и 3,9 дБ соответственно. Эти транзисторы специально разработаны для применения во входных цепях селекторов каналов телевизионных приемников. Они обладают большим входным сопротивлением, что позволяет увеличить коэффициент включения транзистора в контур, а, следовательно, увеличить коэффициент передачи. Наличие второго затвора позволяет упростить схему АРУ и осуществить развязку сигнальных цепей и цепей АРУ.

Смеситель выполнен на микросхеме TDA5332T фирмы PHILIPS. Это специализированная микросхема предназначена для использования в селекторах каналов ТВ приёмника цветного и черно-белого изображения. Микросхема выполняет функции смесителя и гетеродина МВ и ДМВ диапазонов волн, а также предварительного УПЧ. Более подробно данная микросхема рассматривается при проектировании принципиальной схемы.

. Выбор избирательной системы тракта промежуточной частоты

Избирательная система тракта промежуточной частоты обеспечивает избирательность приемника по соседнему каналу и вместе с трактом радиочастоты формирует резонансную характеристику приемника.

В тракте промежуточной частоты применяют две системы для обеспечения избирательности по соседнему каналу: каскады с распределенной избирательностью и каскады с сосредоточенной избирательностью. При распределенной избирательности усиление и избирательность обеспечивается в одних и тех же каскадах, а при сосредоточенной избирательности усиление и избирательность концентрируется в разных каскадах. Это позволяет добиться более устойчивого усиления и частотная характеристика меньше зависит от изменения параметров транзисторов, чем при распределенной избирательности.

Для обеспечения сосредоточенной избирательности используются фильтры сосредоточенной селекции (ФСС). Количество LC звеньев ФСС в радиовещательных приемниках редко превышает 5. Ослабление, создаваемое одним звеном составляет порядка 10 дБ и зависит от полосы пропускания, расстройки для соседнего канала и др. параметров. Для обеспечения необходимой избирательности в 56...60 дБ необходимо было бы взять более 6 LC звеньев ФСС, что в значительной степени бы загромоздило схему.

В современных радиовещательных приемниках используются компактные пьезокерамические или кварцевые фильтры (ФОС) с ослаблением соседнего канала на 40дБ и более.

В качестве фильтра основной селекции УПЧИ будем использовать пьезоэлектрический фильтр на поверхностных акустических волнах ПЧ изображения стандарта D/K К04ФЕ001-1 со следующими параметрами:

·   неравномерность АЧХ: 1.2дБ;

·   избирательность на частоте соседнего канала относительно частоты 38МГц: 45дБ;

·   затухание передачи фильтра на частоте 38МГц: 20дБ.

В качестве фильтра основной селекции УПЧЗ будем использовать пьезоэлектрический фильтр на поверхностных акустических волнах ПЧ звука стандарта D/K К04ФЕ003 со следующими параметрами:

·   полоса пропускания по уровню -3 дБ: 300кГц;

·   избирательность на частоте соседнего канала относительно частоты 6,5МГц: 38дБ;

·   затухание передачи фильтра на частоте 6,5МГц: 15дБ.

На основании предварительного расчёта можно выбрать окончательно основные узлы РПУ. Структурная схема из расчетов будет включать в себя входную цепь, УРЧ, смеситель, УПЧИ, ФОС, детектор. Вторая промежуточная частота звука 6.5МГц подаётся на ФОС звука, далее на УПЧЗ, детектор, предварительный усилитель звука, усилитель мощности, динамик.

приёмник радиочастота шум поддиапазон

4. Расчет принципиальной схемы радиоприемника

.1 Расчет входных цепей

Входной цепью называют часть схемы приемника, связывающая антенну с входом последующего каскада. Она предназначена для передачи сигнала от антенны к первому каскаду и предварительного ослабления помех. В соответствии с этим к входной цепи приемника предъявляются следующие требования:

1)   Входная цепь должна передавать как можно большее напряжение на вход первого каскада.

2)   Входная цепь должна обеспечить ослабление всех мешающих сигналов, в том числе помехи, проходящей по зеркальному каналу, помехи на частоте, равной промежуточной, и на частоте соседнего канала.

3)   Входная цепь должна настраиваться на частоту принимаемого сигнала, обеспечить перекрытие диапазона принимаемых частот. При этом изменение качественных показателей не должно превышать заданной нормы.

4)   Изменение параметров антенны и входных параметров первого каскада не должно вызывать превышающих норму изменений качественных показателей. Это накладывает требования на выбор способа связи с антенной и входом первого каскада и на ее величину.

5)   Входная цепь должна пропускать спектр частот принимаемого радиосигнала с неравномерностью не больше заданной нормы.

Одним из требований, предъявляемых к ВЦ, является обеспечение минимального изменения коэффициента передачи при перестройке в диапазоне рабочих частот.

Коэффициент передачи ВЦ при емкостной связи антенны с контуром резко увеличивается при возрастании частоты, следовательно, различные по частоте сигналы принимаются приемником по-разному.

Автотрансформаторная связь трудно реализуема, потому что рабочие частоты достаточно большие, следовательно, число витков катушки индуктивности будет мало и сделать качественное согласование будет практически невозможно. Обычно автотрансформаторную связь используют в диапазонах СВ и ДВ.

На метровых волнах чаще применяется трансформаторная связь с антенной. Также достоинством трансформаторной связи является хорошая работа, как с настроенной, так и с ненастроенной антенной при частоте сигнала выше резонансной частоты антенны.

Для перестройки контура используется электронная настройка с помощью варикапов. Существует два варианта включения варикапов в колебательный контур с электронной настройкой рисунок 4.

Рисунок 2. Схемы с электронной настройкой.

Резистор R нужен для уменьшения шунтирующего действия на резонансный контур цепи управления настройкой.

Но емкость варикапа может изменяться и под действием входного сигнала, что приводит к нелинейным преобразованиям помех и сигналов, ухудшению селективности. Ослабить нелинейные эффекты можно, встречно включив два варикапа по схеме на рисунке 4, б.

Принципиальная схема, двухконтурной входной цепи, представлена на рисунке 5. Здесь связь между контурами - внутриемкостная через конденсатор Ссв1 и внешнеемкостная через Ссв2. Подстроечные конденсаторы Cп необходимы для точной настройки контура в резонанс.

Рисунок 3. Принципиальная схема ВЦ.

Рассчитаем ВЦ с трансформаторной связью для метрового диапазона.

Варикап: Смин =2 пФ, к-т перекрытия =7,6.

Начальная емкость схемы С0, при которой выбранный варикап с изменением емкости от Сmin до Сmax обеспечит перекрытие диапазона kд:

пФ.

Эквивалентная емкость контура, с учетом емкости настройки и емкости вносимой транзистором:

Рассчитаем индуктивность катушки резонансного контура:

.   

Индуктивность катушки связи будет равна:

.

Коэффициент включения УРЧ в контур L2 выбирается равным единице (mвх=1), т.к. при использовании полевого транзистора G0>>Gвх, в этом случае затухание контура не зависит от mвх .Для снижения паразитной емкости между катушкой связи и катушкой контура коэффициент связи между ними, обеспечивая согласование, должен быть наименьшим. Минимальный коэффициент, при котором обеспечивается, согласование вычисляется по формуле:

.

Определяем коэффициент взаимоиндукции между катушкой связи и катушкой контура:

.

Вычисляем на трех частотах диапазона fMIN, fСР, fMAX коэффициент передачи входной цепи по формуле:

.

Результаты приведены в таблице 4:

Таблица 4

f, МГц

174

202

230

KВЦ, дБ

3,3

3,2

3,1


Связь между контурами выбирается из следующих соображений. При настройке контуров изменением емкости затухания их остаются почти постоянными, а полоса пропускания растет с увеличением частоты. Для сохранения постоянства полосы пропускания рекомендуется уменьшать Ксв.

Коэффициент емкостной связи между контурами полосового фильтра обеспечивающий согласование:

.

Емкость конденсатора внутриемкостной связи выбирается Ссв1=2,2пФ:

Но внутриемкостная связь слишком увеличивает Ксв:

.

Поэтому обычно используют комбинированую связь, сочетая внутриемкостную связь с внешнеемкостной, которая компенсирует избыточное увеличение Ксв.

Емкость конденсатора внешнеемкостной связи:

    

Емкость подстроечного конденсатора:


где См = 2пФ.  

В результате расчётов получается:= L2 = 125нГн;СВ = 110нГн;св2 = 2,2пФ, Cсв1 = 56пФ, Сп = 22пФ;

Рассчитаем ВЦ с трансформаторной связью для ДМВ диапазона.

Рисунок 4 Входная цепь ДМВ диапазона с трансформаторной связью.

Рассчитаем ВЦ на полосковой линии:

Принципиальная схема приведена на рисунке 4.

Диапазоны принимаемых частот: 470-630 МГц

 

Исходные данные для расчета:

Сmin=2пФ Сmax=2*4,5=9пФ

Диапазон принимаемых частот: 630 МГц-470МГц

эквивалентные добротности: QЭmax =37 QЭmin =30

Параметры антенны: Ra=187 Ом.

Будем использовать несимметричную полосковую линию на основе стеклотекстолита СКМ-1, с диэлектрической проницаемостью e=4.2.

Зададимся следующими размерами линии: w=4мм; h=2мм; t=20мкм.

Рассчитаем волновое сопротивление линии:

Ом

Исходя из этого найдём длину линии:

Найдём минимальную длину волны ДМВ диапазона.

м

резонанс будет при длине линии=1/4 длины волны.=0,119м

Длина волны в линии=м

Если взять линию, замкнутую на конце, то при длине волны в линии меньше 1/4 сопротивление линии будет иметь чисто индуктивный характер(на её разомкнутом конце). Таким образом, включив на разомкнутый конец линии ёмкость, можно изменять резонансную частоту контура.

На резонансную частоту контура будет влиять суммарная ёмкость варикапа и подстроечного конденсатора.

Примем минимальную ёмкость =6пФ.(2пФ - Смин варикапа , 4 пФ-подстроечный конденсатор)

При максимальной частоте найдём длину линии (630 МГц)

 Ом.

Нормированное к волновому сопротивлению линии

 Ом

При резонансе реактивные сопротивления равны. XL=Xc.

-сопротивление линии, замкнутой на конце.

-коэффициент фазы.

2,5 см. - длина полосковой линии.

При наименьшей частоте диапазона (470 МГц) и длине линии 25мм найдём индуктивное сопротивление полосковой линии.

Длина волны в воздухе м.

Длина волны в линии м.


 Ом

Отсюда ёмкость контура,8пФ на минимальной частоте.

Таким образом, выбранный варикап обеспечивает перекрытие заданного диапазона. (Смакс=9пФ+4пФ=13пФ)

Найдём сопротивление активных потерь:


Резонансная проводимость определяется:

, y=37.92 Ом


 См Qэmax=30, на максимальной частоте.

Ом- резонансное сопротивление контура


 

К-т связи между контурами


Вычислим положение отвода для антенны.

=6,13 мм.

Таким образом: длина линий=25мм, -расстояние от пучности тока (С3) до отвода к антенне = 6,13 мм.

4.2 Расчет усилителей радиочастоты

Сигнал от ВЦ поступает на вход УРЧ . УРЧ метрового и дециметрового диапазона выполнены по одной схеме, что упрощает расчет. В данном УРЧ используется схема параллельного питания, через дроссель напряжение питания поступает на сток транзистора. Цепь R5C7(R10C31) служит для термостабилизации тока стока, а также R5(R10) создает напряжение обратного смещения на затворе. Пределы изменения крутизны транзистора при изменении напряжения на втором затворе: -2 ¸ 4В

,8¸11 мСм. Для изменения диапазона регулирования усиления нужно сделать потенциал истока 4В, для этого используется сопротивление R4(R9). Конденсаторы С6,C8,C30,C32 - разделительные.

Рисунок 5 Усилитель ВЧ ДМВ.

Рисунок 6 УРЧ МВ.

Исходя из данных полученных при расчете блок-схемы, рассчитаем одноконтурный усилитель радиочастоты МВ на полевом транзисторе КП327Б. Рабочая точка выбрана по ВАХ транзистора из соображений максимального усиления и минимального к-та шума:С0 = 10мА, UСИО = 8В.

Поскольку каскады идентичны, рассчитаем элементы схемы питания только для одного УРЧ.

Рассчитаем R5(R10) необходимое для термостабилизации:

   

где dIСнач = 0,3 - относительная нестабильность тока стока,

S = 0,011 См - крутизна характеристики.

Для расчета R4(R9) используется формула:


где Rи = 300 Ом - сопротивление истока транзистора.

Подставив, значения в формулу получается: R4 = 722,7 Ом.

Для расчета R1 и R2(R7 R8) составим систему уравнений:

 

где Rвх = 30 кОм - входное сопротивление транзистора,

Uз1 = 0,25В.

Решая эту систему можно найти R1, R2:= 243кОм, R2 = 34кОм

Конденсатор C7 (C31)выбирается из условия:

= 215пФ.  = 80пФ    

Конденсатор C8 (C32)выбирается из условия:

= 1,5пФ » 1пФ,

где Rвых = 30,7 кОм - входное сопротивление транзистора.

Дроссель L9 (L3)выбираем из условия:

= 140мкГн.  = 253мкГн   

Дроссель используется вместо резистора для того, чтобы падение напряжения на нем по постоянному току было мало, а по переменному току - велико.

Коэффициент усиления каскада УРЧ на максимальной частоте диапазона вычисляется по формуле:

К-т усиления на макс. частоте МВ диапазона

раз (27 дБ).

К-т усиления на макс. частоте ДМВ диапазона

раз (22 дБ).

Емкость подстроечного конденсатора(C34):

    

Коэффициент шума каскада :

 

где - эквивалентное шумовое сопротивление транзистора;

gзи = 0,12 (w0Сзи)/g21 = 0,0037 См;    

gк = 1/w0L2 = 0,054 См.     

Отличие УРЧ дециметрового диапазона в использовании транзистора КП327А, параметры которого позволяют построить усилитель очень высоких частот.

Согласование со смесителем на МВ:

Входная проводимость смесителя на МВ Y11=1,9 мСм.

Входное сопротивление=526 Ом.

Резонансное сопротивление контура L10.1 C33 VD6

*15,3=2090 Ом.

Следовательно, коэффициент включения

При к-те связи Ксв=0,2 индуктивность катушки связи (L10.2)

=781 нГн.

Согласование со смесителем на ДМВ:

Входная проводимость смесителя на МВ Y11=10 мСм.

Входное сопротивление=100 Ом.

Резонансное сопротивление контура

L4 C10 VD3 R=1260 Ом.

Следовательно, коэффициент включения

4.3 Выбор смесителя

Смеситель метрового и дециметрового диапазона выполнен на микросхеме TDA5332T. Это специализированная микросхема предназначена для использования в ТВ приёмниках цветного и черно-белого изображения. Микросхема представляет собой двухполосный высокочастотный смеситель - гетеродин для всеволновых селекторов телевизионных каналов (полоса А - диапазон метровых волн, расширенный до 470 МГц; полоса B - диапазон дециметровых волн).

Микросхема имеет возможность подключения входного сигнала как симметрично, так и не симметрично, что значительно упрощает работу проектировщика. Усилитель промежуточной частоты имеет симметричный выход сигнала промежуточной частоты и рассчитан на подключение фильтра на ПАВ.

Типовая схема включения приведена на рисунке 7.

Таблица 5 Параметры ИМС TDA 5332T.

Параметр

Мин

Макс

Е пит

10 В

13,2 В

Е пер.диап

Band A 0-1,1 V Band B 3-5V

Предварительный УПЧ к-т передачи

11 дБ

13 дБ

   Диапазон МВ

Частота

45 МГц

470 МГц

К-т шума

7,5 дБ

11 дБ

Вх.ёмкость

-------------

2,5 пФ.

Макс.вх. U

--------------

100дБ

К-т передачи

25 дБ

30 дБ

Крутизна преобразов.

3,5 мС

------------

   Диапазон ДМВ

Частота

160МГц

860МГц

К-т шума

9дБ

11дБ

Макс.вх.мощн

---------------

-21дБм

К-т усиления

36 дБ

-------------


Рисунок 7. Типовая схема включения TDA5332T.

.4 Разработка тракта усиления промежуточной частоты

.4.1 Тракт усиления промежуточной частоты изображения

В современной телевизионной технике используются микросхемы, включающие в себя весь тракт УПЧИ. Одним из представителей таких микросхем является МС К1021УР1.

Микросхема представляет собой усилитель промежуточной частоты канала изображения с задержанной АРУ, демодулятором и системой автоподстройки частоты. Предназначена для применения в телевизионных приемниках черно-белого и цветного изображения. Структурная схема микросхемы приведена на рисунке 10.

Рисунок 8. Структурная схема К1021УР1.

Функциональный состав: I - регулируемый усилитель промежуточной частоты; II - синхронный демодулятор видеосигнала; III - предварительный видеоусилитель; IV - усилитель-формирователь опорного сигнала; V - синхронный демодулятор системы АПЧ; VI - выходной усилитель системы АПЧ; VII - узел АРУ и инвертор ультрачерных помех; VIII - инвертор ультрабелых помех.

Назначение выводов: 1,16 - вход УПЧ; 2,15 - блокировка входа УПЧ; 3 - установка порога АРУ на селектор каналов; 4 - выход АРУ на селектор каналов; 5 - выход напряжения автоподстройки частоты; 6 - выключение АПЧ; 7,10 - подключение фазосдвигающего контура АПЧ; 8,9 - подключение опорного контура демодулятора видеосигнала; 11 - напряжение питания (+Uп); 12 - выход видеосигнала; 13 - напряжение питания (-Uп); 14 - выключение УПЧ при работе телевизора от видеовхода.

Рисунок 9. Типовая схема включения К1021УР1.

.4.2 Тракт усиления промежуточной частоты звука

С выхода микросхемы К1021УР1 сигнал поступает на ФОС звука, где от мешающих сигналов отфильтровывается промежуточная частота звука. После чего отфильтрованный сигнал поступает вход микросхемы К174УР11.

Микросхема представляет собой усилитель промежуточной частоты звука с предварительным УНЧ и регулировками громкости и тембра. Предназначена для работы в звуковом канале телевизионных приемников в качестве усилителя промежуточной частоты, осуществления регулировок громкости и тембра по низшим и высшим звуковым частотам и коммутации сигналов звукового сопровождения в режиме «Запись на видеомагнитофон» и «Воспроизведение с видеомагнитофона». Типовая схема включения приведена на рисунке 12.

Назначение выводов: 1 - вход переключателя видеомагнитофона; 2 - выключение ПЧ, обратная связь; 3 - вход ПЧ; 4 - общий; 5 - вход демодулятора; 6 - сопряжение с видеомагнитофоном; 7,9 - физиологическая коррекция высоких частот; 8 - физиологическая коррекция низких частот; 10 - вход звуковой частоты; 11 - выход; 12 - коррекция низких частот; 13 - регулировка тембра по низким частотам; 14 - регулировка тембра по высоким частотам; 15 - напряжение питания (Uп); 16, 17 - фазосдвигающие контуры; 18 - коррекция высоких частот.

В типовой схеме включения сопротивление резистора R3 подбирается так, чтобы добротность ненагруженного фазосдвигающего контура R3C5L2 Q = 45±2 на резонансной частоте была f = 6.5 МГц. Резонансная частота контура L1C2 равна 6,5 МГц.

Рисунок 10. Типовая схема включения К174УР11.

Но усиления этой микросхемы недостаточно для получения необходимой мощности на громкоговорителе. Поэтому после микросхемы К174УР11 включается усилитель мощности низкой частоты К174УН14.

Микросхема представляет собой усилитель мощности низкой частоты с выходной мощностью 4,5 Вт Предназначена для использования в оконечных ступенях тракта звуковоспроизводящей аппаратуры и в телевизионных приемниках. По сравнению с К174УН7 имеет более совершенную встроенную тепловую защиту и защиту от коротких замыканий на выходе, токовых перегрузок и перемены полярности, а также меньшее значение Кг.

В состав микросхемы входят, устройство защиты oт перегрузок, предварительный усилитель, управляющий каскад, мощный выходной каскад, тепловая защита.

Рисунок 11. Типовая схема включения К174УН14.

Назначение выводов: 1 - неинвертирующий вход; 2 - инвертирующий вход, 3 - общий (- Uп); 4 - выход; 5 - напряжение питания (+ Uп).

Рисунок 12. Расчётная схема УНЧ.

Определим требуемый к-т усиления.

К=  P-мощность на выходе (1Вт по заданию)

R- сопротивление нагрузки (4 Ом по заданию).

Uвх- выходное напряжение микросхемы К174УР11 (70 мВ).

 R36=10 Ом, R35=10*28,57=285 Ом.

R 35 берём 330 Ом для запаса к-та усиления.

Расчёт АРУ.

ИМС К1021 УР1 содержит встроенную АРУ.

Диапазон АРУ по входному напряжению составляет 50 дБ.

По графику зависимости тока АРУ от входного напряжения определим изменение управляющего напряжения от изменения амплитуды входного сигнала.

При изменении входного сигнала от 100 мкВ до 3 мВ происходит изменение тока от 0 до макс. значения (10мА). При данной схеме включения напряжение на 2 затворе изменяется от 8 до 0,1 В.

При таком изменении напряжения на 2 затворе крутизна УРЧ изменяется в 10 раз.

Тогда общая эффективность всей системы

 К- к-т усиления УРЧ к-т обратной связи


Эфф-ть АРУ за счёт УРЧ =

Общая эфф-ть АРУ =14,9 дБ+50дБ=64,9 дБ.

Что соответствует заданию - 50-3 =47 дБ.

Расчёт регулировки громкости.

По заданию регулировка усиления 36 дБ (63раз).

Таким образом, делитель R39 R38 при минимальной громкости (крайнее нижнее по схеме положение R39) должен обеспечить ослабление сигнала в 36 раз.

При входном сопротивлении УНЧ =100 Ком R39 выбираем = 22 Ком.

Тогда R38=Ком.

Окончательные результаты проектирования:

Рисунок 12 - схема регулировки громкости.

Таблица 6 ДМВ тракт.

Блок

К-т усиления

К-т шума

Неравн. АЧХ

ВЦ

0,7

1,42

1,5 дБ

УРЧ

13,2 (22дБ)

1,58 (4дБ)

0,3дБ

СМ

63 (36 дБ)

3,5 (11дБ)

0,1дБ


Таблица 7 МВ тракт.

Блок

К-т усиления

К-т шума

Неравн. АЧХ

ВЦ

0,7

1,42

0,74 дБ

УРЧ

23 (27дБ)

1,58 (4дБ)

0,3дБ

СМ

31 (30дБ)

3,5 (11дБ)

0,1дБ


Таблица 8 Предв.УПЧ+ФОС +УПЧ

Блок

К-т усиления

К-т шума

Неравн. АЧХ

Предв.УПЧ

3,98(12дБ)

1,24

0,4 дБ

ФОС

0,1 (-20дБ)

10

1,2дБ

УПЧ

2000 (66 дБ)

4

0,1дБ


Таким образом, к-т усиления линейного тракта на ДМВ=393000 (111,9 дБ), что несколько больше, чем получено при предварительном расчёте(104,4 дБ).

Необходимый к-т усиления линейного тракта на МВ (95дБ).

Полученный к-т усиления=96729 (99 дБ)

Неравномерность АЧХ=1,5+0,3+0,1+0,4+1,2+0,1=3,6дБ на ДМВ

---------//------------------- =0,74+0,3+0,1+0,4+1,2+0,1=2,84 дБ на МВ

Неравномерность не превышает заданной (5дБ)

К-т шума на ДМВ

Что меньше макс. допустимого (N=3,62)

К-т шума на МВ

Что меньше макс. допустимого (N=5,23).

Диапазон регулировки громкости =36дБ.

Размах ПТС (не менее) 2,8 В.

Выходная мощность не менее 1 Вт на Rн=4 Ом.

Полоса захвата АПЧ =1МГц .

Возможность отключения АПЧ при переключении каналов.

Электронное переключение диапазонов.

Заключение

В результате курсового проекта был рассчитан радиоканал ТВ-приёмника, схемотехнически состоящий из следующих узлов:

• Входная цепь с автотрансформаторной связью контура с антенно-фидерной системой на ДМВ и с трансформаторной связью на МВ.

• 2 УРЧ на полевом двухзатворном транзисторе КП327А,Б в схеме с общим истоком

• Микросхема ТDА5332, выполняющая функции балансного смесителя, гетеродина и УПЧ,

• Микросхема КР1021УР1, выполняющая функции УПЧ, демодулятора, предварительного видеоусилителя, устройства АПЧ, детектора и усилителя АРУ, распределителя АРУ, усилителя внешнего АРУ и видеоусилителя.

• Микросхема К174УР11, выполняющая функции детектора второй промежуточной частоты звука, предварительного усилителя напряжения, регулятора громкости и тембра.

• Микросхема К174УН14, выполняющая функцию усилителя мощности.

Похожие работы на - Разработка телевизионного приемника

 

Не нашли материал для своей работы?
Поможем написать уникальную работу
Без плагиата!
Без нейросетей!