Разработка термометра на АЦП К572ПВ5 с выводом на жидкокристаллический индикатор
Содержание
Введение
1. Термометр
2. Применение АЦП КР572ПВ
. Термодатчики К1019ЕМ1, К1019ЕМ1А
. Стабилизатор напряжения КР142ЕН19
Заключение
Литература
Введение
Измерители температуры (термометры) всегда широко использовались в
деятельности человека: как в научных, так и в бытовых целях. Первоначально
использовались физические свойства тел и жидкостей (спирт, ртуть). Но в
настоящее время широко применяются и электронные термометры, которые
преобразуют температуру в электрический ток или напряжение. Датчиками таких
систем обычно являются термопары, резистивные делители и p-n переход.
Целью данного курсового проекта является разработка термометра на основе
широко распространённой АЦП К572ПВ5 с выводом на ЖКИ. В качестве датчика служит
p-n переход; требуемая дискретность - 0,1°C; напряжение питания - 9В.
1. Термометр
За основу взята схема термометра из [2]. Прибор выполнен на базе
аналого-цифрового преобразователя (АЦП) КР572ПВ5А - DD1. Датчик температуры - специально предназначенная для этой
цели микросхема К1019ЕМ1 - DA1.
Эта микросхема может рассматриваться как стабилитрон с малым дифференциальным
сопротивлением (менее 1 Ом) и напряжением стабилизации, пропорциональным
абсолютной температуре. Рабочий ток через него (около 1 мА) определяется
резистором R1
Чтобы
при температуре 0°С показания термометра были нулевыми, на вход АЦП следует
подать сигнал, уровень которого был бы равен разности напряжения на датчике и
образцового напряжения 2,732 В. Это напряжение должно поддерживаться с высокой
стабильностью, а температурный коэффициент напряжения (ТКН) встроенного в
микросхему КР572ПВ5А источника слишком велик. По этой причине в описываемом
приборе в качестве источника образцового напряжения используется микросхема DA2
КР142ЕН19, обладающая весьма малым ТКН. Эта микросхема выполняет функции
регулируемого прецизионного стабилитрона. Необходимое напряжение 2,732 В
устанавливается подстроечным резистором R3, а рабочий
ток через микросхему и делитель R3R4 (около 6 мА) задается резистором R5.
Измеряемой
температуре 100°С соответствует напряжение между входами +Uвх (выв.
31) и -Uвх (выв. 30) АЦП DD1, равное 1 В. А чтобы на индикаторе HG1
высвечивались при этом знаки 100,0 на входы +Uo6p
(выв. 36) и -Uобр (выв. 35) АЦП DD1 необходимо подать образцовое
напряжение 1 В. Оно снимается с движка подстроечного резистора R7.
Частота
работы генератора АЦП 50 кГц выбрана из стандартного ряда и задана элементами
С4 и R9. Номиналы элементов интегратора R10 и
С5 и конденсатора автокоррекции нуля С6 соответствуют приведенной частоте
генератора и величине образцового напряжения 1 В. Конденсатор С1 защищает
датчик от наводок, а С2 исключает генерацию внутреннего источника опорного
напряжения -2,9 В. Цифра "1" включается на индикаторе HG1 лишь тогда,
когда измеряемая температура равна или превышает 100°С.
Для
управления четырьмя десятичными запятыми используются дополнительные четыре
логических элемента ИСКЛЮЧАЮЩЕЕ ИЛИ (DD2). Они повторяют фазу
"меандра" для неиндицируемых запятых и инвертируют ее для той,
которая должна быть видна.
Регулировка
термометра производится в следующем порядке: поместив датчик DA1 в тающий снег
или лед (но не в воду со льдом), подстроечным резистором R3
нужно добиться нулевых показаний на индикаторе. Далее датчик опускают в воду,
нагретую до 30...40°С, температура воды должна при этом контролироваться точным
термометром. Затем подстроечным резистором R7 необходимо
установить соответствующие показания на индикаторах.
Блок
питания прибора
Напряжение
питания всего прибора (-9 В) стабилизировано стабилизатором на микросхеме DA3,
включенной по типовой схеме с защитой от короткого замыкания. R14, R15 - делитель в цепи базы транзистора защиты; R16 - резистор -датчик схемы защиты R14=2 кОм,
R15=(Uвых+0,5)/0,3,
кОм Þ R15=18 кОм;
R16=0,5/Iпор.Þ R16=15 Ом.
Ёмкость
фильтра рассчитывается по следующей формуле:
Cф = 0,175×Iп/fп×Eвх×Kп,
где
Iп - ток потребления,
fп - частота пульсаций; fп = 2×fс,
Eвх - входное напряжение,
Kп - коэффициент пульсаций.
Cф = 100 мкФ.
В
диодном мосте использованы диоды КД102А.
Трансформатор
рассчитывается следующим образом:
Действующее
значение напряжения во вторичной обмотке:
U2=Eвх/1,414=11,6В
Площадь сечения сердечника:
где Pст=U2×3.33×Iп=2 Вт
Число витков на вольт:
N=108/4.44×fс×Br×Sст=40 вит/В
где fc=50 Гц;
Br=8000
Тл;
Количество витков первичной обмотки:
W1=1.05×Uc×N=9240 вит.
Количество витков вторичной обмотки:
W2=U2×N=436 вит.
Диаметр провода первичной обмотки:
Диаметр
провода вторичной обмотки:
Ширина
сердечника -1см; толщина набора - 1,5 см ,
Предохранитель
в сетьевой обмотке 0,1А.
Расчёт
погрешности
Погрешность
АЦП:
dАЦП=Uоп/2N
где N - разрядность АЦП (11р.).
dАЦП=0,05%
Погрешность термодатчика:
dд=0,1%
Погрешность источника опорного напряжения (КР142ЕН19):
dИОН=0,12%
Общая погрешность будет равна:
d=dАЦП+dд+dИОН=0,27%
. Применение АЦП КР572ПВ5
Назначение АЦП КР572ПВ5 - преобразование напряжения аналогового сигнала в
цифровую форму для последующего отображения уровня сигнала цифровым
индикатором. Прибор рассчитан на совместную работу с жидкокристаллическим
четырехразрядным цифровым индикатором.
Микросхему КР572ПВ5 изготовляют по технологии КМОП.
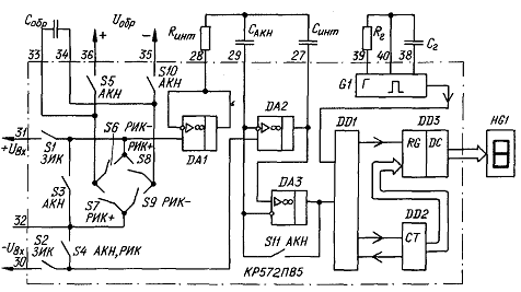
Преобразователь (рис. 1) состоит из аналоговой и цифровой частей.
Аналоговая содержит электронные выключатели S1-S11, буферный ОУ DA1, работающий в режиме повторителя,
интегратор на ОУ DA2, а также
компаратор DA3. В цифровую часть входят генератор G1, логическое устройство DD1, счетчик импульсов DD2, регистр памяти с выходным
дешифратором DD3.
Рис.1
В преобразователе использован принцип двойного интегрирования, в
соответствии с которым вначале разряженный интегрирующий конденсатор Синт
заряжают определенное время током, пропорциональным измеряемому напряжению, а
затем разряжают определенным током до нуля. Время, в течение которого
происходит разрядка конденсатора, будет пропорционально измеряемому напряжению.
Это время измеряют с помощью счетчика импульсов; с его выхода сигналы подают на
индикатор.
На вход преобразователя (выв. 30 и 31) подают измеряемое напряжение Uизм, а на выв. 36 и 35 -- образцовое Uoбp. Цикл измерения (рис. 2) состоит из трех этапов - интегрирования
сигнала, т. е. зарядки интегрирующего конденсатора (ЗИК), разрядки
интегрирующего конденсатора (РИК) и автоматической коррекции нуля (АКН).

Каждому этапу соответствует определенная коммутация элементов
преобразователя, выполняемая выключателями S1-S11 на
транзисторах структуры МОП. На схеме рис. 1 надписи у выключателей обозначают
этап, в течение которого "контакты" замкнуты. Длительность этапа,
точно задаваемая счетчиком DD2, пропорциональна периоду тактовой частоты fт.
В течение этапа ЗИК, длящегося 4000 периодов тактовой частоты, входной
сигнал через выключатели S1, S2 и буферный усилитель DA1 поступает
на вход интегратора DA2. Это вызывает на конденсаторе Синт накопление заряда,
пропорционального и соответствующего по знаку приложенному входному напряжению.
Напряжение на выходе интегратора DA2 изменяется с постоянной скоростью,
пропорциональной входному сигналу.
Предположим, что к началу этапа ЗИК заряд на конденсаторах Синт и Сакн и
напряжение смещения нуля ОУ DA1- DA3 равны нулю (Сакн - запоминающий
конденсатор узла автоматической коррекции "нуля"). Так как входной
ток интегратора DA2 мал, изменения напряжения на конденсаторе Сакн не
происходит, и он фактически не оказывает влияния на процесс интегрирования.
Конденсатор Собр остается с предыдущего цикла заряженным от источника
образцового напряжения до Uo6p. В конце этапа ЗИК компаратор DA3
определяет знак входного напряжения по знаку напряжения на выходе интегратора
DA2. Чувствительность компаратора DA3 такова, что он правильно определяет
полярность входного сигнала, даже если сигнал существенно меньше единицы
отсчета.
При работе преобразователя на этапе РИК входной сигнал на интегратор DA2
не поступает. К его входу выключатели S7, S8 или S6, S9 присоединяют
заряженный до образцового напряжения конденсатор Собр. причем в такой
полярности (этим и обусловлен выбор той или иной пары выключателей), при
которой происходит разрядка конденсатора Синт.
Разрядка длится до тех пор, пока конденсатор Синт не разрядится
полностью, т. е. напряжение на выходе ОУ DA2 не станет равным нулю. В этот
момент подключенный параллельно конденсатору Синт компаратор DA3 срабатывает и
завершает этап РИК. Заряд конденсаторов Собр и Сакн практически не изменяется.
Время разрядки конденсатора Синт, выраженное числом периодов тактовых
импульсов, и есть результат измерения, записанный в счетчике DD2. Состояние
счетчика переписывается в регистр DD3, а затем после дешифрации в
семиэлементный код сигналы поступают на индикатор.
При знаке напряжения Uвx, противоположном указанному на рис.
1, элемент g1 индикатора HG1 индицирует знак "минус". При перегрузке на табло
остается лишь цифра 1 в старшем разряде и знак "минус" (для
отрицательного напряжения).
Этап АКН начинается с прекращения работы счетчика DD2, когда логическое
устройство DD1 "замыкает контакты" выключателей S3, S4 и S11. Образовавшаяся при этом
следящая система обеспечивает зарядку конденсаторов Синт и Сакн до напряжения,
компенсирующего смещение "нуля" операционных усилителей DA1-DA3. Оно
остается неизменным в течение двух последующих этапов ЗИК и РИК. В результате
приведенная ко входу погрешность из-за смещения "нуля" и его
температурного дрейфа не превышает 10мкВ.
Работой всех узлов преобразователя управляет встроенный тактовый
генератор. Частота следования его импульсов определяется внешними элемента Rr и Сг. Для подавления сетевых помех с
значениями частоты, кратными 50 Гц, тактовую частоту следует выбирать такой,
чтобы во время интегрирования, равное 4000 периодов тактового генератора Tт, укладывалось целое число Nс
периодов сетевого напряжения (длительность сетевого периода равна 20 мс).
Таким образом, 4000Тт = 20 Nc мс,
где Nc = 1, 2, 3 и т. д. Отсюда, fт = 1/Tт
= = 200/Nс кГц, т. е. 200, 100, 67, 50, 40 кГц; меньшие значения обычно не
используют. Номиналы частотозадающих цепей тактового генератора рассчитывают по
формуле Сг = 0,45/fт × Rr. Для повышения стабильности частоты между выводами 39 и
40 может быть включен кварцевый резонатор (при этом элементы Rr и Сг не нужны).
При работе преобразователя от внешнего генератора тактовые импульсы подают на
выв. 40; выв. 38 и 39 при этом оставляют свободными.
Пределы входного напряжения устройства зависят от образцового напряжения Uoбp и определяются соотношением Uвxmax = +1,999 Uo6p.
Текущие показания индикатора должны выражаться числом, равным 1000 Uвх/Uo6p, однако на
практике они ниже на 0,1...0,2%. Период измерений при тактовой частоте 50 кГц
равен 320 мс. Иначе говоря, прибор производит 3 измерения в секунду.
Типовая схема включения преобразователя, его соединения с
жидкокристаллическим индикатором и четырьмя элементами ИСКЛЮЧАЮЩЕЕ ИЛИ,
необходимыми для управления десятичными запятыми индикатора, показана на рис.
3.
Преобразователь рассчитан на однополярное питание стабильным напряжением
в пределах от 7 до 10 В. Плюсовой провод источника питания подключают к выв.1,
а минусовой - к выв. 26. При напряжении питания 9 В ±1 % и температуре
окружающей среды 25±5°С
максимальный потребляемый ток не превышает 1,8 мА, при этом погрешность
преобразования - не более единицы младшего разряда. Входное сопротивление
определяется лишь утечками и существенно превышает 100 МОм.
Рис.3
Преобразователь оснащен двумя встроенными источниками питания, один
напряжением 2,9±0,5
В, а второй - около 5 В. Плюс первого соединен с выв. 1, а минус - с выв. 32
(этот вывод принято считать общим проводом аналоговой части преобразователя). У
второго источника плюс на том же выв. 1, а минус - на выв.37.
Первый (трехвольтный) источник служит для формирования образцового
напряжения с помощью резистивного делителя. Изменение выходного напряжения
этого источника при колебаниях напряжения питания микросхемы в пределах
7,5...10 В не превышает 0,05%; температурный коэффициент напряжения положителен
и не превосходит 0,01% /°С. Эти параметры преобразователя обеспечивают весьма
высокую точность мультиметра, построенного на его основе, при работе в
лабораторных условиях (при колебаниях температуры воздуха в пределах 15...25°С)
и вполне приемлемую для многих измерений в более широком температурном
интервале.
В то же время выходное сопротивление источника довольно велико - при токе
нагрузки 1 мА напряжение на его выходе падает примерно на 5%, при 3 мА - на
12%. Поэтому указанная стабильность напряжения реализуема лишь при постоянной
нагрузке. Если же нагрузку подключить к выв. 26 и 32, нагрузочный ток не может
превышать 10 мкА. Это свойство источника позволяет организовать двуполярное
питание преобразователя , при котором общий провод двух плеч блока питания надо
будет подключить к выв. 32, провод минусового плеча - к выв. 26,плюсового - к
выв. 1; пределы напряжения питания - 2х(3,5...5) В.
Второй (пятивольтный) источник предназначен для питания цепей управления
жидкокристаллическим индикатором. Плюсовой вывод этого источника - выв. 1,
минусовой - выв. 37. Стабильность напряжения источника хуже, чем у
трехвольтного, примерно в 10 раз. Нагрузочная способность также невелика - при
токе нагрузки 1 мА выходное напряжение уменьшается на 0,8 В, поэтому
использовать его можно практически только для питания микросхемы, управляющей
ЖКИ.
На выходе F преобразователь
вырабатывает последовательность прямоугольных импульсов вида "меандр"
с частотой, в 800 раз меньшей тактовой (62,5 Гц при fт = 50 кГц). На выходах, подключаемых к элементам цифр
индикатора, напряжение имеет ту же амплитуду, форму и частоту, но оно синфазно
с напряжением на выходе F для невидимых элементов и противофазно для видимых.
Низкий уровень этих импульсов соответствует -5 В (выв. 37), а высокий - нулю
(выв. 1).
Для настройки тактового генератора удобно, когда частота импульсов на
выходе F равна частоте сети. Осциллограф, на экране которого их наблюдают,
синхронизируют от сети и настраивают тактовый генератор на такую частоту
(вблизи 40 кГц), при которой изображение становится практически неподвижным.
Для управления четырьмя десятичными запятыми необходимы дополнительные
четыре логических элемента ИСКЛЮЧАЮЩЕЕ ИЛИ (DD1 на рис. 3). Они повторяют фазу "меандра" для
неиндицируемых запятых и инвертируют ее для той, которая должна быть видна.
Для индикации той или иной запятой достаточно соответствующий вход
управления запятой соединить с выв. 1 - общей точкой источников питания
(остальные входы оставляют свободными).
При использованном включении микросхемы DD1 это будет означать подачу на
выбранный вход высокого уровня.
Как уже было указано, АЦП на микросхеме КР572ПВ5 измеряет отношение
значений напряжения на входах Uвх и Uобp. Поэтому возможны два основных варианта ее применения.
Традиционный вариант - напряжение Uo6p неизменно, Uвх меняется в пределах ±2Uo6p (или от 0...2Uобр). Изменение напряжения на
конденсаторе Синт и на выходе интегратора DA2 (рис. 1) для этого случая показано на рис. 4,а. При втором
варианте напряжение Uвх остается
постоянным, а меняется Uo6p. Этот вариант использован в работе и
проиллюстрирован на рис. 4,б. Возможен и смешанный вариант, когда при изменении
измеряемой величины меняются и Uвх и Uo6p
Напряжение на входах и выходах ОУ, входящих в состав преобразователя, не
должно выводить их за пределы линейного режима работы. Обычно указывают пределы
±2 В, понимая под этим изменение напряжения относительно аналогового общего
провода при использовании встроенного источника образцового напряжения. Рис. 4
показывает, что наибольшее напряжение на выходе ОУ DA2 определено максимальным
напряжением на входе Uвх
преобразователя. Знак напряжения на выходе интегратора относительно выв. 30
противоположен знаку напряжения на выв. 31, а значение Uинт может быть рассчитано по формуле: Uинт = = 4000Uвх/( Синт • Rинт •
fт). (1). Напряжение в этой формуле
выражено в вольтах, емкость - в микрофарадах, сопротивление - в килоомах,
тактовая частота - в килогерцах.
Рис.4
Сразу отметим, что для обеспечения нормального режима разрядки
конденсатора Синт напряжение на нем должно быть меньше напряжения между выв, 1
и 32 с запасом 0,2...0,3 В. Поэтому оно не должно быть более 2 В при однополярном
питании микросхемы и 3....4 В (в зависимости от напряжений питания) - при
двуполярном. Для обеспечения максимальной точности измерения желательно, чтобы
одно из крайних значений напряжения на конденсаторе Синт, менялось в широких
пределах, приближалось к максимально возможному. Это и определяет правильный
выбор элементов интегратора Синт и Rинт: Синт × Rинт = 4000Uвх/(Uинт×fт), (2), где размерности те же, что и
в (1).
Рекомендуемые значения сопротивления Rинт=40...470 кОм, причем для максимального напряжения Uвх нужно выбирать Rинт ближе к верхнему пределу, для
минимального - к нижнему. Емкость конденсатора Синт обычно равна 0,1...0,22
мкФ.
Для повышения точности измерения рекомендуют подключать один из выводов
источников измеряемого и образцового напряжения к аналоговому общему проводу.
Тем не менее представляет практический интерес дифференциальное подключение
входов преобразователя к соответствующим источникам, когда ни один из входных
выводов не соединен с общим проводом. При этом синфазное напряжение на входе
может принимать любое значение от нуля до Uпит.
Выходной сигнал идеального электронного устройства не зависит от
синфазного напряжения на его входе. О таком устройстве говорят, что оно
полностью подавляет синфазное напряжение помехи. У реального устройства
подавление синфазного напряжения не бывает полным, а это приводит к разного
рода погрешностям.
Подавление синфазного напряжения на входах преобразователя КР572ПВ5 по
паспорту равно 100 дБ, но не указаны допустимые его границы, при которых АЦП
еще сохраняет указанную точность. Поэтому пределы синфазного напряжения входов Uвх и Uобр были определены экспериментально. Напряжение Uобр выбрано равным 100 мВ, Uвх - 195 мВ, тактовая частота - 50
кГц, Синт - 0,22 мкф, Rинт -
47 кОм. Для такого сочетания параметров напряжение Uинт на выходе интегратора DA2 и на конденсаторе Синт к концу этапа ЗИК, рассчитанное по
формуле (1), равно 1,55В.
Эксперимент заключался в том, что с помощью двух стабилизированных
источников питания варьировалось синфазное напряжение одного из входов и по
показаниям табло индикатора оценивалась погрешность измерения напряжения.
Синфазное напряжение другого входа и значения Uвx и Uобp при этом оставались фиксированными посредством резистивных
делителей. Затем таким же образом был исследован и другой вход.
В ходе эксперимента выяснилось, что синфазное напряжение входа Uобр можно менять в полном интервале
питающего напряжения при условии Uo6p < 2 В и сохранении указанной
полярности (рис. 3). Напряжение на каждом из входных выводов не должно выходить
за пределы интервала.
Со входом Uвх дело обстоит
сложнее. Здесь следует рассмотреть два случая.
Если входной сигнал имеет полярность, соответствующую рис. 1 и 3,
напряжение на выв. 31 должно быть меньше (отрицательнее), чем на выв.1, не менее
чем на 0,6 В. Это определено диапазоном линейной работы ОУ DA1 как повторителя. В конце этапа ЗИК
напряжение на выходе интегратора DA2 (выв. 27) становится на Uинт меньше, чем на выв. 30.
Соотношение уровней напряжения на выводах иллюстрирует диаграмма на рис. 5,а -
жирная линия в правой нижней части.
С приближением синфазного напряжения входа Uвх к нижней границе интервала Uинт начинает сказываться нелинейность работы ОУ DA2. Для ОУ
на транзисторах КМОП диапазон линейной работы ОУ близок к полному напряжению
питания, поэтому напряжение на выв. 30 должно остаться большим, чем на выв. 26,
на значение Uинт плюс небольшой запас (около 0,2
В) - вторая жирная линия в левой нижней части рис. 5,а.
При противоположной полярности входного сигнала напряжение на выходе
интегратора на Uинт выше, чем на
выв. 30 (рис. 5,б), поэтому именно оно определяет допустимое напряжение на выв.
30 вблизи верхней границы напряжения на выв. 1. Экспериментально определено,
что запас также не должен быть менее 0,2 В, поэтому для Uинт = 1,55 В разность Uвыв.1 - Uвыв.30 должна превышать 1,75 В.
Рис.5
С приближением синфазного напряжения входа Uвх к напряжению на выв. 26 вновь основную роль начинает
играть допустимый диапазон линейной работы ОУ DA1. Минимально допустимая
разность Uвыв.1 - Uвыв.26 - около 1 В (рис. 5,б).
Таким образом, жирные линии показывают крайние положения суммы Uинт+Uвx на координатной
оси напряжения как при одной, так и при другой полярности Uвх.
Из полученных результатов следует вывод, что для измерения напряжения
сигнала, синфазная составляющая которого максимально близка к напряжению на
выв. 1, источник сигнала следует подключать в полярности, показанной на рис. 1
и 3. Если синфазная составляющая близка к напряжению на выв. 26, полярность
подключения надо сменить на противоположную. При переменной полярности
измеряемого напряжения для получения возможно более широких пределов
допустимого синфазного напряжения можно уменьшить напряжение Uинт на выходе интегратора, например,
до 0,5 В увеличением емкости конденсатора Синт или сопротивления резистора Rинт в соответствии с формулой (2).
Когда напряжение на входе Uвx в процессе работы АЦП не меняет
полярности, можно отказаться от конденсатора Собр, но образцовое напряжение
нужно будет подать на выв. 32 и один из выводов для подключения этого
конденсатора. Образцовое напряжение допустимо подавать плюсом к выв. 33, а
минусом - к выв. 32, но тогда полярность входного напряжения необходимо
изменить на обратную. Индикатор "высветит" знак минус (если, конечно,
этот элемент индикатора подключен).
В случаях, когда полярность подключения напряжения Uвх, изменять нежелательно, можно
иначе подать напряжение Uoбp - плюсом к выв. 32, минусом - к выв.
34. Знака минус на табло не будет, но для формирования образцового напряжения
встроенный трехвольтный источник окажется непригодным.
Для уменьшения влияния паразитной емкости монтажа на точность измерений,
особенно при больших значениях синфазного напряжения, рекомендуется
предусмотреть на печатной плате кольцевой проводник, охватывающий место монтажа
элементов Синт, Rинт и Сакн. Этот
проводник соединяют с выв. 27 микросхемы. При использовании двусторонней
печатной платы на обратной стороне напротив кольцевого проводника следует
оставить фольговую экранирующую площадку, соединяемую с тем же выв. 27.
Цепь R7C6 на рис. 3 служит для защиты вывода +Uвх от статического электричества в
тех случаях, когда он может быть подключен к каким-либо элементам вне корпуса
измерительного прибора, а вывод -Uвx - к общему проводу. Если есть
вероятность подключения к внешним цепям и других входов АЦП, их также защищают
аналогичными цепями. Сопротивление защитных резисторов входа Uo6p необходимо уменьшить до 51 кОм, иначе время установления
показаний прибора будет слишком большим.
О емкости конденсаторов Собр и Сакн. В различной литературе рекомендованы
следующие значения: для максимального входного напряжения 200 мВ Собр = 1 мкф,
Сакн = 0,47 мкФ; то же для Uвx = 2 В - 0,1 и 0,047 мкф. Если в
процессе работы напряжение Uoбp (подаваемое на выв. 35 и 36) неизменно, то для
увеличения точности работы АЦП емкость Собр может быть увеличена в несколько
раз относительно указанных значений, а если может меняться, емкость заметно
увеличивать нежелательно, поскольку это увеличит время установления показаний.
Емкость конденсатора Сакн существенно влияет на время установления
показаний после перегрузки входа преобразователя. Поэтому желательно
придерживаться рекомендованных выше значений емкости.
Конденсатор интегратора Синт обязательно должен быть с диэлектриком,
обладающим малой абсорбцией, например К71-5, К72-9, К73-16, К73-17. Для
уменьшения времени установления показаний в тех случаях, когда на конденсаторах
Собр и Сакн напряжение может изменяться, для них желательно использовать такие же
конденсаторы. Если же напряжение на них не меняется, допустимо использование
керамических конденсаторов, например КМ-6.
Поскольку принципу двойного интегрирования свойственна нечувствительность
к изменению частоты тактирования или скорости интегрирования (в разумных
пределах), особых требований к стабильности резистора Rинт и частотозадающих элементов генератора АЦП не
предъявляется. Резисторы делителя, определяющего напряжение Uобp, должны быть, разумеется, стабильными.
В приборах на АЦП КР572ПВ2 для питания светодиодных индикаторов следует
применять отдельный источник напряжением 4...5 В на ток около 100 мА. Его
минусовой вывод подключают к выв. 21 микросхемы (цифровой общий провод),
который не обязательно соединять с общим аналоговым проводом.
Отметим, что при использовании светодиодных индикаторов их суммарный ток,
протекающий через внутренние цепи преобразователя, зависит от индицируемого
числа. Поэтому в процессе измерений изменяется температура кристалла
микросхемы, что заметно изменяет напряжение трехвольтного источника и снижает
точность показаний. Вот почему в некоторых мультиметрах использован отдельный
образцовый источник.
Основные электрические характеристики:
Номинальное напряжение питанияпит1(выв.1)9В; 4,5Впит2(выв.26)0; -4,5В
Ток питания1,8мА
Размах выходного напряжения4В
Номинальное опорное напряжение0,1..1В
Погрешность преобразования1 ед.счета
Коэффициент ослабления синфазного напряжения, не более100мкВ/В
Предельно допустимый эксплуатационный режим:
Напряжение питанияпит7…12В
Максимальное входное напряжение±1,999В
Рабочая температура-10...+70°С
. Термодатчики К1019ЕМ1, К1019ЕМ1А
Эти микросхемы представляют собой термодатчики с линейной зависимостью
выходного напряжения от температуры. Они предназначены для работы в устройствах
контроля, измерения и регулирования температуры. Микросхемы оформлены в
металлостеклянном корпусе КТ-1-9 с гибкими проволочными лужеными выводами (рис.
1); масса прибора - не более 1,5г.
Рис.1
Датчик по свойствам подобен стабилитрону с малым дифференциальным
сопротивлением и со стабильным и нормированным плюсовым температурным
коэффициентом напряжения(ТКН). Принципиальная схема прибора показана на рис. 2.
Цоколевка: выв. 1 - подключение цепи калибровки; выв. 2-плюсовой вывод датчика;
выв. 3 - минусовый вывод датчика, корпус микросхемы.

Часто для построения датчика температуры используют свойство
р-п-перехода, заключающееся в том, что падение напряжения на нем линейно
зависит от его температуры. ТКН р-п-перехода отрицателен и имеет типовое значение
2 мВ/°С.
Недостатком р-п-перехода как датчика температуры является довольно
большое его дифференциальное сопротивление (25...30 Ом при токе 1 мА). По этой
причине для достижения мало-мальски приемлемых характеристик датчика
р-п-переход необходимо питать от стабилизатора тока. Кроме того, ни у одного
диода не нормированы ни сам ТКН, ни его стабильность, что серьезно затрудняет
их применение в качестве термодатчиков, особенно в промышленной аппаратуре.
Работа термодатчика К1019ЕМ1 основана на зависимости от температуры
разности значений напряжения на эмиттерном переходе Uбэ двух транзисторов с разной плотностью эмиттерного тока.
Эта разность DUбэ при
заданном соотношении значений площади эмиттера транзисторов и равном токе через
них (это и обеспечивает разную плотность тока) оказывается пропорциональной
абсолютной температуре кристалла: DUбэ=(k×Tк×lgM)/q. Здесь M=S2/S1 - отношение значений площади эмиттера транзисторов VT1 и VT2 (см. схему на рис. 2); k - постоянная Больцмана; Тк - абсолютная температура; q - заряд электрона.
На транзисторах VT1, VT2 собран первый дифференциальный усилитель, а на VT9, VT10 - второй, управляемый
сигналами первого. Транзисторы VT3-VT8 образуют два генератора тока, один
питает первый дифференциальный усилитель, а другой - второй. На транзисторах
VT11 и VT12 собрано "токовое зеркало", служащее динамической
нагрузкой второго дифференциального усилителя. Выходной сигнал с нагрузки
второго усилителя через эмиттерный повторитель (VT14) поступает на базу
выходного транзистора VT16. Конденсаторы С1, С2 и резистор R10 обеспечивают устойчивость работы
узла.
Условием баланса первого дифференциального усилителя является равенство
значений коллекторного тока транзисторов VT1, VT2.
Поскольку площади эмиттерного перехода этих транзисторов различаются в 10 раз,
для балансирования усилителя на его вход с резистора R3 должно быть подано напряжение DUбэ=Tк× (k×ln10)/q.
При питании микросхемы током 1...5 мА возникает отрицательная ОС по
напряжению с выхода усилителя через делитель R2R3R4 на его вход. Эта связь
устанавливает на выводах 2 и 3 микросхемы напряжение, пропорциональное разности
падений напряжения на эмиттерном переходе транзисторов VT1 и VT2, с
коэффициентом пропорциональности (R2+R3+R4)/R3.
Поскольку разность DUбэ
пропорциональна абсолютной температуре, ей же пропорционально и напряжение на
выводах 2 и 3 микросхемы. ТКН датчика, таким образом, равен 10 мВ/К; он
является здесь и коэффициентом пропорциональности между выходным напряжением
датчика и абсолютной температурой.
Для обеспечения высокой линейности преобразования и малого выходного
сопротивления преобразования и малого выходного сопротивления микросхемы (менее
1 Ом) усилитель имеет высокий коэффициент усиления - более 40 000.
Рис.3 Рис.4
На рис. 3 и 4 показаны типовые зависимости дифференциального
сопротивления микросхем от температуры окружающей среды (при токе питания 1 мА)
и тока питания (при температуре окружающей среды 25 °С) соответственно. На
обоих графиках заштрихованы области технологического разброса для 95 %
микросхем.
На рис. 5 представлена типовая зависимость выходного напряжения (между
выв. 2 и 3) от температуры окружающей среды.
Благодаря малому дифференциальному сопротивлению датчика его можно питать
от источника напряжения (не менее 7 В) через последовательный резистор,
сопротивление которого в килоомах должно быть на 3 кОм меньше значения
напряжения Uпит в вольтах.
Рис.5
Для того же, чтобы в наибольшей степени реализовать возможности
микросхемы, ее обычно питают от стабилизатора тока. Типовая схема включения
датчика изображена на рис. 6. Генератор тока, собранный на транзисторах VT1,
VT2, должен обеспечить ток через микросхему Iпит=1 мА. Ток устанавливают подборкой резистора R3. Отправное
значение сопротивления этого резистора (в килоомах) можно рассчитать по
формуле: RЗ=Uпит-1.7 (где Uпит - в вольтах).
Рис.6
С целью повышения точности измерения температуры в микросхеме
предусмотрена цепь калибровки. При калибровке датчика подстроечным резистором R4 устанавливают по цифровому
вольтметру выходное напряжение (в милливольтах) Uвых=10Тк, где Тк - температура в градусах Кельвина.
Температуру также необходимо измерять точным термометром.
На рис. 7 показана схема термометра, показывающего температуру в градусах
Цельсия. Вольтметр PV1 (стрелочный
или цифровой) включен в цепь источника образцового напряжения G1. Точность измерения температуры
здесь сильно зависит от стабильности образцового напряжения - изменение его на
0,1 % (на 2,7 мВ) вызовет изменение показания на 0,27 °С.
Рис.7
Основные электрические характеристики:
Ток питания, мА1
Выходное напряжение, мВ, при токе питания 1 мА
и температуре 298К(25°С)2952...3012
К (125°С)3932...4032
К(-10°С) для К1019ЕМ1А2582...2682
К(-45°С) дляК1019ЕМ1 2232...2332
Предельно допустимый эксплуатационный режим:
Ток питания, мА 0,5...1,5
Рабочий температурный интервал, °С, для К1019ЕМ1-45...+125
К1019ЕМ1А-10...+125
. Стабилизатор напряжения КР142ЕН19
Микросхема КР142ЕН19 представляет собой регулируемый параллельный
стабилизатор напряжения - интегральный аналог стабилитрона - и предназначен для
использования в блоках питания и других узлах высококачественной электронной
аппаратуре широкого применения в качестве источника опорного напряжения (ИОН).
Микросхема КР142ЕН19 превосходит стабилитрон по многим параметрам:
.Она способна формировать регулируемое образцовое напряжение, меньшее чем
у низковольтных стабилитронов.
.Обладает лучшими стабилизирующими качествами.
Прибор изготовлен по планарно-эпитаксиальной технологии с изолированным p-n-переходом. Оформлены они в пластмассовом корпусе КТ 26
(рис.1) с тремя жесткими выводами прямоугольного сечения. Масса прибора - не
более 0,5 г. Ближайшая к КР142ЕН19 по характеристикам зарубежная микросхема -
TL431.
Цоколёвка микросхемы: выв.2 - анод, выв.8 - катод; выв. 17 - вход
управляющего сигнала (с делителя напряжения измерительного элемента).
Приборы рассчитаны на длительную эксплуатацию при температуре окружающей
среды -10...+70°С. Минимальная наработка на отказ - 50000 ч.
Упрощенно функциональная схема прибора показана на рис.2.
Рис.1 Рис.2
Микросхема содержит внутренний источник образцового напряжения Uобр.вн., определяющий ее минимальное
выходное напряжение. Реально микросхема сохраняет работоспособность и
обеспечивает заданные параметры при напряжении на аноде не ниже, чем на
управляющем входе.
Параллельный стабилизатор, как правило, не требует дополнительного
устройства защиты от перегрузки. При увеличении тока нагрузки ток через
микросхему уменьшается, а при замыкании выхода становится равным нулю.
Превышение входного напряжения также не создает угрозы для микросхемы, так как
при этом лишь несколько увеличивается ее катодный ток, соответственно
увеличивая падение напряжения на балластном резисторе.
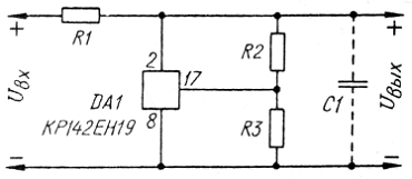
Типовая схема включения микросхемы КР142ЕН19 представлена на рис.3.
Рис.3
Резистор R1 - балластный;
критерии выбора те же, что и при выборе балластного резистора параметрического
стабилизатора на стабилитроне. Резисторы R2 и RЗ образуют делитель напряжения измерительного элемента.
Выходное напряжение Uвых и сопротивление резисторов R2 и RЗ связаны соотношениями:
Uвых=(1+R2/R3)×Uобр.вн.
Uвых/(R2+R3)³0.1мА
Конденсатор С1 емкостью 0.1...1 мкф вводят при необходимости - он
предупреждает паразитную генерацию в устройстве. Если необходимо плавно
регулировать выходное напряжение, резистор R2 выбирают переменным.
Наиболее важным параметром микросхемы, работающей в источнике образцового
напряжения (ИОН), является температурный коэффициент выходного напряжения. На
рис.4 показана типовая температурная зависимость выходного напряжения
микросхемы КР142ЕН19, снятая по результатам испытаний одной из партии приборов
(заштрихована зона технологического разброса). Для основной массы производимых
микросхем температурные изменения выходного напряжения находятся в пределах 2
мВ.
Рис.4
На рис.5 изображена типовая схема включения микросхемы КР142ЕН19 в
качестве ИОН для случая, когда Uвых=Uобр.вн. .
Рис.5
Электрические характеристики:
при Токр.ср. = 25°С
Минимальное выходное напряжение, В,
при соединенных аноде и управляющем входе
(равное Uобр.вн.) катодном токе через
микросхему 10 мА 2,44...2,55
Ток входа управления, мкА, не более,
при катодном токе через микросхему 10 мА 5
Динамическое сопротивление, Ом, не более,
при минимальном выходном напряжении и
катодном токе через микросхему 10 мА 0,5
Нестабильность выходного напряжения
по управляющему напряжению, %/В, не более0,12
Наибольшая мощность рассеяния, Вт0,4
Температурный рабочий интервал, °С -10...+70
Заключение
В ходе данного курсового проекта был разработан термометр на основе АЦП
КР572ПВ5 с питанием от блока питания, собранного на микросхеме КР142ЕН1А,
включенный по типовой схеме с защитой от короткого замыкания, на 9В. В качестве
термодатчика используется микросхема К1019ЕМ1. Погрешность измерения d равна 0,27%. Задание выполнено в
полном объеме.
термометр преобразователь микросхема датчик
Литература
1. Новаченко В.И., Телец В.А. Микросхемы для бытовой
радиоэлектроники. - М.: Радио и связь,1992.
2. Бирюков С. Термометр “дом - улица”. - Радио, 2000, № 3,с.
39, 40.
3. Бирюков С. Применение АЦП КР572ПВ5. - Радио, 1998, № 8,с.
56-58.
4. Бирюков С. Микросхемы-термодатчики К1019ЕМ1, К1019ЕМ1А. -
Радио, 1996, № 7,с. 59, 60.
5. Янушенко Е. Микросхема КР142ЕН19.- Радио, 1994, №
4,с.45,46.