|
Последняя цифра
шифра
|
Параметры
|
Величины
параметров для различных значений предпоследней цифры шифра
|
|
Проектируемое
устройство
|
|
0
|
|
6
|
кинескоп
|
23ЛК9Б 120 70 17 40
|
|
Телевизионный
приёмник (видеотракт с генератором развёртки)
|
ОС
|
IМ, мА LК, мГн RК,
Ом CК, пФ
|
|
|
|
|
|
1. Общие понятия
Телевидение (греч. фЮле - далеко и лат. video - вижу;
от новолатинского televisio - дальновидение) - система связи для трансляции и
приёма движущегося изображения и звука на расстоянии.
Телевизионный приёмник (от новолатинского
televisorium - дальновидец) - электронное устройство для приёма и отображения
изображения и звука, передаваемых по беспроводным каналам (в том числе
телевизионных программ, также сигналов от устройств воспроизведения видеосигнала).
Первые телевизоры имели механическую развёртку. Затем
появились чёрно-белые с электронной развёрткой и электронно-лучевой трубкой в
качестве источника изображения. Вначале телевизоры с ЭЛТ строились на основе
электронных ламп, далее произошёл переход на транзисторы (30 октября 1959 года
корпорация Sony начала серийно производить транзисторные телевизоры). В 1980-х
годах происходил постепенный переход на интегральную элементную базу
(существовали переходные транзисторно-интегральные модели).
В настоящее время микросхемы являются основой схемотехники
телевизоров.
2. Полный телевизионный сигнал и его параметры
Передаваемый телевизионный сигнал состоит из двух частей:
непрерывно изменяющегося видеосигнала, содержащего информацию о самом
изображении, и постоянной части, одинаковой во всех передатчиков.
На рис. 2, а и б показана форма полного телевизионного
сигнала. Слева на рис 2, а показан модулированный радиосигнал. После
видеодетектора выделяется огибающая радиосигнала, которая далее и показывается.
В модулированном радиосигнале следует обратить внимание на два характерных
уровня: уровень «черного» сигнала и уровень «белого» сигнала.
В соответствии со стандартом на систему телевизионного
вещания (ГОСТ - 7845 - 72) всё изображение передаётся по 625 строкам.
Практически оказывается, что из 625 строк на обратный ход по вертикали (по
кадрам) расходуется 50 строк. Этот обратный ход по кадрам должен происходить во
время действия кадрового гасящего импульса, в течение которого укладываются 23
- 25 строк из числа 312,5 строк одного поля (длительность одной строки 64 мкс.
Собственно строчный синхроимпульс располагается выше уровня черного сигнала на
строчном гасящем импульсе, который определяет время обратного хода луча кинескопа
по строке. Параметры строчного импульса показаны на рис. 2, в и г. Видеосигнал
изображения передаётся между строчными импульсами в пределах уровней
радиосигнала 12,5 - 75%.
Обращает на себя внимание взаимное положение строчного
синхроимпульса, предшествующего началу кадрового гасящего импульса. Временное
расстояние между последним строчным и первым полустрочным импульсами равно либо
Т (64 мкс), либо Т/2 (32 мкс). Такая сдвижка сигналов требуется для
формирования чересстрочной развёртки.
В течение кадрового гасящего импульса, помимо строчных
синхроимпульсов, передаются ещё 3 группы сигналов: передние уравнивающие
строчные импульсы, кадровый синхросигнал и задние уравнивающие строчные
импульсы. В течение времени передачи этих импульсов строчная развертка
продолжает нормально работать без изменения скорости развертки. А в момент
переднего фронта кадрового синхросигнала (отмечен стрелкой на рис. 2, а и б)
должен начаться обратный ход по кадрам.
Синхронизация изображения по строкам производится передними
фронтами строчных синхроимпульсов и спадами «врезок» кадрового синхроимпульса.
Моменты синхронизации (моменты окончания прямых ходов по строкам) обозначены на
рисунке точками. Мы видим, что момент синхронизации по кадрам (помечен
стрелкой) либо совпадает с моментом синхронизации по строкам (рис2, б), либо
находится в середине строки (рис. 2, а). Эта особенность синхросигнала
позволяет обеспечить точную чересстрочную развертку.
Параметры части кадрового синхросигнала показаны на рис. 2,
д.
3. Синхронизация изображения. Формирование
чересстрочной развёртки
В современном вещательном телевидении повсеместно применяются
чересстрочная развёртка изображения. В процессе развертки изображение преобразуется
в 625 строк. Совокупность всех 625 строк образует один кадр. время, в течение
которого формируется 1 кадр, равно 1/25 с. Таким образом, частота повторения
кадров составляет 25 Гц. Время, отпускаемое на одну строку изображения, равно
1/(25Ч625) с = 64 мкс. Частота повторения строк составляет, таким образом, 15
625 Гц.
Частота кадров в 25 Гц оказывается всё же низкой для того,
чтобы изображение было слитным и не замечалось бы мелькания при передаче
движущихся изображений для устранения этого недостатка и используется
чересстрочная развёртка, которая состоит в том, что при передаче и
воспроизведении изображения все строки кадра развертываются в два этапа:
сначала все нечетные строки, затем все четные. На рис. 3 а - г показаны все
этапы формирования кадра при чересстрочной развёртке, а на рис. 3, д указаны
соответствующие моменты времени.
Вначале формируется поле нечетных строк на прямом ходе
кадровой развёртки (рис. 3, а), при этом конец луча на экране кинескопа
перемещается по строкам прямого и обратного ходов от точки А до точки Б (прямые
ходы, на которых разворачивается изображение, показаны сплошными линиями,
обратные - штриховыми).
Начиная от точки Б, луч совершает обратный ход по кадрам (по
вертикали). При этом, естественно, затрачивается некоторое количество строк из
полных 625 строк. Очень важно, что прямой ход в нечетном полукадре закончился
на середине последней (на рис. 3, б 621-й строки) строки. Тогда при целом числе
строк обратного хода по кадрам луч попадает в точку В, тоже середину строки.
С этого момента начинается четный полукадр прямого хода (рис.
3, в).
Дописав вторую половину последней 625-й строки, луч начинает
разворачивать четные строки. Заканчивается четный полукадр в точке Г, в конце
обратного хода 620-й строки.
С этого момента начинается последнее поле обратного хода по
кадрам после четного полукадра. Затратив целое число строк (на рис. 3, г
показаны по две строки «прямого» и «обратного» ходов), луч снова попадает в
исходную точку А, и процесс развертки начинается снова.
Если мы мысленно наложим все рассмотренные четыре поля друг
на друга, то получим полную картину развертки изображения. Единственное
упрощение, которое сделано при рассмотрение, состоит в том, что в реальных
телевизорах различных типов число строк, затрачиваемых на обратные ходы по
кадрам, может сильно различаться. Зависит от точности настройки телевизора на
заводе и конструктивных параметров. Обычно на обратные кадровые развёртки
затрачивается 30 - 50 строк (на оба полукадра).
Таким образом, мы видим, что для формирования чересстрочной
развертки необходимо, чтобы выполнялись определенные временные соотношения
между параметрами синхросигналов и развертками в процессе отклонения луча.
Рассмотренный синхронирующий сигнал позволяет генераторам развертки работать
без изменений частоты или фазы генерируемых колебаний, что автоматически
обеспечивает окончание той или иной стоки на определенном месте.
На рис. 3, д точками показаны моменты окончания прямых ходов
развертки по строкам, а контурными стрелками - аналогичные моменты
синхронизации по кадрам. Отсюда мы видим, что благодаря различному положению
переднего фронта кадрового синхроимпульса окончание кадра на середине строки
происходит автоматически (точка Б). В отличие от рис. 3, б на рис. 3, д
показано, что на обратный ход затрачиваются две полные строки (расстояние между
точками Б и В), однако это не влияет на точность синхронизации.
4. Назначение и использование элементов полного
телевизионного сигнала
Рассмотрим вначале работу строчных и кадровых гасящих
импульсов.
На рис. 4, а показано взаимное положение элементов сигнала и
кадра.
Рассмотрим одну строку. Прямой ход строки проходит между
точками 1 и 2. Но видимая часть этого прямого хода заключена между точками 3 и
4. начиная с момента 4, строчный гасящий импульс запирает кинескоп. В момент 2
начинается обратный ход по строкам.
Таким образом, справа и слева кадра образуются защитные
полосы, которые создают четкое обрамление изображения и скрывают от телезрителя
различного рода дефекты краёв изображения.
Аналогично происходит формирование защитных полос по
вертикали. Кадровая развертка происходит между точками 5 и 6, однако, видимая
часть
изображения по кадрам несколько меньше (между точками 7 и 8).
Формирование верхней и нижней защитных полос происходит благодаря тому, что
кадровый синхроимпульс размещается на кадровом гасящем импульсе с некоторым
сдвигом от начала и, кроме того, обратный ход короче гасящего импульса.
На рис. 4, б показано, как происходит запирание кинескопа
гасящими импульсами. На уровне «черного» цвета (уровень гасящих импульсов)
кинескоп заперт; это обеспечивается соответствующим выбором смещения
(напряжения Uм) на модуляторе кинескопа. Синхроимпульсы, находясь на уровне
«чернее черного», естественно не влияют на качество изображения.
Теперь рассмотрим, каким образом происходит процесс
синхронизации разверток. Прежде всего, производится отделение синхросигналов от
полного телевизионного сигнала. Если подать полный телевизионный сигнал
положительной полярности на управляющую сетку лампы, как показано на рис. 4, в,
то весь видеосигнал и гасящие импульсы окажутся отсечёнными на уровне Е0
и на выходе лампы окажутся только синхроимпульсы. Таким образом, пройдут
импульсы, превышающие уровень Е0 (рис. 4, г).
Затем должны быть сформированы импульсы в моменты времени
передних фронтов строчных синхроимпульсов. Это производится с помощью цепей,
реагирующих на перепады напряжения. Для таких цепей, которые обычно собираются
из последовательно включённых резистора и конденсатора, оба сигнала u1 и u2, показанные на рис. 4,
д, одинаковы. И тот, и другой сигналы, различаясь лишь по уровню
постоянной составляющей, имеют одинаковые фронты, поэтому на выходе так
называемой дифференцируемой цепи образуются острые импульсы типа u3, причем передние фронты
входных сигналов, направленные вверх, дают положительные выходные импульсы.
Теперь необходимо избавиться от воздействия некоторых
импульсов врезок, которые на кривой u2 (рис. 4, г) перечёркнуты. Эта операция
выполняется автоматически в схемах строчной развертки, которая не реагируют на
импульсы, приходящие в промежутках между моментами синхронизации. Например,
синхронизовавшись импульсом 1 (кривая u2), затем импульсом 2, развертка сама пропустит
импульс 3 и отреагирует на импульс 4 и т.д. Таким образом, синхронизация по
строкам будет происходить импульсами с периодом следования 64 мкс.
Для формирования импульсов синхронизации по кадрам,
используется большая длительность синхросигнала при прохождении врезок.
Используя накопительные устройства типа RC - фильтра, можно
заметить, что строчные и полустрочные импульсы не дадут существенного сигнала,
так как между импульсами цепь будет терять заряд. А для кадрового импульса
будет происходить накопление заряда. Достигнув некоторого порогового уровня Ек,
это растущее напряжение u4 может обеспечить синхронизацию по кадрам в
момент времени tk.
5. Технические характеристики телевизионной
системы
Рассмотрим теперь параметры видеосигналов, от которых зависит
качество изображения. На рис. 5, а показана частотная характеристика одного
телевизионного канала, не должна превышать 8 МГц. Несущая частота звука
отличается от несущей изображения на 6,5 МГц. Этот параметр является важным и
очень точно поддерживается на телевизионном передатчике. Разностная частота 6,5
МГц выделяется в телевизионном приемнике как вспомогательная несущая звука.
На рис. 5, б показано размещение 12 основных телевизионных
каналов в метровом диапазоне волн. Этот диапазон волн простирается от 48,5 до
230 МГц.
Большая часть телевизионных каналов размещается с интервалом
в 8 МГц.
Частотная характеристика телевизионного приемного устройства
всегда имеет спады, простирающиеся в обе стороны по частоте (рис. 5, б),
вследствие чего в приемник могут проникать мешающие сигналы соседних
телевизионных каналов. Например, для седьмого канала мешающими будут частоты
несущих изображения и звука соседних шестого и восьмого каналов.
Если рассмотреть взаимное размещение всех телевизионных
каналов, то можно установить, что мешающими будут частоты, указанные на рис. 5.
б.
В дециметровом диапазоне телевизионные
каналы размещены через 8 МГц (в диапазоне частот от 470 до 622 МГц). Первый
дециметровый канал имеет несущую частоту изображения 471,25, а звука 477,75
МГц.
Важной характеристикой телевизионной
системы является качество передачи градаций яркости. Пусть, например,
передастся изображение, состоящее из полос различной яркости (рис. 5,
в).
Этому изображению соответствует
ступенчатый сигнал типа um. Для точного воспроизведешь различных градаций
яркости этого сигнала приемный канал должен иметь линейную амплитудную
характеристику.
На рис. 5, в показано, как возникают
нелинейные искажения изображения, если амплитудная характеристика канала
изображения отличается от линейной. Например, если характеристика имеет вид
кривой 2 на рис. 5, в, то изображение будет слишком контрастным, так как при
этом резко подчеркиваются различия в полутонах.
Четкость, или различимость, мелких деталей
изображения по горизонтали определяется полосой пропускания приемного канала и
шириной спектра видеочастот, передаваемых телецентром. В телевизионном
приемнике оценка четкости изображения по горизонтали обычно производится по числу
отдельно различимых вертикальных линий. Для этого используется обычно группа
линий переменной толщины (клинья) типа показанных на рис. 5, г. Чем ниже
различаются линии, тем выше четкость изображения.
Числа около клина показывают, насколько
реализуются возможности телевизионной системы, имеющей 625 строк разложения. В
высококачественном изображении различается 550-575 линий.
Четкость по вертикали определяется числом
строк и качеством чересстрочной развертки. Если строки четного поля
располагаются точно
посередине между строками нечетного
полукадра, то на горизонтальных клиньях испытательных таблиц видны все 575
реальных строк. При сближении строк четного и нечетного полей или неустойчивом
взаимном их размещении между собой четкость по вертикали ухудшается, что
приводит, естественно, к плохой различимости деталей изображения,
имеющих вертикальную протяженность (рис. 5, д).
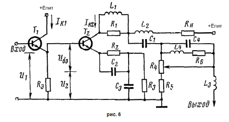
Видеоусилитель
Исходные данные:
КУВС = 30
ДfВ = 6,5 МГц
UВХ = 1 В
UВЫХ = 30 В
IН = 150 мА
RВХ ≥ 3 кОм
UВЫХ МАКС / UВХ МАКС = 10 дБ
Ur = 30 В
Д U = 5 В
Кe = 0,8
Методика расчета усилителя видеосигнала
взята с [2].
Расчет тракта усиления сигналов
изображения рекомендуется начинать с УВС, т.е. с его оконечной ступени, так как
основными исходными данными являются выходные параметры сигнала, поступающего
на кинескоп.
Определим необходимую величину напряжения
питания выходного каскада видеоусилителя:
При известной величине напряжения питания
определяем минимальное значение допустимого напряжения UКЭ ДОП транзистора выходного
каскада:
Этому равенству удовлетворяет транзистор
типа КТ601А.
Для выбранного транзистора сопротивление
нагрузки RH выбираем равным 6 кОм. Например, для транзистора КТ601А
измеренные величины параметров RВЫХ, CВЫХ, |S| на низких частотах соответственно равны 40 кОм, 30 пФ, 60
мА/В. Зная их, найдем величину максимального коэффициента усиления
нескорректированного каскада:
Определяем сопротивление и емкость цепи
низкочастотной коррекции:
где ф - постоянная времени цепи обратной
связи, обычно лежит в пределах 0,03-0,1 мкс.
Цепь обратной связи с такой постоянной времени позволяет
расширить полосу нескорректированного каскада примерно в 2 раза. Однако для
обеспечения необходимой полосы пропускания УВС 5-6,5 МГц дополнительно
применяется сложная коррекция в коллекторной цепи.
Найдем вспомогательные величины СЭКВ и b, полагая СК=6пФ,
См=2пФ.

Для найденной величины b=0,94
величины коррекции а=0,2; а1=0,8; а2=0,27.
В результате определяем параметры корректирующей цепи:
Окончательно значения корректирующих
элементов уточняются при настройке схемы с целью получения равномерной
частотной характеристики. Выбираем R4= 10 кОм и определяем R5.
Из-за влияния частотнозависимого делителя
регулировки контрастности это сопротивление рекомендуется брать в 1,5-2 раза
меньше. Примем С4 = 12 пФ и Q = 2, тогда:

Полагая RВХ ЭП=3 кОм, RВХ О=200
Ом и S0=100 мА/В, определим:
В рассмотренных практических схемах
коллекторный ток эмиттерного повторителя примерно равен коллекторному току
оконечного каскада, т.е. IK1= IK2= 5-7 мА. При известном токе IK1
По статическим вольтамперным
характеристикам транзистора оконечного каскада можно определить UБЭ при известных значениях IK2 и UКЭ.
Берем IK1= IK2= 6 мА, RЭ= 600 Ом, определяем по
ВАХ транзистора UБЭ= 0,8 В.
6. Видеодетектор
Исходные
данные:
IK1 = 6 мА
UБЭ = 0,8 В
RВХ ЭП МИН = 3 кОм
L1 = 68 мкГн
fСР = 7 МГц
Рассчитаем параметры видеодетектора по
литературе [2], упрощенная схема которого приведена на рис. 7 а. Из условия наилучшего
согласования видеодетектора с эмиттерным повторителем УВС во всей полосе частот
сопротивление нагрузки R3 должно быть примерно равно минимальному значению входного
сопротивления УВС, т.е.
При этом коэффициент передачи
видеодетектора лежит в пределах КД= 0,3-5-0,4. С достаточной для
инженерных расчетов точностью параметры фильтра нижних частот C1 и C2 можно определить из
условия обеспечения необходимой частоты среза fср, величина которой
обычно лежит выше верхней границы полосы пропускания УВС. На основании
сказанного:
Полагая из практики C1=C2
и L1=50 - 100 мкГн, по формуле указанной выше не трудно рассчитать необходимые
параметра видеодетектора. С1=С2=23 пФ.
Для выбранного
транзистора П502В в=30, а Iд примем равным 5 мА.
Согласно рис. 7 а
напряжение и ток на нагрузке видеодетектора определяются:
Сопротивления резисторов базового делителя
повторителя УВС рассчитываются:
Ток базового делителя Iд должен быть
достаточно большим (4-6 мА), чтобы обеспечить необходимый коэффициент
температурной стабилизации каскада:
где в - коэффициент
усиления тока транзистора эмиттерного повторителя.
Как указывалось выше, для
улучшения работы видеодетектора при малых сигналах, применяется сложный
делитель напряжения (рис. 7 б). В этом случае:
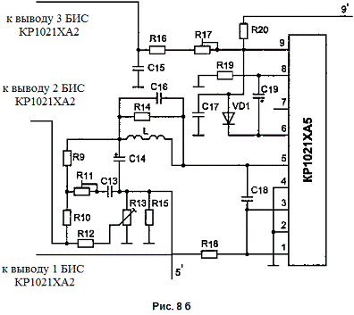
7. Амплитудный селектор и генератор кадровой
развертки
Амплитудный селектор и генератор кадровой
развертки выполнены на основе микросхем КР1021ХА2 и КР1021ХА5А и взяты из [8].
Микросхема КР1021ХА2 (рис. 8 а)
представляет собой БИС процессора синхронизации для телевизионных приемников и
предназначена для управления строчной и кадровой развертками, а также блоками
цветности и управления. БИС выполняет следующие функции:
) селекция строчных (с инвертором
помех) и кадровых синхроимпульсов;
) АПЧ и Ф строчной развертки;
) обеспечение работы вертикальной
развертки при поступлении на вход ИС видеосигнала с частотой кадровых
синхроимпульсов 50 и 60 Гц;
) формирование сигналов строчной и
кадровой развертки;
) идентификация наличия
видеосигнала;
) формирование сигнала
«супер-эндкастл» (строб-импульса).
Схема включения КР1021ХА2:
' - выход управляющего импульса кадровой
развертки; 2' - выход обратной связи кадровой развертки; 3' - вывод подключения
источника питания U ≥ 26 В; 5' - вход синхросигнала; 10' - вывод подключения
источника питания UП = 10…13,2 В; 11'-выход импульса запуска строчной развертки; 12' -
вход импульса обратного хода строчной развертки; 13' - выход детектора 50/60
Гц; 17' - выход трехуровневого сигнала.
Назначение выводов:
. выход сигнала управления кадровой
развёрткой;
. выход сигнала обратной связи
кадровой развёртки;
. вход времязадающей цепи кадрового
генератора пилообразного напряжения;
. вход цепи коррекции селектора
кадровых синхроимпульсов;
. вход видеосигнала;
. вывод 1 для цепи коррекции селектора
синхроимпульсов;
. вывод 2 для цепи коррекции
селектора синхроимпульсов;
. вывод для цепи коррекции фазового
детектора У1;
. общий;
. питание;
. выход импульса запуска строчной
развертки;
. вход импульса обратного хода
строчной развертки;
. выход идентификатора наличия
видеосигнала и детектора 50/60 Гц;
. вывод для цепи коррекции фазового
детектора У2;
. вывод времязадающей цепи
генератора строчной развертки;
. выход каскада строчной развертки;
. выход строб-импульса поднесущей с
импульсом гашения по строкам и кадрам;
. выход для цепи коррекции
детектора совпадений.
Микросхема КР1021ХА5А (рис. 8 б)
представляет собой устройство кадровой развертки с тепловой защитой по току и
напряжению. Предназначена для использования в телевизионных устройствах цветного
и черно-белого изображения, совместно с отклоняющими системами, имеющими
минимальные токи вертикального отклонения до 3 А.
Назначение выводов:
. вход драйвера;
. общий вывод;
. вход сигнала переключения;
. общий вывод выходного каскада;
. выход усилителя;
. питание выходного каскада;
. контрольный вывод;
. выход генератора обратного хода;
. питание.
Схема включения КР1021ХА5А:
' - выход УВС; 9' - питание; L - отклоняющая система.
В генераторах кадровой развертки частотный
диапазон ограничивается в практических целях 20-й гармоникой кадрового тока,
протекающего в отклоняющих кадровых катушках, и составляет примерно 50*20=1000
Гц. Постоянная времени кадровых катушек современных черно-белых и цветных ОС
тороидального и седловидного исполнения может быть достаточно велика 3-4 мс, но
искусственно меньше периода развертки. Это значит, что на прямом ходу
развертки, длительность, которая составляет примерно 19 мс, реактивной
составляющей кадровой катушки можно пренебречь.
При этом выходной каскад работает как
усилитель только на активное сопротивление катушки со всеми требованиями к
форме управляющего напряжения и его размаху. Для обеспечения нормального
значения тока прямого хода кадровой развертки, производится расчет из учета
активного сопротивления катушки т.к. реактивным сопротивлением на прямом ходе
развертки можно пренебречь.
Находим напряжение на катушке:
Рассчитаем входное напряжение, которое
необходимо подать на микросхему КР1021ХА2 для получения необходимого тока на
входе микросхемы:
где Кu=33 дБ
Примем выходное напряжение микросхемы
КР1021ХА2 равным 4 В.
Чтобы согласовать расчетный уровень
сигнала на микросхему КР1021ХА5А, поставим на 1-м выходе микросхемы КР1021ХА2
резистивный делитель.
Расчет делителя производим по следующей
формуле:



Предположим R14=10 кОм,
тогда:
Сделаем расчет для значения тока IК + 10%
Сделаем расчет для значения выходного
напряжения UВЫХ + 10%
Сделаем расчет для значения входного
напряжения UВХ + 10%
Сделаем расчет для значения сопротивления R15 + 10%
IК = 132 мА
UВЫХ = 4,4 В
UВХ = 0,96 В
R15 = 11,24 кОм
Предусматривая возможность плавной
подстройки на ±10% от номинального значения, возьмем резистор R15 переменной величины
равной ______ кОм.
При анализе работы выходного каскада во
время обратного хода, присутствие относительно большой реактивности в течении
малой длительности (ф=1 мс) должно быть учтено. Для выходного каскада величина
источника питания, необходимого для функционирования схемы, будет складываться
из составляющих:

Остаточное напряжение Uост микросхемы КР1021ХА2
равно 3 В.
По справочным данным, напряжение питания
на микросхему КР1021ХА5А должно быть в пределах 10-40 В.
8. Блок питания
В современных телевизорах для уменьшения
габаритов и веса, в основном используются импульсные блоки питания. Основная
идея работы импульсного стабилизатора заключается в преобразовании
выпрямленного напряжения в последовательность прямоугольных импульсов, которые
затем преобразуются в постоянное напряжение. Регулировка уровня выходного
напряжения осуществляется изменением длительности этих импульсов.
Переход к ключевому режиму работы
регулирующего элемента предопределил высокий КПД импульсных БП (до 0,8…0,85). В
свою очередь, меньшая мощность, рассеиваемая выходным транзистором импульсного
БП, ведет к уменьшению массы его радиатора, а за счет облегченного теплового
режима повышается надежность всего телевизора. Уменьшению габаритов и массы
способствует и то, что в большинстве импульсных БП отсутствует силовой
трансформатор, а небольшой импульсный трансформатор работает на частоте порядка
десятков килогерц (отсюда малые габариты электролитических конденсаторов
сглаживающего фильтра).
Достоинством импульсных БП является и
возможность обеспечения групповой стабилизации одновременно нескольких
номиналов напряжений. Кроме того, импульсные БП обеспечивают работоспособность
телевизора в широких пределах изменения сетевого напряжения.
9. Кинескоп
ЛК9Б - кинескоп с прямоугольным экраном
(рис. 9). Предназначен для работы в портативных телевизионных приёмниках на
полупроводниковых приборах. Баллон стеклянный. Длина 188 мм, ширина 200,7 мм,
высота 158,7 мм. Размер изображения на экране 180 Ч 135 мм. Фокусировка луча
электростатическая, отклонение луча электромагнитное. Угол отклонения по
диагонали 90°. Экран аллюмированный, цвет свечения белый, послесвечение
среднее. Разрешающая способность в центре экрана не менее 600, в углах не менее
500 линий. Наибольшая температура окружающей среды 70°С. Долговечность не менее
2000 ч.
Заключение
Нами был спроектирован телевизионный
приемник черно-белого изображения и произведен расчет основных параметров и
величин отдельных узлов элементов схем и допусков на эти величины. В ходе
проектирования стало понятно, что можно использовать аналоговые схемы или
сочетание аналоговых и интегральных микросхем. Последний вариант упрощает
конструирование телевизионного приемника, уменьшает его вес и габариты, и
позволяет расширить возможности конструируемого приемника.
Список использованной
литературы
1. Берсенев М.С.
«Знай телевизор». Москва, ДОСААФ, 1985 г.
. Бриллиантов Д.П.
«Расчет и конструирование портативных транзисторных телевизоров». Москва, изд.
«Связь», 1971 г.
. Булычев А.Л.,
Галкин В.И. «Аналоговые интегральные схемы». Минск, изд. «Беларусь», 1993 г.
. Булычев А.Л.,
Галкин В.И. «Полупроводниковые приборы». Минск, изд. «Беларусь», 1993 г.
. Вересов Г.П.
«Стабилизированные источники питания радиоаппаратуры». Москва, изд. «Энергия»,
1978 г.
. Войшвилло Г.В.
«Усилительные устройства». Москва,
ДОСААФ, 1984 г.
. Гедзберг Ю.М.
«Импульсные блоки питания и их ремонт». Москва, ДОСААФ, 1989 г.
. Нефедов А.В.
«Микросхемы для бытовой радиоэлектронной аппаратуры». Москва, изд. «Солон»,
1999 г.
. Уитсон Д.Ж. «500
практических схем на ИМС». Москва, изд. «Мир», 1992 г.