|
Диапазон
принимаемых частот
|
65,8-73
МГц
|
|
Чувствительность
|
5
мкВ
|
|
Ослабление
зеркального канала
|
25
дБ
|
|
Коэффициент
прямоугольности
|
2
|
|
Ослабление
помехи на промежуточной частоте
|
45дБ
|
|
Ширина
спектра принимаемого сигнала
|
220
кГц
|
|
Эффективность
АРУ изменения вх. сигнала
|
35
дБ
|
|
Эффективность
АРУ изменения вых. сигнала
|
12
дБ
|
|
Диапазон
рабочих температур
|
-
200 - +400 С
|
2. Эскизное проектирование
электронный прибор телевизионный
приемник
Эскизное проектирование должно включать в себя
решение следующих вопросов:
- выбор типа структурной схемы
приемника;
- определение числа поддиапазонов (в
дальнейшем расчет ведется только для одного поддиапазона);
- расчет
сквозной полосы пропускания приемника;
- выбор
структуры первых каскадов преселектора и числа преобразования частоты;
- выбор первых каскадов приемника;
- определение избирательной системы
тракта промежуточной частоты;
- выбор
электронных приборов для высокочастотного тракта;
- распределение
усиления между трактами радиоприем-выбор тракта усиления низкой частоты;
- выбор
тракта усиления низкой частоты;
2.1 Выбор структурной схемы
В качестве структурной схемы проектируемого
приемника была выбрана схема супергетеродинного приемника с однократным
преобразованием частоты.
Данный выбор основан на том, что схема прямого
усиления не может обеспечить заданные показатели чувствительности и
избирательности, схема прямого преобразования сложна в проектировании и главной
проблемой является трудность синхронизации колебаний местного гетеродина с
принимаемым сигналом с точностью до фазы.
А схема супергетеродинного приемника позволяет
получить хорошую избирательность, поскольку основная селекция происходит на
более низкой частоте, по сравнению с принимаемым сигналом/
Рис. 1. Возможные структурные схемы
радиоприемника с одним
преобразованием частоты
2.2 Расчет числа поддиапазонов
Относительная ширина диапазона оценивается
коэффициентом перекрытия Kg.
Для обеспечения большого Kg
при простоте настройки диапазон Дf
разбивают на поддиапазоны. Коэффициент перекрытия характеризуется отношением
граничных частот диапазона. Значение Kg
находится в пределе от 1,2 до 3. Когда коэффициент перекрытия Kg<3
то разделять диапазон частот на поддиапазоны не требуется.
Разбивка на поддиапазоны не требуется.
2.3 Расчет сквозной полосы пропускания приемника
Для радиовещательных приемников, как показывает
практика, что полоса пропускания всего ВЧ - тракта имеет порядка 1,1-1,2 от Дfc:
Дfc=220000
Гц
К=1,1…1,2
ДFвч=
К* Дfc= 2,42 * 105
Гц
.4 Выбор структурной схемы первых каскадов
преселектора и числа преобразования частоты
В супергетеродинных приемниках подавление
зеркального канала обеспечивается селективными элементами преселектора, а
помехи по соседнему каналу - селективными элементами усилителя промежуточной
частоты. В простейшем случае преселектор может состоять из одноконтурной
входной цепи. В принципе, увеличения степени подавления зеркального канала
можно достигнуть, применяя большое количество контуров в преселекторе.
Однако, практика показала, что такой путь
нецелесообразен в силу аппаратного усложнения. Требуемую степень подавления
зеркального канала следует при этом осуществлять за счет применения
двухкратного преобразования частоты.
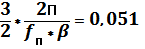
При заданном значении по зеркальному каналу
можно найти нижнюю границу для промежуточной частоты
fmax
= 73*106 Гц
перевод из дБ в разы db
= 25 k=10db/20
= 17,783
Qэ
= 50;
узк = 17,78; n=1
п = 7,062*106; fп=10,7*106
Стандартная ПЧ
Входная цепь: одноконтурная
Радиоприемник с одним преобразователе частоты.
2.5 Выбор первых каскадов приемника
Первые каскады в значительной степени определяют
чувствительности приемника. Для обеспечения высокой чувствительности требуется
применение, как правило, одного каскада УРЧ после ВЦ. Для оценки необходимости
применения каскада УРЧ в преселекторе следует использовать неравенство:
где ТА - шумовая температура антенны,
которая характеризуется интенсивность воздействующих на антенну внешних шумов.
TА
= 190К
kT0=4*10-21
Вт/Гц - произведение постоянно Больцмана на температуру
Т0=290К
ПШ = 1,1 *ДFВЧ
- эффективная шумовая полоса (Гц)
Применение гвх - минимально
допустимое отношение сигнал-шум.
Т0=290; Еа=5*10-6
В; Ra=75Ом
ДFвч=2,42*105
Гц
г=10; Пш = 1,1 * ДFвч
= 2,662*105; kТ0=4*10-21
меньше 200
Необходим УРЧ, структурная схема приемника имеет
вид, рис.2.
Рис.2. Структурная схема приемника
2.6 Определение избирательной системы тракта
промежуточной частоты
Построение тракта промежуточной частоты основано
на двух принципах, справедливых для любых радиоприемников:
- первый заключается в распределении
селективности и усиления между всеми каскадами УПЧ,
- второй в разделении между каскадами этих
функции (при этом необходимая селективность создается фильтром сосредоточенной
селекции, включаемым после смесителя, а требуемое усиление обеспечивается
последующими каскадами УПЧ со слабой избирательностью). Второй метод с точки
зрения качества работы приемника более перспективен.
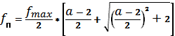
При ДFс/fnp > 0,014 и
высоких требованиях к избирательности по соседнему каналу рационально применить
фильтр сосредоточенной избирательности (ФСИ) на промежуточной частоте, так как
в этих условиях ФСИ может дать лучшую избирательность, чем УПЧ с распределённой
избирательностью. При ДFс/fnp < 0,014 для обеспечения
избирательности по соседнему каналу рационально использовать УПЧ с
распределённой избирательностью.
ДFвч=2,42*105
Гц; fпр=10,7*106Гц
Отсюда следует, что в данном случае, в УПЧ,
лучше применить ФСС.
Селективность по соседнему каналу обеспечивается
ФСС Murata
SFELF10M7GACO-DO,
необходимое усиление добиваются каскадами со слабой избирательностью.
Параметры фильтра:
Fном - 10,7+-0,1 МГц
Дf(3дБ)
- 240+-30КГц
Дf(45дБ)
- 460+-50КГц
Затухание в полосе пропускания, не более - 3дБ
Сопротивление вх/вых - 330 Ом
КП=460/240=1,1917 зн. (по Т.З. - КП=2)
этот фильтр подходит.
.7 Выбор электронных приборов для
высокочастотного тракта
Для работы в УРЧ, смесителе подходят транзисторы
2Т396А-2. В УПЧ и амплитудном ограничителе применим 2Т324В-1.
Справочные данные:
Т324В-1
Iкmax=50*10-3A;
h21=250; fгр=0,8*109
Гц;
Кш=4; Ск=2,5*10-12
пФ; ф=25*10-12 С
Т396А-2
Iкmax=40*10-3A;
h21=200; fгр=2,1*109
Гц;
Кш=4; Ск=1,3*10-12
пФ; ф=17*10-12 С
2.8 Распределение
усиления между каскадами
Определяем коэффициент усиления высокочастотного
тракта:
Еа = 5*10-6 В
Uд=
0,5
Кзап = 3
Uсм=
30*10-6 В
Необходимо обеспечить Квц*Курч
= 13
Преобразовательные каскады Кпр = 5
Так же, необходимо обеспечить напряжение 0,5 В
на входе детектора, значит: Uд=0,5
.9.Выбор регулировок приёмника
В радиоприёмных устройствах на транзисторах
наибольшее распространение получили регулировки усиления с управлением по току
базы или эмиттера, а также высокочастотные делители напряжения с изменяющимся
коэффициентом деления. Применение высокочастотных делителей объясняется тем,
что при регулировании усиления параметры транзисторов регулируемого тракта не
изменяются.
В нашем случае, регулировка АРУ происходит в
УПЧ.
Число регулируемых каскадов должно быть равно:
где L1
- изменение коэффициента усиления на каскад, равное L1
= 6... 10;
Lo
- изменение коэффициента усиления приёмника под действием АРУ, равное:
ДUвых
- изменение выходного напряжения приёмника под действием АРУ, по заданию равное
ДUвых
= 12 (дБ) или 3,98.
Примем L1 = 10, тогда:
Необходимо использовать 2 каскада для
регулировки.
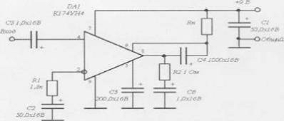
.10 Выбор тракта УНЧ
В качестве УНЧ используем микросхему К174УН4,
имеющую достаточный регулируемый коэффициент усиления от 4 до 40.
Требуемый коэффициент усиления УЗЧ при выходной
мощности 1 Вт на 4 Омах. Uвыхунч
= 2В
Принимаем напряжение на выходе детектора Uвыхд
= 80*10-3 В.
Типовая схема включения ИМС К174УН4
Таблица. Электрические параметры К174УН1
|
1
|
Номинальное
напряжение питания
|
9В±10%
|
|
2
|
Ток
потребления при Un=9В,
Uвх=0В
|
10мА
|
|
3
|
Коэффициент
усиления при Un=9В,
fвх=1
кГц, Uвх=0,1В
|
4…40
|
|
4
|
Нестабильность
коэффициента усиления напряжения при Un
= 9B,f„
= 1 кГц, Т=+25...+55°С
|
20%
|
|
5
|
Коэффициент
гармоник при Un
= 9 В, fex
= 1 кГц: К174УН4А при Рвых = 1,0 Вт, ивых = 2,0 В
К174УН4Б при Рвых = 0,7 Вт, ивых = 1,7 В
|
2%
2%
|
|
6
|
Входное
сопротивление при U„
= 9 В, fex
= 1 кГц
|
10
кОм
|
|
7
|
Выходная
мощность при U„
= 9В, R,, = 4
Ома, Кг2 %: К174УН4А К174УН4Б
|
1,0
Вт 0,7 Вт
|
|
8
|
Диапазон
рабочих частот при Un
= 9 В
|
30…20000
Гц
|
|
9
|
Коэффициент
полезного действия при Un
= 9 В, RH
= 4 Ома: К174УН4А при Рвых = 1,0 Вт К174УН4Б при Рвых
= 0,7 Вт
|
50%
35%
|
Регулировка коэффициента усиления напряжения на
низких частотах может быть проведена изменением емкостей конденсаторов С2 и С4.
Ослабление усиления на верхней граничной частоте 20кГц - не более 3 дб.
Допускается регулировка коэффициента усиления напряжения с помощью изменения
сопротивления резистора обратной связи R2
(в пределах 240 Ом...2,7 кОм) и емкости конденсатора С2. Допустимое значение
статического потенциала 200 В.
3. Рабочее (электрическое) проектирование
На этапе рабочего проектирования выполняется
электрический расчет функциональных узлов и отдельных каскадов, составляется
принципиальная схема в целом.
3.1 Расчет параметров электронных приборов
Рассчитываем работу транзисторов 2Т396А в
качестве УРЧ
Параметры рассчитываются при: Iэ
= 10*10-3А; f=73*106
Гц
Ток эмиттера выбран экспериментальном, при этом
токе коэффициент передачи по мощности ВЦ максимален.
Входная проводимость:
Входная емкость транзистора (схема ОЭ):
Выходная емкость транзистора (схема ОЭ)
Выходная проводимость транзистора (ОЭ):
Усиление не достаточно, применим каскадную схему
УРЧ.
Расчет параметров каскада ОЭ-ОБ
g11K=g11Э=0,013
См
С11К=С11Э=2,459*10-11Ф
.2 Расчет ВЦ
Диапазон частот работы приемника:
fmin
= 6,58 *107 Гц; fmax=7,3*107
Гц
Ra=75Ом
Минимальная емкость контура:
Спкmin=1*10-12Ф;
СL=1*10-12Ф;
См=1*10-12Ф
Скmin=Cпкmin=+CL+Cм+0,1*С11э;
Скmin=5,459*10-12
Ф
Индуктивность контура:
Зададимся: d=0,01;
Qквц=1/d;
Qквц=100
Эквивалентная добротность каждого контура (ВЦ и
УРЧ): угзк = 17.78
Ослабление по зеркальному каналу ВЦ:
Дополнительно к ВЦ, ослабление на этих частотах
даст контур УРЧ.
Коэффициент шума ВЦ: Ra=75;
.3 Расчет УРЧ
Избирательность УРЧ: N=1
Избирательность ВЦ и УРЧ:
По зеркальному каналу
По промежуточной частоте
Коэффициент усиления ВЦ и УРЧ на средней частоте
Квц*Курч:
,053*0,445=34,289
Расчет элементов, задающих режим работы УРЧ
Iк=10*10-3
А;
tmin = 10 C; tmax = 40 C; T0=293 Kкбо=1*10-6
А; Eп=12
В; Uкв=5
В
Дt=
tmax- tmin
Определение обратного тока коллектора:
ДIкбо=Iкбо*20,05Дt;
ДIкбо=
2,828*10-6 A
Тепловое смещение напряжение базы: г=1,8 мв/К
ДUэб
= г*Дt*10-3; ДUэб
= 0,054 В
Нестабильность коллекторного тока:
ДIк=Iк*Дt/T0;
ДIк=1,024*10-3
A
Необходимые параметры:
b11 = 2р*fmax*C11э*b11=0,011
G=20*Iэ*(1-б);
G=9,95*10-4
См
Рассчитаем общий коэффициент передачи УРЧ и ВЦ:
Квц(f)=mвц*nвц*2р*f*Lк*Qэвц*Ga;
Квц=0,537
Квч1(f)=Квц(f)*Курч(f)
Квч1(fmin)=38,836;
Квч1(fср)=41,396;
Квч1(fmax)=43,965.
3.4 Расчет смесителя
Смеситель с нагрузкой на ФСС.
Коэффициент усиления смесителя не должен
превышать коэффициент устойчивого усиления. Снижение усиления осуществляется за
счет m1.
Фильтр включается по схеме межкаскадной связи, в
которой фильтр подключен к коллекторной и базовой цепям через широкополосный
контур и согласующий трансформатор.
Параметры транзистора в преобразовательных
каскадах:
g11пр = g11э
= 0.013 См
g22пp
:= 0.65*g22э =
5.563*10-4 См
C11пp
= C11э =
2.459 * 10-11 Ф С22пр := С22э = 6.904*10-12
Ф
Y21пp
= 0.8*Y21э =
0.277 См Y12пp
:= 0.25*Y12э=
1.491*10-4 См
g21пp := Y21пp*0.5 = 0.138
См
Расчет каскада
Зададимся следующими параметрами:
fпp
= 1,07*107 Гц; П07= ДFвч
= 2,42*105 Гц
Qкпр
= 100 - добротность контура
Расчет проводится в соответствии с [1] стр.295
Входное и выходное сопротивление фильтра
Wk
= 330 Ом; Wб
= Wk
Коэффициент связи k
полагаем равным 0,9: k
= 0,9
Схема согласования фильтра представлена ниже
Рис. Схема согласования фильтра.
Показатель связи фильтра с усилителем Асв:
d=0,01;
Индуктивности катушек согласующего
трансформатора:
Коэффициенты включения:
Индуктивность катушки связи с контуром:
Усилитель устойчив.
Расчет элементов, задающих режим работы
смесителя:
Iк=0,01
А; Iкбо=1*10-6
А; Дt=40-(-20)=60 C;
Т0=293 К
Еп=12 В; Uкэ=
5 В
Д Iкбо=
Iкбо*20,05
Дt;
Д Iкбо=8*10-6
А
Тепловое смещение напряжения базы: г=1,8 мВ/К
ДUэб=г*
Дt*10-3;
ДUэб=0,108
В
Нестабильность коллекторного тока:
ДIк=
; ДIк=2,048*10-3
A
Расчет шума для смесителя:
Необходимые параметры:
b11 = 2р*fпр*C11пр=1,653*10-3
G=20*Iэ*(1-б);
G=9,95*10-4
См
.5 Расчет УПЧ
Последующие каскады должны обеспечить
усиление, не менее (Кп):
Ua=5*10-6 B; Квц=Квц(fср)=0,537; Курч=Курч(fср)=77,053
Uд=0,5 В; Кзап=3
Последующие каскады могут быть
слабоизбирательным построенные по каскадной схеме. Последний каскад нагружен на
амплитудный ограничитель с Rвx=l/g11э
(рассчитан позже), усиление этих каскадов стремится к Куст.
Уровень входного сигнала следующего каскада:
Uупч2=Ua*Квц*Курч(fср)*Купч1=2,066*10-3В
Рассчитываем работу транзисторов 2Т324В-1 в
качестве УПЧ:
Параметры рассчитываются при: Iэ=0,005;
f=10,7*106
Гц
fгр=0,8*109
Гц; Ск=2,5*10-12 пФ; h21=250;
ф=25*10-12
Входная проводимость:
Выходная емкость транзистора (схема ОЭ):
Выходная проводимость транзистора (ОЭ):
t11g11=20*Iэ*(1-б)+rб*(2*р*С11э)2;
t11g11=3,984*10-4
Рассчитываем параметры каскадной схемы ОЭ-ОБ:
g11к=g11э=3,282*10-3
См
С11к=С11э=3,755*10-11 Ф
Входная проводимость ограничителя амплитуды:
gвхд=g11э=3,282*10-3
См
Скп=50*10-12 Ф; Qк=100
Полоса пропускания слабоизбирательных каскадов в
2...5 раз шире ДFвч
П07=2* ДFвч=4,84*105
Расчет шума
Необходимые параметры:
b11=2р*fп*С11к=1,666*10-3
G=20*Iк*(1-б);
G=7,968*10-4
См
Расчет элементов, задающих режим работы
предпоследнего каскада УПЧ:
Iк=5*10-3
А; tmin=-20С; tmax=40
C; T0=293
K
Eп=12
В; Uкэ=5
В
Дt=
tmax-tmin
Определение обратного тока коллектора:
Д Iкбо=
Iкбо*20,05
Дt;
Д Iкбо=8*10-6
А
Тепловое смещение напряжения базы: г=1,8 мВ/К
ДUэб=г*
Дt*10-3;
ДUэб=0,108
В
Нестабильность коллекторного тока:
ДIк=
;
ДIк=1,024*10-3
A
Усиление Копр больше Куст,
значит К01 принимаете равным Куст и принимаются меры по снижению
усиления за счет введения шунта gшl, т.е.
увеличения g22
Необходимо 4,66; Куст=15,066
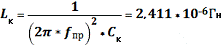
Уменьшаем усиление за счет m1:
Для развязки по постоянному напряжению,
используем трансформаторную связь c
детектором.
Рассчитаем индуктивность катушки связи при k
= 0.9; Lk=1,016*10-5Гн
Необходимые параметры:
b11=2р*fп*С11к=1,666*10-3
G=20*Iк*(1-б);
G=3,984*10-4
См
.6 Расчет детектора с ограничителем амплитуды
Расчет ограничителя проводится по методике [1]
стр.378, детектора - [1] стр.388, сначала рассчитаем детектор, затем
ограничитель.
Исходные данные:
Uвх
= 0,5 В
fпр=1,07*107
Гц
Rвхунч
= 10*103 Ом
П=Дfвч=2,42*105
Гц
Коэффициент паразитной АМ модуляции: mвх=0,3
Эффективность ограничения: М=12 дБ
Амплитуда ограниченного напряжения: Uогр=
1 В
Iк=5*10-3
А
Расчет детектора:
. Определяем Rвхд.
Зададимся: R1=R2=5
кОм; R2=5*103
Ом; R1=R2
Используем экспоненциальную аппроксимацию
характеристики диода. Для точечного германиевого диода можно принять:
i0=3*10-3
А
г=29 В
Рис. Схема частотного детектора с ограничителем
амплитуды.
Рассчитаем:
R1=10
A=г*
i0*R1=0,87
Bc=7
. Определим параметры фазовращательного
трансформатора.
Для обеспечения заданной полосы частот:
2П=
Выбираем затухание нагруженных
контуров: dэо=0,01; в=2
Требуемое эквивалентное затухание
контура:
dэ=
Индуктивность контуров L1 и L2:
. Определяем напряжение на входе
УНЧ. Глубина амплитудной модуляции на каждом диоде: m=0,36
Uвхнч = Uд*
=0,142 В
Расчет ограничителя
. Выбираем X=3 - обобщенная амплитуда
напряжения.
Y=1,25
Rкэкв
= (2*р*fп*Qкэкв)=
2,081*103 Ом
. Транзистор аналогичен транзисторам УПЧ, его
параметры для ПЧ рассчитаны выше.
. По входным характеристикам определяем: Uкэ=5
В; Епк=Uкэ;
Uбэ=0,18
В; Еп=12.
Uвх1=X*Uбэ=0,54
В
Заключение
В ходе работы был спроектирован канал
изображения телевизионного приемника.
Параметры по исходным данным обеспечены
следующим образом: чувствительность - в результате расчетов обеспечена не менее
5 мКв ослабление зеркального канала - 53дб (Т3-50дб) коэффициент
прямоугольности менее 2.
Рассчитаем коэффициент шума приемника:
Nвц
=
4,97
Крвц = 0,201
Nурч
= 1,762 Крурч = 86,97
Nсм
=
1,564 Kрcm =
278,303
Nупч1
= 1,394 Крупч1 = 7,539*104
Nупч2
= 1,257 Крупч2 = 168,137
Получили, что Np<Ndon
(8,787<9,826), а это означает, что рассчитанный приёмник обеспечивает
шумовые характеристики приёма сигналов на заданном диапазоне частот и
подтверждает правильность выбора транзисторов и их режимов.
Предельную чувствительность приёмника можно
характеризовать коэффициентом шума, равным отношению мощности шумов,
создаваемых на выходе линейной части приёмника эквивалентом антенны и линейной
частью, к мощности шумов, создаваемых только эквивалентом антенны.
Распределение усиления приемника показано на
рисунке.
Рис. Распределение усиления приемника (без
действия АРУ)
Список литературы
1. Проектирование радиоприёмных
устройств./ Под редакцией Сиверса. - М.; Сов. Радио, 1976 г./
. Основы проектирования
радиоприёмников. /Горшелёв 3.Г. и др. - Л. «Энергия» 1977 г./
. Расчет радиоприемников. /Н.В.
Бобров М. Воениздат, 1975 г./
. Радиоприемные устройства.
Методические указания к курсовому проектированию. - Л.; СЗПИ 1988 г.
. Радиоприемные устройства. /Под
редакцией Чистякова. - М.; Радио и связь, 1986 г.
. Полупроводниковые приборы.
Транзисторы: Справочник. /Под редакцией Горюнова. - М.; Энергоатомиздат. 1983
г.