Расчет и выбор посадок
Содержание
Введение
Задача 1. Расчет и выбор посадок гладких цилиндрических соединений
Задача 2. Расчёт исполнительных размеров гладких предельных
калибров
2.1 Произведем расчет размеров калибра-скобы для контроля вала Ш10-0,015.
2.2 Произведем расчет размеров калибра-пробки для контроля
отверстияШ10+0.028 +0.013
Задача 3. Форма и расположение поверхностей
Задача 4. Шероховатость поверхности
Задача 5. Расчёт посадок подшипников качения
Задача 6. Назначение и обоснование посадок резьбового соединении и
его контроль
Задача 7. Назначение и обоснование посадок шпоночного и шлицевого
соединений и их контроль
7.1 Расчёт посадок шлицевого соединения
Задача 8. Расчёт точности зубчатых колёс и передач и их контроль
Задача 9. Расчёт допусков размеров, входящих в размерную цепь
Заключение
Список литературы
Введение
В настоящее время проблемы повышения качества продукции
машиностроения наряду с повышением требований к взаимозаменяемости деталей
машин при сборке из года в год приобретают все большее значение. Видное место в
разрешении этих проблем занимают стандарты, распространяющиеся на допуски и
посадки размеров гладких элементов деталей, на их посадки, образуемые при
соединении этих деталей, и на калибры, обеспечивающие надежный контроль и
взаимозаменяемость деталей, узлов и машин.
Годность деталей с допуском от IT6 до IT17, особенно при
массовом и крупносерийном производствах, наиболее часто проверяют предельными
калибрами. Этими калибрами проверяют размеры гладких цилиндрических, гладких
конических, резьбовых и шлицевых деталей, глубин и высот выступов, а также
расположение поверхностей и другие параметры.
Комплект рабочих предельных калибров для контроля размеров
гладких цилиндрических деталей состоит из проходного калибра ПР (им
контролируют предельный размер, соответствующий максимуму материала
проверяемого объекта) и непроходного калибра НЕ (им контролируют предельный
размер, соответствующий минимуму материала проверяемого объекта).
С помощью предельных калибров определяют не числовое значение
контролируемых параметров, а годность детали, т.е. выясняют, выходит ли
контролируемый параметр за нижний или верхний предел, или находится между двумя
допустимыми пределами. Деталь считают годной, если проходной калибр (проходная
сторона калибра) под действием собственного веса или усилия, примерно равного
ему, проходит, а непроходной калибр (непроходная сторона) не проходит по
контролируемой поверхности детали. В этом случае действительный размер детали
находится между заданными предельными размерами. Если проходной калибр не
проходит, деталь является исправимым браком; если непроходной калибр проходит,
деталь является неисправимым браком, так как размер такого вала меньше
наименьшего допускаемого предельного размера детали, а размер такого отверстая
- больше наибольшего допускаемого предельного размера.
При конструировании предельных калибров для гладких,
резьбовых и других деталей следует соблюдать принцип подобия Тейлора, согласно
которому проходные калибры по форме должны являться прототипом сопрягаемой
детали с длиной, равной длине соединения (т.е. калибры для валов должны иметь
форму колец), и контролировать размеры по всей длине соединения с учетом
погрешностей формы деталей. Непроходные калибры должны иметь малую
измерительную длину и контакт, приближающийся к точечному, чтобы проверять
только собственно размер детали (что достигается при контроле отверстий,
например, микрометрическими нутромерами). Предельные калибры дают возможность
контролировать одновременно все связанные размеры и отклонения формы детали и
проверять, находятся ли отклонения размеров и формы поверхностей деталей в поле
допусков. Таким образом, изделие считают годным, когда погрешности размера,
формы и расположения поверхностей находятся в поле допуска.
Изложенные особенности предельных калибров объясняют удобство
контроля и предопределили широкое их использование в промышленности при
контроле готовой продукции.
посадка гладкая цилиндровая резьбовая
Задача 1.
Расчет и выбор посадок гладких цилиндрических соединений
Условия задания: Вариант 1
Посадки Ш10H7/e7
Ш10H7/js7
Ш10H7/s7
Ш10F7/h7
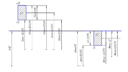
. Построим в масштабе схемы расположения полей
допусков сопрягаемых деталей. Масштаб построения схем: в одном миллиметре два
микрометра;
Рис 1. Поле допуска для посадки Ш10H7/e7
Рис 2. Поле допуска для посадки Ш10H7/js7
Рис 3. Поле допуска для посадки Ш10H7/s7
Рис 4. Поле допуска для посадкиШ10F7/h7
. Определим наибольший и наименьший предельные размеры
и допуски сопрягаемых деталей. Полученные данные заносим в таблицу 1.
3. Обозначим наибольший, наименьший и средний зазоры и
натяги на схемах расположения полей допусков.
. Определим наибольший, наименьший, средний зазоры или
натяги и допуски посадки.
Эскизом для каждого из соединений будет являться сопряжение
двух деталей - вала и отверстия. Для контроля отверстия выбираем
соответствующую пробку, для контроля вала - скобу (специальный мерительный
инструмент, проектируемый для каждого размера) или воспользуемся универсальными
мерительными инструментами - штангенциркулем и индикаторной скобой.
Задача 2.
Расчёт исполнительных размеров гладких предельных калибров
Для одного из заданных сопряжений (Задача 1): Ш10F7/h7
построим схему расположения полей допусков рабочих и контрольных калибров для
отверстия и вала по ГОСТ 24853 "Калибры гладкие для размеров до 500 мм.
Допуски".
2.1
Произведем расчет размеров калибра-скобы для контроля вала Ш10-0,015.
Предельные отклонения вала Æ10h7 (ГОСТ 25347-82)
Допуск 0,015 мм в интервале размеровдо 180мм, является нестандартным,
поскольку согласно ГОСТ 24853-81 рекомендуемый квалитет для изготовления
калибра-скобы - 6
При нестандартном допуске изделия допуски на калибры
назначаются, исходя из ближайшего квалитета. В данном примере это квалитет
6.=-0,015 мм, es=0 мм.
Определяем предельные размеры вала:
dmax=
;min =
.
- номинальный
размер изделия;min - наименьший предельный размер изделия;max
- наибольший предельный размер изделия;
Определим размеры
проходной (ПР) и непроходной (НЕ) стороны калибра-скобы, служащие для отсчета
отклонений:
ПР=dmax=10,000мм;
НЕ=dmin=9,960мм.
Данные для
расчета калибра-скобы выписываем из таблицы [1]1=2 мкм, Y1=1,5
мкм, a1=0 мкм, H1=2,5 мкм, Hp=1 мкм.
Ниже приведены
обозначения размеров допусков на схемах [1]: Т - допуск изделия; H1 - допуск
на изготовление калибров для вала; Нр - допуск на изготовление контрольного
калибра для скобы; Z - отклонение середины поля допуска на изготовление
проходного калибра для отверстия относительно наименьшего предельного размера
изделия; Z1 - отклонение середины поля допуска на изготовление
проходного калибра для вала относительно наибольшего предельного размера
изделия; Y1 - допустимый выход размера изношенного проходного
калибра для вала за границу поля допуска изделия; a1 - величина для компенсации погрешности контроля калибрами
валов с размерами свыше 180 мм. Размеры калибров и допуски на изготовление
зависят от допуска поверхности детали, для которой они предназначены.
Отклонения размеров
всех калибров задаются от предельных размеров изделий, т.е. от контролируемых
границ, а не от номинальных размеров.
Рассчитаем
предельные размеры проходной стороны калибра-скобы [1]:
ПРmax=
;
ПРmin =
.
Исполнительный размер проходной стороны калибра по формуле:
[1]
ПРисп. =
.
Изношенный размер проходной стороны калибра по формуле [1]:
ПРизнош. =
.
Предельные размеры непроходной стороны калибра-скобы по формулам
[1]:
НЕmin=
;
НЕmax=
.
Исполнительный размер непроходной стороны калибра по формуле:
НЕисп. =
Расчет размеров контрольного калибра для скобы (контркалибра) [1].
Рассчитаем предельные размеры проходной стороны калибра по
формулам:
К-ПРmin=
;
К-ПРmax=
.
Исполнительный размер проходной стороны контркалибра по формуле:
К-ПРисп. =
.
Предельные размеры контркалибра для контроля износа по формулам:
К-Иmax=
;Иmin=
.
К-Иисп. =
.
Предельные размеры непроходной стороны контркалибра:
К-НЕmax=
;
К-НЕmin=
.
Исполнительный размер непроходной стороны контркалибра:
К-НЕисп. =
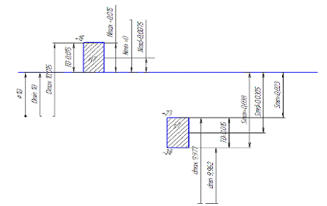
Рис. 2.1 Схема расположения поля допуска калибра-скобы для
контроля вала размером Ш10-0,015
2.2
Произведем расчет размеров калибра-пробки для контроля отверстияШ10+0.028 +0.013
Предельные отклонения отверстия Æ10F7 (ГОСТ 25347-82)
Максимальный диаметр рассчитываем по формуле:
где
- номинальный диаметр, мм;
- верхнее предельное отклонение размера,
мм.
(мм),
Минимальный диаметр рассчитываем по формуле
где
- номинальный диаметр, мм;
- нижнее предельное отклонение размера, мм.
(мм)
Определяем исполнительные размеры калибров-пробок
где Dmin-минимальный предельный размер
отверстия, мм;
z -
отклонение середины поля допуска на изготовление проходного калибра для
отверстия относительно наименьшего предельного размера, мм;
H - допуск
на изготовление калибра для отверстия, мм.
Величины z, H, принимаются по ГОСТ 24853-81 (СТ СЭВ
157-88).
,
где Dmax - максимальный предельный размер
отверстия, мм.
Предел износа калибра-пробки рассчитываем по формуле:
где y - допустимый выход размера изношенного проходного
калибра для отверстия за границу поля допуска изделия, мм.
Величину y принимаем по ГОСТ 24853-81 y =1,5 мкм
Строим схема расположения полей допусков детали и калибров пробок
в соответствии с размерами (рисунок 3.1).
По ГОСТ 14820-69 и ГОСТ 14821-69 подбираются конструкция и размеры
калибра-пробки и вычерчиваются в масштабе ее чертеж.
Задача 3.
Форма и расположение поверхностей
Для выполнения задания варианта №1 задания а, следует
отметить, что поверхности детали dШ52 и d2 Ш48, являются наружными,
цилиндрическими. Обозначение указанного отклонения обозначает отклонение от
соосности двух (указанных в задании) наружных поверхностей - валов и не должно
превышать 0,008мк.
По допуску формы и расположения (0,008мк), пользуясь таблицей
допусков и посадок, можем определить точность заданного отклонения - 4 класс
точности.
Для выполнения задания варианта №1 задания б, очевидно, что
торец детали, является наружной, плоской поверхностью.
Обозначение указанного отклонения обозначает биение
указанного торца относительно поверхности А Ш52 и не должно превышать 0,025мк.
По допуску формы и расположения (0,025мк), пользуясь таблицей
допусков и посадок, можем определить точность заданного отклонения - 6 класс
точности.
Для установки и измерения данных отклонений в производстве
используют центра (установка детали в центровые отверстия), индикаторную стойку
СИ - IV ГОСТ 10197-70 индикатор многооборотный 1-МИГ-1 ГОСТ 9696-82 и
специальную индикаторную ножку.
Задача 4.
Шероховатость поверхности
Согласно определению ГОСТ 2789-73 [5]
Шероховатость поверхности - совокупность неровностей поверхности с относительно
малыми шагами на базовой длине, образующих рельеф поверхности. Измеряется в
микрометрах (мкм). Шероховатость относится к микрогеометрии твёрдого тела и
определяет его важнейшие эксплуатационные свойства. Прежде всего,
износостойкость от истирания, прочность, плотность (герметичность) соединений,
химическая стойкость, внешний вид. [5]
Основные, нормируемые ГОСТом 25142-82, параметры
шероховатости для оценки неровностей поверхности. [5]
Среднее арифметическое отклонение профиля Ra - среднее
арифметическое абсолютных значений отклонения профиля в пределах базовой длины
[5]
где y - отклонение профиля, определяемое расстоянием между любой
точкой профиля и средней линией;- число выбранных точек на базовой длине.
Высота неровностей профиля по десяти точкам Rz - сумма средних
абсолютных значений высот пяти наибольших выступов профиля и глубины пяти
наибольших впадин профиля в пределах базовой длины (рис.2, б). [6]
,
где ypi - высоты i-го наибольшего выступа профиля;vi
- глубина i-й наибольшей впадины профиля.
Сравнительный бесконтактный метод основан на сравнении
реальной поверхности изделия с образцами шероховатости, которые имеют
стандартные значения параметра Ra (ГОСТ 9378-93) и изготавливаются для
определенных способов обработки материалов. [1,2,3]
Контрольные образцы представляют собой набор пластин или
образцовых деталей, которые обработаны с определенной шероховатостью. Этот
метод является простым и доступным, обеспечивает достоверность контроля при
Ra>1,25 мкм и Rz>10 мкм и широко применяется в цеховых условиях. Для
повышения точности оценки используют сравнительные микроскопы, в которых рядом
ставят образец и контролируемую деталь [3].
Вместо образцов шероховатости могут быть также применены
аттестованные образцовые детали. Этот метод находит применение при единичном
производстве изделий.
Механический контактный метод предусматривает измерение
параметров шероховатости с помощью щуповых приборов (профилометров и
профилографов). Числовые значения параметров шероховатости определяются либо
непосредственно по шкале прибора (профилометров), либо по увеличенным
изображениям профиля или записанной профилограмы разреза (профилографов). При
контактных методах измерения шероховатости поверхности по контролируемой
поверхности перемещается алмазная или стальная игла (с радиусом закругления 1 -
12 мкм). При этом она осуществляет микроперемещения по направлению своей оси,
соответствующие изменению профиля поверхностных неровностей. Эти
микроперемещения усиливаются и регистрируются отсчетными устройствами. [1,2,3]
Задача 5.
Расчёт посадок подшипников качения
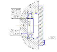
Согласно заданию варианта №1, проведем анализ подшипников
качения поз. 2 рис. 5.1
Рис. 5.1 Цилиндрический трехступенчатый редуктор (эскиз)
Рассматриваемый узел редуктора имеет вал, опорами которого
являются два шариковых подшипника с диаметром отверстия 25 мм.
Учитывая, что требования к точности вращения вала специально
не оговорены, а также то, что данный редуктор не относится к высокоскоростным,
принимаем нормальный класс точности подшипников
Данный подшипник относится к шариковым радиальным однорядным
открытым, серия диаметров средняя (3), серия ширин - узкая.
Основные размеры подшипника:
номинальный диаметр отверстия внутреннего кольца подшипника d
=25мм;
номинальный диаметр наружной цилиндрической поверхности
наружного кольца D =47мм;
Выбираем посадки внутреннего кольца подшипника на вал и
наружного кольца в корпус.
Наружное кольцо подшипника испытывает местное нагружение. Для
него выбираем посадку с зазором, т.к. основной опасностью для кольца, которое
испытывает местное нагружение - является износ дорожки качения в месте действия
нагрузки.
Если для этого кольца, назначают посадку с зазором и если оно
не зафиксировано в осевом направлении, то под действием вибрации и толчков оно
постепенно проворачивается по посадочной поверхности. В результате износ
дорожки качения происходит более равномерно по всей окружности кольца.,
Внутреннее кольцо подшипника испытывает циркуляционное
нагружение, и поэтому необходимо выбрать посадку с натягом. Наличие зазора
между циркуляционно-нагруженным кольцом и посадочной поверхностью детали может
привести к его проворачиванию с проскальзыванием поверхностей, а следовательно,
к развальцовыванию и истиранию металла детали, что недопустимо. При таком
сочетании посадок колец одного подшипника устраняется опасность заклинивания
тел качения из-за чрезмерного уменьшения радиального зазора.
По ГОСТ 3325-85 табл. 1,2:
Для подшипника класса точности - 0, отверстие в корпусе
выполняется по 7 (реже 6) квалитету, а вал - по 6 (реже 5) квалитету.
Предлагаемые посадки внутреннего кольца на вал: 


Учитывая, что режим работы легкий, берем посадку Ш25
.
Предлагаемые посадки наружного кольца в корпус:
,
,
Выбираем посадку Ш47
.
Предельные отклонения средних диаметров колец подшипника качения
определяем по ГОСТ 520-2002, предельные отклонения вала Ш25js6 и
отверстия корпуса Ш47G7 - по ГОСТ 25347-82 "Основные нормы
взаимозаменяемости. Единая система допусков и посадок. Поля допусков и
рекомендуемые посадки"
Предельные отклонения для размеров сопрягаемых с подшипником
детали:
Посадка Ш47G7:
IT=25 мкм
Верхнее отклонение ES =IT+EI=25+9= 34 мкм,
Нижнее отклонение EI = +9 мкм;
Наибольший предельный диаметр отверстия
=47+0,034 =47,034 мм,
Наименьший предельный диаметр отверстия
= 47+0,009 = 47,009 мм.
Посадка Ш25js6:
IT=13мкм
Верхнее отклонение es = 6,5 мкм,
Нижнее отклонение ei = - 6,5 мкм;
Наибольший предельный диаметр вала
= 25+0,0065 = 25,0065 мм,
Наименьший предельный диаметр вала
= 25+ (-0,0065) =24,9935 мм.
Расчет подшипниковых посадок:
Расчет посадок подшипника в корпус Ш47
:
Наименьший предельный зазор:
min=Dmin
- Dmmax =47,009 - 47 = 0,009мм = 14мкм
Наибольший предельный зазор:
max=Dmax
- Dmmin = 47,034-46,987 = 0.047мм = 47мкм
Расчет наиболее вероятного зазора:
Расчет допуска посадки:
Расчет посадок подшипника на вал Ш25
:
Наибольший предельный зазор (наименьший предельный натяг):
max=
Nmin =dm - dmin = 25 - 24,9935 = 0.0065мм = 6,5мкм
Наибольший предельный натяг:
max=dmax
- dmmin = 25,0065 - 24,99 = 0.0165мм = 16,5мкм
Расчет наиболее вероятного натяга:
m=
(Nmax + Nmin) /2= (16,5+6,5) /2=11,5мкм
Расчет допуска посадки:
(S,N) = Nmax+ Nmin =16,5 - 6,5 = 10 мкм.
Шероховатость посадочных поверхностей, сопрягаемых с кольцами
подшипника деталей, зависит от диаметра и класса точности подшипника По ГОСТ
3325 (таблица 3) выбираем требования к шероховатости:
посадочной поверхности вала под кольцо подшипника Rа 2.5;
посадочной поверхности корпуса под кольцо подшипника Rа 2.5;
торцовой поверхности заплечика вала и корпуса Rа 2,5 и Ra 2.5.
Из таблицы 4 ГОСТ 3325 выбираем значения:
допуска круглости посадочной поверхности вала под кольцо
подшипника 5.0 мкм;
допуска профиля продольного сечения посадочной поверхности вала
под кольцо подшипника 5.0 мкм;
допуска круглости посадочной поверхности корпуса под кольцо
подшипника 10 мкм;
допуска профиля продольного сечения посадочной поверхности корпуса
под кольцо подшипника 10 мкм.
Из таблицы 5 ГОСТ 3325 выбираем значения:
Допуска торцевого биения заплечиков вала - 30 мкм;
Из таблицы 6 ГОСТ 3325 выбираем значения:
Рис 5.2 Подшипник
Задача
6. Назначение и обоснование посадок резьбового соединении и его контроль
Рис 6.1 Эскиз резьбового соединения
Дано: резьбовая посадка М8- резьба метрическая,
мм - номинальный наружный диаметр наружной резьбы (винта),
наружный диаметр внутренней резьбы (детали);
Определяем номинальные значения диаметров внутренней резьбы
(винта) и наружной резьбы (детали) по ГОСТ 24705:
Номинальный
наружный диаметр наружной (внутренней) резьбы:= D = 8 мм
Номинальный
средний диаметр наружной (внутренней) резьбы:2 = D2 =
7,350мм
Номинальный
внутренний диаметр наружной (внутренней) резьбы:1 = D1 =
6мм 6,917
Номинальный
внутренний диаметр наружной резьбы по дну впадины:3=6,773 мм
Предельные
отклонения диаметров резьбовых деталей с внутренней резьбой (детали) и наружной
резьбой (винта) выбираем по ГОСТ 16093-2004.
Определяем
предельные отклонения и размеры внутренней резьбы М28
Наружного
диаметра внутренней резьбы:=0 мкм - нижнее отклонение=не огран. - верхнее
отклонение
Среднего диаметра
внутренней резьбы:
Полный
(суммарный) допуск среднего диаметра внутренней резьбы:D2=250 мкм;=
+0 мкм; - нижнее отклонение= +250 мкм - верхнее отклонение
Внутреннего
диаметра внутренней резьбы:
Полный
(суммарный) допуск внутреннего диаметра внутренней резьбы: TD1=375
мкм; EI = 0 мкм; - нижнее отклонение ES = +375 мкм - верхнее отклонение.
Наибольший предельный размер наружного диаметра внутренней резьбы:
max= D+ES = 8.000+не огран. = не огран.
Наименьший
предельный размер наружного диаметра внутренней резьбы:
min = D + EI = 8,000+0,000 = 8.000 мм
Наибольший
предельный размер среднего диаметра внутренней резьбы:
2max = D2 + ES = 7,350+0,25 = 7,6
мм
Наименьший
предельный размер среднего диаметра внутренней резьбы:
2min = D2 + EI = 7,350+0,000 =
7,350 мм
Наибольший
предельный размер внутреннего диаметра внутренней резьбы:
1max = D1 + ES = 6,917+0,375 =
7,292 мм
Наименьший
предельный размер внутреннего диаметра внутренней резьбы:
1min = D1 + EI = 6,917+0,000 =6,917
мм
Определяем
предельные отклонения и размеры винта (наружной резьбы) М8
Наружного
диаметра наружной резьбы:
Полный
(суммарный) допуск наружного диаметра наружной резьбы: td=-375= -
32мкм - верхнее отклонение= - 343 мкм - нижнее отклонение
Среднего диаметра
наружной резьбы:
Полный
(суммарный) допуск среднего диаметра наружной резьбы:d2=190= - 32
мкм - верхнее отклонение= - 222 мкм - нижнее отклонение
Внутреннего
диаметра наружной резьбы:= - 32 мкм - верхнее отклонение= не огран. - нижнее
отклонение
Наибольший
предельный размер наружного диаметра наружной резьбы
max=d+es=8,000+ (-0,032) =7,968 мм;
Наименьший
предельный размер наружного диаметра наружной резьбы:
min=d+ei=8,000+ (-0,343) =7.657 мм;
Наибольший
предельный размер среднего диаметра наружной резьбы:
2max=d2+es=7,350+ (-0,032) =7,318
мм;
Наименьший
предельный размер среднего диаметра наружной резьбы:
2min=d2+ei=7,350+ (-0,222) =7,128
мм;
Наибольший
предельный размер внутреннего диаметра наружной резьбы:
1max=d1+es=6,773+ (-0,032) =6,741
мм
Наименьший
предельный размер внутреннего диаметра наружной резьбы:
1min=d1+ei=6,773+не огран. = не
огран.
Рассчитываем
предельные значения зазоров в резьбовой посадке:
по наружному
диаметру внутренней (наружной) резьбы:
Наименьший
предельный зазор:
min = Dmin - dmax =
8,000 - 8.000 = 0,000 мм;
Наибольший
предельный зазор:max - не нормируется;
по среднему
диаметру внутренней (наружной) резьбы:
Наименьший
предельный зазор:
2min = D2min - d2max =
7,350 - 7,318= 0,032 мм;
Наибольший
предельный зазор:
2max = D2max - d2min =
7,6 - 7,128= 0,472 мм;
по внутреннему
диаметру внутренней (наружной) резьбы:
Наименьший
предельный зазор:
1min = D1min - d1max
=6,917 - 6,741= 0,032 мм;
Наибольший
предельный зазор:1max - не нормируется.
Строим схему
расположения полей допусков резьбового сопряжения М8
Задача
7. Назначение и обоснование посадок шпоночного и шлицевого соединений и их
контроль
Шпоночные и шлицевые соединения служат для закрепления на
валу (или оси) вращающихся деталей (зубчатых колес, шкивов, муфт и т.п.), а
также для передачи вращающего момента от вала 1 к ступице детали 2 или,
наоборот, от ступицы к валу
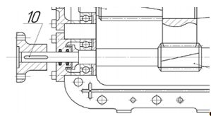
Согласно заданию варианта №1, проведем анализ шпоночного
соединения поз.10 рис. 7.1
Рис 7.1 Эскиз шпоночного соединения
Свободное соединение используют для обеспечения
неответственных конструкций, а также для подвижных соединений со шпоночными
соединениями, работающими как направляющие продольного перемещения. Нормальные
шпоночные соединения применяют в большинстве изделий, если к ним не
предъявляются особые функциональные требования. Плотное соединение назначают
для предотвращения больших динамических нагрузок при выборке зазоров в
соединениях по ширине шпонки с ударами. Такие условия работы встречаются в
изделиях со старт-стопными режимами или с частым реверсированием направления
вращения валов.
В зависимости от диаметра вала и конструкции шпонки
определяются основные размеры шпонки, шпоночных пазов вала и втулки по
следующим стандартам: для сегментных шпонок по ГОСТ 24071-80= 6 мм; h = 9 мм;
d=22 мм.
Фаска max = 0,40; min = 0,25
По стандарту, указанному в пункте 5.1, в зависимости от вида
или назначения посадок шпоночного соединения определяются поля допусков
сопрягаемых и несопрягаемых размеров и записываются посадки шпоночного соединения.
Для обеспечения посадок призматических шпонок предусмотрены
поля допусков: на ширину паза вала - Н9, N9 и Р9; на ширину паза втулок - D10,
Js9 и Р9; на высоту шпонки 2-6 мм - h9 и свыше 6 мм - h11; на длину шпонки h14
и на длину паза - H15.
Рис 7.2 Шпоночное соединение
Ориентировочное назначение посадок шпоночных соединений
приведено в [1, с. 22, табл. 5.1, 5.2].
Сопрягаемые размеры:
Несопрягаемые размеры:
диаметр шпонки d = 22h12-0.21
Определяются по формулам предельные размеры:
·
шпонки
,
;
·
паза
вала и паза втулки
,
,
где b - ширина шпонки и пазов, мм;, ei, ES, EI - верхнее и нижнее
отклонения шпонки и пазов.
Строим в масштабе схема расположения полей допусков шпоночного
соединения (рисунок 7.1.).
Рисунок 7.1 - Схема расположения полей допусков шпоночного
соединения
Определяем характеристики шпоночного соединения (предельные зазоры
и натяги между шпонкой и пазом вала, шпонкой и пазом втулки) по формулам
,
,
,
,
где Dmin, Dmax-предельный размер
отверстия, мм;
dmin, dmax - предельный размер вала, мм.
(мм),
(мм),
(мм),
(мм)
Между шпонкой и пазом втулки
(мм),
(мм),
(мм),
(мм)
7.1 Расчёт
посадок шлицевого соединения
Для заданного шлицевого соединения расшифровать его
обозначение, построить схемы расположения полей допусков для установленных посадок
сопрягаемых деталей по различным их элементам, рассчитать предельные размеры
сопрягаемых деталей, а также табличные зазоры (натяги).
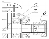
Рис. 7.3 Эскиз шлицевого соединения
Шлицевое соединение 8х32х36 (zxdxD) соединение прямобочное
шлицевое с центрированием по наружному диаметру D=36 с числом зубьев z = 8,
внутренним диаметром d = 32 мм, шириной зуба b =3 мм, с посадкой по диаметру
центрирования H7/h8 и по размеру b - F8/e8. Поля допусков выбираем по ГОСТ
25346 или ГОСТ 1139. Расчёт предельных размеров и зазоров посадки шлицевого
соединения по внутреннему диаметру: Ш32Н11/а11: отверстие Ш32Н11: ES=130, EI=0.
Наибольший предельный размер отверстия:
max = D0 + ES = 32 + 0,130 = 32,130 мм;
Наименьший предельный размер отверстия:
min = D0 + EI = 32 + 0,000 = 32,000 мм;
Расчет наиболее вероятного диаметра (среднего диаметра)
отверстия:
m= (Dmax+Dmin) /2=
(32,130+32,000) /2=32,065 мм.
Вал Ш32а11:=130=-300=-430
Наибольший предельный размер вала:
max = d0 + es = 32 + (-0,3) = 31.700
мм;
Наименьший
предельный размер вала:
min = d0 + ei = 32 + (-0,43) =
31,570 мм;
Расчет наиболее
вероятного диаметра (среднего диаметра) вала:
m= (dmax+dmin) /2=
(31.700+31,570) /2=31,635 мм.
Наибольший
предельный зазор:
max = Dmax - dmin =
32,130 - 31,570 = 0,560 мм;
Наименьший
предельный зазор:
min = Dmin - dmax=
32.000 - 31.700 = 0,300 мм.
Расчет наиболее
вероятного зазора:
m= (Smax+Smin) /2=
= (0.560+0.300)
/2=0.430мм
Расчёт предельных
размеров и зазоров по ширине шлиц 3F8/e8:
Отверстие 3F8:
IT=14, EI=+6
=EI+IT=14+6=20
Наибольшая ширина
шлица в системе отверстия:
max = B0 + ES = 3 + 0,020 =
3,020мм;
Наименьшая ширина
шлица в системе отверстия:
min = B0 + EI = 3 + 0,006 = 3,006
мм;
Вал 3e8: es=-14
=es-IT=-14-14=-28
Наибольшая ширина
шлица в системе вала:
max = b0 + es = 3 + ( - 0,014) =
2,986 мм;
Наименьшая ширина
шлица в системе вала:
min = b0 + ei = 3+ ( - 0,028) =
2,972 мм;
Наибольший
предельный зазор:
max = Bmax - bmin =
3,020 - 2,972 = 0,048 мм;
Наименьший
предельный зазор:
min = Bmin - bmax =
3,006 - 3,986 = 0,02 мм.
Расчет наиболее
вероятного зазора:
m= (Smax+Smin) /2=
(0,048+0,02) /2=0,034 мм.
Допуск посадки:
=ITD+ITd=0,014+0,014=0,028
мм.
Расчёт предельных
размеров и зазоров (натягов) по наружному диаметру Ш 36Н7/h8:
Отверстие Ш
36Н7:=21=21=0
Наибольший
предельный размер отверстия:
max = D0 + ES = 36 + 0,021 =
36,021 мм;
Наименьший
предельный размер отверстия:
min = D0 + EI = 36 + 0,000 =
36,000 мм;
Вал Ш
36h8:=33=0мкм=-33мкм
Наибольший
предельный размер вала:
max = d0 + es = 26 + 0.000 =
36.000 мм;
Наименьший
предельный размер вала:
min = d0 + ei = 36 + (-0,033) =
35,967 мм;
Наибольший
предельный зазор:
max = Dmax - dmin =
36,021 - 35,967 = 0,054 мм;
Наименьший
предельный зазор:
min = Dmin - dmax =
36,000 - 36,000 = 0,000 мм;
Расчет наиболее
вероятного зазора:
m= (Smax+Smin) /2=
(0,054+0,000) /2=0,027 мм.
Допуск посадки.
=ITD+ITd=0,021+0,033=0,027
мм.
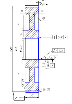
Задача 8.
Расчёт точности зубчатых колёс и передач и их контроль
Число зубьев большего колесаZ3 = 30
Число зубьев малого колеса Z1 = 12
Окружная скорость V = 12 м/с
Модуль m = 5 мм
Расчет геометрических параметров зубчатой передач
делительный диаметр малого колеса d2 = m×Z2
d2 = 5×12=60 мм
делительный диаметр большего колеса
d1 = m×Z11 = 5×30=150 мм
межосевое расстояние
=81 мм
ширина зубчатого венца
В = (8 × 10) m, В = 10 ×5 = 50 мм.
Принимаем В =50 мм.
диаметр посадочного отверстия зубчатого колеса
Принимаем D = 50 мм.
Рассчитанные значения В и D округляются по ГОСТ 6636-69.
Рис 8.1 Цилиндрический трехступенчатый редуктор
Рис 8.2 Зубчатое колесо
Назначение степеней точности зубчатой передачи
Согласно [1] степень точности зубчатой передачи по норме
плавности назначаем 6 в зависимости от окружной скорости V = 12 м/с. По
рекомендациям ГОСТ 1643-81, применив комбинирование норм точности, назначаем
степень по кинематической норме точности 7, по полноте контакта 7.
Выбор вида сопряжения по боковому зазору
Для размещения смазки, компенсации погрешностей изготовления
колес и сборки передачи и изменения размеров от температурных деформаций в
зацеплении предусмотрен боковой зазор. Минимальный гарантированный боковой
зазор, необходимый для обеспечения смазки ориентировочно можно определить для
тихоходных передач по формуле: jn. min. расч = 0,02 ×m
По найденному значению jn. min. расч и межосевому
расстоянию аw по ГОСТ 1643-81 выбираем вид сопряжения по норме
бокового зазора, исходя из условия:
jn. min. табл. ³jn. min. расч
Данному условию соответствует вид сопряженияE для которого
jn. min. табл. = 30 >jn. min. расч =
10.
Таким образом точность зубчатой передачи будет 7 - 6 - 7 - E
ГОСТ 1643-81.
Назначение комплексов показателей для контроля зубчатого
колеса
По ГОСТ 1643-81 назначаем по нормам показатели или комплексы
для контроля большего зубчатого колеса и определяем для них допуски.
Для выбранных показателей подбираем измерительные средства и
все данные заносим в таблицу 7.1
Таблица 7.1 Показатели и приборы для контроля зубчатого
колеса
|
Норма точности
|
Наименование и условное обозначение
контролируемого показателя
|
Условное обозначение и численное значение
допуска в мкм
|
Наименование и модель прибора
|
|
1
|
2
|
3
|
4
|
Кинемати-ческая точность
-колебание измерительного межосевого
расстояния за 1 оборот колеса
-колебание длины общей нормали
=50
= 22Межцентромер
МЦ-400Б
Нормалемер
Плавность работы
-колебание измерительного межосевого расстояния на 1 зуб
= 14Межцентромер
МЦ-400Б
Полнота контакта
-погрешность направления зуба
11Ходомер
Боковой зазор
-предельные отклонения измерительного межосевого расстояния
-допуск на смещение исходного контура
Межцентромер
МЦ-400Б
Рассчитываем длину общей нормали по формуле
W = m×W1,
где
1 - длина общей нормали для зубчатого колеса при m
=1мм [2].
W =1,25 ∙ 10,7246= 53.623 мкм.
Наименьшее отклонение длины общей нормали Еws выбираем по
таблице ГОСТ 1643-81. Еws = - 25 мкм.
Наибольшее отклонение длины общей нормали Еwе определяем по
формуле:
Еwi = Еws - Тw,
где Тw - допуск на длину общей нормали, определяемый по
таблице ГОСТ 1643-81 исходя из величины допуска на радиальное биение Fr,
который выбирается по таблице 6 в зависимости от степени по кинематической
точности (Fr = 36 мкм).
Еwi = - 25 - 40 = - 65 мкм.
Тогда длина общей нормали на чертеже зубчатого колеса будет
иметь вид W= 53.623-0.025-0.065
Допуски на размеры и расположения базовых поверхностей колеса
назначаем с учетом выбранных показателей контроля зубчатого венца.
Так как наружная поверхность зубчатого колеса не используется
в качестве базовой поверхности (измерительной и установочной), допуск на
наружный диаметр Тda назначаем как для несопрягаемых размеров - h14,
а радиальное биение наружной поверхности определяем по формуле [2]:
Fda = 0,1m, Fda = 0,1 ∙ 5 = 0,5
мм.
Допуск на торцовое биение базового торца определим по формуле
[2]
где Fb - допуск
на погрешность направления зуба по степени нормы полноты контакта мм;
В - ширина
зубчатого венца мм;- диаметр, на котором определяется биение
= (z1-2,4) ∙m=
(12 - 2,4) ∙5 = 48 мм
Точность базового
отверстия по [2] в зависимости от степени точности зубчатого колеса 7 будет Н7.
Шероховатость рабочей поверхности зубьев определяется исходя из степени
точности по плавности работы Ra=3,2мкм.
Задача 9.
Расчёт допусков размеров, входящих в размерную цепь

- увеличивающий размер

- уменьшающие размеры

- замыкающее звено
Допуск замыкающего звена
Среднее число единиц допуска
Найдем количество единиц допуска






























Выбираем IT = 10, при котором a = 64
Определим допуски для звеньев размерной цепи:
Отсюда следует, что все звенья выполняем по 10-му квалитету
точности.
Заключение
В результате выполнения курсовой работы были приобретены и
закреплены навыки проведения расчёта и назначения посадок с натягом, расчета
калибров пробки и скобы для контроля отверстия и вала, расчета и выбора посадки
для колец подшипников качения, определения для шпоночного соединения размеров и
допусков элементов соединения, определения номинальные и предельные размеры по
всем диаметрам резьбы для заданного резьбового соединения, определения числовых
значений контролируемых показателей норм точности и величину бокового зазора,
необходимого для нормальной работы заданной зубчатой передачи, расчета
размерной цепи при заданном значении замыкающего звена.
Все расчеты осуществлялись с использованием государственных
стандартов, учебной и справочной литературы.
Приобретённый навык является основой для дальнейшей
инженерной деятельности
Список
литературы
1.
А.П. Мартынов, Л.Н. Абрамова "Методические указания по выполнению курсовой
работы для студентов всех специальностей по дисциплине "Инженерная
механика" на тему "Предельные калибры для контроля поверхностей
" Краматорск 2000.
.
Допуски и посадки: Справочник в 2-х ч. / Под ред.В.Д. Мягкова. - 5-е изд.,
перераб. и доп. - Л.: Машиностроение, 1978. - 544с.
.
Е.В. Перевозникова, М.П. Худяков. Метрология, стандартизация, сертификация.
Учебное пособие. Часть 1 "Метрология". Северодвинск. Севмашвтуз,
2007. - 88 с.
.
ГОСТ 24853-81 "Калибры гладкие для размеров до 500. Допуски"
.
ГОСТ 25347-82 "Характеристики изделий геометрические. Ряды допусков,
предельные отклонения отверстий и валов".