Расчет усилителя многоканальной системы связи

  • Вид работы:
    Курсовая работа (т)
  • Предмет:
    Информатика, ВТ, телекоммуникации
  • Язык:
    Русский
    ,
    Формат файла:
    MS Word
    373,81 Кб
  • Опубликовано:
    2015-09-24
Вы можете узнать стоимость помощи в написании студенческой работы.
Помощь в написании работы, которую точно примут!

Расчет усилителя многоканальной системы связи

Министерство образования и науки Республики Казахстан

Северо-Казахстанский государственный университет им. М. Козыбаева

Инженерно-технический факультет

Кафедра «Радиоэлектроники и телекоммуникации»









КУРСОВАЯ РАБОТА

по дисциплине: «Схемотехника аналоговых электронных устройств»

на тему: «Расчет усилителя многоканальной системы связи»

по специальности 5B071900 - «Радиотехника, электроника и телекоммуникации»

Выполнила: студент группы з РЭТ в 13





Петропавловск

Аннотация

Содержанием курсовой работы является проектирование усилителей с однокаскадной комбинированной обратной связью. Особенности проектирования заключаются в том, что по ряду показателей - линейности, стабильности коэффициента усиления, входного и выходного сопротивлений, помехозащищенности - к усилителям предъявляются достаточно высокие требования, так как некачественная работа хотя бы одного их них на линии приводит к ухудшению или нарушению связи по всем каналам данной системы. В данной пояснительной записке представлены полные принципиальные схемы усилителя.

Содержание

Введение

Проектное задание

. Эскизный расчет усилителя

.1 Структурная схема усилителя с одноканальной обратной связью

.2 Выбор транзистора и расчет режима работы выходного каскада

.3 Расчет необходимого значения глубины

1.4Определение числа каскадов усилителя, выбор транзисторов предварительных каскадов

.5 Проверка выполнения условий стабильности коэффициента усиления

2. Выбор схемы цепи усиления и расчет по постоянному току

.1 Построение К-цепи

.2 Расчет каскадов усилителя по постоянному току

. Расчет коэффициента усиления и параметров АЧХ

. Расчет пассивных узлов

.1 Выбор и расчет входной и выходной цепей

.2 Расчет элементов цепи обратной связи

. Расчет конденсаторов высокочастотного обхода

. Составление принципиальной схемы усилителя

Заключение

Список используемой литературы

Введение

Содержанием курсовой работы является проектирование усилителей с одноканальной комбинированной обратной связью. Подобные усилители находят широкое применение в аппаратуре кабельных многоканальных систем передачи с частотным разделением каналов и предназначены для компенсации затухания в линии и в пассивных цепях.

Особенности проектирования заключаются в том, что по ряду показателей - линейности, стабильности коэффициента усиления, входного и выходного сопротивлений, помехозащищенности - к усилителям предъявляются достаточно высокие требования, так как некачественная работа хотя бы одного из них на линии приводит к ухудшению или нарушению связи по всем каналам данной системы. Поскольку носителем информации в аналоговой линии связи является форма сигнала, наиболее жесткие требования накладываются на уровень нелинейных искажений, количественно оцениваемый коэффициентом гармоник .

Реализация высоких качественных показателей таких усилителей может быть обеспечена только путем введения глубокой отрицательной обратной связи (ОС). При этом, как правило, к усилителям предъявляется требование согласования входного и выходного сопротивлений усилителя соответственно с сопоставлением источника сигнала R1 и внешней нагрузкой R2. Получение требуемых и стабильных значений входного Rвх и выходного Rвых сопоставлений усилителя приводит к необходимости применения комбинированной ОС, что обеспечивается соответствующим построением входной и выходной цепей.

Проектное задание

Задание на курсовой проект представляет собой технические условия, по которым надлежит спроектировать многокаскадный усилитель на транзисторах.

Номинальная выходная мощность Р2=25 мВт

Сопротивление нагрузки R2=300 Ом

Допустимых коэффициент гармоник kгF=0,035%

Рабочий диапазон частот [fн, fв]=[17кГц, 0,9 МГц]

Модуль коэффициента усиления с ОС на средних частотах КF=160

Относительная нестабильность коэффициента усиления SF=0,36 дБ

Внутреннее сопротивление источника сигнала R1=600 Ом.

Рабочий диапазон значений температуры [tcmin, tcmax]=[-20°C, 35°C]

Напряжение источника питания Е0=-24 В

. Эскизный расчет усилителя

Цель эскизного расчета - выбор типов транзисторов и предварительный расчет числа каскадов усилителя.

На этом этапе проектирования, предполагающем анализ (перебор) вариантов решений, целесообразно использовать простые приближенные формулы и поверочные неравенства, позволяющие быстро отбраковать неподходящие варианты и выбрать только те, которые будут удовлетворять условиям технического задания.

.1 Структурная схема усилителя с одноканальной обратной связью

Коэффициент усиления усилителя с глубокой одноканальной ОС (рис.1.1) определяется параметрами пассивных цепей

 (1.1)

Структурная схема усилителя без цепи ОС (цепь усиления) показана на рис. 1.2.

Цепь усиления должна иметь коэффициент усиления, достаточный для получения заданного значения  и необходимого значения глубины обратной связи F. Цепь усиления содержит 2-4 каскада и функционально разделяется на выходной каскад и предварительные каскады усиления.

Основное назначение выходного каскада заключается в обеспечении в нагрузке  заданной мощности сигнала  при допустимом уровне нелинейных искажений.

Основное усиление по напряжению создают предварительные резисторные каскады, среди которых особое место занимает входной каскад, определяющий коэффициент шума цепи усиления.

Цепь ОС представляет собой пассивный четырехполюсник с вносимым коэффициентом передачи . Нагрузкой цепи ОС является сопротивление входного шестиполюсника на зажимах 6-6  (рис. 1.1), а эквивалентным генератором с внутренним сопротивлением  - выходной шестиполюсник (на зажимах 5-5).

.2 Выбор транзистора и расчет режима работы выходного каскада

Расчет усилителя принято вести, начиная с выходного каскада. Выходной каскад выполняется по однотактной трансформаторной схеме (рис.2,3), в которой транзистор включается по схеме с общим эмиттером (ОЭ), имеющей наибольший коэффициент усиления мощности, и работает в режиме А. Связь с внешней нагрузкой осуществляется через выходной трансформатор, что позволяет создать для выходного транзистора оптимальное (в смысле получения заданной мощности) сопротивление нагрузки и делает этот каскад более экономичным.

Рисунок 1.1. Структурная схема усилителя с глубокой одноканальной ОС

Рисунок 1.2. Структурная схема К-цепи проектируемого усилителя

Рисунок 1.3. Выходной каскад усилителя

Транзистор выходного каскада выбирается по двум основным условиям:

 (1.2)

 (1.3)

где Pkpmax =(4…5)P2, aн=1,4…2,

Здесь Pkpmax максимальное рабочее значение мощности, рассеиваемой на коллекторе транзистора, с учетом работы в режиме А и потерь мощности сигнала в выходной цени; Ркmax - максимально допустимая рассеиваемая мощность на коллекторе (берется из справочных данных на транзистор); ан - коэффициент запаса, введение которого предполагает использование транзисторов в облегченных режимах для повышения надежности; h21max и h21min - крайние значения коэффициента усиления (передачи) тока из справочных данных; fт (в справочной литературе встречается обозначение frp) - граничная частота коэффициента передачи тока в схеме ОЭ; fh21 - частота полюса (среза) по параметру h21.

Транзистор следует выбирать из справочника по первому основному условию (1.2), которое обеспечивает заданную выходную мощность сигнала Р2, при соблюдении второго условия (1.3) - по верхней частоте fв заданного рабочего диапазона.

Рассчитаем Pkpmax и aн·Pkpmax:

Pkpmax = 5·25 = 125 мВ

aн*Pkpmax = 2·125 = 250 мВт

Из справочника по предельно допустимой мощности рассеивания на коллекторе Pкmax ≥ 240 мВт из условия (1.2) выбираем транзистор, проверяя его на соблюдение условия (1.3).

Выбранный транзистор KT620Б. Его параметры приведены в таблице 1:

Таблица 1 Основные параметры транзистора КТ 620 Б

Тип транзисто-ра

Pkmax, Вт

fh21, МГц

fт, МГц

Uкэmax В

iкmax А

tп, °C

Rпс, °C/Вт

IКБО, мкА

Cк, пФ

r’бCк, пс

h21

h21 max/min












min


max

3,3

KT620Б

0,5

3,6

200

40

0,5

120

150

5

20

200

30

55

100



fh21 = 3,6 МГц > fв = 1,2 МГц - условие (1.3) выполняется

Режим работы транзистора, определяемый значениями тока покоя коллекторе Iк и постоянной составляющей напряжения между коллектором и эмиттером Uкэ, должен быть таким, чтобы во внешней нагрузке обеспечивалась заданная (номинальная) мощность сигнала в параметры предельных, режимов работы транзистора не превышали максимально допустимых значений. По мощности и заданному напряженно источника питания Е0 определяем режим работы выходного транзистора:

В (1.4)

мА (1.5)

где а= 0,6...0,8 - коэффициент, учитывающий; что часть напряжения источника питания выделяется на резисторе цепи эмиттера, используемого для стабилизации режима работа, транзистора по постоянному току. Применительно к выбираемому транзистору выходного каскада должны выполняться следующие неравенства:

 6)

 (1.7)

 (1.8)

Для нашего случая неравенства выполняется:

В ≥ В

мА ≥ мА

Максимально допустимые значения ,  и  зависят от температуры перехода и условий охлаждения, определяемых величинами тепловых сопротивлений: промежутков переход - окружающая среда (), переход - корпус (), корпус - окружающая среда (). При выборе выходного транзистора желательно обойтись без внешнего теплоотвода (радиатора). В этом случае:

 (1.9)

°С

°С ≤ °С - условие (1.8) выполняется

По найденным значениям Uкэ и Iк находим оптимальное сопротивление нагрузки выходного транзистора для переменного тока

 (1.10)

где  - коэффициент использования коллекторного напряжения (для транзисторов средней и большой мощности = 0,8); - коэффициент использования коллекторного тока,

Сопротивление нагрузки равно:

Ом

Вычислим коэффициент трансформации выходного трансформатора (КПД трансформатора равен 1):

 (1.11)

Проверим выполнение условия

 (1.12)

Вт

Вт

Вт ≥ Вт

где Pн - мощность сигнала в коллекторной цепи транзистора (рис.2.3).

.3 Расчёт необходимого значения глубины обратной связи

Основное назначение ОС заключается в уменьшении нелинейных искажений и повышении стабильности коэффициента усиления усилителя. Требования по линейности оказываются, как правило, более жесткими и определяют необходимое значение глубины ОС

F = kг/kгF (1.13)

kгF - коэффициент гармоник усилителя с ОС, приведенный в техническом задании;

kг - коэффициент гармоник усилителя без ОС, который следует принять равным ориентировочно (2...3)%.

F = 3/0,035=85,7

Нелинейные искажения усилителя определяются выходным каскадом, ко входу которого приложено наибольшее напряжение сигнала.

.4 Определение числа каскадов усилителя выбор транзисторов предварительных каскадов

Для расчета общего числа каскадов усилителя N (рис. 1. 2) следует выбрать транзисторы предварительных каскадов из серии маломощных, проверив их пригодность только по одному условию (1.3) - по частоте. В каскадах предварительного усиления (в том числе и входном) целесообразно использовать, одинаковые транзисторы.

При проектировании входного каскада следует выбирать условия работы, соответствующие малому значению коэффициента шума и, в частности, обеспечивать оптимальное для транзистора входного каскада сопротивление источника сигнала. Поэтому связь цепи усиления с источником сигнала целесообразно делать трансформаторной (рис. 1.2). Коэффициент трансформации входного трансформатора n’ выбирается из условия получения оптимального по шумам сопротивления источника сигнала Rг1опт для транзистора входного каскада

 (1.14)

Величина Rг1опт зависит от частотных свойств транзистора (Rг1опт= 200 Ом при fт <0,1ГГц).

Число предварительных каскадов усиления N-1 и типы транзисторов для них определяются следующими двумя критериями:

)коэффициент усиления усилителя без ОС К должен быть достаточным для обеспечения заданного значения KF при требуемой величине F ;

)транзисторы этих каскадов должны быть достаточно высокочастотными, чтобы при необходимом значении F выполнялись условия устойчивости.

Выберем транзистор KT 326А. Его параметры приведены в таблице 2:

Таблица 2 Основные параметры транзистора КТ 326 А

Тип транзисто-ра

Pkmax, мВт

fh21, МГц

fт, МГц

Uкэmax В

iкmax мА

tп, °C

Rпс, °C/мВт

IКБО, мкА

Cк, пФ

r’бCк, пс

h21

h21 max/min












min


max

3,5

KT326А

200

10,8

400

15

50

150

0,6

0,5

5

450

20

37

70



Условие (1) выполняется, если:

 (1.15)

где  (1.16)- коэффициент, учитывающий потери тока в межкаскадных цепях,= 0,5. ..0,75; h21 - параметр транзисторов предварительных каскадов, а h21N - выходного транзистора (N-гo каскада).

Входное сопротивление усилителя без ОС (рис. 1.2)

,

где  - входное сопротивление первого транзистора.

При согласовании входного сопротивления усилителя с внутренним сопротивлением источника сигнала (R1 = RвхF)

 (1.17)

Решая совместно (1.15) и (2.17), определяем при выбранных транзисторах число каскадов N, округляя полученное значение до ближайшего целого числа:



Для выполнения условия (2) достаточно, чтобы

Fтср =  (1.18)

Fтср = МГц

МГц

Fтср = МГц ≥  МГц - условие (1.18) выполняется

.5 Проверка выполнения условий стабильности коэффициента усиления

Нестабильность коэффициента усиления связана с разбросом параметров элементов схемы и отклонением режима работы активных элементов из-за изменения температуры окружающей среда и напряжения источника питания. Поскольку режимы работы стабилизируются, а разброс номинальных значений пассивных элементов невелик, то основная нестабильность SF вызывается значительным разбросом коэффициента усиления по току транзисторов в схеме с общим эмиттером h21


Относительная нестабильность коэффициента усиления усилителя с ОС в F раз меньше, чем относительная нестабильность коэффициента усиления усилителя без ОС.

Стабильность коэффициента усиления будет удовлетворять требования технического задания, если

 (1.19)

Здесь SF - результирующая относительная нестабильность коэффициента усиления, выраженная в дБ и соответствующая его изменениям от минимального до максимального значений (SF задана в технических условиях); FMS - глубина местной ОС (FMS = 1).

Проверим данное неравенство:


Так как рассчитанная ранее F = 85,7 превышает полученное значение, то выбор транзистора и числа каскадов по условию эскизного расчёта в дальнейшей корректировке не нуждается.

. Выбор схемы цепи усиления и расчет по постоянному току

.1 Построения К-цепи

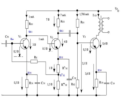
Проанализировав данные технического задания (E0 = -24 В) и структуры выбранных транзисторов (чередование транзисторов p-n-p структуры 2-го и 3-го каскадов) выбираем схему изображенную на рис. 2.1.

Рисунок 2.1. Схема К-цепи проектируемого усилителя

.2 Расчет каскадов усилителя по постоянному току

Расчет К-цепи по постоянному току включает выбор режимов транзисторов и расчет сопротивлений резисторов, обеспечивающих выбранные режимы и их стабильность.

Выходной каскад был рассчитан ранее, а количество каскадов предварительного усиления равно (N=2).

Для транзистора выходного каскада режим выбран ранее (п.1.2), исходя из требуемой выходной мощности (1.4), (1.5).

При выборе режимов транзисторов каскадов предварительного усиления следует иметь в виду, что предыдущий (S - I) каскад должен обеспечивать требуемый уровень сигнала на входе последующего (S) каскада. Учитывая потери сигнала в межкаскадных цепях, постоянный, ток коллектора транзистора (S - I) каскада можно принять


или приближенно (с большим запасом)

 (2.1)

Постоянное напряжение коллектор-эмиттер рекомендуется выбирать, соблюдая неравенство

 (2.2)

Рекомендуемые границы выбора режима работы транзисторов предварительных каскадов:

мА ≤ Iк ≤ 15 мА, 2 В ≤ Uкэ ≤ 5 В                      (2.3)

В расчетах полагаем эмиттерный ток равным Iк, пренебрегаем током базы ввиду его малости.

При использовании в усилителе кремниевых транзисторов значения напряжений база-эмиттер можно принять равными

Uкэ ≈ (0,5...0,7)В                                               (2.4)

Для нашей схемы выберем следующие параметры:

мА                  В

мА                     В

мА                       В

В

После выбора режима транзисторов вычерчиваем схему К-цепи в виде рис.2.1, наносим на схему выбранные напряжения и токи режимов работы в цифрах. Далее, используя второй закон Кирхгоффа и реализуя режим А работы транзисторов, составим уравнения, связывающие напряжения на электродах транзисторов выбранной принципиальной схемы.

В

В

В

В

В

В

Рассчитаем сопротивления в данной схеме по закону Ома

кОм

кОм

кОм

Ом

кОм

Ом

Для расчёта базового делителя R и R следует выбрать ток делителя:


 мА

Ом

Ом

Рисунок 2.2. Распределение токов и напряжений в ветвях К-цепи

. Расчет коэффициента усиления и параметров АЧХ

Целью расчета является определение коэффициента усиления усилителя без ОС (рис. 1. 2) для области средних частот K, а также частот полюсов передаточной функции К-цепи.

Для расчетов необходимо К-цепь разбить на каскады, каждый из которых включает один усилительный элемент и межкаскадные цепи. В рабочем диапазоне частот удобно каскадом усиления (S) считать цепь по рис. 3.1. Для такой пени коэффициент усиления по напряжению на средних частотах

                                (3.1)

Рисунок 3.1.. Разбиение на каскады К-цепи

Здесь для каскада предварительного усиления:

 (3.2)

для выходного каскада

RНS = RНN = RН        (1.10)

В нашем случаи из-за непосредственной связи каскадов, ввиду отсутствия базового делителя, в выражении (3.2) следует принять RБ1, RБ2 = ∞.

Рассчитаем входное сопротивление каждого транзистора, используя следующие формулы:

,                            (3.3)

где

                                   (3.4)

                                  (3.5)

                             (3.6)

Вычислим значения  для всех трёх транзисторов:

Ом

Ом

Ом

Соответственно значение  равно:

Ом

Ом

Ом

Подставив найденные значения  и  в формулу (3.1) найдем значение коэффициента усиления каждого каскада:

Общий коэффициент усиления К-цепи определяется произведением коэффициентов всех каскадов усилителя с учетом коэффициентов трансформации

 (3.7)

Запас по усилению можно найти по следующей формуле:

 (3.8)

где , Ом

Так как следует в один из каскадов (в выходной каскад) ввести местную ОС о глубиной FM3 = 3.

Местную ОС удобно осуществить в цепи эмиттера выходного транзистора. Для этого может быть использован резистор местной гальванической ОС , сопротивление которого было рассчитано в п.2.2.

В цепи эмиттера включаются последовательно два резистора  и . Сопротивление одного из них, например , определяется необходимой глубиной местной ОС по сигналу, сопротивление другого  вместе с обеспечивает требуемую глубину гальванической ОС и тем самым рассчитанный ранее режим работы транзистора. Резистор  шунтируется конденсатором.

Сопротивление резистора местной ОС по сигналу  можно рассчитать по формуле

 (3.9)

где

Подставив необходимые значения в (3.9) получим:

Ом

Тогда

Ом

Расчет частот полюсов передаточной функции К-цепи, определяющих ЛАХ G(f) в области верхних частот, ведется па основе П-образной эквивалентной схемы транзистора. Частота полюса определяется как:

 (3.10)

где

                              (3.11)

                  (3.12)

                                     (3.13)

                                    (3.14)

Используя формулы (3.3)-(3.6) и (3.10)-(3.14) вычислим частоту полюсов для каждого из трёх каскадов.

-ый каскад:

Ом

пФ

Ом

Ом

Ом

Ом

Ом

пФ

МГц

-ой каскад:

Ом

пФ

Ом

Ом

Ом

Ом

Ом

пФ

МГц

-ий каскад:

Ом

нФ

Ом

Ом

Ом

Ом

Ом

нФ

МГц

В связи с наличием в третьем каскаде местной обратной связи, частоты полюсов 2-го и 3-го каскада уточняются по следующим формулам:

                                            (3.15)

( (3.16)

где

                                    (3.17)

МГц

Ом

кГц

Так как  лежит в пределах рабочего диапазона частот, то на частоте fB усиление К-цепи снижается, и необходимо проверить: достаточно ли этого усиления для обеспечения заданного значения Kf при требуемой (1.13; 1.19) глубине ОС. Должно выполняться неравенство:

    (3.18)

усилитель каскад транзистор выходной

- условие выполняется

. Расчет пассивных узлов структурной схемы усилителя

.1 Выбор и расчет входной и выходной цепей

Одним из важных требований, предъявляемых к усилителю в рабочем диапазоне частот, является согласование усилителя с источником сигнала и (или) внешней нагрузкой, обеспечение стабильности заданных величин входного Rвх выходного RвыхF сопротивлений усилителя.

Выполнение этого требования в значительной степени определяется величиной, реализуемой в усилителе обшей ОС.

Входное сопротивление в системе с ОС для любой пары зажимов определяется формулой Блекмана:

 (4.1)

где - входное сопротивление на данных зажимах при выключенной ОС, и - глубина ОС и возвратное отношение при коротком замыкании этих зажимов, и - то же при холостом ходе.

Из формулы (4.1) следует, что последовательная отрицательная обратная связь (,) увеличивает входное сопротивление, а параллельная отрицательная обратная связь (,) уменьшает его. Тогда при глубокой ОС (F>>l) входное сопротивление окажется слишком большим или слишком малым и, к тому же, зависящим от коэффициента усиления К-цепи (параметра, подверженного наибольшим изменениям).

При глубокой комбинированной ОС и , и , где  (см. рис. 2.1),

,

т.е. входное и выходное сопротивления определяются только пассивным входной и выходной цепями и не зависят от параметров цепи усиления. Воспользуемся этим свойством глубокой комбинированной ОС для получения заданного входного и выходного сопротивлений при построении нашего усилителя.

Параллельную ОС на входных или на выходных (по напряжению) зажимах усилителя можно обеспечить с помощью делителя напряжения, включенного параллельно этим зажимам, либо с помощью дополнительной обмотки во входном или выходном трансформаторах. Последовательную (или по току) ОС реализуют включением дополнительного (балансного) сопротивления последовательно с входом (выходом) усилителя или цепи усиления.

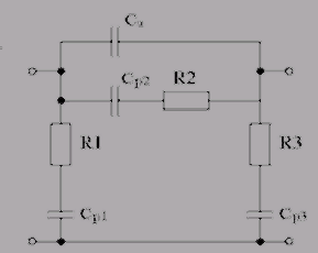
Выберем структурную схему усилителя с комбинированной ОС показанную на рис. 4.1., в связи с нечетным числом каскадов с общим эмиттером и требуемым коэффициентом усиления .

Рисунок 4.1. Структурная схема цепи обратной связи

Схема рис.4.1 не содержит трёхобмоточный трансформатор.ОС параллельная (по напряжению) создаётся с помощью делителя напряжения на резисторах R’ и R’ (R’’ и R’’), а ОС последовательная(по току)- с помощью балансных резисторов R’ и R’’.Потери сигнала оказываются малыми, если на входе:

 и ,

на выходе:

 и


Рассчитаем параметры цепи на рис. 4.1.

Таблица 3 Рассчитанные сопротивления

Параметр

Формула

Значение

173



41.5



81.3



R339



0.39



141



0.2



115




Параметры выбранной схемы должны удовлетворять следующему неравенству; гарантирующему реализуемость элементов цепи:

                                  (4.2)

Проверим последнее условие:


.2 Расчет элементов цепи обратной связи

При выбранных входных и выходных цепях коэффициент усиления усилителя KF определяется величиной вносимого затухания цепи . Для расчета элементов цепи ОС достаточно знать , ,  и выбрать схему четырехполюсника этой цепи. В рабочем диапазоне частот цепь ОС должна иметь постоянный коэффициент передачи с малой величиной неравномерности частотной характеристики. Поэтому для построения цепи ОС используются резисторы. Схему цепи ОС надо выбирать по величине  и сопротивлениям ,  и оценивать следующим образом: при минимальном числе элементов номинальное сопротивление резисторов не должно быть чрезмерно малым (менее 10 Ом) или чрезмерно большим (более 5 кОм).

В нашем случае . Так как коэффициент затухания и то используем схему на рис. 4.2.

Рисунок 4.2. Схема цепи обратной связи

Для упрощения расчета схемы рис. 4.2. элементы продольных и поперечных ветвей рассчитываются по своим вносимым затуханиям. Поэтому величину  разделим на части  и , так, чтобы до получения близких до значению номинальных сопротивлений цепи обратной связи R1;R2.Выберем 10 и .

Рассчитаем R1 и R2:

                         (4.3)

                            (4.4)

Подставив численные значения получим:

Ом

Ом

Кроме резисторов в цепи ОС приходится устанавливать дополнительные конденсаторы. Разделительные конденсаторы (С1,С3,) необходимы для разделения цепей постоянного тока входа и выхода усилителя между собой и общим проводом. Конденсатор С2 позволяют сделать обход пени ОС на частотах, значительно превосходящих верхнюю частоту рабочего диапазона fв - их называют конденсаторами высокочастотного обхода. Эти конденсаторы уменьшают фазу передачи по петле ОС и способствуют обеспечению глубокой ОС. Расчет конденсаторов приведен в п.5 и 6 и проводится при условии достаточно малого их влияния в рабочем диапазоне частот.

. Расчет конденсаторов высокочастотного обхода

Для уменьшения асимптотических потерь параллельно цепям пассивной части схемы включают конденсаторы высокочастотного обхода Са, как показано на рис. 5.1.

Рисунок 5.1. Включение конденсаторов высокочастотного обхода

Емкость этих конденсаторов выбирается таким образом, чтобы они не оказывали заметного влияния в рабочем диапазоне частот. Для этого сопротивление конденсатора на верхней частоте рабочего диапазона усилителя должно быть еще значительно больше, чем сопротивление R цепи, параллельно которой включен конденсатор, т.е.

                                 (5.1)

Емкости конденсаторов, включенных параллельно обмоткам входного (Cа1) или выходного (Са2) трансформаторов, будем рассчитывать относительно сопротивления Rг1опт или Rнn соответственно, величины которых определяются на этапе эскизного расчета, а Са3 относительно соответствующего сопротивления цепи ОС.

Вычислим значения Cа1, Са2 и Са3:

пФ

пФ

пФ

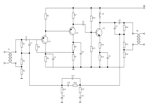
. Составление принципиальной схемы усилителя

При составлении полной принципиальной схемы усилителя необходимо наиболее рационально скомпоновать и соединять между собой основные функциональные узлы усилителя (К-цепь, входную и выходную цепи, цепь ОС), схемы которых были выбраны и рассчитаны ранее. На рис. 6.1. представлена принципиальная схема нашего усилителя:

Рисунок 6.1. Принципиальная схема усилителя

В данной схеме роль резисторов  и выполняют R3 и R16 соответственно. В качестве конденсаторов высокочастотного обхода используются конденсаторы C2, C7, C11. Их ёмкость была вычислена в 5 пункте. Разделительные конденсаторы C1,С5,C8,С10 включенные в цепь обратной связи устраняют общую обратную связь по постоянному току и рассчитываются по формулам:

нФ     (6.1)

нФ (6.2)

нФ

нФ

Напряжение питания E0 подаётся на коллектор транзистора VT3 через дроссель L1. Дроссель L1 шунтирует выходную цепь по постоянному току, чтобы устранить потери напряжения источника питания на резисторе R9. Его индуктивность рассчитывается так, чтобы не снижать заметно сопротивление нагрузки сигналу:

мГн                           (6.3)

Блокировочные конденсаторы в эмиттерных цепях транзисторов C3, C4, C6 устраняют местную обратную связь по сигналу. Они рассчитываются из условия пренебрежимо малого сопротивления по сигналу вплоть до нижней частоты рабочего диапазона:

мкФ  (6.4)

мкФ                                                                                        (6.5)

мкФ (6.6)

В таблице 4 приведены значения всех рассчитанных элементов схемы на рис. 6.1.:

Таблица 4 Рассчитанные значения пассивных элементов усилителя

Обозначение

Рассчитанное значение

Номинальное значение

Обозначение

Рассчитанное значение

Номинальное значение

R1

828 Ом

820 Ом

R15

325 Ом

330 Ом

R2

166 Ом

160 Ом

R16

41,5 Ом

43 Ом

R3

41,5 Ом

43 Ом

C1

21 нФ

22 нФ

R4

1760 Ом

1800 Ом

C2

133 пФ

130 пФ

R5

3500 Ом

3600 Ом

C3

821 нФ

820 нФ

R6

500 Ом

510 Ом

C4

110 мкФ

110 мкФ

R7

1400 Ом

1500 Ом

C5

7,4 нФ

7,5 нФ

R8

400 Ом

390 Ом

C6

473 нФ

470 нФ

R9

500 Ом

510 Ом

C7

63 пФ

62 нФ

R10

1723,7 Ом

1800 Ом

C8

5,8 нФ

5,6 нФ

R11

1735,7 Ом

1800 Ом

C9

11,5 нФ

12 нФ

R12

538,8 Ом

510 Ом

С10

9,5 нФ

9,1 нФ

R13

167,9 Ом

160 Ом

С11

83 пФ

82 пФ

R14

1635 Ом

1600 Ом

С12

11,5 нФ

12 нФ



Заключение

В данной курсовой работе производился расчёт усилителя многоканальной системы связи. Но нужно отметить, что трансформатор является нежелательным элементом усилителей мощности, так как имеет большие габариты и вес, а так же, относительно сложен в изготовлении. Поэтому в настоящее время наибольшее распространение находят бестрансформаторные усилители мощности.

Содержит 3 каскада с общим эмиттером, охваченных глубокой смешанной обратной связью (последовательно-параллельной по входу и выходу), позволяющей получить достаточно высокую выходнуюмощность и удовлетворить весьма жёстким требованиям, предъявляемым к допустимому уровнюнелинейных искажений в системах дальней телефонной связи. При помощи такой обратной связи удаётсятакже реализовать не зависящие от усилительных свойств каскадов входное и выходное сопротивления ипритом таких значений, которые обеспечивают Согласование <#"864596.files/image249.gif">5%1

С2

К 10-17 - П33 - 130 пФ 5%1

С3

К 10-17 - Н50 - 820 нФ 5%1

С4

К 53-21 - 6,3 В - 110 мкФ

1

С5

К 10-17 - П33 - 7,5 нФ 5%1

С6

К 10-17 - Н50 - 470 нФ 5%1

С7

К 10-17 - М75 - 62 нФ 5%1

С8

К 10-17 - П33 - 5,6 нФ 5%1

С9

К 10-17 - М75 - 12 нФ 5%2

С10

К 10-17 - П33 - 9,1 нФ 5%1

С11

К 10-17 - П33 - 82 пФ 5%1


Резисторы

R1

МЛТ-0,125Вт 820 Ом5%1

R2

МЛТ-0,125Вт 160 Ом 5%2

R3

МЛТ-0,125Вт 43 Ом 5%2

R4

МЛТ-0,125Вт 1,8 кОм 5%3

R5

МЛТ-0,125Вт 3,6 кОм 5%1

R6

МЛТ-0,125Вт 510 Ом 5%3

R7

МЛТ-0,125Вт 1,5 кОм 5%1

R8

МЛТ-0,125Вт 390 Ом5%1

R9

МЛТ-0,125Вт 1,6 кОм 5%1

R10

МЛТ-0,125Вт 330 Ом 5%1


Похожие работы на - Расчет усилителя многоканальной системы связи

 

Не нашли материал для своей работы?
Поможем написать уникальную работу
Без плагиата!
Без нейросетей!