Проектирование канала низкой частоты
Федеральное
агентство по образованию Российской Федерации
Государственное
образовательное учреждение высшего профессионального образования
Тихоокеанский
государственный университет
Институт
информационных технологий
Кафедра:
«Вычислительная техника»
Курсовая
работа
по
дисциплине:
Методы и
средства измерений в телекоммуникационных системах
Тема:
Проектирование
канала низкой частоты
Выполнил:
студент гр. МТС-81
Крымов А.С.
Проверил:
Писаренко В.П.
Хабаровск
2012
ЗАДАНИЕ
по курсовой работе по дисциплине «Методы и
средства измерений в телекоммуникационных системах»
Студенту 4 курса группы МТС-81 института ИТ
Крымову Алексей Сергеевичу
Дата выдачи задания
Срок выполнения проекта и сдачи зачета
. Тема работы: Проектирование канала низкой
частоты
. Исходные данные к работе:
|
Вариант
|
Тип
канала
|
Исход.уров.,
дБ
|
Остат.затух.,дБ
|
Тип
ДУ
|
Smax,
ДБ
|
Число
каналов NK
|
fmin
|
|
10
|
ОПС
|
0
|
14
|
ПТДУ-М
|
13
|
96
|
11
|
|
№
участ.
|
1
|
2
|
3
|
4
|
5
|
6
|
7
|
8
|
9
|
10
|
11
|
12
|
13
|
14
|
15
|
16
|
17
|
18
|
19
|
20
|
|
Длина,км
|
18
|
24
|
15
|
17
|
28
|
26
|
22
|
20
|
23
|
19
|
28
|
28
|
12
|
27
|
20
|
16
|
23
|
12
|
20
|
Руководитель работы
Задание принял к исполнению
РЕФЕРАТ
Курсовая работа содержит пояснительную записку
на 14 листах формата А4, включающую1 таблицу, 5 рисунков,3 литературных
источников.
канал низкой частоты, дифференциальный усилитель,
цепь, усиление, затухание, ступени преобразования, системы связи, схема,
линейный спектр
Основной задачей данной курсовой работы является
закрепление и контроль знаний пройденного курса МиСИвТС, умение рассчитывать
требуемые устройства с нужными параметрами и схемами.
СОДЕРЖАНИЕ
ВВЕДЕНИЕ
1.
Проектирование канала низкой частоты
.1
Расстановка дуплексных усилителей канала низкой частоты
.2
Расчет затухания усилительных участков и рабочего усиления дуплексных
усилителей
1.3 Построение
диаграммы уровней
2.
Проектирование каналообразующего оборудования
2.1
Двухпроводная двухполосная многоканальная система передачи
ЗАКЛЮЧЕНИЕ
СПИСОК
ИСПОЛЬЗОВАННЫХ ИСТОЧНИКОВ
ВВЕДЕНИЕ
Многоканальная связь представляет отрасль связи,
которая занимается организацией по общей линии передачи нескольких каналов,
действующих одновременно и независимо друг от друга, с использованием систем
передачи МКС организуются каналы тональной частоты (ТЧ).
Каналы ТЧ на входе и выходе систем передачи
имеют диапазон 0,3-3,4 кГц.
Существуют два основных метода образования
каналов ТЧ:
с частотным разделением каналов (ЧРК). Каналы
различаются частотой передаваемых сигналов (каждый канал передается только на
определенной своей частоте);
с временным разделением каналов. Каналы
различаются интервалом времени (каждый канал передается в строго определенный
момент времени).
При ЧРК используется два метода модуляции:
амплитудная модуляция (АМ), используется в
системах проводной связи;
частотная модуляция (ЧМ), используется при
работе по радиолиниям.
При частотном разделении каналы связи образуются
преобразованием спектров сигналов так, чтобы получаемые диапазоны частот этих
каналов не совпали.
Каждому каналу, на вход которого подается
передаваемый сигнал, выделяется собственная высокая частота (в десятки раз
больше разговорной), которая называется несущей частотой.
В процессе модуляции около несущей частоты
появляются две боковые полосы частот, каждая из которых полностью несет
информацию о сигнале, сохраняя соотношения амплитуд, частот и фаз составляющих
сигнала. Таким образом, для передачи в линию достаточно одной боковой полосы
частот.
Каналы НЧ в основном используются для
организации каналов оперативно-технологической связи (ОТС).
. Проектирование канала низкой частоты
.1 Расстановка дуплексных усилителей канала
низкой частоты
Все каналы ОТС организуются по двум типам:
·
диспетчерской
связи (ДС);
·
связи
общего пользования(ОПС).
Не останавливаясь на всех технологических
особенностях организации каналов ДС и ОПС, при электрических расчетах каналов
НЧ учтем только отличие в исходящих уровнях сигнала:
Р0=
+ 5 дБ для канала ДС;
Р0=
0 дБ для канала ОПС.
Выходной уровень для обоих видов каналов должен
составлять РВЫХ = -14 дБ, поэтому остаточное затухание должно
составлять:
для канала ДС;
для канала ОПС.
Остаточное затухание каналов и
технические характеристики дуплексного усилителя ПТДУ-М (прил.1) приведены для
расчетной частоты сигнала f = 800 Гц.
Ориентировочно необходимое количество
дуплексных усилителей в канале НЧ можно определить из условия

где
- затухание двухпроводной
физической цепи канала НЧ, дБ;
- остаточное затухание канала, дБ;
-
номинальное рабочее усиление ПТДУ-М, дБ;
- километрическое затухание
физической цепи на f = 800 Гц, дБ/км; l -длина
физической цепи канала НЧ, км.
После определения количества ДУ
производят их расстановку на участке с учетом, того что все они обслуживаемые и
должны устанавливаться в специальных помещениях станций. Поэтому реальные длины
усилительных участков будут отличаться от номинальных, но не должны превышать
максимально допустимой длины:
≈ 32
где
- максимально допустимое усиление
ДУ, дБ;
Реальные значения:
,
- для частоты 800 Гц
Максимально допустимая длина
усилительного участка не должна превышать 31 - 32 км. Аналогично расстановка ДУ
осуществляется для каждого канала НЧ. Число усилительных участков в каждом
канале НЧ будет на один больше числа дуплексных усилителей:
На основе исходных данных составим
схему размещение ДУ в каналах НЧ:
Рис 1. Схема размещения ДУ в каналах
НЧ
.2 Расчет затухания усилительных
участков и рабочего усиления дуплексных усилителей
Определив затухание усилительных
участков из условия:
,
при f = 800 Гц, находим рабочее
усиление первого, последующих и последнего ДУ согласно выражениям:




Таблица
1
|
Рабочее
усиление
|
1-ый
канал НЧ
|
2-ый
канал НЧ
|
3-ый
канал НЧ
|
4-ый
канал НЧ
|
5-ый
канал НЧ
|
|
S1
|
5,3
|
8,17
|
6,325
|
6,94
|
4,48
|
|
S2
|
18,04
|
12,71
|
11,275
|
13,53
|
12,71
|
|
S3
|
18,04
|
6,53
|
8,17
|
6,735
|
10,835
|
|
S4
|
9,4
|
-
|
-
|
-
|
-
|
.3 Построение диаграммы уровней
Для построения диаграммы уровней необходимо
определить уровни сигналов на входе и выходе каждого дуплексного усилителя, а
также на входе и выходе канала. Необходимые уровни сигнала, дБ, определим из
выражений:
Составим диаграмму уровней сигнала:
Рис 2. Диаграмма уровней сигнала
многоканальный низкий
частота оборудование
2. Проектирование канала образующего
оборудования
.1 Двухпроводная двухполосная многоканальная
система передачи
Необходимое количество первичных, вторичных и
третичных групп определим из условия:
- количество
12-канальных групп;
- количество 60-канальных групп;
- количество 300-канальных групп.
При необходимости формирования
группового сигнала на 96 канала
,
,
.
В двухполосной системе передачи
сигналы трактов передачи и приема занимают различные полосы частот, удаленные
друг от друга на величину частотного защитного интервала, который обычно
составляет 10 -15 % от ширины спектра линейного сигнала.
Так, для рассматриваемого варианта
при NК
= 96
и fc_min
= =11 кГц.частотный
спектр линейного сигнала для одного направления АБ составит как и ранее 12-1843
кГц.
Величина частотного защитного
интервала
,
.
Частотный спектр линейного сигнала
обратного направления БА с учетом защитного составит 2759 - 4591 кГц.
Значительная величина защитного частотного интервала f позволяет упростить
задачу разделения сигналов передачи и приема с помощью направляющих фильтров
нижних (ФНЧ) и верхних (ФВЧ) частот.
Частота среза полосы пропускания
фильтров выбирается равной средней частоты защитного интервала:
,
Поэтому для разделения линейных
сигналов передачи и приема целесообразно использовать направляющие фильтры ФНЧ
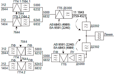
типа Д 2302, ФВЧ типа К 2302 (рис.2.5).
Оконечная станция МКС должна
обеспечивать работу как в режиме АБ:
передача 12-1843 кГц, прием 2759 -
4591 кГц,
так и в режиме БА:
передача 2759 - 4591 кГц, прием 12 -
1843 кГц.
Рис 3. Схема формирования линейного
спектра 2-х полосной системы передач
Эта задача обычно решается путем
смены несущей в последней ступени преобразования и направляющих фильтров на
выходе тракта передачи и входе тракта приема.
Для выполнения условия
неперекрывания спектров сигналов на входе и выходе преобразователя необходимо
на выходе предпоследней ступени преобразования (в рассматриваемом варианте - в
четвертой ступени) сформировать групповой спектр по частоте выше максимальной
частоты линейного спектра (4591 кГц). С учетом 10-процентного защитного
частотного интервала можно принять для него полосу частот 5000 - 6832 кГц.
Обращаясь к спектрообразованию
однополосной системы, можно сказать, что для перехода на двухполосную систему
необходимо изменить спектрообразование на выходе 4-й и 5-й ступеней
преобразования.
Для переноса группового сигнала в
полосу частот 5000 - 6632 кГц на выходе 4-й ступени преобразования необходимо
подать частоту несущей:

для режима АБ
для режима БА
Частота в несущей для формирования
инверсного линейного спектра равна:
для режима АБ
для режима БА
Рассмотренные две последние ступени
преобразования относятся к оборудованию сопряжения с линейным трактом, которое
не является унифицированным и определяется числом каналов (канальностью) данной
системы МКС и типом используемой линии связи.
Остальное каналообразующее
оборудование (индивидуальное и групповое) является унифицированным (1-й, 2-й,
3-й ступеней преобразования) и будет одинаковым как для однополосной, так и
двухполосной систем связи.
Структурная схема спектрообразования
и блок-схема 4-й и 5-й ступеней преобразования, оборудование сопряжения
двухполосной системы передачи представлены на рис.4 и рис.5.
Рис 4. Схема преобразования сигнала
2-х полосной системы передач
Рис. 5. функциональная схема 2-полюсной системы
передач
ЗАКЛЮЧЕНИЕ
При выполнении данной курсовой работы был
спроектирован канал низкой частоты, произведён расчёт дифференциальных
усилителей и распределение их по участку, спроектировано канало образующее
оборудование двух проводной двух полосной системы передачи.
СПИСОК ИСПОЛЬЗОВАННЫХ ИСТОЧНИКОВ
1. Методические
указания по проектированию каналов низкой частоты и канало образующего
оборудования.
2. <http://ru.wikipedia.org/>
3. http://edu.dvgups.ru/