Проектирование усилителя низкой частоты активной акустической системы

  • Вид работы:
    Курсовая работа (т)
  • Предмет:
    Информатика, ВТ, телекоммуникации
  • Язык:
    Русский
    ,
    Формат файла:
    MS Word
    956,09 Кб
  • Опубликовано:
    2012-05-31
Вы можете узнать стоимость помощи в написании студенческой работы.
Помощь в написании работы, которую точно примут!

Проектирование усилителя низкой частоты активной акустической системы

Федеральное агентство по культуре и кинематографии

Федеральное государственное образовательное учреждение

Высшего профессионального образования

Санкт-Петербургский государственный университет кино и телевидения

Кафедра технической электроники



Пояснительная записка к курсовому проекту

по дисциплине: Схемотехника аналоговых устройств

на тему: Усилитель низкой частоты активной акустической системы













Санкт-Петербург, 2012

Техническое задание

Требуется спроектировать усилитель низкой частоты номинальной мощностью 4 Вт для работы на нагрузку сопротивлением 2 Ом. Усилитель предназначен для работы в переносных стереофонических устройствах в звуковом диапазоне частот от 63 до 20000 Гц. Коэффициент гармоник усилителя не должен превышать 2%, а неравномерность амплитудо-частотной характеристики (АЧХ) в рабочем диапазоне частот должна быть менее 3 дБ. Вход для источника сигнала с напряжением 2 В сопротивлением 15 кОм и источника сигнала с напряжением 10 мВ сопротивлением 47 кОм.

Реферат

В данном курсовом проекте рассматривается разработка усилителя звуковой частоты для активной акустической системы номинальной мощностью 4 Вт. Рассматривается выбор интегральной микросхемы, радиатора и разработка печатной платы для блока оконечного усиления, разработка схемы блока предварительного усиления и формирование требований к промежуточному усилителю. Курсовой проект содержит пояснительную записку на страницах, принципиальную схему БОУ и схему расположения элементов БОУ.



Введение

Целью данного курсового проекта является разработка усилителя звуковой частоты, который будет размещён внутри переносного приемника. Интеграция переносного приемника и усилителя даёт ряд преимуществ:

·        Универсальность

·        Простота подключения

·        Мобильность

·        Компактность

·        Лучшие показатели при воспроизведении низких частот

Источником сигнала для такой акустической системы может быть как радиосигнал принимаемый на антенну, так и CD-R диск, магнитная лента или любой внешний источник, который будет подключен через внешний вход (AUX). Акустические системы, приемники, магнитофоны со встроенным усилителем, показывают лучшие результаты воспроизведения звукового диапазона примерно до 300 Гц. При размещении в корпусе акустической системы платы усилителя и блока питания несколько изменяются акустические свойства громкоговорителя и возможно появление помех напряжения питающей сети. Возможность напрямую подключить к такому переносному приемнику большинство источников сигнала, средняя выходная мощность, допустимые для бытовой аппаратуры качественные показатели делают такую конструкцию востребованной в домашних условиях.

Усилитель <#"564088.files/image001.gif">

Рис. 2.2 Эквивалентная схема замещения блоков усилителя

2.      Определение схемы блока оконечного усилителя

Усиление сигнала по мощности до номинального значения осуществляется с помощью блока оконечного усиления. Для усиления используются активные элементы: транзисторы, радиолампы, интегральные микросхемы. Усилительный каскад на транзисторе содержит резистивный делитель напряжения, разделительные конденсаторы, цепи обратной связи, элементы для стабилизации теплового режима. Для получения большой мощности в канале усиления находится несколько каскадов, что приводит к увеличению элементов схемы, её усложнению, уменьшению надежности, высоким трудозатратам при производстве. Ламповые усилители имеют несколько меньшее количество элементов. Ламповые усилители имеют низкий КПД, плохие массогабаритные параметры, питаются высоким двухполярным напряжением. Поэтому в цепях питания и входных цепях используются трансформаторы с высоким коэффициентом трансформации. Использование нескольких мощных трансформаторов ещё больше увеличивает массу, размеры и стоимость усилителя. Усилитель на интегральной микросхеме обладает наименьшим числом навесных элементов и параметрами не уступающими ламповым и транзисторным усилителям. Поэтому для усилителя выбрана отечественная микросхема К174УН15. Микросхема представляет собой сдвоенный (двухканальный) усилитель мощности низкой частоты с выходной мощностью 2,5...9 Вт на канал (в зависимости от сопротивления нагрузки, 6 Вт на нагрузке сопротивлением 2 Ом (при Uп = 15 В)). Предназначена для использования в автомобильной и стационарной стереофонической звуковоспроизводящей аппаратуре. Содержит 172 интегральных элемента. Корпус типа 1502.11-1, масса не более 5 г(аналог - TDA2004). Типовая схема включения приведена на рис. 3.2.

Т.к. разрабатываемое изделие переносное, то напряжение питания однополярное. И для обеспечения заданной величины мощности P = 4 Вт, достаточно напряжения питания величиной Uп = 9,5 В - 7 батарей типа АА (рис. 3.1.а).

Электрические параметры микросхемы К174УН15

Номинальное напряжение питания: ……………….....………15±10% В

Ток потребления при Uп=15 В, Uвх=0,Rн=2 Ом:

при Т= +25°С ………………………………………………….40...120 мА

при Т= -25°С и +55°С ………..……………………………….30...140 мА

Номинальная выходная мощность при Uп=15 В, f=1кГц, Кг≤ 1%, Rн=2 Ом, Т=+25° С, не менее………………..…………………………..………...6 Вт

Коэффициент, усиления напряжения при Uп=15В, Uвх=10 мВ, f=1кГц….40…44 дБ

Рабочая частотная полоса усиления……………….……...30…20000 Гц

Выходное напряжение ………….……………………………….3,4…4,2 В

Тепловое сопротивление кристалл-корпус………….…………….2°С/В

Коэффициент гармоник при Uп=15 В, Rн=2 Ом, Т=+25°С, Рвых=0,05…6 Вт не более…………….…………..………..…………………….…..1%

Входное напряжение при: Uп=15 В, f=1 кГц, Рвых=6 Вт, Т=+2…..…….10...40 мВ

Входное сопротивление………………………………..…………150 кОм

Расчет входного напряжения БОУ


а) б)

в)

Рис. 3.1. Типовые зависимости для К174УН15: а) зависимость тока потребления от напряжения питания; б) зависимость максимальной выходной мощности от напряжения питания при Kг=10 % и частоте 1 кГц; в) зависимость коэффициента гармоник от выходной мощности при Uпит=15 В, частоте 1 кГц

Рис. 3.2 Типовая схема включения микросхемы К174УН15

усилитель схема частота акустическая

 

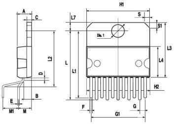
Рис. 3.2 - Внешний вид К174УН15 (корпус 1502.11-1)

3.      Расчёт предварительного усилителя

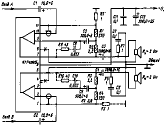
Предварительный усилитель служит для усиления сигнала, поданного на 2-й вход усилителя, до уровня сигнала 2 В на первом входе усилителя. Это позволит согласовать 2-й вход с промежуточным усилителем и использовать для обоих входов один промежуточный усилитель. Схема предварительного усилителя основана на операционном усилителе и приведена на рис. 4.1. В качестве ОУ выбрана микросхема К157УД2. Это двухканальный ОУ универсального назначения, обладающий низким уровнем собственных шумов. ОУимеет защиту от коротких замыканий на выходе.

Электрические параметры микросхемы К157УД2

Рабочее напряжение питания …………………….....………2х(3…18) В

Номинальное напряжение питания …………..........………………2х15 В

Минимальный коэффициент усиления…………..………………….50000

Потребляемый ток…………………………………..………..……...7 мА

Напряжение смещения «нуля»……………………………………...10 мВ

Температурный коэф-т напряжения смещения «нуля»……...50 мкВ/ °С

Входной ток ………….……..…………………...………………….0,5 мА

Допустимое значение синфазного входного напряжения……….…..18 В

Входное сопротивление..………………….……….……..………500 кОм

Выходное сопротивление..………………………….……..………300 Ом

Частота единичного усиления (граничная частота усиления)……1 МГц

Скорость увеличения выходного напряжения..………….……0,5 В/мкс

Коэффициент гармоник..……………………………………………...…3%

а)  б)

Рис. 4.1. Типовые зависимости для микросхемы К157УД2: а)зависимость коэф-та усиления от частоты усиливаемого сигнала; б)зависимость максимальной амплитуды выходного напряжения от частоты усиливаемого сигнала

Рис. 4.2 Типовая схема включения микросхемы К157УД2

Рис. 4.3 Внешний вид К157УД2 (корпус 201.14-1)

Рис. 4.4 Принципиальная электрическая схема предварительного усилителя

Расчёт и выбор резисторов предварительного усилителя:

 



 

R3: С1-4 1 вт, 5%, 470 КОм

Расчёт и выбор конденсаторов предварительного усилителя:

 - спад АЧХ усилителя

 - спад АЧХ БОУ

 - спад АЧХ предварительного усилителя

 - коэффициент частных искажений вносимых предварительным усилителем, где n число конденсаторов.

 

 1: К10-17А Н50 0.047мкФ; C2: К10-17А Н90 0.33мкФ

Расчёт основных параметров предварительного усилителя:

 - коэф-т передачи цепи ОС

 - верхняя граничная частота

 - коэф-т гармоник предварительного усилителя

С1-4 1 вт, 5%, 1.2 ом

4.      Составление технического задания на промежуточный усилитель

Любой усилитель звуковых частот должен иметь, по крайней мере, один регулятор - регулятор громкости (уровня). Регулирование громкости обычно осуществляют в промежуточных каскадах. Это объясняется тем, что регулировка уровня во входных каскадах может уменьшить отношение сигнал-шум, а регулировка уровня в более поздних каскадах может привести к перегрузке предварительного и промежуточного усилителей и к увеличению, тем самым, нелинейных искажений.

Первый каскад промежуточного усилителя необходим для получения достаточно высокого входного и низкого выходного сопротивлений. Высокое входное сопротивление создает благоприятные условия работы каскада предварительного усилителя. Низкое выходное сопротивление обеспечивает расширение диапазона регулировки громкости (уровня). Второй блок представляет собой регулятор уровня. Следующий за регулятором уровня каскад выполняет функции развязывающего, т.е. обеспечивает отсутствие зависимости параметров регуляторов тембра от положения регуляторов уровня. На выходе промежуточного усилителя расположены один или несколько каскадов, обеспечивающих усиление сигнала по напряжению до уровня, необходимого для нормальной работы оконечного усилителя.


Найдем Kг промежуточного усилителя:

 


Найдем коэффициент усиления промежуточного усилителя:


5.      Конструктивный расчет радиатора блока оконечного усиления

Определяющим параметром при выборе радиатора является температура коллекторного перехода транзисторов БОУ. Для каждого транзистора существует определенная температура коллекторного перехода, превышение которой приводит к выходу его из строя. Это так называемая максимально допустимая температура коллекторного перехода, приводимая в справочниках .

Высокая надежность БОУ может быть реализована только при выполнении условия:

,

где - максимальное расчетное значение температуры коллекторного перехода I i-го транзистора. Недостаточное внимание к вопросам теплового режима транзисторов БОУ может свести на нет всю работу по схемотехническому расчету БОУ.

Расчет тепловых параметров и тепловых режимов транзисторов средней и большой мощности при стационарных режимах с достаточной для инженерных расчетов степенью точности производится по тепловым схемам замещения. Тепловая схема замещения представляет собой эквивалентную схему рассеяния тепла в системе коллекторный переход транзистора - радиатор-окружающая среда. В этой схеме разности температур выполняют роль разностей потенциалов, тепловой поток выполняет роль электрического тока (сила тока определяется величиной мощности, рассеиваемой транзистором БОУ), а тепловые сопротивления - роль сосредоточенных электрических сопротивлений.

Тепловое сопротивление показывает, на сколько градусов изменится температура участка системы при изменении мощности, рассеиваемой транзистором, на 1 Вт. Размерностью теплового сопротивления является оС/Вт.

Полная эквивалентная схема рассеяния тепла транзисторами средней и большой мощности с радиаторами при стационарных режимах изображена на рис.6.1.

Рис.6.1

По аналогии с электрическими цепями к схеме (рис.6.1) применимы закон Ома и все теоремы для последовательного и параллельного соединений сопротивлений.

Для транзисторов средней и большой мощности, работающих с радиаторами, обычно имеет место неравенство:

,

так как поверхность корпуса транзистора невелика и тепловой поток, рассеиваемый этой поверхностью, мал.

Поэтому эквивалентная расчетная схема приобретает вид, показанный на рис 6.2.

Рис.6.2

Пользуясь схемой рис.6.2, можно написать зависимость температуры коллекторного перехода транзистора от мощности, выделяемой в транзисторе, конструкции радиатора и способа монтажа транзистора на радиаторе.кр - температура кристалла (145 °С), tк - температура корпуса, tр - температура радиатора, tс - температура среды (45 °С). tкр, tк, tр, tс эквивалентны потенциалам, а их разности - разностям потенциалов. Pp - мощность рассеяния - в эквивалентной схеме выступает в роли источника э.д.с.. Rкр-к (2 °С/Вт), Rк-р , Rр-с , Rк-с (0,5 °С/Вт) - тепловые сопротивления

Расчет:

 tк=145 0C , tc=45 0C

 

 

 

Для снижения габаритов БОУ будет использоваться ребристый радиатор. Для повышения надёжности работы между микросхемой и радиатором нанесён слой теплопроводящей пасты, которая снижает Rт-кр. Для циркуляции воздуха и повышения эффективности охлаждения в корпусе АС должны быть предусмотрены вентиляционные отверстия. Исходя из рассчитанного теплового сопротивления радиатора, используя график на рис. 6.3 выбраны габариты и тип радиатора.

Рис. 6.3

Радиатор одностороннего оребрения РОЕ 40 L=100 мм - высота радиатора.=100 - ширина радиатора.=24 мм - высота рёбер.=10 - количество рёбер.

В результате расчётов, можем выбрать пластинчатый радиатор с естественной конвекцией (рис.6.4).

Рис. 6.4


Под печатной платой понимают соединение из изоляционного основания и структурированных металлических слоев, которые служат для электромонтажа элементов и узлов, а также в большинстве случаев для их механического закрепления.

Печатную плату с установленными на ней навесными элементами называют печатным узлом (печатным модулем).

В кинотехнических и бытовых усилителях наиболее широкое применение получили однослойные печатные платы. Однослойные печатные платы всегда имеют один изоляционный слой, на котором находятся печатные проводники (участок токопроводящего покрытия, нанесенного на изоляционном основании). Если печатные проводники расположены на одной стороне изоляционного основания, то такую плату называют односторонней, если на двух сторонах - двусторонней.

В зависимости от назначения печатной платы в качестве изоляционного основания используют в основном гетинакс и стеклотекстолит различной толщины. Печатный же проводник делают из медной фольги (чистота 99,5%).

Печатные платы изготовляют преимущественно квадратной или прямоугольной формы. Соотношение их сторон должно соответствовать следующему ряду: 1:1; 1:2; 2:3; 2:5; Максимальный размер одно- и двусторонних печатных плат не должен превышать 360 мм. Печатные платы площадью более 850ч900 см2 применять не рекомендуется. Наиболее часто реализуются печатные платы, площадь которых не превышает 200 см2 .

Толщину плат следует выбирать с учетом ее изготовления и механических требований, предъявляемых к конструкции печатного узла. Наибольшее распространение в кинотехнической аппаратуре нашли, печатные платы толщиной 1,0 мм и 1,5 мм.

Процесс изготовления печатной платы, как в промышленности, так и в радиолюбительской практике, сводится к следующему:

на поверхность стеклотекстолита или гетинакса со стороны медной фольги наносится рисунок печатных проводников. В любительских условиях этот рисунок наносится кислотноупорными красками; в промышленности для получения рисунка печатных проводников используют светочувствительную эмульсию, негативные или позитивные фоторезисты, трафаретную и офсетную печать;

фольгированный текстолит с нанесенным рисунком травится (химическое разрушение материала) в насыщенном растворе, например, хлорного железа с примесями (имеются и газообразные травители). В результате открытые части меди вытравливаются и остаются только участки медной фольги под рисунком печатных проводников; .

плата промывается, удаляются следы красителя или эмульсии;

нанесение на печатные проводники защитного покрытия (серебро, золото, олово-свинец и т.д.);

в местах расположения контактных площадок сверлятся отверстия под выводы деталей (при двухсторонней плате необходимо металлизировать отверстия).

Далее на печатную плату устанавливаются навесные элементы: резисторы, конденсаторы, транзисторы, микросхемы, разъемы и т.д. Монтаж элементов на печатной плате выполняется согласно электромонтажной схеме (сборочному чертежу) печатного модуля. После этого проверяется работоспособность печатного модуля; он настраивается и может быть использован в составе готового изделия.

Печатный узел платы БОУ составлен на основе схемы расположения элементов - «на просвет» (рис.7.2). Печатная плата БОУ изображена на рис.7.1.

рис.7.1. печатная плата БОУ на микросхеме К174УН15

рис.7.2. схема расположения элементов на плате БОУ на микросхеме К174УН15

Заключение

Результатом данного курсового проекта является разработанный усилитель низкой частоты активной акустической системы.

Курсовой проект удовлетворяет требованиям стандарта на элементную базу и требованиям технического задания.

Список литературы

1.  Журавлёв В.М., Поляков С.Б., Бессчетнов Е.А. Усилительные устройства. Проектирование усилителей звукового диапазона частот. Часть 1. Эскизное проектирование усилителя.- Л.: ЛИКИ, 1985.

2.       Журавлёв В.М., Поляков С.Б., Храмов А.Я., Бессчетнов Е.А. Усилительные устройства. Проектирование усилителей звукового диапазона частот. Часть 3. Оформление технической документации к курсовому проекту и разработка дополнительных вопросов проектирования усилителей.- Л.: ЛИКИ, 1986.

.        Веселова Н.И., Тихонова Н.С., Журавлев В.М. Усилительные и электропитающие устройства. - Л.: ЛИКИ, 1990.

.        Белов И.Ф. Справочник по переносным и автомобильным радиоприемникам и магнитолам. Mp6. - М.: Радио и связь, 1992.

.        Справочник. Микросхемы для бытовой радиоаппаратуры.- М.: Радио и связь, 1989.

.        Цыкина А.В. Усилители.-М.: Связь, 1972.

.        http://chipinfo.ru/

Похожие работы на - Проектирование усилителя низкой частоты активной акустической системы

 

Не нашли материал для своей работы?
Поможем написать уникальную работу
Без плагиата!
Без нейросетей!