Однотактный усилитель мощности, истоковый повторитель и функциональная схема на элементах И-НЕ
Введение
Электроника является универсальным и
исключительно эффективным средством при решении самых различных проблем в
области сбора и преобразования информации, автоматического и
автоматизированного управления, выработки и преобразования энергии. Знания в
области электроники становятся необходимыми все более широкому кругу
специалистов.
Сфера применения электроники постоянно
расширяется. Практически каждая достаточно сложная техническая система оснащена
электронными устройствами. Трудно назвать технологический процесс, управление
которым осуществлялось бы без использования электроники. Функции устройств
электроники становятся все более разнообразными. Роль электроники в настоящее
время существенно возрастает с связи с применением микропроцессорной техники
для обработки информационных сигналов и силовых полупроводниковых приборов для
преобразования электрической энергии.
Электроника имеет короткую, но богатую событиями
историю, которая составляет чуть более 100 лет. Путь, пройденный от вакуумных
приборов до сверхбольшой однокристальной микросхемы содержащей десятки
миллионов транзисторов.
Задание №1.
Данные:
Рассчитать однотактный усилитель мощности
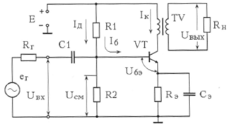
Описание схемы
Однотактные усилители с трансформаторным выходом
применяют при необходимости обеспечить гальваническую развязку каскадов или для
получения значительного коэффициента усиления по мощности при минимальных
нелинейных искажениях сигнала. В частности такие усилители широко
распространены в линейных системах многоканальной связи.
Рис.1
Для их построения используют схему ОЭ,
работающую в режиме класса А. При этом последовательно с коллектором
транзистора включается первичная обмотка трансформатора, а нагрузка
подключается к его вторичной обмотке (рис. 1). Поэтому сопротивление
постоянному току в коллекторной цепи относительно мало, а статическая линия
нагрузки ЛН= проходит почти вертикально через точку, лежащую на оси
абсцисс UK3
≈ Е (рис. 1). Динамическая линия нагрузки ЛН~ обязательно
проходит через точку покоя под углом α.
Существует некоторое оптимальное значение
эквивалентного сопротивления RK~.опт.,
при котором
и
.
Тогда максимально используются усилительные качества выбранного транзистора, а
к.п.д. каскада стремится к предельному значению
.
Поэтому, с целью повышения коэффициентов
использования тока и напряжения точку покоя выбирают с координатами
.
Максимальная мощность будет передаваться в
нагрузку при выполнении условия
.
Рис. 2
Рис. 3
Выбор транзистора:
;
где η - КПД
трансформатора (табличное значение при
0.75
- 0.85); выбираем η=0.8
,
где
-
КПД транзистора в режиме А для схем с ОЭ;
.
Принимаем
;
;
;
Учитывая
и
,
выбираем транзистор КТ815 с теплоотводом:
Выбор точки покоя:
выбираем
На ВАХ транзистора строим точку П и определяем Iбп=6
мА, отсюда:
Iэп=
Iбп+
Iэп=0.24+0.006=0.246
А
Условие
выполнено.
Рис. 4
Uбэмин=0.5
В; Uбэп=0.75
В; Uбэмах=0.8
В.
Данные для расчета трансформатора
Коэффициент трансформации
Сопротивление первичной обмотки трансформатора:
Сопротивление вторичной обмотки трансформатора:
Индуктивность первичной обмотки маломощного
трансформатора обычно находится в пределах 0.5…2.0 Гн, берем L1=0.5
Гн.
Индуктивность рассеяния обычно не превышает
(0.01…0.02)*L1,
следовательно, искажениями трансформатора можно пренебречь. Найденные значения n,
r1,
r2,
L1,
Ls являются исходными
для расчета трансформатора.
Расчет смещения:
принимаем
Принимаем Iдел=30
мА.
Тогда

При изменении температуры окружающей среды до 45о
С ток коллектора изменится согласно:
Что составляет 3% от Iкп,
который равен 0.24 А.
Принимая, что выходное сопротивление источника Rист
не менее 1 кОм
для положительной
полуволны
для отрицательной
полуволны
, что существенно
меньше заданных 11%
Входное сопротивление усилителя мощности:
КПД усилителя мощности:
Мощность сопротивлений:
Печатная плата
Рис. 5
Таблица 1 Спецификация элементов
|
Поз.
|
Наименование
|
Обозначение
|
Кол
|
Прим.
|
|
1
|
Конденсаторы
|
|
|
|
|
1.1
|
C1
|
К50-6-1000мкФ±5%
ОЖО.460.165 ТУ
|
1
|
|
|
2
|
Резисторы
|
|
|
|
|
2.1
|
R1
|
C2-23В-0,25-3,9 Ом±5%-А-ОЖО
467.081 ТУ
|
1
|
|
|
2.2
|
R2
|
C2-23В-0,1-57
Ом±5%-1,0-А-ОЖО 467.099 ТУ
|
1
|
|
|
2.3
|
R3
|
C2-23В-0,5-470
Ом±5%-1,0-А-ОЖО 467.099 ТУ
|
1
|
|
|
3
|
Транзисторы
|
|
|
|
|
3.1
|
VT1
|
КТ
815 А
|
1
|
|
Задание №2
Данные:
Рассчитать истоковый повторитель
Расчет:
Рис. 6
Выбираем транзистор:
принимаем
где
-
коэффициент запаса (0.7…0.95).

- запас, тогда:
где
-
максимальная мощность транзистора при t=20o
C.
Выбираем полевой транзистор с p
- n переходом и
каналом n - типа КП312Б.
Его характеристики:
Так как
для
выбранного транзистора находится в пределах предварительно выбранного значения,
то
и
в
уточнении не нуждаются.
По характеристикам транзистора с учетом
и
Iсп=6
мА находим Uзип=1
В.
Рис. 7
Отсюда следует, что
Следовательно, искажениями, вносимыми
транзистором на высокой частоте, можно пренебречь.
Расчет сопротивлений:
Ток утечки
,
протекая через
, вызывает
небольшое смещение
:
что составляет менее 1% от
Учитывая гармоническую форму входного сигнала,
получаем для мощности:
Расчет емкостей:
Задание №3
Данные:
Составить функциональные схемы на элементах И -
НЕ по функциям:
а)
б)
в)
Расчет:
а)
Используя правило
,
перепишем выражение
.
,
что и требовалось получить.
Рис. 8
б)
Используя правило:
,
упростим выражение:
Далее, пользуясь теоремой де Моргана
(соотношением двойственности) для n
- переменных(
) получаем:
Рис. 9
в)
Используя правило
,
правило X+1=1 и правило X+1=X,
получим:
.
Используя преобразование
,
запишем
,
что и требовалось получить.
Рис. 10
Заключение
В курсовой работе рассчитан однотактный
усилитель мощности, истоковый повторитель и функциональная схема на элементах И
- НЕ. Для усилителя мощности также разработана печатная плата и приводится
спецификация элементов.
усилитель трансформатор повторитель
Список литературы
1. Основы промышленной электроники
// Под ред. Герасимова В.Г. - М., Высшая школа, 1986. - 336 с.
2. Бочаров Л.Н., Жебряков С.К.,
Колесников И.Ф. Расчет электронных устройств на транзисторах. - М., Энергия,
1978, - 208 с.
. Бочаров Л.Н. Полевые
транзисторы. - М., Радио, 1984.