Разработка передатчика на автогенераторе с обратной трансформаторной связью
Курсова робота
Розробка передавача на автогенераторі зі зворотнім
трансформаторним звя’зком
Введение
Радиопередатчиком называют
устройства, для выполнения двух основных функций - генерация электромагнитных
колебаний высокой или сверхвысокой частоты и их модуляции в соответствии с
передаваемым сообщением. Радиопередатчики классифицируют по назначению,
условиям эксплуатации, выходной мощности, частоте, виду модуляции и т.д. [1]
Радиопередатчики стараются выполнять
на интегральных схемах и полупроводниковых приборах.
По назначению радиопередающие
устройства делят на связные и радиовещательные. По условиям эксплуатации РПУ
разделяют на стационарные и мобильные (устанавливаемые на подвижных объектах:
самолетные, автомобильные, носимые и т.д.). РПУ различаются также диапазоном
рабочих частот, мощностью излучаемых колебаний и т.д.
1. Описание работы
автогенератора
Генераторы синусоидальных колебаний
осуществляют преобразования энергии источника постоянного тока в переменный ток
требуемой частоты. Генераторы синусоидальных колебаний выполняют с
колебательным LC-контуром и частотно-зависимыми RC-цепями.генераторы
предназначены для генерирования сигналов высокой частоты, свыше нескольких
десятков килогерц. RC-генераторы используются на низких частотах, вплоть до
одного герца.
Генераторы LC-типа основаны на
использовании избирательных LC-усилителей, обладающих частотной
характеристикой, представленной на рис. 2. 1.0 - резонансная частотаВ,
fН - боковые частоты
Рис. 2. 1. - АЧХ избирательных
усилителей
Частотная избирательность усилителей
создаёт высокую помехозащищённость систем, работающих на фиксированных
частотах, что широко используется в устройствах автоматического управления и
контроля. На способности выделения с помощью избирательных усилителей
фиксированы гармонических составляющих из широкого спектра частот входного
сигнала основана работа ряда измерительных устройств промышленной электроники.
Избирательные усилители широко распространены в радиоприёмных и телевизионных
устройствах, а также в многоканальных системах связи. Здесь они решают задачу
настройки приёмного устройства на фиксированную частоту принимаемой ситуации,
не пропуская сигналы других частот.
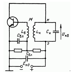
2. Принципиальная
схема автогенератора
Усилительный каскад (рис. 3.1.)
выполнен на транзисторе ОЭ с известными элементами R1, R2,
RЭ, CЭ предназначены для задания режима покоя и
температурной стабилизации. Выходной сигнал снимается с коллектора транзистора.
Параметрами
колебательного контура является ёмкость конденсатора C и индуктивности L
первичной обмотки w1 трансформатора. Сигнал обратной связи снимается
с вторичной обмоткой w2, индуктивно связанной с обмоткой w1
и подаётся на вход транзистора. Отклонение составляет
Рис. 3. 1. Схема
генератора с трансформаторной обратной связью
Сигнал обратной связи
может быть снят непосредственно с колебательного контура.
Ввиду зависимости
величин L, C колебательного контура и параметров транзистора от температуры
наблюдается зависимость от температуры и частоты f. В условиях постоянства
температуры нестабильность частоты вызвана изменением дифференциальных
параметров транзистора в зависимости от изменения положения точки покоя
усилительного каскада, что в частности, обуславливает необходимость его
стабилизации. Наибольшая стабильность частоты достигается при использовании в
генераторах кварцевого резонатора. Высокая стабильность частоты обуславливается
тем, что кварцевый резонатор, являясь эквивалентом последовательного
колебательного контура, обладает высокой добротностью.
Генераторы LC-типа
реализуются в виде гибридных интегральных микросхем, в которых реактивные
элементы L, C применяют в качестве навесных.
3. Расчёт
автогенератора
Расчёт автогенератора начнём с
выбора транзистора VT1. Так как выходная мощность автогенератора должна быть
равна 15 мВт, выберем маломощный транзистор, который также обеспечит
стабильность частоты колебаний при уменьшении средней температуры транзистора.
Для того, чтобы
транзистор можно было считать неинерционным, что обеспечивает то, что средняя
крутизна транзистора S будет действительной величиной, необходимо, чтобы
частота автогенератора fГ была намного меньше, чем граничная частота
транзистора fтр (для этого достаточно, чтобы fГ = 0,3·fтр).
Значит, исходя из этого, необходимо, чтобы fтр = 
. Так как частота
генератора равна 50 МГц, необходимо, чтобы граничная частота транзистора
равнялась

МГц
Исходя из этого, выберем
транзистор КТ315Г
|
Наимен.
|
тип
|
Uкбо(и), В
|
Uкэо(и), В
|
Iкmax(и), мА
|
Pкmax(т), Вт
|
h21э
|
Iкбо, мкА
|
fгр., МГц
|
Кш, Дб
|
|
КТ315А
|
n-p-n
|
25
|
25
|
100
|
0.15
|
30-120
|
0.5
|
200
|
-
|
|
КТ315Б
|
|
20
|
20
|
100
|
0.15
|
50-350
|
0.5
|
200
|
-
|
|
КТ315В
|
|
40
|
40
|
100
|
0.15
|
30-120
|
0.5
|
200
|
-
|
|
КТ315Г
|
|
35
|
35
|
100
|
0.15
|
50-350
|
0.5
|
-
|
|
КТ315Г1
|
|
35
|
35
|
100
|
0.15
|
100-350
|
0.5
|
200
|
-
|
|
КТ315Д
|
|
40
|
40
|
100
|
0.15
|
20-90
|
0.6
|
200
|
-
|
|
КТ315Е
|
|
35
|
35
|
100
|
0.15
|
50-350
|
0.6
|
200
|
-
|
|
КТ315Ж
|
|
20
|
20
|
50
|
0.1
|
30-250
|
0.01
|
200
|
-
|
|
КТ315И
|
|
60
|
60
|
50
|
0.1
|
30
|
0.1
|
200
|
-
|
|
КТ315Н
|
|
20
|
20
|
100
|
0.1
|
50-350
|
0.6
|
200
|
-
|
|
КТ315Р
|
|
35
|
35
|
100
|
0.1
|
150-350
|
0.5
|
200
|
-
|
Таблица 3.1 Параметры транзистора.
|
Uкбо
|
- Максимально допустимое напряжение коллектор-база
|
|
Uкбои
|
- Максимально допустимое импульсное напряжение коллектор-база
|
|
Uкэо
|
|
Uкэои
|
- Максимально допустимое импульсное напряжение коллектор-эмиттер
|
|
Iкmax
|
- Максимально допустимый постоянный ток коллектора
|
|
Iкmax и
|
- Максимально допустимый импульсный ток коллектора
|
|
Pкmax
|
- Максимально допустимая постоянная рассеиваемая мощность
коллектора без теплоотвода
|
|
Pкmax т
|
- Максимально допустимая постоянная рассеиваемая мощность
коллектора с теплоотводом
|
|
h21э
|
- Статический коэффициент передачи тока биполярного транзистора
в схеме с общим эмиттером
|
|
Iкбо
|
- Обратный ток коллектора
|
|
fгр
|
- граничная частота коэффициента передачи тока в схеме с общим
эмиттером
|
|
Кш
|
- коэффициент шума биполярного транзистора
|
Расчитаем граничные частоты
коэффициента передачи тока [1]:
fβ
= 
;
β
= 
= 10 МГц;
α
= fтр + fβ;
α
= 200 + 10 = 210 МГц;
В качестве активного
элемента выбран транзистор КТ 315, основные параметры которого приведены выше.
Для нахождения тока на
коллекторе необходимо построить график зависимости напряжения от этого тока с
учётом, что максимальная допустимая постоянная рассеиваемая мощность коллектора
без теплоотвода составляет 15 мВт. После построения графика (рис. 4.1) к нему
нужно провести касательную, проходящую через точку на оси абсцисс 12 В, эта
точка соответствует входному значению напряжения. Точка пересечения касательной
с осью ординат даст номинальное значение коллекторного тока. Для нормальной
работы транзистора ток на коллекторе берётся в четыре - пять раз меньше.
Рис. 3.1 График
зависимости тока на коллекторе от напряжения
С учётом
термостабилизации напряжение на коллекторе
, напряжение питания
распределяется между напряжением коллектора и эмиттера в пропорции 10:1 - это
применимо к более мягким условиям эксплуатации, а для более жёстких условий
(когда большой разброс рабочих температур) на коллектор подаётся 80% от
входного напряжения.
По найденному из графика
значению
и
взятому
из
выше изложенных условий можно найти значение сопротивления на коллекторе:
связано с значением
индуктивности в цепи и ёмкости эмиттера следующим выражением:
,
где значение корня
является волновым сопротивлением цепи
.

Найдя значение волнового
сопротивления, и, зная, что по условию частота работы генератора составляет 50
МГц, можно составить систему уравнений.
Решив систему, получаем
значения емкости конденсатора С и параметра индуктивности L:
Статический коэффициент
передачи тока
биполярного
транзистора в схеме с общим эмиттером выбирается близким к наименьшему значению
или приравнивается к нему самому. С помощью
и уже известного
значения тока на коллекторе находится ток базы. Ток, проходящий через
сопротивление
,
берётся в четыре раза больше. Отсюда по первому закону Кирхгофа находится ток
на резисторе
.
Используя закон Ома,
находятся сопротивления резисторов
,
,
,
необходимые параметры цепи были посчитаны выше.
Полученные расчётные значения:
Окончательные
результаты, сведённые с табличными значениями (ряд Е24):
4.
Компьютерное моделирование генератора
радиопередатчик частота электромагнитный автогенератор
Для проверки работоспособности
генератора был использован компьютерный пакет OrCad. При помощи его были
получены график напряжения на коллекторе (рис. 5.1), а также построена
электрическая схема со всеми расчётными параметрами (рис. 5.2). При
моделировании были приняты некоторые допущения, например, отечественный
транзистор КТ315 был заменён моделью Q2N3906, как наиболее схожим с ним по тех.
характеристикам.
Рис. 4.1 - Графики напряжений на
коллекторе транзистора КТ315Г
Рис. 4.2 - Схема
Выводы
В ходе выполнения этой работы было
спроектировано радиопередающее устройство.
В передающем устройстве
обеспечивается фильтрация сигналов для большей помехоустойчивости сигнала. В
тракте радиопередающего устройства необходимо использование усилителя, так как
выходная мощность колебаний маленькая, а для передачи сигнала необходимы
большие мощности, чтобы обеспечить «долетание» этого сигнала к цели.
При расчёте автогенератора была
выбрана схема автогенератора с обратной трансформаторной связью. В
автогенераторе используется маломощный транзистор.
При расчёте колебательного контура
были определены номиналы всех элементов схемы.
Список литературы
1. Петров Б.Е., Романюк В.А. Радиопередающие устройства на
полупроводниковых приборах: Учеб. Пособие для радиотехн. спец. Вузов. - М.:
Высш.шк. - 1989.-232 с.
2. Левичев В.Г. Радиопередающие и радиоприемные устройства.
Изд. 3-е, переработ. и дополн. М., Воениздат, 1974.
. Радиопередающие устройства. /В.В. Шахгильдян, В.Б.
Козырев, А.А. Ляковкин и др.; Под ред. В.В. Шахгильдяна. - 2-е изд., перераб. и
доп. - М.: Связь, 1990. - 328 с.
. Нефедов В.И., Основы радиоэлектроники и связи: Учеб.
Пособие/В.И. Нефедов, А.С. Сигов; Под ред. В.И. Нефедов. - М.: Высш. шк., 2009.
- 735 с.: ил.
. Г. Лэм, Аналоговые и цифровые фильтры/ под ред. И.Н.
Теплюка. - М.:Мир, 1982. - 592 с.
. Схемотехніка електронних систем: У 3 кн. Кн. 1. Аналогова
схемотехніка та імпульсні пристрої: Підручник/ В. І. Бойко, А.М. Гуржій, В.Я.
Жуйков та ін. - 2-ге вид., допов. і переробл. - К.: Вища шк., 2004. - 366 с.:
іл.
. Радиопередающие устройства/ М.В. Балакирев, Ю.С.
Вохмяков, А.В. Журиков и др.: Радио и связь, 1982. - 256 с., ил. -
(Проектирование радиоэлектронной аппаратуры на интегральных сикросхемах).