Многоканальные системы электросвязи

  • Вид работы:
    Контрольная работа
  • Предмет:
    Информатика, ВТ, телекоммуникации
  • Язык:
    Русский
    ,
    Формат файла:
    MS Word
    108,10 kb
  • Опубликовано:
    2012-01-04
Вы можете узнать стоимость помощи в написании студенческой работы.
Помощь в написании работы, которую точно примут!

Многоканальные системы электросвязи

 













Контрольная работа

Многоканальные системы электросвязи

ЗАДАЧА №1

Начертите структурную схему трехканальной аналоговой система передачи с ЧРК и AM ОБЛ. Рассчитайте границы нижних и верхних боковых полос частот на выходах индивидуальных амплитудных модуляторов каждого из каналов. При расчете примите, что полоса частот первичных сигналов составляет 0,3...3,4 кГц, а несущая частота (в килогерцах) для верхнего по частоте канала равна fнес1 =60 К где К - число, образованное предпоследней и последней цифрами пароля. Fн =60 +16 = 76 кГц

Считая, что канальные полосовые фильтры выделяют нижнюю боковую полосу частот, изобразите структуру частотного спектра группового сигнала с указанием границ полос частот, занимаемых каждым канальным сигналом. Определите ширину полосы частот группового сигнала.

После решения задачи приведите краткие письменные ответы на следующие вопросы:

1.       Каково назначение каждого из элементов структурной схемы системы передачи с ЧРК?

2.       Почему в аналоговых системах с ЧРК широко используется однополосная амплитудная модуляция (АМ ОБП)? В чем состоит ее недостаток

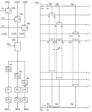
Рисунок 1. Структурная схема трехканальной аналоговой системы передачи с ЧРК и АМ ОБП

При частотном разделении каналов, одинаковые по спектру частотной телефонные сигналы, переносятся с помощью несущих частот (Fн1, Fн2, Fн3) в разные по спектру частот канальные сигналы (выход ПФ) для нашего случая

Fн1 = 76 кГц

Амплитудный модулятор предназначен для преобразования спектра частот телефонного сигнала. Спектр на выходе амплитудного модулятора содержит несущую частоту и две боковые полосы частот (ВБП и НБП).

Так на выходе АМ1 спектр будет:

FH1 = 76 кГц

ВБП (76 +0,3 =76,3 76+3,4=79,4)

НБП (76 - 0,3 =75,7 76 - 3,4 =72,6)

На выходе АМ2

FH2 =80 кГц

ВБП (80+ 0,3 = 80,3; 80+ 3,4 = 83,4)

НБП (80- 0,3 = 79,7; 80 - 3,4 = 76,6)

На выходе АМ3 FM3 FH3 = 84 кГц

ВБП (84 + 0,3 = 84,3; 84 + 3,4 = 87,4)

НБП (84 - 0,3 = 83,7; 84 - 3,4 = 81,6)

Полоса расфильтровки взята 0,9 кГЦ



По условию задания канальные полосовые фильтры выделяют нижнюю боковую полосу частот.

Изобразим структуру частотного спектра группового сигнала с указанием границ полос частот заменяемых каждым канальным сигналам

Спектральная диаграмма линии передачи будет выгладить так: ширина спектра группового сигнала

Fгр = (83,7 - 72,6) = 11,1 кГц.


Структурная схема системы передачи с ЧРК


Рисунок 2. Система передачи с ЧРК

М1.n -амплитудный модулятор предназначенный для преобразования спектра частот телефонного сигнала

Ф1..n - полосовые разделительные фильтры предназначенные для разделения канальных сигналов (выделение из группового сигнала канальных сигналов)

ФНЧ - фильтры низких частот подавляют высокочастотные продукты демодуляции

D1..n демодулятор предназначен для восстановления первичного сигнала

A1..n первичный сигнал

F1..n колебания несущих частот

. В линейных трактах современных систем обеспечивается выходная защищенность сигналов от помех. В этих условиях оптимальной оказывается однополосная модуляция (ОБП) при которой в фиксированной полосе частот линейного тракта получается максимальное число каналов при достаточно высокой помехоустойчивости

Достоинства:

1.Узкая полоса частот канального сигнала, равная полосе частот исходного сигнала.

. Так как несущая не передается то энергия тратится лишь для передачи одной боковой полосы.

Недостатки:

1. Необходимость восстановления несущей на приемной станции

2. Сложность подавления несущей и боковой полосы на передающей станции

ЗАДАЧА №2

структурная схема амплитудная модуляция телефонная

Рассчитать и построить диаграмму уровней телефонного канала, Определить остаточное затухание канала.

Ответить на следующие вопросы:

1.       К чему может привести снижение уровней приема на входах усилителей?

2.       Как сказывается отклонение остаточного затухания канала от его значения на качестве телефонной связи?

Уровень на входе канала Pk вх = 0 дБм

Коэффициент затухания линии связи α = 6,1дБ/км.

Уровень на выходе оконечного пункта Pпер0 = - 10 дБм

Уровень на выходе канала Pк вых = - 6,8 дБм

Длинны усилительных участков

L1 = 3.0 км

L2 = 3,3 км

L3 = 2.9 км

Рис. 3. Диаграмма уровней телефонного канала

Для построения диаграммы уровней необходимо рассчитать уровни передачи и приема для каждого усилителя.

Чтобы определить уровень приема (Рпр1) на входе первого усилителя (S1) необходимо рассчитать затухание первого усилительного участка (АУУ1)

АУУ1 = α· L1 = 6,1· 3,0 = 18,3 дБ

Рпр1 = Pпер0 - АУУ1 = - 10 - 18,3 = - 28,3 дБ

Для нормальной работы АСП усиление усилителя должно полностью компенсировать затухание прилегающего к нему усилительного участка т.е


Уровень передачи (Рпр1) на выходе первого усилителя S1 будет

Рпер1 = Рпр1 + S1 = -28,3 + 18,3 = -10 дБм

Аналогично рассчитываем уровни передачи и приема для остальных участков.

АУУ2 = α· L2 = 6,1· 3,3 = 20,13 дБ

Рпр2 = Pпер1 - АУУ2 = -10 - 20,13 = - 30,13 дБм

S2 = АУУ2 = 20,13 дБ

Рпер2 = Рпр2 + S2 = -30.13 + 20.13 = -10 дБ

АУУ3 = α· L3 = 6,1· 2,9 = 17,69 дБ

Рпр 0п = Pпер2 - АУУ3 = -10 - 17,69 = - 27,69 дБм

Диаграмма уровней приведена на рисунке 3

Остаточное затухание (АЧ) определяется следующим образом:

АЧ = Рк вх - Рк вых дБ

Рк вх = 0 дБм

Рк вых = - 6,8 дБм

АЧ = 0 - (-6,8) = 6,8 дБ

Снижение уровня приема сигнала на входе усилителя приведет к уменьшению защищенности от собственной помехи на выходе с дальнейшим накапливанием что приведет к искажению или потере передаваемой информации.

Отклонение остаточного затухания канала от его значения должно быть наименьшим иначе это приведет к амплитудно частотным искажениям или потере передаваемой информации. При телефонной связи пострадают такие параметры как слышимость и разборчивость речи.

ЗАДАЧА №3

Начертите структурную схему оконечной станции ЦСП с ИКМ и ВРК.

Приведите краткое (одна-две фразы) описание назначения каждого элемента схемы.

Рассчитайте:

1.       Тактовую частоту группового ИКМ сигнала;

2.       Количество уровней квантования при заданном числе разрядов в 3 комбинации.

.Определите частоту и период дискретизации сигнала с заданной в таб.3 верхней граничной частотой спектра 2,8

.Представьте в восьмиразрядном двоичном коде десятичное число, образованное предпоследней и последней цифрами пароля. 16

. Изобразите двоичное число в виде кодовой комбинации, считая, что двоичной единице соответствует токовая посылка, а нулю - бестоковая посылка.

Дано:

Количество разрядов в кодовой комбинации m = 7

Частота дискредитации Fd = 8,0 кГц

Верхняя граничная частота спектра 2,8 кГц

Количество каналов N = 1920

. Рассчитаем тактовую частоту ИКМ сигнала

т = m · Fd ·Nт = 7 · 8 · 1920 = 107520 кГц

. Рассчитаем количество уровней квантования

М= 2m = 27 = 128

. Рассчитаем частоту и период дискретизации для F max = 2,8 кГц

В соответствии с теорией Котельникова

FД F max ≥ 2 · 2.8 ≥ 5.6 кГц

FД = 8 кГц

Тd = 1/Fd = 1/8000 = 125 мкс.

. Представим в 8 -ми разрядном двоичном коде число 16

= 0 · 27 + 0 · 26 + 0 · 25 + 1 · 24 + 0 · 23 + 0 · 22 + 0 · 21 + 0 · 20

Кодовая комбинация: 00010000


Рис. 4

Кодер - устройство осуществляющее квантование по амплитуде и кодирование квантовонного сигнала (устройство часто называют аналого - цифровым преобразователем (АЦП)), т.к в результате кодирования аналоговый АИМ сигнал преобразуется в цифровой.

Устройство обеспечивающее обратную операцию на приеме называют декодером или цифроаналоговым преобразователем (ЦАП)

ФНЧ - фильтр низких частот служит для ограничения спектра исходного непрерывного сигнала каждого канала или подавляет высокочастотные продукты декодирования.

АИМ - амплитудно импульсный модулятор. С помощью которого осуществляется дискретизация передаваемых сигналов во времени. (Функцию АИМ выполняют электронные ключи)

ГОПЕР (ГОПР) - генераторное оборудование вырабатывает периодическую последовательность импульсов служащие для управления электронным кличем.

пер СС и пр СС - передача и прием синхросигнала нужного для того, чтобы передаваемый сигнал поступал в соответствующий приемник.

ЗГ - задающий генератор вырабатывает последовательность прямоугольных импульсов с частотой FД = 8 кГц Тd = 125 мкс.

УО - устройство объединения осуществляет объединение модулированных последовательностей импульсов всех каналов. Формирует многоканальный АИМ сигнал.

УР - устройство разделения разделяет сигналы речевой информации, сигналы управления и взаимодействия, сигналы цикловой синхронизации и направляет в соответствующие ветви аппаратуры.

пер. СУВ, пр. СУВ - сигналы управления и взаимодействия (набор номера, вызова, отбоя и т.д)

РЛ - регенератор линейный восстанавливает форму и длительность сигналов искаженных при передачи.

ОС - оборудование сопряжения служит для согласования характеристик группового ИКМ сигнала с характеристиками линий связи.

СР - станционный регенератор восстанавливает форму и длительность сигналов искаженных при передачи.

ВТЧ - устройство выделения тактовой из спектра группового цифрового сигнала с помощью ВТЧ, содержащего высокодобротные резонансные контуры фильтры выделители или избирательные усилители, выделяется тактовая частота.

ПК пер - преобразователь кода передачи. Преобразует униполярный двоичный код, в двуполярный код параметры которого определенным требованиям.

ПК пр - преобразователь кода приема соответственно восстанавливает униполярный двоичный сигнал


Не нашли материал для своей работы?
Поможем написать уникальную работу
Без плагиата!
Без нейросетей!