Расчет и конструирование элементов балочной клетки и колонны
1. Исходные данные для курсового проектирования
Размеры в плане: 15х6 м.
Шаг колонн в продольном направлении: 15 м.
Шаг колонн в поперечном направлении: 6 м.
Нормативная полезная нагрузка: gн=12 кН/м².
Коэффициент надежности по нагрузке: γf=1,2.
Отметка верха габарита помещения: +9,000.
Отметка настила: +
Отметка верха фундамента: -0,400.
Материал конструкций:
настил: сталь С235 с Ry=215 МПа;
балки настила: сталь С235 с Ry=215 МПа;
вспомогательные балки: сталь С235 с Ry=215 МПа;
главные балки: сталь С235 с Ry=215 МПа;
колонны: сталь С245 с Ry=240 МПа;
Материал фундаментов: бетон класса В25.
Опирание главной балки на колонну: этажное
сопряжение
2. Конструктивные решения балочной площадки
Балочные клетки могут быть нормального или
усложненного типа
(рис.
2.1 а,б):
а). Нормальный тип балочной клетки
б). Усложненный тип балочной клетки.
Рис. 2.1. Типы балочных клеток.
3. Расчет конструкции балочной площадки
Для расчета выбираем сталь: С235
(ВСт3кп21) по ГОСТ 27772-88
Модуль упругости: Е=2,06*104 МПа
Коэффициент поперечной деформации (Пуассона): ν=0.3
Удельный вес: γст=78,5
кН/см
.1 Расчет балочной клетки нормального типа
Расчет настила.
абн=lмн=1500 мм.
Отношение пролета настила к его толщине из
условия заданного предельного прогиба:
где
;- заданное отношение пролета к его
предельному прогибу (для настила n0=150);
Определяем толщину настила:
Принимаем толщину настила 10 мм.
Собственный вес 1м2 настила равен
Рн=78,5 кг или 0,785 кН/м2.
Рис. 3.1. Плоский металлический
настил: опирание настила на балки, расчетная схема.
Определяем силу, растягивающую
настил (Рис. 3.1):
где γfg=1,2 -
коэффициент надежности по нагрузке
Расчетная толщина углового шва,
прикрепляющего настил к балкам, выполненного полуавтоматической сваркой
определяется по формуле:
где βш=0.7 -
коэффициент глубины проплавления
шва, принимается в зависимости вида
сварки и положения шва,
стали σу<580МПа;
ш =l cм - длина шва; св уш=18кН/см2 -расчетное сопротивление
среза шва по таблице 5.1
СНиПа II - 23-81;
γc=l - коэффициент условия
работы;
принимаем по таблице 5.4 (1)СНиПа К
=4 мм.
Расчет балки настила.
Балку рассчитываем как свободно
опертую, загруженную равномерной нагрузкой. Пролет равен шагу главных балок 6
м. Вес настила Рн=0,785 кН/м².
Определяем нормативную линейную
равномерно распределенную нагрузку на балку настила:
Определяем расчетную линейную
равномерно распределенную нагрузку на балку настила:
,
где γfз=1.05 -
коэффициент надежности для собственного веса пастила; γfg=1,2 -
коэффициент надежности по нагрузке
Расчетный изгибающий момент:
,
где
= 6 м - длина балки настила
Определяем требуемый момент
сопротивления балки:
,
где с1=1,12-коэффициент, принимаемый
по прил.5 [3],
γc=1- коэффициент условий
работы,у=22,0 кН/см2 расчетное сопротивление по пределу текучести для стали
С235 при t=4-20мм
Принимаем по сортаменту двутавр №30
по ГОСТ 8239-89 с изм., имеющий: Ix=7080 см4, Wx=472 см³, вес g=36,5
кг/м, площадь сечения
А=46,5 см².
Условие Wx>Wтр удовлетворяется.
Проверка на прочность:
условие удовлетворяется.
Недонапряжение:
(22,0-19,4)/22,0*100%=11,8%>5%
Принимаем марку стали С235 с Rу=20,0
МПа. Тогда недонапряжение составит (20,0-19,4)/20,0*100%=3%-в пределах
допустимого значения.
Проверка на жесткость:
Определяем расход металла на 1 м² перекрытия:
настил 0,01*7850=78,5 кг/м², балки
настила g/a=36,5/1,5=24,3 кг/м².
Весь расход металла: 78,5+24,3=102,8
кг/м²=1,03 кН/м².
3.2 Расчет балочной клетки усложненного
типа
Расчет настила.
абн=lмн=1500 ммвб=3000 мм
Отношение пролета настила к его
толщине из условия заданного предельного прогиба:
где
;- заданное отношение пролета к его
предельному прогибу (для настила n0=150);
Определяем толщину настила:
Принимаем толщину настила 10 мм.
Собственный вес 1м2 настила равен
Рн=78,5 кг или 0,785 кН/м2.
Определяем силу, растягивающую
настил (Рис. 3.1):
где γfg=1,2 -
коэффициент надежности по нагрузке
Расчетная толщина углового шва,
прикрепляющего настил к балкам,
выполненного
полуавтоматической сваркой определяется по формуле:
где βш=0.7 -
коэффициент глубины проплавления
шва, принимается в зависимости вида
сварки и положения шва,
стали σу<580МПа;
ш =l cм - длина шва; св уш=18кН/см2 -расчетное сопротивление
среза шва по таблице 5.1
СНиПа II - 23-81;
γc=l - коэффициент условия
работы;
принимаем по таблице 5.4 (1)СНиПу К
=4 мм.
Расчет балки настила.
Балку рассчитываем как свободно
опертую, загруженную равномерной нагрузкой. Пролет равен шагу второстепенных
балок 3 м. Вес настила Рн=0,785 кН/м².
Определяем нормативную линейную
равномерно распределенную нагрузку на балку настила:
Определяем расчетную линейную
равномерно распределенную нагрузку на балку настила:
Расчетный изгибающий момент:
,
Определяем требуемый момент
сопротивления балки:
,
где с1=1,12-коэффициент, принимаемый
по прил.5 [3],
γc=1- коэффициент условий
работы,у=22,0 кН/см2 расчетное сопротивление по пределу текучести для стали
С235 при t=4-20мм
Принимаем по сортаменту двутавр №16
по ГОСТ 8239-89 с изм., имеющий: Ix=873 см4, Wx=109 см³, вес g=15,9
кг/м, площадь сечения А=20,2 см².
Условие Wx>Wтр удовлетворяется.
Проверка на прочность:
условие удовлетворяется.
Недонапряжение:
(22,0-21,01)/22,0*100%=4,5%<5%
Проверка на жесткость:

Расчет вспомогательной балки.
Рис. 3.2. Расчетная схема загружения
вспомогательной балки.
Нагрузку на вспомогательную балку от балок
настила считаем равномерно распределенной. Определяем нормативную и расчетную
нагрузку на нее:
Определяем расчетную линейную
равномерно распределенную нагрузку на балку настила:
Определяем расчетный изгибающий
момент:
Определяем требуемый момент
сопротивления
,
Принимаем по сортаменту двутавр №40
по ГОСТ 8239-72 с изм., имеющий: Ix=19062см4, Wx=953 см³, вес g=57,0
кг/м, площадь сечения А=72,6 см².
Условие Wx>Wтр удовлетворяется.
Проверка на прочность:
условие удовлетворяется.
Недонапряжение:
(22,0-19,4)/22,0*100%=11,8%>5
Принимаем марку стали С235 с Rу=195
МПа. Тогда недонапряжение составит (20,0-19,4)/20,0*100%=3,0%-в пределах
допустимого значения.
Проверка на жесткость:
условие удовлетворяется.
Проверяем, требуется ли проверка
общей устойчивости, исходя из условия:
,
где b и t-соответственно ширина и
толщина сжатого пояса;расстояние между осями поясных листов;
lef-расстояние между точками
закрепления сжатого пояса.
Фактическое отношение
Принятое сечение балки удовлетворяет
условиям прочности, устойчивости и прогиба.
Определяем расход металла на 1 м² перекрытия:
настил 0,01*7850=78,5 кг/м², балки
настила g/a=15,9/1,5=10,6 кг/м², вспомогательные балки
gвб/авб=57,0/3=19,0 кг/м².
Весь расход металла:
78,5+10,6+19=108,1 кг/м²=1,081 кН/м².
.3 Сравнение вариантов
Полученные величины расхода стали на
1 м² площади
балочной клетки сведены в таблицу 3.3.1:
Таблица 3.3.1
|
Расход
стали на элементы (кг/м)
|
Вариант
1-нормальный тип БК
|
Эскиз
сечения элемента
|
Вариант
2-усложненный тип БК
|
Эскиз
сечения элемента
|
|
Металлический
настил
|
78,5
|
|
78,5
|
|
|
Балки
настила
|
24,3
|
|
10,6
|
|
|
Вспомогательные
балки
|
|
|
19,0
|
|
|
Итого:
|
102,8
|
|
108,1
|
|
По расходу металла 1 вариант выгоднее.
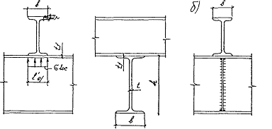
3.4 Расчет главной балки
Главные балки балочных клеток проектируют
составными из листовой стали по ГОСТ 82-70*. Соединение листов осуществляется
сваркой или заклёпками. Большинство используемых составных балок - сварные,
клёпаные балки применяются в основном при тяжёлой подвижной нагрузке, так как в
этих условиях они значительно надёжнее сварных. В обычных условиях сварные
балки более экономичны.
Расчетная схема балки приведена на рис. 3.4.1.
Рис. 3.4. а). Расчетная схема главной балки.
б). Сечение главной балки.
Расчет главной балки ведется по наиболее
оптимальной нагрузке на 1 м2 перекрытия, высчитанной по двум схемам балочных
клеток, наиболее оптимальной получилась балочная клетка нормального типа с
шагом балок настила lбн=1м и нагрузкой g =102,8 кг/м~=1,03 кН/м
Определяем нормативную и расчетную нагрузки на
балку:
Определяем расчетный изгибающий
момент в середине пролета:
Определяем поперечную силу на опоре:
Главную балку рассчитываем с учетом
развития пластических деформаций. Определяем требуемый момент сопротивления
балки, принимая коэффициент с1=1,12:
Определяем оптимальную высоту балки
по формуле:
При этом предварительно задаем
высоту балки
и толщину стенки
принимаем tw=11 мм.
Полученная высота и толщина стенки
находятся в пределах рекомендуемых таблицей 7.2. (3)
Из условий обеспечения жесткости,
определяем минимальную высоту балки:
Определяем минимальную высоту балки
по формуле:
Строительную высоту балки
определяем, исходя из максимально возможной заданной высоты перекрытия и его
конструкции:
Так как hопт<hmin<hmax можно
принять hmin или заменить сталь на менее прочную Сравнивая полученные высоты,
принимаем высоту балки =130 см.
Проверяем принятую толщину стенки:
по эмпирической формуле
из условия работы стенки на срез
Чтобы не применять продольных ребер
жесткости, толщину стенки определяем по формуле:
Сравнивая полученную расчетным путем
толщину стенки с принятой, принимаем tw=10 мм и приходим к выводу, что она
удовлетворяет условию прочности на действие касательных напряжений и не требует
укрепления ее продольным ребром жесткости для обеспечения местной устойчивости.
Размеры горизонтальных поясных
листов определяем, исходя из необходимой несущей способности балки. Для этого
определяем требуемый момент инерции сечения балки:
Находим момент инерции стенки балки,
принимая толщину поясов, исходя из того, что толщина горизонтального поясного
листа сварной балки обычно принимают не более 2-3 толщин стенки: tf=2,0 см.
;
Момент инерции, приходящийся на
поясные листы (момент инерции полки):
Момент инерции поясных листов балки
относительно её оси
где Аf -
площадь сечения поясов. Моментом инерции поясов относительно их собственной оси
ввиду его малости пренебрегаем.
Отсюда получаем требуемую площадь
сечения поясов балки:
где
Принимаем пояса из универсальной
стали 340х20 мм по ГОСТ82-70, для которой bf/h=340/1300=1/3,82=0,26 находится в
пределах рекомендуемого отношения.
Уточняем принятый ранее коэффициент
учета пластической работы с:
По прил.5 [3] принимаем с=1,116,
которое практически соответствует заданному с1=1,12.
Проверяем принятую ширину (свес)
поясов, исходя из их местной устойчивости, по формуле:
Проверяем несущую способность балки
по формуле
,
исходя из устойчивости стенки в
области пластических деформаций балки в месте действия максимального момента,
где Q и τ=0:
Где
Подобранное сечение балки проверяем
на прочность. Для этого определяем момент инерции и момент сопротивления балки:
;
Наибольшее нормальное напряжение в
балке:

Подобранное сечение балки
удовлетворяет проверке прочности и не имеет недонапряжения больше 5%. Проверку
прогиба балки делать не нужно, так как принятая высота сечения больше
минимальной и регламентированный прогиб будет обеспечен.
.5 Изменение сечения главной балки
по длине.
Рис. 3.5 Изменение сечения по длине балки
конструктивный балка настил
Место изменения сечения главной балки находится
на расстоянии
Определяем внутренние расчетные усилия
в месте изменения сечения:
Определяем требуемый момент
сопротивления и момент инерции измененного сечения исходя из прочности сварного
стыкового шва, работающего на растяжение:
где Rwy - расчетное сопротивление
сварного стыкового шва растяжению, Rwy=0,85Ry .
Определяем требуемый момент инерции
поясов ( IW=166698 см4 )
Требуемая площадь сечения поясов
Принимаем пояс 220х20 мм, Аf1=44,0
см2 Принятый пояс удовлетворяет рекомендациям bп1>18 см и bп1> h/10=13
см. Определяем момент инерции и момент сопротивления уменьшенного сечения:
.6 Проверка прочности, общей
устойчивости и прогиба сварной балки
Проверка прочности балки.
Проверяем максимальные нормальные
напряжения в поясах в середине балки:
Проверяем максимальное касательное
напряжение в стенке на опоре балки:
где S1- статический момент
полусечения балки:
Проверяем местные напряжения в стенке под
балками настила:
где
- опорные реакции балок настила.
- длина передачи нагрузки на стенку
балки
Ввиду наличия местных напряжений,
действующих на стенку балки, надо проверять совместное действие нормальных,
касательных и местных напряжений на уровне поясного шва под балкой настила по
уменьшенному сечению вблизи места изменения сечения пояса.
Под ближайшей балкой настила будет
стоять ребро жесткости, которое воспринимает давление балок настила, и передачи
давления на стенку в этом месте не будет. Проверяем приведенные напряжения в
сечении 1-1 - месте
Изменения сечения балки (где они
будут максимальны)
где
Проверки показали, что прочность
балки обеспечена.
.Проверка общей устойчивости балки в
месте действия максимальных нормальных напряжений, принимая за расчетный пролет
l0 - расстояние между балками настила:
в середине пролета балки, где учтены
пластические деформации проверяем применимость формулы
где
, так как τ=0 и с1=с=1,12.
и
В месте уменьшенного сечения балки
(балка работает упруго и δ=1)
Обе проверки показали, что общая
устойчивость балки обеспечена.
.Проверка прогиба ( второе
предельное состояние) может не производиться, т.к. принятая высота балки больше
минимальной =130 см>hmin=125,8 см.
.7 Проверка и обеспечение местной
устойчивости балки.
. Проверка устойчивости сжатого
пояса производится в месте максимальных нормальных напряжений в нем - в середине
пролета балки, где возможны пластические деформации. Проверку ведем по формуле
;
;
;
Проверка показала, что местная
устойчивость пояса обеспечена.
. Проверяем устойчивость стенки.
Первоначально определяем необходимость постановки ребер жесткости по формуле:
,
т.е. вертикальные ребра жесткости
необходимы. Кроме того,
в зоне учета пластической деформации
необходима постановка ребер под каждой балкой, т.к. местные напряжения в стенке
в этой зоне недопустимы.
Определяем длину зоны использования
пластических деформаций в стенке
Расстановку вертикальных ребер
жесткости принимаем по рис.
Рис. 3.7. К проверке устойчивости
стенки.
По формуле
устанавливаем
необходимость проверки устойчивости стенки. Расчет
показал,
что проверку устойчивости стенки следует производить.
Проверяем отсек «а». В соответствии
с расшифровкой к формуле
определяем
средние значения M и Q в сечении 2-2 на расстоянии х=375 см от опоры (под
балкой настила), что почти совпадает с рекомендацией расстояния в h0/2 от края
отсека:
Определяем действующие напряжения:

.
Определяем критические напряжения.
,
Размеры отсека
и
.
Определяем степень упругого
защемления стенки в поясах
По табл. 7.6 [3] при δ=1,73 и
a/h0=3,34 предельное значение σм/σ=0,75. Расчетное
значение σм/σ=0,365<0,75,
поэтому σкр
определяем по формуле:
где скр=32,814 получено по табл. 7.4
[3] при δ=1,73.
Определяем критическое напряжение
потери устойчивости от действия местных напряжений
где
; с1=39,73 по табл. 7.5 [3] при δ=1,77,
a/2hw=421/(2*126)=1,67.
Теперь подставляем все значения в
формулу:
где γ- коэффициент
условия работы.
Проверка показала, что устойчивость
стенки обеспечена и постановка ребер жесткости на расстоянии а=421
см>2hw=2*126=252 см возможна. Стенку следует укреплять поперечными ребрами
жесткости на расстоянии не более 2hW =2·126=252 см тогда поперечные ребра ставим
в местах крепления к главной балке балок настила, шаг которых 150 см
.8 Расчет ребер жесткости
Рассчитываем ширину ребра:
Принимаем bh=80 мм.
Рассчитываем толщину ребра:
Принимаем толщину ребра th=6 мм.
4. Расчет колонны
4.1 Подбор сечения колонны
Требуется подобрать сечение сплошной
центрально-сжатой колонны длиной 9,4 м, защемленной
внизу и
шарнирно закрепленной вверху. Материал-сталь C245, толщина листов t=4-20 мм,
R=240 МПа=24,5 кН/см².
Коэффициент условий работы γ=1. Принимаем двутавровое сечение
стержня колонны сваренным из трех листов (рис.4.1).
Расчетная длина стержня
.
Расчетное усилие в стержне колонны
.
Задаемся гибкостью λ=90 и
находим соответствующее значение
φ=0,612 (прил. 7 [3]),
предварительно определив требуемые:
площадь сечения
;
радиус инерции
ширину сечения (табл. 8.1 [3])
принимаем
,
Рис. 3.1. Сечение колонны.
Принимаем сечение полки, равное 2*30*1,2=72 см²,
стенки - 1*1,0*28=28 см²,
А=100 см².
Проверяем напряжение по подобранному сечению:
;
;
; φ=0,6155;
.
Недонапряжение (24,5-23,4)/24,5=4,5%
допустимо.
Подобранное сечение удовлетворяет
требованиям общей устойчивости.
Проверяем местную устойчивость
стенки по формуле табл. 8.5 [3]:
По табл. 5,2[6] при
для
двутаврового сечения
и не более
. Стенка
устойчива.
Проверяем местную устойчивость
полки:
Расчеты показали, что стенка и полка
удовлетворяют требованиям устойчивости.
Устанавливаем необходимость
постановки ребер жёсткости по условию:
; рёбра жёсткости не требуются,
ставим их по конструктивным соображениям через
. Размер поперечных рёбер принимаем
, толщину
принимаем 5
мм.
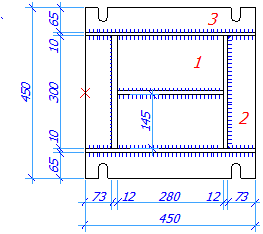
.2 Расчет базы колонны
Запроектировать базу сплошной
колонны двутаврового сечения. Материал базы- сталь марки С245, расчетное
сопротивление Rу=240 МПа=24,5 кН/см2 при t=4-20 мм, Rу=230 МПа=23,5 кН/см2 при
t=21-40 мм.
Бетон фундамента класса В25,
Rпр=14,5 МПа=1,45 кН/см2.
Нагрузка на базу
Nбобщ=Nкобщ+2*Qmax+Nбкобщ=1440,1 кН; Nб=2 кН; Qmax=710,6
кН.бобщ=1440,1+2*710,6+2=2863,3 кН.
Требуемая площадь плиты базы:
где g - коэффициент , зависящий от отношения площади
опорной плиты к площади обреза фундамента (в месте опирания на фундамент
опорной плиты). Значения g изменяются
от 1,0 до 1,5 . Принимаем g
= 1,2
По ориентировочному значению
коэффициента γ=1,2, принимаем
плиту размером 450х450 мм. Принимая площадь по обрезу фундамента Аф=750х750 мм,
корректируем значение γ:
Далее рассчитываем напряжение под
плитой базы
<
Конструируем базу колонны с
траверсами толщиной 10 мм, приваривают их к полкам колонны и к плите угловыми
швами. Вычисляем изгибающие моменты на разных участках для определения толщины
плиты.
Участок 1, опертый на 4 канта.
Отношение стороны b/a=280/145=1,93,
по таблице 8.6[3] α=0,0986
где q - расчетное давление на 1 см2
плиты (q=σф)
Участок 2, консольный, отношение
b/a>2:
Участок 3 не проверяем, так как он
имеет меньший консольный свес. Определяем толщину плиты по максимальному
моменту
Принимаем плиту толщиной tпл=25 мм.
Таким образом, с запасом прочности
усилие в колонне полностью передается на траверсы, не учитывая прикрепления
торца колонны к плите.
Прикрепление траверсы к колонне
выполняется полуавтоматической сваркой в углекислом газе сварочной проволокой
Св08Г2С. Толщину траверс принимаем tтр=10 мм, высоту принимаем hтр= 450 мм.
Расчётные характеристики:
Rушсв=0,85*Ryн =0,85*24,5=20,825
кН/см²;
уссв=0,45*Ru=0,45*365=164,2 МПа=16,42 кН/см2;
Коэффициенты, учитывающие глубину
проплавления βш=0,7; βс=1,0;
βш Rушсв=0,7*20,825=14,6
кН/см2< βсRсвус =1*16,42=16,42
кН/см2;
γсвуш= γсвус=1
Прикрепление рассчитываем по металлу
шва, принимая катет угловых швов кш=12мм:

Проверяем допустимую длину
шва
Требование к максимальной длине швов
выполняется. Крепление траверсы к плите принимаем угловыми швами кш=10 мм.
Проверяем прочность швов:
Швы удовлетворяют требованиям
прочности. При вычислении суммарной длины швов с каждой стороны шва не
учитывалось по 1 см на непровар.
Приварку торца колонны к плите
выполняем конструктивными швами кш=6мм, так как эти швы в расчете не
учитывались.
Список используемых источников
СНиП
II-23-81*. Стальные конструкции. Нормы проектирования- М.:Стройиздат,1990.
СНиП
2.01.07-85. Нагрузки и воздействия.-М.:1988.
Металлические
конструкции. Общий курс: Учебник для вузов, под ред. Белении
Е.И.-М.:Стройиздат,1986.
Николаенко
Е.А. Методические указания для студентов специальности 290300 «Промышленное и
гражданское строительство» всех видов обучения и 550100 направления
«Строительство» дисциплины «Металлические конструкции» по курсовому проекту на
тему: «Расчет и конструирование балочной площадки». Раздел «Расчет сборного
неразрезного ригеля». Улан-Удэ, 2001.
Николаенко
Е.А. Журнал оформления чертежей рабочей площадки к курсовой работе по
дисциплине «Металлические конструкции» для студентов специальности 290300
«Промышленное и гражданское строительство» и направления 550100 «Строительство»
всех видов обучения. Улан-Удэ, 2001.
Мандриков
А.П. Примеры расчёта металлических конструкций. - М. : Стройиздат, 1991 г.