|
Af /Aw
|
0,25
|
0,5
|
1,0
|
2,0
|
|
с1
|
1,19
|
1,12
|
1,07
|
1,04
|
По табл. 2 определяем коэффициент с1 = 1,08.
Равномерно распределенная нагрузка от
собственного веса балки настила длиной 1 м
.
Нормативная нагрузка на балку
настила
.
Расчетная нагрузка
.
Расчетный изгибающий момент
.
Проверяем принятое сечение.
Проверка прочности
Проверка жесткости
где fu = l/183 = 2,73
см при пролете l = 5 м.
Принятое сечение удовлетворяет
условиям прочности и жесткости.
Определяем вес балки настила на 1м2
рабочей площадки
3. Расчет главной балки
Сечение сварной балки двутавровое
симметричное, составленное из трех металлопрокатных листов.
.1 Определение усилий
При частом расположении балок
настила (шаг а1 = 2 м < l/5 = 16/5 = 3,2 м) сосредоточенную
нагрузку, передаваемую на главную балку от балок настила, заменяем равномерно
распределенной нагрузкой, собираемой с соответствующий грузовой площади
(рис.1).
Расчетная схема главной балки
представлена на рис.4.
Рис. 4. Расчетная схема главной балки
Нормативная нагрузка
.
Расчетная нагрузка
где b = 5 м - шаг
главных балок.
Расчетный изгибающий момент в
середине пролета
Нормативный изгибающий момент
Расчетная поперечная сила в опорном
сечении
здесь a = 1,04 - коэффициент, учитывающий собственный
вес главной балки, предварительно принимаемый a = 1,02...1,05.
.2 Компоновка сечения
Рис. 5. Сечение главной балки
Балку рассчитываем в упругой стадии
работы. Из условия прочности требуемый момент сопротивления балки
,
Назначаем высоту сечения балки h, которая
определяется максимально допустимым прогибом балки, связанным с жесткостью
балки, экономическими соображениями и строительной высотой перекрытия Н, т.е.
разностью отметок верха настила и верха габарита помещения под рабочей
площадкой. Минимальная высота из условия жесткости
где fu = l/228 =
1600/228 = 7,02 см при пролете l = 16 м - предельный прогиб главной
балки.
Высота разрезной главной балки
принимается в пределах (1/10…1/13) =(1,6…1,23 м). Предварительно принимаем
высоту балки h = 1,3 м.
Оптимальная высота балки из условия
наименьшего расхода стали
здесь tw - толщина
стенки балки, предварительно определяемая по эмпирической зависимости tw = 7 + 3h/1000 = 7 +
3·1300/1000 = 10,9 мм.
Принимаем tw = 11 мм.
Допускается отклонение оптимальной
высоты балки в меньшую или большую сторону на 10…15%, так как это мало
отражается на весе балки.
Максимально возможная высота балки
hстр = H - (tн + hбн + Δ) = (1400
-1100) - (1 + 27 + 13) = 259 см,
где Δ= fu + (30 …100
мм) = 7,02 + 5,98 = 13 см - размер, учитывающий предельный прогиб балки fu = 7,02 см и
выступающие части, расположенные ниже нижнего пояса балки (толщина стыковых
накладок, болты, элементы связей т.п.).
Сравнивая полученные данные,
окончательно назначаем высоту балки h = 1290 мм.
Приняв толщину поясов tf = 20 мм, стенку выполняем из
листовой горячекатаной стали по ГОСТ 19903-74 высотой hw = 1250 мм и
толщиной tw = 11 мм.
Принятую стенку проверяем на срез из
условия прочности стенки по касательным напряжениям в опорном сечении
tw = kQ max /(hwRsγc) = 1,5·670,92/(125·13,92·1) = 0,58 см
= 5,8 мм
что меньше принятой толщины tw = 11 мм,
здесь k = 1,5 - для
разрезных балок, опирающихся на колонну с помощью опорного ребра, приваренного
к торцу балки. В этом случае считается, что в опорном сечении балки на
касательные напряжения от поперечной силы работает только стенка.
Проверяем необходимость постановки
продольных ребер жесткости. Условная гибкость стенки
следовательно, продольные ребра
жесткости не требуются.
Размеры горизонтальных поясных
листов находим, исходя из необходимой несущей способности балки. Вычисляем
требуемый момент инерции сечения балки.
.
Находим момент инерции стенки балки
.
Момент инерции, приходящийся на
поясные листы
.
Момент инерции поясных листов балки
относительно ее нейтральной оси х-х, пренебрегая моментом инерции поясов
относительно собственной оси 1-1 ввиду его малости, можно расписать
где A f - площадь
сечения одного пояса;
hf = h-tf = 129-2 =
127 см - расстояние между центрами тяжести поясов.
Находим требуемую площадь пояса
.
Ширина пояса
Ширина пояса должна отвечать
следующим требованиям:
при h = 129 см;
По сортаменту принимаем пояса из
универсальной стали 340´20 мм, для
которых ширина bf находится в рекомендуемых пределах.
Толщину поясов tf увязывают с толщиной стенки tw и принимают
ее в пределах tf £ 3 tw, так как в
поясных швах при приваривании толстых поясных листов к тонкой стенке
развиваются значительные усадочные растягивающие напряжения:
Проверяем местную устойчивость
сжатого пояса, для чего отношение свеса пояса
= (340-11)/2 = 164,5 мм к его
толщине tf должно быть
не более предельного, определяемого по СНиП [1],
Условие выполняется.
.3 Проверка прочность принятого
сечения балки
По назначенным размерам вычисляем
фактические геометрические характеристики сечения:
момент инерции
момент сопротивления
статический момент половины сечения относительно
нейтральной оси
площадь сечения
По найденной площади A и плотности
стального проката ρ = 7850 кг/м3 определяем вес 1 пог.
м балки
где k = 1,1 -
конструктивный коэффициент, учитывающий увеличение веса балки за счет ребер
жесткости, накладок и т.п.
Уточняем расчетные значения
изгибающего момента M и поперечной силы Q с учетом
собственного веса главной балки, для этого определяем:
нормативную нагрузку
– расчетную нагрузку
–
расчетный изгибающий момент
нормативный изгибающий момент
поперечную силу
Проверка прочности балки по
нормальным напряжениям
Недонапряжение в балке составляет
что допустимо в составном сечении
согласно СНиП [1].
Проверка прочности на срез по
касательным напряжениям
Прочность балки обеспечена.
.4 Проверка общей устойчивости балки
Общая устойчивость балки считается обеспеченной
при передаче нагрузки через сплошной жесткий настил, непрерывно опирающийся на
сжатый пояс балки и надежно с ним связанный, а также, если соблюдается условие:
отношение расчетной длины балки lef
к ширине сжатого пояса bf
не превышает критическое, определяемое по формуле
где lef = 2 м -
расстояние между точками закрепления сжатого пояса от поперечных смещений,
равное шагу балок настила a1.
В середине пролета балки
Устойчивость балки обеспечена.
3.5 Проверка местной устойчивости
элементов балки
.5.1 Проверка местной устойчивости
сжатого пояса не требуется, так как она была обеспечена надлежащим выбором отношения
свеса пояса к толщине (см.п.3.2).
.5.2 Проверка местной устойчивости
стенки балки
Стенку балки следует укреплять
поперечными ребрами жесткости, если значение условной гибкости
превышает 3,2 при отсутствии местной
нагрузки на пояс.
Определяем условную гибкость стенки
,
следовательно, поперечные ребра
жесткости необходимы (рис.6). Расстояние между основными поперечными ребрами a не должно
превышать 2hw при `lw > 3,2.
Расстояние между ребрами назначаем
, что
увязывается с шагом балок настила
Рис. 6. Схема балки, укрепленная
поперечными ребрами жесткости
Ширина выступающей части парного
ребра
принимаем 90мм.
Толщина ребра
Принимаем ребро жесткости из
полосовой стали 90´7 мм. Ребра
жесткости привариваются к стенке непрерывными угловыми швами минимальной
толщины. Торцы ребер должны иметь скосы с размерами 40´40 мм для
снижения концентрации сварочных напряжений в зоне пересечения сварных швов и
пропуска поясных швов балки.
Требуется проверка стенки на
местную устойчивость.
Расчет на устойчивость стенки балки
симметричного сечения, укрепленного только поперечными основными ребрами
жесткости, при отсутствии местного напряжения смятия
и условной гибкости
стенки
выполняется
по формуле
где σ, t - действующие нормальные,
касательные напряжения в месте соединения стенки с поясом от средних значений M, Q в пределах
отсека; если длина отсека больше его расчетной высоты a>hw, то M и Q
определяется для наиболее напряженного участка отсека с длиной, равной высоте
отсека hw;
σсr , τсr -
критические напряжения, определяемые по СНиП [1].
Проверку местной устойчивости стенки
производят в наиболее нагруженных отсеках: первом от опоры; среднем.
Проверяем местную устойчивость
стенке в среднем отсеке (рис.7).
Так как а = 2 м > hw = 1,25 м,
определяем Mср и Qср по
середине условного отсека шириной, равной половине высоты стенки hw, для чего
вычисляем величины моментов и поперечных сил на границах расчетного участка (х1
= 6,75 м; х2 =8 м):
Краевое напряжение сжатия в стенке
Среднее касательное напряжение в
отсеке
Локальное напряжение
Критическое нормальное напряжение
где cсr - коэффициент, определяемый
по табл.5 в зависимости от значения коэффициента
который учитывает степень упругого
защемления стенки в поясах;
β = ∞ - при непрерывном
опирании плит;
b
= 0,8 - в прочих случаях.
Таблица 5. Значение коэффициента ссr
|
d
|
£ 0,8
|
1,0
|
2,0
|
4,0
|
6,0
|
10,0
|
³30
|
|
ссr
|
30,0
|
31,5
|
33,3
|
34,6
|
34,8
|
35,1
|
35,5
|
Коэффициент cсr
= 32,06 (определен линейной интерполяцией).
Критическое касательное напряжение
определяется по формуле
где
здесь d - меньшая
из сторон отсека
следовательно,
- отношение большей стороны отсека
к меньшей.
Проверка местной устойчивости стенки
.
Устойчивость стенки в середине балки
обеспечена.
Рис. 7. К проверке местной
устойчивости стенки в среднем отсеке
3.6 Проверка жесткости главной балки
При равномерно распределенной
нагрузке на балку
.7 Расчет соединения пояса со
стенкой
Поясные соединения обеспечивают
совместную работу поясов и стенки, предотвращая при изгибе балки сдвиг поясов
относительно стенки, и при наличии местной нагрузки, действующей на пояса в
местах, где нет поперечных ребер жесткости, передают ее на стенку.
Соединение выполняется
автоматической сваркой угловыми непрерывными швами одинаковой толщины по всей
длине балки.
Сравниваем
Поясные швы при
рассчитываются
по металлу границы сплавления по формуле
где
-усилие на единицу длины шва (1 см)
от поперечной силы Qmax на опоре, сдвигающее пояс
относительно стенки;
Sf -
статический момент пояса относительно нейтральной оси;
- давление от сосредоточенного
груза F на единицу
длины шва (см.п.7.6.3);
- при расчете по металлу шва;
βz = 1,15 -
при расчете по металлу границы сплавления;
и
- коэффициенты условий работы шва,
равные 1 во всех случаях, кроме конструкций, возводимых в климатических районах
I1, I2, II2 и II3, для
которых
для металла
шва с нормативным сопротивлением
- расчетное сопротивление сварного
соединения при расчете по металлу шва, принимаемое по [1,табл. 56*] в
зависимости от марки сварочной проволоки, которую выбирают по [1,табл. 55*] для
автоматической сварки стали принятого класса;
- расчетное сопротивление сварного
соединения при расчете по границе сплавления;
- нормативное сопротивление
основного металла, принимаемое по [1,табл.51*].
При отсутствии сосредоточенной силы F
второй член
под знаком радикала не учитывается.
Определяем требуемый катет сварного
шва
Согласно [1,табл.38*] при толщине
более толстого из свариваемых элементов tf = 20 мм конструктивно
принимаем минимальный катет шва для автоматической сварки
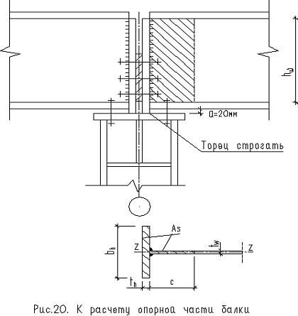
.8 Конструирование и расчет опорной
части главной балки
Передача нагрузки от главной балки,
установленной сверху на колонну, осуществляется через торцевое опорное ребро.
Торец ребра рассчитывается на смятие, для чего он острагивается. Выступающая
часть а не должна быть больше 1,5th (рис.8) и обычно принимается
15…20 мм.
Рис. 8. К расчету опорной части
балки
Опорная реакция
Определяем площадь смятия торца
ребра
где
- расчетное сопротивление торцевой
поверхности (при наличии пригонки), принимается по [1,табл.52*], здесь Run = 370 Мпа
для класса стали С255 и gm = 1,1.
Принимая ширину ребра, равной ширине
пояса балки у опоры
определяем
толщину ребра
По конструктивным соображениям рекомендуется
толщину опорного ребра принимать
и
.
Принимаем опорное ребро из листа 340´16 мм с
площадью Ah = 54,4 см2.
Местная устойчивость ребра
проверяется по формуле
Ребро устойчиво.
Опорная часть главной балки из своей
плоскости (относительно оси z-z)
проверяется на устойчивость как условная центрально-сжатая стойка с расчетной
длиной
. Расчетное
сечение включает в себя площадь опорного ребра Ah и площадь
устойчивого участка стенки, примыкающего к ребру, шириной
Определяем площадь стойки
Момент инерции
Радиус инерции
Гибкость
Условие устойчивости
центрально-сжатой стойки
где φ = 0,936 -
коэффициент продольного изгиба определяется по [11,табл.72] в зависимости от Ry для
принятого класса стали и гибкости (вычислен линейной интерполяцией). Опорная
часть балки устойчива.
Прикрепление опорного ребра стенке балки
осуществляем полуавтоматической сваркой проволокой Св-08А по ГОСТ 2246-70* для
сварки стали класса С255 [см.1, табл. 55, 56 и 34]:

Сравниваем
следовательно, рассчитываем сварные
швы по металлу шва.
Условие прочности сварных угловых
швов, работающих на срез,
, откуда определяем катет шва
Принимаем шов kf = 6 мм, что
больше kf,min = 5 мм по
[1,табл.38*].
Проверяем длину расчетной части шва

Главные балки скрепляются на опоре
между собой через прокладку толщиной, равной конструктивному зазору, и с
колонной монтажными болтами диаметром 16…20 мм, фиксирующими проектное
положение балок. Болты взаимного сопряжения балок размещаются в нижней зоне,
что позволяет считать его шарнирным, так как допускается некоторый поворот
опорного сечения балок за счет податливости болтового соединения (рис.8).
.9 Проектирование монтажного стыка
главной балки
Из условия перевозки (ограничение
массы и габаритов) балка расчленяется на одинаковые отправочные элементы (марки).
В разрезной балке монтажный стык выполняется в одном сечении (универсальный
стык) и чаще располагается в середине пролета, где Mmax и
соответственно максимальные нормальные напряжения σ близки к
расчетному сопротивлению основного металла Ry (рис.9).
3.9.1 Монтажный стык на сварке
Рис. 9. Монтажный стык главной балки
на сварке
Стык элементов балки осуществляется
стыковыми швами.
Расчетные сопротивления сварных
соединений для любого вида сварки принимаются: при сжатии соединения независимо
от методов контроля качества швов Rwy = Ry; при
растяжении и изгибе с физическим контролем качества швов - Rwy = Ry,
непроверенного физическими методами контроля Rwy = 0,85Ry.
На монтаже физические способы
контроля затруднены, поэтому расчет растянутого стыкового соединения
производится по его пониженному расчетному сопротивлению. Сжатый верхний пояс и
стенка соединяются прямым швом, растянутый пояс - косым швом для увеличения
длины шва, так как действительное напряжение в поясе σ превышает Rwy. Для
обеспечения равнопрочности сварного стыка и основного сечения нижнего пояса
достаточен скос с наклоном реза 2:1.
Для обеспечения качественного
соединения при ручной сварке, сваривая элементы толщиной более 8…10 мм,
производится V-образная
разделка кромок, начало и конец шва выводятся на специальные технологические
планки.
Для уменьшения сварочных напряжений
соблюдается определенный порядок сварки (на рис.21 показанный цифрами): сначала
свариваются поперечные стыковые швы стенки и поясов, имеющие наибольшую усадку,
последними завариваются угловыми швами, имеющими небольшую продольную усадку,
участки длиной по 500 мм, оставленные незаверенными на заводе. Это позволяет
при монтаже совместить торцы свариваемых элементов отправочных марок, имеющих
отклонение в размерах в пределах технологических допусков, и дает возможность
поясным листам несколько вытянуться при усадке поперечных швов. Для ручной
сварки монтажных стыков применяются электроды с индексом А (Э42А),
обеспечивающих повышенную пластичность наплавленного металла.
.9.2 Монтажный стык на высокопрочных
болтах
Монтажные стыки на высокопрочных
болтах выполняются с накладками (по три на каждом поясе и по две на стенке
рис.10).
Усилие с одного элемента на другой
передается за счет сил трения, возникающих между соприкасающимися плоскостями,
стянутыми высокопрочными болтами. Площади сечения накладок должны быть не
меньше площади сечения перекрываемого ими элемента. Рекомендуемые к применению
в конструкциях средней мощности высокопрочные болты и их площади сечения
приведены в табл.9. Принимаем болты db = 16 мм.
Диаметр отверстия d под болт
делается на 2…3 мм больше db. Назначаем отверстие d = 18 мм.
Минимальное расстояние между центрами болтов (шаг болтов) аmin в расчетных
соединениях определяется условиями прочности основного металла, принимается в
любом направлении равным amin = 2,5d = 2,5·18 =
45 мм.
Таблица 9. Площади сечения болтов
|
db, мм
|
16
|
20
|
24
|
30
|
|
Ab, см2
|
2,01
|
3,14
|
4,52
|
7,06
|
|
Abn,см2 1,572,453,525,60
|
|
|
|
|
Принимаем а = 50 мм.
Рис. 1. Монтажный стык главной балки на
высокопрочных болтах
Максимальное расстояние между болтами
определяется устойчивостью сжатых частей элементов в промежутках между болтами
(в крайних рядах при отсутствии окаймляющих уголкоamax
≤
12t, где t
- толщина наиболее тонкого наружного элемента), и условием плотности соединения
Минимальное расстояние от центра
болта до края элемента для высокопрочных болтов в любом направлении усилия
Принимаем с = 40 мм.
Ширина верхней накладки пояса bnf принимается
равной ширине пояса
bf = 340 мм;
ширина каждой нижней накладки пояса
Толщина каждой накладки пояса
определяется
Длина горизонтальных накладок
определяется конструктивно из условия размещения болтов
где n -
количество рядов болтов на накладке за минусом 1.
Принимаем верхнюю накладку из листа
560´340´13 мм
площадью сечения
Аnf = 44,2 см2;
и две нижних из листа 560´140´13 мм с
площадью сечения
Суммарная площадь накладок
Горизонтальные болты располагаем в 4
ряда на одной полунакладке.
Две вертикальные накладки,
перекрывающие стенку балки, по длине (высоте) выполняются с учетом расстояния
между краем накладки и поясом, которое включает в себя толщину горизонтальных
поясных накладок tnf и конструктивный зазор D = 6…15 мм
Толщина одной вертикальной накладки tnw принимаем
равной толщине стенки tw за вычетом 2 мм.
Максимальное расстояние между
крайними горизонтальными рядами болтов с учетом с = 30 мм
Стык осуществляем высокопрочными
болтами db = 16 мм из
стали 40Х «селект», имеющей наименьшее временное сопротивление
.
Способ регулирования натяжения
высокопрочных болтов принимаем по M (моменту
закручивания). Расчетное усилие Qbh, которое может быть
воспринято каждой поверхностью трения соединяемых элементов, стянутых одним
высокопрочным болтом, определяется по формуле
где
- расчетное сопротивление
растяжению высокопрочного болта;
- площадь сечения нетто болта db = 16 мм,
принимаемая по табл.9;
- коэффициент трения, принимаемый в
зависимости от обработки поверхности по [1,табл.36*]: при обработке (очистке)
стальными щетками двух соединяемых поверхностей без консервации с
использованием регулирования натяжения болтов по М коэффициент трения
принимается
при
обработке поверхностей газопламенным способом - m = 0,42 (принят газопламенный
способ обработки поверхностей);
- коэффициент надежности,
принимаемый при статической нагрузке и разности номинальных диаметров отверстий
и болтов
с
использованием регулирования натяжения болтов по М при газопламенном способе
обработки поверхностей;
- при обработке стальными щетками;
gb -
коэффициент условий работы соединения, зависящий от количества болтов n,
необходимых для восприятия расчетного усилия, и принимаемый равным:
,8 при n < 5; 0,9
при 5 £ n < 10; 1,0
при n ³ 10.
Определяем
Расчёт стыков поясов и стенки
производим раздельно. Приравнивая кривизну балки в целом
, где r - радиус кривизны, кривизне
ее составляющих: стенки Mw /(EIw) и поясов Mf /(EIf), находим
изгибающие моменты в стенке Mw и поясах Mf, которые
распределяются пропорционально их жесткостям, соответственно EIw и ЕIf. Момент
инерции стенки
момент
инерции поясов
Изгибающий момент в стенке
Изгибающий момент в поясах
Расчет стыка пояса. Расчетное усилие
в поясе определяется по формуле
Исходя из условия равнопрочности соединения и
пояса, усилие, которое может быть воспринято поясом при условии полного
использования его несущей способности, определяется
Количество болтов n на каждую
сторону от центра стыка балки для прикрепления накладок пояса определяем по
формуле
где ks = 2 -
количество поверхностей трения соединяемых элементов.
Из условия равнопрочности
Принимаем 18 болтов и размещаем их
согласно рис.22.
Расчет стыка стенки. Расчетный
момент, приходящийся на стенку, уравновешивается суммой внутренних пар усилий,
действующих на болты. Максимальное горизонтальное усилие Nmax от
изгибающего момента, действующее на каждый крайний наиболее напряженный болт,
не должно быть больше несущей способности Qbh.
Условие прочности соединения
где ai -
соответствующие расстояния между парами сил, возникающих в болтах (рис.22);
m - число
вертикальных рядов болтов на полунакладке.
Для определения числа рядов болтов
по вертикали k и назначения их шага а вычисляем коэффициент стыка
Находим число рядов при a
= 2,09 по табл.10.
Таблица 10. Коэффициенты стыка стенки балок a
|
Число
рядов по вертикали k
|
6
|
7
|
8
|
9
|
10
|
11
|
12
|
13
|
14
|
15
|
|
a
|
1,4
|
1,55
|
1,71
|
1,87
|
2,04
|
2,20
|
2,36
|
2,52
|
2,69
|
2,86
|
Принимаем k
= 11 и a
= 2,20 > 2,09.
Определяем шаг болтов по вертикали
Шаг a округляется
до 5 мм и он должен укладываться целое число раз в расстоянии между крайними
рядами болтов amax.
Окончательно принимаем 11 рядов болтов по высоте с шагом а = 115 мм.
Проверяем стык стенки
Условие выполняется.
При наличии в месте стыка поперечной
силы Q стык стенки
рассчитывается на совместное действие поперечной силы Q и части
изгибающего момента, воспринимаемого стенкой Mw. Наиболее
напряженный крайний болт рассчитывается на равнодействующую усилий по формуле
где
V = Q/n -
вертикальная составляющая усилия, действующая на одни болт в предположении, что
поперечная сила Q условно полностью передается на
стенку и принимается распределенной равномерно на все болты n,
расположенные на полунакладке с одной стороны стыка.
Проверяем ослабление элементов
отверстиями под болты d = 18 мм. Расчет на прочность
соединяемых элементов, ослабленных отверстиями под высокопрочные болты, следует
выполнять с учетом того, что половина усилия, приходящаяся на каждый болт, в
рассматриваемом сечении уже передана силами трения.
Проверка ослабленных сечений
производится при статических нагрузках по площади сечения брутто А при площади
сечения нетто An ³ 0,85A или по
условной площади Ac = 1,18An при An < 0,85A.
Пояс ослаблен по краю стыка двумя отверстиями
сечением Adf = 2dtf
= 2· 1,8·2 = 7,2см2.
Площадь сечения нетто пояса Anf
определится
Ослабление пояса не учитывается.
Проверяем ослабление накладок в середине стыка
четырьмя отверстиями (n
= 4) при количестве накладок в одном сечении по вертикали nn
= 2 сечением I = nnndtnf
= 4·2·1,8·1,3 = 18,7 см2.
Площадь сечения нетто накладок
Проверяем накладки на прочность с
условной площадью
В случае невыполнения условия
прочности необходимо увеличить толщину накладок tnf.
балка железобетонный настил стенка
4. Расчет колонн
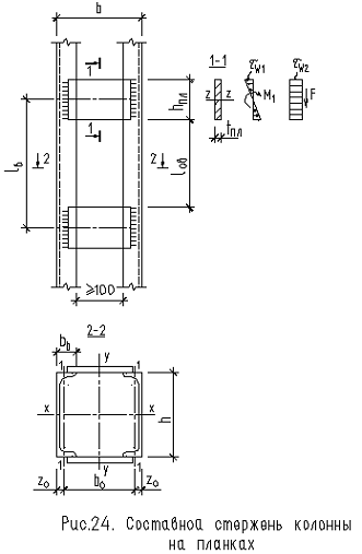
Принимаем сквозную колонну на планках. Стержень
сквозной колонны состоит из двух ветвей (прокатных швеллеров), связанных между
собой соединительной решеткой в виде планок, которая обеспечиваюет совместную
работу ветвей.
Расчетная схема колонны представлена на рис.11.
Продольная сила N, сжимающая
колонну, равна двум реакциям (поперечным силам) от главных балок, опирающихся
на колонну
Рис. 11. Расчетная схема колонны
Расчетная длина колонны lef принимается с учетом
способов закрепления колонны в фундаменте и сопряжения ее с главной балкой. При
опирании балки на колонну сверху колонна рассматривается как шарнирно
закрепленная в верхнем конце. Закрепление колонны в фундаменте может быть
принято шарнирным или жестким, при этом конструкция проектируемой базы должна
отвечать принятому в расчетной схеме способу сопряжения.
При шарнирном закреплении колонны в фундаменте
расчетная длина колонны принимается l;
при жестком - 0,7l, где l
- геометрическая длина колонны от фундамента до низа главной балки, равная
отметки настила рабочей площадки за вычетом фактической строительной высоты
перекрытия, состоящей из высоты главной балки на опоре ho,
при наличии вспомогательных балок ее высоты hбв,
высоты балок настила hбн
и толщины настила tн, плюс
заглубление базы колонны ниже отметки чистого пола, принимаемое 0,6…0,8 м,
Принимаем жесткое сопряжение колонны с
фундаментом. Расчетные длины колонны в плоскостях, перпендикулярных осям х-х и
у-у,
.1 Подбор сечения сквозной колонны
Принято сечение из двух швеллеров, соединенных
планками (рис.12).
.1.1 Расчет колонны на устойчивость относительно
материальной оси x-x
Определяем требуемую площадь сечения по формуле
где j = 0,76 - коэффициент продольного изгиба,
принимаемый по принятой гибкости l
= 70 [1,табл.72].
Рис. 12. Составной стержень колонны на планках
Рекомендуется гибкостью предварительно задаться:
для средних по длине колонн 5…7 м с расчетной нагрузкой до 2500 кН принимается
гибкость l = 90…50; для более мощных колонн с нагрузкой
2500…3000 кН - l = 50…30. Для более высоких колонн
необходимо задаваться гибкостью несколько большей.
Предельная гибкость колонн
где
- коэффициент, учитывающий
недонапряжение колонны и принимаемый не менее 0,5.
Требуемая площадь одной ветви
Требуемый радиус инерции
относительно оси x-x
По требуемым площади Ab и радиусу
инерции Ix принимаем
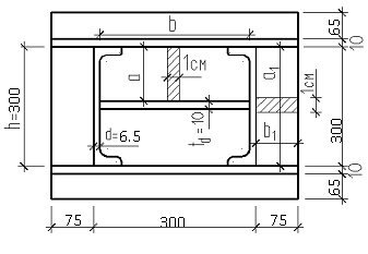
сечение по сортаменту (ГОСТ 8240-93) из двух швеллеров №30, имеющих следующие
характеристики:
Ab = 40,5 см2;
A = 2Ab = 40,5×2
= 81 см2;
Ix = 12 см;
I1 = 2,84 см;
Ix = 5810 см4;
I1 = 327 см4;
линейная плотность (масса 1пог.м) равна 31,8 кг/м; толщина стенки d = 6,5 мм,
ширина полки bb = 100 мм,
привязка к центру тяжести z0 = 2,52 см.
Проверяем устойчивость колонны
относительно материальной оси, для чего определяем
и по λx -
где gс = 1 - коэффициент условий работы по
[1,табл.6].
Условие выполняется.
.1.2 Расчет колонны на устойчивость
относительно свободной оси y-y
Подбор сечения колонн относительно
оси y-y
производится из условия ее равноустойчивости (равенства гибкости λx
относительно x-x и
приведенной гибкости λef
относительно оси y-y), которое
достигается за счет изменения расстояния между ветвями bo.
Приведенная гибкость lef
определяется по [1,табл.7] в зависимости от типа решетки и учитывает ее
деформативность:
для колонны с планками
при
и
при
где
- теоретическая гибкость стержня
колонны относительно оси y-y;
- гибкость ветви колонны
относительно оси 1-1;
- момент инерции сечения одной
планки относительно
собственной оси z-z;
I1 - момент
инерции ветви относительно оси 1-1 (по сортаменту);
lb -
расстояние между планками по центрам тяжести;
lob- расстояние
между планками в свету;
bo- расстояние
между центрами тяжести ветвей колонны;
- отношение погонных жесткостей
ветви и планки;
A - площадь
сечения всего стержня колонны;
Приравнивая
находим
требуемое значение гибкости относительно свободной оси
где l1 = 33 - предварительно принятая гибкость ветви
(рекомендуется задаваться l1
= 30…40).
Принятая гибкость должна быть
обеспечена при последующем конструировании колонны путем назначения
соответствующего расстояния между планками
По λy находим
радиус инерции
Воспользовавшись приближенными
значениями радиусов инерции по табл.11, определяем ширину сечения
Принимаем b = 300 мм и
определяем расстояние между ветвями
Проверяем расстояние в свету между
полками швеллеров
Расстояние между ветвями увеличивать
не требуется.
Проверка колонны на устойчивость
относительно оси у-у.
До проверки устойчивости колонны
нужно скомпоновать сечение стержня, установить расстояние между планками,
запроектировать планки, определить их размеры. Расчетная длина ветви
Принимаем расстояние в свету между
планками bob = 100 см.
Длина планки bпл
принимается равной расстоянию в свету между ветвями плюс напуск на ветви по
20…30 мм
Высоту планок hпл обычно
устанавливают в пределах (0,5…0,75)b =150…225
мм, где b = 300 мм -
ширина колонны. Принимаем hпл = 180 мм.
Толщина планок принимается tnл = 6…12 мм
и по условиям местной устойчивости она должна быть
.
Окончательно принимаем планку из
листа 160´180´8 мм.
Момент инерции стержня относительно
оси у-у
Радиус инерции
Гибкость стержня колонны
Для вычисления приведенной гибкости λef
относительно свободной оси проверяется отношение погонных жесткостей планки и
ветви
где
Приведенная гибкость
По [1,табл.72] в зависимости от lef находим
коэффициент продольного изгиба j
= 0,706.
Производим проверку
Устойчивость обеспечена.
Недонапряжение составило
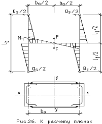
4.1.3 Расчет планок
Рис. 13 К расчету планок
Расчет соединительных планок сжатых
составных стержней выполняется на условную поперечную силу Qfic,
принимаемую постоянной по всей длине стержня колонны и определяемую по формуле
где j = 0,706 - коэффициент продольного изгиба,
принимаемый для составного стержня в плоскости соединительных элементов.
Поперечная сила, приходящаяся на
планку одной грани (рис.13)
Сдвигающая сила в месте прикрепления
планки к ветви колонны
Момент, изгибающий планку в ее
плоскости,
Приварку планок толщиной tпл = 8 мм к
полкам швеллеров производим полуавтоматической сваркой, принимая катет сварного
шва kf = 8 мм.
Учитывая, что несущая способность
планки больше, чем несущая способность сварного шва с катетом kf ≤ tпл,
достаточно проверить прочность сварного шва. Расчет производится на
равнодействующую напряжений в шве от изгибающего момента M1 и
поперечной силы F (рис.13).
Так как для полуавтоматической
сварки
прочность шва проверяем по металлу
шва.
Напряжение от изгиба
Напряжение от поперечной силы
где
- момент сопротивления расчетного
сечения шва, здесь
- расчетная
длина шва.
Проверяем прочность шва
Прочность обеспечена.
Отправочные элементы сквозных колонн
с решетками в двух плоскостях следует укреплять диафрагмами, располагаемыми у
концов отправочного элемента. В сквозных колоннах с соединительной решеткой в
одной плоскости диафрагмы следует располагать не реже, чем через 4 м. Толщина
диафрагмы принимается 8…14 мм (рис.14).
Рис. 14. Диафрагма жесткости
.2 Конструирование и расчет оголовка
колонны
Главная балка опирается на колонну
сверху, сопряжение принимается шарнирным, передающим только вертикальную
нагрузку. Продольная сжимающая сила N передается
на опорную строганую плиту толщиной ton = 16...25
мм, устанавливаемую на фрезерованный торец стержня колонны.
Сварные швы, прикрепляющие плиту к
колонне, назначаются конструктивно с минимальным размерам катета по наибольшей
толщине стыкуемых элементов. Размеры плиты в плане принимаются больше контура
колонны на 15…20 мм в каждую сторону для размещения сварных швов.
Передача опорного давления с опорной
плиты производится: в сквозных колоннах через диафрагму, прикрепляемую к
стенкам ветвей колонны; в сплошных колоннах - через вертикальные ребра,
прикрепляемые к стенке колонны сварными швами. Торцы диафрагмы и ребер
строгаются.
Для придания жесткости диафрагме и
вертикальным ребрам, а также для укрепления от потери устойчивости стенок
стержня колонны или ветвей сквозной колонны в местах передачи больших
сосредоточенных нагрузок, они обрамляются снизу горизонтальными ребрами
жесткости. Размеры ребер и швов их крепления принимаются конструктивно.
.2.1 Оголовок сквозной колонны
Оголовок состоит из плиты и
диафрагмы, подкрепленной горизонтальным ребром жесткости (рис.15).
Толщина диафрагмы td
определяется расчетом на смятие от продольной силы N
где
- условная длина распределения
нагрузки, равная ширине опорного ребра главной балки bh плюс две
толщины оголовка колонны (ton принята 25 мм).
Принимаем td = 18 мм.
Рис. 15. Оголовок сквозной колонны
Высота диафрагмы определяется из
условия среза стенок ветвей колонны (d = 6,5 мм -
толщина стенки для принятого швеллера).
Принимаем hd = 40 см.
Проверяем диафрагму на срез как
короткую балку
где Q = N/2 =
1329,92/2 = 664,96.
Условие прочности выполняется.
Определяем катет сварного шва, обеспечивающего прикрепление диафрагмы к стенке
ветвей колонны (расчет по металлу шва)
где
- расчетная длина шва, равная высоте
диафрагмы за вычетом 1 см, учитывающего дефекты в концевых участках шва.
Принимаем катет шва kf = 6 мм, что
отвечает минимальной его величине при полуавтоматической сварке элементов t = 25 мм.
Расчетная длина флангового шва
должна быть не более 85βfkf. Проверяем lw = 39 <
85×0,9×0,6 = 45,9
см, что удовлетворяет условию.
Толщину горизонтального ребра
жесткости принимаем ts = 8 мм, что больше
Ширину bs назначаем
из условия устойчивости ребра
Принимаем bs = 24 см.
.3 Конструирование и расчет базы
колонны
База является опорной частью колонны
и служит для передачи усилий с колонны на фундамент. При сравнительно небольших
расчетных усилиях в колоннах (до 4000…5000 кН) применяются базы с траверсами,
передающими усилие от стержня колонны через сварные швы на плиту, опирающуюся
непосредственно на фундамент. Для более равномерной передачи давления жесткость
плиты при необходимости может быть увеличена постановкой дополнительных ребер и
диафрагм.
База закрепляется с фиксацией их
проектного положения на фундаменте анкерными болтами. В зависимости от
закрепления осуществляется шарнирное или жесткое сопряжение колонны с
фундаментом. В базе с шарнирным сопряжением анкерные болты диаметром 20…30 мм
крепятся непосредственно за опорную плиту, обладающую определенной гибкостью,
обеспечивающей податливость при действии случайных моментов (рис.16). При
жестком сопряжении анкерные болты прикрепляются к стержню колонны через
выносные консоли траверс, имеющих значительную вертикальную жесткость, что
устраняет возможность поворота колонны на фундаменте. При этом болты диаметром
24…36 мм затягиваются с напряжением, близким к расчетному сопротивлению.
Анкерная пластина принимается толщиной 20…40 мм и шириной, равной четырем
диаметрам отверстий под болты (рис.17).
Конструкция базы должна отвечать
принятому в расчетной схеме колонны способу сопряжения ее с фундаментом.
Принята к расчету и конструированию база с жестким закреплением на фундаменте.
.3.1 Определение размеров опорной
плиты в плане
Определяем расчетное усилие в
колонне на уровне базы с учетом собственного веса колонны
где k = 1,2 -
конструктивный коэффициент, учитывающий вес решетки, элементов базы и оголовка
колонны. Давление под плитой принимается равномерно распределенным. В
центрально-сжатой колонке размеры плиты в плане определяются из условия прочности
фундамента
где y - коэффициент, зависящий от характера
распределения местной нагрузки по площади смятия (при равномерно распределенной
нагрузке y =1);
Рис. 16. Шарнирное сопряжение
Рис. 17. Жесткое сопряжение базы с фундаментом
базы с фундаментом
Rb,loc
- расчетное сопротивление бетона смятию, определяемое по формуле
где a = 1 - для бетона класса ниже B25;
Rb = 6 МПа для
класса бетона B10 -
расчетное сопротивление бетона сжатию, соответствующее его классу и принимаемое
по табл.12;
jb - коэффициент, учитывающий
повышение прочности бетона сжатию в стесненных условиях под опорной плитой и
определяемый по формуле
где Af - площадь
верхнего обреза фундамента, незначительно превышающая площадь опорной плиты Ap; jb принимается
не больше 2,5 для бетонов классов выше B7,5 и не
больше 1,5 для бетонов класса B7,5 и ниже.
Таблица 12. Расчетное сопротивление
бетона Rb
|
Класс
прочности
|
B5
|
B7,5
|
B10
|
B12,5
|
B15
|
B20
|
B25
|
|
Rb, МПа
|
2,8
|
4,5
|
6,0
|
7,5
|
8,5
|
11,5
|
14,5
|
Предварительно задаемся jb
= 1,2.
Размеры плиты (ширина B
и длина L) назначаются по
требуемой площади Ap,
увязываются с контуром колонны (свесы опорной плиты должны быть не менее 40 мм)
и согласуются с сортаментом.
Назначаем ширину плиты
где h = 30 см -
высота сечения стержня колонны;
tt = 10 мм -
толщина траверсы, принимаемая (8…16 мм);
с = 65 мм - вылет консольной части
плиты, предварительно принимается равным 60…120 мм и уточняется в процессе
расчета толщины плиты.
Требуемая длина плиты
Для центрально-сжатой колонны
опорная плита должна быть близкой к квадрату (рекомендуется принимать
соотношение сторон L/В ≤ 1,2). Принимаем В = L = 450 мм.
Площадь плиты Ap=2025 см2.
Размеры верхнего обреза фундамента устанавливаем на 20 см больше размеров
опорной плиты.
Площадь
Коэффициент
Перерасчет плиты не требуется, так
как она была принята минимальных размеров в плане.
.3.2 Определение толщины опорной
плиты
Толщина опорной плиты определяется
из условия ее прочности на изгиб как пластинки, опертой на торец колонны,
траверс и ребер, от отпора фундамента, равного среднему напряжению под плитой
Толщину плиты не рекомендуется
назначать больше 40 мм. Для расчета плиты выделяются участки пластинки, опертые
по четырем, трем и одной (консольные) сторонам, соответственно обозначенные
цифрами 1, 2, 3 (рис.18).
В каждом участке определяются
максимальные изгибающие моменты, действующие на полосе шириной 1см, от
расчетной равномерно распределенной нагрузки
На участке 1, опертом по четырем
сторонам

где a1 = 0,052 -
коэффициент, учитывающий уменьшение пролетного момента за счет опирания плиты
по четырем сторонам, определяется в зависимости от отношение большей стороны
участки b к меньшей a
по табл.13.
Значения b
и a определяются по
размерам в свету:
b = 30 - 2d
= 30 - 2×0,65=28,7 см; а = 30,0 см;
а/b = 300/287 = 1,05.
Таблица 13. Коэффициент a1
для расчета на изгиб плиты, опертой по четырем сторонам
|
b/a
|
1,0
|
1,1
|
1,2
|
1,3
|
1,4
|
1,5
|
1,6
|
1,7
|
1,8
|
1,9
|
³2,0
|
|
a1
|
0,048
|
0,055
|
0,063
|
0,069
|
0,075
|
0,081
|
0,086
|
0,091
|
0,094
|
0,098
|
0,125
|
На участке 2, опертом по трем сторонам
где b - коэффициент, принимаемый в зависимости от
отношения закрепленной стороны пластинки b1 к
свободной а1 по табл.14.
Таблица 14. Коэффициенты b для расчета на изгиб плиты,
опертой на три канта
|
b1/a1
|
0,5
|
0,6
|
0,7
|
0,8
|
0,9
|
1,0
|
1,2
|
1,4
|
2,0
|
³2
|
|
b
|
0,060
|
0,074
|
0,088
|
0,097
|
0,107
|
0,112
|
0,120
|
0,126
|
0,132
|
0,133
|
Отношение сторон b1/a1
= 75/300 = 0,25; при отношении сторон b1/a1
< 0,5 плита рассчитывается как консоль длиной b1
(рис.19)
На консольном участке 3
При опирании плиты на два канта,
сходящихся под углом, расчет изгибающего момента в запас прочности производится
как для плиты, опертой по трем сторонам, принимая размер a1 по
диагонали между кантами, размер b1 равным расстоянию от вершины угла
до диагонали (рис.20а).
Рис. 19. К расчету толщины плиты
При резком отличии моментов по
величине на различных участках плиты необходимо внести изменения в схему
опирания плиты, чтобы по возможности выровнять значения моментов. Это
осуществляется постановкой диафрагм и ребер. Разделяем плиту на участке 1
диафрагмой толщиной td = 10 мм (рис.19).
Соотношение сторон
b/a = 28,7/14,5
= 1,98 < 2,
где
=0,12
По наибольшему из найденных для
различных участков плиты изгибающих моментов определяем требуемый момент
сопротивления плиты шириной 1 см
откуда
Принимаем лист толщиной 25 мм.
.3.3 Высота траверсы
Высота траверсы определяется из
условия размещения вертикальных швов крепления траверсы к стержню колонны. В
запас прочности предполагается, что все усилие передается на траверсы через
четыре угловых шва (сварные швы, соединяющие стержень колонны непосредственно с
плитой базы, не учитываются).
Катетом шва задаемся в пределах 8…16
мм, но не более 1,2tmin.
Рис. 20. К расчету траверсы и ребра
усиления плиты
Принимаем kf = 10 мм.
Требуемая длина одного шва, выполненного полуавтоматической сваркой
Принимаем высоту траверсы с учетом
добавления 1 см на дефекты в начале и конце шва ht = 24 см.
Проверяется прочность траверсы как однопролетной двухконсольной балки,
опирающейся на ветви (полки) колонны и воспринимающей отпорное давление от
фундамента (рис.20б).
Равномерно распределенная нагрузка
на траверсу
где d = B/2 = 45/2 =
22,5 см - ширина грузовой площади траверсы.
Определяем усилия:
на опоре
в пролете
Момент сопротивления траверсы
Проверяем прочность траверсы:
по нормальным напряжениям от
максимального момента
по касательным напряжениям
по приведенным напряжениям
Все условия выполняются.
Требуемый катет горизонтальных швов
для передачи усилия (Nt = qtL) от одной
траверсы на плиту (рис.18)
где ålw = (L-1)+2(b1-1) =
(45-1)+2(7,5-1)=57 см - суммарная длина горизонтальных швов.
Принимаем kf = 8 мм.
.3.4 Расчет ребер усиления плиты
Для проектируемой базы необходимости
в постановке ребер жесткости на консольном участке опорной плиты нет, поэтому
расчет приводится в качестве примера для других вариантов конструирования базы
колонны.
Консольные ребра и их прикрепление к
стержню колонны рассчитывают- ся на момент Mr и
поперечную силу Qr. Погонная нагрузка на ребро (с
грузовой площади шириной
)
Изгибающий момент
Поперечная сила
Требуемая высота ребра при принятой
толщине tr = 10 мм
Принимаем hr = 10 см.
Условие прочности по срезу
Сварные швы, прикрепляющие ребро к
траверсе (стержню) колонны, проверяем на равнодействующую касательных
напряжений от изгиба и среза.
Назначаем катет шва kf = 9 мм.
Проверяем прочность на срез по
металлу шва, выполненного полуавтоматической сваркой (расчетная длина шва
)
Проверяем прочность швов по границе
сплавления
Требуемый катет сварных швов
крепления ребер к опорной плите
Принимаем катет шва kf = 6 мм.
Крепление стержня колонны к опорной
плите осуществляем конструктивным швом с катетом 7 мм (при сварке листов tmax = tp = 24 мм).