Разработка полосового фильтра
Федеральное
государственное бюджетное образовательное учреждение высшего профессионального
образования
Вятский
государственный университет
Факультет
прикладной математики и телекоммуникаций
Кафедра
радиоэлектронных средств
Курсовая
работа
по дисциплине
«Основы схемотехники»
Разработка
полосового фильтра
Киров - 2014
РЕФЕРАТ
ФИО. Разработка полосового фильтра: ТПЖА
431000.017 ПЗ: курс. работа / ВятГУ, каф. РЭС; рук. Е.В. Медведева. - Киров,
2014. ПЗ 17 с., 10 рис., 5 источников, 5 прил., 2 табл.
Полосовой фильтр, операционный усилитель (ОУ),
оконечный каскад, обратная связь (ОС), коэффициент усиления, крутизна спада,
амплитудно-частотная характеристика (АЧХ), полоса пропускания, коэффициент
гармоник
Объект разработки - полосовой фильтр.
Цель работы - разработка и расчет принципиальной
схемы полосового фильтра. Исследование полученной схемы с использованием пакета
программ MicroCap v.9.
Расчет полосового фильтра выполнен с
использованием табличного метода.
Научная новизна отсутствует.
В результате проделанной работы был разработан
полосовой фильтр, обеспечивающий заданные параметры. Расчеты были подтверждены
моделированием в пакете прикладных программ MicroCap v.9.
Содержание
Введение
1.
Обзор и анализ научно-технической информации
.1
Общая характеристика активного полосового фильтра
.2
Основные требования, предъявляемые к активным фильтрам, и выбор активного
фильтра
.3
Реализация активного полосового фильтра
.
Анализ технического задания и синтез схемы устройства
.
Расчет активного полосового фильтра
.1
Расчет и выбор элементов схемы
.2
Выбор операционного усилителя
.3
Моделирование схемы в пакете MicroCAP
v.9
Заключение
Приложение
А (обязательное) Схема структурная ТПЖА. 431-01 СС 01
Приложение
Б (обязательное) Схема электрическая принципиальная ТПЖА. 431-01 ЭС 01
Приложение
В (обязательное) Характеристики устройства ТПЖА 431-01 ПЭ0
Введение
Фильтрация - преобразование сигналов с целью
изменения соотношения между их различными частотными составляющими. Фильтры
обеспечивают выделение полезной информации из смеси информационного сигнала с
помехой с требуемыми показателями. Основная задача выбора типа фильтра и его
расчета заключается в получении таких параметров, которые обеспечивают
максимальную вероятность обнаружения информационного сигнала на фоне помех.
Частотно-избирательная цепь, выполняющая обработку смеси сигнала и шума
некоторым наилучшим образом, называется оптимальным фильтром. Критерием
оптимальности принято считать обеспечение максимума отношения сигнал-шум. Это
требование приводит к выбору такой формы частотного коэффициента передачи
фильтра, которая обеспечивает максимум отношения сигнал-шум на его выходе. В
задачах линейной фильтрации предполагается, что наблюдаемый реальный процесс
представляет собой аддитивную смесь сигнала и помехи.
В большинстве случаев электрический фильтр
представляет собой частотно-избирательное устройство. Следовательно, он
пропускает сигналы определенных частот и задерживает или ослабляет сигналы
других частот.
Наиболее общими типами частотно-избирательных
фильтров являются фильтры нижних частот (пропускают низкие частоты и
задерживают высокие частоты), фильтры верхних частот (пропускают высокие
частоты и задерживают низкие частоты), полосовые фильтры (пропускают полосу
частот и задерживают те частоты, которые расположены выше и ниже этой полосы) и
режекторные фильтры (задерживают полосу частот и пропускают частоты,
расположенные выше и ниже этой полосы).
Диапазоны или полосы частот, в которых сигналы
проходят, называются полосами пропускания и в них значение амплитудно-частотной
характеристики относительно велико, а в идеальном случае постоянно. Диапазоны
частот, в которых сигналы подавляются, образуют полосы задерживания и в них
значение амплитудно-частотной характеристики относительно мало, а в идеальном
случае равно нулю. Частота wc,
разделяющая эти две полосы, называется частотой среза амплитудно - частотной
характеристики.
. Обзор и анализ научно-технической
информации
.1 Общая характеристика активного полосового
фильтра
В данной курсовой работе необходимо разработать
активный полосовой фильтр.
Полосовой фильтр представляет собой устройство,
которое пропускает сигналы в диапазоне частот с шириной полосы F,
расположенной приблизительно вокруг центральной частоты fo
(Гц) или wo
= 2πfo
(рад/с). На рисунке 1.1 изображены идеальная и реальная амплитудно-частотные
характеристики. В реальной характеристике частоты wL
и wU
представляют собой нижнюю и верхнюю частоты среза и определяют полосу
пропускания wL≤w≤wU
и ее ширину F = wU
-
wL
Рисунок 1.1 - Идеальная и реальная
амплитудно-частотные характеристики полосового фильтра
В полосе пропускания
амплитудно-частотная характеристика никогда не превышает некоторого
определенного значения, например А1 на рисунке 1.1. Существует также
две полосы задерживания 0≤w≤w1 и w≥w2, где
значение амплитудно-частотной характеристики никогда не превышает заранее
выбранного значения, скажем A2. Диапазоны частот между полосами
задерживания и полосой пропускания, а именно w1<w<wL и wU<w<w2, образуют
соответственно нижнюю и верхнюю переходные области, в которых характеристика
является монотонной.
1.2 Основные требования, предъявляемые к
активным фильтрам, и выбор активного фильтра
Основные требования, предъявляемые к фильтрам
[2]:
- крутизна переходной характеристики;
- способность пропускать сигналы без искажений по
спектрам, лежащим в полосе пропускания;
- максимальная равномерность усиления
в полосе пропускания;
- независимость времени запаздывания
от частоты.
Среди множества рекурсивных фильтров отдельно
выделяют следующие фильтры:
- фильтр Баттерворта (максимально гладкая АЧХ в
полосе пропускания);
- фильтр Чебышева (наиболее крутой
спад АЧХ);
- фильтр Бесселя (максимально гладкая
ФЧХ);
- фильтр Кауэра (пульсации АЧХ в
полосе пропускания и подавления);
- фильтр Гаусса (минимальная
постоянная времени);
- фильтр Лежандра (имеет крутой спад
АЧХ, не имеет пульсаций).
В данной курсовой работе реализуется фильтр
Баттерворта.
.3 Реализация активного полосового фильтра
Одним из самых простых методов построения
активных фильтров является каскадное соединение звеньев. Передаточная
характеристика такого фильтра представляет собой произведение передаточных
характеристик каждого из каскадов, а их взаимодействие дает на выходе
амплитудно-частотную характеристику с заданными параметрами.
Активный фильтр порядка 2n+1
реализуется каскадным соединением n
фильтров второго порядка и одним фильтром первого. Каждое звено можно построить
по схеме с использованием ИНУН (источник напряжения, управляемый напряжением),
по биквадратной схеме или с использованием многопетлевой обратной связи.
Простейший полосовой фильтр можно получить,
применив к фильтру нижних частот первого порядка преобразование частоты.
При этом передаточная функция полосового фильтра
будет иметь второй порядок:
(1)
где ∆Ω - нормированная
полоса пропускания.
Нормированная полоса ∆Ω
= Ωmax-Ωmin
определяется для нормированных частот среза, на которых коэффициент передачи
фильтра уменьшается на 3 дБ. Такой полосовой фильтр имеет геометрически
симметричную частотную характеристику затухания относительно нормированной
средней частоты.
Исходя из свойств данного
преобразования, можно заключить, что коэффициент K0 равен
коэффициенту передачи полосового фильтра на резонансной частоте: K0 = Kr. По
аналогии с колебательным контуром определяется добротность полосового фильтра: Q = 1/ΔΩ.
Таким образом, основные параметры фильтра непосредственно входят в его
передаточную функцию.
(2)
Из этого также следует, что можно использовать
отрицательную обратную связь, представленную в ФНЧ и ФВЧ второго порядка, для
построения полосового фильтра (рисунок 1.2).
Рисунок 1.2 - Полосовой фильтр с отрицательной
обратной связью
, (3)
(4)
(5)
Коэффициент передачи на резонансной частоте Kr,
добротность Q и резонансная
частота fr
рассматриваемого
полосового фильтра могут выбираться произвольно.
Полоса пропускания фильтра ∆F
= 1/πR2C
не зависит от R1
и R3,
а Kr - от R3.
Поэтому можно изменять резонансную частоту fr,
варьируя величину сопротивления R3,
что не приводит к изменению коэффициента передачи Kr
и ширины полосы пропускания фильтра.
С помощью резистора R3
можно добиться высокой добротности фильтра при малом коэффициенте передачи Kr.
Коэффициент передачи фильтра определяется лишь ослаблением входного сигнала
делителем напряжения R1,
R3.
Поэтому коэффициент усиления операционного усилителя при отсутствии нагрузки
должен превышать 2Q2.
Выполнение этого требования особенно важно потому, что оно должно
удовлетворяться и на резонансной частоте. Об этом следует помнить при выборе
операционного усилителя для фильтра, особенно при работе в высокочастотном
диапазоне.
Применение положительной обратной связи для
построения схемы полосового фильтра иллюстрируется на рисунке 1.3. С помощью
делителя напряжения цепи отрицательной обратной связи задается коэффициент
усиления операционного усилителя.
Рисунок 1.3 - Полосовой фильтр с положительной
обратной связью
Передаточная функция фильтра имеет вид:
(6)
Приравнивая коэффициенты этого
выражения к коэффициентам передаточной функции, получим формулы для расчета
параметров фильтра:
ωr = 1/RC, Kr = α(3-α), Q = 1/ (3-α). (7)
Недостаток схемы состоит в том, что Kr и Q не являются
независимыми друг от друга, а достоинством - что ее добротность изменяется в
зависимости от коэффициента усиления α, тогда как резонансная
частота от величины α
не
зависит.
При α = 3
коэффициент передачи Kr становится
бесконечно большим и возникает генерация. Точность установки значения
коэффициента тем критичнее, чем он ближе к 3.
Еще одним распространенным методом
построения полосовых фильтров является каскадное соединение фильтра низких и
фильтра высоких частот заданного порядка. Именно такой вариант и будем
использовать в рамках данного курсового проекта.
2. Анализ технического задания и синтез схемы
устройства
Согласно заданию на курсовую работу необходимо
реализовать полосовой фильтр, крутизна ската амплитудно - частотной
характеристики которого составляет 30 дБ/окт. Активный фильтр первого порядка
обеспечивает скат АЧХ 6 дБ/окт., следовательно, для реализации заданного
фильтра необходим пятый порядок. Схемотехнически это можно представить в виде
последовательно соединенных каскадов - ФНЧ пятого порядка и ФВЧ пятого порядка.
Первый каскад представляет собой фильтр нижних
частот Баттерворта пятого порядка с многопетлевой обратной связью. Второй -
фильтр верхних частот Баттерворта пятого порядка с многопетлевой обратной
связью.
По заданию активный полосовой фильтр должен
обеспечить усиление сигнала KU
= 3. Для его обеспечения задействуем первое звено каскада ФВЧ. Каждое
последующее звено должно иметь коэффициент усиления равный 1.
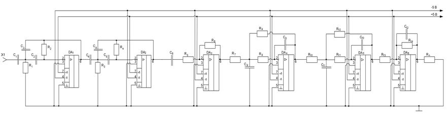
Таким образом, исходная схема разрабатываемого
активного полосового фильтра выглядит следующим образом - рисунок 2.1:
Рисунок 2.1 - Схема активного полосового фильтра
пятого порядка
полосовой фильтр баттерворт
усилитель
3. Расчет активного полосового фильтра
.1 Расчет и выбор элементов схемы
.1.1 Расчет фильтра верхних частот пятого
порядка
· Расчет первого звена - активного фильтра верхних
частот второго порядка.
По заданию на курсовой проект
(
),
коэффициент усиления первого звена
.
Для расчета первого звена воспользуемся таблицей
нормированных значений коэффициентов фильтра Баттерворта: B
= 0,618, C = 1.
Рассчитаем номинальное значение емкости
по
формуле:
(1)
Номинальное значение емкости
рассчитываем
по формуле:
(2)
Значения сопротивлений
рассчитываются
по формулам:
(3)
(4)
;
.
Расчет второго звена - активного фильтра верхних
частот второго порядка.
По заданию на курсовой проект
(
),
коэффициент усиления для второго звена
.
Для расчета второго звена воспользуемся таблицей
нормированных значений коэффициентов фильтра Баттерворта: B
= 1,618, C = 1.
Воспользовавшись формулами 1-4, рассчитаем
значения конденсаторов
, а также номиналы
резисторов
:
;
;
;
.
Расчет третьего звена - активного фильтра
верхних частот первого порядка.
Значение емкости
задается
произвольно. Примем
Сопротивление
рассчитаем
по формуле:
(5)
.
Учитывая, что К = 1,
.
.1.2 Расчет фильтра нижних частот пятого порядка
Расчет первого звена - активного фильтра нижних
частот второго порядка. По заданию
(
).
Для расчета первого звена воспользуемся таблицей нормированных значений
коэффициентов фильтра Баттерворта: B
= 0,6180, C = 1.
Рассчитаем номинальное значение емкости
по
формуле:
(6)
Номинальное значение емкости
рассчитываем
по формуле:
(7)
Значения сопротивлений
рассчитываются
по формулам:
(8)
(9)
(10)
Расчет второго звена - активного фильтра нижних
частот второго порядка.
Для расчета второго звена воспользуемся таблицей
нормированных значений коэффициентов фильтра Баттерворта: B
= 1,618, C = 1.
Воспользовавшись формулами 8-10, рассчитаем
значения конденсаторов
и
,
а также номиналы резисторов
:
Расчет третьего звена - активного фильтра нижних
частот первого порядка.
По заданию
(
),
коэффициент усиления
.
Для расчета звена воспользуемся таблицей
нормированных значений коэффициентов фильтра Баттерворта: C
= 1.
Произвольно выберем номинал емкости
:
возьмем его равным значению емкости конденсаторов
Тогда сопротивление обратной связи фильтра
первого порядка рассчитывается по формуле:
(11)
Воспользовавшись формулой 9 сосчитаем
:
Произведем расчет ЭДС генератора.
; (12)
; (13)
.
Учитывая, что
,
.
Таблица
1
Расчетные и номинальные значения элементов схемы
|
Элементы
|
Расчетное
значение
|
Номинальное
значение
|
|
|
4,22
кОм
|
4,3
кОм
|
|
|
180,87
кОм
|
180
кОм
|
|
|
8,59
кОм
|
8,2
кОм
|
|
|
29,53
кОм
|
30
кОм
|
|
|
15,93
кОм
|
16
кОм
|
|
|
95,98
кОм
|
100
кОм
|
|
|
55,03
кОм
|
56
кОм
|
|
|
39,32
кОм
|
39
кОм
|
|
|
19,72
кОм
|
20
кОм
|
|
|
15,92
кОм
|
16
кОм
|
|
|
3
кОм
|
3
кОм
|
|
|
1,33
нФ
|
1,3
нФ
|
|
|
0,44
нФ
|
0,43
нФ
|
|
|
0,048
нФ
|
0,047
нФ
|
|

|
1
нФ
|
|
|
0,33
нФ
|
0,33
нФ
|
.2 Выбор операционного усилителя
В разрабатываемой схеме активного полосового
фильтра (в соответствии с рисунком 2.1) используется 6 операционных усилителей.
Параметры каждого из них должны удовлетворять заданию к курсовому проекту.
Произведем расчет напряжения питания (VCC
и VEE), а также величины
выходного тока, предъявляемые к параметрам ОУ.
(14)
(15)
Исходя из требуемого значения входного
напряжения, допустимого диапазона температур, частот, а также рассчитанных
напряжения питания и выходного тока выбран операционный усилитель марки LT1052M.
Параметры операционного усилителя LT1052M
приведены в таблице 2.
Таблица
2
Параметры операционного усилителя LT1052M
|
Электрические
параметры
|
|
Номинальное
напряжение питания
|
5
В
|
|
Максимальное
выходное напряжение
|
6
В
|
|
Напряжение
смещения нуля
|
5
мВ
|
|
Средний
входной ток
|
≤
2 мкА
|
|
Ток
потребления
|
≤
150 нА
|
|
Коэффициент
усиления напряжения
|
≥
32000000
|
|
Коэффициент
ослабления синфазных входных напряжений
|
≥
90 дБ
|
|
Коэффициент
влияния нестабильности источников питания на напряжение смещения нуля
|
≤
150 мкВ/В
|
|
Средний
температурный дрейф напряжения смещения нуля
|
≤
10 мкВ/ ° C
|
|
Частота
единичного усиления
|
≥
1,2 МГц
|
|
Максимальная
скорость нарастания выходного напряжения
|
≥
170 В/мкс
|
|
Входное
сопротивление
|
≥
325 кОм
|
|
Предельно
допустимые режимы эксплуатации
|
|
Напряжение
источников питания Uп1, Uп2 в предельном режиме
|
7,5
В
|
|
Максимальная
рассеиваемая мощность в предельном режиме
|
≤
200 мВт
|
|
Напряжение
шумов на частоте 1 кГц
|
3,5
нВ/
|
|
Сопротивление
нагрузки в предельном режиме
|
≥1
кОм
|
|
Температура
окружающей среды
|
-65...+150
° C
|
3.2 Моделирование схемы в пакете MicroCAP
v.9
При помощи программы MicroCAP
v.9 проверим
результаты расчетов и проанализируем работу схемы.
В указанной программе собираем рассчитанную
схему активного полосно-пропускающего фильтра.
. Коэффициент усиления по напряжению.
В приложении Г на рисунках Г.1 и Г.2 приведены
временные диаграммы сигнала на входе и на выходе схемы соответственно.
Согласно рисункам, коэффициент усиления равен
2,95 (погрешность относительно задания на курсовую работу составляет 1,6%).
. Частота среза и крутизна спада АЧХ.
В приложении Г на рисунке Г.3 определены частоты
среза - они составляют fср1
= 6,808 кГц и fср2
= 10,235 кГц (погрешности относительно задания к курсовой работе составляют
2,8% и 2,3% соответственно).
В приложении Г на рисунке Г.4 определен спад
амплитудно-частотной характеристики. Он составляет 30,046 дБ/окт. (погрешность
относительно задания на курсовую работу - 0,15%)
. Коэффициент гармоник.
По рисунку Г.5 в приложении Г определен
коэффициент гармоник для данного фильтра:
4. Влияние температуры на работу активного
полосового фильтра.
По рисунку Г.5 в приложении Г видно, что
изменение температуры от -40 0С до +600С не влияет на
работу фильтра.
. Отношение сигнал/шум.
Отношение сигнал/шум рассчитывается по формуле:
(16)
-
номинальное выходное напряжение;
- напряжение
шумов.
Напряжение шумов можно рассчитать по формуле:
(17)
где:
-
напряжение шумов операционного усилителя;
Тепловые шумы UТ
можно определить по формуле:
(18)
где:
-
тепловые шумы i-того звена;
n - количество
звеньев.
(19)
- постоянная
Больцмана;
Т = 300 К - температура при нормальных условиях
(270С).
Тепловые шумы первого звена
каскада ФВЧ:
Тепловые шумы второго звена
каскада ФВЧ:
Тепловые шумы третьего звена
каскада ФВЧ:
Тепловые шумы первого звена
каскада ФНЧ:
Тепловые шумы второго звена
каскада ФНЧ:
Тепловые шумы третьего звена
каскада ФНЧ:
Тогда:
Шумы операционного усилителя определяются по
формуле:
(20)
где: е - входное напряжение шумов ОУ при f
= 1 кГц.
Для операционного усилителя LT1052M
значение e составляет
,
тогда:
Таким образом, напряжения шумов составляют:
Теперь по формуле 14 определим значение
отношения С/Ш:
Заключение
В ходе курсовой работы был разработан активный
полосовой фильтр пятого порядка. Спроектированы структурная и принципиальная
схемы фильтра, выбран подходящий операционный усилитель и рассчитаны все
остальные элементы схемы.
Полученный активный полосовой фильтр
удовлетворяет техническому заданию на курсовую работу с достаточной точностью,
что показало моделирование схемы в пакете MicroCAP
v.9.
Библиографический список
1. Авторский
коллектив издательства LDL. Электроника: электронный справочник - М.: Руссобит
Паблишинг, 2005 - 542 с., ил.
. Колонтаевский
Ю.Ф. Радиоэлектроника: Учеб. пособие для СПТУ - М.: Высшая школа, 1988 - 304
с., ил.
. Хьюлсман
Л.П., Аллен Ф.Е. Введение в теорию и расчет активных фильтров: Пер.с англ.- М.:
Радио и связь,1984 - 384с.
. Фолкенберри,
Л. Применение операционных усилителей и линейных ИС/Л. Фолкенберри. - М.: Мир,
1985 - 572 с., ил.
. Джонсон
Д. и др. Справочник по активным фильтрам: Пер. анг. / Джонсон и Д. Джонсон, Г.
Мур - М. Энергоамиздат, 1983 - 128с. ил.
Приложение А (обязательное)
Схема структурная ТПЖА. 431000.017 СС 01
Приложение Б (обязательное)
Схема принципиальная электрическая ТПЖА.
431000.017 ЭС 01
Обозначения на схеме:
- балансировка (на схеме не показана);
- инвертирующий вход;
- неинвертирующий вход;
- питание (-); 5 - корпус;
- выход; 7 - питание (+);
-балансировка (на схеме не показана)
Приложение В (обязательное)
Характеристики устройства ТПЖА. 431000.017 ПЭ 01
Рисунок В.1 - Временная диаграмма на входе схемы
Рисунок В.2 - Временная диаграмма на выходе
схемы
Рисунок В.3 - Амплитудно-частотная
характеристика
Рисунок В.4 - Определение крутизны спада амплитудно-частотной
характеристики
Рисунок В.5 - Спектр сигнала на выходе схемы
Рисунок В.6 - Влияние изменения температуры на
работу фильтра