|
Крутизна
|
0,0533 В∙мин/рад;
|
|
Сопротивление обмотки якоря,
|
330 Ом;
|
|
Напряжение возбуждения,
|
110 В;
|
|
Максимальная скорость,
|
1500 об/мин;
|
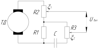
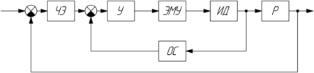
Выбираем резистор делителя
и передаточное отношение
между ТО и ИД
. При
находим (рисунок 3.3)
Рисунок 3.3 Формирование первой производной угла объекта
Реализация выходов дифференциаторов, обеспечивающих
инвариантные сигналы
и
, производится при помощи
схемы, изображенной на рисунке 3.4

На выходе дифференциатора, при выполнении условия
,
где
Пусть
,
кОм,
кОм. Тогда
Требуемую величину
получим при
кОм;
:
Таким образом, требуемые расчетом дифференциаторы обеспечены
реальными элементами.
Сопоставим уровни сигналов по прямому и обратному каналам.
Примем угол рассогласования равным
. Тогда
Сигналы одного порядка и загрубление не требуется.
.2
Анализ разработанной системы
привод следящий двигатель электромашинный
Передаточная функция замкнутой системы по ошибке имеет вид
откуда
График реакции системы (3.3) на единичный скачок приведен на
рисунке 3.5.
Рисунок 3.5 Реакция системы на единичный скачок
Из графика видно, что разработанная система удовлетворяет
требованиям технического задания.
4.
Учет влияния нелинейности
Исследуем влияние люфта в кинематической цепи от вала
исполнительного двигателя до тахогенератора объекта.
Рисунок 4.1 Нелинейность типа «люфт»
Исходное уравнение системы имеет вид
По методу гармонической линеаризации при симметричных
колебаниях величина
при наличии люфта в кинематической цепи от вала
ИД до ТО заменяется выражением [4]
Запишем (4.1) с учетом (4.2):
Периодическое решение находим по третьему способу из [4]. При
получим
Выделяя в уравнении (4.6) вещественную
и мнимую
части, получим
Частные производные
Из второго уравнения (4.7) следует, что
Найдём
Из первого уравнения (4.7) определяем
С учетом этого получим
Величина
Применяя критерий
Получаем условие устойчивости периодического решения:
Из формулы (4.8) видно, что устойчивость решения зависит как
от параметров, так и от частоты
.
Подставляя численные значения, систему (4.7) представим в
виде
Задаваясь соотношением
в пределах от 1 до 12,
строим на плоскостях
зависимости (4.3) и (4.4) соответственно. На тех
же графиках строим
Рисунок 4.2
Находим точки, в которых кривые
и
пересекают линии с
одинаковыми значениями
при одном и том же значении
. Этим точкам
соответствуют
,
.
Подставим полученное решение в условие (4.8):
Данный критерий подтверждает устойчивость найденного решения.
Частота и амплитуда автоколебаний получены на входе
нелинейного элемента, т.е. на оси тахогенератора объекта.
С целью минимизации негативных последствий, необходимо
уменьшить величину люфта, либо, если это возможно, исключить редуктор из цепи
ИД - ТО. При этом большее влияние окажет зона нечувствительности ТО.
5.
Выбор допусков на нестабильные параметры
Основой для расчета допусков
являются неравенства [6]
Выберем в качестве показателя N амплитуду установившейся
ошибки в гармоническом режиме.
Уравнение системы можно записать в виде
Для системы пятого порядка при
найдём выражение для
амплитуды ошибки:
При анализе системы методом типовых уравнений между
коэффициентами уравнения
и коэффициентами обратных связей по ν-м производным выхода, которые являются настраиваемыми параметрами,
имеется следующая связь:
Продифференцировав (5.2), найдём коэффициенты влияния
настроек
на ошибку
при
:
Подставив численные значения в формулы (5.2) и (5.3),
построим графики, характеризующие чувствительность системы по каналам настройки
от нормированной частоты входного сигнала (рисунок 5.1).
Эквивалентная рабочая частота системы
Нормированная рабочая частота системы находится как
Рисунок 5.1
Из рисунка 5.1 видно, что на установившуюся ошибку больше
всего влияют вариации обратной связи по третьей производной от объекта
. Следовательно, этот
канал должен быть выполнен наиболее стабильным.
Рисунок 5.2 Зависимость
На рисунке 5.1 представлена зависимость
По представленным графикам можно сказать, что с ростом
частоты влияние нестабильности демпфирующих сигналов меньше сказывается на ошибке.
Следовательно, можно рекомендовать повышать рабочую частоту.
Из графиков рис. 5.1 при
, находим
Примем допустимое относительное увеличение амплитуды ошибки
за счет допускового разброса параметров настройки равным 10% (
). Согласно [6]
Допустим, что влияние каждого параметра на точность
одинаковое, т.е. все слагаемые в левой части выражения (5.4) равны. Тогда
откуда определяем
Заключение
В ходе выполнения данной работы, был проведен динамический
синтез следящего привода методом ТНХУ. Было показано, что необходимые
демпфирующие и компенсационные сигналы могут быть получены с помощью реальных
элементов. Из результатов моделирования работы привода на ЭВМ видно, что
линеаризованная система удовлетворяет требованиям ТЗ.
Учет влияния нелинейностей выявил существование в системе
предельного устойчивого цикла, амплитуда которого относительно невелика.
При определении допусков на крутизны демпфирующих сигналов
было выявлено, что на установившуюся ошибку больше всего влияет нестабильность
третьей производной объекта.
Литература
1.
Потапов
А.М. Основы расчета и проектирования линейных следящих систем. Ч. I. - Л.: ЛМИ, 1979 г.
2.
Потапов
А.М. Основы расчета и проектирования линейных следящих систем. Ч. II. - Л.: ЛМИ, 1980 г.
3.
Потапов
А.М. Синтез линейных следящих систем. - Л.: ЛМИ, 1981 г.
4.
Потапов
А.М. Расчет нелинейных следящих систем. Ч. I. - Л.: ЛМИ, 1984 г.
5.
Потапов
А.М. Расчет нелинейных следящих систем. Ч. II. - Л.: ЛМИ, 1985 г.
6.
Потапов
А.М., Пугач А.А. Чувствительность следящих систем. - Л.: ЛМИ, 1988 г.
7.
Потапов
А.М. Проектирование следящих приводов. Краткое руководство к курсовому
проектированию. - Л.: ЛМИ 1978 г.
8.
Яворский
В.Н., Потапов А.М. Проектирование следящих приводов. - Л.: ЛМИ, 1973 г.