Расчет параметров электрической цепи постоянного и переменного тока
Содержание
Введение
. Расчёт параметров
цепи постоянного тока
.1 Расчёт параметров цепи постоянного тока
методом уравнений Кирхгофа
.2 Расчёт параметров цепи постоянного тока
методом контурных токов
1.3 Расчёт параметров цепи постоянного тока
методом узловых напряжений
.4 Расчёт баланса мощностей
.5 Построение
потенциальной диаграммы
.6 Сравнение результатов вычислений
. Расчёт параметров
цепи переменного тока методом комплексных амплитуд
Выводы о проделанной работе
Список использованных источников
Приложения
Введение
ЭЛЕКТРОНИКА - наука о
взаимодействии заряженных частиц (электронов, ионов) с электромагнитными полями
и о методах создания электронных приборов и устройств (вакуумных,
газоразрядных, полупроводниковых), используемых в основном для передачи,
обработки и хранения информации. Электроника как наука возникла в нач. 20 века;
первоначально развивалась главным образом вакуумная электроника; на ее основе
были созданы электровакуумные приборы. С нач. 50-х гг. интенсивно развивается
твердотельная электроника (прежде всего полупроводниковая); с нач. 60-х гг.
одно из наиболее перспективных ее направлений - микроэлектроника. После
создания квантового генератора началось развитие квантовой электроники.
Электронные приборы и устройства используются в системах связи, автоматики, в
вычислительной технике, измерительной технике и т. д. Ну а Радиоэлектроника -
собирательное название ряда областей науки и техники, связанных с передачей и
преобразованием информации на основе использования радиочастотных электромагнитных
колебаний и волн; основные из них - радиотехника и электроника. Методы и
средства радиоэлектроники применяются в большинстве областей современной
техники и науки. Иными словами, существовали две смежные науки радиотехника и
электроника, в результате слияния возникла радиоэлектроника.
. Расчёт
параметров цепи постоянного тока
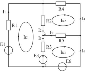
Обобщенная схема цепи
постоянного тока изображена на рисунке 1.1
Рисунок 1.1 - Обобщенная схема
цепи постоянного тока
Преобразованная согласно
варианту схема изображена на рисунке 1.2
Рисунок 1.2 - Схема цепи
постоянного тока согласно варианту
Значения сопротивлений и
источников напряжения согласно варианту указаны ниже:
R1=4
Ом; R2=7 Ом; R3=4
Ом; R4=3 Ом; R5=6
Ом; R6=3 Ом.
E1=20
В; E3=12В.
I6=7
А.
В задании присутствует источник
тока I6. Для расчета
схемы данный источник тока необходимо преобразовать в источник напряжения. Для
этого необходимо найти произведение тока на сопротивление, параллельное
источнику. В полученном источнике напряжение будет направлено так же, как и
исходный источник тока. Расчёт источника напряжения для данной схемы:
E6=I6*R6
E6=7*3=21
В.
1.1 Расчёт параметров цепи
постоянного тока методом уравнений Кирхгофа
Осуществление выбора
направления токов в ветвях и составление уравнений по первому закону Киргофа
для независимых узлов 1,2,3, которые указаны на схеме (Рисунок 1.1).
В схеме присутствуют два
независимых контура - 1,2,3. На рисунке 1.3 указаны направления их обхода. Для
данных контуров составляются уравнения по второму закону Кирхгофа.
Обе системы уравнений
приводятся к одной и вычисляются значения токов.
Значения сопротивлений и ЭДС
подставляются в данную систему:
В ходе решения данной системы
были получены следующие значения токов:
I1 = 0,049 ≈
0.05 A;= 0,447 ≈ 0.45 A;= 1,168 ≈ 1.17 A;= 0,398 ≈ 0.4 A;=
0,721 ≈ 0.72 A;6 = 1.12 A.
Все значения токов больше нуля,
это свидетельствует о том, что все направления токов на схеме были выбраны
верно.
.2 Расчёт параметров цепи
постоянного тока методом контурных токов
Данный метод предусматривает
выбор направления тока в каждой ветви данной схемы. Далее определяются
контурные токи. Они равны токам на внешнем участке контура и имеют
положительный или отрицательный знак, в зависимости от совпадения направления
обхода контура с направлениями токов в ветвях. На рисунке 1.3 показаны
направления обхода контуров данной схемы.
Рисунок 1.3 - Схема цепи постоянного
тока с указанием обхода контуров
Контурные токи для данной схемы
имеют значения:
Ik1
= I1;
Ik2
= -I4;
Ik3
= -I6.
Далее необходимо определить
контурные ЭДС. Они составляют алгебраическую сумму всех ЭДС, входящих в контур
и имеют следующие значения:
Ek1=E1-E3
Ek1=8В;
Ek2=0В;
Ek3=E3-E6
Ek3=-9В.
Следующий шаг - определение
собственного сопротивления контуров (ССК). ССК составляет арифметическая сумма
всех сопротивлений, входящих в контур:
R11=R1+R3+R2=15
Ом
R22=R5+R4+R2=
16 Ом
R33=R6+R3+R5=
10 Ом
Далее определяется взаимное
сопротивление контуров. Оно имеет положительный знак, если направления обхода
контуров совпадают и отрицательный, если направления обходов контуров не
совпадают на данных элементах.
R12=-R2=
-7 Ом
R13=R3=
4 Ом
R21=-R2=
-7 Ом
R23=R5=
6 Ом
R31=R3=
4 Ом
R32=R5=
6 Ом
Система уравнений в общем виде
имеет вид:
Для данной схемы система
уравнений имеет вид:

Ik1=
0,05 А;
Ik2=
0,4 А;
Ik3=
1,12 А.
Следовательно:
I2=-I11+I22= 0,45 А;=-I11=
0,049 А;=
I22+I33= 0,72 А;=-I33= 1,12 А;=
I22= 0,4 А;= I11+I33= 1,17 А;
Значения
расчитанных токов по методу контурных токов совпадают со значениями,
расчитанными по методу уравнений Кирхгофа.
1.3 Расчёт
параметров цепи постоянного тока методом узловых напряжений
Для выполнения
расчетов по методу узловых напряжений необходимо преобразовать соединение
сопротивлений R4, R5, R2 в эквивалентное соединение сопротивлений «звездой».
Для данной схемы сопротивления преобразованных ветвей имеют следующие значения:
Схема, полученная
после преобразования, приведена на рисунке 1.4
Рисунок 1.4 - Преобразованние
соединения сопротивлений «звездой»
В полученной схеме имеются
только два узла, поэтому для нее можно составить только одно уравнение по
методу узловых напряжений:
G11*U11=J11,
где G11 - узловая проводимость,
U11 - узловое напряжение, J11 - узловой ток источников.
Узловая проводимость
определяется как сумма проводимостей всех ветвей, входящих в расчетный узел:
=
G11 =
См.
Узловой ток определяется по
формуле:
= E6/R54 + E3/(R3+R52) +
E1/(R1+R42);= 21/1.125 + 12/(4+2.625) +
20/(4+1.3125)=24.2 A.
Узловое напряжение
определяется как узловой ток разделенный на узловую проводимость:
= J11/G11;
= 24.2/1.22=19.7
B.
Токи в ветвях определяются с
использованием узлового напряжения:
Токи в ветвях определяются с
использованием узлового напряжения:
I6=( E6-U11)/R54=(21-19.7)/1/125=1.12
A;=(-E3+U11)/(R52+R3)=(-12+19.7)/(4+2.625)=1.17
A;=(E1-U11)/(R42+R1)=(20-19.7)/(4+1.3125)=0.05 A;=1.12 A;3=1.17
A;
I1=0.05
A;
Округлённые значения полностью
соответствуют значениям токов, расчитанных методом контурных токов и методом
уравнений Киргофа.определяется из уравнения, составленного по второму закону
Кирхгофа для первого контура исходной схемы (рисунок 1.3). Данное уравнение
имеет вид:
E1-E3=I2R2+I3R3+I1R1
20-12=7*I2+4*1.17+0.05*4
=7*I2+4.68+0.2
-4.88=7*I2
.12=7*I2
I2=3.12/7
I2=0.45
A.
Токи I4 и I5 определяеются по
первому закону Кирхгофа для 1 и 2 узла схемы:
I4
= I2-I1;
I4
= 0.45-0.05=0.4 A.
I5
= I3-I2;
I5
= 1.17-0.45=0.72 A
Сравнение результатов расчетов
токов методом узловых напряжений и контурных токов показало их совпадение, что
подтверждает корректность проведенных расчетов.
1.4
Расчёт
баланса мощностей
Расчёт баланса мощностей
позволяет определить общую энергию, вырабатываемую источниками. Она должна быть
равна мощности, рассеиваемой на нагрузке. Допускаются незначительные отклонения
в силу погрешности в вычислениях. Обращая внимание на то, что все найденные
токи имеют положительные значения необходимо учесть не совпадение направлений
тока источника с его напряжением. Суммарная мощность источников:
.05-12*1.17+21*1.12=10.48
Вт
Суммарная мощность,
рассеиваемая на сопротивлении схемы:
PR = I12*R1+
I22*R2+ I32*R3+ I42*R4+ I52*R5
PR
= (0.05)2*4+ (0.45)2*7+ (1.17)2*4+ (0.4)2*3+
(0.72)2*6=10.4935 Вт;
Из расчетов видно, что мощность
источников, в силу допустимых незначительных погрешностях в вычислениях,
соответствует мощности рассеиваемой на сопротивлении. Следовательно, расчеты
проведены корректно.
1.5
Построение
потенциальной диаграммы
Построение потенциальной
диаграммы предусматривает выделение внешнего контура исходной схемы,
обозначение промежуточных точек a,b,c,d
(рисунок 1.5).
Рисунок 1.5 - Внешний контур
схемы
Потенциал точки принимается
равным нулю φa
= 0. Потенциалы остальных точек с учетом направления обхода схемы по часовой
стрелке увеличиваются, если участок содержит в себе ЭДС и уменьшаются, если
участок в содержит в себе сопротивление.
Расчет потенциалов точек для
данной схемы:
φb
= φa
-I4*R4=-1.2
В;
φc
= φb
- E6 = -19.8 В;
φd
= φc
+E1 = 0.2 В;
φa
= φd
- I1R1
= 0.2-0.2 = 0 В.
Конечный потенциал в точке а
равный нулю показывает, что расчеты проведены корректно и ошибок в вычислениях
нет.
При построении потенциальной
диаграммы необходимо учитывать, что источник напряжения с исходным направлением
повышает потенциал последующей точки, а источник напряжения с противоположной
направленностью и сопротивление понижает потенциал. Потенциальная диаграмма для
данной схемы изображена на рисунке 1.6
Рисунок 1.6 - Потенциальная
диаграмма цепи постоянного тока
1.6 Сравнение результатов
вычислений
В результате вычислений по
методу уравнений Кирхгофа, методу контурных токов, методу узловых напряжений и
моделировании схемы в программе Proteus
были получены сходные значения токов в ветвях данной цепи постоянного тока.
Сравнение данных значений представлено в таблице 1.1. Моделирование схемы в
программе Electronics
Workbench представлено в
приложении А.
Таблица 1.1 - Сравнение
результатов вычислений
|
Метод
расчета
|
I1, А
|
I2, А
|
I4, A
|
I5, A
|
I6, A
|
|
Уравнений
Кирхгофа
|
0.05
|
0.45
|
1.17
|
0.4
|
0.72
|
1.12
|
|
Контурных
токов
|
0.05
|
0.45
|
1.17
|
0.4
|
0.72
|
1.12
|
|
Узловых
напряжений
|
0.05
|
0.45
|
1.17
|
0.4
|
0.72
|
1.12
|
|
Моделирование
в программе Electronics
Workbench
|
0.049
|
0.44
|
1.16
|
0.39
|
0.72
|
1.11
|
. Расчёт
параметров цепи переменного тока методом комплексных амплитуд
Схема цепи переменного тока
изображена на рисунке 2.1
Элементы цепи имеют следующие
параметры:
E
= 200 В; L3 = 115 мГн; R1
= 10 Ом; C2 = 159 мкФ; R2
= 4 Ом;
R3
= 100 Ом; частота источника питания (f)
- 50 Гц.
Для данной схемы необходимо
определить: токи во всех ветвях цепи; напряжение на сопротивлении R2;
активную, реактивную и полную мощности, потребляемые цепью; построить векторную
диаграмму токов и векторную диаграмму напряжений.
Для расчета данной схемы по
методу комплексных амплитуд необходимо определить комплексные сопротивления
ветвей схемы. Комплексное индуктивное сопротивление определяется по формуле Zl
= iωL; комплексное
емкостное - Zс = -i/(ωC).
Расчет ω
производится по формуле ω=2πf.
Для данной схемы ω
составляет 6,28*50 = 314 Гц. Расчет комплексных сопротивлений для данной схемы:
Z1
= R1;
Z1
=10i Ом;
Z2 = r2-ix2 =
(4-20i);= r3+ iωL
= (100+36i);
Далее необходимо заменить
сопротивления, индуктивности и емкости схемы на соответствующие комплексные
сопротивления. Схема цепи с комплексными сопротивлениями представлена на
рисунке 2.2
Рисунок 2.2 - Схемы цепи с
комплексными сопротивлениями
Решение задачи производится
методом контурных токов. Этот метод требует определения контурных токов,
контурных ЭДС, собственных и взаимных сопротивлений контуров. Контура и их
обходы показаны на рисунке 2.2. Контурные токи имеют следующие значения:
i11
= i1;
i22
= i3;
Контурные ЭДС определяются, как
сумма всех ЭДС, входящих в контур и имеют следующие значения:
E11
= E = 200 В;
E22
= 0 В;
E33
= 0 В;
Собственные сопротивления
контуров определяются, как сумма всех сопротивлений, входящих в контур и имеют
следующие значения:
Z11 = Z1+Z2 =
(14-20i);= Z2+Z3= (4-20i) + (100 +38i) = 104+16i;
Взаимными сопротивлениями
контуров являются сопротивления, относящиеся к двум контурам. Их значения
отрицательны, если направления обходов контуров противоположны на данном
сопротивлении и положительны, если направления обхода контуров совпадают.
Взаимные сопротивления контуров для данной схемы имеют следующие значения:
Z12
= Z21= Z2
= 4-20i;
Система уравнений контурных
токов в общем виде:
После подстановки всех
известных величин данная система имеет вид:
Определители контурных
уравнений имеют следующие значения:
;
.
Подставив значения
определителей, найдем контурные токи:
i11 = i1 = 7,66i46;=
i3 = 1,4e-i130;
Ток i2 определяется из
уравнения, составленных по первому закону Кирхгофа:
= i2 + i3;= i1 - i3;=
(5,237+5,594i) - (-0,966-1,129i) = 5+6i = 7,8*ei50.
Определение активной,
реактивной и полной мощности цепи предусматривает нахождение комплексной
мощности цепи. Она определяется по формуле:
=E*i1;=1531,7ei46
ВА.
=|S|=1531,7 ВА.
Для определения активной и
реактивной мощности необходимо представить полную мощность в алгебраической
форме:
=P+iQ;=(1063+1101i);
Следовательно, P=1063 Вт;
Q=1101 Вар.
Ваттметр, включенный в цепь
последовательно источнику, покажет активную мощность 1063 Вт.
Для построения векторной
диаграммы токов и напряжений необходимо расчитать напряжения на каждом участке
схемы. Напряжение определяется как произведение комплексного сопротивления
участка на ток, протекающий по этому участку цепи. Расчет напряжений для
каждого участка:
Определение комплексных
напряжений на каждом из элементов цепи :
UR2= I2* R2 =
(20+24i) = 31
B;= I2*Zc2 =
(120-100i) = 156
B;= I3*ZL3 =
(40,644-34,776i) = 53
B;= I3* R3 =
(-96,6-112,9i) = 148
B;
U1 = i1*Z1 = 76e46i;=
i2*Z2 = 159e-28i;= i3*Z3 = 158e-110i;
Таким образом
вольтметр, ключенный в цепь параллельно R2 будет показывать 159 В.
Векторная диаграмма
токов и напряжений представлена на рисунке 2.3
Масштаб напряжений:
1:2
Масштаб токов: 1см
= 10:1
Анализируя
векторную диаграмму можно сделать вывод, что ток i1 равен векторной
сумме токов i2 и i3, что подтверждает правильность
проведенных расчетов. Так же подтверждением правильности расчетов является угол
в 90 градусов между током i2 и напряжением UС2, так как
на емкости С2 ток по фазе опережает напряжение на 90 градусов.
Рисунок 2.3 - векторная
диаграмма напряжений и токов
Моделирование данной схемы в
программе Electronics
Workbench представлено в
приложении Б.
В таблице 2.1 представлено
сравнение данных, полученных при вычислении параметров данной схемы и при
моделировании ее в программе Electronics
Workbench.
Таблица 2.1 -
Сравнение результатв вычислений
|
Метод
расчета
|
i1, А
|
i2, А
|
i3, A
|
U2, В
|
|
Метод
комплексных амплитуд
|
7,66
|
7,8
|
1,4
|
159
|
|
Моделирование
в программе Electronics
Workbench
|
7,67
|
7,81
|
1,42
|
158,68
|
Вывод о проделанной работе
В ходе работы вычислены
электрические параметры цепей постоянного и переменного синусоидального тока.
Параметры цепи постоянного тока
рассчитаны тремя методами: методом уравнений Кирхгофа, методом контурных токов
и методом узловых напряжений. Так же цепь была смоделирована в программе Electronics
Workbench и сняты значения
токов в каждой из ветвей. В результате расчетов полученные значения токов в
ходе решения каждым из методов и моделирования в программе Electronics
Workbench, равны. Так же для
цепи постоянного тока рассчитан баланс мощности и простроена потенциальная
диаграмма.
Параметры цепи переменного тока
рассчитаны методом комплексных амплитуд с использованием метода контурных
токов. Для данной схемы получены комплексные значения токов и напряжений,
представленные в показательной форме. Рассчитана активная, реактивная и полная
мощность, определены показания вольтметра. Построена векторная диаграмма токов
и напряжений. Схема смоделирована в программе Electronics Workbench, при этом
полученные значения токов соответствуют рассчитанным.
ток амплитуда
напряжение мощность
Список использованных
источников
1#"807001.files/image031.jpg">
Рисунок 1 - Моделирование схемы
в программе Electronics
Workbench
Приложение Б
Моделирование цепи переменного
тока в программе Electronics
Workbench представлено на
рисунке 1
Рисунок 1 - Моделирование схемы
в программе Electronics
Workbench