|
Генераторы
|
Система
|
Нагрузки
потребителей
|
Примечание
|
|
Число
и мощность
|
Uc
|
Протяженность
линий свзяи
|
Iкз
|
Напряжение
|
Число
и мощность
|
Ко
|
cosϕ
|
Тип
электростанции
|
|
шт*МВт
|
кВ
|
км
|
кА
|
кВ
|
шт*МВт
|
о.е.
|
о.е
|
ТЭЦ
|
|
|
150
|
62
|
30
|
110
|
|
0,9
|
0,9
|
|
Мощность для собственных нужд для ТЭЦ составляет
10% от мощности генераторов. Коэффициент мощности собственных нужд равен
коэффициенту мощности генераторов.
. Разработка вариантов структурной схемы:
В качестве турбогенераторов выбираем:
ТВВ-160-2ЕУ3
Характеристики:
Sном =188
МВА,
Pном
= 160 МВт,
Qном
= 99 МВар,
Uном
= 18 кВ,
cos(ϕ)=0,85

= 0,213 о.е. [1, с.76].
В качестве блочных трансформаторов
для РУСН (110 кВ) выбираем: ТДЦ-200000/110, а для РУВН (150 кВ) выбираем:
ТДЦ-250000/150
Характеристики ТДЦ-200000/110: Характеристики
ТДЦ-250000/150:
Sном = 200 МВА,
Sном = 250 МВА,
Uвн = 121 кВ, Uвн = 165 кВ,
Uнн = 18 кВ, Uнн = 18 кВ,
Uк = 10.5% [1,
c.146]. Uк = 11% [1, c.154].
Pk= 550 кВт Pk= 640 кВт
Проверяем правильность выбора
блочных трансформаторов. Мощность трансформаторов блока выбирается по полной
мощности генератора за вычетом мощности собственных нужд: 
.
Определяем мощность, выдаваемую
генератором:

, следовательно, выбранный
трансформатор подходит.
В качестве трансформаторов
собственных нужд выбираем: ТРДНС-25000/35
Характеристики:
Sном = 25 МВА,
Uвн = 18кВ,
Uнн1 =Uнн2= 6.3 кВ,
Uк = 10.5% [1,
c.130].
Проверяем правильность выбора
трансформаторов собственных нужд. Мощность для собственных нужд для ТЭЦ
составляет 10% от мощности генераторов:

следовательно, выбранный
трансформатор подходит.
Для выбора наиболее оптимальной
структурной схемы электростанции необходимо рассмотреть несколько вариантов, а
затем из них и выбрать самый удобный и практичный.
2. Выбор трансформаторов связи
ВАРИАНТ 1
Рассмотрим вариант, когда на шины РУСН работает
2 генератора, а на шины РУВН работает 1 генератор.
Рис. Первый вариант схемы ТЭЦ
Определим максимальную и минимальную нагрузку
потребителей присоединенных к шинам СН с учетом коэффициента одновременности Ко=0,9.
Минимальная зимняя нагрузка ТЭЦ составляет 0,8 максимальной, минимальная летняя
0,6
Определяю избыточную мощность, выдаваемую
генераторами, работающими на шины РУСН:
Pс.н.
- мощность, потребляемая системой собственных нужд электростанции.
Определяем полную мощность, выдаваемую
электростанцией в систему:
Количество линий связи с системой:
Pлэп
- пропускная способность ЛЭП. Пропускная способность линии электропередачи 150
кВ составляет 60 МВТ [1, с.21]. Выбираем количество линий связи с системой
равной 5.
Рассмотрим 4 режима:
1) нормальный (полный), все
генераторы работают на полную номинальную мощность:
2) аварийное отключение блока
на РУСН:
3) аварийное отключение АТС:
) Вывод в ремонт одного блока
и аварийное отключение другого на РУСН.
ВАРИАНТ 2
Рассмотрим вариант, когда на шины РУСН работает
3 генератора, а на шины РУВН работают 0 генераторов.
Рассмотрим 4 режима:
1) нормальный (полный), все
генераторы работают на полную номинальную мощность:
2) аварийное отключение блока
на РУСН:
3) аварийное отключение АТС:
)
Вывод в ремонт одного блока и аварийное отключение другого на РУСН.
ВАРИАНТ 3
Рассмотрим вариант, когда на шины РУСН работают
1 генератор. Тогда на шины РУВН работают 2 генератора.
Рассмотрим 4 режима:
1) нормальный (полный), все
генераторы работают на полную номинальную мощность:
2) аварийное отключение блока
на РУСН:
3) аварийное отключение АТС:
) Вывод в ремонт одного блока
и аварийное отключение другого на РУСН.
Этот режим не рассматриваем, так как на РУСН
работает один генератор.
ВАРИАНТ 4
Рассмотрим вариант, с АТБ
Рис.4. Четвертый вариант схемы ТЭЦ
Обмотка низшего напряжения
автотрансформатора рассчитана на половину его номинальной мощности. Мощность,
на которую должна быть рассчитана обмотка низшего напряжения АТБ при
присоединении к ней турбогенератора ТВВ-160-2ЕУ3;
Обмотка низшего напряжения должна
быть рассчитана на мощность не менее чем 169,2 МВА. Среди трехфазных
автотрансформаторов, с напряжением на высокой стороне 150 кВ и средней стороне
110 кВ самый мощный АТДЦТН-100000/150/11. Соответственно, низкая его сторона
рассчитана на 50 МВА. Чтобы обеспечить необходимую мощность на низкой стороне
нам понадобиться 4 выключенных параллельно автотрансформаторов.
Характеристики
АТДЦТН-100000/150/110:ном =100 МВА,вн=158 кВ, сн=115
кВ, нн=11 кВ (1,стр 154)Проверка правильности выбора
автотрансформатора:
Схема № 4 более сложна в
эксплуатации и в комбинированном режиме требует повышенного контроля загрузки
обмоток. Так же в нормальном режиме АТБ должен работать в режиме выдачи
мощности в сеть ВН, только в этом режиме через АТБ можно передавать всю
номинальную мощность, что в данной схеме является не возможным (на шины РУСН
работает один генератор, который не покрывает нагрузку потребителей). На этом
основании отказываемся от схемы с АТБ.
Рассмотрев четыре вариант
структурных схемы, выбираем первую, с двумя блоками на РУСН и одним на РУВН и
автотрансформаторной связью по наименьшему перетоку мощности (по нормальному и
аварийному режиму). автотрансформатор связи для этой схемы выбираем:
АТДЦТН-100000/150/11.
Характеристики АТДЦТН-100000/150/11:ном
=100 МВА, UкВН-СН = 5,3%вн=158
кВ, UкВН-НН = 15%сн=115
кВ, UкСН-НН = 15% нн=11
кВ (1,стр 154)

Рис.5. Расчетная схема ТЭЦ
Расчет токов короткого замыкания. Выбор
коммутационных аппаратов.
Для определения значений периодической
составляющей начального сверхпереходного тока КЗ необходимо составить
эквивалентную схему замещения ТЭЦ.
Точки для расчета токов короткого замыкания:
· К1 - короткое замыкание
на участке м/у блочным трансформатором и генератором, работающими на шины РУВН.
· К2 - короткое замыкание
на шинах РУСН.
· К3 - короткое замыкание
на шинах РУВН.
Расчет будем производить в относительных
базисных единицах.
Рис.6. Схема замещения прямой последовательности
для определения токов короткого замыкания в точках К1, К2,
К3.
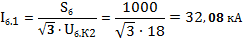
За базисную мощность принимаю Sб
= 1000 МВА, за базисное напряжение - среднее напряжение ступени КЗ.
Через базисную мощность и базисные напряжения
ступеней определяю базисные токи:
Теперь определяем параметры элементов схемы при
базисных условиях.
Линии потребителей не учитываем, так как не
имеем достаточных сведений для учета их при расчете токов КЗ. Удельное
сопротивление линий принимаю равным 0.4 Ом/км. Станция связана с системой через
5 линии связи.
Определяю ЭДС генераторов и системы при базисных
условиях:
Для генераторов:
Для системы ЭДС при базисных
условиях принимаю равной единице: 
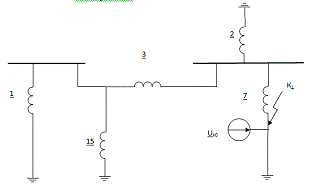
3.1.1 Точка К1
Рассчитаю ток трехфазного КЗ.
Сопротивление параллельно включенных
автотрансформаторов (сопротивления обмоток низкой стороны автотрансформаторов,
находящихся на холостом ходу, при расчете трехфазного тока КЗ не учитываются):
Рис.8. Схема замещения (преобразованная).
Найдем периодическую составляющую тока КЗ:
Для расчета Iпt воспользуемся
методом типовых кривых.
Метод типовых кривых целесообразно применять в
тех случаях, когда точка кз находится на выводах генераторов или на небольшой
удаленности от них: за трансформатороми блоков для КЭС или трансформаторами
связи для ТЭЦ. Все генераторы, находящиеся за двумя трансформациями, можно
считать удаленными от точки кз, их следует объединить с системой и считать
напряжение неизменным по амплитуде.
Предположим, что в цепи генератора установили
воздушный выключатель ВГГ-20-63/8000 с собственным временем отключения:
tсо=0,035
с [3, стр 32, табл 2]
tрз=0,01
с минимальное время действия релейной защиты
Найдем номинальный ток генератора
По этим условиям c помощью типовых кривых
находим г [4, стр 21, рис 3]
Так как первый и второй генераторы РУСН
находятся за двумя трансформациями от точки кз, то его объединяем с системой.
3.1.2 Точка К2
Рассчитаю ток трехфазного КЗ.
Рис.9. Схема замещения (преобразованная).
Рис.10. Схема замещения (преобразованная).
Найдем периодическую составляющую тока КЗ:
Предположим, что на шинах РУСН
установили элегазовый выключатель ВГБ-110УТ с собственным временем отключения 
tрз=0,01 с
минимальное время действия релейной защиты
Найдем номинальный ток генератора,
приведенный к ступени РУСН:
Так как к РУСН подключаются 2
генератора, то
По этим условиям c помощью типовых
кривых находим гф [4, стр 21,
рис 3]
гф=0,81
Так как третий генератор находятся
за двумя трансформациями от точки кз, то его объединяем с системой.
Суммарный ток на шинах РУСН:
.1.3 Точка К3
Рассчитаю ток трехфазного КЗ.
Рис.12.
Схема замещения (преобразованная).
Найдем периодическую составляющую тока КЗ:
Предположим, что на шинах РУВН
установили элегазовый выключатель HPL170B1 с
собственным временем отключения 
Tрз=0,01 с
минимальное время действия релейной защиты
Найдем номинальный ток генератора,
приведенный к ступени РУВН:
Так как к РУВН подключаются 1
генератор, то
По этим условиям c помощью типовых
кривых находим гф [4, стр 21,
рис 3]
гф=0,87
Ток от РУСН:
Суммарный ток на шинах РУВН:
3.2 Расчет токов однофазного
короткого замыкания
Рассчитаем суммарное эквивалентное
сопротивление нулевой последовательности для точек К1, К2,
К3, учитывая, что токи нулевой последовательности не проходят через
соединения обмоток трансформаторов соединенных треугольником, а также что
сопротивление линий возрастает.
.2.1 Точка К1
Рассчитаю ток однофазного КЗ.
Рис.14. Схема замещения (преобразованная).
3.2.2 Точка К2
Рассчитаю ток однофазного КЗ.
Рис. Схема замещения
Для расчета эквивалентного сопротивления нулевой
последовательности, возьмем сопротивления из предыдущего пункта.
3.2.3 Точка К3
Рассчитаю ток однофазного КЗ.
Для расчета эквивалентного сопротивления нулевой
последовательности, возьмем сопротивления из пункта 3.3.1.
Все данные о токах КЗ сведем в одну таблицу:
|
Точка
КЗ
|
Источник
|
I(1),кА
|
Iпо,
кА
|
Iпф,
кА
|
iу,
кА
|
iaф кА
|
|
К1
Вывод Г.
|
Г3
|
-
|
31,51
|
25,84
|
88
|
39,82
|
|
Система
|
-
|
47,89
|
109
|
7,14
|
|
Сумма
|
|
79,4
|
73,73
|
197
|
46,96
|
|
К2
РУСН 110кВ
|
Г1-Г2
|
-
|
6,73
|
5,45
|
18,7
|
8
|
|
Система
|
-
|
|
9,4
|
21,31
|
1,4
|
|
Сумма
|
|
16,13
|
14,85
|
40,01
|
9,4
|
|
К3
РУВН 150кВ
|
Г3
|
-
|
2,65
|
2,3
|
7,36
|
3,1
|
|
Система
|
-
|
|
14,71
|
33,45
|
1,71
|
|
Сумма
|
|
17,36
|
17,01
|
40,81
|
4,81
|
3.
Выбор коммутационного оборудования
Выбор выключателей производится по следующим
условиям:
) Номинальное напряжение выключателя должно
быть больше либо равно напряжению электрической установки:

, кВ
2) Номинальный ток выключателя должен быть
больше либо равен максимальному рабочему току наиболее мощного присоединения
(току утяжеленного режима):

, А
3) По отключающей способности:
.1) Периодическая составляющая расчетного тока в
расчетный момент времени ф должна быть меньше либо равна номинальному току
отключения выключателя:

, кА
.2) Апериодическая составляющая
расчетного тока в расчетный момент времени ф должна быть меньше либо равна
произведению амплитуды номинального тока отключения выключателя и содержания
апериодической составляющей в токе КЗ:

, кА
3.3) Если хотя бы одно из условий
3.1 и 3.2 не соблюдается, то проверка производится по полному току КЗ:

, кА
4) Номинальный ток отключения выключателя
должен быть больше либо равен периодической составляющей тока КЗ в начальный
момент времени:

, кА
5) Ток динамической стойкости выключателя
должен быть больше либо равен ударному току трехфазного КЗ:

, кА
6) Интеграл Джоуля должен быть меньше либо
равен току термической стойкости выключателя, умноженному на нормированное
время действия тока термической стойкости:

, кА2
с

- для условия 6 - периодическая
составляющая тока трехфазного КЗ в начальный момент времени.

- для условия 6 - полное время
отключения выключателя; 
, где 
- время срабатывания релейной
защиты (принимаю 
); 
- полное время отключения
выключателя.
Выбор разъединителей производится по
следующим условиям:
1) Номинальное напряжение разъединителя
должно быть больше либо равно напряжению электрической установки:

, кВ
2) Номинальный ток разъединителя должен
быть больше либо равен максимальному рабочему току наиболее мощного
присоединения (току утяжеленного режима):

, А
3) Ток динамической стойкости разъединителя
должен быть больше либо равен ударному току трехфазного КЗ:

, кА
4) Интеграл Джоуля должен быть меньше либо
равен току термической стойкости разъединителя, умноженному на нормированное
время действия тока термической стойкости:

, кА2
с
3.1 Выключатели и разъединители для
генераторного напряжения
При расчете тока КЗ в точке К1 предварительно
был выбран воздушный выключатель ВГГ-20-63/8000.
В качестве разъединителя выбираю разъединитель
следующего типа:
· РВПЗ-2-20-90/12500 УЗ[1, c.266].
Проверю, подходят ли выбранные выключатели и
разъединители.
Максимальный рабочий ток:
По условию отключения апериодической
составляющей:
По этому условию не проходит, значит проверяем
по:
Интеграл Джоуля:
|
Расчетные
данные
|
ВГГ-20-63/8000.
|
РВРЗ-2-20/8000
УЗ
|
|
Uуст.
=18 кВ
|
Uном
= 15кВ
|
Uном
= 20кВ
|
|
|
Iном
= 8000 А
|
Iном
= 8000 А
|
|
|
|
-
|
|
|
|
-
|
|
|
|
-
|
|
|
|
|
|
|
|
|
Выбранный выключатель и разъединители подходят.
3.2
Выключатели и разъединители для РУСН (110 кВ)
При расчете тока КЗ в точке К2 предварительно
был выбран воздушный выключатель ВГБ-110УТ.
В качестве разъединителей выбираю разъединители
следующих типов:
· РНДЗ.1-110/3200 У1 (в качестве
шинных разъединителей);
· РНДЗ.2-110/3200 У1 (в качестве
линейных разъединителей) [1, c.272].
Проверю, подходят ли выбранные выключатели и
разъединители.
Максимальный рабочий ток самого мощного
присоединения:
Интеграл Джоуля:
|
Расчетные
данные
|
ВГБ-110УТ
|
РНДЗ.1(2)-110/2000
У1
|
|
Uуст.
= 110 кВ
|
Uном
= 110 кВ
|
Uном
= 110 кВ
|
|
|
Iном
= 3150 А
|
Iном
= 2000 А
|
|
|
|
-
|
|
|
|
-
|
|
|
|
-
|
|
|
|
-
|
|
|
|
|
|
|
|
|
Выбранный выключатель и разъединители подходят.
3.3
Выключатели и разъединители для РУВН (150 кВ)
При расчете тока КЗ в точке К3 предварительно
был выбран элегазовый выключатель HPL170B1.
В качестве разъединителей выбираю разъединители
следующих типов:
· РНДЗ.1-150/3200 У1 (в качестве
шинных разъединителей);
· РНДЗ.2-150/3200 У1 (в качестве
линейных разъединителей) [1, c.272].
Проверю, подходят ли выбранные выключатели и
разъединители.
Максимальный рабочий ток самого мощного
присоединения:
Интеграл Джоуля:
|
Расчетные
данные
|
HPL170B1
|
РНДЗ.1(2)-150/1000
У1
|
|
Uуст.
= 150 кВ
|
Uном
= 150 кВ
|
Uном
= 150 кВ
|
|
|
Iном
= 4000 А
|
Iном
= 1000 А
|
|
|
|
-
|
|
|
|
-
|
|
|
|
-
|
|
|
|
|
|
|
|
|
Выбранный выключатель и разъединители подходят.
3.4
Выбор трансформаторов тока и напряжения. Выбор ограничителей перенапряжений
(ОПН) и вентильных разрядников (РВ)
Трансформаторы тока выбираю по следующим
условиям:
) Номинальное напряжение трансформатора
тока должно быть больше либо равно напряжению электрической установки:

, кВ
2) Номинальный ток трансформатора тока
должен быть больше либо равен максимальному рабочему току:

, А
3) Ток динамической стойкости
трансформатора тока должен быть больше либо равен ударному току трехфазного КЗ:

, кА
Для шинных трансформаторов тока
электродинамическая стойкость определяется устойчивостью самих шин
распределительного устройства, вследствие этого шинные трансформаторы тока по
этому условию не проверяются.
4) Интеграл Джоуля должен быть меньше либо
равен току термической стойкости трансформатора тока, умноженному на нормированное
время действия тока термической стойкости:

, кА2
с
Трансформаторы напряжения выбираю по условию:
Номинальное напряжение трансформатора напряжения
должно быть больше либо равно напряжению электрической установки:

, кВ
Ограничители перенапряжений (ОПН)
выбираю по условию:
Номинальное напряжение ОПН должно
быть больше либо равно напряжению электрической установки:

, кВ
Трансформаторы тока:
· В обмотках генератора
ТВГ-24-I-10000/5
· В выключатели РУСН встроены
ТФГ-110-II-2000/5 [1, табл 5.10]
· В блочный трансформатор 110 кВ
встроен ТВТ110-I-2000/5 [1, табл 5.11]
· В блочный трансформатор 150 кВ
встроен ТВТ150-I-1000/5 [1, табл 5.11]
· В АТС со стороны 110 кВ встроен
ТВТ110-I-2000/5 [1, табл 5.11]
· В АТС со стороны 150 кВ встроен
ТВТ150-I-1000/5 [1, табл 5.11]
· В выключатели РУВН встроены
ТФГ-150-I-1000/5 [1, табл 5.10]
· В ТСН встроен ТВТ35-I-3000/5 [1,
табл 5.11]
Трансформаторы напряжения
Для осуществления синхронизации установим за
генераторным выключателем ЗНОМ-20-63У2 [1, табл 5.13].
На шинах РУСН установим НКФ-110-83У1 [1, табл
5.13]
В нулевом проводе генератора установим
ЗОМ-1/20-63У2 [1, табл 5.13]
Выбор ОПН и РВ
На высокой стороне и в нейтрали блочного
трансформатора РУСН установим ОПН-110У1
На высокой стороне и в нейтрали блочного
трансформатора РУВН установим ОПН-150У1
На средней стороне АТС - ОПН-110У1
На высокой стороне АТС - ОПН-150У1
На входе измерительных трансформаторов РУСН -
ОПН -110У1
На входе измерительных трансформаторов РУВН -
ОПН -150У1
[1, табл 5.21]
На входе измерительного трансформатора
синхронизации установим РВС-20У1
[1, табл 5.20]
4.
Выбор схем РУ
Для РУ - 110 - 150 кВ с большим числом
присоединений применяется, как правило, схема с двумя рабочими и обходной
системами шин с одним выключателем на присоединение. В данной схеме на РУ - 110
- 150 кВ применены элегазовые выключатели, которые после нескольких отключений
не требуют ремонта и обладают повышенной надежностью. Обе системы шин находятся
в работе, шинно-соединительный выключатель включен, трансформаторы и линии
равномерно распределены между системами.
Заключение
В данной курсовой работе была поставлена задача
проектирования ТЭЦ по заданным параметрам - числу и мощности генераторов, связи
с системой, а также наличии местных нагрузок как на распределительном
устройстве среднего напряжения (в дальнейшем - РУСН), так и на распределительном
устройстве высокого напряжения (РУВН).
В соответствии с заданием курсовой работы была
выбрана структурная схема станции, выбраны трансформаторы блоков,
автотрансформаторы связи распределительных устройств, выбраны трансформаторы
собственных нужд; были рассчитаны токи короткого замыкания в точках, заданных
преподавателем; были выбраны коммутационные аппараты, трансформаторы тока и
напряжения, ограничители перенапряжений (ОПН); были выбраны схемы РУСН (110 кВ)
и РУВН (150 кВ).
Список использованных источников
1. Неклепаев Б.Н., Крючков И.П.
Электрическая часть электростанций и подстанций: Справочные материалы для
курсового и дипломного проектирования: Учеб. Пособие для вузов. - 4-е изд.,
перераб. и доп. - М.: Энергоатомиздат, 1989. - 608 с.: ил.
2. Справочник по проектированию
электрических сетей / Под ред. Д.Л. Файбисовича. - 2-е изд., перераб. и доп. -
М.: Изд-во НЦ ЭНАС, 2006. - 352 с.
. Гук Ю.Б. Проектирование
электрической части станций и подстанций: Учеб.пособие для вузов / Ю.Б. Гук,
В.В. Кантан, С.С. Петрова. - Л.: Энергоатомиздат. Ленингр. отд-ние, 1985. - 312
с., ил.
. Ключенович В.И.
Методические указания к курсовому проектированию по «Производству
электроэнергии» для студентов IVкурса
ФЭН. Новосибирск, 2000г.
. Ключенович В.И. Выключатели
переменного тока высокого напряжения. Новосибирск, 2004г.
. Электроаппарат.
Трансформаторы тока на напряжение от 0,66 до 35 кВ. Техническая информация.
Санкт-Петербург, 2004 г.