Проектирование атомной электростанции
Введение
Атомная
электростанция (АЭС) - ядерная установка для производства энергии в заданных
режимах и условиях применения, располагающаяся в пределах определенной проектом
территории, на которой для осуществления этой цели используются ядерный реактор
(реакторы) и комплекс необходимых систем, устройств, оборудования и сооружений
с необходимыми работниками (персоналом).
Компенсатор давления представляет
собой довольно сложную и громоздкую конструкцию, которая служит для
выравнивания колебаний давления в кон-туре во время работы реактора,
возникающих за счёт теплового расширения теплоносителя. Давление в 1-м контуре
может доходить до 160 атмосфер (ВВЭР-1000).
Помимо воды, в различных реакторах в
качестве теплоносителя может при-меняться также расплавленный натрий или газ.
Использование натрия позволяет упростить конструкцию оболочки активной зоны
реактора (в отличие от водяного контура, давление в натриевом контуре не
превышает атмосферное), избавиться от компенсатора давления, но создаёт свои
трудности, связанные с повышенной химической активностью этого металла.
Общее количество контуров может
меняться для различных реакторов, схема на рисунке приведена для реакторов типа
ВВЭР (Водо-водяной Энергетический Реактор). Реакторы типа РБМК (Реактор Большой
Мощности Канального типа) использует один водяной контур, а реакторы БН
(реактор на Быстрых Нейтронах) - два натриевых и один водяной контуры.
В случае невозможности использования
большого количества воды для конденсации пара, вместо использования
водохранилища, вода может охлаждаться в специальных охладительных башнях
(градирнях), которые благодаря своим размерам обычно являются самой заметной
частью атомной электростанции.
В данном курсовом проекте
рассматривается электрическая часть атомной электростанции (АЭС) мощностью 3000
МВт. На АЭС устанавливаются турбогенераторы: четыре турбогенератора мощностью
500 МВт каждый и пять турбогенераторов мощностью 200 МВт. Номинальное
напряжение ОРУ ВН 500 кВ, ОРУ СН 330 кВ. Основным топливом, служащим для
получения энергии, является ядерное топливо. Передача электроэнергии
осуществляется по четырем воздушным линиям напряжением 500 кВ и пяти воздушным
линиям напряжением по 330 кВ.
1. Выбор основного
оборудования
1.1 Выбор генераторов
Генераторы выбираем по заданной в
задании мощности, данные генераторов заносим в таблицу 2.1.
Все номинальные значения выбираем из
[1, табл. 2.1].
Таблица 2.1 - Технические данные
турбогенераторов
|
Тип генератора
|
Частота вращения
|
Номинальные значения
|
Сверхперех. сопрот.
|
Система возбужд.
|
Охлажд. обм.
|
|
|
Sном.
МВА
|
Ток стат, кА
|
Uстат.
кВ
|
КПД %
|
cosφ
|
|
|
Статор
|
Ротор
|
|
ТГВ-200-2УЗ
|
3000
|
235,3
|
8,625
|
15,75
|
98,6
|
0,85
|
0,19
|
ТС(ТН)
|
Н/В
|
Н/В
|
|
ТГВ-500-2УЗ
|
3000
|
588
|
17
|
20
|
98,84
|
0,85
|
0,243
|
ТН
|
Н/В
|
Н/В
|
Полная мощность
генератора определяется по формуле:

(2.1.1)
где 
- активная мощность
генератора, МВт;

- реактивная мощность
генератора, МВАр.
Определяем реактивную
мощность генераторов по формуле:

, (2.1.2)
где 
- тангенс угла,
образуемый от коэффициента мощности.

(2.1.3)

,
1.2 Выбор и обоснование
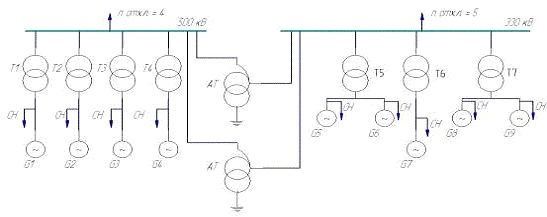
двух вариантов схем проектируемой электростанции
Рисунок 2.1 -
Первый вариант схемы проектируемой электростанции
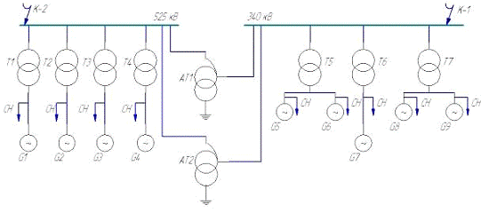
Рисунок 2.2 - Второй вариант схемы
проектируемой электростанции
1.3 Выбор блочных
трансформаторов
Определяем расход на собственные
нужды одного генератора:

(2.3.1)
где P, % - активная мощность трансформатора собственных нужд в
процентах от полной мощности установки, принимаем 5%;

- активная мощность
установки, МВт;

- коэффициент спроса
принимаем 0,8.


Определяем расход
реактивной мощности на собственные нужды одного генератора:

(2.3.2)
где 
- активная мощность трансформатора
собственных нужд, МВт;

- коэффициент
реактивной мощности.


Определяем полную
мощность собственных нужд:

(2.3.3)


Определяем мощность
блочного трансформатора:

(2.3.4)


Выбираем силовые
трансформаторы для первого варианта схемы, номинальные данные трансформатора
заносим в таблицу 2.2.
Таблица 2.2 - Технические
характеристики трансформаторов
|
Тип трансформатора
|
Мощность, МВА
|
Напряжение, кВ
|
Потери, кВт
|
Uк,
%
|
|
|
ВН
|
НН
|
ХХ
|
КЗ
|
|
|
ТДЦ -250000/330
|
250
|
347
|
15,75
|
214
|
605
|
11
|
|
ТЦ-630000/500
|
630
|
525
|
15,75
|
420
|
1210
|
14
|
Определяем мощность укрупненного
блока:

(2.3.5)

Выбираем силовые
трансформаторы для второго варианта схемы, номинальные данные трансформаторов
заносим в таблицу 2.3.
Таблица 2.3 -
Технические характеристики трансформатора
|
Тип трансформатора
|
Мощность, МВА
|
Напряжение, кВ
|
Потери, кВт
|
Uк,
%
|
|
|
ВН
|
НН
|
ХХ
|
КЗ
|
|
|
ТЦ - 630000/330-71У1
|
630
|
347
|
15,75
|
345
|
1300
|
11
|
1.4 Выбор числа и
мощности автотрансформаторов связи
Рекомендуется устанавливать два
автотрансформатора связи.
Определяем расчетную нагрузку
трансформатора в режиме минимальных нагрузок:

(2.4.1)
где ∑
- суммарная активная и
реактивная мощность генераторов,

- активная и реактивная
мощность, расходуемая на собственные нужды генераторов МВт, МВАр;

- минимальная активная и
реактивная нагрузка линии на стороне 330 кВ, МВт, МВАр.
Определяем расчетную нагрузку
трансформатора в режиме максимальных нагрузок:

(2.4.2)
где 
- активная и реактивная
мощность, расходуемая на собственные нужды генераторов МВт, МВАр;

- максимальная активная
и реактивная нагрузка линии на стороне 330 кВ, МВт, МВАр.
Определяем расчетную
нагрузку трансформатора в аварийном режиме при отключении одного генератора по
формуле:
За расчетную
максимальную мощность принимаем мощность самого нагруженного режима:
Определяем мощность
автотрансформатора:

(2.4.3)
где 
- коэффициент аварийной
нагрузки трансформатора, при расчетах принимаем 1,4
Номинальные данные
автотрансформатора заносим в таблицу 2.4
Таблица 2.4 -
Технические характеристики автотрансформатора связи
|
Тип автотрансформатора
|
Мощность, МВА
|
Напряжение, кВ
|
Потери, кВт
|
Uк,
%
|
|
|
ВН
|
НН
|
ХХ
|
КЗ
|
|
|
АОДЦТН-167000/500/330-76У1
|
167
|
|
10,5
|
61
|
300
|
9,5
|
1.5 Выбор
трансформаторов собственных нужд (ТСН)
Трансформаторы собственных нужд
выбираются в зависимости от мощности собственных нужд, каждого генератора.
При этом должно выполняться условие:

(2.5.1)

,4 МВА < 16 МВА
Выбираем трансформатор
собственных нужд и заносим в таблицу 2.5.
Таблица 2.5 -
Технические характеристики трансформаторов собственных нужд
|
Тип трансформатора
|
Мощность, МВА
|
Напряжение, кВ
|
Потери, кВт
|
Uк,
%
|
|
|
ВН
|
НН
|
ХХ
|
КЗ
|
|
|
ТРДНС-25000/35
|
25
|
15,75
|
6,3
|
25
|
115
|
10,5
|
|
ТДНС-16000/20
|
16
|
10,5
|
6,3
|
17
|
85
|
10
|
1.6 Выбор резервных трансформаторов
собственных нужд (РТСН)
Выбор резервных трансформаторов
собственных нужд осуществляется по значениям самого мощного трансформатора
собственных нужд.
Один резервный трансформатор
собственных нужд присоединяется к обмотке НН автотрансформатора связи, а один к
шине СН.
Номинальные данные резервных
трансформаторов собственных нужд заносим в таблицу 2.6.
Таблица 2.6 - Технические данные
резервных трансформаторов собственных нужд
|
Тип трансформатора
|
Мощность, МВА
|
Напряжение, кВ
|
Потери, кВт
|
Uк,
%
|
|
|
ВН
|
НН
|
ХХ
|
КЗ
|
|
|
ТРДНС-40000/330
|
110
|
330
|
6,3
|
80
|
180
|
11
|
|
ТРДЦН-63000/330
|
63
|
330
|
6,3
|
100
|
230
|
11
|
2. Технико-экономическое
сравнение двух вариантов схем проектируемой электростанции
2.1
Технико-экономическое обоснование первого варианта структурной схемы
Определяем потери электрической
энергии в трансформаторах, подключенных к шинам высшего и среднего напряжения
по формуле:

, (3.1.1)
где 
- потери холостого
хода, кВт;
Т - продолжительность
работы трансформатора, принимаем Т=8760 ч;

- расчетная нагрузка
трансформаторов;

- номинальная
мощность трансформаторов;

- продолжительность
максимальных потерь.

, (3.1.2)
где 
- установленная
продолжительность работы энергоблоков, принимаем равным 7100 ч.

а) Для трансформатора
ТДЦ - 250000/330

МВт·год

Для трансформаторов ТЦ
- 630000/500

МВт·год
Определяем потери
электрической энергии в автотрансформаторах связи. Расчет ведется с учетом
того, что обмотка низшего напряжения не нагружена:

, (3.1.3)
где 
- удельные потери в
обмотке ВН, кВт;

- удельные потери в
обмотке СН, кВт.
Определяем потери в
обмотках ВН и СН:

; (3.1.4)

, (3.1.5)
где 
, 
, 
- потери КЗ, для каждой
пары обмоток;

- коэффициент
выгодности.

:

(3.1.6)

;
Определяем наибольшую
нагрузку обмоток ВН и СН (аварийный режим не учитываем):

, (3.1.7)
где 
- максимальная
расчетная нагрузка в режиме максимальных нагрузок, МВА.

.
Определяем суммарные
годовые потери электрической энергии:

, (3.1.8)
где n - число трансформаторов, шт.
Определяем суммарные
капиталовложения:

(3.1.9)
где К - стоимость одного
трансформатора, руб.

руб.
Определяем годовые
эксплуатационные издержки:

(3.1.10)
где 
- нормативные
отчисления на амортизацию. Принимаем равным 6,4%;

-нормативные отчисления
на обслуживание. Принимаем равным 2%;

- стоимость одного
кВт·ч потерь электрической энергии. Принимаем равным 50 коп./кВт·ч.

руб.
Определяем общие
затраты:

, (3.1.11)
где 
- нормативный
коэффициент экономической эффективности.
Принимаем 
= 0,12.
2.2
Технико-экономическое обоснование второго варианта структурной схемы
Определяем потери
электрической энергии в трансформаторах, подключенных к шинам высшего и
среднего напряжения по формуле (3.1.1):
Для трансформатора
ТЦ-630000/330-71У1

МВт·год
Определяем потери
электрической энергии в автотрансформаторах связи по формуле (3.1.3). Расчет
ведется с учетом того, что обмотка низшего напряжения не нагружена:

(3.1.6):

;
Определяем потери в
обмотках ВН и СН по формулам (3.1.4) и (3.1.5):
Определяем наибольшую
нагрузку обмоток ВН и СН (аварийный режим не учитываем) по формуле (3.1.7):

.
Определяем суммарные
годовые потери электрической энергии по формуле (3.1.8):
Определяем суммарные
капиталовложения по формуле (3.1.9):

руб.
Определяем годовые
эксплуатационные издержки по формуле (3.1.10):

руб.
Определяем общие затраты
по формуле (3.1.11):
Для более удобного и
наглядного сравнения двух вариантов структурных схем составим таблицу.
Таблица 3.1 - Сравнение
двух вариантов структурных схем
|
Номер схемы
|
Суммарные годовые потери  , годСуммарные
капиталовложения  , тыс. руб.Годовые
эксплуатационные издержки  , тыс. руб.Общие
затраты , тыс. руб.
|
|
|
|
|
1
|
66289,15
|
256320000
|
21530913,14
|
52289313,14
|
|
2
|
61123,67
|
252456000
|
21206334,56
|
51501054,56
|
Произведенные расчеты показывают,
что второй вариант структурной схемы с экономической точки зрения является
выгоднее, чем первый вариант схемы. Таким образом, для дальнейших расчетов
выбираем второй вариант схемы проектируемой электростанции.
3. Расчет токов
трехфазного короткого замыкания
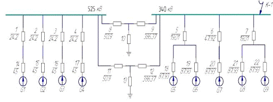
Составляем расчетную схему, намечаем
точки К.З.
Рисунок 4.1 - Расчетная схема для
расчетов токов трехфазного короткого замыкания
Таблица 4.1 - Данные для расчета
токов короткого замыкания
|
Наименование оборудования
|
Номинальная мощность Sном,
МВА
|
Сверхпереходное индуктивное сопротивление  , о.е.Напряжение
короткого замыкания Uкз,
%
|
|
|
Трансформатор Т1 - Т4
|
630
|
-
|
14
|
|
Трансформатор Т5, Т7
|
630
|
-
|
11
|
|
Трансформатор Т6
|
250
|
-
|
11
|
|
Автотрансформатор АТ1, АТ2
|
167
|
-
|
9,5
|
|
Генератор G1
- G4
|
588
|
0,243
|
-
|
235,3
|
0,19
|
-
|
3.1 Расчет токов
трехфазного короткого замыкания на шине 330 кВ
Составляем схему замещения для точки
К-1.
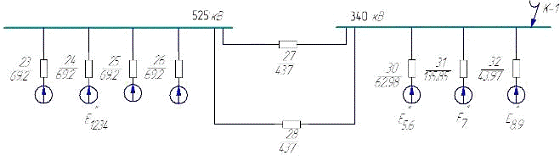
Рисунок 4.2 - Схема замещения
электростанции
За базовое напряжение
принимаем напряжение шины, на которой произошло короткое замыкание, т.е. 
кВ.
Определяем величины
сопротивлений элементов схемы.
Определим сопротивление
генераторов:

(4.1)
где 
- Сверхпереходное
индуктивное сопротивление, о.е.;

- базовое
напряжение, кВ;

-
номинальная мощность генератора, МВА.
а) генераторы G1, G2, G3, G4:
б) генераторы G5, G6, G7, G8, G9:
Определяем сопротивление
трансформаторов:

(4.2)
где 
- напряжение к.з., %;

- номинальная мощность
трансформатора, МВА.
а) трансформаторы 
:

.
б) трансформаторы 

.
в) трансформатор 
Определяем сопротивление
автотрансформатора:

(4.3)

(4.4)

(4.5)
где 
- напряжение короткого
замыкания ВН-НН, %;

- напряжение короткого
замыкания ВН - СН, %;

- напряжение короткого
замыкания СН - НН, %.

,

.
Значения сопротивлений 
не учитываем, т.к. они
не обтекаются током короткого замыкания.
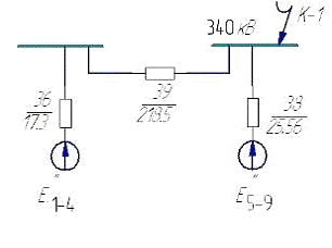
Упрощаем схему
относительно точки К-1.
Рисунок 4.3 - Упрощенная
схема замещения электростанции

34,6
Ом,
Упрощаем схему
Рисунок 4.4 - Упрощенная
схема замещения электростанции
Рисунок 4.5 - Упрощенная
схема замещения электростанции
Упрощаем схему
Рисунок 4.6 - Упрощенная
схема замещения электростанции
Рассчитаем токи
трехфазного короткого замыкания
Определяем начальное
значение периодической составляющей тока короткого замыкания:

(4.6)
где 
- сверхпереходное ЭДС
источника питания, о.е. Принимаем равным 1,13 [2, табл. 3.2];

- общее сопротивление
сети, Ом.
Определяем значение
ударного тока:

(4.7)
где 
- ударный коэффициент,
зависящий от постоянной времени
затухания апериодической
составляющей тока к.з. определяется по таблице. Принимаем 
[2, табл. 3.6].

Определяем значение
периодической составляющей тока к.з. в момент времени τ:

, (4.8)
где 
- коэффициент
периодической составляющей. Определяем по кривым. Принимаем 
.

(4.9)
где 
- собственное время
отключения выключателя, принимаем 0,08 с. для марки выключателя ВВ-330Б -
31,5/2000У1 [1, табл. 5.2]
Определяем номинальный
ток источника питания:

(4.10)
где 
- номинальная мощность
источника питания.

Определяем отношение 
к 
:

.
Определяем значение
апериодической составляющей в момент времени τ:

(4.11)
где τ
- расчетное время, с;

- постоянная времени
затухания апериодической составляющей тока к.з.

= 3,7 кА.
Определим значение тока
трехфазного короткого замыкания:

(4.12)
где 
- апериодическая
составляющая тока к.з.;

- периодическая
составляющая тока к.з.

Все расчеты заносим в
таблицу 4.2.
Таблица 4.2 - Результаты
расчетов
|
Расчетные значения
|
|
|
Значение сверхпереходной ЭДС,  , о.е.1,13
|
|
|
Значение периодической составляющей в начальный момент времени,  , кА9,34
|
|
|
Ударный коэффициент,  1,78
|
|
|
Значение ударного тока,  , кА28,8
|
|
|
Номинальная мощность источника,  , МВА3000
|
|
|
Номинальный ток источника питания,  , кА5,09
|
|
|
Значение коэффициента  1
|
|
|
Значение периодической составляющей в момент времени τ,
 , кА9,34
|
|
|
Значение экспоненты  0,28
|
|
|
Значение апериодической составляющей в момент времени τ,
 , кА3,7
|
|
|
Значение тока трехфазного короткого замыкания,  , кА13,04
|
|
3.2 Расчет токов
трехфазного короткого замыкания на шине 500 кВ
Рисунок 4.7 - Схема замещения
электростанции
За базовое напряжение
принимаем напряжение шины, на которой произошло короткое замыкание, т.е. 
кВ.
Определяем величины
сопротивлений элементов схемы.
Определим сопротивление
генераторов по формуле (4.1):
а) генераторы G1, G2, G3, G4:
б) генераторы G5, G6, G7, G8, G9:
Определяем сопротивление
трансформаторов по формуле (4.2):
а) трансформаторы 
:

.
б) трансформаторы 

.
Литература
атомный электростанция
трансформатор замыкание
1 Неклепаев Б.Н., Крючков И.П. Электрическая часть электростанций
и подстанций: Справочные материалы для курсового и дипломного проектирования. -
М.: Энергоатомиздат, 1989.
Рожкова Л.Д., Карнеева Л.К. Электрооборудование станций и
подстанций. - М.: издательский центр «Академия», 2004.
Правила устройства электроустановок. - 6-е изд. С изм. И доп. -
М.: Госэнергонадзор, 2001.