Проектирование электрической части электростанции
КУРСОВАЯ РАБОТА
Тема: «Проектирование электрической
части электростанции»
ЗАДАНИЕ
на выполнение курсового проекта
Исходные
данные:
Мощность
электростанции, МВт………………………..…2х30, 60
Генераторное
напряжение сети, кВ……………….…..................6,3
Напряжение
сети, кВ………………..………………....……….…..35
Мощность, распределяемая
на генераторном напряжении, МВт....58
Количество
ответвлений, отходящих от шин генераторного напряжения,
шт.………………………...……………..….………………………12
Полная
мощность системы для расчета КЗ, МВ∙А…..………..1200
Сопротивление
системы, о.е.………….…………..………..….....1,5
СОДЕРЖАНИЕ
. Выбор главной электрической схемы и основного оборудования
Выбор трансформаторов
Выбор целесообразного способа ограничения токов КЗ
Выбор электрической схемы РУ
Расчет токов короткого замыкания
Выбор коммутационных аппаратов
Выбор измерительных трансформаторов
Заключение
Список использованных источников
1 ВЫБОР ГЛАВНОЙ ЭЛЕКТРИЧЕСКОЙ СХЕМЫ И
ОСНОВНОГО ЭЛЕКТРООБОРУДОВАНИЯ
Таблица 1 - Исходные данные курсового проекта
|
Мощность электростанции, МВт
|
2х30 60
|
|
Генераторное напряжение сети, кВ
|
6,3
|
|
Напряжение сети, кВ
|
35
|
|
Мощность, распределяемая на генераторном напряжении, МВт
|
58
|
|
Количество ответвлений, отходящих от шин генераторного
напряжения, шт.
|
12
|
|
Полная мощность системы для расчета КЗ, МВ∙А
|
1200
|
|
Сопротивление системы, о.е.
|
1,5
|
Общие сведения
Главная электрическая схема - это совокупность электрооборудования
(генераторов, трансформаторов, линии), сборных шин, коммутационной и другой
первичной аппаратуры со всеми выполненными между ними в натуре соединениями.
Главная электрическая схема в значительной мере определяет основные свойства
электрической части станции, а также степень качества электростанции в целом:
надежность, экономичность, ремонтопригодность, безопасность обслуживания,
удобство эксплуатации, удобство размещения электрооборудование, возможность
дальнейшего расширения.
Основные требования к главным схемам
электроустановок
Из сложного комплекса предъявляемых условий, влияющих
на выбор главной схемы электроустановки, можно выделить основные требования к
схемам:
надежность электроснабжения потребителей;
приспособленность к проведению ремонтных работ;
оперативная гибкость электрической схемы;
экономическая целесообразность.
Выбор структурной схемы, трансформаторов и генераторов
При проектировании электростанции до разработки главной схемы необходимо
составить структурную схему выдачи энергии, на которой показываются основные
функциональные части установки: генераторы, трансформаторы, распределительные
устройства и связи между ними. Схема выдачи энергии зависит от типа и мощности
станции, а также от распределения нагрузки между РУ.
Установленная мощность генераторов
Мощность местной нагрузки
электростанция тепловой силовой трансформатор
Так как мощность местной нагрузки 6 - 10 кВболее 30% установленной
мощности электростанции и мощность агрегатов 30 - 60 МВт, целесообразно
создание РУ генераторного напряжения (ГРУ 6 - 10 кВ), к которому подключают
генераторы и кабельные линии сети местной нагрузки.
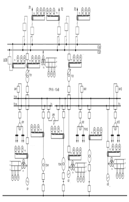
Рисунок 1 - Структурная схема ТЭЦ
2. ВЫБОР ТРАНСФОРМАТОРОВ
Выбор трансформаторов включает в себя определение количества, типа и
номинальной мощности трансформаторов проектируемой электростанции.
Таблица 2.1 - Относительные максимальные нагрузки собственных нужд
|
Тип электростанции
|
Рсн/Руст
|
Wсн/Wвыр
|
|
ТЭЦ
|
|
пылеугольная
|
0,08 - 0,14
|
0,08 - 0,13
|
Выбор мощности не блочных трансформаторов

Коэффициент мощности
для генераторов мощности до 100МВт составляет
Коэффициент мощности трансформаторов собственных нужд составляет
Мощность на генераторном напряжении равно
МВт.
Полная мощность местной нагрузки
Полная мощность генераторов
Полная мощность собственных нужд
Выбираем трансформатор ТРДНС-40000/35[1, таблица 3.5, стр. 144].
Таблица 2.2 - Параметры трансформатора ТДНС-40000/35
|
Наименование
|
, МВА
|
, кВ
|
, кВ
|
, кВт
|
, кВт
|
,%
|
,%
|
|
ТРДНС -40000/35
|
40
|
6,3
|
35
|
36
|
170
|
|
0,5
|
Выбор мощности рабочих трансформаторов собственных нужд не блочной части
электростанции
Мощность трансформаторов собственных нужд (ТСН) определяется по полной
мощности собственных нужд не блочной части электростанции
где
- количество секций ЗРУ, шт.;
- максимальная мощность собственных нужд, МВт;
- установленная мощность генераторов, присоединенных к ГРУ,
МВт;
- сумма номинальных полных мощностей генераторов,
присоединенных к ГРУ, МВ∙А.
Выбор генераторов
Полная номинальная мощность генераторов, МВ∙А, определяется
где
- номинальная мощность генератора,
МВт;
- номинальный коэффициент мощности.
Выбираем генератор ТВФ - 63 - 2УЗ [1, таблица 2.1, стр. 76]:
Выбираем генератор ТВС - 32 -УЗ [1, таблица 2.1, стр. 76]:
Таблица 2.3 - Параметры генератораТВФ - 63 - 2УЗ
|
Наименование
|
, об/мин
|
, МВт
|
, МВА
|
, кВ
|
, кА
|
, о.е.
|
|
ТВФ-63-2У3
|
3000
|
63
|
78,75
|
6,3
|
7,21
|
|
Таблица 2.4 - Параметры генератораТВС - 32 -УЗ
|
Наименование , об/мин , МВт , МВА , кВ , кА , о.е.
|
|
|
|
|
|
|
|
ТВС-32-У3
|
3000
|
32
|
40
|
6,3
|
3,67
|
|
3 ВЫБОР ЦЕЛЕСООБРАЗНОГО СПОСОБА
ОГРАНИЧЕНИЯ ТОКОВ КОРОТКОГО ЗАМЫКАНИЯ
Рост генераторных мощностей, мощности электростанций приводят, с одной
стороны, к повышению надежности электроснабжения, а с другой, - к значительному
повышению токов короткого замыкания.
На ТЭЦ с поперечными связями генераторного напряжения для ограничения
токов КЗ в ГРУ (при наличии двух трансформаторов связи) применяют секционные
реакторы (СР)
Для достижения необходимого токоограничивающего эффекта у потребителя
обычно необходимо устанавливать линейные реакторы, которые снижают токи КЗ как
у потребителя, так и питающей кабельной сети.
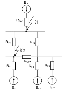
Рисунок 3.1 - Схема ограничения токов КЗ не блочной ТЭЦ
Выбор ректоров на ТЭЦ
Реакторы выбирают в зависимости от места их установки, по номинальному
напряжению, току и индуктивному сопротивлению.
Выбор секционных реакторов
При выборе секционного реактора LRK соблюдается следующая последовательность выбора:
1. Определяют число секций ГРУ;
2. В соответствии с числом секций ГРУ выбирают схему включения
секционных реакторов;
. Номинальное напряжение реактора должно соответствовать
номинальному напряжению установки, кВ:
4. Номинальный ток реактора (или ветви сдвоенного реактора) не должен
быть меньше максимального длительного тока нагрузки цепи, в которую он включен,
А:
где
- номинальная мощность генератора,
кВ∙А;
- номинальное напряжение генератора, кВ.
5. С точки зрения ограничения токов КЗ и поддержания более высокого
уровня остаточного напряжения индуктивное сопротивление реактора должно быть
наибольшим. Но в нагрузочном режиме это может привести к увеличению потерь
напряжения и мощности в самом реакторе. При установке секционного реактора на
ГРУ ТЭЦ, его сопротивление берут равным наибольшему значению из возможных,
указанных в каталоге для намеченного типа реактора;
6. Определить потери напряжения в реакторе
при наибольшем перетоке мощностей
между секциями
где
- номинальное индуктивное сопротивление реактора, Ом;
- ток через реактор, соответствующий режиму наибольшего
перетока мощности между секциями, А.
Эти потери не должны превышать 5 - 6 %
. В этом случае предусматривается
превышение, т.к. трансформатор связи был выбран с большим запасом по полной
мощности.
Следовательно, секционный реактор (внутренней установки) выбирается
максимальным по току (справочные данные):
РБДГ 10-4000-0,105У3:
;
Выбор линейных реакторов
1. Номинальное напряжение реактора должно соответствовать номинальному
напряжению установки, кВ:
2. Номинальный ток реактора (или ветви сдвоенного реактора) не должен
быть меньше максимального длительного тока нагрузки цепи, в которую он включен.
Для линейных реакторов, групповых реакторов на ТЭЦ, реакторов, установленных на
ПС, LR, ток, А:

где
- максимальная мощность нагрузки, подключенной через
реактор, кВ∙А.
Выбираем реактор РБС 10-2×1600-0,25У3 [1, таблица 5.15, стр.
350]:
Падение напряжения, вызываемое сопротивлением реактора не должно
превышать 5-6 % от номинального напряжения:
4 ВЫБОР ЭЛЕКТРИЧЕСКОЙ СХЕМЫ РУ
Выбор электрических схем РУ 6 - 10 кВ ТЭЦ
К РУ 6 - 10 кВ ТЭЦ подключается несколько присоединений (генераторы и
трансформаторы связи) и много линий, отходящих к местным потребителям.
Необходимо, чтобы схемы РУ 6 - 10 кВ удовлетворяли следующим требованиям:
1. Погашение секции сборных шин и отказ выключателя не должны приводить
к перерыву электроснабжения ответственных потребителей;
2. Расширение РУ с увеличением местных нагрузок не должно приводить
к изменению схемы и выполнению значительных строительных и монтажных работ.
Для указанных условий и требований наиболее рациональны схемы с одной или
двумя системами сборных шин с одним выключателем на присоединение.
Секционирование сборных шин позволяет удовлетворить требование надежности
схемы. При необходимости дальнейшего расширения новые линии присоединяют к
существующим секциям или сооружают новые секции. Обходная система шин с
обходным выключателем для ремонта выключателей в РУ 6 - 10 кВ не применяется.
Рисунок 4.1 - электрическая схема РУ 6 - 10 кВ
Выбор электрической схемы РУ повышенного напряжения
Схемы РУ повышенного напряжения (35 кВ и выше) входят в состав
электрических схем ГЭС, КЭС, ТЭЦ, АЭС и районных подстанций. К ним подключаются
потребители потребительские линии, линии системообразующей сети и межсистемных
связей, трансформаторы генераторных блоков и резервные трансформаторы
собственных нужд, т.е., в основном, все присоединения являются ответственными и
большой мощности.
Схемы РУ повышенного напряжения составляют с учетом следующих требований:
1 Ремонт выключателей 110 кВ и выше производить без отключения
присоединений;
2 Воздушную линию отключать от РУ не более, чем двумя
выключателями;
Трансформаторы блоков отключать не более, чем тремя
выключателями;
Отказы выключателей РУ в нормальном и ремонтном режимах не
должны приводить к одновременной потере двух транзитных параллельных линий,
если при этом нарушается устойчивость параллельной работы энергосистемы;
При отказе выключателей в нормальном режиме РУ не должно
отключаться более одного блока, а в ремонтном - не более двух блоков, при этом
не должны возникать перегрузки линий и нарушения устойчивости.
Рисунок 4.2 - электрическая схема РУ повышенного напряжения
Достоинства схемы:
· гибкость схемы, возможность отключения для ремонта любого элемента без
отключения других присоединений,
· достаточно высокая надежность схемы.
Недостатки схемы:
· большое количество разъединителей, изоляторов, токоведущих материалов;
· использование разъединителей в качестве оперативных
аппаратов;
· большое количество операций с разъединителями и сложная
блокировка между выключателями и разъединителями допускает возможность
ошибочного отключения тока нагрузки разъединителями;
· вероятность аварий из-за ошибок обслуживающего персонала больше, чем в
схемах с одной системой шин.
5. РАСЧЕТ ТОКОВ КОРОТКОГО ЗАМЫКАНИЯ
Коротким замыканием (КЗ) называется нарушение нормальной работы
электрической установки, вызванное замыканием фаз между собой, а также
замыканием фаз на землю в сетях с глухозаземленнойнейтралью.
Причинами КЗ обычно являются нарушения изоляции, вызванные ее
механическими повреждениями, старением, набросами посторонних тел на провода
ЛЭП, прямыми ударами молнии, перенапряжениями и т.д. В электроустановках
причинами КЗ часто являются неправильные действия обслуживающего персонала.
Примерами таких действий являются ошибочные отключения разъединителями цепей с
током, включение разъединителей на закоротку, ошибочные действия при
переключениях в главных схемах и схемах релейной защиты и автоматики.
При КЗ токи в поврежденных фазах увеличиваются в несколько раз по
сравнению с их нормальным значением, а напряжения снижаются, особенно вблизи
мест повреждения. Протекание больших токов КЗ вызывает повышенный нагрев
проводников, что ведет к увеличению потерь электроэнергии, ускоряет старение и
разрушение изоляции, может привести к потере механической прочности токоведущих
частей и электрических аппаратов.
Снижение уровня напряжения КЗ в сети ведет к уменьшению вращающего
момента электродвигателей, их торможению, снижению производительности или
полному останову. Резкое снижение напряжения при КЗ может привести к нарушению
устойчивости параллельной работы генераторов электростанций и частей
электрической системы, возникновению системных аварий.
Наиболее частыми являются однофазные КЗ, что составляет примерно 65 % от
всех видов короткого замыкания, далее по частоте возникновения идут двухфазные
КЗ на землю - 20 %, затем двухфазные - 10 % и трехфазные - 5 %. Иногда один вид
КЗ может перерасти в другой вид КЗ.
Для обеспечения надежной работы энергосистемы и предотвращения
повреждений оборудования при КЗ необходимо быстро отключить поврежденный
участок, что достигается применением быстродействующих устройств релейной
защиты с минимальной выдержкой времени и отключающими аппаратами.
К мерам, уменьшающим опасность развития аварий, относятся: выбор
целесообразной схемы сети, правильный выбор аппаратов по условиям КЗ,
применение токоограничивающих устройств и т.д.
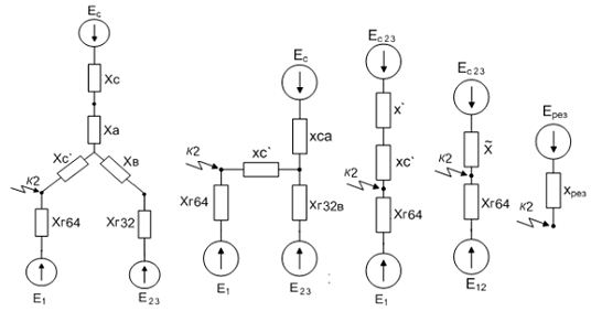
Расчетная схема и схема замещения
Под расчетной схемой понимают упрощенную однолинейную схему с указанием
всех элементов и параметров, которые повлияют на ток КЗ.
В соответствии с расчетной схемой составляется эквивалентная
электрическая схема замещения прямой последовательности.
Схемой замещения называют электрическую схему, соответствующую по
исходным данным расчетной схеме, но в которой все магнитные (трансформаторные)
связи заменены электрическими.
Рисунок 5.1 - Расчетная схема
Рисунок 5.2 - Эквивалентная схема замещения
Определим сверхпроводныеЭДС для синхронных генераторов.
,
где
- фазное напряжение генератора в предшествующий КЗ режиме;
- фазный ток генератора в предшествующий КЗ режиме;
- угол сдвига между векторами тока и напряжения в том же
режиме;
- сверхпереходное сопротивление синхронной машины.
Т.к. расчет ведется во.е.,
и
.
Сверхпроводное ЭДС генераторов G2 и G3:
.
Сверхпроводное ЭДС генератора G1:
.
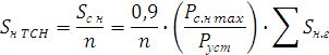
Приведение сопротивлений элементов схемы к базисным величинам
В каталогах и паспортах оборудования всегда приводятся номинальные
параметры машин и аппаратов, определенных по отношению к их номинальной
мощности и напряжению. В большинстве случаев расчетная схема содержит несколько
ступеней напряжения, поэтому, чтобы вести расчеты с помощью эквивалентной схемы
замещения, все сопротивления схемы приводят к одним и тем же базовым условиям.
Существует два метода расчета сопротивлений схемы замещения: в относительных
единицах или в именованных.
За базовую мощность принимают любую величину. Чтобы порядок относительных
величин сопротивлений при расчете был удобен, чаще всего принимают
. За базовое напряжение удобно
принять среднее напряжение ступени
где рассчитывают КЗ.
Таким образом, для каждой точки КЗ будут свои значения напряжения и тока.
Для определения сопротивлений всех элементов схемы замещения применяем
следующие формулы:
1) Для синхронных генераторов и синхронных компенсаторов
где
- номинальная мощность генератора, МВ∙А.
Сопротивления генераторов выбираем из таблицы 2.3, 2.4
ТВС - 32 - УЗ:
,
ТВФ - 63 - 2УЗ:
,

Для трансформаторов
где
- напряжение короткого замыкания трансформатора
ТДНС - 40000/35:
2) Для реакторов
где
- индуктивное сопротивление реактора, Ом;
- номинальное напряжение реактора, кВ;
3) Сопротивление и ЭДС системы, о.е.,
где
- номинальное реактивное сопротивление системы, отнесенное к
мощности системы,
Схема связи источников с точкой КЗ
В результате преобразований схема приводится к одному из видов, удобных
для расчета токов КЗ с учетом индивидуальных изменений токов в отдельных лучах.
Преобразование идет от источников питания к месту короткого замыкания
так, чтобы между источником и точкой КЗ осталось одно сопротивление. При этом
используются все известные способы преобразования (последовательное и
параллельное сложение элементов схемы, преобразование треугольника
сопротивлений в звезду и наоборот и т.д.).
Определение параметров тока КЗ
Определение параметров тока КЗ для точки К1
Определение начального значения периодической составляющей тока КЗ
Так как точка КЗ расположена на шинах РУ, то необходимо учитывать токи
двух ветвей: ветви с результирующими ЭДС генераторов и ветви с ЭДС
энергосистемы.
Найдем ударный ток:
где
- ударный коэффициент, связанный со сборными шинами, где
рассматривается КЗ,
Расчет апериодической составляющей тока КЗ
В качестве расчетного принимаем случай, когда начальное значение
апериодической составляющей тока КЗ равно по абсолютному значению амплитуде
периодической составляющей тока в момент КЗ
Ток КЗ в производный момент времени переходного процесса находится по
типовым кривым для момента расхождения контактов выключателя τ.
где
- время действия релейной защиты, можно принять 0,01с;
- собственное время отключения выключателя, для выключателей
35кВ, это время 0,035 с.
Номинальный ток генераторов:
Находим по графику типовых кривых для определения периодической
составляющей тока КЗ (Рис.7) отношение
, 4 типовая кривая
Рисунок 5.3 - Типовые кривые для определения периодической составляющей
тока КЗ
Величина асимметричного тока в момент размыкания контактов:
где
- постоянная времени затухания апериодической составляющей
тока КЗ. Для системы, связанной со сборными шинами, где рассматривается КЗ
Находим суммарные значения токов:
Максимальное значение асимметричного тока:
Определим процент апериодичности тока:
Определение параметров тока КЗ для точки К2

Определение начального значения периодической составляющей тока КЗ
Так как точка КЗ расположена на шинах РУ, то необходимо учитывать токи
двух ветвей: ветви с результирующими ЭДС генераторов и ветви с ЭДС энергосистемы.
Найдем ударный ток:
где
- ударный коэффициент.
РУ 6 - 10 кВ,
Расчет апериодической составляющей тока КЗ
В качестве расчетного принимаем случай, когда начальное значение
апериодической составляющей тока КЗ равно по абсолютному значению амплитуде
периодической составляющей тока в момент КЗ
Ток КЗ в производный момент времени переходного процесса находится по
типовым кривым для момента расхождения контактов выключателя τ.
где
- время действия релейной защиты,
можно принять 0,01с.
- собственное время отключения выключателя, для выключателей
35 кВ, это время 0,035 с.
Номинальный ток генераторов:
Находим по графику типовых кривых для определения периодической
составляющей тока КЗ (Рис.5.3)отношение
, 2 типовая кривая
Величина асимметричного тока в момент размыкания контактов:
где
- постоянная времени затухания апериодической составляющей
тока КЗ. Для РУ 6 - 10 кВ
Находим суммарные значения токов:
Максимальное значение асимметричного тока:
Определим процент апериодичности тока:
6. ВЫБОР КОММУТАЦИОННЫХ АППАРАТОВ
Выбор выключателей
Электрические аппараты выбираются по расчётным условиям нормального
режима с последующей проверкой их работоспособности в аварийных режимах. При
этом расчётные величины должны быть меньшими или равным каталожным параметрам.
Проверка выключателей выполняется по следующим условиям:
1. по напряжению
по длительному току
по отключающей способности
по полному току КЗ
2. на электродинамическую стойкость
где
- предельный сквозной ток (ток электродинамической
стойкости) по каталогу;
- ударный ток короткого замыкания.
Выключатели
35 кВ
|
Параметры
|
Выключатель ВВУ-35А-40/3150У1
|
|
Расчётные величины
|
Каталожные величины
|
Условия выбора проверки
|
|
Номинальное напряжение
|
35 кВ
|
35 кВ
|
35 = 35
|
|
Номинальный ток
|
Iр мах = 1980 А
|
Iн = 3150 А
|
1980<3150
|
|
Номинальный ток отключения:
|
|
|
<40
|
|
Номинальный ток динамической стойкости
|
|
|
<
|
|
Полный ток КЗ
|
|
73,54
|
39,2<73,5
|
Выключатели
6,3кВ
|
Параметры
|
Выключатель МГУ-20-90А-40/2000ХЛ1
|
|
Расчётные величины
|
Каталожные величины
|
Условия выбора проверки
|
|
Номинальное напряжение
|
6,3 кВ
|
20 кВ
|
6,3<20
|
|
Номинальный ток
|
Iр мах = 1259 А
|
Iн = 2000 А
|
1259< 2000
|
|
Номинальный ток отключения:
|
|
|
<90
|
|
Номинальный ток динамической стойкости
|
|
|
112,5<300
|
|
Полный ток КЗ
|
|
152
|
<152
|
Выбор разъединителей
Проверка разъединителей выполняется по следующим условиям:
по напряжению
по току
на электродинамическую стойкость
Разъединители
35 кВ
|
Параметры
|
РНД-35/2000
|
|
Расчётные величины
|
Каталожные величины
|
Условия выбора проверки
|
|
Номинальное напряжение
|
35 кВ
|
35 кВ
|
35 = 35
|
|
Номинальный ток
|
Iр мах = 1980 А
|
Iн = 2000 А
|
1980<2000
|
|
Номинальный ток динамической стойкости
|
кА
|
80 кА
|
<80 кА
|
Разъединители
6,3кВ
|
Параметры
|
РВР-10/6300 УЗ
|
|
Расчётные величины
|
Каталожные величины
|
Условия выбора проверки
|
|
Номинальное напряжение
|
35 кВ
|
35 кВ
|
35 = 35
|
|
Номинальный ток
|
Iр мах = 1259 А
|
Iн = 2000 А
|
1259<2000
|
|
Номинальный ток динамической стойкости
|
кА
|
260 кА
|
<260 кА
|
Выбор кабеля отходящих линий
Выбор сечения проводов отходящих линий выполняется по следующим условиям:
1. по напряжению
Кабель рассчитан на напряжение 6 кВ
2. по конструкции (табл. 4.6) [10]
Для отходящих линий генераторов Г1 используем два трехжильных медных
провода с изоляцией из сшитого полиэтилена. Для генераторовГ2 и Г3, по одному трехжильному
проводу.
3. по экономической плотности тока
где
- ток, проходящий по кабелю в нормальном режиме, А;
- экономическая плотность тока, А/мм2.
. Выбираем 4-х жильный провод. Сечение одной жилы 800 мм2.
4. по допустимому току
где
- длительно допустимый ток, А;
- наибольшее значение тока в аварийном (послеаварийном
режиме) А.
5. по загрузочной способности
Загрузка провода в нормальном режиме (для двух проводов):
6. по допустимому аварийному току
где
- допустимая перегрузка при послеаварийном режиме по
отношению к номинальной нагрузке (табл. 16.4) [3].
Выбор жестких шин ОРУ
По допустимому току
Выбираем медные шины с числом полос на фазу 2, размеры - 80x6 мм
7. ВЫБОР ИЗМЕРИТЕЛЬНЫХ ТРАНСФОРМАТОРОВ
a. Выбор трансформатора тока в цепи генератора 32 МВт
Трансформаторы тока выбираются по цепи самого мощного присоединения по
условиям:
Выбираем трансформатор тока ТПШЛ-10-4000/5.
Данный трансформатор тока удовлетворяет условиям:
Номинальный ток должен быть как можно ближе к рабочему току установки, т.к.
недогрузка первичной обмотки трансформатора тока приводит к увеличению
погрешности.
Проверяем выбранный трансформатор тока:
На термическую стойкость
На электродинамическую стойкость
На вторичную нагрузку
Поскольку индуктивное сопротивление вторичных цепей намного меньше
активного, поэтому будем считать
, то
.
Чтобы определить
составляем таблицу, куда заносим приборы, подключаемые к
трансформатору тока.
Таблица 7.1 - Приборы, подключаемые к трансформатору тока
|
Прибор
|
Тип прибора
|
|
Нагрузка фаз
|
|
|
|
А , ВА
|
В , ВА
|
С , ВА
|
|
Амперметр регистрирующий
|
Н-344
|
-
|
10
|
-
|
|
Ваттметр
|
Д-335
|
0.5
|
-
|
0.5
|
|
Варметр
|
Д-335
|
0.5
|
-
|
0.5
|
|
Счетчик активной энергии
|
СА3-И680
|
2.5
|
-
|
2.5
|
|
Ваттметр (щит турбины)
|
Д-335
|
0,5
|
-
|
0,5
|
|
Ваттметр регистрирующий
|
Н-348
|
10
|
-
|
10
|
|
ИТОГО:
|
|
14
|
10
|
14
|
определяется по формуле:
Допустимое сопротивление проводов :
Применяется кабель с Al
жилами, ориентировочная длина 40 м, ТА соединены в полную звезду, поэтому
, тогда сечение провода :
где
- удельное сопротивление меди
Принимаем кабель АКРВГ с жилами 4 мм2 , тогда
определим как :
Тогда вторичная нагрузка определится как:
;
Выбранный трансформатор тока удовлетворяет всем требованиям.
Аналогично определяем остальные трансформаторы тока и заносим в таблицу
расчетные и каталожные данные.
Выбор трансформатора тока в цепи генератора 63 МВт
Таблица 7.2 - Расчетные и каталожные данные ТШ-20-10000/5
|
Расчетные данные
|
Каталожные данные
|
|
ТШ-20-10000/5
|
|
|
|
|
|
|
|
|
|
|
|
|
|
|
|
Таблица 7.3 - Приборы, подключаемые к трансформатору тока
|
Прибор
|
Тип прибора
|
|
Нагрузка фаз
|
|
|
|
А , ВА
|
В , ВА
|
С , ВА
|
|
Амперметр регистрирующий
|
Н-344
|
-
|
10
|
-
|
|
Ваттметр
|
Д-335
|
0.5
|
-
|
0.5
|
|
Варметр
|
Д-335
|
0.5
|
-
|
0.5
|
|
Счетчик активной энергии
|
СА3-И680
|
2.5
|
-
|
2.5
|
|
Ваттметр (щит турбины)
|
Д-335
|
0,5
|
-
|
0,5
|
|
Ваттметр регистрирующий
|
Н-348
|
10
|
-
|
10
|
|
ИТОГО:
|
|
14
|
10
|
14
|
Выбор трансформатора тока линий 35 кВ
Таблица 7.4 - Расчетные и каталожные данныеТПШЛ-10-4000/5
|
Расчетные данные
|
Каталожные данные
|
|
ТШ-20-10000/5
|
|
|
|
|
|
|
|
|
|
|
|
|
|
|
|
Таблица 7.5- Приборы, подключаемые к трансформатору тока
|
Прибор
|
Тип прибора
|
|
Нагрузка фаз
|
В , ВА
|
С , ВА
|
|
Амперметр регистрирующий
|
Н-344
|
-
|
10
|
-
|
|
Счетчик активной и реактивной мощности
|
СР4-И679
|
12
|
12
|
12
|
|
Ваттметр регистрирующий
|
СА3-И680
|
2,5
|
-
|
2,5
|
|
ИТОГО:
|
Д-335
|
14,5
|
22
|
14,5
|
Выбор трансформатора тока шиносоединительного выключателя
Таблица 7.6- Расчетные и каталожные данныеТФЗМ-35-В1-2000/5
|
Расчетные данные
|
Каталожные данные
|
|
ТФЗМ-35-В1-2000/5
|
|
|
|
|
|
|
|
|
|
|
|
|
|
|
|
Таблица 7.7 - Приборы, подключаемые к трансформатору тока
|
Прибор
|
Тип прибора
|
|
Нагрузка фаз
|
|
|
|
А , ВА
|
В , ВА
|
С , ВА
|
|
Амперметр регистрирующий
|
Н-344
|
-
|
10
|
-
|
Выбор
трансформатора напряжения в цепи генератора 63 МВт
Выбираем трансформатор напряжения типа НТМК 6-71-У3
Трансформатор напряжения проверяется по вторичной нагрузке:
Номинальная мощность в выбранном классе точности 0,5
Таблица 7.7 - Приборы, подключаемые к трансформатору тока
Прибор
Тип S одной обмотки ВА Число обмоток cosjjЧисло приборовРпотр.
ВтQпотр.
|
ВА
|
|
|
|
|
|
|
Ваттметр
|
Д-335
|
1.5
|
2
|
1
|
0
|
2
|
6
|
0
|
|
Варметр
|
Д-335
|
1.5
|
2
|
1
|
0
|
1
|
3
|
0
|
|
Счетчик активной энергии
|
И-680
|
2
|
2
|
0.38
|
0.925
|
1
|
4
|
9.7
|
|
Датчик реактивной мощности
|
Е-830
|
10
|
-
|
1
|
0
|
1
|
10
|
0
|
|
Вольтметр
|
Э-335
|
2
|
1
|
1
|
0
|
1
|
2
|
0
|
|
Вольтметр регистрирующий
|
Н-344
|
10
|
1
|
1
|
0
|
1
|
10
|
0
|
|
Частотомер
|
Э-372
|
3
|
1
|
1
|
0
|
2
|
6
|
0
|
|
Ваттметр регистрирующий
|
Н-344
|
10
|
1
|
1
|
0
|
1
|
10
|
0
|
|
Датчик активной мощности
|
Е-829
|
10
|
-
|
1
|
0
|
1
|
10
|
-
|
|
ИТОГО:
|
71
|
9,7
|
Выбранный трансформатор напряжения типа НТМК 6-71-У3проходит по вторичной
нагрузке.
Для соединения трансформатора напряжения с приборами принимаем
контрольный кабель АКРВГ с сечением жил 2,5 мм2 по условию
механической прочности.
ЗАКЛЮЧЕНИЕ
В данном курсовом проекте рассчитана электрическая часть тепловой
пылеугольной электростанции. В ходе работы была выбрана схема ТЭЦ, силовые
трансформаторы, трансформаторы собственных нужд. Произведен выбор
целесообразного способа ограничения токов КЗ, электрической схемы РУ.
Рассчитаны токи короткого замыкания и выбраны коммутационные аппараты. Получен
навык проектирования электрической части электростанции.
СПИСОК ИСПОЛЬЗОВАННЫХ ИСТОЧНИКОВ
1. Неклепаев Б.Н. Электрическая часть электростанций и
подстанций: Справочные материалы для курсового и дипломного проектирования:
учеб. пособие для вузов. - 4-е изд., перераб. и доп. - М.: Энергоатомиздат,
1989. - 608 с.: ил.
2. Электрооборудование станций и подстанций: учебник для
сред.проф. образования / Рожкова Л.Д., Карнеева Л.К., Чиркова Т.В. - 4-е изд.,
стер. - М.: Издательский центр «Академия», 2007. - 448 с.: ил.
. Электрические системы и сети в примерах и
иллюстрациях: учеб.пособие для электроэнерг. спец. / В.В. Ежков; Под. ред. В.А.
Строева. - М.: Высш. шк., 1999. - 352 с.: ил.