Проектирование электростанции
Содержание
Введение
1.Выбор
основного оборудования и разработка вариантов схем выдачи энергии
.Выбор и
технико-экономическое обоснование главной схемы электрических соединений
.Расчёт токов
короткого замыкания
.Выбор
аппаратов
.Выбор
токоведущих частей
.Выбор
измерительных приборов и измерительных трансформаторов
. Выбор
типов релейной защиты
. Выбор
конструкций и описания распределительных устройств
Литература
Введение
Электрическая энергия находит широкое применение во всех областях
народного хозяйства и в быту. Этому способствуют такие ее свойства, как
универсальность и простота использования, возможность производства в больших
количествах промышленным способом и передачи на большие расстояния.
Электроснабжение осуществляется в настоящее время преимущественно от
электростанций с агрегатами большой мощности. Наиболее крупные тепловые
электростанции достигают мощности-3600 МВт,атомные-2500МВт,а
гидроэлектростанции-6000МВт
Важнейшие задачи, которые в настоящее время решают энергетики, состоят в
непрерывном увеличении объемов производства, в сокращении сроков строительства
новых энергетических объектов, уменьшении удельных капиталовложений, в
сокращении удельных расходов топлива, в улучшении структуры производства
электроэнергии и т. д.
1.Выбор основного оборудования и
разработка вариантов схем выдачи энергии
1.1
Разработка структурных схем
До разработки главной схемы составляются структурные схемы выдачи
электроэнергии, на которых показываются основные функциональные части
установки.
Структурная схема варианта выдачи энергии представлены на рис. 1.1.
Рис. 1.1.
Структурная схема выдачи энергии
1.2
Выбор основного оборудования
К основному электрическому оборудованию электростанций относятся
генераторы и трансформаторы. Количество и их параметры выбираются в зависимости
от типа, мощности и схемы станции, мощности энергосистемы и других условий.
Генераторы.
При выборе числа и мощности генераторов следует руководствоваться
следующими соображениями:
·
все генераторы
принимаются одинаковой мощности;
·
число генераторов
должно быть не менее двух и не более восьми;
·
единичная
мощность генератора не должна превышать 10 % установленной мощности системы,
включая проектируемую КЭС.
1.3Выбор
трансформаторов для схемы
Трансформаторы.
Трансформатор
Т1:
1) Выдача избыточной мощности в энергосистему в период минимума
нагрузки на шинах генераторного напряжения.
2) Пропуск от энергосистемы недостающей мощности на шинах
генераторного напряжения в момент максимальной нагрузки и при отключении одного
из наиболее мощных генераторов определяется
По
справочнику выбираем трансформатор ТДЦ - 150000/330.
Трансформатор
Т2:
3) Выдача избыточной мощности в энергосистему в период минимума
нагрузки на шинах генераторного напряжения.
4) Пропуск от энергосистемы недостающей мощности на шинах
генераторного напряжения в момент максимальной нагрузки и при отключении одного
из наиболее мощных генераторов определяется
По
справочнику выбираем трансформатор ТДН - 63000/330.
Выбираем
трансформатор собственных нужд
Выбираем
трансформатор ТДНС - 16000/10
Выбираем
пускорезервный трансформатор
выбираем
трансформатор
ТДНС-16000/10,5
Предварительный
выбор реакторов
Выбираем
реактор РБ-10-2500-0,35У3.
2.Выбор и технико-экономическое
обоснование главной схемы электрических соединений
2.1
Выбор схем распределительных устройств
Выбор схемы электрических соединений является важным и ответственным
элементом проектирования станции.
Количество отходящих линий определяется исходя из дальности передач и
экономически целесообразных величин передаваемых мощностей:
, (2.1)
где
Рмакс - максимальная мощность, выдаваемая на данном классе
напряжения, МВт.
Рлинии
- наибольшая передаваемая мощность на одну цепь, МВт.
Тогда
для напряжения 10,5 кВ:
принимаем
12 линий.
А
для напряжения 35 кВ:
принимаем
4 линии.
2.2
Технико-экономическое сравнение вариантов
Технико-экономическое сравнение вариантов производится с целью выявления
наиболее экономичного варианта распределения генераторов между различными напряжениями,
определения мощности генераторов (трансформаторов), выбора схемы РУ, когда
заданным техническим требования удовлетворяют несколько схем.
Экономически целесообразный вариант определяется минимумом приведенных
затрат:
,
где
К - капиталовложения на сооружение электроустановки, тыс. руб.;
рн
- нормативный коэффициент экономической эффективности капиталовложений, равный
0,12;
И
- годовые эксплуатационные издержки.
Капиталовложения
двух вариантов
Таблица 1.
|
Наименование
|
Стоимость единиц тыс.у.е
|
Количество единиц
|
Общая стоимость тыс. у.е
|
|
трансформатор ТДЦ - 150000/330
|
100
|
2
|
200
|
|
ОРУ 35кВ
|
18
|
4
|
72
|
|
Генератор ТВВ-150-2ЕУ3
|
523,6
|
2
|
1047,2
|
|
Трансформатор собственных
нужд ТДНС- 16000/10
|
12
|
2
|
24
|
|
ПРТСН ТМН - 10000/330
|
32
|
1
|
32
|
|
Реактор линнейный РБ
10-2500-0,35У3
|
10,2
|
4
|
40,8
|
|
трансформатор ТДН-
63000/330
|
100
|
2
|
200
|
|
Общая стоимость
|
|
|
1616
|
Годовые эксплуатационные издержки складываются из ежегодных
эксплуатационных расходов на амортизацию оборудования Иа и расходов,
связанных с потерями энергии в трансформаторах РУ:
,
где
Ра и Ро - отчисления на амортизацию и обслуживание, %.
Для оборудования проекта примем Ра = 6,4 %, Ро = 3 %;
ΔЭ - потери энергии в кВт·ч;
β - стоимость одного кВт·ч
потерянной энергии, равная 0,8коп/(кВт·ч).
Потери
энергии, кВт·ч, в двухобмоточном трансформаторе
,
где
ΔРхх - потери холостого хода;
ΔРкз - потери короткого замыкания;
Sн - номинальная мощность трансформатора, МВ·А;
Sм - максимальная нагрузка трансформатора;
Т
- число часов работы трансформатора, можно принять Т= 8760 час.
τ - число часов максимальных потерь, τ = 3000 час.
Потери
холостого хода и короткого замыкания для используемых трансформаторов:
ТРДН
150000/330:
Рхх
= 0,147 МВт; Ркз =0,4 МВт.
ТРДН
63000/330:
Рхх
= 0,103 МВт; Ркз = 0,265 МВт.
Потери
энергии в трансформаторах:
Первый вариант:
Затраты
на сооружение выбранной системы составят 393,65 тыс.у.е.
3.Расчёт
токов короткого замыкания
Для выбора и проверки электрических аппаратов необходимо, прежде всего,
правильно оценить расчётные условия КЗ: составить расчётную схему, наметить
места расположения расчётных точек КЗ, определить расчётное время протекания
тока КЗ и расчётный вид КЗ.
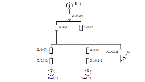
Составим расчётную схему (рис. 3.1.), которая представляет собой
однолинейную электрическую схему проектируемой станции, в которую включены все
источники питания и все возможные связи между ними и системой.
Рассчитаем сопротивления элементов, используя данные задания и параметры
выбранных ранее трансформаторов и генераторов.
Расчёт будет производиться в относительных единицах. Принимаем Sб = 100 МВ·А.
Линии:
где
Худ - удельное сопротивление 1 км линии, равное 0,4 Ом.
l - длина линии,
200 км;
Uср.н.2 -
средненоминальное напряжение, 345 кВ;
n - число цепей,
1.
Трансформаторы
блока (ТДЦ - 150000/330)
Трансформаторы
ТДН-63000/330
Трансформаторы
собственных нужд (ТДНС - 16000/10).
линейного
реактора РБ 10-2500-0,35У3
Генераторы
(ТВВ-150-2ЕУ3)
Сопротивление
системы.
У
меня задана система с сопротивлением
Приводя
к базисным условиям получаем
Общая
схема для расчета точек короткого замыкания.
Рис. 3.1.
Рассчитаем токи короткого замыкания.
Точка КЗ-1.
Схему (рис. 3.1.) свернём к схеме на рис. 3.2., где имеется три ветви
источников питания - система и все генераторы станции.
Рис. 3.2.
Сопротивления схемы на рис. 3.2. рассчитаем:
Х14
= Х1 +
Х15=Х16 = Х4,8 + Х6,10 = 0,07
+ 0,142 = 0,212
Периодические составляющие тока КЗ в относительных единицах:
I*по = Е/Х
I*пос = 1 /0,039 = 25,64
I*пог1,2 = 1,11/0,212 = 5,24
Базисный
ток:
где
Uср.н. -
средненоминальное напряжение ступени, для которой
рассчитывается
КЗ.
Для
К1 Uср.н. =
345 кВ.
тогда:
Iпос = I*пос Iб = 25,64 0,167 = 4,28 кА
Iпог1,2 = I*пог Iб = 5,24 0,167 = 0,875 кА
Ударный
ток:
Принимаем
для системы ударный коэффициент, а для генераторов
КУС
= 1,78
КУГ1
= 1,965
КУГ2
= 1,965
Получаем
ударные токи соответственно для системы и генераторов.
Точка
КЗ-2.
Х14
= Х1 +
Х15 = Х8 + Х10 = 0,07 + 0,142 = 0,212
Периодические
составляющие тока КЗ в относительных единицах:
I*по = Е/Х
I*пос = 1/0,047 =17,28
I*пог1 = 1,11/0,256 = 3,34
I*пог2 = 1,11/0,142 = 6,82
Базисный
ток:
где
Uср.н. -
средненоминальное напряжение ступени, для которой
рассчитывается
КЗ.
Для
К2 Uср.н. =
10,5 кВ.
тогда:
Iпос = I*пос∙Iб = 17,28∙5,5 = 100,04 кА
Iпог1 = I*пог1∙Iб = 3,34∙5,5 = 18,87 кА
Iпог2 = I*пог2∙Iб = 6,82∙5,5 = 38,01 кА
Ударный
ток:
Принимаем
для системы ударный коэффициент и для генераторов
КУС
= 1,608
КУГ1
= 1,965
КУГ2
= 1,98
Получаем
ударные токи соответственно для системы и генераторов.
Точка
К3-3.
Х14
= Х1 +
Х15 = Х8 + Х10 = 0,07 + 0,142 = 0,212
I*по = Е/Х
I*пос = 1/0,99 = 1,01
I*пог1 = 1,11/5,42 = 0,2
I*пог2 = 1,11/3,01 = 0,37
Базисный
ток:
где
Uср.н. -
средненоминальное напряжение ступени, для которой
рассчитывается
КЗ.
Для
К3 Uср.н. =
6,3 кВ.
тогда:
Iпос = I*пос∙Iб = 1,01∙9,16 = 9,25 кА
Iпог1 = I*пог1∙Iб = 0,2∙9,16 = 1,832 кА
Iпог2 = I*пог2∙Iб = 0,37∙9,16 = 3,39 кА
Ударный
ток:
Принимаем
для системы ударный коэффициент и для генераторов
КУС
= 1,82
КУГ1
= 1,98
КУГ2
= 1,98
Получаем
ударные токи соответственно для системы и генераторов.
Точка
КЗ-4.
Х14
= Х1 +
Х15 = Х8 + Х10 = 0,07 + 0,142 = 0,212
I*по = Е/Х
I*пос = 1/0,239 = 4,18
I*пог1 = 1,11/1,31 = 0,85
I*пог2 = 1,11/0,725 = 1,53
Базисный
ток:
где
Uср.н. -
средне-номинальное напряжение ступени, для которой
рассчитывается
КЗ.
Для
К4 Uср.н. =
10,5 кВ.
тогда:
Iпос = I*пос∙Iб = 4,18∙5,5 = 22,99 кА
Iпог1 = I*пог1∙Iб = 0,85∙5,5 = 4,675 кА
Iпог2 = I*пог2∙Iб = 1,53∙5,5 = 8,415 кА
Ударный
ток:
Принимаем
для системы ударный коэффициент и для генераторов
КУС
= 1,935
КУГ1
= 1,965
КУГ2
= 1,98
Получаем
ударные токи соответственно для системы и генераторов.
Точка
КЗ-5.
Х14
= Х1 +
Х15=Х16 = Х4,8 + Х6,10 = 0,07
+ 0,142 = 0,212
I*по = Е/Х
I*пос = 1/0,153 = 6,54
I*пог1,2 = 1,11/0,832 = 1,33
Базисный
ток:
где
Uср.н. -
средне-номинальное напряжение ступени, для которой
рассчитывается
КЗ.
Для
К5 Uср.н. =
38,5кВ.
тогда:
Iпос = I*пос∙Iб = 6,54∙1,5 = 9,81 кА
Iпог1,2I*пог1,2∙Iб = 1,33∙1,5
=2,0 кА
Ударный
ток:
Принимаем
для системы ударный коэффициент и для генераторов
КУС
= 1,904
КУГ1,2
= 1,98
Получаем
ударные токи соответственно для системы и генераторов.
Расчетные
данные сводим в таблицу 2.
Таблица
2
|
Точка КЗ
|
Источник
|
Храсч
|
I*п.0
|
Iп.0 кА
|
Ку
|
iу, кА
|
iа,τ, кА
|
Iп.τ кА
|
Та
|
Вк
|
|
К1
|
Система
|
0,039
|
25,64
|
4,28
|
1,78
|
10,77
|
1,31
|
4,28
|
0,04
|
2,2
|
|
Генератор 1
|
0,212
|
5,24
|
0,875
|
1,965
|
2,43
|
0,98
|
0,76
|
0,26
|
0,26
|
|
Генератор 2
|
0,212
|
5,24
|
0,875
|
1,965
|
2,43
|
0,98
|
0,76
|
0,26
|
0,26
|
|
Суммарная
|
|
31,12
|
6,03
|
|
14,63
|
3,31
|
5,8
|
|
2,72
|
|
К2
|
Система
|
0,047
|
21,28
|
100,04
|
1,608
|
236,2
|
1,66
|
100,4
|
0,02
|
2575,29
|
|
Генератор 1
|
0,256
|
4,34
|
18,87
|
1,98
|
56,33
|
22,608
|
16,98
|
0,54
|
403,4
|
|
Генератор 2
|
0,142
|
7,82
|
38,01
|
1,965
|
110,4
|
38,17
|
30,79
|
0,26
|
791,79
|
|
Суммарная
|
|
33,14
|
156,92
|
|
452,9
|
63,38
|
147,8
|
|
3770,43
|
|
К3
|
Система
|
0,99
|
1,01
|
9,25
|
1,82
|
23,81
|
3,14
|
9,25
|
0,05
|
11,12
|
|
Генератор 1
|
5,42
|
0,2
|
1,832
|
1,98
|
5,13
|
2,28
|
1,79
|
0,54
|
2,08
|
|
Генератор 2
|
3,01
|
0,37
|
3,39
|
1,98
|
9,49
|
4,22
|
3,18
|
0,54
|
7,13
|
|
Суммарная
|
|
1,58
|
14,472
|
|
38,43
|
9,64
|
14,22
|
|
20,33
|
|
К4
|
Система
|
0,293
|
4,18
|
22,99
|
1,935
|
62,91
|
12,77
|
22,99
|
0,15
|
184,98
|
|
Генератор 1
|
1,31
|
0,85
|
4,675
|
1,98
|
12,99
|
5,82
|
4,58
|
0,54
|
16,17
|
|
Генератор 2
|
0,725
|
1,53
|
8,415
|
1,965
|
23,56
|
2,34
|
7,9
|
0,26
|
32,57
|
|
Суммарная
|
|
6,56
|
36,08
|
|
99,46
|
20,8
|
35,47
|
|
233,72
|
|
К5
|
Система
|
0,153
|
6,54
|
9,81
|
1,904
|
26,42
|
6,24
|
9,81
|
0,1
|
24,06
|
|
Генератор 1
|
0,832
|
1,33
|
2,0
|
1,98
|
5,6
|
2,43
|
1,96
|
0,54
|
2,76
|
|
Генератор 2
|
0,832
|
1,33
|
2,0
|
1,98
|
5,6
|
2,43
|
1,96
|
0,54
|
2,76
|
|
Суммарная
|
|
9,2
|
13,81
|
|
36,22
|
11,1
|
13,73
|
|
26,82
|
4.Выбор
аппаратов
4.1
Выбор реакторов
Место подключения линейных реакторов определяется структурной схемой ТЭЦ.
Номинальный ток реактора определяется исходя из наибольшего тока группы линий.
Рекомендуется чтобы число линий присоединенных к реактору не превышало 3-4.
Результирующие
сопротивление цепи КЗ до реактора ХΣ можно определить по выражению
Требуемое
сопротивление цепи КЗ для обеспечения IНом.откл
ХР=ХТРЕБ+ХΣ = 0,303-0,038=0,341 Ом
Выбираем
реактор РБГД-10-2500-0,35У3
Проверка
стойкости реактора в режиме КЗ.
на
термическую стойкость
4.2
Выбор выключателей разъединителя
4.2.1
Выключатель и разъединитель находящиеся на шинах распределительного устройства
РУ-330
Расчетные токи продолжительного режима определяются
По
справочнику выбираем выключатель ВВ-330Б-31,5/2000У1
τ=tз.мин+tс.в=0,01+0,05=0,06
Находим
отношение Iпо/Iнг≈ 4 (четвёртая типовая кривая)
Отсюда: К
= 0,87.
Inτг1,2 = К·Iпог = 0,87·0,875 = 0,76 кА
Inτс = Iпос = 4,28 кА
,
Данные
по выбору сводим в таблицу 4.1.
Таблица 4.1.
|
Расчетные данные
|
Данные выключателя
ВВ-330Б-31,5/2000У1
|
Данные разъединителя
РНД-330/3200У1
|
|
UУСТ=330
кВ
|
UНОМ=330
кВ
|
UНОМ=330
кВ
|
|
IМАХ=380
А
|
IНОМ=2000
А
|
IНОМ=3200
А
|
|
In,τ=5,8 кА
|
Iотк.ном=31,5
кА
|
#
|
|
ia, τ=3,31 кА
|
ia,ком= кА#
|
|
|
Iп,0=6,03
кА
|
Iдин=31,5
кА
|
#
|
|
iу=15,63
кА
|
iдин=80
кА
|
iдин=160
кА
|
|
Вк=2,72 кА2∙с
|
I2тер∙tтер =31,52∙3=2976,75 кА2∙с
|
I2тер∙tтер =632∙2=7938 кА2∙с
|
4.2.2
Выключатель и разъединитель находящиеся за силовым трансформатором
Расчетные токи продолжительного режима определяются
По
справочнику выбираем выключатель ВВГ-20-160/12500У3
τ=tз.мин+tс.в=0,01+0,08=0,09
Находим
отношение Iпо/Iнг1≈ 2 (вторая типовая кривая)
Находим
отношение Iпо/Iнг2≈5 (пятая типовая кривая)
Отсюда: К
= 0,9.
Отсюда: К
= 0,81.
Inτг1= К·Iпог = 0,9·18,87 = 16,98 кА
Inτг2 = К·Iпог = 0,81·38,01 = 30,79 кА
Inτс = Iпос = 100,04 кА
,
Данные
по выбору сводим в таблицу 4.2.
Таблица 4.2
|
Расчетные данные
|
Данные выключателя
ВВОА-15-140/12500У3
|
Данные разъединителя
РВП20/12500У3
|
|
UУСТ=13,75
кВ
|
UНОМ=20
кВ
|
UНОМ=20
кВ
|
|
IМАХ=12370
А
|
IНОМ=12500
А
|
IНОМ=12500
А
|
|
In,τ=147,81 кА
|
Iотк.ном=160
кА
|
#
|
|
ia, τ=63,38 кА
|
ia,ком= кА#
|
|
|
Iп,0=156,92
кА
|
Iдин=160
кА
|
#
|
|
iу=402,92
кА
|
iдин=410
кА
|
iдин=490
кА
|
|
Вк=3770,43 кА2∙с
|
I2тер∙tтер =1602∙4=102400 кА2∙с
|
I2тер∙tтер =1802∙4=129600 кА2∙с
|
4.2.3
Выключатель находящийся за трансформатором собственных нужд
Расчетные токи продолжительного режима определяются
По
справочнику выбираем выключатель ВЭЭ-6-40/2500У3
τ=tз.мин+tс.в=0,01+0,06=0,07
Находим
отношение Iпо/Iнг1≈1 (первая типовая кривая)
Находим
отношение Iпо/Iнг2≈2 (вторая типовая кривая)
Отсюда: К
= 0,98.
Отсюда: К
= 0,94.
Inτг1= К·Iпог = 0,98·1,832 = 1,79 кА
Inτг2 = К·Iпог = 0,94·3,39 = 3,18 кА
Inτс = Iпос = 9,25 кА
,
Данные
по выбору сводим в таблица 4.3.
Таблица 4.3
|
Расчетные данные
|
Данные выключателя
ВЭЭ-6-40/2500У3(Т3)
|
|
UУСТ=6,3
кВ
|
UНОМ=6 кВ
|
|
IМАХ=2210
А
|
IНОМ=2500
А
|
|
In,τ=14,22 кА
|
Iотк.ном=40
кА
|
|
ia, τ=9,64 кА
|
ia,ком= кА
|
|
Iп,0=14,47
кА
|
Iдин=40
кА
|
|
iу=38,43
кА
|
iдин=128
кА
|
|
Вк=20,33 кА2∙с
|
I2тер∙tтер =402∙3=4800 кА2∙с
|
4.2.4
Выключатель и разъединитель находящиеся за линейным реактором
По
справочнику выбираем выключатель МГУ-20-90/6300У3
τ=tз.мин+tс.в=0,01+0,15=0,16
Находим
отношение Iпо/Iнг1≈ 1 (первая типовая кривая)
Находим
отношение Iпо/Iнг2≈2 (вторая типовая кривая)
Отсюда: К
= 0,98.
Отсюда: К
= 0,94.
Inτг1= К·Iпог = 0,98∙4,675 = 4,58 кА
Inτг2 = К·Iпог = 0,94∙8,415 = 7,9 кА
Inτс = Iпос = 22,99 кА
,
Данные
по выбору сводим в таблица 4.4.
Таблица 4.4.
|
Расчетные данные
|
Данные выключателя
МГУ-20-90/6300У3
|
Данные разъединителя
РВР-20/8000У3
|
|
UУСТ=10,5
кВ
|
UНОМ=20
кВ
|
UНОМ=20
кВ
|
|
IМАХ=5820
А
|
IНОМ=6300
А
|
IНОМ=8000
А
|
|
In,τ=35,47 кА
|
Iотк.ном=90
кА
|
#
|
|
ia, τ=20,8 кА
|
ia,ком= кА#
|
|
|
Iп,0=36,08
кА
|
Iдин=105
кА
|
#
|
|
iу=99,46
кА
|
iдин=300
кА
|
iдин=320
кА
|
|
Вк=233,72 кА2∙с
|
I2тер∙tтер =902∙4=32400 кА2∙с
|
I2тер∙tтер =1252∙4=62500 кА2∙с
|
4.2.5
Выключатель и разъединитель находящиеся за силовым трансформатором
Расчетные токи продолжительного режима определяются
По
справочнику выбираем выключатель ВВУ-35А-40/2000У1
τ=tз.мин+tс.в=0,01+0,07=0,08
Находим
отношение Iпо/Iнг1≈ 1 (первая типовая кривая)
Отсюда: К
= 0,98.
Inτг1,2= К·Iпог = 0,98·2 = 1,96 кА
Inτс = Iпос = 9,81 кА
,
Данные
по выбору сводим в таблица 4.5.
Таблица 4.5.
|
Расчетные данные
|
Данные выключателя
ВВУ-35А-40/2000У1
|
Данные разъединителя
РНД-35/3200У1
|
|
UУСТ=35
кВ
|
UНОМ=35
кВ
|
UНОМ=35
кВ
|
|
IМАХ=1755
А
|
IНОМ=2000
А
|
IНОМ=3200
А
|
|
In,τ=13,73 кА
|
Iотк.ном=40
кА
|
#
|
|
ia, τ=11,1 кА
|
ia,ком= кА#
|
|
|
Iп,0=13,81
кА
|
Iдин=40
кА
|
#
|
|
iу=37,62
кА
|
iдин=102
кА
|
iдин=125
кА
|
|
Вк=26,82 кА2∙с
|
I2тер∙tтер =402∙3=4800 кА2∙с
|
I2тер∙tтер =502∙4=10000 кА2∙с
|
Данные по расчету и выбору апериодической и периодической составляющей
сводим в таблицу 2 пункта записки 3.
4.3
Выбор разрядников
Для защиты от атмосферных и кратковременных внутренних перенапряжений
изоляции оборудования применяют следующие виды разрядников:
РВМГ - 330 МУ1 (для электрооборудования 330 кВ)
РВРБ - 20 Т1 (для электрооборудования 10,5 кВ)
РВРБ - 35 (для электрооборудования 35 кВ)
5.Выбор токоведущих частей
Основное электрическое оборудование электростанции и подстанции
(генераторы, трансформаторы) и аппараты в этих цепях (выключатели,
разъединители и др.) соединяются между собой проводниками разного типа, которые
образуют токоведущие части электроустановок.
Сборные
шины 330кВ.

По
таблице выбираем АС-120/19, с d=15,2 мм и Iдоп=390 А.
Проверка шин на схлёстывание не производится. Проверка шин на термическое
действие тока КЗ не производится, т.к. шины выполнены голыми проводами на
открытом воздухе. Проверка по условию коронирования не производится, т.к. 120
мм2>70 мм2.
Гибкий провод от трансформатора до
сборных шин 330 кВ.
Принимаем
провод АС-240/39 с d=21,6 мм и Iном=610 А.
Imax=376,53<610
А.
Проверка на схлёстывание, термическое действие тока КЗ и короне не
производится.
Т.к. все остальные присоединения к сборным шинам 330 кВ менее мощные, то
их также выбираем АС-240/39.
Сборные шины 35 кВ.

По
таблице выбираем 2×АС-300/39, с d=24 мм и Iдоп=1420 А.
Проверка шин на схлёстывание не производится. Проверка шин на термическое
действие тока КЗ не производится, т.к. шины выполнены голыми проводами на
открытом воздухе. Проверка по условию коронирования не производится, т.к. 300
мм2>70 мм2.
Гибкий провод от трансформатора до
сборных шин 35 кВ.
Принимаем
провод 2×АС-450/56 с d=28,8 мм и Iном=1720 А.
Imax=1417,13<1720
А.
Проверка на схлёстывание, термическое действие тока КЗ и короне не
производится.
Т.к. все остальные присоединения к сборным шинам 35 кВ менее мощные, то
их также выбираем 2×АС-450/56.
Комплектный пофазно-экранированный
токопровод.
Участок от выводов генератора до
блочного трансформатора и отпайка к трансформатору собственных нужд выполняется
поффазно-экранированным токопроводом.
По табл. 9.13[1] выбираем токопровод
ГРТЕ-20 10000-300
Таблица 5.1.
|
Параметры
|
ГРТЕ-20-10000-300
|
|
Тип турбогенератора
|
ТВВ-150-2
|
|
Номинальное напряжение, кВ
Турбогенератора Токопровода
|
13,75 20
|
|
Номинальный ток, А:
Турбогенератора Токопровода
|
6040 10000
|
|
Электродинамическая
стойкость, кА
|
300
|
|
Токоведущая шина dxs,мм
|
280х12
|
|
Кожух(экран) Dxδ, мм
|
750х4
|
|
Междуфазное расстояние А,
мм
|
1000
|
|
Тип опорного изолятора
|
ОФР-20-375с
|
|
Шаг между изоляторами, мм
|
2500-3000
|
|
Тип применяемого
трансформатора напряжения
|
ЗОМ-1/15(18)
|
|
Тип встраиваемого
трансформатора тока
|
ТШ-20-10000/5
|
|
Предельная длинна
монтажного блока или секции, м
|
8
|
|
Масса 1 м одной фазы, кг
|
До 90
|
|
Цена 1 м одной фазы, у.е.
|
105
|
Шины КРУ
Выбираем прямоугольные алюминиевые шины КРУ и от КРУ до реактора. Расчёт
производим по допустимому току стр. 328[1].
≤Iдоп=2410- двухполосная.
Сечение
шины: 80×10.
Выбор изоляторов
Выбираем опорные изоляторы ИОР-10-20,00УХЛ3
Изоляторы выбираем по:
номинальному напряжению Uном.
изол≥Uуст, т. е. 10=10кВ;
по допустимой нагрузке Fрасч
≤ Fдоп;
Fдоп=0,6∙Fразр=0,6∙20000=12000 Н;
Fрасч=1,76∙99,462∙0,9∙10-7/0,8=9844,8Н<12000
Н;
что удовлетворяет условию
механической прочности.
Шины СН.
Выбираем
двухполосные шины 80×10.
Выбор
изоляторов для шины СН.
Выбираем опорные изоляторы ИОР-10-20,00УХЛ3
Изоляторы выбираем по:
номинальному напряжению Uном.
изол≥Uуст, т. е. 10=10кВ;
по допустимой нагрузке Fрасч
≤ Fдоп;
Fдоп=0,6∙Fразр=0,6∙20000=12000 Н;
Fрасч=1,76∙99,462∙0,9∙10-7/0,8=9844,8Н<12000
Н;
что удовлетворяет условию
механической прочности.
Кабель до ТСН.
Шины СН выбираем по:
установившемуся напряжению Uуст≤Uдоп, т.е. 6=6 кВ;
-
Выбираем
ТЗК-1500/93 с Iдоп=2360 А
и d=37,7 мм.
6.Выбор
измерительных приборов и измерительных трансформаторов
6.1
Выбор измерительных приборов
1) Турбогенератор.
Тип прибора Класс точности
Статор:
Амперметр в каждой фазе Э - 377 1,5
Вольтметр Э - 377 1,5
Ваттметр Д - 365 1,5
Варметр Д - 365 2,5
Счётчик активной энергии И - 675 1,0
Счётчик реактивной энергии И - 675М 2,0
Регистрирующие приборы
Частотомер Н - 397 2,5
Суммирующий ваттметр Н - 395 1,5
Варметр Н - 395 1,5
Ротор:
Амперметр Э - 377 1,5
Вольтметр Э - 377 1,5
вольтметр в цепи основного и
и резервного возбудителя Э - 377 1,5
Регистрирующие приборы
Частотомер Н - 397 2,5
Суммирующий ваттметр Н - 395 1,5
Варметр Н - 395 1,5
2) Трансформатор связи.
НН: Амперметр Э - 377 1,5
Ваттметр Д - 365 1,5
Варметр с двухсторонней шкалой Д - 365 2,5
ВН:
) Трансформатор собственных нужд.
Сторона питания:
Амперметр Э - 377 1,5
Ваттметр Д - 365 1,5
Счётчик активной энергии И - 675 1,0
4) Шиносоедениетельный и выключатель
Амперметр Э - 377 1,5
5) Сборные шины 330 и 35 кВ
Вольтметр для измерения междуфазного напряжения и регистрирующий
вольтметр Э - 377 1,5
6) Пускорезервный трансформатор (ПРТСН)
Амперметр Э - 377 1,5
Ваттметр Д - 365 1,5
Счётчик активной энергии И - 675 1,0
6.2
Выбор трансформаторов тока
Цепь генератора.
Встроенные в токопровод трансформаторы тока ТШЛ20Б - III 18000/5.
Подсчёт вторичной нагрузки трансформатора тока приведён в табл. 6.1
Таблица 6.1
|
Прибор
|
Тип
|
Кол-во
|
Потребляемая мощность, В·А
|
|
|
|
Фаза А
|
Фаза В
|
Фаза С
|
|
Амперметр
|
Э-377
|
3
|
0,1
|
0,1
|
0,1
|
|
Ваттметр
|
Д-365
|
1
|
0,5
|
|
0,5
|
|
Варметр
|
Д-365
|
1
|
0,5
|
|
0,5
|
|
Счётчик активной энергии
|
И-675
|
1
|
2,5
|
|
2,5
|
|
Счетчик реактивной энергии
|
И-675М
|
1
|
2,5
|
2,5
|
2,5
|
|
Суммирующий ваттметр
|
Н-395
|
1
|
10
|
|
10
|
|
Варметр
|
Н-395
|
1
|
10
|
10
|
10
|
|
Суммарная нагрузка
|
|
|
26.1
|
12,6
|
26,1
|
Наибольшая нагрузка приходится на ТТ фаз А и С Sприб = 26,1 В·А
rприб= Sприб / I22 = 26,1/ 52 = 1,04 Ом
Тогда rпр = Z2 ном - r
приб - r к,
где rк - сопротивление в контактах, Ом;
rпр - сопротивление соединительных
проводов, Ом;
Z2
ном - номинальная
нагрузка, Ом.
rпр = 1,2 - 1,04 - 0,1 = 0,06 Ом.
Для генератора 150 МВт применяем кабель с алюминиевыми жилами,
ориентировочная длина 40м
Тогда расчётное сечение проводов:
Принимаем
контрольный кабель АКРВГ с жилами сечением 4мм2
Остальные
трансформаторы выбираем аналогично
Трансформатор
связи
В
трансформатор встроены трансформаторы тока типа ТВТ - 10 - 5000/5.
Цепь
собственных нужд.
В
трансформатор СН встроены трансформаторы тока типа ТПОЛ-10-1000
С
низкой стороны (6 кВ) трансформатора СН устанавливаем трансформаторы тока типа
ТПОЛ-10-1000
Шиносоедениетельный
и выключатель
Принимаем
трансформатор ТФЗМ -110Б1 1000/5
ОРУ
- 330кВ
Устанавливаем
трансформаторы тока типа ТФКН-330-1000/5
Подсчёт
вторичной нагрузки приведён в табл. 6.2.
Таблица
6.2.
|
Прибор
|
Тип
|
Кол-во
|
Потребляемая мощность, В·А
|
|
|
|
Фаза А
|
Фаза В
|
Фаза С
|
|
Амперметр
|
Э-377
|
3
|
0,5
|
0,5
|
0,5
|
|
Ваттметр
|
Д-365
|
1
|
0,5
|
|
0,5
|
|
Варметр
|
Д-365
|
1
|
0,5
|
|
0,5
|
|
Счётчик активной энергии
|
И-675
|
1
|
|
2,5
|
|
|
Счетчик реактивной энергии
|
И-675М
|
1
|
|
2,5
|
|
|
Регистрирующий амперметр
|
Э-377
|
1
|
10
|
|
10
|
|
Суммарная нагрузка
|
|
|
11.5
|
5,5
|
11,5
|
6.3
Выбор трансформаторов напряжения
энергия электрический ток реактор
Цепь генератора.
В токопровод встроены трансформаторы напряжения НТМИ - 10-66 У3.
Мощность приборов, подключённых к ТН приведена в табл. 6.3.
Таблица 6.3.
|
Прибор
|
Тип
|
Sобм, В·А
|
Число паралл. катушек
|
cosφ
|
Число приборов
|
Общая мощность
|
|
|
|
|
|
|
|
Р, Вт
|
Q,Вар
|
|
Вольтметр
|
Э-377
|
2
|
1
|
1
|
0
|
1
|
2
|
|
|
Ваттметр
|
Д-365
|
1,5
|
2
|
1
|
0
|
2
|
6
|
|
|
Варметр
|
Д-365
|
1,5
|
2
|
1
|
0
|
1
|
3
|
|
|
Счётчик акт. эн.
|
И-675
|
2 Вт
|
2
|
0,38
|
0,925
|
1
|
4
|
9,7
|
|
Ваттметр регистр.
|
Н-395
|
10
|
2
|
1
|
0
|
1
|
20
|
|
|
Вольтметр регистр
|
Н-393
|
10
|
1
|
1
|
0
|
1
|
10
|
|
|
Частото-метр
|
Э-372
|
3
|
1
|
1
|
0
|
2
|
6
|
|
|
|
|
|
|
|
|
51
|
9,7
|
Полную мощность определим по формуле:
Допустимая
мощность ТН: Sд = 50 В·А
Тогда
имеем: S2∑
< Sдоп
Следовательно,
ТН обеспечит необходимый класс точности 0,5.
Остальные
трансформаторы выбираем аналогично
На
шинах 330 кВ устанавливаем трансформатор типа НКФ -330 - 83У1.
Следовательно
ТН обеспечивает необходимый класс точности 0,5.
Таблица
6.4.
|
Прибор
|
Тип
|
Sобм, В·А
|
Число паралл. катушек
|
cosφ
|
sinφ
|
Число приборов
|
Общая мощность
|
|
|
|
|
|
|
|
Р, Вт
|
Q,Вар
|
|
Ваттметр
|
Д-365
|
1,5
|
2
|
1
|
0
|
1
|
3
|
|
|
Варметр
|
Д-365
|
1,5
|
2
|
1
|
0
|
1
|
3
|
|
|
Счётчик реакт. эн.
|
И-675М
|
3 Вт
|
2
|
0,38
|
0,925
|
1
|
3х2
|
14,6
|
|
Счётчик акт. эн.
|
И-675
|
3 Вт
|
2
|
0,38
|
0,925
|
1
|
3х2
|
14,6
|
|
Вольтметр регистр
|
Н-393
|
10
|
2
|
1
|
0
|
1
|
20
|
|
|
|
|
|
|
|
|
38
|
29,2
|
7. Выбор
типов релейной защиты
7.1
Защиты блока генератор - трансформатор
1) продольная дифференциальная защита
трансформатора от многофазных замыканий, витковых замыканий и замыканий на
землю на основе применения реле РНТ - 562;
2) продольная дифференциальная защита
генератора от многофазных КЗ в обмотках статора и на его выводах с
использованием реле РНТ - 562;
3) защита напряжения нулевой
последовательности - от замыкания на землю на стороне генераторного напряжения;
4) газовая защита трансформатора - от
замыкания внутри кожуха трансформатора;
5) токовая защита обратной последовательности,
состоящая из двух фильтр - реле тока обратной последовательности РТФ - 2 и РТФ
- 3. При этом чувствительный орган реле РТФ - 2 и РТФ - 3 осуществляет защиту
генератора от перегрузок токами обратной последовательности. Грубый орган реле
РТФ - 2 является резервной защитой от внешних несимметричных КЗ;
6) токовая защита с пуском по
минимальному напряжению - резервная от симметричных КЗ;
7) защита нулевой последовательности от
внешних замыканий на землю в сети с большим током замыкания н землю;
8) максимальная токовая защита от
симметричных перегрузок, используется ток одной фазы;
9) цепь ускорения отключения блока и
пуск схемы УРОВ при неполнофазных отключениях выключателя;
10)односистемная
поперечная защита от витковых замыканий в одной фазе без выдержки времени - для
защиты генератора.
7.2
Защиты трансформаторов собственных нужд
1) от повреждений внутри кожуха и на
выводах - продольная дифференциальная токовая защита на основе реле РНТ - 562;
2) от повреждений внутри кожуха
трансформатора, сопровождающихся выделением газов и от понижения уровня масла -
газовая защита;
3) от внешних КЗ, а так же для
резервирования защит по пунктам 1) - 2) - МТЗ с комбинированным пуском по
напряжению;
4) от перегрузки - МТЗ, использующая ток
одной фазы с действием на сигнал.
7.3
Защита шин
1) дифференциальная токовая защита без
выдержки времени, охватывающая все элементы, которые подсоединены к системе
шин, осуществляется с помощью реле тока, отстроенного от переходного и
установившегося тока небаланса;
2) на обходном выключателе
устанавливается трёхступенчатая дистанционная защита и токовая отсечка от
многофазных КЗ;
3) на обходном выключателе -
четырёхступенчатая токовая направленная защита нулевой последовательности от
замыканий на землю;
4) на шиносоединительном выключателе -
двухступенчатая токовая защита от многофазных КЗ;
5) на шиносоединительном выключателе -
трёхступенчатая токовая защита нулевой последовательности от замыканий на
землю.
7.4
Защита ЛЭП
На все ЛЭП с напряжением 35 кВ и 10,5 кВ ставим защиты:
1) высокочастотная защита;
2) трёхступенчатая дистанционная защита;
3) токовая защита нулевой
последовательности - для защиты от КЗ на землю.
8. Выбор
конструкций и описания распределительных устройств
Типовые конструктивные решения служат основой для разработки конструкций
РУ при проектировании конкретной электростанции. Окончательное решение по
конструкции РУ принимается на основании технико-экономического сопоставления
ряда эскизно проработанных вариантов компоновок.
РУ должны удовлетворять ряду требований. Основные из них: надёжность,
экономичность, удобство и безопасность обслуживания, безопасность для людей,
находящихся вне РУ, пожаробезопасность, возможность расширения.
Надёжность в работе означает малую вероятность возникновения повреждения
оборудования, КЗ в РУ, локализацию повреждения, если оно всё-таки возникло.
Требования экономичности предполагает возможно меньшие размеры РУ
(площадь, объём зданий), капитальные затраты и сроки сооружения.
Для оперативного персонала необходимо обеспечить безопасность и удобство
осмотра оборудования, произведений переключений и выполнения работ по
устранению мелких неполадок, для ремонтного персонала - безопасность и удобство
ремонта и замены оборудования при снятии напряжения лишь с того присоединения,
которому принадлежит ремонтируемое оборудование. Требование возможности
расширения означает возможность подключения к РУ новых присоединений.
Площадка ОРУ окружается от остальных территорий станции внутренним
забором высотой 1,6 м - сплошным сетчатым и решётчатым. Компоновку ОРУ
выбирают, исходя из схемы соединений, перспектив развития и особенностей
конструкций установленных электрических аппаратов.
Расстояние между токоведущими частями и от них до различных элементов ОРУ
должно выбираться в соответствии с требованиями ПУЭ.
ОРУ 35 кВ сооружается из блоков заводского изготовления. В таком ОРУ всё
оборудование смонтировано на заводе и готовыми блоками поставляется для
монтажа. Сборные шины, к которым присоединяются блоки, могут быть гибкими или
жёсткими. Разъединители в блоках расположены на небольшой высоте, что облегчает
их ремонт. Для безопасности обслуживания блоки имеют сетчатое ограждение.
В моём курсовом проекте на напряжение 330 - полуторная схема.
Полуторная схема с двумя системами шин и тремя выключателями на две цепи.
Достоинством схемы является то, что при ревизии любого выключателя все
присоединения остаются в работе. Другим достоинством полуторной схемы является
её высокая надёжность, т.к. все цепи остаются в работе даже при КЗ на сборных
шинах.
Недостатком рассматриваемой схемы является:
отключение КЗ на лини двумя выключателями, что увеличивает общее
количество ревизий выключателей;
удорожание конструкции РУ при нечётном числе присоединений, т.к. одна
цепь должна присоединятся через два выключателя;
снижение надёжности схемы, если количество линий не соответствует числу
трансформаторов. В данном случае к одной цепочке из трёх выключателей
присоединяются два одноимённых элемента, поэтому возможно аварийное отключение
одновременно двух линий;
увеличение количества выключателей в схеме.
Жёсткие шины позволяют применить более простые несущие конструкции,
уменьшить занимаемую площадь и высоту ОРУ. Однако стоимость жёстких шинных
конструкций несколько выше стоимости гибких шин, а так же для крепления
требуются более дорогие и менее надёжные опорные изоляторы.
Для крепления гибких проводов предусматриваются порталы, для жёстких шин
и аппаратов опоры в виде стояк и стульев или так же порталы.
Оборудование одного присоединения занимает горизонтальную полосу, которую
называют ячейкой.
Надёжность ОРУ достигается соблюдением достаточных изоляционных
расстояний в воздухе между токоведущими частями разных фаз и между токоведущими
и заземлёнными частями.
Для удобства обслуживания (монтажа, ремонта) предусматривается проезд
вдоль ряда выключателей. Габариты проезда должны быть не менее 4 м по ширине и
высоте.
Литература
1) Методические указания по курсовому
проектированию по курсу “Электрическая часть электрических станций”, БПИ, Мн.,
1982 г.
2) Крючков И.П., Кувшинский И.Н.,
Неклепаев Б.И. “Электрическая часть электростанций и подстанций. Справочные
материалы для курсового и дипломного проектирования”, 3 изд. - М: Энергия 1978
г.
3) Рожкова Л.Д., Козулин В.С.
“Электрооборудование станций и подстанций”, 2 изд. - М: Энергия 1980г.
4) “Справочник по проектированию
электроэнергетических систем”, под ред. С.С. Рокотяна и И.М. Шашила - М:
Энергия 1977 г.