Проектирование электростанции КЭС-1000
Содержание
1. Введение
2. Выбор генераторов
3. Выбор двух вариантов схем проектируемой электростанции
. Выбор трансформаторов на проектируемой электростанции
5. Технико-экономическое сравнение вариантов схем
проектируемой электростанции
. Выбор и обоснование упрощённых схем распределительных
устройств разных напряжений
. Выбор схемы собственных нужд (СН) и трансформаторов
собственных нужд
. Расчёт токов короткого замыкания
9. Выбор электрических аппаратов и токоведущих частей для
заданных цепей
10. Выбор измерительных трансформаторов тока и напряжения
. Описание конструкции распределительного устройства
Выводы
Список литературы
1. Введение
В настоящее время электроэнергетика
является наиболее устойчиво работающим комплексом белорусской экономики, а предприятия
отрасли обеспечивают эффективное, надёжное и устойчивое энергоснабжение
потребителей республики без серьёзных аварий.
В полной мере удовлетворены растущие
потребности республики в электрической и тепловой энергии. Так, в нынешнем году
ожидаемое потребление электроэнергии и тепла по республике увеличится
соответственно на 1,5% и 6%. Адекватно возрастает выработка собственной
электроэнергии, которая достигает 26,1 млрд. кВт.ч, и отпуск тепла в количестве
35,6 млн. Гкал. В 3,2 раза увеличится экспорт электроэнергии и достигает 740
млрд. кВт.ч.
Предполагается, что потребление
электроэнергии в республике к 2020 году вырастет до 41 млрд. кВт.ч, уровень
потребления тепловой энергии составит 84 млн. Гкал. Прогнозируемая потребность
в электрической и тепловой энергии определена на основании прогноза валового
внутреннего продукта с учетом реализации энергосберегающей политики.
Дальнейшее развитие Белорусской
энергосистемы должно осуществляться за счёт комплексного решения экономических,
организационных и технических задач.
Основная цель реструктуризации в
электроэнергетике заключается в создании действенного, конкурентного
экономического механизма сокращения производственных затрат и в улучшении
инвестиционного климата в электроэнергетике.
2. Выбор генераторов
В соответствии с заданием на
курсовой проект на проектируемой КЭС-1000 необходимо установить 5
турбогенератора мощностью по 200 МВт каждый. Выбираем турбогенераторы типа
ТВВ-200-2, технические данные заносим в таблицу 1.1.
Таблица 2.1. Технические данные
турбогенераторов типа ТВВ-200-2
|
Тип т/г
|
n, об/мин
|
Номинальные значения
|
Х"d отн. ед.
|
Сист. возбуж- дения
|
Охлаждение обмоток
|
|
|
S, МВ∙А
|
Сos j
|
I статора, кА
|
U статора, кВ
|
КПД, % %
|
|
|
сСта- тора
|
рРо- тора
|
|
ТВВ-200-2
|
3000
|
235
|
0,85
|
8,625
|
15,75
|
98,6
|
0,191
|
ВЧ, ТН
|
НВ
|
НВР
|
Турбогенераторы типа ТВВ-200-2
выполняются с непосредственным охлаждением обмоток ротора водородом и статора
дистиллированной водой с заполнением корпуса статора водородом.
. Выбор двух вариантов схем
проектируемой электростанции
Мощность на проектируемой станции
выдаётся на двух напряжениях: 330 кВ и 110 кВ. Нагрузка на стороне 110 кВ
выдается по 4 линиям. Нагрузка каждой составляет: Pmax = 45 МВт, Pmin = 43 МВт,
коэффициент мощности cosj =
0,86, время использования максимума нагрузки Тmax = 5400 ч. Вся остальная
мощность выдаётся в энергосистему на стороне 330 кВ по 3 воздушным линиям.
С учётом распределения нагрузки
между напряжениями намечаем следующие варианты структурных схем (рис. 3.1 и
рис.3.2):
W1 W3 W1 W4
Т1 Т2 Т3 Т4 Т5
АТ2 АТ1
3×200
МВт 2×200 МВт
Рис. 3.1 Схема выдачи мощности.
Вариант 1
W1 W3 W1
W4
Т1 Т2 Т3 Т4 Т5
АТ2 АТ1
4×200
МВт 200 МВт
Рис. 3.2 Схема выдачи мощности.
Вариант 2
В первом и втором варианте питание
потребителей, подключенных к ОРУ - 110 кВ, осуществляется турбогенераторами, а
избыток мощности через автотрансформаторы связи передаётся на ОРУ - 330 кВ. В
аварийном режиме или в случае ремонта турбогенератора, питание потребителей,
подключенных к ОРУ - 110 кВ, осуществляется через автотрансформатор связи.
. Выбор трансформаторов на
проектируемой электростанции
Расход на собственные нужды
принимаем равным 7% от установленной мощности.
Мощность блочных трансформаторов
выбираем по формуле:
≥
,
где
и
-
номинальная мощность и номинальный коэффициент мощности генератора;
и
-
мощность и коэффициент мощности собственных нужд.
Для блоков с
генераторами мощностью 200 МВт:
≥
=
235 - 16 = 219 МВ∙А.
Выбираем трансформаторы
типа ТДЦ - 250000/330 и ТДЦ -250000/110.
Номинальные параметры
трансформаторов заносим в таблицу 4.1.
Таблица 4.1 Номинальные
параметры трансформаторов
|
Тип трансформатора
|
Sном, МВ∙А
|
Напряжение обмотки, кВ
|
Потери, кВт
|
Uк, %
|
Iх, %
|
|
|
ВН
|
НН
|
Рх
|
Рк
|
|
|
|
ТДЦ-250000/330
|
250
|
347
|
13,8
|
214
|
605
|
11
|
0,5
|
|
ТДЦ-250000/110
|
250
|
121
|
13,8
|
200
|
640
|
10,5
|
0,5
|
ТДЦ - трёхфазный трансформатор с
дутьём и принудительной циркуляцией масла через воздушные охладители.
Мощность автотрансформаторов
выбирается по максимальному перетоку между распределительными устройствами
высшего и среднего напряжения, который определяется по наиболее тяжёлому
режиму. Расчётная мощность определяется для трёх режимов: максимальная,
минимальная нагрузка СН и отключение энергоблока, присоединённого к шинам СН
при максимальной нагрузке потребителей. По наибольшей расчётной мощности
выбирается номинальная мощность автотрансформатора с учётом допустимой
перегрузки.
Выбор автотрансформаторов связи:
≥
Определяем расчётную
нагрузку на АТ связи для варианта 1:
≥
,
где
и
-
максимальная нагрузка и коэффициент мощности потребителей на шинах 110 кВ,
=
0,86;
≥
=
470,6 - 32,9 - 209,3 = 228,7 МВ∙А;
≥
,
где
-
минимальная нагрузка потребителей на шинах 110 кВ;
≥
=
470,6 - 32,9 - 200 = 238 МВ∙А;
≥
≥
=235,29
- 16,47 - 209,3 = 9,52 МВ∙А;
≥
=
170 МВ∙А.
Выбираем группу из двух
трёхфазных автотрансформаторов типа АТДЦТН-200000/330/110 кВ.
Определяем расчётную
нагрузку на АТ связи для варианта 2:
≥
=
235,29 - 16,47 - 209,3 = 9,52 МВ∙А;
≥
=
235,29 - 16,47 - 200 = 18,82 МВ∙А;
≥
=
0 - 0 - 209,3 = -209,3 МВ∙А;
≥
=
149,5 МВ∙А.
Выбираем группу из двух
трёхфазных автотрансформаторов типа АТДЦТН-200000/330/110 кВ.
Таблица 4.2 Номинальные
параметры автотрансформаторов
|
Тип авто-трансфор-матора
|
Sном,МВ∙А
|
Напряжениеобмотки, кВ
|
Потери, кВт
|
Uк, %
|
Iх, %
|
|
АТ
|
обмотки НН
|
ВН
|
СН
|
НН
|
Рх
|
Рк
|
|
|
|
|
|
|
|
|
|
В-С
|
В-Н
|
С-Н
|
В-С
|
В-Н
|
С-Н
|
|
|
АТДЦТН-200000/330/110
|
200
|
80
|
330
|
115
|
38,5
|
155
|
560
|
300
|
210
|
10,5
|
38
|
25
|
0,45
|
АТДЦТН - трёхфазный
автотрансформатор с дутьём и принудительной циркуляцией масла через воздушные
охладители, трёхобмоточный, с регулированием напряжения под нагрузкой.
. Технико-экономическое сравнение
вариантов схем проектируемой электростанции
Экономически целесообразный вариант
определяется минимумом приведенных затрат.
З =
∙К+И=min,
где
=
0,12 - нормативный коэффициент экономической эффективности;
К - капитальные вложения
на сооружения электроустановки, тыс. руб.;
И - годовые
эксплуатационные расходы, тыс. руб.
Годовые эксплуатационные расходы
складываются из расходов на амортизацию и потерь энергии.
И =
,
где
=
8,4% - отчисления на амортизацию и обслуживание, %;
-
потери энергии в трансформаторах, кВт∙ч; b - стоимость 1 кВт×ч
потерянной энергии, b = 1,7∙
руб/кВт·ч.
Потери энергии в блочных
трансформаторах:
=
.
где
и
-
потери холостого хода и короткого замыкания, кВт;
-
максимальная нагрузка трансформатора, МВ∙А; Т - продолжительность работы
трансформатора, Т=8760 ч;
-
продолжительность максимальных потерь, определяется по кривой [1, рис. 5.6., с.
396] в зависимости от продолжительности использования максимальной нагрузки
.
При
=
5400 ч →
=
3900 ч.
Стоимость и потери
энергии в автотрансформаторах при расчётах не учитываем.
Таблица 5.1 Капитальные затраты по
вариантам
|
Оборудование
|
Стоимость единицы, тыс. руб.
|
Варианты
|
|
|
Ι вариант
|
ΙΙ вариант
|
|
|
Количество единиц, шт.
|
Общая стоимость, тыс. руб.
|
Количество единиц, шт.
|
Общая стоимость, тыс. руб.
|
|
Блочные трансформаторы ТДЦ-250000/330
|
316
|
3
|
948
|
4
|
1264
|
|
Блочные трансформаторы ТДЦ-250000/110
|
257
|
2
|
514
|
1
|
257
|
|
Ячейка ОРУ-330 кВ
|
170
|
12
|
2040
|
14
|
2380
|
|
Ячейка ОРУ-110 кВ
|
32
|
8
|
256
|
7
|
224
|
|
Итого
|
|
|
3758
|
|
4125
|
Коэффициент выгодности
АТ:
=
=
0,65
Потери мощности в блочных
трансформаторах:
=
=
38,52∙
кВт∙ч;
=
=
38,44∙
кВт∙ч;
Исходя из этого приведённые затраты
для первого варианта:
тыс.руб./год.
Исходя из этого приведённые затраты
для второго варианта:
тыс.руб./год.
Определим наиболее экономичный
вариант:
Так как
>
,
то выбираем вариант 1, имеющий меньшие приведённые затраты, и используем его в
дальнейших расчётах.
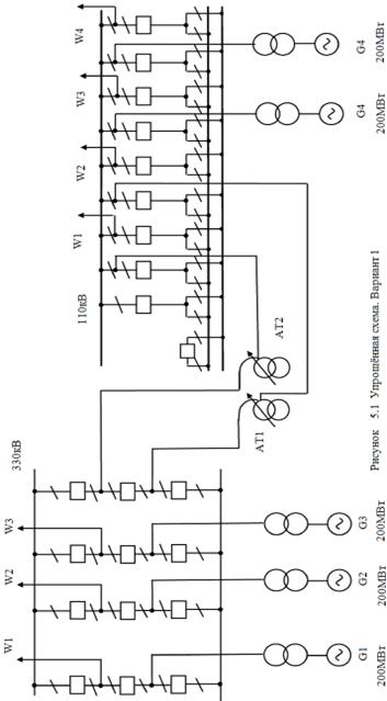
. Выбор и обоснование упрощённых
схем распределительных устройств разных напряжений
Для РУ 330 кВ и РУ 110 кВ при числе
присоединений 7 и более применяется схема с двумя рабочими и одной обходной
системой сборных шин. Обе рабочие системы шин находятся в работе при
соответствующем фиксированном распределении всех присоединений (линии и
трансформаторы равномерно распределены между секциями, шиносоединительный
выключатель включён).
Обходная система шин предназначена
для замены любой вышедшей из строя рабочей шиной, а также для возможности
ревизии и ремонтов выключателей без перерывов питания.
Обходные выключатели предназначены
для соединения обходной системы шин с рабочими, а также ими можно заменить
выключатель любого присоединения.
Достоинствами этой схемы являются
надежность, гибкость, а также возможность вывода в ремонт любого выключателя в
ремонт без отключения присоединений.
Однако эта схема обладает и рядом
недостатков:
отказ одного выключателя при аварии
приводит к отключению всех источников питания и линий, присоединенных к данной
системе шин, а если в работе находится одна система шин, отключаются все
присоединения.
повреждение шиносоединительного
выключателя равноценно КЗ на обеих системах шин, т.е. приводит к отключению
всех присоединений;
большое количество операций
разъединителями при выводе в ревизию и ремонт выключателей усложняет РУ;
необходимость установки
шиносоединительного, обходного выключателей и большого количества
разъединителей увеличивает затраты на сооружение РУ.
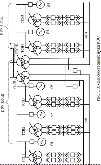
. Выбор схемы собственных нужд (СН)
и трансформаторов собственных нужд
Нормальная работа электростанций
возможна только при надёжной работе механизмов с.н., что возможно лишь при
надёжном электроснабжении их. Потребители с.н. относятся к потребителям первой
категории. В системе с.н. применяется напряжение 6 кВ. Распределительное
устройство с.н. выполняется с одной секционированной системой шин. Количество
секций 6 кВ для блочных КЭС принимается: две на каждый энергоблок (при мощности
энергоблока более 160 МВт).
Каждая секция присоединяется к
рабочему трансформатору с.н. (ТСН).
Рабочие трансформаторы с.н. (ТСН)
присоединяются отпайкой от энергоблока. Мощность этих трансформаторов:
=
=
16,28 МВ∙А
Принимаем в качестве
рабочих ТСН трансформаторы типа ТДНС-25000/35 кВ.
Резервное питание секций
с.н. осуществляется от резервных магистралей, связанных с пускорезервным
трансформатором с.н. (РТСН). Согласно ([4] п.2.5.1), если в схемах энергоблоков
не установлены генераторные выключатели, то число РТСН принимается два - при
трёх и более энергоблоках, и мощность РТСН принимается на ступень выше мощности
ТСН. Мощность каждого РТСН на блочных электростанциях без генераторных
выключателей должна обеспечить замену рабочего трансформатора одного блока и
одновременный пуск или аварийный останов второго энергоблока ([5], п.2.8).
Один резервный
трансформатор с.н. присоединяем к шинам РУ 110 кВ и принимаем трансформатор
типа ТРДН-25000/110, а второй РТСН - к обмотке НН автотрансформаторов связи и
принимаем трансформатор типа ТРДНС-32000/15.
Номинальные параметры
трансформаторов собственных нужд заносим в таблицу 7.1.
Таблица 7.1 Номинальные параметры
трансформаторов собственных нужд
|
Тип трансформаторов
|
Номинальное напряжение, кВ
|
Потери, кВт
|
Uк, %
|
Iх, %
|
|
ВН
|
НН
|
Pх
|
Pк
|
|
|
|
ТРДНС-25000/35
|
15,75
|
6,3-6,3
|
25
|
115
|
10,5
|
0,65
|
|
ТРДНС-32000/15
|
15,75
|
6,3-6,3
|
29
|
145
|
12,7
|
0,6
|
|
ТДН-25000/110
|
115
|
6,3-6,3
|
25
|
120
|
10,5
|
0,65
|
8. Расчёт токов короткого замыкания
340кВ
Рис. 8.1 Электрическая схема
замещения
Расчёт токов КЗ в точке К1:
Задавшись базовой мощностью Sб=1000
МВ∙А, определяем параметры схемы замещения:
Система:
=
2∙
=
0,91;
Линии:
;
=
=
=0,325∙190∙
=0,53;
Трансформаторы и автотрансформаторы:
=
;
=
=
=
=
0,44;
=
=
=
0,42;
=
=
=
0,59;
=
=
=
0;
Генераторы:
;
=
=
=
=
=
=
0,81;
Путём последовательных
преобразований упростим схему замещения для точки К1:
Х1-4=0,91+0,53/3=1,01;
Х11-18=0,59/2+0+0,42/2+0,81/2=0,91;
Х5-10=0,44/3+0,81/3=0,42;.
К1
340кВ
Рис. 8.2 Результирующая схема для
точки К1
Начальное значение периодической
составляющей тока по ветвям:
Iпо=
,
где
-
базисный ток, кА;б=
= 1,7 кА.
Значения токов по
ветвям:
Система: Iпо=
=
1,13кА;
Генераторы: Iпо
=
=
2,11 кА;
Суммарный ток КЗ в точке
К1: Iпо,к1 = 1,13+ 2,11 = 3,24 кА.
Из таблицы 3.8 [1]
установим значения ударных коэффициентов по ветвям схемы и определим ударные
тока.
Система: kу =
1,78, iУ=
=
=
2,84 кА;
Генераторы: kу =
1,965, iУ =
∙2,11∙1,965
= 5,87 кА;
Суммарный ударный ток
для точки К1: iУ,к1 = 2,84 + 5,87 = 8,71 кА.
Таблица 8.1 Результаты расчета токов
КЗ
|
Место повреждения
|
Мощность ветви, МB*А
|
Хрез
|
Iб, кА
|
Iпо, кА
|
kу
|
iу, кА
|
Та, с
|
|
Шины 330 кВ
|
Sс=2200
|
1,1
|
1,7
|
1,13
|
1,78
|
2,84
|
0,04
|
|
Sг=705
|
0,91
|
|
2,11
|
1,965
|
5,87
|
0,26
|
|
Итого в точке К1
|
1,7
|
3,24
|
|
8,71
|
|
|
Шины 110 кВ
|
Sс=2200
|
1,1
|
5,02
|
4,62
|
1,608
|
10,5
|
0,02
|
|
Sг=470
|
0,25
|
|
13,78
|
1,965
|
0,26
|
|
Итого в точке К2
|
5,02
|
18,4
|
|
48,8
|
|
. Выбор электрических аппаратов и
токоведущих частей для заданных цепей
Расчётный ток продолжительного
режима в цепи блока генератор - трансформатор определяется по наибольшей
электрической мощности генератора:
Iнорм = Imax
=
412А.
Расчётные токи КЗ
принимаем по таблице 8.1. с учётом того, что все цепи на стороне 330 кВ
проверяются по суммарному току КЗ на шинах.
Выбираем по[1,Таблица
П4.4., с. 630] элегазовый выключатель типа ВГУ-330Б-40/3150 и разъединитель
типа РНД-330-3200.
Определяем номинальные токи по
ветвям, приведенные к той ступени напряжения, где находится точка КЗ.
=
3,74 кА;
=
=
1,2 кА;
= 0,303 < 1 =>
=
=
1,13 кА,
где t
- расчётное время, для которого требуется определить токи КЗ:
t=tc,в +0,01=
0,025 + 0,01 = 0,035 с.
Апериодическая составляющая тока КЗ:
iat,c=
∙Ino,c∙e-t/Ta=
·1,13
·е-0,035/0,04=0,67 кА.
= 1,76, по кривым
(1,рис.3,26) находим 98=>
= 0,98∙2,11 = 2,07
кА.
Апериодическая составляющая тока КЗ:
iat,г
=
·2,11
· е-0,035/0,26=11,09 кА.пt,к1
= 1,13 + 2,07 = 3,2 кА; iаt,к1
= 11,09 + 0,67 = 11,75 кА.
Все расчётные и каталожные данные по
выбору аппаратов сводим в таблицу 9.1.
Таблица 9.1 Расчётные и каталожные
данные
|
Условия выбора
|
Расчётные данные
|
Каталожные данные
|
|
|
Выключатель ВГУ-330Б-40/3150
|
Разъединитель РНД-330/3200
|
|
UУСТ£UНОМ
|
330 кВ
|
330 кВ
|
330 кВ
|
|
Imax£IНОМ
|
412 А
|
3150 А
|
3200 А
|
|
Int£Iотк.НОМ
|
3,2 кА
|
40 кА
|
-
|
iat£iа,НОМ 11,75
кА
∙Iотк.НОМ×
×
=
×40×
=
|
=25,456 кА-
|
|
|
|
IПО£IДИН
|
3,241 кА
|
40 кА
|
-
|
|
iУ£iДИН
|
8,71 кА
|
102 кА
|
160 кА
|
|
B£I2Т∙tТ
|
I2no·(tотк+Та)= =3,2412·(0,26+0,2)= =4,83
кА2 с
|
402∙2= =3200 кА2∙с
|
632∙2= =7939 кА2∙с
|
Так как сборные шины по
экономической плотности тока не выбираются, принимаем сечение по допустимому
току при максимальной нагрузке на шинах, равной току наиболее мощного
присоединения: Iнорм = Imax = 412 А.
По таблице 3.3 [1] принимаем два
провода в фазе марки АС-2×240/56, qфазы = 2×240 мм2, d=2×24 мм, Iдоп=2∙610=1220 А. Фазы расположены
горизонтально с расстоянием между фазами Д=450 см.
Выбранный провод на термическое
действие не проверяем так как шины выполнены голым проводом на открытом
воздухе.
Проверку на схлестывание не
проводим, так как Iпо<20 кА.
Проверка по условию коронирования.
Начальная критическая напряженность:
,
где m-коэффициент
учитывающий шероховатость провода, принимаем напряженность вокруг провода 0,82.

= 33,42 кВ/см
Напряженность вокруг
провода:
,
где k- коэффициент,
учитывающий число проводов в фазе, k = 1 + 2∙
,
rэкв- эквивалентный радиус расщепленных проводов [1, Т4.6], а-
расстояние между проводами в фазе, U - линейное напряжение, кВ, D - расстояние
между соседними фазами, D=450 см.
= 28,56 кВ/см.
Условие проверки: 1,07E ≤
0,9Eo
1,07E = 1,07∙18,97 = 30,06
кВ/см ≤ 0,9Eo = 0,9∙33,42 = 30,08 кВ/см.
Таким образом, провод АС-2×240/56 по условию короны
проходит.
Токоведущие части от выводов 330 кВ
блочного трансформатора до сборных шин выполняем гибкими проводами. Сечение
выбираем по экономической плотности тока jэ = 1,0 A/мм2 (таблица
4.5 [1]).
мм2.
Выбираем по табл. П.3.3
[1] провод марки 2хАС-240/56, Iдоп = 1220 А.
Проверяем провода по допустимому
току: max = 412А < Iдоп = 1220 А.
Проверку на термическое действие не
производим, так как шины выполнены голым проводом на открытом воздухе.
Проверку на схлестывание не
проводим, так как Iпо<20 кА.
На корону ошиновку не проверяем, так
как провод 2хАС-240/56, как показано выше, не коронирует.
Выбор комплектного токопровода
От выводов генератора до фасадной
стены главного корпуса токоведущие части выполнены комплектным пофазно -
экранированным токопродом.Выбираем ТЭНЕ-20/7200-300 Т1 на номинальное
напряжение 20 кВ,ноиінальный ток 7200А, электродинамическую стойкость главной
цени 300 кА.
Проверяем токопровод.
По нагреву:Imax
Iном
По динамической
стойкости: iy
iдин
Наибольший ток в цепи
генератора:норм = Imax
= 7141 А=7141
A<Iном=7200 A=260kA<iдин=300 kA.
. Выбор измерительных
трансформаторов тока и напряжения
~
Рис. 10.1 Выбор измерительных
трансформаторов тока и напряжения
По таблице П4.5[1] выбираем
трансформаторы тока наружной установки 330 кВ и 110 кВ типа ТОГ-330У1.
Таблица 10.1 Расчётные и каталожные
данные
|
Расчётные данные
|
Каталожные данные
|
|
Uуст=330 кВ
|
Uном=330 кВ
|
|
Imax=412 А
|
Iном1=1000 А
|
|
iУ=19 кА
|
iдин=161 кА
|
|
Bк=22,54 кА2∙с
|
Iт2∙tт=632∙1=3969 кА2∙с
|
|
Z2p=4,65 Ом
|
Z2НОМ=30 Ом
|
ТОГ-330У1 - трансформаторы тока
опорного типа в фарфоровом корпусе с бумажно-масляной изоляцией с первичной и
вторичной обмотками, выполненными в виде звеньев; трансформатор имеет один
магнитопровод с обмоткой класса 0,5 и три магнитопровода для релейной защиты
класса 10Р.
Для проверки ТА по вторичной
нагрузке, пользуясь схемой включения рис.10.1 и каталожными данными приборов,
определяем нагрузку по фазам для наиболее загруженного трансформатора.
Таблица 10.2 Вторичная нагрузка
трансформатора тока
|
Прибор
|
Тип
|
Нагрузка фаз, ВА
|
|
|
А
|
В
|
С
|
|
Амперметр
|
Э-335
|
0,5
|
0,5
|
0,5
|
|
Ваттметр
|
Д-335
|
0,5
|
-
|
0,5
|
|
Варметр
|
Д-335
|
0,5
|
-
|
0,5
|
|
Счётчик активной энергии
|
И-829
|
1,0
|
-
|
1,0
|
|
Счётчик реактивной энергии
|
И-830
|
1,0
|
-
|
1,0
|
|
Итого
|
3,5
|
0,5
|
3,5
|
Рис. 10.2 Схема включения контрольно-измерительных
приборов
Из табл. 10.2 и рис. 10.2 видно, что
наиболее загружены трансформаторы тока фаз А и С. Общее сопротивление приборов:
ПРИБ = Sприб/I22,
где Sприб - мощность,
потребляемая приборами, В∙А, I2 - вторичный номинальный ток
прибора, I2=5 А.
rПРИБ = 3,5/12=3,5
Ом.
Допустимое сопротивление проводов:
ПР=Z2НОМ-rПРИБ-rК,
где rК - сопротивление
контактов, принимается 0,05 Ом при двух-трёх приборах и 0,1 Ом при большем
числе приборов.ПР=30 -3,5-0,1=26,4 Ом.
Принимаем медный кабель, ориентировочная
длина l=150 м, трансформаторы тока соединены в полную звезду, поэтому l=lрасч,
тогда сечение соединительных
проводов:
q
,
где lрасч -
расчётная длина, зависящая от схемы соединения трансформаторов тока, м,
-
удельное сопротивление материала провода, для медных проводов
=
0,0175 Ом∙мм2/м.
= 0,099 мм2.
Принимаем контрольный
кабель КВВГнг с жилами сечением 2,5 мм2.
2,р
=
+0,26
+ 0,1 = 0,8 Ом.
Выбираем трансформаторы
тока типа ТВТ-330-I-600/1.
Таблица 10.3 Расчётные и каталожные
данные
|
Расчётные данные
|
Каталожные данные
|
|
ТВТ-330-I-600/1
|
|
Uуст=330 кВ
|
Uном=330 кВ
|
|
Imax=412 А
|
Iном=600 А
|
|
iУ=19 кА
|
не проверяют
|
|
Bк=22,54 кА2∙с
|
Iт2∙tт=242∙1=576 кА2∙с
|
|
Znp=1,6 Ом
|
Z2НОМ=30 Ом
|
Таблица 10.4 Вторичная нагрузка
трансформатора тока
|
Прибор
|
Тип
|
Нагрузка фаз, ВА
|
|
|
А
|
В
|
С
|
|
Амперметр
|
Э-335
|
0,5
|
0,5
|
0,5
|
|
Итого
|
0,5
|
0,5
|
0,5
|
Рис. 10.3 Схема включения
контрольно-измерительных приборов
Из табл. 10.4 и рис. 10.3 видно, что
наиболее загружены трансформаторы тока фаз А и С.
Общее сопротивление приборов: rПРИБ
= 1,5/12=0,5 Ом.
Допустимое сопротивление проводов: rПР=30-1,5-0,05=29,45
Ом.
Трансформаторы тока
соединены в полную звезду, поэтому l=lрасч, тогда сечение
соединительных проводов: q
=
0,089 мм2.
Принимаем контрольный
кабель КВВГнг с жилами сечением 2,5 мм2.
2,р
=
+0,5
+ 0,05 = 1,6 Ом.
Выбираем трансформаторы
тока типа ТШЛ 20-8000/5, установленные в цепи генератора.
Таблица 10.5 Расчётные и
каталожные данные
|
Расчётные данные
|
Каталожные данные
|
|
ТШЛ 20-8000/5
|
|
Uуст=20 кВ
|
Uном=20 кВ
|
|
Imax=7141 А
|
Iном=8000 А
|
|
iУ=410,4 кА
|
не проверяют
|
|
Bк=52248 кА2∙с
|
Iт2∙tт=242∙1=102400 кА2∙с
|
|
Znp=1,02 Ом
|
Z2НОМ=1,2 Ом
|
Таблица 10.6 Вторичная нагрузка
трансформатора тока
|
Прибор
|
Тип
|
Нагрузка фаз, ВА
|
|
|
А
|
В
|
С
|
|
Амперметр
|
Э-335
|
0,5
|
0,5
|
0,5
|
|
Ваттметр
|
Д-335
|
0,5
|
|
0,5
|
|
Варметр
|
Д-335
|
0,5
|
|
0,5
|
|
Счётчик активной энергии
|
И-670
|
2,5
|
|
2,5
|
|
Амперметр рег.
|
Н-394
|
|
10
|
|
|
Ваттметр рег.
|
Н-394
|
0,5
|
|
0,5
|
|
Датчики:
|
|
|
Активной мощности
|
Е-829
|
1,0
|
|
1,0
|
|
Реактивной мощности
|
Е-830
|
1,0
|
|
1,0
|
|
Итого
|
|
16
|
10,5
|
16
|
Из табл. 10.6 и рис. 10.4 видно, что
все фазы загружены равномерно.
Общее сопротивление
приборов: rПРИБ = 16/52=0,64 Ом. Допустимое сопротивление
проводов: rПР=1,2-0,64-0,1=0,46 Ом. Сечение соединительных проводов:
q=
=
1,52 мм2.
Принимаем контрольный кабель КВВГнг
с жилами сечением 2,5 мм2.
Z2,р =
+0,64
+ 0,1 = 1,02 Ом.
Выбираем трансформаторы напряжения
на сборных шинах 330кВ.
Перечень необходимых измерительных
приборов принимаем на таблице 4.11[1].Выбираем трансформатор напряжения типа
НКФ-М-330У1,
Uном=330/
кВ, S2ном=400 В*А в классе точности 0,5.
Таблица 10.7 Вторичная нагрузка
трансформатора напряжения
|
Прибор
|
Тип
|
Мощность 1-ой обмотки, ВА
|
Число обмоток
|
cosj
|
sinj
|
Число приборов
|
Общая потребл. мощность
|
|
|
|
|
|
|
|
Р, Вт
|
Q, вар
|
|
Сборные шины
|
|
Вольтметр
|
Э-335
|
2
|
1
|
1
|
0
|
3
|
6
|
|
|
Частотомер рег.
|
Н-397
|
7
|
1
|
1
|
0
|
1
|
7
|
|
|
Вольтметр рег.
|
Н-394
|
10
|
1
|
1
|
0
|
1
|
10
|
|
|
Ваттметр рег.
|
Н-395
|
10
|
2
|
1
|
0
|
1
|
20
|
|
|
Частотомер
|
Э-362
|
1
|
1
|
1
|
0
|
2
|
2
|
|
|
Синхроноскоп
|
Н-397
|
10
|
-
|
1
|
0
|
1
|
10
|
|
|
Итого
|
|
|
|
|
|
|
55
|
-
|
|
|
|
|
|
|
|
|
|
|
|
S2расч =
=
55 В∙А < S2ном = 3∙400 = 1200 В∙А.
Таким образом,
трансформаторы напряжения будут работать в выбранном классе точности 0,5. Для
соединения трансформаторов напряжения с приборами принимаем контрольный кабель
типа КВВГнг с сечением 1,5 мм2 по условию механической
прочности.
Выбираем трансформаторы
напряжения установленные в цепи генератора ТВВ-200 типа 3хЗНОЛ. 06-20У3 Uном=220/√3
кВ и S2ном=75 В∙А в классе точности 0,5.
Рис. 10.5. Вторичная нагрузка
трансформаторов напряжения
|
Прибор
|
Тип
|
Мощность 1-ой обмотки
|
Число обмоток
|
cos sin
Число
приборовОбщая
|
|
|
|
|
|
|
|
|
|
|
P,Вт
|
Q,вар
|
|
Вольтметр
|
Э-335
|
2
|
1
|
1
|
0
|
1
|
2
|
|
|
Ваттметр
|
Д-335
|
1,5
|
2
|
1
|
0
|
2
|
|
|
Варметр
|
Д-335
|
1,5
|
2
|
1
|
0
|
1
|
3
|
|
|
Датчики:
|
|
|
Частотомер
|
Э-362
|
1
|
1
|
1
|
0
|
2
|
2
|
|
|
Ваттметр рег.
|
Н-394
|
10
|
2
|
1
|
0
|
1
|
20
|
|
|
Счетчик активной энергии
|
И-680
|
2
|
2
|
0,38
|
0,925
|
1
|
4
|
9,7
|
|
Активной мощности
|
Е-829
|
10
|
|
1
|
0
|
1
|
10
|
|
|
Реактивной мощности
|
Е-830
|
10
|
|
1
|
0
|
1
|
10
|
|
|
Итого
|
|
|
|
|
|
|
57
|
9.7
|
S2расч =
=
55 В∙А < S2ном = 3∙400 = 1200 В∙А.
Таким образом,
трансформаторы напряжения будут работать в выбранном классе точности 0,5. Для
соединения трансформаторов напряжения с приборами принимаем контрольный кабель
типа КВВГнг с сечением 2,5 мм2 по условию механической
прочности.
. Описание конструкции
распределительного устройства
РУ напряжением 330-110
кВ сооружаются открытыми, т.е. расположенными на открытом воздухе. Открытые РУ
должны обеспечить надёжность работы, безопасность и удобство обслуживания при
минимальных затратах на сооружение, возможность расширения, максимальное
применение крупноблочных узлов заводского исполнения.
Расстояние между
токоведущими частями и от них до различных элементов ОРУ должно выбираться в соответствии
с ПУЭ [3].
Ошиновка ОРУ выполняется
гибким сталеалюминиевым проводом. Линейные и шинные порталы и все опоры под
аппаратами - стандартные, железобетонные. Большое количество конструкций
вызывает необходимость производства работ на высоте, затрудняет и удорожает
монтаж.
Под силовыми
трансформаторами предусматриваются маслоприёмник, укладывается слой гравия
толщиной не менее 25 см, и масло стекает в аварийных случаях в маслосборники.
Кабели оперативных цепей, цепей управления и релейной защиты, автоматики и
воздухопроводы прокладываются в лотках из железобетонных конструкций без
заглубления их в почву.
Для схемы с двумя
рабочими и одной обходной системой сборных шин применяется компоновка с
однорядной установкой выключателей около второй системы шин, что облегчает их
обслуживание. Такие ОРУ называются однорядными в отличие от других компоновок,
где выключатели линий расположены в одном ряду, а выключатели трансформаторов -
в другом. Каждый полюс шинных разъединителей второй системы шин расположен под
проводами соответствующей фазы сборных шин. Такое расположение (килевое)
позволяет выполнить соединение шинных разъединителей (развилку) непосредственно
под сборными шинами и на этом же уровне присоединить выключатель.
При ремонтно-монтажных
работах высшая точка крана может находиться на высоте 16 м. Учитывая, что
минимальное расстояние от крана до проводов, находящихся под напряжением,
принимается равным 4,5 м, а стрела провеса проводов - 3 м, высота опор ОРУ
принята 40,7 м.
Применение ограничителей
перенапряжения (ОПН) вместо разрядников типа РВМК позволяет уменьшить
междуфазные напряжения, и, следовательно, уменьшить шаг ячейки ОРУ.
электростанция генератор
трансформатор
Выводы
В курсовом проекте была
разработана электрическая часть КЭС-1000 МВт. Выдача мощности проектируемой
электростанции осуществляется на двух напряжениях: 110кВ и 330кВ. Связь с
энергосистемой осуществляется на напряжении 330 кВ по трём воздушным линиям,
потребители получают питание с шин 110 кВ также по четырём воздушным линиям.
При выполнении курсового
проекта было разработано два варианта схем выдачи мощности, выбрано основное
оборудование на электростанции. Путём технико-экономического сравнения
вариантов выбран наиболее целесообразный вариант, имеющий наименьшие
приведенные затраты. Произвели расчёт токов короткого замыкания, по результатам
которого выбрали электрические аппараты (высоковольтные выключатели,
разъединители), токоведущие части (комплектные пофазно-экранированные
токопроводы), измерительные трансформаторы тока и напряжения и измерительные
приборы.
Данный курсовой проект
является важным этапом в закреплении на практике теоретических сведений по
дисциплине «Электрооборудование электрических станций и подстанций». Он
подготавливает учащихся к выполнению будущего дипломного проекта.
Таким образом, при
выполнении курсового проекта была достигнута главная задач
Список литературы
1.
Рожков Л.Д., Козулин В.С. “Электрооборудование станций и
подстанций”. Энергоатоминздат, 1987.
2.
ПЭУ. Энергоатоминздат, 1986 г.
3.
Нормы технологического проектирования (атомных) тепловых
электрических станций и тепловых сетей. Минэнерго, 1981 г.
4.
Неклепаев Б.Н., Крючков Н.П. Электрическая часть электрических
станций и п/станций. Справочные материалы для курсового и дипломного
проектирования. Энергоатоминздат, 1989 г.
5.
Околович М.Н. - Проектирование электрических станций.
Энергоатоминздат, 1982 г.