Расчет основания фундаментов мелкого заложения и свайного фундамента
Министерство
образования и науки Российской Федерации
ГОУ
ВПО ЮУрГУ
Архитектурно-строительный
факультет
Кафедра
«Строительные конструкции и инженерные сооружения»
Семестровая
работа
по
дисциплине «Основания и фундаменты»
на тему
«Расчет
основания фундаментов мелкого заложения и свайного фундамента»
Челябинск
2014г.
АННОТАЦИЯ
«Расчет основания фундаментов мелкого заложения
и свайного фундамента». - Челябинск: ЮУрГУ, 2014. страниц - 31 и 14
иллюстраций.
В данной семестровой работе по дисциплине
«Основания и фундаменты» выполнен расчет основания фундаментов мелкого
заложения и свайного фундамента.
ВВЕДЕНИЕ
Фундаменты являются опорной частью здания и
предназначены для передачи нагрузки от всех вышерасположенных конструкций на
основание. От надежной работы фундамента в большой степени зависят
эксплуатационные качества здания, его капитальность и долговечность.
В последние годы под строительство все чаще
отводятся площадки со сложными для строительства инженерно-геологическими
условиями. В то же время вследствие увеличения пролетов в промышленном
строительстве резко возрастают нагрузки на фундаменты. Эти обстоятельства
повышают ответственность проектировщиков при выборе и расчете фундаментов.
Поэтому цель данного курсового проекта: закрепление
теоретических знаний по дисциплине «Механика грунтов. Основания и фундаменты» и
их практическое применение.
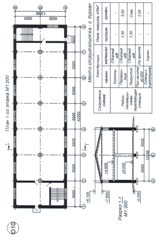
Исходные данные
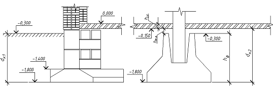
Рис 1. Схема грунтовых условий
Рис.2. Тип здания
1. Анализ грунтовых
условий
Нам предоставлен образец грунтов залегающих под
предполагаемым местом строительства. Для получения представления о пригодности
тех или иных слоев грунта к строительству и восприятию нагрузки необходимо
классифицировать их. На схеме 1 представлен разрез основания.
) ИГЭ 1-почвенно растительный слой мощностью
1500мм.
) ИГЭ 2- глинистый грунт мощностью 2500мм.
ρs=2.73т/м3;
ρ=1.75т/м3;
W=0.3; Wp=0.17; WL=0.37;
Kф=30; Е=20мПа; ν=0.42;
φ=19град;
с=71кПа.
Наименование
Jp= WL-
Wp Jp=0.37-0.17=0.2
Согласно ГОСТ 25100-95 "Грунты.
Классификация" данный глинистый грунт относится к глинам, так как Jp>0.17
Консистенция

JL=(0.3-0.17)/0.2=0.65
.5<JL<0.75-глина
мягкопластичная
Влажность, коэффициент пористости,
поведение при замачивании



ρd=1.75/(1+0.3)=1.346т/м3
e=(2.73-1.346)/1.346=1.028
Sr=(0.3*2.73)/(1.028*1)=0.797
Таким образом, можно сделать вывод:
согласно ГОСТ 25100-95 "Грунты. Классификация, данный грунт обладает
рыхлым скелетом( 2.1< ρd< 1.2) ,
и является влажным. Данный грунт не является хорошим основанием.
) ИГЭ 3- глинистый грунт мощностью
3500мм.
ρs=2.7т/м3; ρ=1.7т/м3; W=0.2;
Wp=0.13; WL=0.27; Kф=40;
Е=20мПа; ν=0.35; φ=23град;
с=35кПа.
Наименование
Jp= WL- Wp Jp=0.27-0.13=0.14
Согласно ГОСТ 25100-95 "Грунты.
Классификация" данный глинистый грунт относится к суглинкам, так как
0,17>Jp>0.07
Консистенция

JL=(0.2-0.13)/0.14=0.5
.5<JL<0.75-глина
мягкопластичная
Влажность, коэффициент пористости,
поведение при замачивании



ρd=1.7/(1+0.2)=1.417т/м3
e=(2.7-1.417)/1.417=0,907
Sr=(0.2*2.7)/(0,907*1)=0.596
Таким образом можно сделать вывод:
согласно ГОСТ 25100-95 "Грунты. Классификация, данный грунт обладает
рыхлым скелетом (2.1< ρd< 1.2) ,
и является влажным. Данный грунт не является хорошим основанием.
) ИГЭ 4-скалистое основание.
Прочность R = 80МПа
Согласно ГОСТ 25100-95 "Грунты.
Классификация" данное основание относится к прочным, так как 120< R<50.
Данный ИГЭ является хорошим основанием, но залегает слишком глубоко.
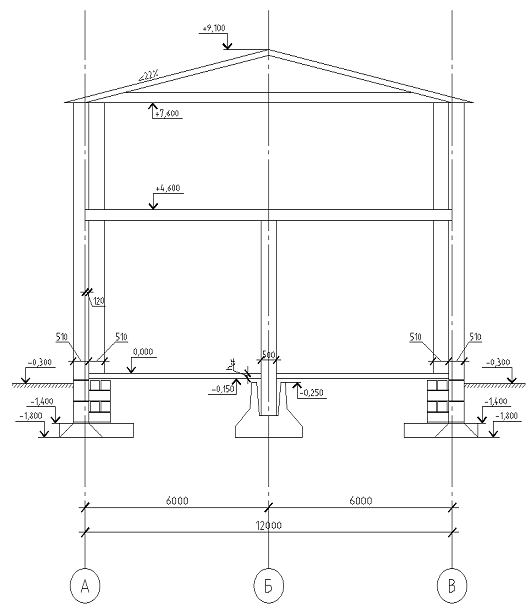
. СБОР НАГРУЗОК НА ФУНДАМЕНТ
Нагрузки и конструкции здания
|
Сооружение
|
Конструкции
|
Нормативная
нагрузка
|
|
Наименование
|
Материал
|
Постоянные
|
Временные
|
|
Радиотелевизионная
передающая станция
|
Колонны
|
Сборный
ж/б
|
γ=24,5 Н/м3
|
-
|
|
Перекрытия
|
Сборные
ж/б
|
3,50
кН/м2
|
5,00
кН/м2
|
|
Покрытие
|
Сборный
ж/б
|
3,50
кН/м2
|
Снег
|
|
Пол
на отм. ±0,000
|
На
грунте
|
-
|
2,00
кН/м2
|
|
Стены
с пилястрами
|
Кирпич
|
-
|
-
|
|
Нагрузка
от технологического оборудования - 0
|
|
Место
строительства - г. Курган
|
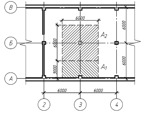
Рис3. Конструктивная схема сооружения и исходные
данные
Рис4. Схема грузовых площадей
Фундамент под пилястру с участком стены.
Общая нагрузка на фундамент рассчитывается по
формуле:
N1 = Nст+Nпер+Nпокр+Nпол
где: Nст-
собственный вес пилястра с участком стены:
Ncт =
(Ап+Аст)*Hст*γмат,
где: Ап = 0,51*0,51 = 0,26 м2 - площадь сечения
пилястры;
Аст = 0,51*1 = 0,51 м2 - площадь сечения участка
стены;
Нст = 7,9 м - высота стены;
γмат = 18
кН/м3 - удельный вес материала - кирпич;
Nпер - нормальная
нагрузка от перекрытия:
Nпер = Агр*(qпост+qврем)
где: Агр = 3,0*6,0=18,0 м2 - грузовая площадь;
qпост = 3,5 кН/м2 -
постоянная нормальная нагрузка;
qврем = 5,0 кН/м2 -
временная нормальная нагрузка;
Nпокр - нормальная
нагрузка от покрытия:
Nпокр = Агр*(qпост+qснег)
где: Агр = 6,0*6,0 = 36,0 м2;
qпост = 3,5 кН/м2;
Полное расчетное значение снеговой нагрузки на
горизонтальную проекцию покрытия следует определять из СНиП 2.01.07-85*
«НАГРУЗКИ И ВОЗДЕЙСТВИЯ» по формуле
где Sg -
расчетное значение веса снегового покрова на 1 м2 горизонтальной поверхности
земли, принимаемое в соответствии с картой снеговых районов РФ. Курган
относится к III зоне и
соответственно:
Sg =1.8 кПа
коэффициент следует принимать в соответствии с
обязательным приложением 3, при этом промежуточные значения коэффициента
необходимо определять линейной интерполяцией.
Для двускатной крыши зависит от £.
Принимаем
Nпол - вес пола на
отметке +0.000
Nпол= Агр*(qпост+qснег)
Агр = 3,0*6,0=18,0 м2 - грузовая площадь;
qпост = 0 кН/м2 -
постоянная нормальная нагрузка;
qврем = 2,0 кН/м2 -
временная нормальная нагрузка;
Тогда, получаем:
N1 =
(0,26+0,51)*7,9*18+18*(3,5+5)+36*(3,5+1,8*1,25)+18*2 = 487,7 кН = 48,8 т
Фундамент под колонну.
Общая нагрузка на фундамент рассчитывается по
формуле:
N2 = Nк+Nпер+
Nпол
где: Nк
- собственный вес колонны:
Nк = Асеч*Hк*γмат
где: Асеч = 0,4*0,4 = 0,16 м2 - площадь сечения
колонны;
Нк = 4,38 м - высота колонны (с подземной
частью);
γмат = 24,5
кН/м3 - удельный вес материала - железобетон;
Nпер - нормальная
нагрузка от перекрытия:
Nпер = Агр*(qпост+qврем)
где: Агр = 6,0*6,0=36,0 м2 - грузовая площадь;
qпост = 3,5 кН/м2 -
постоянная нормальная нагрузка;
qврем = 5,0 кН/м2 -
временная нормальная нагрузка;
Nпол - вес пола на
отметке +0.000
Nпол= Агр*(qпост+qснег)
Агр = 6,0*6,0=36,0 м2 - грузовая площадь;
qпост = 0 кН/м2 -
постоянная нормальная нагрузка;
qврем = 2,0 кН/м2 -
временная нормальная нагрузка;
Тогда, получаем:
N2 =
0,16*4,38*24,5+36*(3,5+5) )+36*2 = 395,2 кН = 39,5 т
Ветровая нагрузка для данного типа зданий не
учитывается.
3. Назначение глубины
заложения фундамента мелкого заложения
Под пилястр с участком стены устраивается
комбинированный ленточный фундамент из сборных элементов, под колонну -
столбчатый
Слой ИГЭ1 - почвенно растительный, мощностью
1500мм. При устройстве фундамента этот слой убирается.
Слой ИГЭ2 - мягко пластичная глина. Он не
является хорошим основанием, поэтому нужно либо проходить его , либо делать
более широкую подошву фундамента. С учетом того что мы уже убираем 1500мм.
почвенно-растительного слоя убирать еще 2500мм. глины не целесообразно,
учитывая что под ней находится слой ИГЭ 3 состоящий из мягкопластичного
суглинка, который так же не является хорошим основанием. Поэтому вариантов 2:
устраивать свайный фундамент до ИГЭ 4, являющегося скальным основанием, либо
устраивать более широкую подошву фундамента. Выбираем 2ой вариант исходе из
технико-экономических соображений.
dfn = d0
dfn -
нормативная глубина сезонного промерзания грунта.
d0 - коэффициент,
который для глин и суглинков принимается равным 0.23м.
Mt-
безразмерный коэффициент численно равный сумме среднемесячных отрицательных
значений температуры за зиму для данного региона, принимаемое по СНиП с учетом
данных по климатологии за последние 10 лет.
Средняя месячная и годовая температура воздуха,
°С
|
Место
строительства
|
I
|
II
|
III
|
IV
|
V
|
VI
|
VII
|
VIII
|
IX
|
X
|
XI
|
XII
|
Год
|
|
Курган
|
-17,7
|
-16,6
|
-8,6
|
4,1
|
12,6
|
17,2
|
19,1
|
16,3
|
10,9
|
2,4
|
-7,2
|
-14,3
|
1,5
|
dfn =0,23·
=
0,23·6,97 = 1,6м
df = dfn·kh
df - расчетная
глубина сезонного промерзания грунта.
kh-
коэффициент учитывающий влияние теплового режима здания. Принимается по СНиП
2.02.01-83 равным 0.5.
df = 1,6·0,5 =
0,8м
Под сборные железобетонные колонны используется
сборный стаканный фундамент.
Под несущие стены закладывается ленточный
фундамент.
Рис5 Глубина заложения фундаментов
dк2 = hт.з.
+ hф = 150 + 1500 =
1650 мм
Отметка низа подошвы фундамента = hcf
+ 1650 = 150 + 1650 = 1800 мм
dк1 = 1800 - 300 =
1500 мм
dк1 ≥ df
: 1,5 м ≥ 0.8 м - условие выполнено.
4. Расчет основания
фундаментов мелкого заложения по деформациям
При расчёте должны быть выполнены следующие
условия:
. по напряжениям, действующим на слои грунтов: p
≤
R (±5%)
. по деформациям основания: S
≤
Su
Наружный фундамент (Ф-1) под кирпичный столб.
ое приближение
Фундамент выполняется из блоков ФБС. Для подбора
ширины фундамента примим ее равной 1000мм. И проверим условие P<R
- нагрузка на фундамент (487,7 кН)- вес
фундамента и грунта на его обрезах;= γmtBLdк,
где γmt
- удельный осреднённый вес грунта и бетона (20 кН/м3), B - ширина подошвы
фундамента, принимается 1 м, dк
- глубина заложения фундамента (1,5 м);
А - площадь подошвы фундамента;
А = BL,
где L - условная длина подошвы фундамента = 1 п.м.
P=(487,7+20*1*1*1.5)/1*1=517,7кПа-
расчётное сопротивление основания

(MγkzBγII + Mqd1γ'II + (Mq - 1)dbγ'II + MccII)
γС1, γС2 -
коэффициенты условий работы, принимаются по табл. 3 СНиП 2.02.01-83*: γС1=1,1; γС2=1;
k -
коэффициент надёжности, принимается k=1, так как
были проведены ИГИ;
Mγ, Mq, Mc -
коэффициенты, принимаются по табл.4 СНиП 2.02.01-83*: Mγ=0,47;
Mq=2,89; Mc=5,48;
kz -
коэффициент, принимается kz=1;
γII - осреднённое расчётное
значение удельного веса грунтов, залегающих ниже подошвы фундамента до глубины z = B/4: γII= 13,192
кН/м3
γ'II - осреднённое расчётное
значение удельного веса грунтов, залегающих выше подошвы фундамента: γ'II = 13,192
кН/м3
сII
- расчётное значение удельного сцепления грунта, залегающего непосредственно
под подошвой фундамента: сII = 71кПа- глубина заложения фундаментов
бесподвальных сооружений от уровня планировки: d1= 1,5 м
db - глубина подвала: db = 0
R=(1.1*1)/1*(0.47*1*1*13,192
+ 2.89*1,5*13,192 + (2.89 - 1)*0*13,192 + 5.48*71) = 497,71 кПа
,7
кПа > 497,71 кПа → условие не выполнено
ое
приближение
Принимаем
ширину подошвы фундамента равной 1200мм.
P=(487,7+20*1,2*1*1.5)/1,2*1=436,42кПа
R=(1.1*1)/1*(0.47*1,2*1*13,192
+ 2.89*1,5*13,192 + (2.89 - 1)*0*13,192 + 5.48*71) = 499,08 кПа
,42
кПа > 499,08 кПа → условие выполнено
Внутренний
фундамент (Ф-2) под сборные железобетонные колонны
N
=395,2 кН
G = γmtBLdк
где
γmt = 20 кН/м3,
B =1м, dк =1,65м
А
- площадь подошвы фундамента; A=B2
P=(395,2+20*1*1*1.65)/1*1
= 428,2 кПа

(MγkzBγII + Mqd1γ'II + (Mq - 1)dbγ'II + MccII)
γС1=1,1; γС2=1;
k=1;
Mγ=0.47;
Mq=2.89; Mc=5.48;
kz=1;
γII = γ'II = 8.261
кН/м3
сII
= 71кПа= 1,65 м
db = 0

R=(1.1*1)/1*(0.47*1*1*13,192 +
2.89*1,5*13,192 + (2.89 - 1)*0*13,192 + 5.48*71) = 497,71 кПа
,2
кПа < 497,71 кПа → условие выполнено
Проверим
в целях экономии материала ширину столбчатого фундамента равную 800мм.
P=(395,2+20*0,8*0,8*1.65)/0,8*1
= 520,4 кПа
R=(1.1*1)/1*(0.47*0,8*0,8*13,192 +
2.89*1,65*13,192 + (2.89 - 1)*0*13,192 + 5.48*71) = 501,55кПа
Условие
не выполняется. Принимаем ширину столбчатого фундамента, с запасом прочности,
равной 1000мм.
5. Определение напряжения и расчет осадки основания
Определение
напряжений и осадки основания под участком стены с пилястрой.глубина от отметки
планировки в метрах.
hi-мощность элементарного слоя
грунта. Принимается из условия hi ≤ 0.4 B
Zi-глубина
грунта под подошвой фундамента.
Zi=∑hi
удельный
вес грунта соответствующего элементарного слоя. Так как есть ГГВ, то удельный
вес грунтов находящихся над ним будет уменьшен взвешивающим действием воды.
sb=(s-w)/(1+e)
w=10кН/
s=ρs *gбытовое
давление от собственного веса грунта.
zg=∑hi*i
ξ=2z/B
α-коэфициент
затухания напряжений. Берется по СНиП 2.02.01-83 «Основания и фундаменты»
zp-дополнительное давление.
zp= α*Po
zp - среднее дополнительное
давление в пределах элементарного слоя.
zp=(zp(предыдущее)+
zp последущее)
E - модуль деформации
Si - значение осадки для
каждого элементарного слоя.
Si=β*zpi*hi/Ei
Где
β-коэфициент
корректировки расчетной схемы. Принимаем равным 0.8.
Таблица
к определению напряжений и расчету осадок
|
H
м.
|
hi
м.
|
Zi
м.
|
Ƴi кН/м.
|
ʛzg кПа.
|
ξ
|
α
|
ʛzp˳ кПа.
|
ʛzp̩ кПа.
|
E
кПа.
|
Si
м.
|
|
1,500
|
0,000
|
0,000
|
13,192
|
19,788
|
0,000
|
0,000
|
436,42
|
-
|
20000,000
|
0,000
|
|
1,900
|
0,400
|
0,400
|
13,192
|
25,065
|
0,667
|
0,870
|
379,751
|
408,085
|
20000,000
|
0,0065
|
|
2,300
|
0,400
|
0,800
|
13,192
|
30,342
|
1,333
|
0,594
|
259,135
|
319,443
|
20000,000
|
0,0051
|
|
2,500
|
0,200
|
1,000
|
13,192
|
32,980
|
1,667
|
0,470
|
205,243
|
232,189
|
20000,000
|
0,0019
|
|
2,900
|
0,400
|
1,400
|
13,875
|
40,238
|
2,333
|
0,306
|
133,414
|
169,328
|
20000,000
|
0,0027
|
|
3,300
|
0,400
|
1,800
|
13,875
|
45,788
|
3,000
|
0,208
|
90,666
|
112,040
|
20000,000
|
0,0018
|
|
3,700
|
0,400
|
2,200
|
13,875
|
51,338
|
3,667
|
0,148
|
64,388
|
20000,000
|
0,0012
|
|
4,100
|
0,400
|
2,600
|
13,875
|
56,888
|
4,333
|
0,110
|
48,186
|
56,287
|
20000,000
|
0,0009
|
|
4,500
|
0,400
|
3,000
|
13,875
|
62,438
|
5,000
|
0,085
|
37,096
|
42,641
|
20000,000
|
0,0007
|
|
4,900
|
0,400
|
3,400
|
13,875
|
67,988
|
5,667
|
0,067
|
29,284
|
33,190
|
20000,000
|
0,0005
|
|
5,300
|
0,400
|
3,800
|
13,875
|
73,538
|
6,333
|
0,055
|
23,883
|
26,583
|
20000,000
|
0,0004
|
|
5,500
|
0,200
|
4,000
|
13,875
|
76,313
|
6,667
|
0,049
|
21,581
|
22,732
|
20000,000
|
0,0002
|
|
5,900
|
0,400
|
4,400
|
8,631
|
50,923
|
7,333
|
0,041
|
18,031
|
19,806
|
20000,000
|
0,0003
|
|
6,000
|
0,100
|
4,500
|
8,631
|
51,786
|
7,500
|
0,039
|
17,075
|
17,553
|
20000,000
|
0,0001
|
|
|
|
|
|
|
|
|
|
|
0,022
|
Рис.6 Эпюры напряжений основания фундамента
участка стены
Определение напряжений и осадки основания под
колонной.
Таблица к определению напряжений и расчету
осадок
|
H
м.
|
hi
м.
|
Zi
м.
|
Ƴi кН/м.
|
ʛzg кПа.
|
ξ
|
α
|
ʛzp˳ кПа.
|
ʛzp̩ кПа.
|
E
кПа.
|
Si
м.
|
|
1,650
|
0,000
|
0,000
|
13,192
|
21,767
|
0,000
|
0,000
|
428,2
|
-
|
20000,000
|
0,000
|
|
2,050
|
0,400
|
0,400
|
13,192
|
27,044
|
0,800
|
0,800
|
349,136
|
388,668
|
20000,000
|
0,0062
|
|
2,450
|
0,400
|
0,800
|
13,192
|
32,320
|
1,600
|
0,499
|
217,774
|
283,455
|
20000,000
|
0,0045
|
|
2,500
|
0,050
|
0,850
|
13,192
|
32,980
|
1,700
|
0,422
|
183,951
|
200,862
|
20000,000
|
0,0004
|
|
2,900
|
0,400
|
1,250
|
13,875
|
40,238
|
2,500
|
0,243
|
106,050
|
145,001
|
20000,000
|
0,0023
|
|
3,300
|
0,400
|
1,650
|
13,875
|
45,788
|
3,300
|
0,153
|
66,663
|
86,357
|
20000,000
|
0,0014
|
|
3,700
|
0,400
|
2,050
|
13,875
|
51,338
|
4,100
|
0,104
|
45,279
|
55,971
|
20000,000
|
0,0009
|
|
4,100
|
0,400
|
2,450
|
13,875
|
56,888
|
4,900
|
0,075
|
32,513
|
38,896
|
20000,000
|
0,0006
|
|
4,500
|
0,400
|
2,850
|
13,875
|
62,438
|
5,700
|
0,056
|
24,549
|
28,531
|
20000,000
|
0,0005
|
|
4,900
|
0,400
|
3,250
|
13,875
|
67,988
|
6,500
|
0,044
|
19,093
|
21,821
|
20000,000
|
0,0003
|
|
5,300
|
0,400
|
3,650
|
13,875
|
73,538
|
7,300
|
0,035
|
15,275
|
17,184
|
20000,000
|
0,0003
|
|
5,500
|
0,200
|
3,850
|
13,875
|
76,313
|
7,700
|
0,031
|
13,638
|
14,456
|
20000,000
|
0,0001
|
|
5,900
|
0,400
|
4,250
|
8,631
|
50,923
|
8,500
|
0,026
|
11,129
|
12,383
|
20000,000
|
0,0002
|
|
6,000
|
0,100
|
4,350
|
8,631
|
51,786
|
8,700
|
0,025
|
10,692
|
10,911
|
20000,000
|
0,0000
|
|
|
|
|
|
|
|
|
|
|
0,018
|
Рис.7 Эпюры напряжений основания фундамента под
колонной
6. Конструктивные схемы
фундаментов
Под стену
Рис8 План фундамента участка стены
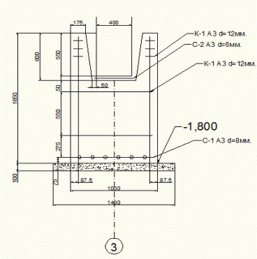
Рис. 9 Разрез фундамента участка стены
Под колонну
Рис10 План фундамента под колонной
Рис.11 Разрез фундамента под колонной
7. Проектирование
свайного фундамента
Рассчитаем параметры свайного фундамента,
расположенного под колонной.
Расчет свайного фундамента по I
группе предельных состояний
Назначение глубины заложения ростверка
Зададим отметку заложения ростверка такую же,
какая была принята нами при расчете фундамента мелкого заложения.
Расчет свай по несущей способности
Назначим забивные сваи с размером поперечного
сечения 300х300 мм. И длиной 6 метров. Длина выбрана так, чтобы можно было
выполнить сваи стойки.
Для свай стоек несущая способность определяется
по 2ум параметрам:
по грунту
Fd=cr*R*A
cr-коэффициент
работы сваи в грунте принимаемый по СП 24.13330.2011 «Свайные фундаменты»
равным 1
R - расчетное
сопротивление грунта под нижним концом сваи. R=80000
кПа
А- площадь опирания сваи на грунт.
А=0.3*0.3=0,09м₂
Fd=1*80000*0.09=7200кН
по материалу сваи
Fdm=c*Ψ*(cb*cb′*Rb′*Ab+a*Rsc*As)
c-коэффициент
условий работы сваи равный 1 т.к. d
сваи больше 20см.
Ψ-коэффициент
продольного изгиба принимаем равным 1 т.к. низкий ростверк
cb-коэффициент
работы бетона для забивных свай равный 1
cb′-коэффициент,
зависящий от условия бетонирования для забивных равен 1
Rb′-
сопротивляемость бетона одноосному сжатию. Бетон B25=14,5мПа
Аb
- площадь бетона Ab=A-As=0.09-0.000803=0.089м₂
a=1
Rsc - расчетное
сопротивление арматуры A400=355мПа
Аs=0,000803м
Fdm=1*1*(1*1*14500*0.089+1*355000*0.000803)=1575.6кН
Выбираем наименьшее значение:
Fd=1575.6кН
Определение допускаемой вдавливающей нагрузки(допускаемое
усилие на сваю F)по новому
СП расчетная нагрузка на сваю N
N=o*Fd/n*k
Fd-несущая
способность сваи, определяемая расчетным методом(см. выше), или практическим по
СНиП
k-коэффициент
надежности по грунту. Принимаем равным 1.4 т.к. расчетный метод.
о-коэффициент условий работы учитывающий
повышение грунтовых условий при применении свайных фундаментов. Принимаем
равным 1 т.к. односвайный фундамент.
n-коэффициент по
назначению или уровню ответственности. Принимаем равным 1.15, так как II
группа ответственности.
N=1*1575.6/1.4*1.15=978.6кН.
Определение количества свай в плане.
n=Nd/N
Nd=(N1+Gp)*1.2
Gp -
предварительная нагрузка от ростверка
N1=P=428.2кПа
Gp=f*Ap*m*dp
f=1.1
Ap-предполагаемая
площадь ростверка
Ар=Ni/(Pp-f*m*dp)
Pp-
предполагаемое давление под подошвой ростверка Рр=N/(1.5*d)=428.2/(1.5*0.3)
=2114.56кПа/м
Ар=428,2/(2114,6-1,1*22*1,65)=0,2м₂
m - усредненный
удельный вес сваи и грунта. Принимаем равным 22кН/м.
Dp-глубина
заложения ростверка равная 1650мм.
Gp=1.1*0.2*1.65*22=8кПа
Nd=(428.2+8)*1.2=523.4кПа
n=523.4/978.6=0.534
Выбираем количество свай равное 1.
Проверка фактических усилий на сваи.
Nmax<N
Nmin>0
N=Nd/n±Mxy/∑yi±Myx/∑xi
N=523.4кПа<978.6
верно
Условие расчета по несущей способности
выполнено.
Расчет свайного фундамента по II
группе предельных состояний(по деформации)
Определение размеров условного свайного
фундамента.
Рис12 Схема условного фундамента под колонну
Lусл=d+2*k
K=lo*
=4250мм.
£=
φср/4
φ ср=
(φ1*h1+
φ2h2)/(h1+h2)=(19*750+23*3500)/(750+3500)=22.29
£=22.29/4=5.57=4250*0.098=414.7мм.усл=414,7*2+300=1129,4мм.усл=lусл
Проверка давления под подошвой
условного свайного фундамента
P<Rусл
P=(N2+Gусл)/Aусл
N2=428.2кПа
Gусл=Аусл*dусл*Ƴmt
mt=20кН/м -
усредненный вес грунта и фундамента
dусл=6150мм.
Аусл=bусл*lусл=1.28м
Gусл=1,28*6,15*20=156,9кПа
Р=(428,2+156,9)/1,28=457,1кПа
Rусл=Rс=80000кПа
Условие выполняется
Расчет на просадки делать не нужно
так как скала не продавливается
Таким образом данный фундамент
удовлетворяет проверкам по несущей способности и по деформациям.
8.
Конструктивная схема фундамента
Рис13 План свайного фундамента
Рис14 Разрез свайного фундамента
Вывод
стена свайный фундамент глубина
Библиографический
список
1. СП
20.13.13330 2011 Нагрузки и воздействия (СНиП 2.01.07-85).
2. СП
22.13330. 2011 Основания зданий и сооружений (СНиП2.01.01-83).
. СП
24.13330 2011 Свайные фундаменты (СНиП 2.02.03-85).
. СНиП
23-01-99 Строительная климатология.
. ГОСТ
25100-95. Грунты. Классификация. - М.: Изд-во стандартов, 2002.
. Учебное
пособие Толмачев. Рыжков Основания и фундаменты курсовой проект ЮУрГУ 1995г.