Расчет ленточного фундамента мелкого заложения под наружную стену бесподвальной части здания
КУРСОВАЯ РАБОТА
по дисциплине Основания и фундаменты
на тему: «Расчет ленточного
фундамента мелкого заложения под наружную стену бесподвальной части здания»
ОГЛАВЛЕНИЕ
ВВЕДЕНИЕ
СБОР
НАГРУЗОК И ФИЗИКО-МЕХАНИЧЕСКИЕ СВОЙСТВА ГРУНТОВ
ОБЩАЯ
ОЦЕНКА КОНСТРУКТИВНЫХ ОСОБЕННОСТЕЙ ПРОЕКТИРУЕМОГО ЗДАНИЯ
РАСЧЕТ
ФУНДАМЕНТА МЕЛКОГО ЗАЛОЖЕНИЯ
.1
ОПРЕДЕЛЕНИЕ ГЛУБИНЫ ЗАЛОЖЕНИЯ ФУНДАМЕНТА
.2
ОПРЕДЕЛЕНИЕ РАСЧЕТНОГО СОПРОТИВЛЕНИЯ ГРУНТА ОСНОВАНИЯ
.3
ОПРЕДЕЛЕНИЕ РАЗМЕРОВ ПОДОШВЫ ФУНДАМЕНТА
.4
КОНСТРУИРОВАНИЕ ФУНДАМЕНТА
.5
ОПРЕДЕЛЕНИЕ ДАВЛЕНИЯ НА ГРУНТ ОСНОВАНИЯ ПОД ПОДОШВОЙ ФУНДАМЕНТА
.6
ПРОВЕРКА ДАВЛЕНИЯ НАГРУНТ И ОПРЕДЕЛЕНИЕ ОСАДКИ ФУНДАМЕНТА
.7
РАСЧЕТ ПЛИТНОЙ ЧАСТИ НА ПРОДАВЛИВАНИЕ И ИЗГИБ
РАСЧЕТ
СВАЙНОГО ФУНДАМЕНТА
.1
ОПРЕДЕЛЕНИЕ ГЛУБИНЫ ЗАЛОЖЕНИЯ РОСТВЕРКА. ВЫБОР ВИДА, МАТЕРИАЛА И РАЗМЕРА СВАИ
.2
ОПРЕДЕЛЕНИЕ НЕСУЩЕЙ СПОСОБНОСТИ СВАИ ПО МАТЕРИАЛУ И ГРУНТУ
.3
ОПРЕДЕЛЕНИЕ НЕОБХОДИМОГО ЧИСЛА СВАЙ В ФУНДАМЕНТЕ
.4
КОНСТРУИРОВАНИЕ СВАЙНОГО РОСТВЕРКА
.5
ПРОВЕРКА СВАЙНОГО ФУНДАМЕНТА ПО ПЕРВОМУ ПРЕДЕЛЬНОМУ СОСТОЯНИЮ
.6
РАСЧЕТ ОСАДКИ СВАЙНОГО ФУНДАМЕНТА. РАСЧЕТ СВАЙНОГО РОСТВЕРКА НА ПРОЧНОСТЬ
ЭКОНОМИЧЕСКОЕ
СРАВНЕНИЕ ВАРИАНТОВ
РАСЧЕТ
ПЛОЩАДИ ПОДОШВЫ ФУНДАМЕНТОВ ПО ВЫБРАННОМУ ВАРИАНТУ
ЗАКЛЮЧЕНИЕ
СПИСОК
ИСПОЛЬЗУЕМОЙ ЛИТЕРАТУРЫ
ПРИЛОЖЕНИЯ
ВВЕДЕНИЕ
Проектирование оснований фундаментов заключается в выборе основания, типа
конструкции и основных размеров фундамента, в совместном расчете основания и
фундамента как одной из частей сооружения.
Основные размеры и конструкция фундамента назначаются в зависимости от
геологических условий строительной площадки, сжимаемости слагающих ее грунтов,
а также от давлений, которые грунты могут воспринять.
Целью курсового проекта является изучение вопросов проектирования,
устройства фундаментов и их оснований для различных сооружений, возводимых в
разнообразных геологических условиях. От правильно выбранного основания и
конструкции фундамента, во многом зависит нормальная эксплуатация зданий и
сооружений.
В связи с этим, задачи, преследуемые курсовой работой следующие:
во-первых: рассмотреть несколько вариантов проектных решений оснований и
фундаментов;
во-вторых: на основе их технико-экономического сравнения принять
оптимальное решение, обеспечивающее наиболее полное использование прочностных и
деформационных свойств грунтов и физико-механических свойств материала
фундаментов.
.
СБОР НАГРУЗОК И ФИЗИКО-МЕХАНИЧЕСКИЕ СВОЙСТВА ГРУНТОВ
Таблица 1
Усилия на обрезе фундамента от расчетных нагрузок
|
Номер фундамента
|
Нагрузки на фундамент
|
|
N, кН
|
М, кНм
|
Т, кН
|
|
1
|
430
|
-
|
-
|
|
2
|
560
|
-
|
-
|
|
3
|
470
|
-
|
-
|
|
4*
|
310
|
-
|
-
|
|
5
|
310
|
-
|
-
|
|
6*
|
280
|
-
|
-
|
грунт здание фундамент
свая
Таблица 2
Физико-механические свойства грунтов
|
N слоя
|
Наименование грунтов
|
Мощн. слоя, м
|
Глубина заложения слоя
|
Нормативные и расчетные
характеристики
|
|
|
|
м
|
отм.
|
|
|
1а
|
Насыпной грунт
|
0,5
|
0,5
|
-1,5
|
|
2 Глина
легкая, твердая и полутвердая, бурая 0,8 1,3 -2,3
,
,
3а Суглинок
тяжелый, туго- и мягкопластичный бурый и серовато-бурый 3,5 4,8 -5,8
,
,
|
, ,
|
|
|
4
|
Песок мелкий неоднородный
|
4,2
|
9
|
-10
|
|
2.
ОБЩАЯ ОЦЕНКА КОНСТРУКТИВНЫХ ОСОБЕННОСТЕЙ ПРОЕКТИРУЕМОГО ЗДАНИЯ
Конструктивная схема здания представляет собой систему с поперечными и
продольными несущими стенами. На них опираются панели перекрытия. Устойчивость
дома обеспечивается за счет платформенной опоры перекрытий на внутренние
несущие стены. Внутренние поперечные стены идут с шагом 11,4 м и 22,8 м, с
пролетами по 6 м.
Территория строительства - г. Омск.
3. РАСЧЕТ ФУНДАМЕНТА МЕЛКОГО ЗАЛОЖЕНИЯ
.1 ОПРЕДЕЛЕНИЕ ГЛУБИНЫ ЗАЛОЖЕНИЯ ФУНДАМЕНТА
При выборе глубины заложения фундамента учитываются следующие факторы:
1) инженерно-геологические условия площадки строительства: насыпные
грунты не пригодны в качестве основания для фундаментов мелкого заложения,
поэтому фундамент заглубляем во второй слой грунта;
) особенности возводимого здания: глубина заложения подошвы фундамента
принимается равной dф= 1,1+0,5=1,6 м,
так как здание бесподвальное, а первый слой не пригоден в качестве основания
под фундаменты;
) климатические особенности.
Основным климатическим фактором, влияющим на глубину заложения
фундаментов, является промерзание грунтов.
Нормативная глубина промерзания (1)
dfn=d0√Mt,,
где Мt - безразмерный коэффициент, численно равный сумме абсолютных
значений среднемесячных отрицательных температур за зиму в данном районе,
принимаемый по СНиП [1, таблица 3] для г. Омска Мt=76,3;
d0 -
величина, принимаемая равной 0,23 м для суглинков и глин.
dfn=d0√Mt=0,23√76,3=2 м,
Определение расчетной глубины промерзания (2)
df=kh dfn,
где kh - коэффициент, учитывающий влияние
теплового режима сооружения (здание без подвала с полами, устраиваемыми по
утепленному цокольному перекрытию).
df=kh dfn=0,7*2=1,4м
Окончательно принимаем глубину заложения подошвы фундамента 2м.
.2 ОПРЕДЕЛЕНИЕ РАСЧЕТНОГО СОПРОТИВЛЕНИЯ ГРУНТА ОСНОВАНИЯ
Определение расчетного сопротивления грунта основания, при ширине подошвы
фундамента равной 1 м. Под подошвой фундамента залегают грунты 3-го слоя:
суглинок тяжелый, туго- и мягкопластичный бурый и серовато-бурыйL=0,48=0,27кгс/м2
φ=20°
γ=1,82т/м3
Расчетное сопротивление грунта основания R (3)
,
где
коэффициенты условий работы (по табл.3 [2])
k=1 -
прочностные характеристики грунта приняты по испытаниям.
(табл.4
[2]);
при b<10м;
b=1 м;
;
- глина
легкая;
-
глубина заложения фундамента
-
глубина подвала - расстояние от уровня планировки до пола подвала.
.3 ОПРЕДЕЛЕНИЕ РАЗМЕРОВ ПОДОШВЫ ФУНДАМЕНТА
Площадь подошвы фундамента (4)
,
где
N0 =470 кН - усилия на обрезе фундамента;
R = 324,5 кПа;
-
средний удельный вес грунта, вычисляется по формуле:
=2 м - глубина заложения фундамента.
Принимаем ширину фундаментной
плиты 1,6 м.
Расчетное сопротивление в
пересчете на ширину фундамента 1,6 м составит:
, а площадь Аф=470/(331,2-17*2)=1,58 м.
Окончательно принимаем
размеры подошвы фундамента 1,6 х 2,4 м.
.4 КОНСТРУИРОВАНИЕ ФУНДАМЕНТА
Конструируем фундамент в соответствии с типовыми размерами фундаментных
блоков и плит, глубиной заложения и площадью подошвы фундамента:
блоки бетонные ФБС 24.5.6 (ГОСТ 13579-78);
плиты железобетонные для ленточных фундаментов ФЛ16.24 (серия 1.112-1
вып.1, ГОСТ 13580-68)
Рис.1 Конструкция ленточного фундамента
3.5 ОПРЕДЕЛЕНИЕ ДАВЛЕНИЯ НА ГРУНТ ОСНОВАНИЯ ПОД ПОДОШВОЙ ФУНДАМЕНТА
Вес фундамента определяем, складывая вес блоков и плиты:
,
где
1,63т - вес фундаментных блоков ФБС 24.5.6;
,47т-вес
плиты ФЛ16.24.
Вес
грунта (5)
,
где
Vгр - объем грунта, вычисляемый
Vф=1,6*0,3*2,4+0,5*1,7*2,4=3,19м3
- подземный объем фундамента
Среднее
давление под подошвой фундамента (6)
,

.6
ПРОВЕРКА ДАВЛЕНИЯ НАГРУНТ И ОПРЕДЕЛЕНИЕ ОСАДКИ ФУНДАМЕНТА
Полученное
значение среднего давления по подошве фундамента должно удовлетворять
следующему условию:
Условие
выполняется.
Определение
осадки фундамента осуществляется методом послойного суммирования. Для расчета
осадки методом послойного суммирования на разных глубинах, определяем
напряжение от собственного веса грунта
,
где
n - число слоев грунта в пределах глубины z;
-
удельный вес i-го слоя, м.
Вертикальное
дополнительное напряжение, возникающее от нагрузок, передаваемых сооружением
,
где
α
- коэффициент, зависящий от отношений
,
и
принимаемый по таблице 3.4 [3].
По
полученным значениям строим эпюры давления
- от
природной поверхности грунта,
- от
подошвы фундамента (рисунок 3).
Для
определения напряжений
необходимо найти дополнительные давления в плоскости
подошвы фундамента
Величина
осадки фундамента (7)
,
где
- безразмерный коэффициент, учитывающий условность
расчетной схемы, принимаемый равным 0,8;
n - число слоев,
на которые разделена сжимаемая толща основания;
-
среднее вертикальное напряжение, возникающее в i-том слое.
hi - толщина
i-го слоя, м (не более 0,4b);
Е0i
- модуль деформации грунта i-го слоя.
Все
расчеты сводятся в таблицу 4.
Таблица
4
Расчет
осадки фундамента
|
N точки
|
hi, м
|
z, м
|
m=2z/b
|
α
|
σzg,
кПа
|
σzр,
кПа
|
0,2
σzg
|
S, м
|
|
0
|
0
|
0
|
0
|
1
|
34,9
|
126,44
|
6,98
|
0,012
|
|
1
|
0,3
|
0,3
|
0,4
|
0,973
|
40,36
|
123,03
|
8,08
|
|
|
2
|
0,5
|
0,8
|
0,5
|
0,943
|
49,46
|
119,23
|
9,89
|
|
|
3
|
0,5
|
1,3
|
1,6
|
0,545
|
58,56
|
68,91
|
11,71
|
|
|
4
|
0,5
|
1,8
|
0,361
|
67,66
|
45,64
|
13,53
|
|
|
5
|
0,5
|
2,3
|
2,9
|
0,259
|
76,76
|
32,75
|
15,35
|
|
|
6
|
0,5
|
2,8
|
3,5
|
0,1921
|
85,86
|
24,29
|
17,17
|
|
Полученная
общая осадка верхних слоев небольшая.
Рис. 3 Расчетная схема и эпюра напряжений
3.7 РАСЧЕТ ПЛИТНОЙ ЧАСТИ НА ПРОДАВЛИВАНИЕ И ИЗГИБ
Принятую высоту плитной части проверяем расчетом на продавливание.
Расчет на продавливание (8)
,
где
N - расчетная продавливающая сила, кН:
,
где
А0 - площадь многоугольника, м:
,
где
h0 =0,265м - размер по вертикали от верха плитной части до арматуры;
- длина
подушки;
- ширина
фундаментных блоков;
k=1 -
коэффициент надежности по нагрузке;
Rр=630кПа -
расчетное сопротивление бетона растяжению (бетон марки М150);
uср - среднее
арифметическое значение периметров верхнего и нижнего оснований пирамиды,
образующейся при продавливании в пределах рабочей высоты сечения
Условие
удовлетворено.
Расчет
плитной части на изгиб не требуется, так как на фундамент не действует
изгибающий момент.
Согласно
сборочного чертежа, необходимое количество арматуры следущее:
6АIII
- 12,12кг;
4В-I
- 2,54 кг.
4. РАСЧЕТ СВАЙНОГО ФУНДАМЕНТА
.1 ОПРЕДЕЛЕНИЕ ГЛУБИНЫ ЗАЛОЖЕНИЯ РОСТВЕРКА. ВЫБОР ВИДА, МАТЕРИАЛА И
РАЗМЕРА СВАИ
Расчет глубины заложения подошвы ростверка производится, как и для
фундамента мелкого заложения (см.п.3.1). Принята глубина заложения - 2 м.
Примем железобетонные сваи квадратного сечения с ненапрягаемой арматурой.
По характеру работы целесообразно принять висячую сваю. Выбор свай производится
с учетом инженерно-геологических особенностей площадки строительства.
Марку сваи принимаем С4-20. Характеристики сваи приведены в таблице 5.
Таблица 5
Характеристики принятой сваи
|
Марка сваи
|
Длина сваи
|
Сечение сваи, см
|
Марка бетона
|
Масса сваи, т
|
Продольная арматура А-I
|
|
C4-20
|
4
|
20х20
|
В20
|
0,43
|
4Ø12
|
.2 ОПРЕДЕЛЕНИЕ НЕСУЩЕЙ СПОСОБНОСТИ СВАИ ПО МАТЕРИАЛУ И ГРУНТУ
Несущая способность сваи по материалу (9)
,
где
- коэффициент условий работы сваи;
-
коэффициент, учитывающий условия погружения;
Rпр=9000кПа -
расчетное сопротивление бетона при осевом сжатии;
Ас=0,04м2
- площадь поперечного сечения сваи;
Аа=
4,52*10-4м2 - площадь поперечного сечения всех продольных стержней арматуры.
Несущая
способность висячей сваи по грунту (10)
где
- коэффициент условий работы сваи в грунте;
R=2100кПа -
расчетное сопротивление грунта под нижним концом сваи;
А=0,04
м2 - площадь опирания на грунт сваи;
U=0,8 м -
наружный периметр поперечного сечения ствола сваи;
fi - расчетное
сопротивление i-го слоя грунта основания по боковой поверхности сваи:
f3.1сл=20кПа, f3.2сл=22,8кПа, f4сл=40,8кПа;
-
толщина i-го слоя грунта, соприкасающегося с боковой
поверхностью:
=2м,
=0.8м,
=1,2м;
-
коэффициент условий работы грунта под нижним концом сваи;
-
коэффициент условий работы грунта по боковой поверхности сваи.
Наименьшее
значение несущей способности по грунту 178,16кН используем в дальнейших
расчетах.
Рис.
5 Расчетная схема
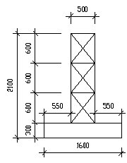
.3 ОПРЕДЕЛЕНИЕ НЕОБХОДИМОГО ЧИСЛА СВАЙ В ФУНДАМЕНТЕ.
Число свай (11)
,
где
- расчетная нагрузка на фундамент по первому предельному
состоянию;
-
коэффициент надежности;=178,16кН - несущая способность сваи;
а2=0,04 м2 - площадь сечения
сваи;р =2 м - глубина заложения ростверка;
- средний удельный вес материала ростверка фундамента
и грунта.
Принимаем 8 свай.
.4 КОНСТРУИРОВАНИЕ СВАЙНОГО
РОСТВЕРКА
Конструирование ростверка
начинаем с размещения свай в плане. Сваи располагаем в рядовом порядке.
Расстояние между осями свай принимаем равным не менее 3d=3*0,2=0,6 м. Размеры
ростверка 2,4 х 1,2 м.
Рис. 6 Расположение свай в
ростверке (размеры в мм)
.5 ПРОВЕРКА СВАЙНОГО
ФУНДАМЕНТА ПО ПЕРВОМУ ПРЕДЕЛЬНОМУ СОСТОЯНИЮ
Проверку свайного фундамента
по первому предельному состоянию необходимо проводить из условия:
,
где NI - расчетная
вертикальная нагрузка, действующая на сваю (12)
,
где
- вертикальная сила в плоскости подошвы свайного
ростверка:
где
=470кН - расчетная нагрузка на обрезе фундамента по
первому предельному состоянию;
- вес ростверка и грунта
- несущая способность сваи;
- коэффициент надежности.
;
,34кН<127,26 кН.
Условие удовлетворено.
Расчетная вертикальная нагрузка, действующая на сваю, не превышает несущей
способности сваи.
.6 РАСЧЕТ ОСАДКИ СВАЙНОГО ФУНДАМЕНТА. РАСЧЕТ СВАЙНОГО РОСТВЕРКА НА
ПРОЧНОСТЬ
Расчет осадки фундамента с висячими сваями не требуется, так как концы
свай уходят в малонесущий слой
1) Расчет на продавливание не выполняется, так как все сваи находятся в
пределах пирамиды продавливания.
) Расчет ростверка на изгиб с подбором арматуры
Площадь рабочей арматуры ростверка рассчитываем по моменту, действующему
в сечении по грани фундаментных блоков.
Расчет момента производим (13)
,
где
рср - среднее давление под подошвой фундамента
,
Площадь
арматуры (14)
Принимая
защитный слой 15см
,
где
Ra=270000кПа (для арматуры класса АII)- расчетное сопротивление
арматуры растяжению.
Шаг
стержней принимаем 20 см. Следовательно при b=120 см арматура 6Ø10, тогда Аа=4,71 см2
В
продольном направлении фундамент не работает на изгиб. Арматуру назначаем для
связки стержней - шаг 20 см, арматура 12Ø6 Вр-I, тогда Аа=3,4 см2
Принятая
арматура достаточна.
.
ЭКОНОМИЧЕСКОЕ СРАВНЕНИЕ ВАРИАНТОВ
Критерием
сравнительной экономической эффективности проектных решений является минимум
приведенных затрат, которые определяются с учетом себестоимости работ
капитальных вложений в базу строительства, трудоемкости, продолжительности
возведения фундаментов и затраты материалов.
Экономическое
сравнение вариантов сведено в таблице 6.
Таблица
6
Экономическое
сравнение вариантов
|
Наименование работ и
конструкций
|
Количество единиц измерения
(объем)
|
Общая стоимость, руб-коп
|
|
Фундамент мелкого заложения
|
|
ЗЕМЛЯНЫЕ РАБОТЫ
|
|
|
|
|
Разработка грунта под
фундаменты глубиной 2м и шириной траншеи 2,6м (1,6+0,5+0,5)
|
3,85
|
12,48м3
|
48,05
|
|
Крепление стенок котлована
досками, при глубине выемки до 3м
|
0,85
|
9,6м2
|
8,16
|
|
УСТРОЙСТВО ФУНДАМЕНТОВ
|
|
|
|
|
Сборные фундаменты
|
36,00
|
3,312
|
119,23
|
|
ИТОГО
|
175,44
|
|
Свайный фундамент
|
|
ЗЕМЛЯНЫЕ РАБОТЫ
|
|
|
|
|
Разработка грунта под
фундаменты глубиной 2м и шириной траншеи 1,2м
|
3,85
|
5,76
|
22,18
|
|
Крепление стенок котлована
досками, при глубине выемки до 3м
|
0,85
|
9,6м2
|
8,16
|
|
УСТРОЙСТВО ФУНДАМЕНТОВ
|
|
|
|
|
Сборные фундаменты
|
36,00
|
2,52
|
90,72
|
|
Монолитные фундаменты
|
26,30
|
0,864
|
22,72
|
|
Железобетонные сваи
|
88,40
|
5,12
|
452,61
|
|
ИТОГО
|
596,39
|
6. РАСЧЕТ ПЛОЩАДИ ПОДОШВЫ ФУНДАМЕНТОВПО ВЫБРАННОМУ ВАРИАНТУ
Площадь подошвы фундамента (15)
,
Площадь
подошвы фундамента №1
Ширину
подушки фундамента №1 принимаем 1,6м.
Площадь
подошвы фундамента №2
,
Ширину
подушки фундамента №2 принимаем 2м.
Фундамент
№3 рассмотрен выше в р.3.3
Площадь
подошвы фундаментов №4, 5
,
Ширину
подушки фундаментов №4,5 принимаем 1,2м.
Площадь
подошвы фундамента №6
,
Ширину
подушки фундамента №6 принимаем 1,2м.
ЗАКЛЮЧЕНИЕ
В курсовом проекте выполнен расчет ленточного фундамента под наружную
стену бесподвального жилого здания. Рассмотрены два варианта ленточного
фундамента: фундамент мелкого заложения (сборный из фундаментных блоков и плит)
и свайный фундамент.
Основные размеры и конструкция фундамента назначены в зависимости от
геологических условий строительной площадки, сжимаемости слагающих ее грунтов,
а также от давлений, которые грунты могут воспринять.
На основе технико-экономического сравнения фундамент мелкого заложения
выгоднее свайного.
СПИСОК ИСПОЛЬЗУЕМОЙ ЛИТЕРАТУРЫ
СНиП 23-01-99 «Строительная климатология»;
СНиП 2.02.01-83 «Основания зданий и сооружений»;
СНиП 2.02.03-85 «Свайные фундаменты»;
ГОСТ 25100-82 «Грунты. Классификация»;
СНиП 2.03.01-84 «Бетонные и железобетонные
конструкции»;
ГОСТ 13579-78 «Блоки бетонные для стен подвалов и
фундаментов»;
ГОСТ 21.1101-97 СПДС «Основные требования к
проектной и рабочей документации»;
СниП 2.01.07- 85. «Нагрузки и воздействия»;
Методические указания по выполнению курсовой работы
по дисциплине «Основания и фундаменты». - М.:МТИ «ВТУ», 2013. - 84с.;
Антонов В.М., Леденев В.В., Скрылев В.И.
Проектирование зданий в особых условиях строительстваи эксплуатации. Учебное
пособие. - Тамбов: Изд-во ТГТУ, 2002. - 240с.;
Бреннеке Л. Устройство оснований и фундаментов
Издание-типография Исидора Гольдберга, Спб. Екатерин. кан. 94, 1901 г. - 540 с.
Веселов В.А. Проектирование оснований и фундаментов.
М.: Стройиздат, 1990. - 334с.;
Далматов Б.И. Механика грунтов, основания и
фундаменты. Л.: Стройиздат, 1988. - 416с.;
Гольдштейн М.Н., Кушнер С. Г., Шевченко М. И.
Расчеты осадок и прочности оснований зданий и сооружений.
Киев, «Будiвельник», 1977, 208 с.;
Пьянков С.А. Свайные фундаменты: Учебное
пособие.-Ульяновск: УлГТУ, 2007. - 107с.;
Костерин Э.В. Основания и фундаменты М.: Высшая
школа, 1990. - 431с.;
Кальницкий А.А., Пешковский Л.М.
Расчет и конструирование железобетонных фундаментов
гражданских и промышленных зданий и сооружений.
Учеб. пособие для вузов. М., «Высш. школа», 1975. - 256с.;
Справочник проектировщика. Основания, фундаменты и подземные
сооружения / Под ред. Е.А. Сорочана и Ю.Г. Трофименкова. - М.: Стройиздат,
1985. - 480с.;
Цытович Н.А., Березанцев В.Г., Далматов М.Ю.
Основания и фундаменты. Краткий курс М.: Высшая школа,1970. - 384 с.;
ПРИЛОЖЕНИЕ А Схема сооружения
Примечание: Здание без подвала