Расчет фундамента мелкого заложения на естественном основании и свайного фундамента

  • Вид работы:
    Курсовая работа (т)
  • Предмет:
    Строительство
  • Язык:
    Русский
    ,
    Формат файла:
    MS Word
    267,3 Кб
  • Опубликовано:
    2013-10-05
Вы можете узнать стоимость помощи в написании студенческой работы.
Помощь в написании работы, которую точно примут!

Расчет фундамента мелкого заложения на естественном основании и свайного фундамента







Расчет фундамента мелкого заложения на естественном основании и свайного фундамента


Введение

В курсовой работе произведен расчет фундаменты мелкого и глубокого заложения. По полученным данным проведена оценка экономической эффективности рассчитанных типов фундаментов. На основе оценки сделан вывод, какой из типов фундаментов наиболее подходит для возведения в данных геологических условиях.

1. Исходные данные грунтовой обстановки. Место строительства - г. Челябинск

Здание

Конструкции

Нормативные нагрузки


Наименование

Материал

Постоянная

Временная

Радиотелевизационная передающая станция

Каркас Колонны Стены внеш. Перекрытия Покрытие Пол на грунте.

Сб. ж.б. Кирпич Сб. ж.б. Сб. ж.б.

у = 2.5 т/ м3 у =1.7 т/м3 3,5 кН/м2 3.2 кН/м2

1 кН/м2 снег 5 кН/м2 пол. нагр.

Слой        Р, кН/м3 Ps кН/м3                W                  WL          WP          кф            С, КПа  ,

градЕ,

МПа


 

Слой I

19.6

26.6

0.20

0.21

0.17

3.4-10-4

3

17

3.63

Слой II

19.0

27.0

0.31

0.33

0.21

6.8-10-6

12

13

5,95

Слой III

18.6

27.5

0.30

0.36

0.08

9.5-10-7

12

11

3,24

Примечание: расчет без скалы!

Рис. 1 Схема напластования грунтов

Рис. 2 Вариант схемы сооружения

2. Оценка грунтовых условий

Слой I:

- индекс текучести.

Jp = WL - Wp = 0.21 -0.17 = 0.04 - число пластичности

Грунт данного слоя относится к супесям пластичной консистенции.

e=Ps-Pd/Pd=2.66-1.63/1.63=0,63

Pd=p/(1+W)=1.96/(1+0.20)=1.63 т/м3

Sr=W*Ps/e=0.32*2.66/0,63=0,84

Грунт насыщенный с коэффициентом пористости е = 0,63.

Расчетные значения удельного сцепления и угла трения для расчетов по несущей способности:

1=/k=17/1.15=14,8 град

с1=с/к=3/1,5=2 КПа

Jss=(eL - e)/(1+e)=(0,56-0,63)/(1+0,63)=-0.043L=WL*Ps=0.21*2.66=0.56

Грунт непросадочный и ненабухающий при замачивании.

Полное наименование грунта:

супесь пластичной консистенции с коэффициентом пористости е = 0.63 насыщенная, непросадочная и ненабухающая при замачивании.

Слой II:

Jp = WL - Wp = 0.33 -0.21 = 0.12

Грунт данного слоя относится к суглинкам текучепластичной консистенции.

e=Ps-Pd/Pd=2.70-1.45/1.45=0,86

Pd=p/(1+W)=1.9/(1+0.31)=1.45 т/м3

Sr=W*Ps/e=0.31*2.70/0,86=0,97

Грунт насыщенный с коэффициентом пористости е = 0,86.

Расчетные значения удельного сцепления и угла трения для расчетов по несущей способности:

1=/k=13/1.15=11,3 град

с1=с/к=12/1,5=8 КПа

Jss=(eL - e)/(1+e)=(0,89-0,86)/(1+0,86)=0,016L=WL*Ps=0.33*2.70=0.89

Грунт непросадочный и ненабухающий при замачивании.

Полное наименование грунта:

суглинок текучепластичной консистенции с коэффициентом пористости е = 0.86

насыщенный, непросадочный и ненабухающий при замачивании.

Слой III:

Jp = WL - Wp = 0.36-0,08=0,28

Грунт данного слоя относится к глинам текучепластичной консистенции.

e=Ps-Pd/Pd=2.75-1.43/1.43=0,92

Pd=p/(1+W)=1.86/(1+0.30)=1.43 т/м3

Sr=W*Ps/e=0.3*2.75/0,92=0,9

Грунт насыщенный с коэффициентом пористости е = 0,92.

Расчетные значения удельного сцепления и угла трения для расчетов по несущей способности:

1=/k=11/1.15=9,6 град

с1=с/к=12/1,5=8 КПа

Jss=(eL - e)/(1+e)=(0,99-0,92)/(1+0,92)=0.036L=WL*Ps=0.36*2.75=0.99

Грунт непросадочный и ненабухающий при замачивании.

Полное наименование грунта:

глина текучепластичной консистенции с коэффициентом пористости е = 0.92

насыщенная, непросадочная и ненабухающая при замачивании.

. Оценка грунтовой обстановки

Определяем условное расчетное сопротивление для каждого слоя грунта (ширина фундамента b = 1 м., глубина заложения d = 2 м). Расчетная формула:


На данном этапе (оценка условного расчетного сопротивления) принимаются Ус1 Ус2 и k равными 1. db=0 (без подвала)

Значения

Му

Mq

Mс

Слой I

0.314

2.274

4.81

Слой II

0.216

1.863

4.329

Слой III

0.172

1.694

4.122


Слой I:

 

R =1*1/1• [0.314*1 *1*19.1 + 2.274 • 2 • 19.6 + 0 + 4.81 • 3] = 109.6 КПа.

Слой II:

 

R = 1*1/1• [0.216 • 1 *1 • 18.8 + 1.863 • 2 • 19.3 + 0 + 4.329 •12]= 127.9 КПа.

Слой III:

 

R = 1*1/1[0.172 • 1 • 1 • 18.6 + 1.694 • 2 • 19.1 + 0 + 4.122 • 12] = 117.4 КПа.

Определение глубины заложения фундаментов на естественном основании

Определение глубины заложения фундамента с учетом глубины сезонного промерзания грунта.

Нормативная глубина промерзания  (г. Челябинск)

Расчетная глубина промерзания

-коэффициент, учитывающий влияние теплового режима сооружения,

 (неотапливаемое сооружение).

Принимаем конструктивную глубину заложения:


4. Сбор нагрузок

Поскольку в дальнейшем предполагается выполнить расчет основания фундаментов мелкого заложения по деформациям (это обусловлено заданием на проектирование), то производится сбор нагрузок в основных сочетаниях. В этом случае необходимо учесть все постоянные, все временные длительные и кратковременные нагрузки.

Результаты сбора нагрузок сводим в таблицу

Сбор нагрузок

Наименование нагрузки

Норм.

Уг

Расч.

1.1. Собственный вес колонны у = 25 кН/м3; ахЬ = 0.4х0.4 м; Н= 6,8 м.

27,2

1.1

29,9

1.2. Собственный вес перекрытий: q = 3,5 кН/м2; а х b = 6 х 6 м.

126

1.2

151,2

1.3. Собственный вес покрытия: q = 3.2 кН/м2; ахЬ = 6х6 м.

115,2

1.3

149.8

2.1. Полезная нагрузка на перекрытие: V = 5 кН/м2;

180

1.2

216

2.2. Снеговая нагрузка: V = 1 кН/м2;

36

1.2

43.2

1.4 Собственный вес кирпичной стены: у = 17 кН/м3; В = 0.51 м; Н=З.0 м, L=6 м.

156,1

1.1

171,7


a. Сбор нагрузок на колонну 4Б:

Подсчет нагрузки от надземных конструкций здания:

NkN = 27,2+126 +115,2+180+36= 484,4 кН.

Nk =29,9+151,2+149,8+216+43,2=590,1кН.

б. Сбор нагрузок на колонну 1В:

Подсчет нагрузки от надземных конструкций здания:

NkN = 27,2+0,25 (126+115,2+180+36)+156,1=297,6 кН.

Nk =29,9+0,25 (151,2+149,8+216+43,2)+171,7=341,7 кН.

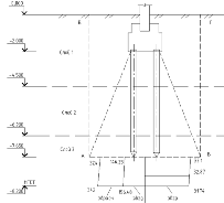
Проверка допустимости напряжений под подошвой фундамента под колонну 4Б

Принимаем фундаменты по приложению 6 ФБ-37 под колонну и выполняем проверку допустимости напряжений.

Марка фундамента

Расход бетона, м3

Размеры фундамента, мм

 

 

hф

L

l1 (l2)

b

b1, (b2)

ФБ37

4,4

1500

3000

2400

2400

1800


Расчетные формулы:

Р =(NH+ GH)/b*l+/-6MH/lb2=(484.4кН+288кН)/2.4 м*3 м=107.3 кН/м2

 

где N - нагрузка от надземных конструкций здания;

GH - вес фундамента и грунта на его обрезах:

GH= A*d*p = 2,4 м*3 м*2 м*20кН/м3 = 288 кН;

где А - площадь подошвы фундамента;

d - глубина заложения;

р - осредненный удельный вес массива в объеме, равном Ad (р = 20 кН/м3);

М - момент относительно центра тяжести площади подошвы фундамента.

В нашем случае нагрузка передается центрально, т.е. М = 0.

Расчетное сопротивление грунта под подошвой:


В данном случае коэффициенты yc1и уc2 принимаются по приложению 8 [1], здесь равны 1; к = 1, кz = 1; Му, Mq и Мс - см. табл. в п. 2,2; dв=0 - глубина заложения фундамента без подвальных помещений.

R =1*1/1• [0.314*1 *1.8*19.1 + 2.274 • 2 • 19.6 + 0 + 4.81 • 3] = 114.3 кН/м2

P = 107.3 кН/м2 ≤ R = 114.3 кН/м2. (выполняется)

Проверка допустимости напряжений под подошвой фундамента под колонну 1В

Принимаем фундаменты по приложению 6 ФБ-31 под колонну и выполняем проверку допустимости напряжений.

Марка фундамента

Расход бетона, м3

Размеры фундамента, мм



hф

L

l1 (l2)

b

b1, (b2)

ФБ31

4.3

1500

3000

2400

2100

2100


Расчетные формулы:

 

Р =(NH+ GH)/b*l+/-6MH/lb2=(297,6 кН+252кН)/2.1 м*3 м=87,2 кН/м2

где Nн - нагрузка от надземных конструкций здания;

Gн - вес фундамента и грунта на его обрезах:

Gн = A*d*p = 2.1 м*3 м*2 м*20кН/м3 = 252 кН;

где А - площадь подошвы фундамента;

d - глубина заложения;

р - осредненный удельный вес массива в объеме, равном Ad (р = 20 кН/м3);

Мн - момент относительно центра тяжести площади подошвы фундамента.

В нашем случае нагрузка передается центрально, т.е. Мн = 0.

Расчетное сопротивление грунта под подошвой:


В данном случае коэффициенты yc1 и ус2 принимаются по приложению 8 [1], здесь равны 1; к = 1,=1; MY, Mq и Мс - см. табл. в пункте 2.2; dв =0 - глубина заложения фундамента без подвальных помещений.

R =1*1/1 [0,314*1*2.1*19.1 + 2.274*2*19.6 + 0 + 4.81*3] =116,2 кН/м2

P=87,2 кН/м2 R = 116,2 кН/м2. (выполняется)

5. Определение осадки и других возможных для данного сооружения деформаций и сравнивание их с предельными

Для расчета осадки по схеме линейно-деформируемой среды производится построение эпюры бытовых давлений, для чего значения давлений определяются на границах слоев, на уровне горизонта грунтовой воды и на отметке заложения подошвы фундамента. Если грунт находится ниже горизонта грунтовой воды, это обстоятельство надо учитывать.

Слой

Р, кН/м3

Слой I

19.6

Слой II

19.0

Слой III

18.6


Производится построение эпюры дополнительных давлений, для чего слои грунтов ниже подошвы предварительно разбиваются на элементарные слои hi=0.4*b. Разбивка должна совпадать с границами слоев и с горизонтом грунтовой воды.

Результаты расчета осадки сводим таблицу. Для колонны 4Б

Глубина от поверх. Н, м     Глубина от подошв ы, Z, м            Коэф. a Коэф. z=2z/b       Доп. Давл Удел.вес r, кН/м3         Бытов. Давл.  КН/м3Модуль

Деформ.кПа.Сред.

Давл.

кН/м3Толщина элем. слоя, мОсадка

Элем. Слоя

Si, м






 

2,00

0,00

1

0,0

68,10

19,60

39,20

3630


0,000


2,50

0,50

0,972

0,4

66,19

19,60

49,00

3630

67,15

0,500

0,009

3,00

1,00

0,848

0,8

57,75

19,60

58,80

3630

61,97

0,500

0,009

3,50

1,50

0,682

1,3

46,44

19,60

68,60

3630

52,10

0,500

0,007

4,00

2,00

0,532

1,7

36,23

19,60

78,40

3630

41,34

0,500

0,006

4,50

2,50

0,414

2,1

28,19

19,60

88,20

3630

32,21

0,500

0,004

4,93

2,93

0,325

2,4

22,13

19,00

96,28

5950

25,16

0,425

0,002

5,35

3,35

0,26

2,8

17,71

19,00

104,35

5950

19,92

0,001

5,78

3,78

0,21

3,1

14,30

19,00

112,43

5950

16,00

0,425

0,001

6,20

4,20

0,173

3,5

11,78

18,60

120,50

3240

13,04

0,425

0,002

6,70

4,70

0,145

3,9

9,87

18,60

128,58

3240

10,83

0,500

0,002

7,20

5,20

0,123

4,3

8,38

18,60

137,88

3240

9,13

0,500

0,001

7,70

5,70

0,105

4,8

7,15

18,60

147,18

3240

7,76

0,500

0,001

8,20

6,20

0,091

5,2

6,20

18,60

156,48

3240

6,67

0,500

0,001

8,70

6,70

0,079

5,6

5,38

18,60

165,78

3240

5,79

0,500

0,001

9,20

7,20

0,07

6,0

4,77

18,60

175,08

3240

5,07

0,500

0,001


После этого проверяем выполнение условия: . Принимаем предельную осадку .

S = 0.049 м < Su = 0.2 м (выполняется).

Определяем нижнюю границу сжимаемой толщи основания , по условию: (0,005 МПа).

НГСТ=5,15 м.

Производится построение эпюры расчетных сопротивлений в предположении, что подошва фундамента последовательно занимает места на границах слоев грунтов и на отметке горизонта грунтовой воды.


где левая часть условия - действующее суммарное давление на кровлю слабого слоя; Rz - расчетное сопротивление на кровле слабого слоя.

Производится построение эпюры расчетных сопротивлений в предположении, что подошва фундамента последовательно занимает места на границах слоев грунтов и на отметке горизонта грунтовой воды.

 - средневзвешенное значение удельного веса вышележащих слоев грунта.

·        Для фундамента ФБ37:

·   на границе первого и второго слоев:

·   на НГСТ (5,15 м):

На отметке ниже на 2 м от границы второго и третьего слоев:

Проверяем напряжения на подстилающий слой, которые не должны превышать величины Rz для этого грунта на глубине залегания его кровли:

szp + szg = 11,78+120,50 = 132,28 кН/м2 £ R = 286 кН/м2;

szp + szg = 6,2+156,48= 153,56 кН/м2 £ R = 324 кН/м2;

szp + szg = 19,9+100,3 = 140,01 кН/м2 £ Rнгст = 249 кН/м2;

Условия выполняются.

Рис. 3 Эпюры бытовых, дополнительных напряжений и расчетных сопротивлений

Для колонны 1В

Глубина от поверх. Н, м     Глубина от подошвы, Z, м             Коэф. a Коэф. z=2z/b       Доп. Давл Удел.вес r, кН/м3         Бытов. Давл.  КН/м3Модуль

Деформ.кПа.Сред.

Давл.

кН/м3Толщина элем. слоя, мОсадка

Элем. Слоя

Si, м






 

2,00

0,00

1

0,0

48,00

19,60

39,20

3630


0,000


2,50

0,50

0,972

0,4

46,66

19,60

49,00

3630

47,33

0,500

0,007

3,00

1,00

0,848

0,8

40,70

19,60

58,80

3630

43,68

0,500

0,006

3,50

1,50

0,682

1,3

32,74

19,60

68,60

3630

36,72

0,500

0,005

4,00

2,00

0,532

1,7

25,54

19,60

78,40

3630

29,14

0,500

0,004

4,50

2,50

0,414

2,1

19,87

19,60

88,20

3630

22,70

0,500

0,003

4,93

2,93

0,325

2,4

15,60

19,00

96,28

5950

17,74

0,425

0,001

5,35

3,35

0,26

2,8

12,48

19,00

104,35

5950

14,04

0,425

0,001

5,78

3,78

0,21

3,1

10,08

19,00

112,43

5950

11,28

0,425

0,001

6,20

4,20

0,173

3,5

8,30

18,60

120,50

3240

9,19

0,425

0,001

6,70

4,70

0,145

3,9

6,96

18,60

128,58

3240

7,63

0,500

0,001

7,20

5,20

0,123

4,3

5,90

18,60

137,88

3240

6,43

0,500

0,001

7,70

5,70

0,105

4,8

5,04

18,60

147,18

3240

5,47

0,500

0,001

8,20

6,20

0,091

5,2

4,37

18,60

156,48

3240

4,70

0,500

0,001

8,70

6,70

0,079

5,6

3,79

18,60

165,78

3240

4,08

0,500

0,001

9,20

7,20

0,07

6,0

3,36

18,60

175,08

3240

3,58

0,500

0,001


После этого проверяем выполнение условия: . Принимаем предельную осадку .

S = 0.034 м < Su = 0.2 м (выполняется).

Определяем нижнюю границу сжимаемой толщи основания , по условию: (0,005 МПа).

НГСТ=4,5 м.

Производится построение эпюры расчетных сопротивлений в предположении, что подошва фундамента последовательно занимает места на границах слоев грунтов и на отметке горизонта грунтовой воды.


где левая часть условия - действующее суммарное давление на кровлю слабого слоя; Rz - расчетное сопротивление на кровле слабого слоя.

Производится построение эпюры расчетных сопротивлений в предположении, что подошва фундамента последовательно занимает места на границах слоев грунтов и на отметке горизонта грунтовой воды.

 - средневзвешенное значение удельного веса вышележащих слоев грунта.

·        Для фундамента ФБ31:

·   на границе первого и второго слоев:

·   на НГСТ (4,5 м):

На отметке ниже на 2 м от границы второго и третьего слоев:

Проверяем напряжения на подстилающий слой, которые не должны превышать величины Rz для этого грунта на глубине залегания его кровли:

szp + szg = 11,78+120,50 = 132,28 кН/м2 £ R = 284 кН/м2;

szp + szg = 6,2+156,48= 153,56 кН/м2 £ R = 323кН/м2;

szp + szg = 19,87+88,2 = 108,07 кН/м2 £ Rнгст = 224 кН/м2;

Условия выполняются.

Рис. 4 Эпюры бытовых, дополнительных напряжений и расчетных сопротивлений

6. Расчет осадки во времени

Данный расчет производится для определения скорости протекания осадки фундамента.

Предполагается, что для грунта справедлива теория фильтрационной консолидации.

Расчет осадки во времени для колонны 4Б

Рис. 5 Эпюра дополнительных давлений.

P¢/ P¢¢ = 68,1/22,3 = 3,05;

Задаемся Qt1 = 0.2;

St1 = Qt1×Sгл;

Где Qt1× - степень консолидации,

Sгл =0.049 - осадка в глинистом грунте;

St1 = 0.2×0.049 =0.0098 м;

Для пятого расчетного случая:

N5= N3 + (N1 - N3)·I5;

I5 = 0.55;

N5= 0.02 + (0.08 - 0.02)·0.55=0.053;

Коэффициент консолидации слоя:


где: H - мощность слоя, для 5 расчетного случая:

Н=H/2=1,7/2=0,85 м.

Ρw-плотность воды, кН/м3;

a - коэффициент уплотнения


(суглинок);

e - коэффициент пористости слоя, e = 0.86


t1 = N/cv = 0.053/10,2 = 0,0052 сут.

Осадки во времени колонны 4Б

Qt

N1

N3

N

t

St

St,сум

0,2

0,08

0,02

0,053

0,0052

0,0098

0,0098

0,4

0,31

0,13

0,229

0,0225

0,0196

0,0294

0,6

0,71

0,42

0,5795

0,0568

0,0294

0,0588

0,8

1,4

1,08

1,256

0,1231

0,0392

0,098

0,9

2,09

1,77

1,946

0,1908

0,0441

0,1421

0,95

2,8

2,54

2,683

0,2630

0,0466

0,1887


График осадок фундамента во времени:


Расчет осадки во времени для колонны 1В

Рис. 6 Эпюра дополнительных давлений

P¢/ P¢¢ = 48/19,87 = 2,41

Задаемся Qt1 = 0.2;

St1 = Qt1×Sгл;

Где Qt1× - степень консолидации,

Sгл =0.034 - осадка в глинистом грунте;

St1 = 0.2×0.034 =0.0068 м;

Для пятого расчетного случая:

N5= N3 + (N1 - N3)·I5;

I5 = 0.64;

N5= 0.02 + (0.08 - 0.02)·0.64=0.0584;

Коэффициент консолидации слоя:


где:

H - мощность слоя, для 5 расчетного случая:

Н=H/2=1,7/2=0,85 м.

Ρw-плотность воды, кН/м3;

a - коэффициент уплотнения


(суглинок);

k - коэффициент фильтрации, ;

e - коэффициент пористости слоя, e = 0.86

t1 = N/cv = 0.0584/10,2 = 0,0057 сут.

Осадки во времени колонны 4Б

Qt

N1

N3

N

t

St

St,сум

0,2

0,08

0,02

0,058

0,0052

0,0068

0,0068

0,4

0,31

0,13

0,245

0,0225

0,0136

0,0204

0,6

0,71

0,42

0,606

0,0568

0,0204

0,0408

0,8

1,4

1,08

1,285

0,1231

0,0272

0,0680

0,9

2,09

1,77

1,975

0,1908

0,0306

0,0986

0,95

2,8

2,54

2,706

0,263

0,0323

0,1309


График осадок фундамента во времени:

Заключение по результатам проектирования фундаментов на естественном основании

Расчет естественного основания под фундамент оказался удовлетворительным. Поэтому окончательно принимаем ранее выбранные размеры фундаментов (ФБ31 и ФБ37). Необходимые чертежи фундаментов даны в конце работы.

. Проектирование и расчет свайного фундамента

Сбор нагрузок на колонну 4Б

Подсчет нагрузки от надземных конструкций здания:

NkN = 27,2+126 +115,2+180+36= 484,4 кН.

Nk =29,9+151,2+149,8+216+43,2=590,1кН.

Расчет свай под фундамент под колонну 4Б

Изначально зададимся количеством свай (п = 4) и их длиной (1 = 5.5 м, длина острия 0.25 м). Из заданного количества свай и нагрузки на фундамент определим необходимую несущую способность одиночной висячей сваи.

Где γк =1,4, N01=590.1кН, а = 1 м (шаг свай), d = 2 м (заложение подошвы ростверка), γм=20кН/м3

n=1.4*590.1/ (-1.15*12*2*20)=4;=252,5кН.

Исходя из несущей способности одной сваи определим площадь ее поперечного сечения.


Где , = 1,0 и = 1,0 (коэффициенты условий работы грунта исходя из выбранного способа погружения свай: погружение забивкой сплошных свай механическими, паровоздушными и дизельными молотами), R = 860 кПа - сопротивление грунта под нижним концом сваи (глубина 7.65 м), U - периметр сечения сваи, А - площадь сечения сваи.

Толщу грунта, прорезываемого сваей разбиваем на слои толщиной не более 2 м. и для каждого слоя в зависимости от мощности и средней глубины залегания определяем расчетное сопротивление fj грунта по боковой поверхности сваи.

 

Средняя глубина залегания, м.

Мощность hi, м.

Сопротивление fi, кПа.

hi*fi

2.8

1.6

6,6

10,56

4.4

1.6

8

12,8

6

1.6

8

12,8

7.1

0.6

8

4,8



252,5 = 860b2 + 4b (10,56+12,8+12,8+4,8); Отсюда b =0.26 м.

Окончательно принимаем сваю Цельного квадратного сплошного сечения с ненапрягаемой арматурой, ширина сваи 30 см (СП 50-102-2003 Проектирование и устройство свайных фундаментов. Серия* 1.011.1-10 вып. 1). Сваю погружаем с помощью забивки дизель-молотом.

Размеры ростверка 1.5 х 1.5 х 1 м.

Вычислим вес ростверка:

GрП = 25*1.5*1.5*1= 56 кН.

Расчетное значение веса ростверка по первой группе предельных состояний:

Gp1 = 1.1*56 = 62 кН.

Усилие приходящееся на каждую сваю:

N=(590.1+62)/4=163кН

Расчетное усилие допускаемое на сваю:

[N] = Fd/1.4 = 252,5/1.4 = 180,3 кН.

= 163 кН < [N] = 180 кН (Выполняется).

Следовательно, фундамент запроектирован правильно.

Расчет основания свайного фундамента

Основание свайного фундамента подлежит расчету по деформациям, а при необходимости - и по несущей способности.

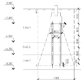
Рис. 7 Схема свайного фундамента

Свайный фундамент представляется в виде условного сплошного фундамента на естественном основании с подошвой АБ (рис. 10) на глубине нижних концов свай, ширину by и ly определяем с использованием угла рассеивания напряжений а:

Ширина условного фундамента:

bу = 1 + 0.25 + 2tg14.3*5.5 = 4.18 м.

Длина условного фундамента:

У = 1+ 0.25 + 2tgl4.3*5.5 = 4.18 м.

Вес ростверка, свай и грунта в объеме условного фундамента:

GH= A*d*p = 4.18*4.18*7.65*20 = 2673 кН.

Напряжения под подошвой условного фундамента:

P=(484,4+2673)/(4.18*4.18)=180.7

Расчетное сопротивление грунта на уровне подошвы условного фундамента:

Р=180.7

кПа < R = 309.1 кПа (выполняется).

Значения эпюры бытовых давлений в характерных точках:

на отметке заложения подошвы условного фундамента:

sg = p*H,

где р - плотность грунта; Н - высота толщи расположенной над определяемой точкой.

sg= 137.88 + 18.6*0.45 = 146.25 кН/м2

на отметке ниже на 2 м от границы второго и третьего слоев грунта:

sg= 137.88 + 18.6*1 = 156.48 кН/м2

Производится построение эпюры дополнительных давлений, для чего слои грунтов ниже подошвы предварительно разбиваются на элементарные слои hj=0.4b.

Для колонны 4Б

Глубина от поверх. H, м

Глубина от подошвы, z, м

Коэф. a

Коэф. z= 2z/b

Доп. Давл. Ϭzp

Удел.вес р, кН/м3

Бытов. Давл..Ϭzg КН/м3

Модуль Деформ.кПа.

Сред. Давл. кН/м3

Толщина элем. слоя, м

Осадка Элем. Слоя Si, м

7,65

0.00

1,000

0.00

33,10

18,60

146,25

3630,00


0,00

0

8,00

0,35

0,993

0,30

32,87

18,60

152,76

3630,00

7,18

0,35

0,003

8,20

0,55

0,959

0,44

31,74

18,60

156,48

3630,00

7,03

0,20

0,002



S = 0.005 м < Su = 0.08 м (выполняется) НГСТ = 8,2 м.

Производится построение эпюры расчетных сопротивлений в предположении, что подошва фундамента последовательно занимает места на границах слоев грунтов и на отметке горизонта грунтовой воды.

на границе второго и третьего слоев грунта:

на отметке ниже на 2 м от границы второго и третьего слоев грунта:

Проверяем напряжения на подстилающий слой, которые не должны превышать величины Rz для этого грунта на глубине залегания его кровли:

szp + szg = 33,1+146,25 = 179,35 кН/м2 £ R1 = 324 кН/м2;

szp + szg = 31,74+156,48 = 188,22 кН/м2 £ R2 = 342 кН/м2;

Условия выполняются.

Рис. 8 Эпюры бытовых, дополнительных давлений и расчетных сопротивлений

Заключение по результатам проектирования свайных фундаментов

грунтовой фундамент осадка деформация

Расчет свайного фундамента оказался удовлетворительным. Поэтому окончательно принимаем ранее выбранные размеры свай, ростверка. Необходимые чертежи фундаментов даны в конце работы.

Библиография

1. Толмачев Э.Л., Рыжков А.Ю. Основания и фундаменты. Курсовой проект: Учебное пособие. - Челябинск: ЧГТУ. 1995.-60 с.

2. СНиП 2-02-01-83 «Основания зданий и сооружений», Москва 1995.

. СНиП 2-02-03-85 «Свайные фундаменты».

. Трегулов Г.В., Толмачев Э.Л., Визоргина М.В. Расчет оснований и фундаментных конструкций. Учебное пособие для самостоятельной работы студентов.-Челябинск: изд. ЮУрГУ, 2004.

Похожие работы на - Расчет фундамента мелкого заложения на естественном основании и свайного фундамента

 

Не нашли материал для своей работы?
Поможем написать уникальную работу
Без плагиата!
Без нейросетей!