Расчёт и проектирование оснований и фундаментов
Министерство
образования и науки РФ
ФГБОУ ВПО
Тамбовский государственный технический университет
Кафедра:
"КЗиС"
Пояснительная
записка к курсовому проекту
Расчёт и
проектирование оснований и фундаментов
Выполнила:
студентка гр. САД-41
Аносова С.
Проверил: преподаватель
Антонов В.М.
Тамбов, 2014
Содержание
Введение
Исходные
данные
. Выбор слоя
грунта для возведения фундамента
. Расчёт и
проектирование фундаментов мелкого заложения
.1 Сбор
нагрузок на фундамент
.2 Сбор
нагрузок на колонну Б5
.3 Сбор
нагрузок на колонну В5
.4 Сбор
нагрузок на колонну Г5
.5
Определение глубины заложения фундамента
.6
Определение размеров подошвы отдельно стоящего фундамента
.7 Проверка
давления под подошвой фундамента
.8 Расчёт
осадки фундамента
.9 Определение
влияния соседнего фундамента
.10 Проверка
прочности слабого подстилающего слоя
.11 Расчёт
крена фундамента
.12 Расчёт по
I группе предельных состояний
. Расчёт и
проектирование свайного фундамента
.1
Определение несущей способности сваи
.2
Определение количества свай
.3 Проверка
давления под подошвой условного фундамента (расчёт по II группе предельных
состояний)
.4 Расчёт
осадки свайного фундамента
.5 Подбор
оборудования для погружения свай
.6
Компьютерный расчет
Список
использованной литературы
Введение
Курсовой проект разработан в соответствии с заданием и представляет собой
расчёт и конструирование фундамента. Проект состоит из пояснительной записки и
графической части. Графическая часть разработана на 1-м листе А1.
Проект включает подбор для заданного промышленного здания столбчатый
фундамент мелкого заложения и свайный фундамент, выбор наиболее экономичного
варианта фундамента и подбор для него арматурного каркаса.
Целью курсового проекта является закрепление и углубление теоретических
знания, полученных при изучении дисциплины "Основания и фундаменты".
Исходные данные
1. Высота этажа -2,8 м
2. Количество этажей -4
3. Временная нагрузка q1/q2=2/52 кН/м2
4. Высота подвального помещения -2,32 м
. Скважина -2
. Уровень грунтовых вод - по разрезу
. Район строительства - г. Тамбов
. Пролёт здания - L=6 м.
. Шаг колон - В=6 м.
Рис. 1 Схема здания.
Определение ветровой нагрузки
Равномерно распределенное значение ветровой нагрузки на колонну:
Где
=0,3 кПа
- нормативное значение ветрового давления
с= 0,8 - аэродинамический коэффициент с наветренной стороны.
с наветренной стороны
-
коэффициент надежности по нагрузке
В
= 6м - шаг колонн
k - коэффициент, учитывающий изменение ветрового давления по высоте,
при H=11,2 м:
=0,3*0,674*0,8*6*1,4=1,359
кН/м
=0,3*0,674*0,8*6*1=0,971
кН/м
Тогда
=
Н = 1,359*11,2 = 15,22 кН=
Н = 0,971*11,2 = 10,87кН
1. Выбор слоя грунта для возведения фундамента
Рис. 2. Геологический разрез.
Геологический разрез показывает: рельеф участка спокойный с абсолютными
отметками у скважин 115,4 и 116,4.
Таблица 1
Оценка инженерно геологических условий строительства.
Формулы для расчёта физических характеристик:
;
;
;
;
;
.
Механические
характеристики взяты из СНиП 2.02.01-83* прил. 1 и 3.
Коэффициенты
надежности по грунту (X=X/gg):
в расчетах оснований по деформациям gg = 1;
в расчетах оснований по несущей способности:
для удельного сцепления gg(с) = 1,5;
для угла внутреннего трения
песчаных грунтов gg(j) = 1,1;
то же, пылевато-глинистых gg(j) =
1,15.
Грунты:
3 слой - суглинок мягкопластичный 3,2-3,4 м в качестве естественного
основания пригоден;
слой - глина тугопластичная 1,0-1,9 м в качестве естественного основания
пригодна;
слой - супесь пластичная 3,2-4,5 м в качестве естественного основания
пригодна;
6 слой - песок средней крупности и плотности, насыщенный водой 3,9-4,0 м
в качестве естественного основания пригоден.
2. Расчёт и проектирование фундаментов мелкого заложения
Снеговая
нагрузка :по заданию город строительства - Тамбов, он находится в III зоне и
=1,8 кПа.
.1
Сбор нагрузок на фундамент
А1=0,5*6*6=18 м2
Таблица 2
Сбор нагрузок на фундамент
|
Вид нагрузки
|
Нормативная NII, кН/м
|
Расчетная NI кН/м
|
|
|
1
|
2
|
3
|
4
|
Постоянная: 1) от покрытия: 1,8∙18 (кН/м) 2) от
чердачного перекрытия: а) защитный слой 0,4∙18 (кН/м) б) плиты мин.ват
полужесткие на синт. связ-щем (
кН/м
)
,1∙5∙18 (кН/м)
в) пароизоляция
,04∙18(кН/м)
г) железобетонная панель
,3∙18(кН/м)
д) ригель 0,4∙0,6∙3∙25 (кН/м)
е) гидроизоляция
.01*18(кН/м)
) от междуэтажных перекрытий а) пол плиточный t=15мм,
=20кН/
20∙0,015∙18(кН/м)
б) цементный раствор t=20мм
∙0,02∙18 (кН/м)
в) звукоизоляция шлакобетон t=60мм
(
кН/м
) 15∙0,06∙18=(кН/м)
г) железобетонная плита
,3∙18 (кН/м)
д) ригель 0,4∙0,6∙3∙25(кН/м)
) колонна
,4*0.4*0.4*25(кН/м)
|
5) от стеновых панелей
0,2*6*4*2,8*15 (кН/м) 6) от стеновых панелей подвала 0,3*2,2*6*20(кН/м) 7) от
фундаментных балок 0,4*0,6*6*25 (кН/м) 32,4 7,2 9 0,72 41,4 18 0,18
5,4 7,2 16,2 41,4 18 53,6 201,6 79,2 36 1,1 1,3 1,2 1,2 1,1
1,1 1.1 1.1 1,3 1,3 1,1 1,1 1.1 1.1 1.1 1.1 35,64 9,36 10,8
0,86 45,54 19,8 0,198 5,94 9,36 21,06 45,54 19,8 58,96 221,76
87,12 39,6
|
|
|
|
|
Всего постоянная нагрузка
|
567,5
|
|
631,34
|
Временная: 1) от перегородок на 4-х этажах
(длительная) 0,95∙18*4*0.95 (кН/м) 2) снеговая с пониженным значением
0.7*1.8*0.5*18*0.95 (кН/м) кратковременная с полным значением 1,8∙18∙0,9
(кН/м) 3) от временной нагрузки на чердачном перекрытии 0,7∙0,95∙18
(кН/м) 4) от временной нагрузки на междуэтажных перекрытиях с коэф-том
, длительная с пониженным значением:
|
0,7*0,61*18*4*0,95 (кН/м)
Кратковременная с полным значением 2*0.9*0.61*4*18 По заданию 2*0.95*18
64,98 10,77 - 11,97 - - 34,2 1,3 - - - 1,3 1,3 1,3 84,47
- 29,16 - 37,97 102,77 44,46
|
|
|
|
|
Всего временной:
|
121,92
|
|
298,83
|
|
Полная нагрузка
|
689,42
|
|
930,17
|
А2=6*6=36 м2
Таблица 3
Сбор нагрузок на фундамент
|
Вид нагрузки
|
Нормативная NII, кН/м
|
Расчетная NI кН/м
|
|
|
1
|
2
|
3
|
4
|
Постоянная: 1от покрытия: 1,8∙36 (кН/м) 2 от чердачного
перекрытия: а) защитный слой 0,4∙36(кН/м) б) плиты мин.ват полужесткие на
синт. Связ-щем (
кН/м
)
,1∙5∙36 (кН/м)
в) пароизоляция
,04∙36(кН/м)
г) железобетонная панель
,3∙36(кН/м)
д) ригель 0,4∙0,6∙6∙25 (кН/м)
е) гидроизоляция
.01*36(кН/м)
) от междуэтажных перекрытий а) пол плиточный t=15мм,
=20кН/
20∙0,015∙36(кН/м)
б) цементный раствор t=20мм
∙0,02∙36 (кН/м)
в) звукоизоляция шлакобетон t=60мм
(
кН/м
) 15∙0,06∙36=(кН/м)
г) железобетонная плита
,3∙36 (кН/м)
д) ригель 0,4∙0,6∙6∙25(кН/м)
) колонна
|
13,4*0.4*0.4*25(кН/м)
64,8 14,4 18 1,44 82,8 36 0,36 10,8 14,4 32,4 82,8 36 53,6
1,1 1,3 1,2 1,2 1,1 1,1 1.1 1.1 1,3 1,3 1,1 1,1 1.1 71,28
18,72 21,6 1,73 91,08 39,6 0,4 11,88 18,72 42,12 91,08 39,6
58,96
|
|
|
|
|
Всего постоянная нагрузка
|
447,8
|
|
506,77
|
Временная: 5) от перегородок на 4-х этажах
(длительная) 0,95∙36*4*0.95 (кН/м) 6) снеговая с пониженным значением
0.7*1.8*0.5*36*0.95 (кН/м) кратковременная с полным значениием 1,8∙36∙0,9
(кН/м) 7) от временной нагрузки на чердачном перекрытии 0,7∙0,95∙36
(кН/м) 8) от временной нагрузки на междуэтажных перекрытиях с коэф-том
, длительная с пониженным значением:
|
0,7*0.75*36*4*0.74 (кН/м)
Кратковременная с полным _начениием 2*0.9*0.75*4*36 По заданию 4*0.95*36
129,96 21,55 - 23,94 55,94 - 136,8 1,3 - - 1,3 1,3 1,3 1,3
168,95 - 58,32 31,12 72,73 252,72 177,84
|
|
|
|
|
Всего временной:
|
368,19
|
|
761,68
|
|
Полная нагрузка
|
815,99
|
|
1268,45
|
А3=6*12=72 м2
Таблица 4
Сбор нагрузок на фундамент
|
Вид нагрузкиНормативная
NII, кН/м Расчетная NI кН/м
|
|
|
|
|
1
|
2
|
3
|
4
|
Постоянная: 1от покрытия: 1,8∙72 (кН/м) 2 от чердачного
перекрытия: а) защитный слой 0,4∙72(кН/м) б) плиты мин.ват полужесткие на
синт. связ-щем (
кН/м
)
,1∙5∙72 (кН/м)
в) пароизоляция
,04∙72(кН/м)
г) железобетонная панель
,3∙72(кН/м)
д) ригель 0,4∙0,6∙12∙25(кН/м)
е) гидроизоляция
.01*72(кН/м)
) от междуэтажных перекрытий а) пол плиточный t=15мм,
=20кН/
20∙0,015∙72(кН/м)
б) цементный раствор t=20мм
∙0,02∙72 (кН/м)
в) звукоизоляция шлакобетон t=60мм
(
кН/м
) 15∙0,06∙72(кН/м)
г) железобетонная плита
,3∙72 (кН/м)
д) ригель 0,4∙0,6∙12∙54(кН/м)
) колонна
|
13,4*0.4*0.4*25(кН/м)
129,6 28,8 36 2,88 165,6 72 0,72 21,6 28,8 64,8 165,6 72 53,6
1,1 1,3 1,2 1,2 1,1 1,1 1.1 1.1 1,3 1,3 1,1 1,1 1.1 142,56
37,44 43,2 2,46 182,16 79,2 0,79 23,76 37,44 84,24 182,16 79,2
58,96
|
|
|
|
|
Всего постоянная нагрузка
|
842
|
|
953,57
|
Временная: 9) от перегородок на 4 этажах (длительная)
0,5∙72*4*0.95 (кН/м) 10) снеговая с пониженным значением
0.7*1.8*0.5*72*0.95 (кН/м) кратковременная с полным значением 1,8∙72∙0,9
(кН/м) 11) от временной нагрузки на чердачном перекрытии 0,7∙0,95∙72
(кН/м) 12) от временной нагрузки на междуэтажных перекрытиях с коэф-том
, длительная с пониженным значением:
|
0,7*0.675*72*4*0.74 (кН/м)
Кратковременная с полным значением 2*0.9*0.675*4*72 По заданию 4*0.95*72
136,8 43,09 - 47,88 100,7 - 273,6 1,3 - - 1,3 - 1,3 1.3
177,84 - 116,64 62,24 - 454,9 355,68
|
|
|
|
|
Всего временной:
|
602,07
|
|
1167,3
|
|
Полная нагрузка
|
1444,07
|
|
2120,87
|
А4=6*6=36 м2
Таблица 5
Сбор нагрузок на фундамент
|
Вид нагрузкиНормативная
NII, кН/м Расчетная NI кН/м
|
|
|
|
|
1
|
2
|
3
|
4
|
Постоянная: 1от покрытия: 1,8∙36 (кН/м) 2 от
чердачного перекрытия: а) защитный слой 0,4∙36(кН/м) б) плиты мин.ват
полужесткие на синт. связ-щем (
кН/м
)
,1∙5∙36 (кН/м)
в) пароизоляция
,04∙36(кН/м)
г) железобетонная панель
,3∙36(кН/м)
д) ригель 0,4∙0,6∙12∙25(кН/м)
е) гидроизоляция
.01*36(кН/м)
) от междуэтажных перекрытий а) пол плиточный t=15мм,
=20кН/
20∙0,015∙36(кН/м)
б) цементный раствор t=20мм
∙0,02∙36 (кН/м)
в) звукоизоляция шлакобетон t=60мм
(
кН/м
) 15∙0,06∙36(кН/м)
г) железобетонная плита
,3∙36 (кН/м)
д) ригель 0,4∙0,6∙12∙36(кН/м)
) колонна
,4*0.4*0.4*25(кН/м)
От стен (от отметки 0.00 до 11.20)
.51*11,2*6*18
От утеплителя
.15*11,2*6*10
Фундаментная балка
.4*0.6*25*6
|
Облицовка0.12*6*18*11,2
64,8 14,4 18 1,44 82,8 72 0,36 10,8 14,4 32,4 82,8 72 53,6
616,9 100,8 36 145,15 1,1 1,3 1,2 1,2 1,1 1,1 1.1 1.1 1,3 1,3
1,1 1,1 1.1 1.1 1.2 1.1 1,1 71,28 18,72 21,6 1,73 91,08 79,2
0,4 11,88 18,72 42,12 91,08 79,2 58,96 678,59 120,96 39,6 159,67
|
|
|
|
|
Всего постоянная нагрузка
|
1418,62
|
|
1584,79
|
Временная: 13) от перегородок на 4 этажах (длительная)
0,5∙36*4*0.95 (кН/м) 14) снеговая с пониженным значением
0.7*1.8*0.5*36*0.95 (кН/м) кратковременная с полным значением 1,8∙36∙0,9
(кН/м) 15) от временной нагрузки на чердачном перекрытии 0,7∙0,95∙36
(кН/м) 16) от временной нагрузки на междуэтажных перекрытиях с коэф-том
, длительная с пониженным значением:
|
0,7*0.75*36*4*0.74 (кН/м)
Кратковременная с полным значением 2*0.9*0.75*4*36 По заданию 2*0.95*36*4
129,96 21,55 - 23,94 55,94 - 273,6 1,3 - - 1,3 1,3 1,3
1,3 168,95 - 58,32 31,12 72,73 252,72 355,68
|
|
|
|
|
Всего временной:
|
504,99
|
|
939,52
|
|
Полная нагрузка
|
1923,64
|
|
2524,31
|
Таблица 2
|
Вид нагрузки
|
Нормативная, NII, кН
|
γf
|
Расчётная, NI, кН
|
|
1
|
2
|
3
|
4
|
|
Постоянная:
|
|
|
|
|
1) от покрытия : а)
защитный слой гравия 0,4*36 б) трёхслойный рубероидный ковёр 0,12*36 в)
ребристые панели 1,58*36 г) ригель 0,6*0,3*25*12
|
14,4 4,32 56,88 54
|
1,3 1,2 1,1 1,1
|
18,72 5,18 62,5 59,4
|
|
Итого от покрытия
|
129,6
|
|
145,87
|
|
2) от чердачного перекрытия
а) цементн. выравнив. слой 0.4*36 б) утеплитель-пенобетон 0.12*3*36 в)
пароизоляция 0,1*36 г) пустотные ж/б панели (2,3*36) д) ригели
|
14,4 12,96 3,6 82,6 54
|
1,3 1,2 1,2 1,1 1,1
|
18,72 15,55 4,32 90,86
59,4
|
|
Итого от чердачного
перекрытия
|
167,56
|
|
188,85
|
|
3)от междуэтажных
перекрытий :
|
|
|
|
а)плиты пола t =15мм,
=20 кН/м
|
0,015*20*36 10,8 1,1 11,88
|
|
|
|
б)цементный раствор t=20мм ,
=20 кН/м
|
0,02*20*36 14,4 1,3 18,72
|
|
|
|
в)шлакобетон t =60мм,
=15 кН/м
|
0,06*15*36 35,1 1,3 45,63
|
|
|
|
|
г)пустотные панели 2,3*36
д)ригели 0,6*0,3*25*12
|
82,6 54
|
1,1 1,1
|
90,86 59,4
|
|
Итого от перекрытия Итого
от перекрытий 3-х этажей
|
196,9 590,7
|
|
226,49 679,47
|
|
4)от колон 0,4*0,4*25*10,1
|
40,4
|
1,1
|
44,44
|
|
5)от стеновых панелей
0,2*12*3*2,6*15
|
280,8
|
1,1
|
308,88
|
|
6)от стеновых панелей
подвала 0,3*2,3*12*20
|
165,6
|
1,1
|
182,16
|
|
7) от фундаментных балок
0,4*0,6*12*25
|
72
|
1,1
|
79,2
|
|
Итого постоянной нагрузки
|
1446,66
|
|
1628,87
|
|
|
|
|
|
Временная:
|
|
|
|
|
1) от перегородок на 3
этажах 0,5*3*36*0,95
|
51,3
|
1,2
|
61,56
|
|
2)снеговая нагрузка S=1,8
кПа а) длительная 0,5*1,8/1,4*36*0,95 б) кратковременная 1,8*0,9*36
|
21,99 -
|
|
- 58,32
|
|
3) от временной нагрузки
(СНиП) на междуэтажых перекрытиях Ψn=0,66 а) длительная 0,3*36*0,66*0,95*3 б) кратковременная
1,5*3*36*0,66*0,9
|
20,31 -
|
1,2
|
- 115,47
|
|
4) по заданию (5+0)*36*0,95
|
171
|
1,2
|
205,2
|
|
Итого временной нагрузки
|
264,4
|
|
440,55
|
|
Итого
|
1711,26
|
|
2069,42
|
Определение ветровой нагрузки
Равномерно распределенное значение ветровой нагрузки на колонну:
где
=0,3 кПа - нормативное значение ветрового давления
с= 0,8 - аэродинамический коэффициент с наветренной стороны.
- коэффициент
надежности по нагрузке
В
= 12 м - шаг колонн
k - коэффициент, учитывающий изменение ветрового давления по высоте,
при H=11,2 м:
=0,3*0,584*0,8*12*1,4=2,35
кН/м
=0,3*0,674*0,8*12*1=1,68
кН/м
Тогда
=
Н = 2,35*7,8 = 18,33 кН=
Н = 1,68*7,8 = 13,12кН
Определение
активного давления
Грунт
обратной засыпки: суглинок
γ=17,3 кН/м3; сII=25 кПа; сI=16,67кПа; φII=230;
φI = 200
φII' = 0,9·φII = 0,9·23 =
20,7º;
φI' = 0,9·φI = 0,9·20
= 18º;
cII' = 0,5·cII = 0,5·25 = 12,5 кПа;' = 0,5·cI = 0,5·16,67 = 8,34 кПа;
γII' = 0,95·γ = 0,95·17,3
= 16,435 кН/м3;
= 10 кН/м2;
пр = q / γII' = 10/16,435 = 0,61 м;
tg
(45- φII'/2) = tg (45-20,7/2) = 0,69;(45- φI'/2) = tg (45-18/2) = 0,73;= hподвал+0,15+hфунд.+0,1-∆план.отметка=
2,3+0,15+1,5+0,1-0,35 = 3,7 м;
= 26,36
кН
= 43,08
кН
= 1,39 м
МIIEa
= EaI·z0 = 26,36·1,39 = 36,54 кН·м
МIEa
= EaI·z0 = 43,08·1,39 = 59,72 кН·м
Изгибающий момент
= Mст.п - Mw - Mпер - МEa= (280,8*0,5+165,6*0,6+72*0,6) - 13,12*7,1 -
(129,6+590,7+264,4)*0,3-
,54= -130,73 кН.м.= (308,88*0,5+182,16*0,6+79,2*0,6) - 18,33*7,1 -
(145,87+679,47+440,55)* *0,3 - 59,72= -241,88 кН.м.
2.2 Сбор нагрузок на колонну Б5
Грузовая площадь Б5=12*6=72 м2
Значение снижающего коэффициента:
Таблица 3
|
Вид нагрузки 1
|
Нормативная, NII, кН
|
γf
|
Расчётная, NI, кН
|
|
Постоянная:
|
|
|
|
|
1) от покрытия : а)
защитный слой гравия 0,4*72 б) трёхслойный рубероидный ковёр 0,12*72 в)
ребристые панели 1,58*72 ж) ригели 0,6*0,3*25*12
|
28,8 8,64 113,76 54
|
1,3 1,2 1,1 1,1
|
37,44 10,37 125,14
59,4
|
|
Итого от покрытия
|
205,2
|
|
232,35
|
|
2) от чердачного перекрытия
а) цеметн. выравнив. слой 0,4*72 б) утеплитель-пенобетон 0,12*3*72 в)
пароизоляция 0,1*72 г) пустотные ж/б панели (2,3*72) д) ригели
|
28,8 25,92 7,2 165,6
54
|
1,3 1,2 1,2 1,1 1,1
|
37,44 31,1 8,64 182,16
59,4
|
|
Итого от чердачного
перекрытия
|
281,52
|
|
318,74
|
|
3)от междуэтажных
перекрытий :
|
|
|
|
а)плиточный пол t =15мм,
=20 кН/м
|
0,015*20*72 21,6 28,8 1,1
23,76 37,44
|
|
|
|
б)цементный раствор t=20мм ,
=20 кН/м
в)шлакобетон t =60мм,
=15 кН/м
|
0,06*15*72 64,8 1,3 84,24
182,16 59,4
|
|
|
|
|
г)пустотные панели 2,3*72
д)ригели
|
165,6 54
|
1,1 1,1
|
|
|
Итого от перекрытия Итого
от перекрытий 3-х этажей
|
334,8 1004,4
|
|
387 1161
|
|
3)от колонны
0,4*0,4*25*12,4
|
49,6
|
1,1
|
54,56
|
|
|
|
|
|
Итого постоянной нагрузки
|
1491,12
|
|
1712,09
|
|
Итого постоянной нагрузки
включая нагрузку от колонны
|
1540,72
|
|
1766,65
|
|
Временная:
|
|
|
|
|
1) от перегородок на 3
этажах 0,5*3*72*0,95
|
102,6
|
1,2
|
123,12
|
|
2)снеговая нагрузка S=1,8
кПа а) длительная 0,5*72*0,95*1,8/1,4 б) кратковременная 1,8*72*0,9
|
43,97 -
|
|
- 116,64
|
|
3) от временной нагрузки
(СНиП) на междуэтажных перекрытиях а) длительная 0,3*72*0,7*0,95*3 б)
кратковременная 1,5*3*72*0,7*0,9
|
43,09 -
|
1,2
|
- 244,94
|
|
4) по заданию
0,5*(2+5)*72*0,95
|
239,4
|
1,2
|
287,28
|
|
Итого временной нагрузки
|
429,06
|
|
771,98
|
|
Итого нагрузки
|
1969,78
|
|
2538,63
|
Изгибающий момент
= (q1 - q2))*36*0,3= (2- 5)*36*0,3 = -32,4 кНм
2.3 Сбор нагрузок на колонну В5
Грузовая площадь В5=6*12=72м2
Значение снижающего коэффициента
Таблица 4
|
Вид нагрузки
|
Нормативная, NII, кН
|
γf
|
Расчётная, NI, кН
|
|
слева
|
справа
|
|
слева
|
справа
|
|
1
|
2
|
3
|
4
|
5
|
6
|
|
Постоянная:
|
|
|
|
|
|
|
1) от покрытия : а)
защитный слой гравия 0,4.36 0,4.36 б) трёхслойный рубероидный ковёр 0,12.36
0,12.36 в) ребристые панели 1,58*36 1,58*36 г) ригель 0,6*0,3*25*12/2
0,6*0,3*25*12/2
|
14,4 4,32 56,88 27
|
14,4 4,32 56,88 27
|
1,3 1,2 1,1 1,1
|
18,72 5,18 62,57
29,7
|
18,72 5,18 62,57
29,7
|
|
Итого от покрытия
|
102,6
|
102,6
|
|
116,17
|
116,17
|
|
2)от чердачного перекрытия
а) цемент. Выравн. Слой 0,4*36 0,4*36 б) утеплитель-пенобетон 0,12*1*36
0,12*3*36 в) пароизоляция 0,1*36 0,1*36 г) пустотные ж/б панели (2,3*36)
(2,3*36) д) ригели
|
14,4 4,32 3,6 82,8
27
|
14,4 12,96 3,6
82,8 27
|
1,3 1,2 1,2 1,1
1,1
|
18,72 5,18 4,32
91,08 29,7
|
18,72 15,55 4,32
91,08 29,7
|
|
Итого от чердачного перекрытия
|
132,12
|
140,76
|
-
|
149
|
159,37
|
|
3) от междуэтажных
перекрытий
|
|
|
|
|
|
а)плиточный пол t =15мм,
=20 кН/м
,015*20*36
|
0,015*20*36 10,8 10,8 1,1
11,88 11,88
|
|
|
|
|
|
б)цементный раствор t=20мм ,
=20 кН/м
,02*20*36
|
0,02*20*36 14,4 14,4 1,3
18,72 18,72
|
|
|
|
|
|
в)шлакобетон t =60мм,
=15 кН/м
*0,06*36
|
15*0,06*3632,432,41,342,1242,12
|
|
|
|
|
|
|
г)пустотные панели 2,3.36
2,3.36 д)ригели
|
82,8 27
|
82,8 27
|
1,1 1,1
|
91,08 29,7
|
91,08 29,7
|
|
Итого от одного перекрытия
Итого от перекрытий 3-х этажей
|
167,4
|
167,4 502,2
|
|
193,5
|
193,5 580,5
|
|
3)от колонны
0,4*0,4*25*12,4/2
|
24,8
|
1,1
|
27,28
|
|
|
|
|
|
|
|
4)от стеновых панелей
0,2*12*2,6*3*15
|
280,8
|
-
|
1,1
|
308,88
|
-
|
|
Итого постоянной нагрузки
|
682,92
|
745,56
|
|
767,55
|
856,04
|
|
Итого постоянной нагрузки
включая нагрузку от колонны
|
1453,28
|
|
1650,87
|
|
Временная:
|
|
|
|
|
|
|
4. от перегородок на этажах 0,5*1*36*0,95 0,5*3*36*0,95
|
17,1
|
51,3
|
1,2
|
20,52
|
61,56
|
|
2)снеговая нагрузка S=1,8
кПа а) длительная 0,5*36*0,95*1,8/1,4 0,5*36*0,95*1,8/1,4 б) кратковременная
1,8*0,9*36 1,8*0,9*36
|
21,99 -
|
21,99 -
|
|
- 58,32
|
- 58,32
|
|
3) от временной нагрузки
(СниП) на междуэтажных перекрытиях а) длительная 0,3*36*1*0,95*1
0,3*36*0,79*0,95*3 б) кратковременная 1,5*1*36*1*0,9 1,5*3*36*0,79*0,9
|
10,26 -
|
24,32 -
|
1,2
|
- 58,32
|
- 138,22
|
|
4) по заданию 0,5*2*36*0,95
0,5*2*36*0,95
|
34,2
|
34,2
|
1,2
|
41,04
|
41,04
|
|
Итого временной нагрузки
|
83,55
|
131,81
|
|
178,2
|
299,14
|
|
Итого нагрузки
|
766,47
|
877,37
|
|
945,75
|
1155,18
|
|
Итого нагрузки включая
нагрузку от колонны
|
1643,84
|
|
2100,93
|
Определение ветровой нагрузки
Равномерно распределенное значение ветровой нагрузки на колонну:
где
=0,3 кПа - нормативное значение ветрового давления
с= 0,8 - аэродинамический коэффициент с наветренной стороны.
С наветренной стороны
- коэффициент
надежности по нагрузке
В
= 12 м - шаг колонн
k - коэффициент, учитывающий изменение ветрового давления по высоте ,
при H=5,2 м:
=0,3*0,506*0,8*12*1,4=2,04
кН/м
=0,3*0,506*0,8*12*1=1,46
кН/м
Тогда
=
Н = 2,37*5,2 = 10,61 кН=
Н = 1,69*5,2 = 7,58кН
Изгибающий
момент
=
Mпра - Mлев=
(102,6*0,3+140,76*0,3+502,0*0,3+131,81*0,3)-(102,6*0,3+132,12*0,3+167,4*0,3+280,8*0,5+83,55*0,3)
= -22,89 кН.м
MI
= (116,17*0,3+159,37*0,3+580,5*0,3+299,14*0,3)-
(116,17*0,3+149*0,3+193,5*0,3+308,88*0,5+178,2*0,3)
= -61,78кН.м
.4
Сбор нагрузок на колонну Г5
Грузовая площадь A4=0,5*6*12=36м2
Значение снижающего коэффициента:
;
Таблица 5
|
Вид нагрузки
|
Нормативная, NII, кН
|
γf
|
Расчётная, NI, кН
|
|
1
|
2
|
3
|
4
|
|
Постоянная:
|
|
|
|
|
1) от покрытия : а)
защитный слой гравия 0,4*36 б) трёхслойный рубероидный ковёр 0,12*36 в)
ребристые панели 1,58*36 ж) ригель 0,6*0,3*25*12
|
14,4 4,32 56,88 54
|
1,3 1,2 1,1 1,1
|
18,72 5,18 62,57 59,4
|
|
Итого от покрытия
|
129,6
|
-
|
145,87
|
|
2)от чердачного перекрытия
а) цементн. выравн. слой 0,4*36 б) утеплитель-пенобетон 0,12*1*36 в)
пароизоляция 0,1*36 г) пустотные ж/б панели (2,3*36) д) ригели
|
14,4 4,32 3,6 82,8 54
|
1,3 1,2 1,2 1,1 1,1
|
18,72 5,18 4,32 91,08
59,4
|
|
Итого от чердачного
перекрытия
|
159,12
|
-
|
178,7
|
|
3)от междуэтажных
перекрытий :
|
|
|
|
а)плиты пола t =15мм,
=20 кН/м
|
0,015*20*36 10,8 1,1 11,88
|
|
|
|
б)цементный раствор t=20мм ,
=20 кН/м
|
0,02*20*36 14,4 1,3 18,72
|
|
|
|
в)шлакобетон t =60мм,
=15 кН/м
|
0,06*15*36 32,4 1,3 42,12
|
|
|
|
|
г)пустотные панели 2,3.36
д)ригели
|
82,8 54
|
1,1 1,1
|
91,08 59,4
|
|
Итого от перекрытия
|
194,4
|
|
223,2
|
|
4)от колонн
0,4*0,4*25*(2,6+2,3)
|
19,6
|
1,1
|
21,56
|
|
5)от стеновых панелей
0,2*12*1*2,6*15
|
93,6
|
1,1
|
102,96
|
|
6)от стеновых панелей
подвала 0,3*2,3*12*20
|
165,6
|
1,1
|
182,16
|
|
7)от фундаментных балок
0,4*0,6*12*25
|
72
|
1,1
|
79,2
|
|
Итого постоянной нагрузки
|
833,92
|
|
933,65
|
|
Временная:
|
|
|
|
|
1) от перегородок на 1 этаж
0,5*1*36*0,95
|
17,1
|
1,2
|
20,52
|
|
2)снеговая нагрузка S=1,8
кПа а) длительная 0,5*36*0,95*1,8/1,4 б) кратковременная 1,8*0,9*36
|
21,99 -
|
|
- 58,32
|
|
3) от временной нагрузки
(СНиП) на междуэтажых перекрытиях Ψn=1 а) длительная 0,3*36*1*0,95*1 б) кратковременная
1,5*1*36*1*0,9
|
10,26 -
|
1,2
|
- 58,32
|
|
4) по заданию
0,5*(2+0)*36*0,95
|
34,2
|
1,2
|
41,04
|
|
Итого временной нагрузки
|
83,55
|
|
178,2
|
|
Итого
|
917,47
|
|
1111,85
|
Изгибающий момент
= Mпер + Mw + МEa - Mст.п= (129,6+159,12+194,4+83,55)*0,3 + 7,58*4,9 +
36,54 - (93,6*0,5+ +165,6*0,6+72*0,6) = -54,32 кН.м.=
(145,87+178,7+223,2+178,2)*0,3 + 10,61*4,9 + 59,72 - (102,96*0,5+
+182,16*0,6+79,02*0,6) = 121,31 кН.м.
2.5 Определение глубины заложения фундамента
Находим сумму отрицательных среднемесячных температур за зиму:
Нормативная глубина промерзания:
dfn
=d0
=0,23·4,01=0,92 м
где
d0=0,23 - для суглинков и глин (СНиП 2.01.01-82)
Расчетная
глубина промерзания:
=
dfnКn=0,6 ·0,92=0,55 м,
где
Кn - коэффициент, учитывающий влияние теплового режима здания на глубину
промерзания грунта у фундаментов наружных стен.
Глубина
заложения фундамента:
=2,3 + 0,15+1,5+0,1-0,35=
3,7м.
2.6 Определение размеров подошвы отдельно стоящего фундамента
Грунт основания - суглинок,легкий пылеватый,твердый,малой степени
водонасыщения,рыхлый, имеет характеристики:
м,
где
кН/м
-
удельный вес фундамента с грунтом, d = 3,7 м - глубина заложения от уровня
планировки,
=1,2 - соотношение размеров подошвы.
Рис.
4. Разрез по грунту.
=
=
кПа.
Где
γс1=1,25; γс2=1 (1, табл. 3); k=1,1, т.к. с и φ были определены по прил.3 (1);=0,56; Mq=3,24; Mc=5,84 (1, табл.4);
kz=1, т.к. b<12м; d=1,75м; сII =25 кПа - расчетное значение удельного
сцепления грунта, залегающего непосредственно под подошвой фундамента.
Необходимо
уточнить размеры подошвы:
м
Проверка
условия:
-условие не выполнено.
Второе
приближение:
кПа.
м
- условие
выполняется.
Принимаем
типовой монолитный фундамент 2,4×2,7м,
кПа.
2.7 Проверка давления под подошвой фундамента
Среднее давление:
.
Проверка
краевого давления:
Условие
выполняется.
2.8 Расчёт осадки фундамента
Вертикальные напряжения от собственного веса грунта на уровне подошвы:
1,35
18,05 =
24,36 кПа
Для
нахождения глубины сжимаемой зоны определим σzg и σzр по оси фундамента. Разбиваем каждый слой на
элементарные толщиной не более
,4*
b = 0,96 м.
Расчет
сводим в таблицу.
Таблица 6
z, м 
,
кН/м
h, м
,
кПа
,
кПа
,
|
кПаЕ, кПаs, мм
|
|
|
|
|
|
|
|
|
|
|
0,00
|
0,00
|
16,44
|
3,7
|
60,81
|
1
|
305,88
|
-
|
-
|
-
|
|
0,95
|
0,79
|
17,3
|
0,95
|
77,24
|
0,816
|
249,6
|
277,74
|
17
|
9,64
|
|
1,8
|
1,5
|
19,9
|
0,85
|
94,16
|
0,48
|
146,82
|
198,21
|
20,85
|
5,27
|
|
2,75
|
2,29
|
19,9
|
0,95
|
113,07
|
0,28
|
85,65
|
116,24
|
20,85
|
3,46
|
|
3,7
|
3,08
|
19,9
|
0,95
|
131,97
|
0,168
|
51,39
|
68,52
|
20,85
|
2,03
|
|
|
S = 2,04 см
|
Граница
сжимаемой зоны (при
)=0,5∙131,97=65,985.
2.9 Определение влияния соседнего фундамента
МПа.

=1,25
=12·1,25=15
м
Рис.5 График для определения расстояния между осями фундаментов.
=480 см
м
> 2,8 м
Фактическое расстояние Lf=12м (шаг колонн)
По графику Lg=4,8 м. Условие не выполняется, следовательно, осадка
соседнего фундамента не влияет на осадку рассматриваемого.
2.10 Проверка прочности слабого подстилающего слоя
Проверяем выполнение условия:
=
=6,86=



=657,48
Условие
выполняется. Принятые размеры подошвы могут быть оставлены без изменений.
2.11 Расчет крена фундамента
Крен фундамента i при действии внецентренной нагрузки определяется по
формуле:

где
E и v - соответственно модуль деформации и коэффициент Пуассона грунта
основания; в случае неоднородного основания значения Е и v принимаются средними
в пределах сжимаемой толщи.

= 
.
Крен
не превышает допустимой величины.
.12 Расчет по I группе предельных состояний

= 1,72


-
условие соблюдено. Значит, необходим расчет на глубинный сдвиг.
Расчёт на сдвиг:
Расчет оснований по несущей способности производится исходя из условия:
,
где
Fv - расчетная нагрузка на основание;
Nu - сила предельного сопротивления основания;
gс - коэффициент условий работы, принимаемый: 0,9
gn - коэффициент надежности по назначению сооружения, принимаемый равным
1,15

=2,7-0,24=2,46


2049,62
Условие выполнено, следовательно, сдвиг не произойдёт.
3. Расчёт и проектирование свайного фундамента
.1 Определение несущей способности сваи
Сваи принимаем висячие сечением 300х300 мм - С-4-30. Длину свай
предварительно назначаю равной 4 м, учитывая их жесткое соединение с ростверком
- 0,5 м (заделка в ростверк - 0,1 м и выпуск арматуры - 0,4 м) и заглубление в
несущий слой не менее чем на 0,5 м. Тогда несущая способность одной сваи
определяется как:
, где
=1,
=1,
=1,
-
периметр сваи, R - расчетное сопротивление грунта под нижним концом сваи, A -
площадь сечения сваи,
- вертикальные участки по длине сваи (должны быть не
более 2 м, а также число таких участков в i-ом слое грунта должно быть целым),
- расчетное сопротивление i-го грунта по боковой поверхности.
Нижний
конец сваи оказывается на глубине 7,15 м от поверхности планировки. Тогда R =
9700 кПа.
Таблица 7
|
Расстояние до центра
тяжести , м , кПа
|
|
|
4,175
|
53,53
|
|
5,4
|
56,8
|
|
6,65
|
59,3
|
Рис. 6. Расчет несущей способности.
.2 Определение количества свай
Количество свай определяется по формуле:
n=( FV +Gp)γn/Fd,
гдеp=0,05 FV - нагрузка от ростверка и грунта; γk=1,4
=(2069,42+103.47)·1,4/1110,72=2.74
Принимаем 4 сваи.
Рис. 7. Расположение свай в ростверке.
Проверка нагрузки, действующие на одну сваю с учётом размеров и веса
ростверка:
N=(FV
+Gp+Gг)/n+ 
Fd / γn,

где
Gp, Gг - расчётные нагрузки от веса фундамента, грунта и ростверка;- количество
свай в ростверке;
γn=1,4
Gp
=1,5·1,8
+0,9·0,9·0,8·25=56,7
кНг =(1,5
·
1,8-0,9·0,9)(3,7-0,6)16,435 = 96,29 кН=(2069,42+56,7+96,29)/4+ 241,88
0,45/4
0,452
=689,98 ≤ 1110,72
1,4=1555,01
- условие сходится, следовательно размеры ростверка определены верно.
.3 Проверка давления под подошвой условного фундамента (расчёт по II
группе предельных состояний)
Проверка давления:
=(FvII+Gгр+Gc+Gp) / bуlу ≤ Rу
где Gгр,Gc,Gp - вес грунта, свай и ростверка в пределах условного
фундамента с размерами bу и lу .
bу
= 
=0,9 +2
м.у = 
=1,2+2
= 1,8м.
в


=1711,26+56,7+31,5
+273,31 = 767,69 кПа.
,7у
= γс1 γ2[Мγ Кzb1 γII+Mgd1γ′mt+(Mg-1)db
γ′II+Mc СII] =
1,65
6,6
1,95
17,54+9,5
фундамент колонна свайный арматурный
Р
Rу -
условие выполняется.
.4 Расчёт осадки свайного фундамента
кПа
кПа
кН/м3
Таблица
8
z, м 
,
кН/м
h, м
,
кПа
,
кПа
,
|
кПаЕ, МПаs, мм
|
|
|
|
|
|
|
|
|
|
|
0
|
0
|
17,18
|
7,2
|
123,7
|
1
|
767,69
|
-
|
18,219
|
-
|
|
0,6
|
0,8
|
19,9
|
0,6
|
135,64
|
0,824
|
632,58
|
700,14
|
20,85
|
13,19
|
|
1,2
|
1,6
|
19,9
|
0,6
|
147,58
|
0,4905
|
376,55
|
504,57
|
20,85
|
9,87
|
|
1,8
|
2,4
|
19,9
|
0,6
|
159,51
|
0,291
|
223,398
|
299,97
|
20,85
|
5,87
|
|
2,4
|
3,2
|
19,9
|
0,6
|
171,46
|
0,185
|
142,02
|
182,71
|
20,85
|
3,55
|
|
3
|
4
|
19,9
|
0,6
|
183,4
|
0,1265
|
97,11
|
119,57
|
20,85
|
2,3
|
Граница
сжимаемой зоны (при
) - 3 м от подошвы условного фундамента.
Рис.
8. Распределение напряжений под подошвой условного фундамента.
.5
Подбор оборудования для погружения свай
Для
погружения свай применяется навесное копровое оборудование на кране.
Минимальная
энергия удара
Э=1,75aFv=1,75∙25∙1110,72=48594Дж=
=48,594кДж
Принимаю
трубчатый дизель-молот с воздушным охлаждением С-974:
Масса
удароной части молота 50 кН
Масса
общая 101кН
Энергия
удара 76 кДж
Проверка
пригодности по условию:
=101кН
- полный вес молота
=5,25.0,3.0,3.25+0,1∙11,81+0,1=13,09кН
- вес наголовника и подбабка.
Эр=0,9G’hhm=0,9∙50∙2,8=126 кН,
где’h=50 кН - вес ударной части молота=2,8м- высота падения ударной части
молота
Кm=6 - к-т (при погружении трубчатым дизельмолотом ж/б сваи)
Расчётный
отказ:
η=1500 кН/м2
А=0,09м2
- площадь поперечного сечения сваи
М=1
- т.к. забивка молотом ударного действия
ε2=0,2 - т.к. забивка молотом ударного действия
см
>0,2см
.6
Компьютерный расчет
Результаты расчета по оси А-2.
Тип фундамента
Столбчатый на естественном основании
1. - Исходные
данные:
Тип грунта в основании фундамента
Пылевато-глинистые, крупнообломочные с пылевато-глинистым заполнителем
IL<0.25
Тип расчета
Проверить заданный
Способ расчета
Расчет основания по деформациям
Спсоб определения характеристик грунта
По таблицам СНиП 2.02.01-83*
Конструктивная схема здания
Гибкая
Наличие подвала
Да
Фундамент под крайнюю стену
Исходные данные для расчета
Объемный вес грунта (G) 17,3 кН/м3
Угол внутреннего трения (Fi) 23 °
Удельное сцепление грунта (C) 25 кПа
Уровень грунтовых вод (Hv) -5,85 м
Высота фундамента (H) 1,5 м= 2,4 м, a= 2,7 м
Высота грунта до подошвы в подвале (hs) 1,6 м
Давление от 1 м2 пола подвала (Pp) 2 кПа
Глубина подвала (dp) 2,3 м
Ширина подвала (Bp) 18 м
Нагрузка на отмостку (qv) (только для расчета горизонтального давления)
0кПа
Усредненный коэффициент надежности по нагрузке 1,15.
Расчетные нагрузки:
|
Наименование
|
Величина
|
Ед. измерения
|
Примечания
|
|
N
|
1711,26
|
кН
|
|
|
My
|
0
|
кН*м
|
|
|
Qx
|
0
|
кН
|
|
|
Mx
|
130,73
|
кН*м
|
|
|
Qy
|
0
|
кН
|
|
|
q
|
10
|
кПа
|
|
2. - Выводы:
По расчету по деформациям коэффициент использования K= 0,48
Расчетное сопротивление грунта основания 614,66 кПа
Максимальное напряжение в расчетном слое грунта в основном сочетании
339,64 кПа
Минимальное напряжение в расчетном слое грунта в основном сочетании
254,03 кПа
Расчет по деформациям выполнен по пересчитанным характеристикам грунта
(на kver=0.85) согласно "Пособия..." к СНиП 2.02.01-83*.
Расчетные моменты в уровне подошвы фундамента: Mx= 130,73 кН*м, My= 11,39
кН*м
3. -
Результаты конструирования:
Геометрические характеристики конструкции:
|
Наименование
|
Обозначение
|
Величина
|
Ед.измерения
|
|
Заданная длина подошвы
|
(A)
|
2,7
|
м
|
|
Заданная щирина подошвы
|
(B)
|
2,4
|
м
|
|
Ширина сечения подколонника
|
(b0)
|
0,9
|
|
Длина сечения подколонника
|
(L0)
|
0,9
|
м
|
|
Высота ступеней фундамента
|
(hn)
|
0,3
|
м
|
|
Защитный слой подколонника
|
(zv)
|
3,5
|
см
|
|
Защитный слой арматуры
подошвы
|
(zn)
|
7,0
|
см
|
|
Длина ступени рядовой вдоль
Х
|
(bn)
|
0,45
|
м
|
|
Длина ступени рядовой вдоль
Y
|
(an)
|
0,45
|
м
|
|
Длина ступени верхней вдоль
Х
|
(b1)
|
0,3
|
м
|
|
Длина ступени верхней вдоль
Y
|
(a1)
|
0,45
|
м
|
|
Количество ступеней вдоль Х
|
(nx)
|
2
|
шт.
|
|
Количество ступеней вдоль Y
|
(ny)
|
2
|
шт.
|
|
Ширина сечения колонны
|
(b)
|
0,4
|
м
|
|
Длина сечения колонны
|
(a)
|
0,4
|
м
|
|
Глубина заделки колонны
|
(h)
|
0,8
|
м
|
|
Класс бетона
|
(Rb)
|
B25
|
|
По расчету на продавливание подколонником несущей способности подошвы
ДОСТАТОЧНО.
По расчету на продавливание колонной несущей способности фундамента
(ростверка)
ДОСТАТОЧНО.
Подошва столбчатого фундамента
Рабочая арматура вдоль Х 14D 12 A-III
По прочности по нормальному сечению армирование ДОСТАТОЧНО.
Подошва столбчатого фундамента
Рабочая арматура вдоль Y 12D 14 A-III
По прочности по нормальному сечению армирование ДОСТАТОЧНО.
Подколонник столбчатого фундамента, грани вдоль X
Вертикальная рабочая арматура 5D 12 A-III
По прочности по нормальному сечению армирование ДОСТАТОЧНО.
Подколонник столбчатого фундамента, грани вдоль Y
Вертикальная рабочая арматура 5D 12 A-III
По прочности по нормальному сечению армирование ДОСТАТОЧНО.
Стакан в направлении оси Х армируется конструктивно сетками 4D8 AI - 5
шт.
Стакан в направлении оси Y армируется сетками 4D8 AIII - 5 шт.
Сеток в нижней части стакана по расчету на местное смятие не требуется.
4. - Расчет
затрат:
Стоимость возведения конструкции по видам работ:
|
Наименование работ
|
объем
|
ед.измерения
|
стоимость, руб.
|
|
Разработка грунта
экскаватором
|
41,89
|
м3
|
577,62
|
|
Доработка грунта вручную
|
4,65
|
м3
|
557,87
|
|
Вывоз грунта (1/2 объема)
до 20 км
|
23,27
|
м3
|
3435,51
|
|
Устройство щебеночной
подготовки б=100 мм
|
0,75
|
м3
|
49,99
|
|
Щебень на подготовку
|
0,75
|
м3
|
453,86
|
|
Устройство ж/б фундаментов
объемом до 5 м3
|
3,92
|
м3
|
1842,04
|
|
Бетон B25 на фундамент
(подпорную стену)
|
3,92
|
м3
|
4329,69
|
|
Арматура класса AI
|
12,02
|
кг
|
102,42
|
|
Арматура класса AIII
|
88,18
|
кг
|
839,1
|
|
Опалубка на фундамент
(подпорную стену) объемом
|
3,92
|
м3
|
314,84
|
|
Дополнительные затраты на
устройство стакана
|
3,92
|
м3
|
179,09
|
|
Арматура класса AI
армирования стакана
|
47,27
|
кг
|
402,61
|
|
Обратная засыпка грунта бульдозером
(1/2 объема)
|
23,27
|
м3
|
47,92
|
Итого прямые затраты 13132,56 руб.
|
Наименование расходов и затрат
|
Сумма, руб.
|
|
Накладные расходы 20%
|
2626,51
|
|
Итого :
|
15759,07
|
|
Плановые накопления 8%
|
1260,73
|
|
Итого :
|
17019,79
|
|
Временные здания и
сооружения 3.1%
|
527,61
|
|
Итого :
|
17547,4
|
|
Среднегодовое зимнее
удорожание 2.1%
|
368,5
|
|
Итого :
|
17915,9
|
|
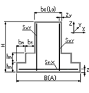
Непредвиденные расходы 4.0%
|
716,64
|
|
Итого :
|
18632,54
|
|
Налог на добавленную
стоимость 20%
|
3726,51
|
Всего по смете: 22359,04 руб.
Результаты расчета по оси А-5.
Тип фундамента:
Столбчатый на свайном основании
1. - Исходные
данные:
Способ определения несущей способности сваи
Расчётом (коэф. надежности по грунту Gk=1.4)
Тип сваи
Висячая забивная
Тип расчета
Проверить заданный
Способ расчета
Расчет на вертикальную нагрузку и выдергивание
Исходные данные для расчета:
Несущая способность сваи (без учета Gk) (Fd) 1110,72 кН
Несущая способность сваи на выдергивание (без Gk) (Fdu) 0 кН
Диаметр (сторона) сваи 0,3 м
Высота фундамента (H) 1,5 м
Расположение свай:
Свая - 1 X=0 м Y=0 м
Свая - 2 X=1,2 м Y=0 м
Свая - 3 X=1,2 м Y=0,9 м
Свая - 4 X=0 м Y=0,9 м
Расчетные нагрузки:
|
Наименование
|
Величина
|
Ед. измерения
|
Примечания
|
|
N
|
2049,62
|
кН
|
|
|
My
|
0
|
кН*м
|
|
|
Qx
|
0
|
кН
|
|
|
Mx
|
241,88
|
кН*м
|
|
|
Qy
|
0
|
кН
|
|
|
q
|
10
|
кПа
|
|
. - Выводы:
Коэффициент использования несущей способности ростверка K= 0,86
Максимальная нагрузка на сваю 686,19 кН
Минимальная нагрузка на сваю 417,44 кН
Принятый коэффициент надежности по грунту Gk= 1,4
3. -
Результаты конструирования:
Геометрические характеристики конструкции:
|
Наименование
|
Обозначение
|
Величина
|
Ед.измерения
|
|
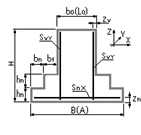
Заданная длина подошвы
|
(A)
|
1,8
|
м
|
|
Заданная щирина подошвы
|
(B)
|
1,5
|
м
|
|
Ширина сечения подколонника
|
(b0)
|
0,9
|
м
|
|
Длина сечения подколонника
|
(L0)
|
0,9
|
м
|
|
Высота ступеней фундамента
|
(hn)
|
0,6
|
м
|
|
Защитный слой подколонника
|
(zv)
|
3,5
|
см
|
|
Защитный слой арматуры
подошвы
|
(zn)
|
7,0
|
см
|
|
Длина ступени верхней вдоль
Х
|
(b1)
|
0,3
|
м
|
|
Длина ступени верхней вдоль
Y
|
(a1)
|
0,45
|
м
|
|
Ширина сечения колонны
|
(b)
|
0,4
|
м
|
|
Длина сечения колонны
|
(a)
|
0,4
|
м
|
|
Глубина заделки колонны
|
(h)
|
0,8
|
м
|
|
Класс бетона
|
(Rb)
|
B25
|
|
Ростверк ступенчатого вида
По расчету на продавливание сваей несущей способности ростверка
ДОСТАТОЧНО.
По расчету на продавливание колонной несущей способности фундамента
(ростверка)
ДОСТАТОЧНО.
Подошва столбчатого ростверка
Рабочая арматура вдоль Х 9D 10 A-III
По прочности по нормальному сечению армирование ДОСТАТОЧНО.
Подошва столбчатого ростверка
Рабочая арматура вдоль Y 8D 14 A-III
По прочности по нормальному сечению армирование ДОСТАТОЧНО.
Подколонник столбчатого фундамента, грани вдоль X
Вертикальная рабочая арматура 5D 16 A-III
По прочности по нормальному сечению армирование ДОСТАТОЧНО.
Подколонник столбчатого фундамента, грани вдоль Y
Вертикальная рабочая арматура 5D 12 A-III
По прочности по нормальному сечению армирование ДОСТАТОЧНО.
Стакан в направлении оси Х армируется конструктивно сетками 4D8 AI - 5
шт.
Стакан в направлении оси Y армируется сетками 4D8 AIII - 5 шт.
Сеток в нижней части стакана по расчету на местное смятие не требуется.
4. - Расчет
затрат:
Стоимость возведения конструкции по видам работ:
|
Наименование работ
|
объем
|
ед.измерения
|
стоимость, руб.
|
|
Разработка грунта
экскаватором
|
27,8
|
м3
|
383,36
|
|
Доработка грунта вручную
|
3,09
|
м3
|
370,26
|
|
Вывоз грунта (1/2 объема)
до 20 км
|
15,44
|
м3
|
2280,13
|
|
Устройство щебеночной
подготовки б=100 мм
|
0,3
|
м3
|
20,16
|
|
Щебень на подготовку
|
0,3
|
м3
|
182,99
|
|
Устройство ж/б фундаментов
объемом до 3 м3
|
2,47
|
м3
|
1375,56
|
|
Бетон B25 на фундамент
(подпорную стену)
|
2,47
|
м3
|
2726,31
|
|
Арматура класса AI
|
5,99
|
кг
|
50,99
|
|
Арматура класса AIII
|
43,9
|
кг
|
417,79
|
|
Опалубка на фундамент
(подпорную стену) объемом
|
2,47
|
м3
|
198,25
|
|
Дополнительные затраты на
устройство стакана
|
2,47
|
м3
|
112,77
|
|
Арматура класса AI
армирования стакана
|
28,55
|
кг
|
243,16
|
|
Обратная засыпка грунта
бульдозером (1/2 объема)
|
15,44
|
м3
|
31,8
|
|
Погружение дизель-молотом
ж/б свай L<6 м
|
1,44
|
м3
|
1776,9
|
|
Стоимость сборного ж/б свай
|
1,44
|
м3
|
10112,39
|
|
Вырубка бетона свай
сечением менее 0.4х0.4 м
|
шт
|
435,43
|
Итого прямые затраты 20718,24 руб.
|
Наименование расходов и
затрат
|
Сумма, руб.
|
|
Накладные расходы 20%
|
4143,65
|
|
Итого :
|
24861,89
|
|
Плановые накопления 8%
|
1988,95
|
|
Итого :
|
26850,84
|
|
Временные здания и
сооружения 3.1%
|
832,38
|
|
Итого :
|
27683,22
|
|
Среднегодовое зимнее
удорожание 2.1%
|
581,35
|
|
Итого :
|
28264,57
|
|
Непредвиденные расходы 4.0%
|
1130,58
|
|
Итого :
|
29395,15
|
|
Налог на добавленную
стоимость 20%
|
5879,03
|
Всего по смете: 35274,18 руб.
Результаты расчета по оси Б-2.
Тип фундамента
Столбчатый на естественном основании
1. - Исходные
данные:
Тип грунта в основании фундамента
Пылевато-глинистые, крупнообломочные с пылевато-глинистым заполнителем
IL<0.25
Тип расчета
Подбор унифицированной подошвы по серии 1.412-1
Способ расчета
Расчет основания по деформациям
Способ определения характеристик грунта
По таблицам СНиП 2.02.01-83*
Конструктивная схема здания
Гибкая
Наличие подвала
Да
Фундамент под среднюю стену
Исходные данные для расчета
Объемный вес грунта (G) 17,3 кН/м3
Угол внутреннего трения (Fi) 23 °
Удельное сцепление грунта (C) 25 кПа
Уровень грунтовых вод (Hv) -5,85 м
Высота фундамента (H) 1,5 м
Высота грунта до подошвы в подвале (hs) 1,6 м
Давление от 1 м2 пола подвала (Pp) 2 кПа
Глубина подвала (dp) 2,3 м
Ширина подвала (Bp) 18 м
Усредненный коэффициент надежности по нагрузке 1,15
Расчетные нагрузки:
|
Наименование
|
Величина
|
Ед. измерения
|
Примечания
|
|
N
|
1969,78
|
кН
|
|
|
My
|
0
|
кН*м
|
|
|
Qx
|
0
|
кН
|
|
|
Mx
|
32,4
|
кН*м
|
|
|
Qy
|
0
|
кН
|
|
|
q
|
0
|
кПа
|
|
2. - Выводы:
Максимальные размеры подошвы по расчету по деформациям a= 1,8 м, b= 1,8 м
Расчетное сопротивление грунта основания 604,75 кПа
Максимальное напряжение в расчетном слое грунта в основном сочетании
596,04 кПа
Минимальное напряжение в расчетном слое грунта в основном сочетании
538,07 кПа
Расчет по деформациям выполнен по пересчитанным характеристикам грунта
(на kver=0.85) согласно "Пособия..." к СНиП 2.02.01-83*.
Расчетные моменты в уровне подошвы фундамента:
Mx= 32,4 кН*м,= 0 кН*м
. -
Результаты конструирования:
Геометрические характеристики конструкции:
|
Наименование
|
Обозначение
|
Величина
|
Ед.измерения
|
|
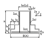
Заданная длина подошвы
|
(A)
|
1,8
|
м
|
|
Заданная щирина подошвы
|
(B)
|
1,8
|
м
|
|
Ширина сечения подколонника
|
(b0)
|
0,9
|
м
|
|
Длина сечения подколонника
|
(L0)
|
0,9
|
м
|
|
Высота ступеней фундамента
|
(hn)
|
0,3
|
м
|
|
Защитный слой подколонника
|
(zv)
|
3,5
|
см
|
|
Защитный слой арматуры
подошвы
|
(zn)
|
7,0
|
см
|
|
Длина ступени верхней вдоль
Х
|
(b1)
|
0,45
|
м
|
|
Длина ступени верхней вдоль
Y
|
(a1)
|
0,45
|
м
|
|
Количество ступеней вдоль Х
|
(nx)
|
1
|
шт.
|
|
Количество ступеней вдоль Y
|
(ny)
|
1
|
шт.
|
|
Ширина сечения колонны
|
(b)
|
0,4
|
м
|
|
Длина сечения колонны
|
(a)
|
0,4
|
м
|
|
Глубина заделки колонны
|
(h)
|
0,8
|
м
|
|
Класс бетона
|
(Rb)
|
B30
|
|
Подошва столбчатого фундамента
Рабочая арматура вдоль Х 9D 14 A-III
Подошва столбчатого фундамента
Рабочая арматура вдоль Y 9D 14 A-III
Подколонник столбчатого фундамента, грани вдоль X
Вертикальная рабочая арматура 5D 12 A-III
Подколонник столбчатого фундамента, грани вдоль Y
Вертикальная рабочая арматура 5D 12 A-III
Стакан в направлении оси Х армируется конструктивно сетками 4D8 AI - 5
шт.
Стакан в направлении оси Y армируется конструктивно сетками 4D8 AI - 5
шт.
Сеток в нижней части стакана по расчету на местное смятие не требуется.
4. - Расчет
затрат:
Стоимость возведения конструкции по видам работ:
|
Наименование работ
|
объем
|
ед. измерения
|
стоимость, руб.
|
|
Разработка грунта
экскаватором
|
29,56
|
м3
|
407,69
|
|
Доработка грунта вручную
|
3,28
|
м3
|
393,75
|
|
Вывоз грунта (1/2 объема)
до 20 км
|
16,42
|
м3
|
2424,8
|
|
Устройство щебеночной
подготовки б=100 мм
|
0,4
|
м3
|
26,52
|
|
Щебень на подготовку
|
0,4
|
м3
|
240,78
|
|
Устройство ж/б фундаментов
объемом до 3 м3
|
2,04
|
м3
|
1133,15
|
|
Бетон B30 на фундамент
(подпорную стену)
|
2,04
|
м3
|
2245,85
|
|
Арматура класса AI
|
6,17
|
кг
|
52,52
|
|
Арматура класса AIII
|
45,22
|
кг
|
430,27
|
|
Опалубка на фундамент
(подпорную стену) объемом
|
2,04
|
м3
|
163,31
|
|
Дополнительные затраты на
устройство стакана
|
2,04
|
м3
|
92,89
|
|
Арматура класса AI
армирования стакана
|
33,23
|
кг
|
283,02
|
|
Обратная засыпка грунта
бульдозером (1/2 объема)
|
16,42
|
м3
|
33,82
|
Итого прямые затраты 7928,36 руб.
|
Наименование расходов и
затрат
|
Сумма, руб.
|
|
Накладные расходы 20%
|
1585,67
|
|
Итого :
|
9514,04
|
|
Плановые накопления 8%
|
761,12
|
|
Итого :
|
10275,16
|
|
Временные здания и
сооружения 3.1%
|
318,53
|
|
Итого :
|
10593,69
|
|
Среднегодовое зимнее
удорожание 2.1%
|
222,47
|
|
Итого :
|
10816,16
|
|
Непредвиденные расходы 4.0%
|
432,65
|
|
Итого :
|
11248,8
|
|
Налог на добавленную
стоимость 20%
|
2249,76
|
Всего по смете: 13498,56 руб.
Результаты расчета по оси Б-5.
Тип фундамента:
Столбчатый на свайном основании
1. - Исходные
данные:
Способ определения несущей способности сваи
Расчётом (коэф. надежности по грунту Gk=1.4)
Тип сваи
Висячая забивная
Тип расчета
Подбор унифицированного ростверка по серии 1.411-1
Способ расчета
Расчет на вертикальную нагрузку и выдергивание
Исходные данные для расчета:
Несущая способность сваи (без учета Gk) (Fd) 1110,72 кН
Несущая способность сваи на выдергивание (без Gk) (Fdu) 0 кН
Диаметр (сторона) сваи 0,3 м
Высота фундамента (H) 1,5 м
Максимальные габариты (по осям крайних свай) по длине ростверка (b max)
3,6 м
Максимальные габариты (по осям крайних свай) по ширине ростверка (a max)
3,6 м
Расчетные нагрузки:
|
Наименование
|
Величина
|
Ед. измерения
|
Примечания
|
|
N
|
2538,63
|
кН
|
|
|
My
|
0
|
кН*м
|
|
|
Qx
|
0
|
кН
|
|
|
Mx
|
32,4
|
кН*м
|
|
|
Qy
|
0
|
кН
|
|
|
q
|
0
|
кПа
|
|
. - Выводы:
Требуемые характеристики ростверка: a= 0,9 м b= 0,9 м Количество свай (n)
4 шт.
Максимальная нагрузка на сваю 681,96 кН
Минимальная нагрузка на сваю 645,96 кН
Принятый коэффициент надежности по грунту Gk= 1,4
3. - Результаты
конструирования:
Геометрические характеристики конструкции:
|
Наименование
|
Обозначение
|
Величина
|
Ед.измерения
|
|
Заданная длина подошвы
|
(A)
|
1,5
|
м
|
|
Заданная щирина подошвы
|
(B)
|
1,5
|
м
|
|
Ширина сечения подколонника
|
(b0)
|
0,9
|
м
|
|
Длина сечения подколонника
|
(L0)
|
0,9
|
м
|
|
Высота ступеней фундамента
|
(hn)
|
0,6
|
м
|
|
Защитный слой подколонника
|
(zv)
|
3,5
|
см
|
|
Защитный слой арматуры
подошвы
|
(zn)
|
7,0
|
см
|
|
Длина ступени верхней вдоль
Х
|
(b1)
|
0,3
|
м
|
|
Длина ступени верхней вдоль
Y
|
(a1)
|
0,3
|
м
|
|
Ширина сечения колонны
|
(b)
|
0,4
|
м
|
|
Длина сечения колонны
|
(a)
|
0,4
|
м
|
|
Глубина заделки колонны
|
(h)
|
0,8
|
м
|
|
Класс бетона
|
(Rb)
|
|
Ростверк ступенчатого вида
Подошва столбчатого ростверка
Рабочая арматура вдоль Х 8D 10 A-III
Подошва столбчатого ростверка
Рабочая арматура вдоль Y 8D 10 A-III
Подколонник столбчатого фундамента, грани вдоль X
Вертикальная рабочая арматура 5D 12 A-III
Подколонник столбчатого фундамента, грани вдоль Y
Вертикальная рабочая арматура 5D 12 A-III
Стакан в направлении оси Х армируется конструктивно сетками 4D8 AI - 5
шт.
Стакан в направлении оси Y армируется конструктивно сетками 4D8 AI - 5
шт.
Сеток в нижней части стакана по расчету на местное смятие не требуется.
4. - Расчет
затрат:
Стоимость возведения конструкции по видам работ:
|
Наименование работ
|
объем
|
ед.измерения
|
стоимость, руб.
|
|
Разработка грунта
экскаватором
|
27,11
|
м3
|
373,81
|
|
Доработка грунта вручную
|
3,01
|
м3
|
361,03
|
|
Вывоз грунта (1/2 объема)
до 20 км
|
15,06
|
м3
|
2223,29
|
|
Устройство щебеночной
подготовки б=100 мм
|
0,29
|
м3
|
19,16
|
|
Щебень на подготовку
|
0,29
|
м3
|
173,96
|
|
Устройство ж/б фундаментов
объемом до 3 м3
|
2,19
|
м3
|
1217,71
|
|
Бетон B30 на фундамент
(подпорную стену)
|
2,19
|
м3
|
2413,45
|
|
Арматура класса AI
|
1,25
|
кг
|
10,64
|
|
Арматура класса AIII
|
9,16
|
кг
|
87,21
|
|
Опалубка на фундамент
(подпорную стену) объемом
|
2,19
|
м3
|
175,5
|
|
Дополнительные затраты на
устройство стакана
|
2,19
|
м3
|
99,83
|
|
Арматура класса AI
армирования стакана
|
27,61
|
кг
|
235,19
|
|
Обратная засыпка грунта
бульдозером (1/2 объема)
|
15,06
|
м3
|
31,01
|
|
Погружение дизель-молотом
ж/б свай L<6 м
|
1,44
|
м3
|
1776,9
|
|
Стоимость сборного ж/б свай
|
1,44
|
м3
|
10112,39
|
|
Вырубка бетона свай
сечением менее 0.4х0.4 м
|
4
|
шт
|
435,43
|
Итого прямые затраты 19746,5 руб.
|
Наименование расходов и
затрат
|
Сумма, руб.
|
|
Накладные расходы 20%
|
3949,3
|
|
Итого :
|
23695,8
|
|
Плановые накопления 8%
|
1895,66
|
|
Итого :
|
25591,47
|
|
Временные здания и
сооружения 3.1%
|
793,34
|
|
Итого :
|
26384,8
|
|
Среднегодовое зимнее
удорожание 2.1%
|
554,08
|
|
Итого :
|
26938,88
|
|
Непредвиденные расходы 4.0%
|
1077,56
|
|
Итого :
|
28016,44
|
|
Налог на добавленную
стоимость 20%
|
5603,29
|
Всего по смете: 33619,73 руб.
Результаты расчета по оси В-2.
Тип фундамента
Столбчатый на естественном основании
1. - Исходные
данные:
Тип грунта в основании фундамента
Пылевато-глинистые, крупнообломочные с пылевато-глинистым заполнителем
IL<0.25
Тип расчета
Подбор унифицированной подошвы по серии 1.412-1
Способ расчета
Расчет основания по деформациям
Способ определения характеристик грунта
По таблицам СНиП 2.02.01-83*
Конструктивная схема здания
Гибкая
Наличие подвала
Да
Фундамент под среднюю стену
Исходные данные для расчета
Объемный вес грунта (G) 17,3 кН/м3
Угол внутреннего трения (Fi) 23 °
Удельное сцепление грунта (C) 25 кПа
Уровень грунтовых вод (Hv) -5,85 м
Высота фундамента (H) 1,5 м
Высота грунта до подошвы в подвале (hs) 1,6 м
Давление от 1 м2 пола подвала (Pp) 2 кПа
Глубина подвала (dp) 2,3 м
Ширина подвала (Bp) 18 м
Усредненный коэффициент надежности по нагрузке 1,15
Расчетные нагрузки:
|
Наименование
|
Величина
|
Ед. измерения
|
Примечания
|
|
N
|
1643,84
|
кН
|
|
|
My
|
0
|
кН*м
|
|
|
Qx
|
0
|
кН
|
|
|
Mx
|
22,89
|
кН*м
|
|
|
Qy
|
0
|
кН
|
|
|
q
|
0
|
кПа
|
|
2. - Выводы:
Максимальные размеры подошвы по расчету по деформациям a= 1,8 м, b= 1,5 м
Расчетное сопротивление грунта основания 599,8 кПа
Максимальное напряжение в расчетном слое грунта в основном сочетании
592,39 кПа
Минимальное напряжение в расчетном слое грунта в основном сочетании
543,24 кПа
Расчет по деформациям выполнен по пересчитанным характеристикам грунта
(на kver=0.85) согласно "Пособия..." к СНиП 2.02.01-83*.
Расчетные моменты в уровне подошвы фундамента: Mx= 22,89 кН*м, My= 0
кН*м
3. -
Результаты конструирования:
Геометрические характеристики конструкции:
|
Наименование
|
Обозначение
|
Величина
|
Ед.измерения
|
|
Заданная длина подошвы
|
(A)
|
1,8
|
м
|
|
Заданная щирина подошвы
|
(B)
|
1,5
|
м
|
|
Ширина сечения подколонника
|
(b0)
|
0,9
|
м
|
|
Длина сечения подколонника
|
(L0)
|
0,9
|
м
|
|
Высота ступеней фундамента
|
(hn)
|
0,3
|
м
|
|
Защитный слой подколонника
|
(zv)
|
3,5
|
см
|
|
Защитный слой арматуры
подошвы
|
(zn)
|
7,0
|
см
|
|
Длина ступени верхней вдоль
Х
|
(b1)
|
0,3
|
м
|
|
Длина ступени верхней вдоль
Y
|
(a1)
|
0,45
|
м
|
|
Количество ступеней вдоль Х
|
(nx)
|
1
|
шт.
|
|
Количество ступеней вдоль Y
|
(ny)
|
1
|
шт.
|
|
Ширина сечения колонны
|
(b)
|
0,4
|
м
|
|
Длина сечения колонны
|
(a)
|
0,4
|
м
|
|
Глубина заделки колонны
|
(h)
|
0,8
|
м
|
|
Класс бетона
|
(Rb)
|
B20
|
|
Подошва столбчатого фундамента
Рабочая арматура вдоль Х 9D 10 A-III
Подошва столбчатого фундамента
Рабочая арматура вдоль Y 8D 14 A-III
Подколонник столбчатого фундамента, грани вдоль X
Вертикальная рабочая арматура 5D 12 A-III
Подколонник столбчатого фундамента, грани вдоль Y
Вертикальная рабочая арматура 5D 12 A-III
Стакан в направлении оси Х армируется конструктивно сетками 4D8 AI - 5
шт.
Стакан в направлении оси Y армируется конструктивно сетками 4D8 AI - 5
шт.
Сеток в нижней части стакана по расчету на местное смятие не требуется.
4. - Расчет
затрат:
Стоимость возведения конструкции по видам работ:
|
Наименование работ
|
объем
|
ед.измерения
|
стоимость, руб.
|
|
Разработка грунта
экскаватором
|
27,31
|
м3
|
376,55
|
|
Доработка грунта вручную
|
3,03
|
м3
|
363,68
|
|
Вывоз грунта (1/2 объема)
до 20 км
|
15,17
|
м3
|
2239,63
|
|
Устройство щебеночной
подготовки б=100 мм
|
0,34
|
м3
|
22,54
|
|
Щебень на подготовку
|
0,34
|
м3
|
204,66
|
|
Устройство ж/б фундаментов
объемом до 3 м3
|
1,85
|
м3
|
1031,67
|
|
Бетон B20 на фундамент
(подпорную стену)
|
1,85
|
м3
|
2044,73
|
|
Арматура класса AI
|
4,21
|
кг
|
35,85
|
|
Арматура класса AIII
|
30,87
|
кг
|
293,72
|
|
Опалубка на фундамент
(подпорную стену) объемом
|
1,85
|
м3
|
148,69
|
|
Дополнительные затраты на
устройство стакана
|
1,85
|
м3
|
84,58
|
|
Арматура класса AI
армирования стакана
|
30,42
|
кг
|
259,11
|
|
Обратная засыпка грунта
бульдозером (1/2 объема)
|
15,17
|
м3
|
31,24
|
Итого прямые затраты 7136,64 руб.
|
Наименование расходов и
затрат
|
Сумма, руб.
|
|
Накладные расходы 20%
|
1427,33
|
|
Итого :
|
8563,97
|
|
Плановые накопления 8%
|
685,12
|
|
Итого :
|
9249,09
|
|
Временные здания и
сооружения 3.1%
|
286,72
|
|
Итого :
|
9535,81
|
|
Среднегодовое зимнее
удорожание 2.1%
|
200,25
|
|
Итого :
|
9736,06
|
|
Непредвиденные расходы 4.0%
|
389,44
|
|
Итого :
|
10125,5
|
|
Налог на добавленную
стоимость 20%
|
2025,1
|
Всего по смете: 12150,6 руб.
Результаты расчета по оси В-5.
Тип фундамента:
Столбчатый на свайном основании
1. - Исходные
данные:
Способ определения несущей способности сваи
Расчётом (коэф. надежности по грунту Gk=1.4)
Тип сваи
Висячая забивная
Тип расчета
Подбор унифицированного ростверка по серии 1.411-1
Способ расчета
Расчет на вертикальную нагрузку и выдергивание
Исходные данные для расчета:
Несущая способность сваи (без учета Gk) (Fd) 1110,72 кН
Несущая способность сваи на выдергивание (без Gk) (Fdu) 0 кН
Диаметр (сторона) сваи 0,3 м
Высота фундамента (H) 1,5 м
Максимальные габариты (по осям крайних свай) по длине ростверка (b max)
3,6 м
Максимальные габариты (по осям крайних свай) по ширине ростверка (a max)
3,6 м
Расчетные нагрузки:
|
Наименование
|
Величина
|
Ед. измерения
|
Примечания
|
2100,93
|
кН
|
|
|
My
|
0
|
кН*м
|
|
|
Qx
|
0
|
кН
|
|
|
Mx
|
61,78
|
кН*м
|
|
|
Qy
|
0
|
кН
|
|
|
q
|
0
|
кПа
|
|
. - Выводы:
Требуемые характеристики ростверка: a= 1,2 м b= 0,9 м Количество свай (n)
3 шт.
Максимальная нагрузка на сваю 793,11 кН
Минимальная нагрузка на сваю 715,88 кН
Принятый коэффициент надежности по грунту Gk= 1,4
3. - Результаты
конструирования:
Геометрические характеристики конструкции:
|
Наименование
|
Обозначение
|
Величина
|
Ед.измерения
|
|
Заданная длина подошвы
|
(A)
|
1,8
|
м
|
|
Заданная щирина подошвы
|
(B)
|
1,5
|
м
|
|
Ширина сечения подколонника
|
(b0)
|
0,9
|
м
|
|
Длина сечения подколонника
|
(L0)
|
0,9
|
м
|
|
Высота ступеней фундамента
|
(hn)
|
0,6
|
м
|
|
Защитный слой подколонника
|
(zv)
|
3,5
|
см
|
|
Защитный слой арматуры
подошвы
|
(zn)
|
7,0
|
см
|
|
Длина ступени верхней вдоль
Х
|
(b1)
|
0,3
|
м
|
|
Длина ступени верхней вдоль
Y
|
(a1)
|
0,45
|
м
|
|
Ширина сечения колонны
|
(b)
|
0,4
|
м
|
|
Длина сечения колонны
|
(a)
|
0,4
|
м
|
|
Глубина заделки колонны
|
(h)
|
0,8
|
м
|
|
Класс бетона
|
(Rb)
|
B25
|
|
Ростверк ступенчатого вида
Подошва столбчатого ростверка
Рабочая арматура вдоль Х 9D 10 A-III
Подошва столбчатого ростверка
Рабочая арматура вдоль Y 8D 16 A-III
Подколонник столбчатого фундамента, грани вдоль X
Вертикальная рабочая арматура 5D 12 A-III
Подколонник столбчатого фундамента, грани вдоль Y
Вертикальная рабочая арматура 5D 12 A-III
Стакан в направлении оси Х армируется конструктивно сетками 4D8 AI - 5
шт.
Стакан в направлении оси Y армируется конструктивно сетками 4D8 AI - 5
шт.
Сеток в нижней части стакана по расчету на местное смятие не требуется.
4. - Расчет
затрат:
Стоимость возведения конструкции по видам работ:
|
Наименование работ
|
объем
|
ед.измерения
|
стоимость, руб.
|
|
Разработка грунта
экскаватором
|
29,3
|
м3
|
404,11
|
|
Доработка грунта вручную
|
3,26
|
м3
|
390,3
|
|
Вывоз грунта (1/2 объема)
до 20 км
|
16,28
|
м3
|
2403,55
|
|
Устройство щебеночной
подготовки б=100 мм
|
0,34
|
м3
|
22,54
|
|
Щебень на подготовку
|
0,34
|
м3
|
204,66
|
|
Устройство ж/б фундаментов
объемом до 3 м3
|
2,49
|
м3
|
1386,84
|
|
Бетон B25 на фундамент
(подпорную стену)
|
2,49
|
м3
|
2748,65
|
|
Арматура класса AI
|
4,4
|
кг
|
37,48
|
|
Арматура класса AIII
|
32,27
|
кг
|
307,07
|
|
Опалубка на фундамент
(подпорную стену) объемом
|
2,49
|
м3
|
199,87
|
|
Дополнительные затраты на
устройство стакана
|
2,49
|
м3
|
113,69
|
|
Арматура класса AI
армирования стакана
|
30,42
|
кг
|
259,11
|
|
Обратная засыпка грунта
бульдозером (1/2 объема)
|
16,28
|
м3
|
33,52
|
|
Погружение дизель-молотом
ж/б свай L<6 м
|
1,08
|
м3
|
1332,68
|
|
Стоимость сборного ж/б свай
|
1,08
|
м3
|
7584,3
|
|
Вырубка бетона свай
сечением менее 0.4х0.4 м
|
3
|
шт
|
326,57
|
Итого прямые затраты 17754,95 руб.
|
Наименование расходов и
затрат
|
Сумма, руб.
|
|
Накладные расходы 20%
|
3550,99
|
|
Итого :
|
21305,94
|
|
Плановые накопления 8%
|
1704,48
|
|
Итого :
|
23010,41
|
|
Временные здания и
сооружения 3.1%
|
713,32
|
|
Итого :
|
23723,74
|
|
Среднегодовое зимнее
удорожание 2.1%
|
498,2
|
|
Итого :
|
24221,93
|
|
Непредвиденные расходы 4.0%
|
968,88
|
|
Итого :
|
25190,81
|
|
Налог на добавленную
стоимость 20%
|
5038,16
|
Всего по смете: 30228,97 руб.
Результаты расчета по оси Г-2.
Тип фундамента
Столбчатый на естественном основании
1. - Исходные
данные:
Тип грунта в основании фундамента
Пылевато-глинистые, крупнообломочные с пылевато-глинистым заполнителем
IL<0.25
Тип расчета
Подбор унифицированной подошвы по серии 1.412-1
Способ расчета
Расчет основания по деформациям
Способ определения характеристик грунта
По таблицам СНиП 2.02.01-83*
Конструктивная схема здания
Гибкая
Наличие подвала
Да
Фундамент под крайнюю стену
Исходные данные для расчета
Объемный вес грунта (G) 17,3 кН/м3
Угол внутреннего трения (Fi) 23 °
Удельное сцепление грунта (C) 25 кПа
Уровень грунтовых вод (Hv) -5,85 м
Высота фундамента (H) 1,5 м
Высота грунта до подошвы в подвале (hs) 1,6 м
Давление от 1 м2 пола подвала (Pp) 2 кПа
Глубина подвала (dp) 2,3 м
Ширина подвала (Bp) 18 м
Нагрузка на отмостку (qv) (только для расчета горизонтального давления)
0кПа
Усредненный коэффициент надежности по нагрузке 1,15
Расчетные нагрузки:
|
Наименование
|
Величина
|
Ед. измерения
|
Примечания
|
|
N
|
917,47
|
кН
|
|
|
My
|
0
|
кН*м
|
|
|
Qx
|
0
|
кН
|
|
|
Mx
|
54,32
|
кН*м
|
|
|
Qy
|
0
|
кН
|
|
|
q
|
10
|
кПа
|
|
2. - Выводы:
Максимальные размеры подошвы по расчету по деформациям a= 1,5 м, b= 1,5 м
Расчетное сопротивление грунта основания 599,8 кПа
Максимальное напряжение в расчетном слое грунта в основном сочетании
523,35 кПа
Минимальное напряжение в расчетном слое грунта в основном сочетании
320,19 кПа
Расчет по деформациям выполнен по пересчитанным характеристикам грунта
(на kver=0.85) согласно "Пособия..." к СНиП 2.02.01-83*.
Расчетные моменты в уровне подошвы фундамента: Mx= 54,32 кН*м, My= 11,39
кН*м
3. -
Результаты конструирования:
Геометрические характеристики конструкции:
|
Наименование
|
Обозначение
|
Величина
|
Ед.измерения
|
|
Заданная длина подошвы
|
(A)
|
1,5
|
м
|
|
Заданная щирина подошвы
|
(B)
|
1,5
|
м
|
|
Ширина сечения подколонника
|
(b0)
|
0,9
|
м
|
|
Длина сечения подколонника
|
(L0)
|
0,9
|
м
|
|
Высота ступеней фундамента
|
(hn)
|
0,3
|
м
|
|
Защитный слой подколонника
|
(zv)
|
3,5
|
см
|
|
Защитный слой арматуры
подошвы
|
(zn)
|
7,0
|
см
|
|
Длина ступени верхней вдоль
Х
|
(b1)
|
0,3
|
м
|
|
Длина ступени верхней вдоль
Y
|
(a1)
|
0,3
|
м
|
|
Количество ступеней вдоль Х
|
(nx)
|
1
|
шт.
|
|
Количество ступеней вдоль Y
|
(ny)
|
1
|
шт.
|
|
Ширина сечения колонны
|
(b)
|
0,4
|
м
|
|
Длина сечения колонны
|
(a)
|
0,4
|
м
|
|
Глубина заделки колонны
|
(h)
|
0,8
|
м
|
|
Класс бетона
|
(Rb)
|
B12.5
|
|
Расчет на продавливание подколонником и верхней ступенью при заданной
геометрии не требуется.
Подошва столбчатого фундамента
Рабочая арматура вдоль Х 8D 10 A-III
Подошва столбчатого фундамента
Рабочая арматура вдоль Y 8D 10 A-III
Подколонник столбчатого фундамента, грани вдоль X
Вертикальная рабочая арматура 5D 12 A-III
Подколонник столбчатого фундамента, грани вдоль Y
Вертикальная рабочая арматура 5D 12 A-III
Стакан в направлении оси Х армируется конструктивно сетками 4D8 AI - 5
шт.
Стакан в направлении оси Y армируется конструктивно сетками 4D8 AI - 5
шт.
Сеток в нижней части стакана по расчету на местное смятие не требуется.
. - Расчет
затрат:
Стоимость возведения конструкции по видам работ:
|
Наименование работ
|
объем
|
ед.измерения
|
стоимость, руб.
|
|
Разработка грунта
экскаватором
|
25,22
|
м3
|
347,8
|
|
Доработка грунта вручную
|
2,8
|
м3
|
335,91
|
|
Вывоз грунта (1/2 объема)
до 20 км
|
14,01
|
м3
|
2068,6
|
|
Устройство щебеночной
подготовки б=100 мм
|
0,29
|
м3
|
19,16
|
|
Щебень на подготовку
|
0,29
|
м3
|
173,96
|
|
Устройство ж/б фундаментов
объемом до 3 м3
|
м3
|
947,11
|
|
Бетон B12.5 на фундамент
(подпорную стену)
|
1,7
|
м3
|
1877,13
|
|
Арматура класса AI
|
2,8
|
кг
|
23,88
|
|
Арматура класса AIII
|
20,56
|
кг
|
195,66
|
|
Опалубка на фундамент
(подпорную стену) объемом
|
1,7
|
м3
|
136,5
|
|
Дополнительные затраты на
устройство стакана
|
1,7
|
м3
|
77,64
|
|
Арматура класса AI
армирования стакана
|
27,61
|
кг
|
235,19
|
|
Обратная засыпка грунта
бульдозером (1/2 объема)
|
14,01
|
м3
|
28,85
|
Итого прямые затраты 6467,39 руб.
|
Наименование расходов и
затрат
|
Сумма, руб.
|
|
Накладные расходы 20%
|
1293,48
|
|
Итого :
|
7760,87
|
|
Плановые накопления 8%
|
620,87
|
|
Итого :
|
8381,74
|
|
Временные здания и сооружения
3.1%
|
259,83
|
|
Итого :
|
8641,57
|
|
Среднегодовое зимнее
удорожание 2.1%
|
181,47
|
|
Итого :
|
8823,04
|
|
Непредвиденные расходы 4.0%
|
352,92
|
|
Итого :
|
9175,96
|
|
Налог на добавленную
стоимость 20%
|
1835,19
|
Всего по смете: 11011,16 руб.
Результаты расчета по оси Г-5.
Тип фундамента:
Столбчатый на свайном основании
1. - Исходные
данные:
Способ определения несущей способности сваи
Расчётом (коэф. надежности по грунту Gk=1.4)
Тип сваи
Висячая забивная
Тип расчета
Подбор унифицированного ростверка по серии 1.411-1
Способ расчета
Расчет на вертикальную нагрузку и выдергивание
Исходные данные для расчета:
Несущая способность сваи (без учета Gk) (Fd) 1110,72 кН
Несущая способность сваи на выдергивание (без Gk) (Fdu) 0 кН
Диаметр (сторона) сваи 0,3 м
Высота фундамента (H) 1,5 м
Максимальные габариты (по осям крайних свай) по длине ростверка (b max)
3,6 м
Максимальные габариты (по осям крайних свай) по ширине ростверка (a max)
3,6 м
Расчетные нагрузки:
|
Наименование
|
Величина
|
Ед. измерения
|
Примечания
|
|
N
|
1111,85
|
кН
|
|
|
My
|
0
|
кН*м
|
|
|
Qx
|
0
|
кН
|
|
|
Mx
|
121,31
|
кН*м
|
|
|
Qy
|
0
|
кН
|
|
|
q
|
10
|
кПа
|
|
2. - Выводы:
Требуемые характеристики ростверка: a= 0,9 м Количество свай (n) 2 шт.
Максимальная нагрузка на сваю 721,45 кН
Минимальная нагрузка на сваю 451,87 кН
Принятый коэффициент надежности по грунту Gk= 1,4
3. -
Результаты конструирования:
Геометрические характеристики конструкции:
|
Наименование
|
Обозначение
|
Величина
|
Ед.измерения
|
|
Заданная длина подошвы
|
(A)
|
1,5
|
м
|
|
Заданная щирина подошвы
|
(B)
|
0,9
|
м
|
|
Ширина сечения подколонника
|
(b0)
|
0,9
|
м
|
|
Длина сечения подколонника
|
(L0)
|
0,9
|
м
|
|
Высота ступеней фундамента
|
(hn)
|
0,6
|
м
|
|
Защитный слой подколонника
|
(zv)
|
3,5
|
см
|
|
Защитный слой арматуры
подошвы
|
(zn)
|
7,0
|
см
|
|
Длина ступени верхней вдоль
Х
|
(b1)
|
0
|
м
|
|
Длина ступени верхней вдоль
Y
|
(a1)
|
0,3
|
м
|
|
Ширина сечения колонны
|
(b)
|
0,4
|
м
|
|
Длина сечения колонны
|
(a)
|
0,4
|
м
|
|
Глубина заделки колонны
|
(h)
|
0,8
|
м
|
|
Класс бетона
|
(Rb)
|
B15
|
|
Ростверк ступенчатого вида
Подошва столбчатого ростверка
Рабочая арматура вдоль Х 8D 6 A-III
Подошва столбчатого ростверка
Рабочая арматура вдоль Y 5D 6 A-III
Подколонник столбчатого фундамента, грани вдоль X
Вертикальная рабочая арматура 5D 12 A-III
Подколонник столбчатого фундамента, грани вдоль Y
Вертикальная рабочая арматура 5D 12 A-III
Стакан в направлении оси Х армируется конструктивно сетками 4D8 AI - 5
шт.
Стакан в направлении оси Y армируется сетками 4D8 AIII - 5 шт.
Сеток в нижней части стакана по расчету на местное смятие не требуется.
4. - Расчет
затрат:
Стоимость возведения конструкции по видам работ:
|
Наименование работ
|
объем
|
ед.измерения
|
стоимость, руб.
|
|
Разработка грунта
экскаватором
|
22,71
|
м3
|
313,19
|
|
Доработка грунта вручную
|
2,52
|
м3
|
302,48
|
|
Вывоз грунта (1/2 объема)
до 20 км
|
12,62
|
м3
|
1862,75
|
|
Устройство щебеночной
подготовки б=100 мм
|
0,19
|
м3
|
12,4
|
|
Щебень на подготовку
|
0,19
|
м3
|
112,56
|
|
Устройство ж/б фундаментов
объемом до 3 м3
|
1,58
|
м3
|
879,46
|
|
Бетон B15 на фундамент
(подпорную стену)
|
1,58
|
м3
|
1743,05
|
|
Арматура класса AI
|
1,67
|
кг
|
14,2
|
|
Арматура класса AIII
|
12,23
|
кг
|
116,36
|
|
Опалубка на фундамент
(подпорную стену) объемом
|
1,58
|
м3
|
126,75
|
|
Дополнительные затраты на
устройство стакана
|
1,58
|
м3
|
72,1
|
|
Арматура класса AI
армирования стакана
|
22
|
кг
|
187,35
|
|
Обратная засыпка грунта
бульдозером (1/2 объема)
|
12,62
|
м3
|
25,98
|
|
Погружение дизель-молотом
ж/б свай L<6 м
|
0,72
|
м3
|
888,45
|
|
Стоимость сборного ж/б свай
|
0,72
|
м3
|
5056,2
|
|
Вырубка бетона свай
сечением менее 0.4х0.4 м
|
2
|
шт
|
217,71
|
Итого прямые затраты 11930,99 руб.
|
Наименование расходов и
затрат
|
Сумма, руб.
|
|
Накладные расходы 20%
|
2386,2
|
|
Итого :
|
14317,19
|
|
Плановые накопления 8%
|
1145,38
|
|
Итого :
|
15462,57
|
|
Временные здания и
сооружения 3.1%
|
479,34
|
|
Итого :
|
15941,9
|
|
Среднегодовое зимнее
удорожание 2.1%
|
334,78
|
|
Итого :
|
16276,68
|
|
Непредвиденные расходы 4.0%
|
651,07
|
|
Итого :
|
16927,75
|
|
Налог на добавленную
стоимость 20%
|
3385,55
|
Всего по смете: 20313,3 руб.
Список использованной литературы
1. СП
22.13330.2011, актуализированная редакция СНиП "Основания зданий и
сооружений"
. В.А.
Веселов "Проектирование оснований и фундаментов"
. СНиП
2.01.07-85* "Нагрузки и воздействия"
. СНиП
2.02.03-85 "Свайные фундаменты"
. А.П.
Мандриков, "Примеры расчета железобетонных конструкций"