Проектирование фундаментов мелкого заложения и свайных фундаментов под них
Оглавление
Введение
1. Исходные данные. Оценка инженерно-геологических условий
площадки
1.1 Назначение и конструктивные особенности подземной части
здания
.2 Характеристика площадки, инженерно-геологические и
гидрологические условия
.3 Строительная характеристика грунтов площадки
.4 Оценка строительных свойств грунтов
. Фундаменты мелкого заложения
.1 Нагрузки, учитываемые в расчетах оснований фундаментов
.2 Выбор типа и конструкции фундамента. Назначение глубины
заложения фундаментов. Устройство гидроизоляций
.3 Определение размеров подошвы фундамента
.4 Проверка напряжений в основании и уточнение размеров
подошвы фундамента
.5 Расчет осадки фундамента
3. Свайные фундаменты
3.1 Выбор типа и конструкции свай и свайного фундамента.
Назначение глубины заложения ростверка
.2 Определение несущей способности сваи и расчетной нагрузки,
допускаемой на сваю по грунту основания и прочности материала сваи
.3 Определение количества свай в фундаменте. Поверка
фактической нагрузки, передаваемой на сваю
.4 Расчет осадки свайного фундамента
. Сравнение фундаментов и выбор основного варианта
.1 Подсчет объемов работ и расчет стоимости устройства
фундаментов по первому и второму вариантам
.2 Технико-экономическое сравнение вариантов и выбор
основного
.3 Рекомендации по производству работ, технике безопасности
(по выбранному варианту)
Заключение
Литература
Введение
Любое здание или сооружение строится на грунтовом основании. Его
прочность, устойчивость и нормальная эксплуатация определяются не только
конструктивными особенностями сооружения, но и свойствами грунта, условиями
взаимодействия сооружения и основания.
Основанием считают слои грунта, залегающие ниже подошвы фундамента и в
стороны от него, воспринимающие нагрузку от сооружения и влияющие на
устойчивость фундамента и его перемещения. Проектирование оснований зданий и
сооружений зависит от большого количества факторов, основными из которых
являются: геологическое и гидрогеологическое строение грунта; климатические
условия района строительства; конструкция сооружаемого здания и фундамента;
характер нагрузок, действующих на грунт основания, и т.д. Основания под
фундаменты зданий и сооружений бывают естественными и искусственными.
Естественными основаниями называют грунты, которые в условиях природного
залегания обладают достаточной несущей способностью, чтобы выдержать нагрузку
от возводимого здания или сооружения. Естественные основания не требуют
дополнительных инженерных мероприятий по упрочнению грунта; их устройство
заключается в разработке котлована на расчетную глубину заложения фундамента
здания или сооружения.
Искусственными основаниями называют грунты, которые по механическим
свойствам в своем природном состоянии не могут выдерживать нагрузки от зданий и
сооружений и поэтому для их упрочнения выполняют различные инженерные
мероприятия.
Расчет оснований по второй группе предельных состояний (по деформациям)
ограничивает деформации надфундаментных конструкций сооружения такими
пределами, при которых еще не нарушается нормальная эксплуатация сооружения.
Нормальная эксплуатация здания или сооружения во многом зависит от того,
насколько правильно запроектировано и осуществлено его взаимодействие с
основанием. Это же в значительной мере влияет на стоимость и сроки
строительства.
В связи с расчетом оснований сооружений по указанным выше предельным
состояниям оценку грунтов производят по прочности (устойчивости) и по их
способности деформироваться под нагрузкой (по сжимаемости). Для оценки
прочности грунтов и расчета фундаментов по первой группе предельных состояний
необходимо уметь определять расчетные сопротивления грунтов основания сжатию.
Для оценки способности оснований деформироваться под нагрузками и определения
осадок фундаментов необходимо знать характеристики сжимаемости грунтов.
Фундамент - несущая конструкция, часть здания, которая воспринимает все
нагрузки от вышележащих конструкций и передает его на основание.
Сооружение и основание составляют единую систему. Свойства грунтов
основания, их поведение под нагрузками от сооружения во многом определяют
прочность, устойчивость и нормальную эксплуатацию сооружения. Поэтому
инженер-строитель должен хорошо понимать, что представляют собой грунты, каковы
их особенности по сравнению с конструкционными материалами (бетон, железобетон,
металл, кирпич и т.п.), каким образом залегают грунты в основании сооружения,
что определяет свойства грунтов и грунтовых оснований, их поведение под
нагрузками и другими воздействиями.
Цель курсовой работы: закрепление теоретических знаний по дисциплине,
овладение методикой проектирования и расчета основных строительных конструкций
подземной части зданий (сооружений), получение навыков самостоятельного
использования справочной литературой, строительными нормами и правилами.
1.
Исходные данные. Оценка инженерно-геологических условий площадки
.1 Назначение и конструктивные особенности подземной части здания
Исходными данными для моей курсовой работы является административное
здание. Конструктивная схема здания - с неполным каркасом. Высота здания 35 м,
размеры в плане 36м х 27м.
Нагрузки и воздействия на основание определяются суммированием усилий,
действующих в сечении по обрезу фундамента, и соответствующих усилий,
возникающих от собственного веса фундамента, веса грунтов на уступах
фундамента.
.2 Характеристика площадки, инженерно-геологические и гидрологические
условия
Оценка инженерно-геологических условий начинается с анализа напластования
грунтов (наименование грунтов, условие залегания, мощность, наличие и глубина
залегания подземных вод). В соответствии с исходными данными, приведенными в
задании, строится геологический разрез. В осях Б-Г здание не имеет подвала,
однако в осях А-Б имеется подвал с отметкой пола - -3,000 м.
Отметка 0,000 соответствует отметке 127,200 м на местности. Нормативная
глубина промерзания грунта в районе строительства объекта 0,95 м. Грунтовые
воды залегают на отметке 114,900 м.
Площадка района строительства сложена следующими грунтами:
-й слой - почвенный: мощность 0,2 м.
-й слой суглинок: мощность 5,0 м, плотность 1,95 г/см3,
плотность частиц 2,69 г/см3, влажность 0,29, предел текучести 35%,
предел пластичности 21%.
-й слой - глина: мощность 5,0 м, плотность 1,92г/см3,
плотность частиц 2,73 г/см3, влажность 0,32, предел текучести 47%,
предел пластичности 27%.
-й слой - супесь: мощность 3,0 м, плотность 1,98г/см3,
плотность частиц 2,70 г/см3, влажность 0,27, предел текучести 22%,
предел пластичности 16%.
-й слой - песок мелкий: мощность 4,0 м, плотность 1,91 г/см3,
плотность частиц 2,66 г/см3, влажность 0,27, предел текучести 0,
предел пластичности 0.
-й слой - суглинок: мощность 3,0 м, плотность 2,04 г/см3,
плотность частиц 2,73 г/см3, влажность 0,38, предел текучести 53%,
предел пластичности 30%.
.3 Строительная характеристика грунтов площадки
Для определения несущей способности грунтов необходимо пользуясь
заданными характеристиками физических свойств грунтов вычислить:
для песчаных грунтов - коэффициент пористости и степень влажности;
для пылевато-глинистых грунтов - число пластичности, показатель
текучести, коэффициент пористости и степень влажности.
Слой 1. Почвенный слой.
Слой 2. Суглинок.
Коэффициент пористости (отношение объема пор к объему частиц грунта)
определяется по формуле:
;
где rS - плотность частиц грунта; r - плотность грунта; W - природная влажность.
.
Степень влажности грунта вычисляется по формуле:
,
где rW - плотность воды; принимается равной
1 г/см3.:
Тип пылевато-глинистых грунтов устанавливается по числу пластичности,
определяемому по формуле:
IP = WL - WP;
где WL - влажность на границе текучести, %;
WP - влажность на границе раскатывания,
%.
По числу пластичности пылевато-глинистые грунты подразделяются на
следующие типы:
· 1 £IP£ 7 - супесь;
· 7 <IP£ 17 - суглинок;
· IP> 17 - глина.
IP = 35-21=14;
Данный грунт является суглинком.
Показатель текучести пылевато-глинистых грунтов определяется по формуле:
;
,
По показателям текучести данный пылевато-глинистый грунт является
мягкопластичным, т.к. 0,50<IL£0,75.
Необходимо выяснить, не относятся ли пылевато-глинистые грунты площадки к
просадочным или набухающим. Для этой цели можно ограничиться приближенной
оценкой просадочности и набухаемости грунтов. К просадочным относятся глинистые
грунты со степенью влажности Sr £ 0,8, для которых величина показателя Iss меньше значений:
· 0,1 при 1 £IP< 10;
· 0,17 при 10£IP< 14;
· 0,24 при 14£IP< 22.
К набухающим от замачивания водой относятся грунты, для которых значение Iss<<0,3. Если грунты являются
набухающими, то при проектировании объектов необходимо предусматривать
определенные мероприятия по устранению набухающих и просадочных свойств этого
грунта.
Вычислим Iss:
1.
2.
<0,3,
Исходя из расчетов суглинок не набухающий.
Слой 3. Глина.
Коэффициент пористости (отношение объема пор к объему частиц грунта):
Степень влажности грунта:
Число пластичности определяется по формуле:
IP = WL - WP = 47-27=20;
Следовательно грунт является глиной.
Показатель текучести пылевато-глинистых грунтов определяется по формуле:
;
,
По показателям текучести данный пылевато-глинистый грунт является
полутвердым, т.к. 0 £ IL £ 0.25
Коэффициент пористости, соответствующий влажности на границе текучести WL
определяем по формуле:
Далее определим показатель
<0,3,
следовательно, глина не набухающая и не просадочная.
Слой 4. Супесь
Коэффициент пористости (отношение объема пор к объему частиц грунта):
Степень влажности грунта:
Число пластичности определяется по формуле:
IP = WL - WP = 22-16=6;
Следовательно грунт является супесью.
Показатель текучести пылевато-глинистых грунтов определяется по формуле:
;
,
По показателям текучести данный пылевато-глинистый грунт является
текучим.
Коэффициент пористости, соответствующий влажности на границе текучести WL
определяем по формуле:
Далее определим показатель
<0,3,
следовательно, супесь не просадочная и не набухающая.
Слой 5. Песок мелкий.
Коэффициент пористости (отношение объема пор к объему частиц грунта):
Вид песчаного грунта по коэффициенту пористости - рыхлый.
Степень влажности грунта:
По степени влажности) песчаный грунт насыщен водой, так как 0,8 <Sr£ 1,0.
Слой 6. Суглинок.
Коэффициент пористости (отношение объема пор к объему частиц грунта):
Степень влажности грунта:
Число пластичности определяется по формуле:
IP = WL - WP = 53-30=23;
Следовательно грунт является суглинком.
Показатель текучести пылевато-глинистых грунтов определяется по формуле:
;
,
По показателям текучести данный пылевато-глинистый грунт является
тугопластичным.
Коэффициент пористости, соответствующий влажности на границе текучести WL
определяем по формуле:
следовательно, суглинок не набухающий и не просадочный.
.4 Оценка строительных свойств грунтов
По значениям характеристик физических свойств грунтов, определяющих их
тип и разновидность, выписываются значения угла внутреннего трения j, удельного сцепления с, модуля
деформации Е и расчетного сопротивления грунта R0 .
По характеристикам механических свойств грунтов (φ, с, Е) и значению расчетного
сопротивления R можно судить о несущей способности,
деформируемости грунта и возможности использования его в качестве основания
фундамента. Явными для этой цели служат модуль деформации Е и расчетное
сопротивление R. Грунты принято считать
малосжимаемыми (а следовательно, хорошими как основания сооружений), если
модуль деформации Е ≥ 20 МПа; среднесжимаемыми- при 20 > Е ≥ 5
МПа; сильно-сжимаемыми, если Е < 5 МПа. Опирать фундаменты на
сильносжимаемые грунты, (к которым относятся пески рыхлые, пылевато-глинистые,
грунты с показателем текучести, превышающем 0,75) небезопасно, и использовать
эти грунты в качестве оснований капитальных зданий, нормативными документами не
допускается.
В целях наглядного представления о строительных свойствах грунтов
площадки и классификационные показатели следует свести в таблицу 1.1.
Таблица 1.1 - Характеристики физико-механических свойств грунтов
строительной площадки.
|
№ слоя
|
Из приложения к заданию
|
Характеристики вычисляемые
|
Наименование грунта по СТБ 943-93
|
Из таблиц СНБ 5.01.01-99
|
|
Плотность частиц 𝓹s, г/см3
|
Плотность 𝓹, г/см3
|
Влажность в долях единицы W, %
|
Предел текучести WL, %
|
Граница раскатывания WP, %
|
Число пластичности IP, %
|
Показатель текучести IL, %
|
Коэффициент пористости e
|
Степень влажности SR
|
|
Угол внутреннего трения φ, град
|
Удельное сцепление c, кПа
|
Модуль деформации E, МПа
|
Расчетное сопротивление R0, кПа
|
|
1
|
-
|
-
|
-
|
-
|
-
|
-
|
-
|
-
|
-
|
Почвенный слой
|
-
|
-
|
-
|
|
|
2
|
2,69
|
1,95
|
0,26
|
35
|
21
|
14
|
0,57
|
0,78
|
1
|
Суглинок мягко-пластичный, непросадочный, ненабухающий
|
17,5
|
17
|
11,5
|
225
|
|
3
|
2,73
|
1,92
|
0,32
|
47
|
27
|
20
|
0,25
|
0,88
|
0,99
|
Глина полутвердая, непросадочная, ненабухающая
|
17,5
|
46
|
17,5
|
600
|
|
4
|
2,70
|
1,98
|
0,27
|
22
|
16
|
6
|
1,80
|
0,73
|
0,99
|
Супесь текучая, непросадочная, ненабухающая
|
24
|
13
|
9
|
200
|
|
5
|
2,66
|
1,91
|
0,26
|
0
|
0
|
-
|
-
|
0,77
|
0,93
|
Песок мелкий, рыхлый, насыщенный водой.
|
28
|
2
|
18
|
200
|
|
6
|
2,73
|
2,04
|
0,38
|
53
|
30
|
23
|
0,35
|
0.85
|
1.0
|
Суглинок тугопластичный непросадочный, ненабухающий
|
18
|
9
|
11
|
211
|
Все слои строительной площадки являются несущими, а следовательно
фундамент можно заложить во 2 - 6 слое, исходя из экономических и технических
соображений.
2. Фундаменты мелкого заложения
.1 Нагрузки, учитываемые в расчетах оснований фундаментов
В соответствии с СНБ 5.01.01-99 основания фундаментов, сложенных
нескальными грунтами, рассчитываются по предельному состоянию второй группы,
т.е. по деформациям. В случаях, если на основание передаются значительные
горизонтальные нагрузки (подпорные стены, фундаменты распорных конструкций и
т.п.), если сооружение расположено на откосе или крутопадающем склоне, если
основание сложено слабыми медленно уплотняющимися пылевато-глинистыми
водонасыщенными и биогенными грунтами, если основание сложено скальными
грунтами, основания рассчитываются также по предельному состоянию первой
группы, т.е. по несущей способности.
В курсовой работе нормативные значения нагрузок и воздействий в плоскости
обреза фундамента заданы и приведены в задании на курсовое проектирование.
В зависимости от конструктивного решения надфундаментной части сооружения
и характера передачи нагрузки на фундамент в курсовой работе могут быть
рассмотрены следующие типы фундаментов мелкого заложения - ленточные, под стены
зданий;
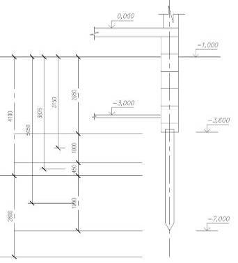
Для детальной разработки принимаются два фундамента:
Ф-4 - с нагрузкой N=2850
кH, М=100кНм, Q=57 кН под колонну (монолитный железобетонный фундамент
стаканного типа).
Ф-1 -центрально нагруженный, с нагрузкой N=420 кH, под
наружную несущую кирпичную стену (сборный железобетонный фундамент ленточного
типа).
Подвальное помещение присутствует для фундамента Ф-1.
2.2 Выбор типа и конструкции фундамента. Назначение глубины заложения
фундаментов. Устройство гидроизоляций
Глубина заложения фундамента зависит от многих факторов. Определяющими из
них являются:
а) инженерно-геологические и гидрогеологические условия площадки, и
положение несущего слоя грунта;
б) глубина промерзания грунта;
в) конструктивные особенности подземной части здания (наличие подвала,
коммуникаций, примыкание к соседнему зданию и т.д.).
Глубина заложения фундаментов наружных стен и колонн df назначается в зависимости от
расчетной глубины сезонного промерзания грунтов df, м, определяемой по формуле:
df = kn dfn
где kn -
коэффициент влияния теплового режима сооружения на промерзание грунта у
фундамента, принимаемый:
для сооружений с подвальными помещениями при t=15C0 , kn =0,6;
dfn - нормативная глубина сезонного
промерзания грунтов, указанная в задании на курсовое проектирование, равная 1,0
м.
При выборе типа и глубины заложения фундаментов придерживаются следующих
общих правил: минимальная глубина заложения фундаментов принимается не менее
0,5м от спланированной поверхности территории; глубина заложения фундамента в
несущий слой грунта должна быть не менее 0,5-1,0 м;
Определяем расчетную глубину сезонного промерзания грунтов df, м:
df = 0,6×1,0=0,6;
Основанием для фундамента является суглинок, поэтому глубину заложения
фундаментов можно назначать не менее расчетной глубины промерзания от
спланированной отметки земли, т.е. не менее 0,6 м.
По результатам инженерно-геологических изысканий, видно, что верхний слой
грунта (суглинок мягкопластичный) толщиной 3,0 м может быть основанием для
фундаментов, следовательно фундаменты необходимо заглубить в слой минимум на
1,0 м (СНБ 5.01.01.99). Глубина заложения фундамента - расстояние от
поверхности планировки до подошвы фундамента, следовательно, глубина заложения
фундамента с учетом конструктивных особенностей здания Ф4 - 1,65 м. Глубину
заложения сборного фундамента ленточного типа Ф1 назначаем равной 2,4 м.
Гидроизоляция устраивается для обеспечения водонепроницаемости конструкций и
повышения срока их службы при воздействии небольшого гидростатического напора
или в случае капиллярного увлажнения грунтов.
Трем видам воды в грунтах, действующих на конструкцию - под давлением,
без давления и капиллярному, - соответствуют три типа гидроизоляции: 1)
противонапорная; 2) для защиты от поверхностных и филътрационных вод; 3) для
защиты от капиллярной влаги.
Существуют следующие типы гидроизоляции: наружная противонапорная,
внутренняя противонапорная, гидроизоляция водосборника, гидроизоляция от
безнапорных поверхностных или фильтрационных вод, гидроизоляция для защиты от
капиллярной влаги. Наружная противонапорная изоляция является более экономичным
видом защиты от грунтовых вод, чем внутренняя, и обычно устраивается при
строительстве новых зданий
Обязательной является рулонная (двухслойная) или цементная (раствор состава
1:2 толщиной 20-30 мм) горизонтальная гидроизоляция, прорезающая на отметке на
15-20 см выше отмостки стену здания и переходящая в гидроизоляцию пола.
Защита подвальных стен от проникновения капиллярной - подмывающейся по
порам строительных материалов и просачивающейся сквозь фундамент грунтовой
влаги достигается устройством:
· обмазочной гидроизоляции вертикальных поверхностей,
соприкасающихся с грунтом стен подвала;
· горизонтальной гидроизоляции в виде включения прослойки
жирного цементного раствора в состав подстилающего слоя пола подвала;
· прифундаментного дренажа, ограничивающего уровень грунтовых
вод во время их сезонного подъёма на отметке 0,5 ниже пола подвала.
.3 Определение размеров подошвы фундамента
Размеры подошвы фундамента зависят от ряда связанных между собой
параметров и устанавливаются путем последовательного приближения.
В порядке первого приближения площадь подошвы фундамента А, определяется
по формуле:
,
где NOII- расчетная нагрузка в плоскости
обреза фундамента для расчета оснований по предельному состоянию второй группы,
кН;
RO - расчетное сопротивление грунта, залегающего под подошвой фундамента,
принимается по приложениям 8 - 10;
gm
- осредненное значение удельного веса материала фундамента и грунта на его
уступах, принимается равным 20 кН/м3;
d -
глубина заложения фундамента от уровня планировки.
Для Ф4:
Принимаем монолитный фундамент с размерами: I ступень 2,7х1,8х0,3; II ступень 2,1х1,8х0,3, подколонник 1.2х1.2х0.9.
Рис. 2.1 - Расчетная схема Ф4
После того, как выбран тип фундамента и назначены его размеры,
подсчитываются нагрузки и воздействия, передающиеся на основание. Нагрузки и
воздействия на основание определяются суммированием усилий, действующих в
плоскости обреза фундамента (NOII,) и соответствующих усилий, возникающих от собственного веса
фундамента, веса грунта на уступах фундамента, веса стеновых.
Найдем нормальную вертикальную нагрузку по формуле:
NII = NOII + Gф + Gгр=2850+89 +86=3025 кН;
где NOII - вертикальная нормальная нагрузка в
плоскости обреза фундамента(NOII =2850 кН); Gф - расчетная нагрузка от веса
фундамента; GГР - расчетная нагрузка от веса грунта
на консоли подушки.
Расчетная нагрузка от веса фундамента:
Расчетная нагрузка от веса грунта на уступах
фундамента:
Для Ф1:
Рис. 2.2
Расчетная длина фундамента равна 1м. Принимаем фундамент ФЛ 60.12 с
размерами 600 × 1180 × 300 мм.
а) нормальная вертикальная нагрузка:
NII = NOII + GфII + GгрII =420+ 24 × (0,8 × 0,3 + 3 × 0,6×0,6×1+ 0,6×0,3×1) = 456кН;
Боковое давление грунта на стены подвала определяется с учётом временной
нагрузки на поверхности планировки интенсивностью 10 кН/м2. Действие
временной нагрузки заменяется эквивалентным весом грунта засыпки пазух
фундамента приведённой толщиной:
hпр=q/γ’ΙΙ =10/16=0,6м,
где γ’ΙΙ =16 кН/м3 - удельный вес
грунта засыпки.
При этом боковое давление грунта на отметке планировки:
G’б =
γ’ΙΙ hпр ·tg2(45 - φ/2),
G’б =16·0,6·tg2(45-19/2)= 4,88кH
на отметке подошвы фундамента:
Gб= γ’ΙΙ ·(d+ hпр) ·tg2(45-φ/2),
Gб=16(2,4+0,6) ·tg2(45-φ/2)=24,4 кН,
где d = 2.4 м- глубина заложения
фундамента;
φ =19 - осреднённое значение сдвига
грунта засыпки, зависящего от угла внутреннего трения и удельного сцепления.
Равнодействующая бокового давления грунта засыпки на стену подвала:
Точка приложения равнодействующей силы:
м.
Расчётное значение момента в сечении на отметке подошвы фундамента может
быть принято равным
1=14,64 кН·м.
GфΙΙ = hбл.всех·bбл·lбл·24+bпл·hпл·lпл·24=36 МПа,
lбл, lпл - соответственно длина блока стены и фундаментной плиты, м.
GгрΙΙ =lпл/2· hбл.всех·20=4,2 МПа
NΙΙ = 265+36+4,2=305,2 кН
б) момент в плоскости подошвы фундамента
MΙΙ = MoΙΙ - GгрΙΙe1+ MeΙΙ ,
где MoΙΙ - момент в плоскости обреза фундамента,
кН·м;
MeΙΙ - моментное усилие от активного
давления грунта, кН·м.
e1=0,355.
MΙΙ =-4,2·0,355+14,64=13,149 кН·м
2.4 Проверка напряжений в основании и уточнение размеров подошвы
фундамента
Принятые в первом приближении размеры подошвы фундамента по уточняются
исходя из требований СНБ, выражаемых неравенствами:
где р - среднее давление под подошвой фундамента, кПа;
р = NII / A;
pmax и pmin - соответственно максимальное и минимальное значения
краевого давления по подошве внецентренно нагруженного фундамента, определяемые
по формуле внецентренного сжатия
W -
момент сопротивления подошвы фундамента; W=(b2*l)/6;
R -
расчетное сопротивление грунта основания, кПа, определяемое по формуле:
где gC1 , gC2 -
коэффициенты условий работы, gC1 =1,1 gC2 =1;
k -
коэффициент, принимаемый равным единице, если прочностные характеристики грунта
j и с определены непосредственными
испытаниями (для нашего случая), и 1,1 - если они приняты по таблицам;
Mg , Mq, Mc - коэффициенты, принимаемые по
приложению
b -
ширина подошвы фундамента (для прямоугольной подошвы фундамента - ее меньшая
сторона), м;
kz - коэффициент, принимаемый равным: при b < 10 м kz = 1; при b ³ 10 к = ZO / b + 0,2 (здесь ZO = 8 м);
gII - то же для грунтов, залегающих ниже
подошвы фундамента, кН/м3;
cII - расчетное значение удельного сцепления грунта, залегающего
непосредственно под подошвой фундамента, кПа;
d1 - глубина заложения фундамента
бесподвальных сооружений или приведенная глубина заложения наружных и внутренних
фундаментов от пола подвала;
db - глубина подвала - расстояние от уровня планировки до пола подвала.
Удельный вес грунта g, кН/м3, определяется по формуле:
g = r g = 10 r;
где r -
плотность грунта, т/м3;
g -
ускорение силы тяжести, равное 9,81 м/с2 » 10 м/с2.
При наличии подземных вод удельные веса gIII и gII определяются с учетом взвешивающего
действия воды (для слоев грунта, находящихся ниже зеркала подземных вод). Для
такого случая удельный вес грунта определяется по формуле:
Для Ф4:
g2=1,95×9,8=19,5 кН/м3;
g3=1,97×9,8=19,7 кН/м3;
кН/м3
g4=1,99×9,8=19,9 кН/м3;
g5=1,91×9,8=19,1кН/м3;
g6=2,02×9,8=20,2 кН/м3;
Осредненное значение удельного веса грунтов, залегающих выше подошвы
фундамента:
кН/м3.
Осредненное значение удельного веса грунтов, залегающих ниже подошвы
фундамента:
Найдем расчетное сопротивление грунта:
= 1,1 kz = 1,0 СII = 17 кПа M
= 2,66
= 1,0 b =
1,8 м gIII = 19,5 кН/м3 Mg = 9,64
k = 1 d = 1,65 м gII = 19,43 кН/м3 Mc = 12,24 ;
=0, так как повал в данном сечении отсутствует.
=
Должно соблюдаться условие:
Среднее давление под подошвой фундамента:
Условие соблюдается.
Так же должно соблюдаться условие:
Значение не превышает 10 %, что означает, что фундамент выбран
экономично.
Условие соблюдается.
Для Ф1:
g2=1,95×9,8=19,11 кН/м3;
g3=1,97×9,8=19,7 кН/м3;
кН/м3
g4=1,99×9,8=19,9 кН/м3;
g5=1,91×9,8=19,1кН/м3;
g6=2,02×9,8=20,2 кН/м3;
Осредненное значение удельного веса грунтов, залегающих выше подошвы
фундамента:
кН/м3.
Осредненное значение удельного веса грунтов, залегающих ниже подошвы
фундамента:
Найдем расчетное сопротивление грунта:
= 1,1 kz = 1,0 СII = 17 кПа M
= 2,66
= 1,0 b =
0,8 м gIII = 19,5 кН/м3 Mg = 9,64
k = 1 d = 1,65 м gII = 19,41 кН/м3 Mc = 12,24 ;
=2м - расстояние от уровня планировки земли до пола подвала.
=
Должно соблюдаться условие:
Среднее давление под подошвой фундамента:
Условие соблюдается.
Так же должно соблюдаться условие:
Значение превышает 10%, это означает, что размеры подошвы фундамента
получены с излишнем запасом, но при принятии фундаментной подушки шириной 0.6м
при перерасчете не соблюдается условие
, поэтому окончательно принимаем
ширину фундаментной подушки 0.8м.
.5 Расчет осадки фундамента
Сущность расчета осадки фундамента заключается в удовлетворении условию: S£SU
где: S - совместная деформация основания и
сооружения, определяемая расчетом;
SU - предельное допустимое значение деформации основания, определяемое по
таблице Б.1 СНБ 5.01.01-99.
Расчет осадки фундамента Ф-4
Удельный вес грунтов:
g2=1,95×9,8=19,5 кН/м3;
g3=1,97×9,8=19,7 кН/м3;
кН/м3
g4=1,99×9,8=19,9 кН/м3;
g5=1,91×9,8=19,1кН/м3;
g6=2,02×9,8=20,2 кН/м3;
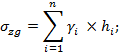
Находим ординаты эпюры вертикальных напряжений от действия собственного
веса грунта и вспомогательной эпюры 0,2
zg:
0,2×sZq=0,2×144,25=29
кПа,
Найдем дополнительное вертикальное напряжение:
Рассчитанные данные сводятся в таблицу 2.1.
Таблица 2.1 - Расчет осадок фундамента Ф-4
|
Наименование слоя грунта
|
Номер слоя
|
z, м
|
zq,кПа
|
ξ=2z/b
|
α
|
zр, кПа
|
δzpi,
кПа
|
Ei,
МПа
|
Sb, см
|
|
Суглинок
|
0
|
0,0
|
32,2
|
0,0
|
1,000
|
589,8
|
|
11,5
|
|
|
|
|
|
|
|
|
545
|
|
2,27
|
|
1
|
0,6
|
72,44
|
0,8
|
0,848
|
500,2
|
|
|
|
|
|
|
|
|
|
|
451,2
|
|
1,88
|
|
2
|
1,2
|
84,68
|
1,6
|
0,682
|
402,2
|
|
|
|
|
|
|
|
|
|
|
342,1
|
|
1,43
|
|
3
|
1,8
|
96,92
|
2,4
|
0,478
|
281,9
|
|
|
|
|
|
|
|
|
|
|
236,8
|
|
0,99
|
|
4
|
2,4
|
109,16
|
3,2
|
0,325
|
191,7
|
|
|
|
|
|
|
|
|
|
|
163,7
|
|
0,4
|
|
Глина
|
5
|
3,0
|
121,4
|
4
|
0,230
|
135,7
|
|
19,5
|
|
|
|
|
|
|
|
|
119,2
|
|
0,21
|
|
6
|
3,6
|
133,2
|
4,8
|
0,173
|
102
|
|
|
|
|
|
|
|
|
|
|
99,1
|
|
0,15
|
|
7
|
3,7
|
135,2
|
4,9
|
0,168
|
98,3
|
|
|
|
|
|
|
|
|
|
|
96,5
|
|
0,14
|
|
8
|
4,3
|
138,74
|
5,1
|
0,153
|
90,2
|
|
|
|
|
|
|
|
|
|
|
66,1
|
|
0,13
|
|
9
|
4,9
|
144,25
|
5,9
|
0,071
|
41,9
|
|
|
|
|
|
|
|
|
|
|
41,3
|
|
0,10
|
|
10
|
5,5
|
149,8
|
6,1
|
0,069
|
40,7
|
|
|
|
|
|
|
|
|
|
|
36,6
|
|
0,09
|
|
11
|
6,1
|
155,3
|
6,8
|
0,055
|
32,4
|
|
|
|
Si=7,39 см
Осадка фундамента составляет менее 8см, что допустимо согласно нормам.
Рис.2.3 -Эпюры напряжений Ф-4
Расчет осадки фундамента Ф-1
Удельный вес грунтов:
g2=1,95×9,8=19,5 кН/м3;
g3=1,97×9,8=19,7 кН/м3;
кН/м3
g4=1,99×9,8=19,9 кН/м3;
g5=1,91×9,8=19,1кН/м3;
g6=2,02×9,8=20,2 кН/м3;
Находим ординаты эпюры вертикальных напряжений от действия собственного
веса грунта и вспомогательной эпюры 0,2
zg:
0,2×sZq0=0,2×157,4=31,5кПа,
Найдем дополнительное вертикальное напряжение:
Рассчитанные данные сводятся в таблицу 2.2.
Таблица 2.2 - Расчет осадок фундамента Ф-1
|
Наименование слоя грунта
|
Номер слоя
|
z, м
|
zq, кПа
|
ξ=2z/b
|
α
|
zр, кПа
|
δzpi, кПа
|
Ei,
МПа
|
Sb, см
|
|
Cуглинок
|
0
|
0,0
|
46,8
|
0,0
|
1,000
|
523,2
|
|
11,5
|
|
|
|
|
|
|
|
|
485,3
|
|
0,354
|
|
1
|
0,24
|
62,6
|
0,8
|
0,855
|
447,3
|
|
|
|
|
|
|
|
|
|
|
372
|
|
0,278
|
|
2
|
0,48
|
81,5
|
1,6
|
0,567
|
296,7
|
|
|
|
|
|
|
|
|
|
|
243,3
|
|
0,265
|
|
3
|
0,72
|
104,8
|
2,4
|
0,363
|
189,9
|
|
|
|
|
|
|
|
|
|
|
158,3
|
|
0,211
|
|
4
|
0,96
|
119,3
|
3,2
|
0,242
|
126,6
|
|
|
|
|
|
|
|
|
|
|
107,5
|
|
0,157
|
|
5
|
1,20
|
138,2
|
4,0
|
0,169
|
88,4
|
|
|
|
|
|
|
|
|
|
|
77,4
|
|
0,098
|
|
6
|
1,40
|
141,4
|
4,7
|
0,127
|
66,4
|
|
|
|
|
|
|
|
|
|
|
58,1
|
|
0,061
|
|
Глина
|
7
|
2,10
|
155,2
|
5,5
|
0,095
|
49,7
|
|
19,5
|
|
|
|
|
|
|
|
|
44,2
|
|
0,026
|
|
8
|
2,34
|
157,4
|
6,3
|
0,074
|
38, 7
|
|
|
|
|
|
|
|
|
|
|
|
|
Si=0,902 см
|
Рис.2.4 -Эпюры напряжений Ф-1
3.
Свайные фундаменты
.1 Выбор типа и конструкции свай и свайного фундамента. Назначение
глубины заложения ростверка
Свайные фундаменты следует подразделять на фундаменты с высоким и низким
ростверком; на сваи-стойки и сваи трения; на жесткие и гибкие.
Прежде всего, необходимо выбрать тип сваи, назначить ее длину и размеры
поперечного сечения. Длину сваи назначают такой, чтобы ее острие было
заглублено в плотный слой грунта:
в мелкие пески и супеси - не менее чем на 2,0 м;
в пески ср. крупности, твердые глины и суглинки - не менее чем на 1,0 м;
в крупные и гравелистые пески и галечники - не менее чем на 0,5 м.
Полная длина сваи определяется как сумма:
l = l1 + l2 + l3 ,
где l1 - глубина заделки сваи в ростверк, которая
принимается для свайных фундаментов с вертикальной нагрузкой не менее 5 см, для
свайных фундаментов, работающих на горизонтальную нагрузку - не менее
наибольшего размера поперечного сечения сваи;
l2 - расстояние от подошвы ростверка до
кровли несущего слоя;
l3 - заглубление в несущий слой.
Рекомендуется применять железобетонные сваи квадратного сечения размером
250 х 250, 300 х 300 или 350 х 350 мм.
Для Ф - 4 и Ф -1:
Глубина заложения ростверка назначается в зависимости от:
· наличия подвалов и подземных коммуникаций;
· геологических и гидрогеологических условий площадки
строительства (виды грунтов, их состояние, положение подземных вод и т.д.);
· глубины заложения фундаментов примыкающих зданий и
сооружений;
· возможности пучения грунтов при промерзании.
Выбираем тип сваи. В данных грунтовых условиях свая будет работать как
висячая. Для «заделки» конца сваи наиболее надёжным является глина полутвердая,
непросадочная, ненабухающая. Согласно указаниям свая должна быть заглублена в
этот грунт не менее чем на 1,0м. Предусматриваем заделку головы сваи на 0,1м. В
результате длина сваи:
l
=0,1+2,45+1,0=3,5 м.
Принимаем сваю С3,5-30 длиной l=3,5 м, сечением 0,3×0,3м., класса бетона С20/25.
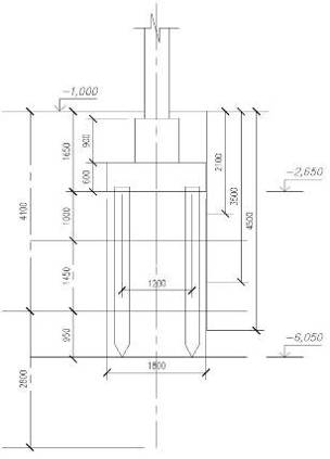
Рис. 3.1 - Расчетная схема Ф-4
Рис. 3.2 Расчетная схема Ф-1
.2 Определение несущей способности сваи и расчетной нагрузки, допускаемой
на сваю по грунту основания и прочности материала сваи
Несущая способность висячей сваи определяется по формуле:
где gc
- коэффициент условий работы сваи в грунте, принимаемый для всех типов свай gc = 1, кроме случая опирания
буронабивных свай на покровные глинистые грунты со степенью влажности Sr < 0,85 и на лессовидные грунты,
когда gc
= 0,8;
R -
расчетное сопротивление грунта под нижним концом сваи R=6200МПа
u -
наружный периметр поперечного сечения сваи, м;
fi - расчетное сопротивление i-го
слоя грунта мощностью hi по боковой поверхности сваи; gcR и gcf - коэффициенты условий работы грунта
под острием и по боковой поверхности, принимаемые для забивных свай равными
единице.
Действующие нагрузки и воздействия в плоскости обреза фундамента с учётом
крановых и ветровых нагрузок:
а) для расчёта по несущей способности:
Ф4 - NOI=2850×1,2=3420 кН.
Ф1 - NOI=420×1,2=504кН.
Расчетное сопротивление грунта на боковой поверхности сваи согласно
приложению имеем: Для Ф4:
Площадь нижнего конца сваи: А=0,3×0,3=0,09м2.
Наружный периметр поперечного сечения сваи: u =4×0,3=1,2 м.
при Z1 =2,1м f1=42,1кПа; (суглинок)
при Z2 =3, 5м f2=50,2кПа; (суглинок )
при Z3 =4,5м f3=54,5кПа; (глина)
Несущая способность висячей сваи:
Fd =1,0[1,0×6200×0,09+1,2 (42,1×1,0+50,2×1,45+54,5×0,95)] =758 кН
Расчет свайных фундаментов и свай по несущей способности грунтов
производится исходя из условия:
N £ Fd / gk = P
где N - расчетная нагрузка, передаваемая
на сваю от внешних нагрузок (при невыгодном их сочетании)
gk - коэффициент надежности, принимаемый равным 1,4.
Р - расчетная нагрузка, допускаемая на сваю.
Подставив значения, получим расчётную нагрузку, допускаемую на сваю:
Р= Fd/
=758/1,4=541,4кН
Для Ф1:
R=6900
кПа
A=0,09
м2; u =1,2м.
при Z1 =3,15м f1=48,2кПа; (суглинок)
при Z2 =3,875м f2=52,4кПа;
(суглинок)
при Z3 =5,05м f3=56,1кПа; (глина)
Несущая способность висячей сваи:
Fd =1,0·[1,0×6900×0,09+1,2 (48,2×1,0+52,4×0,45+56,1×1,9]) =835 кН
Расчетная нагрузка, допускаемая на сваю:
Р= Fd/
=835/1,4=596,4кН
.3 Определение количества свай в фундаменте. Поверка фактической
нагрузки, передаваемой на сваю
Количество свай в свайном фундаменте рассчитывается по предельному
состоянию первой группы. Для этого расчетные нагрузки и воздействия можно
определить путем умножения нормативных усилий на нормативный коэффициент
надежности, принимаемый равным 1,2.
При определении размеров ростверка расстояние между сваями принимается
равным минимальному - 3d, где
d - размер поперечного сечения сваи.
Расстояние от края ростверка до наружной грани сваи принимается не менее 0,15
м.
Для Ф4:
Данные для расчета по несущей способности N = 3420кН. Для расчета по деформациям N1 = 2850 кН.
Расчётная нагрузка, допускаемая на сваю: Р =758/1,4=541,4кПа
Определяем вес ростверка и грунта на его ступенях.
Среднее давление по ростверком равно:
Рр=Р/3d2=541,4/(3*0,3)2=668,4кПа
Площадь подошвы ростверка:
Ар=No1/( Рр-γm*dp)=3420
/668,4-20*1,65=5,4м2
p - глубина заложения ростверка;
No1 -
расчётная нагрузка в плоскости обреза фундамента,
Вес ростверка и грунта на его
ступенях:
Gp,гр=1,1*Ар*
γm*
dp=1,1*5,4*20*1,65=196кН
Определяем число свай в
кусте:
n= No1+ Gp,гр /Р=3420+196/541,4=5,6
Принимаем 6свай.
Сваи располагаем в рядовом порядке с расстоянием между осями в направлении
действия момента и поперечной силы:
в направлении оси Х: 3d=3·0,3=0,9м;
в направлении оси У: 4d=3·0,3=1,2м.
Проверяем усилия в крайних рядах свай.
Конструируем ростверк и определяем его фактический вес и вес грунта на
ступенях. Размеры поперечного сечения подколонника 1,2×1,5м.
Размеры плиты ростверка в направлении оси Х:
,9+0,9+0,3+2*0,1=2,2
в направлении оси У: 1,2+0,3+2*0,1=1,7
Принимаем размеры подошвы проектируемого ростверка 2,4×1,8м. Высоту плиты принимаем равной
0,6м.
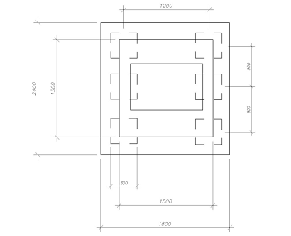
Рис. 3.3 - Ростверк и сваи: вид сверху и сбоку
Определяем вес ростверка:
Gpl=1,1(Vр+Апод.(dр-0,6))*25
Gpl=1.1(2.4*1.8*0.6+1.2*1.5(1.65-0.6))*25=105.3кН
Вес грунта на ступенях ростверка:
Gгpl=1,1(Ар*dр-( Vр+ Vпод))* g
Gгpl=1,1(2.4*1.8*1.65_(1.8*1.8*0.6+1.2*1.5*0.9))*19.5=38.5кН
g - удельный вес грунта на ступенях ростверка.
Вес ростверка и грунта:
Gр.гр=105,3+38,5=143,8кН
Момент на уровне подошвы ростверка с учётом поперечной силы:
Му=М*1,2+Q*d
Му=100*1,2+57*1,65=134,92кН·м
где М =100 кН·м момент в плоскости обреза фундамента;
Q =57
кН - нагрузка на уровне обреза фундамента.
Определяем фактическую нагрузку на сваю крайнего ряда и проверяем
выполнение условия:
Pmax,min=( No1+ Gp,гр)/n ± M·1.05/1,052
max=( 3420+ 143,8)/6+100·1.05/1,052 =629 кН<1.2P=649кН.min=( 3420+
143,8)/6-100·1.05/1,052 =499кН>0. ср=534<P=541,4кН.
Условие выполняется.
Для Ф1:
Данные для расчета по несущей способности N = 504кН. Для расчета по деформациям N1 = 420кН.
Определяем количество свай в ленточном фундаменте с расчетной длиной 1
метр:
Расчетные нагрузки и воздействия на свайные фундаменты для расчета по
первой группе предельных состояний с учетом коэффициента надежности gf = 1.2
шт.
Gф - вес фундаментной стены с
ростверком:
Gф = 24·3·0,6 = 43,2кН
Принимаем 1 сваю на 1 метр.
Расчётное расстояние между осями свай по длине стены:
а=1/n=1/0,7=1,4м.
Принимаем шаг свай равным 1,4м.
В зависимости от величины а определяется число рядов свай. Принимаем
однорядное расположение свай.
Ширину ростверка ленточного свайного фундамента определяют по формуле:
,
где с0=0,1м - расстояние от края ростверка до грани сваи.
Bp=0,3+2·0,1+(1-1)×0,5=0,5м.
Расчетная нагрузка от ростверка с учетом его высоты, равной 0,6м.
= 1,1·1·0,6·20·0,6=7,92кН
Общая расчетная нагрузка передаваемая на сваю:
Nр= Nр=N01+Gp+Gгр+Gфбс = 504+7,92+0+28,8=540,7 кН
Фактическая нагрузка, передаваемая на одну сваю
N=540,7/0,7=772кН
< P=835 кПа
Условие выполняется.
Рис. 3.4 - Ростверк и сваи: вид сверху и сбоку
.4 Расчет осадки свайного фундамента
Ф-4
Производим расчёт осадки свайного фундамента, рассматривая свайный
фундамент как условный массив АВГБ.
Боковые грани условного массива (плоскости АВ и БГ) отстоят от граней
крайних рядов свай на расстоянии:
где
- расчётные значения угла внутреннего трения пройденных
сваями слоев грунта толщиной
;- глубина погружения сваи в грунт.
откуда
Определяем размеры подошвы условного фундамента в плане и его вес (без
выделения свай и ростверка):
Среднее давление под подошвой массива:
Проверяем выполнение условия
где
- расчётное сопротивление грунта, залегающего под подошвой
условного фундамента:
Таким образом,
=430 кПа<
=2486 кПа.
Сущность расчета осадок фундамента заключается в удовлетворении условия:
где s - конечная осадка фундамента, см;u - предельная величина
деформации основания фундамента зданий и сооружений, см.
Значение конечной осадки вычисляется по методу послойного суммирования
осадок отдельных слоев в пределах сжимаемой толщи основания, для каждого из
которых устанавливается свое значение модуля деформации с учетом природного
напряженного состояния грунта рассматриваемого слоя.
Находим значения удельного веса грунтов (при наличии грунтовых вод
определяется с учетом взвешивающего действия воды):
g2=1,95×9,8=19,5 кН/м3;
g3=1,97×9,8=19,7 кН/м3;
кН/м3
g4=1,99×9,8=19,9 кН/м3;
g5=1,91×9,8=19,1кН/м3;
g6=2,02×9,8=20,2 кН/м3;
Находим ординаты эпюры вертикальных напряжений от действия собственного
веса грунта и вспомогательной эпюры 0,2
zg по формуле:
где n - число слоев грунта, от веса которых определяется напряжение;
γi - удельный вес i-го слоя грунта;i -
толщина i-го слоя.
0,2×sZq=0,2×187=37,4
кПа,
Находим дополнительное вертикальное давление:
Результаты вычислений сведем в таблицу 3.1.
Таблица 3.1 - Расчет осадок свайного фундамента Ф-4
|
Наименование слоя грунта
|
Номер слоя
|
z, м
|
zq,кПа
|
ξ=2z/b
|
α
|
zр, кПа
|
δzpi, кПа
|
Ei,
МПа
|
Sb, см
|
|
Глина
|
0
|
0,0
|
90.4
|
0,0
|
1,000
|
339,6
|
|
19,5
|
|
|
|
|
|
|
|
|
309,7
|
|
1,400
|
|
1
|
1,1
|
100.5
|
0,8
|
0,824
|
279,8
|
|
|
|
|
|
|
|
|
|
|
222,9
|
|
0,686
|
|
2
|
1,85
|
107.4
|
1,3
|
0,489
|
166,1
|
|
|
|
|
|
|
|
|
|
|
133,8
|
|
0,595
|
|
Глина
|
3
|
2,95
|
129.3
|
2,4
|
0,299
|
101,5
|
|
19.8
|
|
|
|
|
|
|
|
|
89,1
|
|
0,396
|
|
4
|
4,05
|
151.2
|
2,8
|
0,226
|
76,7
|
|
|
|
|
|
|
|
|
|
|
63,3
|
|
0,281
|
|
5
|
5,15
|
173.1
|
3,7
|
0,147
|
49,9
|
|
|
|
|
|
|
|
|
|
|
43,9
|
|
0,124
|
|
6
|
5,85
|
187
|
4,5
|
0,112
|
38
|
|
|
|
Суммируем осадку:
Si=3,482 см.
<Sn=10см.
s=3,482 см < su=10 см, следовательно основное условие
расчета по второй группе предельных состояний выполняется.
Рис. 3.4 - Эпюры напряжений Ф4
Ф-1
Производим расчёт осадки свайного фундамента, рассматривая свайный
фундамент как условный массив АВГБ.
Боковые грани условного массива (плоскости АВ и БГ) отстоят от граней
крайних рядов свай на расстоянии:
где
- расчётные значения угла внутреннего трения пройденных
сваями слоев грунта толщиной
;- глубина погружения сваи в грунт.
откуда
Определяем размеры подошвы условного фундамента в плане и его вес (без
выделения свай и ростверка):
Среднее давление под подошвой массива:
Проверяем выполнение условия
где
- расчётное сопротивление грунта, залегающего под подошвой
условного фундамента:
Таким образом,
=165 кПа<
=2698 кПа.
Сущность расчета осадок фундамента заключается в удовлетворении условия:
где s - конечная осадка фундамента, см;u - предельная величина
деформации основания фундамента зданий и сооружений, см.
Значение конечной осадки вычисляется по методу послойного суммирования
осадок отдельных слоев в пределах сжимаемой толщи основания, для каждого из
которых устанавливается свое значение модуля деформации с учетом природного
напряженного состояния грунта рассматриваемого слоя.
Находим значения удельного веса грунтов (при наличии грунтовых вод
определяется с учетом взвешивающего действия воды):
g2=1,95×9,8=19,5 кН/м3;
g3=1,97×9,8=19,7 кН/м3;
кН/м3
g4=1,99×9,8=19,9 кН/м3;
g5=1,91×9,8=19,1кН/м3;
g6=2,02×9,8=20,2 кН/м3;
Находим ординаты эпюры вертикальных напряжений от действия собственного
веса грунта и вспомогательной эпюры 0,2
zg по формуле:
где n - число слоев грунта, от веса которых определяется напряжение;
γi - удельный вес i-го слоя грунта;i -
толщина i-го слоя.
0,2×sZq=0,2×195,3=39,1
кПа,
Находим дополнительное вертикальное давление:
Результаты вычислений сведем в таблицу 3.2.
Таблица 3.2 - Расчет осадок свайного фундамента Ф-1
|
Наименование слоя грунта
|
Номер слоя
|
z, м
|
zq,кПа
|
ξ=2z/b
|
α
|
zр, кПа
|
δzpi, кПа
|
Ei,
МПа
|
Sb, см
|
|
Глина
|
0
|
0,0
|
107.4
|
0,0
|
1,000
|
57,6
|
|
19,5
|
|
|
|
|
|
|
|
|
52,6
|
|
0,194
|
|
1
|
0,9
|
115.7
|
0,8
|
0,824
|
47,5
|
|
|
|
|
|
|
|
|
|
|
37,9
|
|
0,138
|
|
Глина
|
2
|
1,8
|
133.6
|
1,6
|
0,489
|
28,2
|
|
19.8
|
|
|
|
|
|
|
|
|
22,7
|
|
0,083
|
|
3
|
2,7
|
151.5
|
2,4
|
0,299
|
17,2
|
|
|
|
|
|
|
|
|
|
|
15,1
|
|
0,055
|
|
4
|
3,6
|
169.4
|
2,8
|
0,226
|
13
|
|
|
|
|
|
|
|
|
|
|
10,8
|
|
0,039
|
|
5
|
4,5
|
187.3
|
3,7
|
0,147
|
8,5
|
|
|
|
|
|
|
|
|
|
|
7,5
|
|
0,012
|
|
6
|
4,9
|
195.3
|
4,5
|
0,112
|
6,5
|
|
|
|
Суммируем осадку:
Si=0,521 см.
<Sn=10см.
s=0,521 см < su=10 см, следовательно основное условие
расчета по второй группе предельных состояний выполняется.
Рис. 3.4 - Эпюры напряжений в основании фундамента Ф-1
свая фундамент грунт
4. Сравнение фундаментов и выбор основного варианта
.1 Подсчет объемов работ и расчет стоимости устройства фундаментов по
первому и второму вариантам
Выбор основного варианта производится путём сопоставления стоимости
устройства фундамента на естественном основании со стоимостью свайного
фундамента.
Для сравнения разработанных вариантов фундаментов необходимо выполнить
следующие работы:
1 Определить объем работ на устройство
фундамента. Объемы работ определяются аналитическим или графоаналитическим
способом с учетом геометрических размеров фундамента, вида грунта и
технологических особенностей возведения фундамента, т.е. необходимости
размещения на бровке откоса водопонизительных установок, наличия шпунтового
ограждения, устройства временных съездов в котлован и т.п.
2 Выписать расценки в условных ценах на
элементы фундамента, и определить стоимость устройства фундамента по
предлагаемой таблице.
В качестве основного варианта выбирается вид фундамента с меньшей
стоимостью, по которому и даются рекомендации по производству работ, выбору
механизмов и вычерчиваются технологические схемы.
Проведем расчет стоимости устройства фундаментов Ф4 и Ф1 (см. таблицы 6 и
7)
Рис. 4.1 - Схема Ф4

Таблица 1 Расчет стоимости устройства фундамента Ф4:
|
Фундамент мелкого заложения наименование работ и
конструктивных элементов
|
Ед-цы изм.
|
Объем работ
|
Стоимость единицы
|
Стоимость общая
|
Ссылка на СНИП
|
|
Разработка грунта в отвал экскаватором «Драглайн» с объёмом
ковша 2,5 м3 2.7* 1.8 1.75+2 (0.44 1.75 0.5)=8.51+0.77=9.28
|
1000 м3
|
9.28
|
211,62
|
42.1
|
А-1-4
|
|
Устройство песчаной подготовки 0,1 2,7 1,8=0.486
|
100 м3
|
0.486
|
42,0
|
0.204
|
А-3-5
|
|
Устройство фундаментов монолитных ж/б, отдельных (под
колонны)
|
100 м3
|
5.7
|
1005.62
|
0.44
|
Б-1-5
|
|
Водоотлив из котлованов площадью до 30м3
|
100 м3
|
7
|
427.72
|
1.64
|
А-2-1
|
|
Разработка грунта в отвал экскаватором «Драглайн» с объёмом
ковша 2,5 м3 2.7 1.8 1.75+2 (0.44 1.75 0.5)=8.51+0.77=9.28
|
1000 м3
|
9.28
|
211,62
|
42.1
|
А-1-4
|
|
Устройство песчаной подготовки 0,1 2,4 1,8=0.432
|
100 м3
|
0.432
|
42,0
|
0.181
|
А-3-5
|
|
Водоотлив из котлованов площадью до 30м3
|
100 м3
|
7
|
427.72
|
1.64
|
А-2-1
|
|
Устройство ростверка железобетонного из бетона класса
С12/15
|
1 м3
|
3.29
|
7385,73
|
2429
|
Б-3-3
|
|
Погружение железо-бетонных свай длинной до 12 метров при
помощи дизель-молота 6 (3.5 0.03 0.03)=1.89
|
100 м3
|
1.89
|
13125
|
1417
|
Б-3-1
|
Ф4 - мелкого заложения: 42,1+0.44+0.204+1,64=44.384
Свайный фундамент: 42.1+1.64+0,181+2429+1417=3889.9
Таблица 2 Расчет стоимости устройства фундамента Ф1:
|
Фундамент мелкого заложения наименование работ и
конструктивных элементов
|
Ед-цы Изм.
|
Объем работ
|
Стоимость единицы
|
Стоимость общая
|
Ссылка на СНИП
|
|
Разработка грунта в отвал экскаватором «Драглайн» с объёмом
ковша 2,5 м3 0.7 1.0 2.7+2 (0.68 2.7 0.5)=1.89+1.84=3.73
|
100 м3
|
3,73
|
211,62
|
38,11
|
А-1-4
|
|
Устройство песчаной подготовки 0,1 0,8 1,0=0.08
|
100 м3
|
0.08
|
42,0
|
0.03
|
А-3-5
|
|
Укладка блоков и плит ленточных фундаментов при глубине
котлована до 4 м, масса конструкций до 1,5 тонн
|
100 шт.
|
6
|
426,88
|
1,1
|
Б-1-2
|
|
Свайный фундамент Наименование работ и конструктивных
элементов
|
Ед-цы изм.
|
Объем работ
|
Стоимость единицы
|
Стоимость общая
|
Ссылка на СНИП
|
|
Разработка грунта в отвал экскаватором «Драглайн» с объёмом
ковша 2,5 м3 0.5 1.0 2.6+2 (0.65 2.6 0.5)=1.3+1.69=2.99
|
100 м3
|
2,99
|
211,62
|
38,11
|
А-1-4
|
|
Устройство песчаной подготовки 0,1 0,6 1,0=0.06
|
100 м3
|
0.06
|
42,0
|
0.03
|
А-3-5
|
|
Погружение железо-бетонных свай длинной до 12 метров при
помощи дизель-молота 1 (3.5 0.03 0.03)=0.315
|
1 м3
|
0,315
|
13125
|
5315,6
|
Б-3-1
|
|
Устройство ростверка железобетонного из бетона класса
С12/15 1 0.5 0.5=0.25
|
100 м3
|
0,25
|
7385,73
|
2658,9
|
Б-3-3
|
Ф1 - мелкого заложения: 38,11+0.03+1,1=39.24
Свайный фундамент: 38,11+0.03+ 5315,6+2658,9=8012,64
.2 Технико-экономическое сравнение вариантов и выбор основного
Технико-экономическое сравнение вариантов производится по следующим
показаниям:
а) экономической эффективности;
б) возможности выполнения работ в сжатые сроки;
в) возможности выполнения работ в зимнее время;
г) материалоемкости (расходу равноценных материалов);
д) величинам осадок и их неравномерностей;
е) необходимости осушения при устройстве котлованов и фундаментов.
Проанализировав расчеты стоимости устройств фундаментов на естественном
основании (мелкого заложения) и свайного фундамента, можно сделать вывод, что
более целесообразно, исходя из экономических соображений, применять фундаменты
мелкого заложения, так как стоимость сооружения фундаментов мелкого заложения
для Ф-4 и Ф-1 соответственно - 44,384 и 39,24, а стоимость свайных фундаментов
составила 3889.9 и 8012,64.
Поэтому для возведения фундамента выбираем вариант фундаментов мелкого
заложения.
.3 Рекомендации по производству работ, технике безопасности (по
выбранному варианту)
Возведение оснований и сооружений производится по проектной документации,
утвержденной в установленном порядке, проекту производства работ (ППР),
разработанному для конкретного сооружения с резолюцией заказчика, разрешающей
начало работ, с учетом норм безопасности при транспортных, грузоподъемных,
строительно-монтажных и электротехнических работах.
Контроль за исполнением требований нормативно-технических документов и
проектной документации осуществляется производителем работ.
ППР составляется на основе проектной документации и должен содержать:
состав подготовительных работ, технологические схемы организации земляных
работ, схемы движения механизмов, последовательности устройства оснований,
фундаментов и их бетонирования, требования к составу и способу приготовления
бетонной и песчано-гравийной смесей и способам их транспортировки и укладки,
методы контроля качества устройства оснований и изготовления фундаментов.
Применение железобетона для устройства фундаментов позволяет значительно
уменьшить глубину его заложения. На основании технико-экономического сравнения
вариантов устройства фундаментов, мы приняли в качестве основного фундамент
мелкого заложения ленточного типа (Ф1и Ф4).
Подготовку основания начинают с перенесения осей теодолитом
непосредственно на основание или обноску с последующей разметкой осей на месте
установки фундаментов.
Разбивка сборных железобетонных ленточных фундаментов
начинается с того, что на обноске натягивают проволоку для определения осей
здания. Затем укладывают угловые фундаментные блоки и на расстоянии 15 мм от
них маячные блоки. Между угловыми и маячными блоками по линии фундамента на
расстоянии 5 мм от его грани натягивают проволоку причалку, по которой
устанавливают промежуточные блоки. Одновременно с укладкой маячных блоков в
плане нивелируют их положение по вертикали, устанавливая нивелировочную рейку дважды
на каждом блоке на концах осевой линии. Отклонение от проектных отметок на
должны превышать ±10 мм.
К работам по монтажу ленточных фундаментов разрешается
приступать только после выполнения всех земляных работ и разбивки осей
фундаментов.
Фундаментные блоки складываются в штабеля не более чем
в четыре ряда. Общая высота штабеля должна быть не более 2,5 м. Штабели следует
располагать вне призмы обрушения, но не ближе одного метра от бровки котлована.
Расстояние между смежными штабелями должно быть не менее
2 см. В продольном направлении следует устраивать через каждые два штабеля
проходы шириной не менее 0,7 м. Поперечные проходы шириной 1 м необходимо
устраивать не реже чем через 25 м.
Отклонение проектных размеров блоков не должны
превышать по длине ±15 мм; по ширине ±15 мм, по толщине ±10 мм.
Перед укладкой блоки должны быть тщательно очищены от
грязи и наледи, подъемные петли выправлены, металлические закладные части
очищены от ржавчины.
Фундаментные блоки поднимают двух или четырехветвевым
стропом. Блок, подаваемый краном, следует остановить на высоте 0,2-0,З м над
местом установки, развернуть в необходимом направлении и плавно опустить. При
монтаже блоков следует выверять отметки верха блоков-подушек, горизонтальность
верха блока в поперечном направлении, правильность установки блоков на
основание. Горизонтальность блоков-подушек в поперечном направлении следует
проверять, уложив на блок правило с уровнем. Устраняют отклонения, заново
устанавливая блок. Правильность установки маячных блоков подушек проверяют
отвесом, рядовых блоков-подушек - по причалке и монтажному зазору между
устанавливаемым и уже установленным блоком.
После окончательной выверки положения блока производят
расстроповку. Монтажные петли после укладки 4-5 блоков срезают заподлицо с поверхностью
бетона или несколько ниже.
При монтаже ленточных фундаментов из блоков-подушек
места сопряжений продольных и поперечных стен надо заделывать бетонной смесью.
Вслед за укладкой и выверкой блоков наружные пазухи
фундаментов заполняются грунтом с тщательным его трамбованием, не допускающим
сдвига блоков, с последующей поливкой водой.
При монтаже сборных ленточных фундаментов отклонения
от проектного положения не должны превышать:
1
по отметкам
обрезов фундаментов ±10 мм;
2
по смещению осей
конструкций ±10 мм;
-отклонение поверхностей и углов фундаментов от
вертикали ±10 мм;
отклонение рядов блоков от горизонтали на ±10 мм и
длины ±10 мм;
толщина горизонтальных швов между блоками до 20 мм.
При сдаче - приёмке фундаментов производится геодезическая проверка
положения осей фундаментов в плане, отметок опорных поверхностей.
Для точной фиксации положения конструкций при их установке на каждом
фундаменте должны быть нанесены разбивочные оси. Величины отклонения осей от
проектных не должен превышать:
а) смещения относительно разбивочных осей фундаментов колонн
мм;
б) отклонение в отметках верхних опорных поверхностей фундаментов от
проектных
мм.
Основные мероприятия по охране окружающей среды, по технике безопасности
при выполнении строительно-монтажных работ предусматриваются проектом
организации строительства. В проекте организации строительства. В проекте
организации строительства предусматривается технологическая последовательность
операции и организации рабочего места.
Весь ход строительно-монтажных работ должен быть согласованным с
соответствующими органами охраны природы.
Проектные решения на строительство оснований и фундаментов не должны
допускать ухудшения геологической и природной среды в целом и, как правило,
следующих неблагоприятных последствий:
·
деградации
ландшафтов и микроклимата; исчезновения редких видов растительности, животного
мира, кормовых угодий и заповедников;
·
уничтожения малых
форм рельефа и его расчленения;
·
возникновения или
активизации опасных геологических процессов;
·
водной и ветровой
эрозии;
·
повреждения
сельскохозяйственных угодий и растительности;
·
изменения режима
сезонного промерзания толщ оснований отапливаемых зданий и сооружений;
·
иссушения усадки
(дегидратации, термоусадки) минеральных веществ пылеватых фракций в основаниях
объектов с горячими технологическими процессами;
·
изменения
соотношения между стоками поверхностных и подземных вод, непредусмотренного
затопления и подтопления земель;
·
изменения
обводненности грунтов, приводящей при понижении уровня воды к дополнительной
осадке оснований, деструкционному разуплотнению органического вещества; при
повышении уровня подземных вод в пылевато-глинистых грунтах - к размоканию и
изменению конструкции, просадке, выщелачиванию и суффозии грунта.
Выполнение строительно-монтажных работ, не предусмотренных проектным
решением и приводящих к изменению окружающей среды, по п. 11.2 СНБ не
допускается.
Устройство монолитных фундаментов под колонны.
До начала устройства фундаментов должны быть выполнены следующие работы:
· организован отвод поверхностных вод от площадки;
· устроены подъездные пути и автодороги;
· обозначены пути движения механизмов, места складирования,
укрупнения арматурных сеток и опалубки, подготовлена монтажная оснастка и
приспособления;
· завезены арматурные сетки, каркасы и комплекты опалубки в
необходимом количестве;
· выполнена необходимая подготовка под фундаменты;
· произведена геодезическая разбивка осей и разметка положения
фундаментов в соответствии с проектом;
· на поверхность бетонной подготовки краской нанесены риски,
фиксирующие положение рабочей плоскости щитов опалубки.
Устройство опалубки фундаментов производят в следующем порядке:
. устанавливают и закрепляют укрупненные панели опалубки нижней
ступени башмака;
. устанавливают собранный короб строго по осям и закрепляют
опалубку нижней ступени металлическими штырями к основанию;
. наносят на ребра укрупненных панелей короба риски, фиксирующие
положение короба второй ступени фундамента;
. отступив от рисок на расстояние, равное толщине щитов,
устанавливают предварительно собранный короб второй ступени;
. окончательно устанавливают короб второй ступени;
. в той же последовательности устанавливают короб третьей ступени;
. наносят на ребра укрупненных панелей верхнего короба риски,
фиксирующие положение короба подколонника;
. устанавливают короб подколонника;
. устанавливают и закрепляют опалубку вкладышей.
. Смонтированная опалубка принимается по акту мастером или
прорабом.
В состав работ по бетонированию фундаментов входят:
· прием и подача бетонной смеси;
· укладка и уплотнение бетонной смеси;
· уход за бетоном.
Заключение
При выполнении курсовой работы мной были рассчитаны и запроектированы два
варианта фундаментов мелкого заложения.
В соответствии со схемой здания, выданной мне для проектирования
фундаментов были рассчитаны фундаменты мелкого заложения и свайные фундаменты
под них.
Под наружную стену здания проектировался сборный железобетонный фундамент
ленточного типа, состоящий из трех фундаментных блоков стеновых и фундаментных
плит ФЛ 8.12. Под колонну здания проектировался монолитный железобетонный
фундамент стаканного типа.
Количество свай в свайном фундаменте рассчитывается по предельному
состоянию первой группы. Под наружную и внутреннюю стены жилого дома были
выбраны сваи-стойки С 3,5 - 30.
По результатам расчета и проектирования фундаментов было произведено
технико-экономическое сравнение. Наиболее экономичным оказался вариант
фундамента мелкого заложения.
По результатам расчета была выполнена графическая часть курсовой работы.
Литература
1. Ананьев, В.П. Инженерная геология: учебник для студ.
вузов по строит. спец./ В.П. Ананьев, А.Д. Потапов. - Москва: Высшая школа,
2000, - 511с.
2. Вареник, Е.И Технология строительного производства /
Е.И. Вареник. - Москва: Стройиздат, 1982. - 224с.
. Лапшин, Ф.К. Основания и фундаменты в дипломном
проектировании: учебное пособие для вузов /Ф.К. Лапишин. - Саратов: Изд-во
Сарат. ун-та, 1986.- 224 с.
. Механика грунтов, основания и фундаменты: учеб.
пособие для строит. спец. вузов/ под ред. С.Б. Усова. - 3-е изд., испр. -
Москва: Высшая школа, 2004.- 566с.
. СНБ 5.01.01-99 Основания и фундаменты зданий и
сооружений. - Минск: Министерство архитектуры и строительства Республики Беларусь,
1999. - 36 с.
. СНиП 2.02.01.-83 Основания зданий и сооружений. -
Москва: Стройиздат, 1985. - 62с.
. СТБ 943-2007 Грунты. Классификация. - Мн., 2007. -
23с.