Проектирование и расчет фундаментов здания монтажного цеха

  • Вид работы:
    Курсовая работа (т)
  • Предмет:
    Строительство
  • Язык:
    Русский
    ,
    Формат файла:
    MS Word
    2,22 Мб
  • Опубликовано:
    2014-03-11
Вы можете узнать стоимость помощи в написании студенческой работы.
Помощь в написании работы, которую точно примут!

Проектирование и расчет фундаментов здания монтажного цеха

Содержание

Введение

1. Оценка грунтовых условий строительной площадки

2. Оценка характера нагрузок и конструктивных особенностей здания

3. Разработка вариантов фундаментов

3.1 Расчет отдельно стоящего фундамента на естественном основании

3.1.1 Выбор глубины заложения фундамента

3.1.2 Предварительные размеры подошвы фундамента

3.1.3 Расчетное сопротивление грунта

3.1.4 Определение размеров подошвы фундамента

3.1.5 Конструирование фундамента

3.1.6 Проверка оснований

3.2 Расчет свайного фундамента

3.2.1 Предварительное назначение размеров ростверка и длины свай

3.2.2 Определение несущей способности сваи по грунту

3.2.3 Расчет количества свай

3.2.4 Конструирование фундамента

3.2.5 Расчет свайного фундамента по несущей способности

3.3 Технико-экономическое сравнение вариантов

4. Расчет фундаментов №1-6 на все виды действующих нагрузок

4.1 Расчет свайного фундамента №1

4.2 Расчет свайного фундамента №2

4.3 Расчет свайного фундамента №3

4.4 Расчет свайного фундамента №4

4.5 Расчет свайного фундамента №5

4.6 Расчет свайного фундамента №6

5. Разработка гидроизоляции фундаментов

6. Краткие указания по производству работ и рекомендуемые меры по сохранению грунта в основании

Список литературы

Введение


Цель данного курсового проекта - проектирование и расчет фундаментов здания монтажного цеха. Несущими конструкциями в основной части здания в осях А-В являются металлические колонны, шаг 6 м, пролет фермы 23 м, ограждающие конструкции - самонесущие кирпичные стены толщиной 300 мм, в осях В-Д несущие конструкции - кирпичные стены толщиной 510 мм и железобетонные колонны сечением 400х400 мм.

Размеры части здания в осях А-В - 42х23 м. В осях В-Д - 9х19,3 м.

Здание без подвала. Отметка пола первого этажа 0,000, отметка планировки грунта - 0, 200.

Также известны инженерно-геологические условия, физические характеристики грунтов.

В ходе разработки курсового проекта проведена оценка инженерно - геологических условий и свойств грунтов с определением расчетного сопротивления грунтов основания, а также оценка характера нагрузок и конструктивных особенностей здания.

В курсовом проекте расчету и сравнению по стоимости подлежат два варианта типов фундамента: на естественном основании и свайный.

Для фундаментов мелкого заложения проводятся расчеты: определение физико-механических свойств грунтов, расчет размеров и выбор вариантов фундаментов, расчет оснований по деформациям, расчет осадки.

Для разработки свайных фундаментов: выбор типа, глубины заложения ростверка, определение расчетной нагрузки на сваю, определение количества свай, расчет размеров ростверков, расчеты свайных фундаментов по предельным состояниям.

1. Оценка грунтовых условий строительной площадки


Геологические условия, соответствующие варианту 02 выбираем из методических указаний.

Рисунок 1.1 - Грунтовые условия строительной площадки

Таблица 1.1 - Характеристики физико-механических свойств грунтов

Номер грунта

Наименование грунта

Для расчета по деформациям

Удельный вес частиц грунта γs, кН/ м3

Влажность ωL

Модуль деформации Е, мПа

Влажность на границе текучести

 Влажность на границе раскатывания ωр

Коэффициент Пористости е

Показатель текучести JL

Степень влажности Sr



Удельный вес gII, Кн/м3

Угол внутреннего трения φII, град

Сцепление СII, кПа









1

2

3

4

5

6

7

8

9

10

11

12

13

8

Суглинок

18,0

20

18

26,8

0,32

8

0,37

0,23

0,97

0,55

0,88

 

14

Песок средней крупности

20,1

40

-

26,4

0,22

41

-

-

0,61

-

0,95

 


Насыпной слой (суглинок, перелопаченный с торфом), а также наблюдающиеся по краям строительной площадки торфяные грунты не могут служить основанием, т.к. характеризуются большой сжимаемостью. Кроме того, в торфе могут возникнуть среды, агрессивные по отношению к материалам, из которых устроены подземные конструкции здания. Поэтому при контакте поверхностей конструкция фундаментов с торфяными грунтами потребуется их обработка защитными составами.

Поскольку поверхность по длине здания имеет уклон, перед производством работ потребуется планировка территории.

Грунт 2-го слоя - суглинок серый пылеватый с линзами песка, мощность 8 м. е = 0,97, JL = 0,55, Е=8МПа. Суглинок мягкопластичной консистенции, сильно сжимаемый, условное расчетное (давление) сопротивление: по табл.5 методических указаний [1] R0 = 152 кПа (по интерполяции).

Грунт 3-го слоя - песок средней крупности. Мощность слоя более 3 м, е =0,61, Sr = 0,95, Е=41 МПа. Песок водонасыщенный, средней плотности, мало сжимаемый, условное расчетное (давление) сопротивление: R0 = 400 кПа.

Рисунок 1.2 - Планировка поверхности

Построим эпюру изменения R0 по глубине Н по центральной скважине.

Рисунок 1.3 - Эпюра изменения R0 по глубине Н

Вывод: Таким образом, грунт второго слоя, обладает сильной сжимаемостью, что может вызвать достаточно большую осадку здания, грунт третьего слоя обладают крайне малой сжимаемостью и значительной прочностью, и будет хорошим основанием. В качестве несущего слоя для фундаментов на естественном основании может служить суглинок, однако требуется расчет осадки, чтобы убедится, что грунт выдержит приложенные нагрузки; для свайных фундаментов - песок средней крупности. Уровень грунтовых вод расположен на небольшой глубине 1,5 м, поэтому потребуются работы по водоотливу.

здание монтажный цех фундамент

2. Оценка характера нагрузок и конструктивных особенностей здания


Схему здания, его размеры и величины нагрузок выбираем в соответствии с вариантом из методических указаний.

Таблица 2.1 - Величины расчетных нагрузок на фундаменты

Номер схемы и наименование сооружения

Вариант

№ фундамента

1е сочетание

2е сочетание

                                  ,

кН, кНм,

кН,

кН,

кНм,

кН






 

Схема 10. Монтажный цех

 Четный l = 15 м

1

2420

-52

 - 30

2186

67

53



2

720

-

-

630

-

-



3

2670

63

25

2590

 - 56

 - 38



4

510

-

-

580

-

-



5

210

-

-

212

-

-



6

1100

58

-

1100

 - 40

-


Рисунок 2.1 - Схема здания монтажного цеха

В табл.2.1 приведены расчетные нагрузки по обрезу фундаментов для расчета по деформациям - вертикальная F0vII, горизонтальная F0hII и момент M0II. Проанализируем нагрузки на фундамент.

Все фундаменты являются тяжелонагруженными. Степень различия вертикальных нагрузок на разные виды фундаментов здания достаточно большая.

Фундаменты №1,3 подвергаются действию горизонтальных нагрузок, что говорит об ухудшении условий работы основания по устойчивости (несущей способности).

Эксцентриситет нагрузки, ухудшающий условия работы основания, наблюдается у фундаментов №1,3,6.

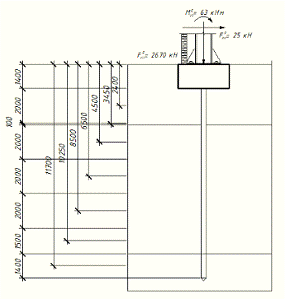
Для фундамента №1:

е0 = M0II/ F0vII = - 52/2420 = - 0,021 м. - 1-е сочетание;

е0 = M0II/ F0vII = 67/2186 = - 0,031 м. - 2-е сочетание.

Для фундамента №3:

е0 = M0II/ F0vII = 63/2670 = 0,024 м. - 1-е сочетание;

е0 = M0II/ F0vII = - 56/2590 = 0,022 м. - 2-е сочетание.

Для фундамента №6:

е0 = M0II/ F0vII = 58/1100 = 0,053 м. - 1-е сочетание;

е0 = M0II/ F0vII = - 40/1100 = - 0,036 м. - 2-е сочетание.

Для всех фундаментов его можно оценить как малый.

Здание монтажного цеха имеет несущие металлические колонны сечением и самонесущие кирпичные стены, в части здания несущими являются кирпичные стены и бетонные колонны. Предельная величина средней осадки по СНИП [2] равна 12 см (для металлического каркаса) и 8 см (для ж/б колонн). Предельное состояние по средней осадке определяют, если основание сложено относительно горизонтально прилегающими слоями однородных грунтов, сжимаемость которых с глубиной не увеличивается.

Наиболее нагруженным является фундмент №3, для которого далее будут разработаны несколько вариантов.

3. Разработка вариантов фундаментов


3.1 Расчет отдельно стоящего фундамента на естественном основании


3.1.1 Выбор глубины заложения фундамента

Глубина заложения по промерзанию определяется с учетом СНиП [4]. По карте глубин промерзания для Санкт-Петербурга dfn = 1.4 м. При положении УГВ на глубине 1,5 м фундамент нужно закладывать не менее, чем на расчетную глубину промерзания. Время строительства неизвестно, поэтому принимаем Кh = 1, таким образом, d = dfn = 1.4 м.

По грунтовым условиям максимальная толщина насыпного слоя и торфа, не подходящих для опирания фундамента, равна 3,5 м, тогда d = 3.5 м.

Выбираем максимальную из требуемых глубину заложения 3,5 м.

Рисунок 3.1 - Глубина заложения фундамента

3.1.2 Предварительные размеры подошвы фундамента



где  = 2670 кН - суммарная расчетная нагрузка по обрезу фундамента при расчете по деформациям, кН;

 = 152 кПа - расчетное сопротивление грунта основания, кПа;

 - средний удельный вес грунта и материала фундамента в пределах объема;

 = 3.5 м - глубина заложения фундамента, считая от планировочной отметки около фундамента или пола здания по грунту, м.

3.1.3 Расчетное сопротивление грунта

R - расчетное сопротивление грунта основания, рассчитывается по формуле, учитывающей совместную работу сооружения и основания и коэффициенты надежности.


gC1 и gC2 - коэффициенты условий работы принимаемые по СНиП 2.02.01-83 т.3

gC1= 1 - пылевато-глинистые, а также крупнообломочные с пылевато-глинистым заполнителем с показателем текучести грунта или заполнителя IL

gC2= 1

К = 1.1 - т.к. прочностные характеристики грунта (с и j) приняты по таблицам СНиП.g Mg Mc - коэффициенты зависящие от jII = 200g = 0,51g = 3,06c = 5,66z=1 т.к. b - ширина подошвы фундамента < 10 м.

gII = - расчетное значение удельного веса грунта, залегающего ниже подошвы фундамента;

Поскольку уровень грунтовых находится на 1,5 м ниже подошвы фундамента, их влияние нужно учитывать.

Найдем удельный вес грунта, залегающего под подошвой фундамента с учетом взвешивающего действия воды:

 кН/м3 - для суглинка

 кН/м3

(gII) 1 - то же для грунтов, залегающих выше подошвы фундамента.


сII - расчетное значение удельного сцепления грунта, залегающего непосредственно под подошвой фундамента. сII = 18кПа

1= 3,5 м

3.1.4 Определение размеров подошвы фундамента



Принимаем b=4.8м, l=4.5м, А= 21,6 м2.

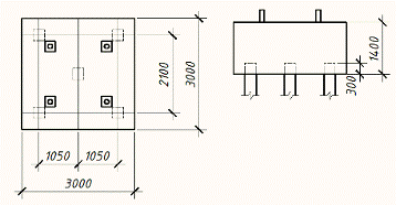
3.1.5 Конструирование фундамента


Рисунок 3.2 - Отдельно стоящий фундамент

Обьем фундамента:


Вес фундамента:


Вес грунта на уступах фундамента:

3.1.6 Проверка оснований

Для 1-го сочетания нагрузок:


Для 2-го сочетания нагрузок:

Вывод: Основание недогружено на 4 % < 5%, что допустимо.

Проверка по краевым напряжениям:

Для 1-го сочетания нагрузок:


Для 2-го сочетания нагрузок:

Вывод: Фундамент запроектирован верно, так как все условия выполняются.

Проведем расчет осадки фундамента методом послойного суммирования.

Рисунок 4.3 - Расчет осадки фундамента №1 методом послойного суммирования

Определение осадки фундамента:


где

 - среднее значение дополнительного давления в подошве;

 - безразмерный коэффициент, равный 0,8;

 и  - соответственно толщина и модуль деформации i-го слоя грунта.

Разбиваем сжимаемую толщу на слои:

м

Напряжение от естественного веса грунта на глубине заложения подошвы фундамента:


Расчет приведен в табличной форме:

Грунт

№ точки

z, м

σzg, КПа

ξ=2z/b

α

σzp, КПа

Si, см

Суглинок

0

0

57,75

0,00

1

127,3

-


1

1,92

92,31

0,80

0,8

101,9

2,2


2

3,84

126,87

1,6

0,449

57,2

1,53


3

5,76

161,43

2,4

0,257

32,7

0,86


4

7,5

192,75

3,125

0,172

21,9

0,48

S

5,07



Проверяем условие: .

см

см

Вывод: Условие выполнено, значит, фундамент запроектирован правильно.

 

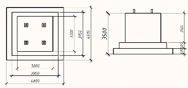
.2 Расчет свайного фундамента


3.2.1 Предварительное назначение размеров ростверка и длины свай

Свайный фундамент состоит из свай и плиты, объединяющей сваи и распределяющей на них нагрузку от сооружения - ростверка.

Принимаем ростверк из монолитного железобетона класса (В 20) шириной 3000 мм.

Принимаем глубину заложения ростверка d=1,4 м.

Выбираем тип, материал и конструкцию свай. По геологическим условиям тип сваи - висячая.

В прочный грунт (песок) нижний конец сваи рекомендуется заглублять не менее чем на 0,5-1 м. Поэтому принимаем сваи железобетонные С11-30. Длина сваи 11 м, сечение 30х30 см, вес 24,52кН, бетон марки М250, арматура 4хд.16АII.

Рисунок 3.3 - Назначение длины свай

3.2.2 Определение несущей способности сваи по грунту

Несущая способность свай по условию прочности грунта основания:

Для висячих свай


gc, gcR, gcf - коэффициенты условий работы, зависящие от вида грунта, способа погружения; для свай, погружаемых забивкой, gc, gcR, gcf =1;= 4192 кПа - расчетное сопротивление грунта под нижним концом сваи, принимаемое по табл.1 СНиП 2.02.03-85;= 0.09 м2 - площадь поперечного сечения сваи;

u=1.2 м - периметр сваи;

fi - расчетное сопротивление i - го слоя грунта мощностью hi по боковой поверхности сваи, принимаемое по табл.2 СНиП 2.02.03-85.

Рисунок 3.4 - К расчету несущей способности сваи по грунту

Насыпной слой (суглинок): f1 = 7,4 кПа; h1 = 2,0 м; d1 = 2,4 м;

Насыпной слой (суглинок): f2 = 8,45 кПа; h1 = 0,1 м; d1 = 3,45 м;

Суглинок: f3 = 19,75 кПа; h2 = 2 м; d2 = 4,5 м;

Суглинок: f4 = 21,75 кПа; h3 = 2 м; d3 = 6,5 м;

Суглинок: f5 = 22,63 кПа; h3 = 2 м; d3 = 8,5 м;

Суглинок: f6 = 23,05 кПа; h3 = 1,5 м; d3 = 10,25 м;

Песок: f7 = 67,38 кПа; h4 = 1,4 м; d4 = 11,7 м;

.

3.2.3 Расчет количества свай

Количество свай определяется по формуле:


где Gp - вес ростверка;

К - коэффициент, учитывающий перегрузку отдельных свай от момента и горизонтальной силы, принимаемый в пределах К =1,1…1,4.

кН


Принимаем 5 свай.

3.2.4 Конструирование фундамента


Рисунок 3.5 - Свайный фундамент

3.2.5 Расчет свайного фундамента по несущей способности

Расчет по несущей способности заключается в проверке выполнимости условия:

 

Nmax£P,

Для 1-го сочетания:


Перегруз до 5% является допустимым.


Для 2-го сочетания:

Вывод: Фундамент запроектирован верно, так как условие выполняется.

3.3 Технико-экономическое сравнение вариантов


Рассчитаем стоимости устройства фундаментов под колонну на естественном основании и свайных.

Таблица 3.1 - Стоимость фундамента на естественном основании

 Наименование работ и конструкций

Единица измерения

Объем работ

Стоимость на объем

Разработка грунта

м3

3,60

75,6

272,16

Крепление стенок котлована

м2 крепления

0,85

65,1

55,34

Устройство монолитных фундаментов: фундаменты железобетонные, отдельные

м3 бетона

31,00

40,52

1256,12

Итого

1583,62


Таблица 3.2 - Стоимость свайного фундамента

 Наименование работ и конструкций

Единица измерения

Стоимость на единицу измерения, руб. - коп.

Объем работ

Стоимость на объем

Разработка грунта

м3

3,60

14,4

51,84

Крепление стенок котлована

м2 крепления

0,85

19,2

16,32

Устройство монолитного ростверка

м3 бетона

26,30

12,6

331,38

Забивка ж/б свай

м3 бетона

86,10

4,95

426,2

Итого

825,74


Из расчета стоимости видно, что в данных условиях свайный фундамент будет выгоднее фундамента на естественном основании, так как при таких больших нагрузках на фундамент и требованиях к его глубине заложения, отдельностоящий фундамент на естественном основании получается слишком массивным и дорогим. Поэтому выбираем свайный тип фундаментов, и все остальные рассчитываем как свайные.

4. Расчет фундаментов №1-6 на все виды действующих нагрузок


4.1 Расчет свайного фундамента №1


Нагрузки на фундамент №1:

-е сочетание:

-е сочетание:

Принимаем ростверк из монолитного железобетона класса (В 20) шириной 3000 мм.

Глубина заложения ростверка d=1,4 м.

Принимаем сваи железобетонные С11-30. Длина сваи 11 м, сечение 30х30 см, вес 24,52кН, бетон марки М250, арматура 4хд.16АII.

Рисунок 4.1 - Назначение длины свай

Несущая способность свай по условию прочности грунта основания:

Для висячих свай


gc, gcR, gcf - коэффициенты условий работы, зависящие от вида грунта, способа погружения; для свай, погружаемых забивкой, gc, gcR, gcf =1;= 4192 кПа - расчетное сопротивление грунта под нижним концом сваи, принимаемое по табл.1 СНиП 2.02.03-85;= 0.09 м2 - площадь поперечного сечения сваи;

u=1.2 м - периметр сваи;

fi - расчетное сопротивление i - го слоя грунта мощностью hi по боковой поверхности сваи, принимаемое по табл.2 СНиП 2.02.03-85.

Рисунок 4.2 - К расчету несущей способности сваи по грунту

Насыпной слой (суглинок): f1 = 7,4 кПа; h1 = 2,0 м; d1 = 2,4 м;

Насыпной слой (суглинок): f2 = 8,45 кПа; h1 = 0,1 м; d1 = 3,45 м;

Суглинок: f3 = 19,75 кПа; h2 = 2 м; d2 = 4,5 м;

Суглинок: f4 = 21,75 кПа; h3 = 2 м; d3 = 6,5 м;

Суглинок: f5 = 22,63 кПа; h3 = 2 м; d3 = 8,5 м;

Суглинок: f6 = 23,05 кПа; h3 = 1,5 м; d3 = 10,25 м;

Песок: f7 = 67,38 кПа; h4 = 1,4 м; d4 = 11,7 м;

.

Количество свай определяется по формуле:


где Gp - вес ростверка;

К - коэффициент, учитывающий перегрузку отдельных свай от момента и горизонтальной силы, принимаемый в пределах К =1,1…1,4.

кН


Принимаем 5 свай.

Расчет свайного фундамента №1 по несущей способности:

Расчет по несущей способности заключается в проверке выполнимости условия:

max£P


Для 1-го сочетания:

Для 2-го сочетания:

Вывод: Фундамент запроектирован верно, так как условие выполняется.

Расчет свайного фундамента по деформациям выполняется как для условного фундамента на естественном основании, причем границы условного фундамента определяются следующим образом: снизу плоскостью ad на уровне нижних концов свай; с боков - вертикальными плоскостями и dс, отстоящими от наружных граней крайних рядов свай на расстоянии ℓхtgjIIср/4

jIIср =

м

Рисунок 4.3 - Определение границ условного свайного фундамента

Ширина условного фундамента:

мy=4,462=19,89 м2

Условие прочности:

y < Ry

y - расчетное сопротивление грунта условного фундаментаy - расчетная нагрузка

4.2 Расчет свайного фундамента №2


Нагрузки на фундамент №1:

-е сочетание:

-е сочетание:

Принимаем ростверк из монолитного железобетона класса (В 20) шириной 1600 мм.

Глубина заложения ростверка d=1,4 м.

Принимаем сваи железобетонные С10-30. Длина сваи 10 м, сечение 30х30 см, вес 22,05кН, бетон марки М250, арматура 4хд.14АII.

Рисунок 4.4 - Назначение длины свай

Несущая способность свай по условию прочности грунта основания:

Для висячих свай


gc, gcR, gcf - коэффициенты условий работы, зависящие от вида грунта, способа погружения; для свай, погружаемых забивкой, gc, gcR, gcf =1;= 4112 кПа - расчетное сопротивление грунта под нижним концом сваи, принимаемое по табл.1 СНиП 2.02.03-85;= 0.09 м2 - площадь поперечного сечения сваи;

u=1.2 м - периметр сваи;

fi - расчетное сопротивление i - го слоя грунта мощностью hi по боковой поверхности сваи, принимаемое по табл.2 СНиП 2.02.03-85.

Рисунок 4.5 - К расчету несущей способности сваи по грунту

Насыпной слой (суглинок): f1 = 7,4 кПа; h1 = 2,0 м; d1 = 2,4 м;

Насыпной слой (суглинок): f2 = 8,45 кПа; h1 = 0,1 м; d1 = 3,45 м;

Суглинок: f3 = 19,75 кПа; h2 = 2 м; d2 = 4,5 м;

Суглинок: f4 = 21,75 кПа; h3 = 2 м; d3 = 6,5 м;

Суглинок: f5 = 22,63 кПа; h3 = 2 м; d3 = 8,5 м;

Суглинок: f6 = 23,05 кПа; h3 = 1,5 м; d3 = 10,25 м;

Песок: f7 = 66,68 кПа; h4 = 0,4 м; d4 = 11,2 м;

.

Количество свай определяется по формуле:


где Gp - вес ростверка;

К - коэффициент, учитывающий перегрузку отдельных свай от момента и горизонтальной силы, принимаемый в пределах К =1,1…1,4.

кН


Принимаем 2 сваи.

Расчет свайного фундамента №2 по несущей способности:

max£P


Для 1-го сочетания:


Для 2-го сочетания:

Вывод: Фундамент запроектирован верно, так как условие выполняется.

Расчет свайного фундамента по деформациям:

jIIср =

м

Рисунок 4.6 - Определение границ условного свайного фундамента

Ширина условного фундамента:

мy=2,01*2,91=5,85 м2

Условие прочности:

y < Ry

y - расчетное сопротивление грунта условного фундаментаy - расчетная нагрузка

4.3 Расчет свайного фундамента №3


Расчет по несущей способности приведен в п.3.

Расчет свайного фундамента №3 по деформациям выполняется как для условного фундамента на естественном основании, границы условного фундамента определяются следующим образом: снизу плоскостью ad на уровне нижних концов свай; с боков - вертикальными плоскостями и dс, отстоящими от наружных граней крайних рядов свай на расстоянии ℓхtgjIIср/4

jIIср =

м

Рисунок 4.7 - Определение границ условного свайного фундамента

Ширина условного фундамента:

мy=4,462=19,89 м2

Условие прочности:

y < Ry

y - расчетное сопротивление грунта условного фундаментаy - расчетная нагрузка

4.4 Расчет свайного фундамента №4


Нагрузки на фундамент №4:

-е сочетание:

-е сочетание:

Фундамент №4 под железобетонную колонну сечением 0,4х0,4 м.

Принимаем ростверк из монолитного железобетона класса (В 20) шириной 1050 мм.

Принимаем глубину заложения ростверка d=1.4 м.

Принимаем сваи железобетонные С11-30. Длина сваи 11 м, сечение 30х30 см, вес 24,52кН, бетон марки М250, арматура 4хд.16АII.

Несущая способность свай по условию прочности грунта основания:

Для висячих свай


gc, gcR, gcf - коэффициенты условий работы, зависящие от вида грунта, способа погружения; для свай, погружаемых забивкой, gc, gcR, gcf =1;= 4192 кПа - расчетное сопротивление грунта под нижним концом сваи, принимаемое по табл.1 СНиП 2.02.03-85;= 0.09 м2 - площадь поперечного сечения сваи;

u=1.2 м - периметр сваи;

fi - расчетное сопротивление i - го слоя грунта мощностью hi по боковой поверхности сваи, принимаемое по табл.2 СНиП 2.02.03-85.

Рисунок 4.9 - К расчету несущей способности сваи по грунту

Насыпной слой (суглинок): f1 = 7,4 кПа; h1 = 2,0 м; d1 = 2,4 м;

Насыпной слой (суглинок): f2 = 8,45 кПа; h1 = 0,1 м; d1 = 3,45 м;

Суглинок: f3 = 19,75 кПа; h2 = 2 м; d2 = 4,5 м;

Суглинок: f4 = 21,75 кПа; h3 = 2 м; d3 = 6,5 м;

Суглинок: f5 = 22,63 кПа; h3 = 2 м; d3 = 8,5 м;

Суглинок: f6 = 23,05 кПа; h3 = 1,5 м; d3 = 10,25 м;

Песок: f7 = 67,38 кПа; h4 = 1,4 м; d4 = 11,7 м;

.

Количество свай определяется по формуле:

где Gp - вес ростверка;

К - коэффициент, учитывающий перегрузку отдельных свай от момента и горизонтальной силы, принимаемый в пределах К =1,1…1,4.

кН


Принимаем 1 сваю.

Рисунок 4.10 - Конструирование ростверка по ж/б колонну

Расчет свайного фундамента №4 по несущей способности:

max£P


Поскольку на фундамент не действуют момент и горизонтальные силы, находим N. Для 1-го сочетания:


Для 2-го сочетания:

Вывод: Перегруз составляет менее 5%, что допустимо.

Расчет свайного фундамента №4 по деформациям:

jIIср =

м

Ширина условного фундамента:

, мy=2,362=5,57 м2

Условие прочности:

y < Ry

y - расчетное сопротивление грунта условного фундаментаy - расчетная нагрузка

4.5 Расчет свайного фундамента №5


Нагрузки на фундамент №5:

-е сочетание:

-е сочетание:

Фундамент №5 под кирпичную стену толщиной 510 мм.

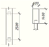
Принимаем ленточный монолитный ростверк из железобетона класса (В 20) шириной 600 мм.

Стена - наружняя. Принимаем глубину заложения ростверка d=1,4 м по глубине промерзания.

Принимаем сваи железобетонные С10-30. Длина сваи 10 м, сечение 30х30 см, вес 22,05кН, бетон марки М250, арматура 4хд.14АII.

Несущая способность свай по условию прочности грунта основания:

Для висячих свай


gc, gcR, gcf - коэффициенты условий работы, зависящие от вида грунта, способа погружения; для свай, погружаемых забивкой, gc, gcR, gcf =1;= 4112 кПа - расчетное сопротивление грунта под нижним концом сваи, принимаемое по табл.1 СНиП 2.02.03-85;= 0.09 м2 - площадь поперечного сечения сваи;

u=1.2 м - периметр сваи;

fi - расчетное сопротивление i - го слоя грунта мощностью hi по боковой поверхности сваи, принимаемое по табл.2 СНиП 2.02.03-85.

Насыпной слой (суглинок): f1 = 7,4 кПа; h1 = 2,0 м; d1 = 2,4 м;

Насыпной слой (суглинок): f2 = 8,45 кПа; h1 = 0,1 м; d1 = 3,45 м;

Суглинок: f3 = 19,75 кПа; h2 = 2 м; d2 = 4,5 м;

Суглинок: f4 = 21,75 кПа; h3 = 2 м; d3 = 6,5 м;

Суглинок: f5 = 22,63 кПа; h3 = 2 м; d3 = 8,5 м;

Суглинок: f6 = 23,05 кПа; h3 = 1,5 м; d3 = 10,25 м;

Песок: f7 = 66,68 кПа; h4 = 0,4 м; d4 = 11,2 м;

.

Количество свай определяется по формуле:


где Gp - вес ростверка;

К - коэффициент, учитывающий перегрузку отдельных свай от момента и горизонтальной силы, принимаемый в пределах К =1,1…1,4.

Вес ростверка на 1п. м.:

кН,

Таким образом, принимаем 9 свай на 20 погонных метров ростверка. Т.е. сваи располагаются с шагом 2,5 м.

Рисунок 4.12 - Ленточный монолитный ростверк

Расчет свайного фундамента №5 по несущей способности:

max£P


Для 1-го сочетания:


Для 2-го сочетания:

Вывод: Перегруз составляет 0,4%, что допустимо.

Расчет свайного фундамента №5 по деформациям:

jIIср =

м

Ширина условного ленточного фундамента:

y=2,01*1=2,01 м2

Условие прочности:

y < Ry

y - расчетное сопротивление грунта условного фундаментаy - расчетная нагрузка

Все условия выполняются:

 (для кирпичных стен без армирования)

4.6 Расчет свайного фундамента №6


Нагрузки на фундамент №6:

-е сочетание:

-е сочетание:

Принимаем ростверк из монолитного железобетона класса (В 20) шириной 3000 мм.

Глубина заложения ростверка d=1,4 м.

Принимаем сваи железобетонные С10-30. Длина сваи 10 м, сечение 30х30 см, вес 22,05кН, бетон марки М250, арматура 4хд.14АII.

Несущая способность свай по условию прочности грунта основания:

Для висячих свай


gc, gcR, gcf - коэффициенты условий работы, зависящие от вида грунта, способа погружения; для свай, погружаемых забивкой, gc, gcR, gcf =1;= 4112 кПа - расчетное сопротивление грунта под нижним концом сваи, принимаемое по табл.1 СНиП 2.02.03-85;= 0.09 м2 - площадь поперечного сечения сваи;

u=1.2 м - периметр сваи;

fi - расчетное сопротивление i - го слоя грунта мощностью hi по боковой поверхности сваи, принимаемое по табл.2 СНиП 2.02.03-85.

Рисунок 4.5 - К расчету несущей способности сваи по грунту

Насыпной слой (суглинок): f1 = 7,4 кПа; h1 = 2,0 м; d1 = 2,4 м;

Насыпной слой (суглинок): f2 = 8,45 кПа; h1 = 0,1 м; d1 = 3,45 м;

Суглинок: f3 = 19,75 кПа; h2 = 2 м; d2 = 4,5 м;

Суглинок: f4 = 21,75 кПа; h3 = 2 м; d3 = 6,5 м;

Суглинок: f5 = 22,63 кПа; h3 = 2 м; d3 = 8,5 м;

Суглинок: f6 = 23,05 кПа; h3 = 1,5 м; d3 = 10,25 м;

Песок: f7 = 66,68 кПа; h4 = 0,4 м; d4 = 11,2 м;

.

Количество свай определяется по формуле:


где Gp - вес ростверка;

К - коэффициент, учитывающий перегрузку отдельных свай от момента и горизонтальной силы, принимаемый в пределах К =1,1…1,4.

кН


Принимаем 3 сваи.

Расчет свайного фундамента №6 по несущей способности:

max£P


Для 1-го сочетания:


Для 2-го сочетания:

Вывод: Фундамент запроектирован верно, так как условие выполняется.

Расчет свайного фундамента №6 по деформациям:

jIIср =

м

Рисунок 4.16 - Определение границ условного свайного фундамента

Ширина условного фундамента:

мy=3,83*3,585=13,73 м2

Условие прочности:

y < Ry

y - расчетное сопротивление грунта условного фундаментаy - расчетная нагрузка


5. Разработка гидроизоляции фундаментов


Горизонтальная гидроизоляция фундаментов выполняется из рулонных гидроизоляционных материалов (Гидростеклоизол <http://kgidrol.narod.ru/GSI.html> ТПП3,5), укладывается по обрезу фундаментов и по плоскости опирания на грунт.

Вертикальная гидроизоляция наносится на наружные и внутренние поверхности фундамента.

Принимаем оклеечную вертикальную гидроизоляцию - Гидростеклоизол ТПП3,5. Этот материал может использоваться в любых грунтах, включая сильно обводненные.

При устройстве оклеечной гидроизоляции рулонные материалы наклеиваются на наружные поверхности фундаментов - методом наплавления пламенем горелок или с помощью специальной приклеивающей мастики.

Оклеечную гидроизоляцию фундаментов выполняют по выровненному, чистому и сухому основанию. При наклеивании каждое предыдущее полотнище перекрывается не менее чем на 100 мм в продольных стыках и на 150 мм - в поперечных. Стыки располагаются вразбежку. На вертикальные поверхности рулонные материалы наклеиваются снизу вверх.

6. Краткие указания по производству работ и рекомендуемые меры по сохранению грунта в основании


Земляные работы должны выполняться комплексно-механизированным способом в соответствии со СНиП 3.02.07-87. Ширина по дну траншеи с учетом ширины конструкции фундаментов и необходимостью спуска людей с добавлением 0,6м. Для производства земляных работ выбираем экскаваторы типа "обратная лопата" с ковшом объемом 0,65 м3.

Крепление откосов осуществляем с подпоркой от самого основания. Чтобы не произошло проскальзывания, закрепление подкосов к вертикальным накладкам делаем с помощью обвязочного бруска или скоб.

Поскольку уровень грунтовых вод высокий, то при проведении работ потребуются мероприятия по водопонижению.

Грунтовое основание должно быть очищено от растительных и органических примесей и при необходимости уплотнено. Для предотвращения возможного пучения монолитного ростверка на связных грунтах по дну траншеи или котлована устраивают подушки в 10-15 смиз сыпучих дренирующих материалов: щебня, шлака или крупнозернистого песка.

По выровненному основанию устраивают опалубку и устанавливают арматуру. Опалубку выполняют из деревянных щитов, изготовляемых на месте или доставляемых на объект

Перед производством свайных работ подготавливается площадка: снимается растительный слой, производится устройство водоотвода, вертикальная планировка участка, устройство подъездных путей, прокладываются сети для подвода воды, пара, сжатого воздуха, электроэнергии.

После окончания работ по подготовке площадки и разбивки главных осей сооружения (за основные линии принимаются продольная и поперечная оси здания) производят разбивки свайных рядов и закрепление на местности. Разбивка основных осей должна сохраняться на все время производства работ. Каждому ряду, кусту и каждой свае присваивают номер, который проставляют на плане расположения свай (для нумерации свайных рядов и кустов принимают римские цифры, для свай - арабские). Вертикальные отметки голов свай разбивают по реперам. При забивке свай с подмостей положение осей рядов свай фиксируется прямо на них. При погружении свай на покрытой водой местности разбивочные оси закрепляются знаками на берегу или специальными каркасами и буями. Разбивка и закрепление осей свай оформляется актом.

На строительной площадке сваи разгружают с одновременной укладкой в зоне работы копра поодиночке или штабелями головами к копру перпендикулярно оси его движения. Поднимать сваи при разгрузке и погрузке необходимо за подъемные петли. При подъеме свай длиной более 6 м следует пользоваться траверсой. Перетаскивать сваи волоком запрещается. В процессе подготовительных работ производят пробную забивку железобетонных готовых свай. По результатам испытания пробных свай корректируют чертежи свайного сооружения и проект производства работ. Способ производства работ по устройству свайного фундамента выбирается в зависимости от типа свай, их размеров, веса, конструкции, расположения их в плане, от грунтовых условий и конкретных условий производства работ на строительной площадке.

Применяем следующий метод погружения свай и шпунта: забивка свай молотами (ударный метод).

Список литературы


1.       Алексеев С.И. Механика грунтов, основания и фундаменты. (Методические указания по выполнению курсового проекта с использованием программного обеспечения для студентов специальности "Промышленное и гражданское строительство"). Санкт-Петербург, ПГУПС, 2010.

2.       Далматов Б.И. и др. Проектирование фундаментов зданий и промышленных сооружений: Учебное пособие Далматов Б.И., Морарескул Н.Н., Науменко В.Г. - М.: Высшая школа, 1985.

.        Веселов В.А. Проектирование оснований и фундаментов: Учебное пособие. - М. Стойиздат, 1990.

.        СНиП 2.02.01. - 83*. Основания зданий и сооружений. - М.: Стойиздат, 1985.

.        СНиП 2.02.03. - 85 Свайные фундаменты. - М.: Стойиздат, 1986.

.        Руководство по проектированию свайных фундаментов НИИОСП. - М.: Стойиздат, 1986.

7.       Конспект лекций на сайте: www.buildcalc.ru <http://www.buildcalc.ru>.

.        Алексеев С.И. Программное обеспечение курса "Механика грунтов, основания и фундаменты" (Учебное пособие). Санкт-Петербург, ПГУПС, 2003, www.buildcalc.ru <http://www.buildcalc.ru>.

.        Алексеев С.И. Осадки фундаментов при реконструкции зданий. (Учебное пособие). Санкт-Петербург, ПГУПС, 2009, www.buildcalc.ru <http://www.buildcalc.ru>

Похожие работы на - Проектирование и расчет фундаментов здания монтажного цеха

 

Не нашли материал для своей работы?
Поможем написать уникальную работу
Без плагиата!
Без нейросетей!