Проектирование железобетонных и каменных конструкций одноэтажного промышленного здания
Содержание
Исходные
данные
1.
Конструктивная схема здания
.
Расчетная схема поперечной рамы
2.1
Определение размеров рамы
.2
Нагрузки на раму
.
Расчет колонны крайнего ряда
3.1
Конструктивный расчет колонны крайнего ряда
.2
Расчет колонны на монтажные нагрузки
.3
Площадь арматуры в сечении 1-1
.4
Площадь арматуры в сечении 2-2
.
Расчет предварительно напряженного элемента - подкрановой балки длиной 12 м
Литература
Исходные данные к курсовому проекту
Район строительства - Горловка
Пролет здания l = 24 м
Длина здания L = 84 м
Шаг колонн S = 12/12 м
Уровень оголовка кранового рельса Ho
= 12,65 м
Количество пролетов - один.
Грузоподъемность крана - 15/3 т.
Ветровая нагрузка - Wo= 500 Па.
Снеговая нагрузка - So = 1500 Па.
Предварительно напряженный элемент - подкрановая
балка 12 м
1. Конструктивная схема здания
Одноэтажное однопролетное железобетонное
промышленное здание 24х84 м представляет собой раму, состоящую из колонн,
защемленных на уровне верхнего обреза фундаментов и ригелей в виде ферм
покрытия, шарнирно-связанных с колоннами.
Фундаменты под сборные колонны принимаются
ступенчатые с повышенной стаканной частью. Отметка верха подколонника
принимается на 150 мм ниже условной нулевой отметки уровня пола цеха для
обеспечения возможности окончания работ нулевого цикла до монтажа колонн.
Колонны двухветвевые принимаем согласно исходным
данным и последующим расчетам.
Фермы покрытия безрасконные малоуклонные
пролетом 24 м, массой 14, 2 т (рис.1.1). Расчетная нагрузка - 4,5 -5,5 кН/м2.Уклон
кровли принимаем 5%.
Рис. 1.1 Ферма покрытия
Плиты покрытия железобетонные ребристые размером
3х12 м, массой 6,2 т (рис.1.2). Расчетная нагрузка - 1,5 - 5,9 кН/м2.
Рис. 1.2 плита покрытия
Стеновые панели размерами 1,2 ×
12м,
1,8
× 12м, 2,4 х12 и толщиной 300мм имеют массу
соответственно 5,6т, 8,5т и 11,5т.
Производственное здание оснащено мостовыми
кранами грузоподъемностью 15/3 т, которые имеют: пролет - 22,5 м, В = 6300 мм,
К = 4400 мм, нагрузку вертикальную - 222 кН, горизонтальную - 5,3 кН.
Технические условия - ТУ24-9-404-75.
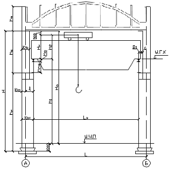
2. Расчетная схема поперечной рамы
2.1 Определение размеров рамы
Вертикальные габаритные размеры (рис.2.1)
строения зависят от технологических условий производства. Полезная высота цеха
состоит из суммы размеров головки крановой рейки и расстояния от головки
крановой рейки до низа несущей конструкции покрытия.
Рис. 2.1 Схема для расчета вертикальных и
горизонтальных размеров рамы
Полная (полезная) высота цеха - расстояние от
уровня пола до низа стропильных ферм - определяется по формуле:
H0= h1+ h2
h1 - расстояние от пола
до головки кранового рельса. Оно задается технологическим условием производства
как отметка головки кранового рельса. По условию данного проекта
.
h2 - расстояние от
отметки головки кранового рельса до низа стропильных ферм. Конструктивно оно
определяется высотой крана по каталогам Hк
h2 = Hк+ƒmax+100 мм,
где 100 - минимальный зазор между
верхом тележки крана и строительными конструкциями, установленный по
требованиям техники безопасности, мм;
ƒmax - размер,
учитывающий прогиб конструкций покрытия и высоту выступающих вниз элементов
связей, принимаемый равным 200...400 мм.
Расстояние от головки рельса до низа
конструкций покрытия:h2= 3550мм.
Следовательно, полная высота цеха от
уровня пола до низа стропильной фермы:
H0=
h1+ h2=12650+3750=16200мм
Общая высота колонн от низа башмака
до низа ригеля:
H = H0+(600…1000)=16200+1350=17550мм
Высота верхней части колонн
hв = h2+ hп.б.+
hр
где hп.б - высота
подкрановой балки, предварительно принимаемая равной 1/6...1/8 пролета балки
(пролет подкрановой балки равен шагу колонн - 12 м);п.б.=1/8∙B=12/8=1,35м,
принимаем 1мр - высота кранового рельса, определяем из каталога на
краны. Исходя из типа кранового рельса КР - 120 принимаем hр=200 мм
Следовательно, высота верхней части
колонн:
hв= h2+ hп.б.+
hр=3550+1350+200=5100мм
Высота нижней части колонн:
hн=H- hв =17550
-5100=12450мм
Высота стропильной фермы на опоре
.
Рассчитаем горизонтальные габаритные
размеры здания.
Принимаем привязку наружной грани
колонны к разбивочной продольной оси
.
Минимальное приближение габарита
крана до внутренней кромки верхней части колонны из условия безопасной
эксплуатации крана принимают для крана грузоподъемность 1000 кНс=75мм.
Свес моста крана принимаем по
каталогу кранов В1=400мм.
Ширина верхней части колонны:bв=600
мм.
Ось подкрановой балки совмещают с
осью подкрановой ветви нижней части колонны. Тогда ширина нижней части колонны:
bн= b0+ λ=250+1250=1400мм
Пролет крана
Lк=L-2∙λ=24000-1500=22500мм
Отношение
, что
удовлетворяет условию обеспечения жесткости каркаса в поперечном направлении.
Все вычисленные параметры поперечной
рамы здания представлены на рисунке 2.2.
Рис. 2.2 Схема поперечной рамы
здания
2.2 Нагрузки на раму
В постоянную нагрузку от кровельного
покрытия включаются нагрузки от всех слоев кровли, ограждающих конструкций
покрытия, железобетонных плит и несущих конструкций стропильных ферм, связей
(Таблица 1). Величину расчетной постоянной нагрузки на 1 м
покрытия
удобно определять в табличной форме (Таблица 2).
Таблица
1
Масса выбранных железобетонных конструкций
|
№
|
Вид
конструкции
|
Масса,
т
|
|
1
2 3 4 5
|
Плиты
покрытия 3х12м Стропильная ферма 24м Подкрановая балка Стеновая панель Ж/б
колона
|
6,2
14,2 11,75 5,6-11,5 19,7
|
Таблица
2
Нагрузка на 1 м2 покрытия
|
Вид
нагрузки
|
|
Характеристическое,
кН/м2
|
Коэф.
надежности
|
Расчетное
кН/м2
|
|
Постоянное
Три слоя рубероида со слоем гравия Цем. песчанаястяжка20 мм. γ
= 18
кН/м3 Утепл. из пенобетона 100 мм. γ = 5 кН/м3
Обмазная пароизоляция
|
|
0,25
0,36 0,50 0,05
|
1,3
1,3 1,2 1,3
|
0,33
0,47 0,60 0,07
|
|
Всего:
|
|
|
|
1,47
|
|
Вес
плиты размером 3×12м.
(2,7 т.) с бетонным заполнением
|
|
1,9
|
1,1
|
2,09
|
|
Всего
постоянная:
|
|
|
|
3,56
|
|
Временная
снеговая нагрузка
|
|
1,5
|
1,0
|
1,5
|
Нагрузка на крайние колонны.
Постоянные нагрузки:
. Вес кровли, плит покрытия, несущих
конструкций, конструкций фонаря.
G1 = 0,5·(g·l·a + Gф·γf+
Gпф·γf
) =0,5·(3,56·24·12+142·1,1)=590,74 кН,
де:g- расчетная нагрузка от массы1 м2
покрытия;пролет цеха;продольный шаг стропильных конструкций;
Gф - масса стропильных конструкций;
γf
- коэффициент надежности по нагрузкам.
Эксцентриситет приложения силы G1 по
отношению к центру тяжести оголовка колонны е1. е1 =+0,1
м.
. Вес верхней части колонны, приложенная на
уровне верха крановой консоли.
G2 = h·b·HB.·γ·γf=
0,6·0,6·5,1.·25·1,1
= 37,13 кН,
де: h, b- поперечное сечение верхней части
колонны;B - высота оголовка колонны;
γf
- коэффициент надежности по нагрузке.
Нагрузка приложенная по оси оголовка, потому
эксцентриситет равен нулю.
3. Нагрузка от верхних стеновых панелей3
= ΣGПАН.·γf=
2*115·1,2 = 276 кН;,
где: GПАН - суммарная масса панелей,
расположенных над верхним остеклением;
Эксцентриситет приложения силы G3 по
отношению к центру тяжести оголовка колонны е3.
е3 = -0,5·(hпан + hв)
= -0,5·(0,3 + 0,6) = -0,45 м.
η3 = hв /
H = 0,6/12,6 = 0,047;
4. Вес подкрановой балки с конструкцией пути.
G4 = (GБ.+
1,5·l)·γf=
(117,5 + 1,5·12)·1,1 =149 кН,
где: GБ - масса подкрановой балки;
,5 - масса подкранового пути в кН/м;- пролет
подкрановой балки;
Эксцентриситет приложения нагрузки G4в
отношении центра тяжести поперечного сечения подкрановой части колонны е4. е4=
+0,3 м.
. Нагрузка от веса стеновых панелей и остекления
G5 = ΣGПАН.·γf
+ 0,4·a·h· γf=
115·2·1,2 + 0,4·3,6·12·1,1 = 295 кН,
где: γf
- для стеновых панелей из легкого бетона 1,2; для остекления -1,1;
а·h - площадь остекления, приходящаяся на одну
колонну;
,4 кН/м2 - вес 1 м2 остекления.
Эксцентриситет приложения нагрузки G5
в отношении центра тяжести поперечного сечения подкрановой части колонны е5.
е5 = -0,5·(hпан + hн)
= -0,5·(0,3 + 1,3) = -0,8м.
η5= 0,47;
6. Нагрузки от массы нижней части колонны.
G6 = GСТ.·γf
- G2 = 117·1,1 - 37,13 =91,57 кН;
Нагрузка приложенная по оси колонны, потому
эксцентриситет равен нулю. Расстояние между ц.т. сечения верха и низа колонны.
е7= -0,35 м.
Временные нагрузки.
. Снеговая нагрузка на колонну:
S
= 0,5·l·a·S·γf=0,5·24·12·1,12=161,28,
где: s - нагрузка на 1 м2
горизонтальной проекции поверхности покрытия;
l, a - соответственно пролет и шаг стропильной
конструкции;
γf
- принимаем 1,4.
Эксцентриситет приложения нагрузки: е1=
0,1 м.
. Нагрузки от кранов.
Расчетный вертикальный максимальное давление
одного колеса крана (рис.2.3):
Vv = Vnv·
γf·kdyn=185·1·1,2=222
кН,
де: Vnv- максимальный нормативное
давление колеса крана;
γf
- принимаем 1,1;dyn - коэффициент динамичности, принимаем 1,0;
Расчетная горизонтальная поперечная действие
колес крана:h = 6,36 кН;
Для базы крана В с расстоянием между колесами К
нагрузки на стойку определяется по линиям влияния двух опорных реакций,
загруженных двумя кранами, с учетом коэффициента сообщения kc =
0,85.
=
Рис. 2.3 Определение максимальной
опорной реакции при крановой нагрузке
3. Ветровую нагрузку в зависимости от района
строительства определяется по ДБН В.1.2-2: 2006 «Нагрузки и воздействия» и в
зависимости от типа местности.
Рис. 2.4 Расчетная схема определения ветровой
нагрузки
,
где:
=1,04
- характерное значение ветрового
давления,
=0,5 кН/м2;
(3 район)
Сh5=1,4Сh14=1,8
Сh16=1,84 Сh18,9=1,9e3=0.54
Расчетные величины ветрового
давления:
Напор
На отметке 5.0 м Wн1=
1,04∙ 0,5∙ 0,8∙ 1,4=0,47 кН/м2;
На відмітці 14.0 м Wн2=
1,04∙ 0,5∙ 0,8∙ 1,8=0,6 кН/м2;
На відмітці 16 м Wн3=
1,04∙ 0,5∙ 0,8∙ 1,84=0,61 кН/м2;
На відмітці 18,9 м Wн4=
1,04∙ 0,5∙ 0,8∙ 1,9=0,63 кН/м2.
Отсос
На відмітці 5.0 м Wо1=
1,04∙0,4∙0,54∙1,4=0,31 кН/м2;
На відмітці 14.0 м Wо2=
1,04∙0,4∙0,54∙1,8=0,4 кН/м2;
На відмітці 16 м Wо3=
1,04∙0,4∙0,54∙1,84=0,41 кН/м2;
На відмітці 18,9 м Wо4=
1,04∙0,4∙0,54∙1,9=0,43 кН/м2.
Ветровые нагрузки по высоте колонны:
Расчетная равномерно распределения
ветровая нагрузка:
Ветровая сосредоточенная нагрузка
сверху стойки:
Геометрические характеристики колонн
рамы
- момент инерции вверху:
- момент инерции подкрановой части:
момент инерции ветки подкрановой:
Таблица
3
Данные для расчета крайней стенки колонны
|
№
п/п
|
Признак
|
Обозначение
|
Ед.
Изм.
|
Значение
|
|
1
|
Признак
стойки: двухветвевая 1
|
Р
|
-
|
1
|
|
2
|
Количество
панелей подкрановой части стойки
|
M
|
шт
|
4
|
|
3
|
Полная
высота стойки
|
H
|
м
|
12,6
|
|
4
|
Высота
надкрановой части
|
Hb
|
м
|
4,5
|
|
5
|
Момент
инерции надкрановой части
|
Ib
|
дм4
|
90
|
|
6
|
Момент
инерции подкрановой части
|
In
|
дм4
|
689,06
|
|
7
|
Момент
инерции ветви подкрановой части
|
I
|
дм4
|
6,5
|
|
8
|
Количество
средних стоек
|
N
|
Шт.
|
0
|
|
9
|
Постоянная
кровля
|
G1
|
кН
|
590.74
|
|
10
|
Эксцентриситет
|
e1
|
м
|
+0,1
|
|
11
|
Масса
оголовка стойки
|
G2
|
кН
|
37,13
|
|
12
|
Эксцентриситет
|
e2
|
м
|
0
|
|
13
|
Верхнее
сопротивление стеновых панелей
|
G3
|
кН
|
276
|
|
14
|
Эксцентриситет
|
e3
|
м
|
-0,45
|
|
15
|
Относительный
уровень по высоте
|
-0,047
|
|
|
|
16
|
Масса
подкрановой балки
|
G4
|
кН
|
149
|
|
17
|
Эксцентриситет
|
e4
|
м
|
+0,3
|
|
18
|
Нижнее
сопротивление стеновых панелей
|
G5
|
кН
|
295
|
|
19
|
Эксцентриситет
|
e5
|
м
|
-0,8
|
|
20
|
Относительный
уровень по высоте
|
-0,47
|
|
|
|
21
|
Масса
подкрановой части стойки
|
G6
|
кН
|
91,57
|
|
22
|
Эксцентриситет
|
e6
|
м
|
0
|
|
23
|
Расстояние
между центрами тяжести сечений верха и низа стойки
|
e7
|
м
|
-0,35
|
|
24
|
Масса
снега
|
Vs
|
кН
|
161,28
|
|
25
|
Вертикальная
крановая
|
Vkpv
|
кН
|
556,67
|
|
26
|
Поперечное
торможение крана
|
Vkph
|
кН
|
15,95
|
|
27
|
Ветровая
активная равномерно распределена
|
кН/м6,29
|
|
|
|
28
|
Ветровая
пассивная
|
кН/м4,18
|
|
|
|
29
|
Ветровая
сосредоточена сверху стойки
|
W
|
кН
|
31,25
|
Таблица
4
Расчетные сочетания усилий для крайних стоек
|
Соединение
|
Разрез
2-2
|
Разрез
3-3
|
Разрез
4-4
|
|
M21
|
N2
|
M34
|
N3
|
M43
|
N4
|
Q4
|
|
Постоянная
снеговая
|
1,2
(1)
|
1,2
(1)
|
1,2
(1)
|
|
Nmax
|
5,8
|
1065,2
|
322,3
|
1214,2
|
12,7
|
1600,7
|
12,2
|
|
Постоянная
временная
|
№нагр
|
1,2,5
(0,9)
|
1,3,4,5
(0,9)
|
1,5
(1)
|
|
Mmax
|
108,8
|
145,4
|
-81
|
1553,9
|
725
|
1439,4
|
105,2
|
|
№нагр
|
1,3,4,6
(0,9)
|
1,2,6
(0,9)
|
1,2,3,4,6
(0,9)
|
|
Mmin
|
-182
|
903,9
|
-435,7
|
1198,1
|
-450
|
2085,6
|
-59,9
|
3. Расчет колонны крайнего ряда
3.1 Конструктивный расчет колонны
крайнего ряда
Исходные данные для расчета:
Высота стойки Н = 16,2 м;
Высота надкрановой части Нв = 5,1 м;
Высота подкрановой части Нн = 11,1 м;
Расстояние между распорками s = 1,4 м;
Расстояние между осями ветвей с = 1,1 м;
Бетон класса В20 Rb = 11,5 МПа;
Начальный модуль упругости при пропаривании Eb
= 24·103 МПа;
Продольная арматура Æ16
А400С Ry = 365 МПа;
Модуль упругости арматуры классаА400С Rs
= 20·104 МПа;
Надкрановая часть колонны, сечение 1-1.
В сечении 1-1 действуют три комбинации расчетных
усилий.
Комбинации усилий с учетом gn
Таблица
5
Комбинация усилий с учетом
|
Усилия
|
Первое
|
Второе
|
Третье
|
|
M,
кН·м N, кН
|
5,51
1011,94
|
103,36
138,13
|
172,9
858,7
|
|
Коэффициентgb2
|
0,9
|
1,1
|
1,1
|
В том числе долгосрочная часть нагрузки:
Ml = 0,95·M21 = 0,95·0,2=
0,19 кН·м;l = 0,95·N21 = 0,95·903,9 = 858,7кН;b
= gb2·Rb
= 1,1·11,5 = 12,65 кН;
Расчетная длина надкрановой части в плоскости
поперечной рамы при разрезных подкрановых балках без учета нагрузки от крана:
l0= 2,5·Hв = 2,5·5,1 =
11,25 м;
Радиус инерции разреза:
Гибкость колонны:
l = l0 / і = 1125 /17,32 = 64,95;
Так как l> 14,
учитывается влияние колонны на величину эксцентриситета.
Эксцентриситет продольной силы:
e0 = M/N = 17290/858,7 = 20,1 см;
Эксцентриситет должен быть не меньше
e0 = H/600 = 1260 /600 = 2,1 см;0 = h/30 =
60/30 = 2 см;
Принимаем расчетный эксцентриситет e0 = 20,1см;
Момент всех сил относительно центра тяжести
растянутой арматуры, ось 1-1
М1 = М+N·(h0 - a’)/2 =
17290 + 858,7·(57-3)/2 = 40475кН·см;
Момент постоянно действующих сил относительно
той же оси:
M1l = Ml + Nl·(h0 - a’)/2 =
95 + 858,7·(57-3)/2 = 23232,4 кН∙см
Коэффициент, который учитывает продолжительность
действия нагрузки для тяжелых бетонов:
j = 1+M1l/M1 = 1+23232,4
/40475 = 1,57
Относительный эксцентриситет:
de = e0/h =20,1/60
= 0,33 ;
Его граничное минимальное значение:
de,min =0,5-0,01·l0/h - 0,01Rb·
= 0,5-0,01·1125 /60 - 0,01·12,65 = 0,19;
Принимаем de
= 0,33;
Предварительно принимаем общий коэффициент
армирования m = 0,006. Определяем момент инерции арматуры
относительно центра тяжести разреза:
IS = m·A·(h/2-a)2
= 0,006·50·60·(60/2 -3)2 = 13122см4;
Отношение
a = ES/Eb= 8,3;
Момент инерции бетонного разреза относительно
собственного центра тяжести:= b·h3/12 = 50·603/12 = 90·104см4;
Критическая продольная сила:
Коэффициент, учитывающий влияние прогиба на эксцентриситет:
Полный эксцентриситет:
е = e·h+h/2 - a = 20,1·1,29+ 60/2 - 3 = 52,73см;
Характеристика сжатой зоны бетона:
w = 0,85 - 0,008·Rb =
0,85 - 0,008·12,65 = 0,75;
Предельная относительная высота
сжатой зоны:
Относительная величина продольной
силы:
n = N/Rb·b·h0= 858,7/1,265·50·57 = 0,24 < 0,63
- случай больших эксцентриситетов;=
N·e/Rb·b·h02=
858,7·52,73/1,265·50·572 = 0,22;
d
= а’/h0 = 3/57 =
0,053;
Площадь симметричной арматуры:
По минимальному проценту армирования
для гибкости l =65, m = 0,002, площадь арматуры:
AS = A’S = m·b·h0/2 = 0,002·50·57/2 = 2,85 см2;
Принимаем конструктивно3Æ16А400СAS
= 6,03.
Рис. 3.1 Поперечный разрез
надкрановой части колонны
Подкрановых часть колонны, сечение
2-2.
В сечении 2-2 действуют три
комбинации расчетных усилий.
Усилия от долгосрочной постоянной нагрузки:
Ml = 0,95·M43 = 0,95·82=
77,9 кН·м;l = 0,95·N43 = 0,95·1439,4= 1367,43 кН·м;b
= gb2·Rb
= 1,1·11,5 = 12,65 кН;
Таблица
12
Комбинации усилий с учетом gn
|
Усилия
|
Первое
|
Второе
|
Третье
|
|
M,
кН·м N, кН Q, кН
|
12,06
1520,66 11,59
|
688,75
1367,43 99,94
|
-427,5
1981,32 -54,06
|
|
Коеффициент
gb2
|
0,9
|
1,1
|
1,1
|
Расчетная длина подкранового части колонны без
учета крановой нагрузки при разрезных подкрановых балках и многопролетных
зданий:
l0= ψ·HН
= 1,2·8,1 = 9,72 м;
Радиус инерции разреза:
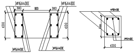
Рис 3.2 Армирование ветвей и распорки
двухветвевой колонны
Приведенная гибкость колонны:
l = l0 / і = 972/79,57 = 12,22<14;
Следует учитывать влияние прогиба колонны на
величину эксцентриситета продольной силы:
e0 = M/N = 68874/1367,43 = 50,4см;
Момент всех сил относительно центра тяжести
растянутой арматуры, ось1-1
М1 = М+N·с/2 = 688,74+1367,43·1,05/2
= 1405,6 кН·см;
Момент долговременных действующих сил
относительно той же оси:
M1l = Ml + Nl·с/2
= 77,9 + 1367,43·1,05/2 = 795,8кН∙см
Коэффициент, учитывающий длительность действия
нагрузки:
φl
= 1 + M1l/М1= 1 + 795,8/1405,6=1,57
Относительный эксцентриситет:
δе
= е0/h=
50,4/130 =0,38;
Предельное значение относительного
эксцентриситета:
δe,min
=0,5-0,01·l0/h
- 0,01·Rb = 0,5 - 0,01·990/130 - 0,01·12,65 = 0,45;
Принимаем: δе
=0,45;
Момент инерции бетонного сечения подкрановой
части:
I = bdc2/2 = 50·25·1052/2
= 6,9∙106 см4;
Приведенный момент инерции арматуры при общем
коэффициенте армирования ветки:
m =( AS+ A’S)
/b·d=0,006; a = ES/Eb= 8,3;
IS,red =2am
∙b∙ d∙(c/2)2 = 2∙8,3 ∙0,006∙50∙25∙(105/2
)2 = 343153,125см4;
Условная критическая сила:
Коэффициент, учитывающий влияние
прогиба на эксцентриситет:
Продольное усилие в ветвях колонны:
в левой ветке Nbл = -5,03
кН
в правой ветке Nbп =
1372,47 кН
Изгибающий момент в ветвях колонны:
Mb= Q·s/4 = 99,94∙
1,4/4 = 34,98кН·м
Расчет правой ветви на внецентренное
сжатие.
Относительная величина продольной
силы
n=N /Rbb·h0=1372,47/1,265·50·22=0,99
Относительная предельная высота стиснутой зоны
бетона при
gb2=1,1 та w = 0,85 -
0,008·Rb = 0,85 - 0,008·12,65 = 0,75;
Предельная относительная высота сжатой зоны:
Так как
имеем случай
малых эксцентриситетов.
Эксцентриситет продольной силы
e0
= Mb/Nb,n=3498/1372,47=2,55см
Эксцентриситет относительно центра
тяжести растянутой арматуры
e =e0+0,5h-a=2,55+0,5·25-3=12,05см
Относительный момент:
m = N·e/Rb·b·h02=
1372,47·12,05/1,265·50·222 = 0,54;
d
= а’/h0 = 3/22 =
0,14;
конструктивный
железобетонный колонна балка
Коэффициент
α=
=
Относительная высота сжатой зоны
Площадь симметричной арматуры:
При гибкости ветви l =0,9s/d=0,9·140/25=5,04 и
минимальный процент армирования, mmin = 0,1%, площадь арматуры:
AS
= A’S = m
min
b·h0/2
= 0,001·50·22/2 = 0,55 см2;
Принимаем конструктивно 3Æ16А400СAS
= 6,03 см2;
Расчет левой ветви на внецентренное
сжатие.
Эксцентриситет продольной силы:
e0
= Mв/Nв.л. = 3498/5,03 = 695,4 см;
Полный эксцентриситет:
е = e0+h/2 - a = 695,4+ 25/2 - 3 = 704,9
см;
Принимаем конструктивно 3Æ16А400СAS
= 6,03 см2;
Несущая способность подкрановой
части колонны в плоскости, перпендикулярной площади сгиба.
Расчетная длина при наличии
продольных связей:
l0=
0,8·HH = 0,8·1110 = 648 см;
Радиус инерции:
;
При гибкости l = l0 / і =
660/14,5 = 45,5 > 14 необходимо учитывать влияние прогиба на прочность;
Значение случайных эксцентриситетов:
e0
= b/30 = 50/30 = 1,67 см;e0 = HН/600
= 1110/600 = 1,35 см;e0>1 см.
Принимаем большее значение: e0 = 1,67 см;
Эксцентриситет равнодействующей
относительно арматуры АS:
е = e0 + 0,5·b - а = 1,67 + 0,5·50 - 3 =
23,67 см;
Расчетная нормальная сила при
третьей комбинации усилий N = 1981,32 кН, в том числе долгосрочная действующая
на основе
gn = 0,95∙Nl =
0,95·1439,4 = 1367,43 кН;
Момент сил относительно центра
тяжести арматуры:
М1 = N·e= 1981,32·23,67 =
46898 кН·м;
М1l = Nl·e=
1367,43·23,67= 32367 кН·м;
Коэффициент:
jl = 1+M1l/M1 =
1+32367 /46898 = 1,69;
Относительный эксцентриситет:
de= e0/h = 1,67/50 = 0,03;
Его минимальное значение:
de,min = 0,5-0,01·l0/h-0.01·Rb =
0,5-0,01·648/50-0,01·12,65 = 0,24;
Принимаем de= 0,24;
Момент инерции бетонного сечения:
І = 2·25·503/12 = 5,2·105
см4;
Момент инерции арматуры при общем
количестве арматуры с одной стороны ветки
4 Æ16А400С AS = 8,04 см2;S
= 2·AS·(h/2-a)2 = 2·8,04·(50/2 -3)2 = 7783см4;
Критическая продольная сила:
Расчетный эксцентриситет:
е = e0·h+h/2 - a =
1,67·1,38 + 50/2 - 3 = 24,3 см;
При n = N/Rb·b·h0=
1981,32/1,265·50·47 = 0,66 > 0,58
- случай маленьких эксцентриситетов;
m = N·e/Rb·b·h02=
1981,32·23,67/1,265·50·472 = 0,34;
d
= а’/h0 = 3/47 =
0,064;
Коэффициент
α=
=
Относительная высота сжатой зоны:
Площадь симметричной арматуры:
Принимаем конструктивно 4Æ16А400СAS
= 8,04 см2;
Расчет распорки.
Изгибающий момент в распорке:
MP = Q·s/2 = 99,94·1,4/2
= 69,96 кН·м;0 = h - a =40 - 3 = 37 см;
Площадь симметричной арматуры:
Принимаем
3Æ16А400С AS = 6,03см2;
Поперечная сила:
QР = 2·МР/с =
2·69,96/1,05 = 133,26 кН;
При классе бетона В20 расчетное
сопротивление на растяжение Rbt=0,9МПа.
Поперечная сила воспринимаемая
бетоном распорки при φb3= 0,6:
Qb = φb3·γb2·Rb·b·h0 = 0,6·1,1·0,09·50·37 = 109,89 кН;
Так как QР>Qb, необходим
расчет поперечной арматуры.
Принимаем в распорке двухсрезные
хомуты 2Æ6А240С с
шагом 150мм. Расчетное сопротивление поперечной арматуры Rsw=175МПа.
Поперечная сила, воспринимаемого на единицу длины распорки:
qsw
Поперечная сила, воспринимаемая
хомутами и бетоном распорки:
Qwb
=
Прочность наклонных сечений распорки
обеспечена.
3.2 Расчет колонны на монтажные
нагрузки
Прочность колонны проверяется на
нагрузку при транспортировке и монтаже. Нагрузки от собственного веса колонны
учитывается с коэффициентом динамичности:дин = 1,6 - при
транспортировке;дин = 1,4 - при монтаже.
Подъем колонн при изготовлении и
отгрузке выполняется за две точки. Транспортировка и складирование колонн
происходит в тех же точках.
Проводим проверку колонны на
монтажные нагрузки. Полная длина подкранового части колонны
l = НН + 1 м. = 11,1 + 1
= 12,1 м;
Расчетный вес колонны:
– вес надкрановои части:
G1 = G2/γf=
37,13/1,1 = 33,75 кН;
– вес подкрановой части:
G2 = G6/γf=
91,57/1,1 = 83,24 кН;
Погонные нагрузки с учетом коэффициента
динамичности kдин = 1,4:
g1 = kдин·G1/HВ=
1,4·33,75/4,5 = 10,5 кН/м;2 = kдин·G2/HН=
1,4·83,24/9,1 = 12,81кН/м;
Изгибающие моменты:
в сечении 1-1 на уровне верха подкрановой
консоли:2 = g1·HВ2/2 = 10,5·4,52/2
= 106,3 кН·м;
- максимальный момент в подкрановой части колонны
в сечении при наличии одностороннего опорного момента на расстоянии
x = 0,425·l = 0,425·9,1 = 3,86 м;
a. Площадь арматуры в сечении 1-1
1. Вокруг граней, перпендикулярных плоскости
колонны
v = 0,972
Принимаем 3Æ16А400С AS=
6,03 см2;
. Вокруг граней, параллельных плоскости колонны
v = 0,970
Принимаем 3Æ16А400С AS
= 6,03 см2;
b. Площадь арматуры в сечении 2-2.
1. В гранях, параллельных плоскости колонны
см2;v = 0,972
Принимаем 4Æ18А400С AS
= 10,18 см2;
. В гранях, перпендикулярных
плоскости колонны усилия в ветвях колонны
N в=М 5/c=84,37/1,05=80,35
кН
В этом случае подкрановых часть
работает как безраскосная ферма.
Принимаем 4Æ18А400С +2Æ16А400С AS
= 14,2 см2;
4. Расчет предварительно
напряженного элемента - подкрановой балки длиной 12 м
Конструктивные решения. Основные геометрические
размеры.
Номинальный пролет балки, шаг колонн вдоль цеха
1 = 12,0 м, конструктивная длина балки 11,95 м; расчетный пролет
10 = 11,95 - (0,2 / 2) -2 = = 11,75 м
(0,2 м ширина опорной закладной детали балки).
Принимаем поперечное сечение подкрановой балки
двутавровой несимметричной формы:
высота балки
h=l0/8 =11,75/8≈1,40 м,
толщина верхней полки
h'f/=h/8 =1,40/8=0,18 м
ширина
h'f/=h/8 =1,40/8=0,18 м
Изготовление балок предусматривается из бетона
класса В40 с пропариванием. Напряженная арматура выполняется из спиральных
семижильных канатов класса К-7, а ненапряженная рабочая - класса А400C. Способ
натяжения арматуры - механический на упоры. По условиям эксплуатации балка
должна быть второй категории трещиностойкости.
Определение нагрузок
Постоянная нагрузка - собственный вес
балки и подкранового пути
Временная нагрузка на подкрановых балках от
мостовых кранов - вертикальное от колес крана и горизонтальные инерционные
усилия, которые развиваются при торможении тележки с грузом на мосту крана
(поперечное торможение).
Для заданного крана грузоподъемностью 15/3 т
используем следующие характеристики: ширина крана В = 6300 мм, база крана К =
4400 мм, нагрузка от колеса на рельс подкранового пути Рmax = 185
кН, собственный вес тележки Gт = 52 кН, крана G = 305 кН.
Временную вертикальную нагрузку от колеса крана
на рельс
Рmax = Р nmax
γ
f
=185
1,2=222кН.
Временную горизонтальную нагрузку (поперечное
торможение)
T=[(Q + Gт)/40]γf
= [(160+ 52)/40] 1,2= 6,36 кН;н= (160+ 52)/40= 5,3 кН.
Определение усилий
|
Элементы
|
Характеристичная
нагрузка
|
Коэф.
надежности
|
Расчетная
нагрузка
|
|
|
|
|
|
Подкрановая
балка (0,14 1,4+(0,65-0,14)0,2+
+(0,34-0,14) 0,345)25
|
9,2
|
1,1
|
10,1
|
|
Подкрановые
рейка и элементы крепления
|
1,5
|
1,1
|
1,65
|
|
qn=10,7
|
|
q=11,75
|
Максимальный момент от вертикальной нагрузки
М=722 кн*м
Максимальный момент от собственного веса
М=q∙ l2/8=10,7∙ 11,952/8=191
кН∙ м=722+191=913 кн*м
Мт=(722/315)∙5,3=12,15
Предварительный подбор продольной арматуры
Допускаем, что
х = hf’= 200 мм,f=h-hf
/2=1400-300/2=1250 мм
Ap=
Принимаем 8Ø15К7, Aр
= 1133 мм2
Площадь сечения напряженной
арматуры, в верхней полке:
Ap’= 0,15Ар
= 0,15
1133=170 мм2
Принимаем 2 Ø 15К.7
(Ар’=283 мм2)
Рис. 4.1 Армирование подкрановой балки
Вычисление геометрических характеристик
поперечного сечения в середине пролета балки приведено в табл.4.1.
Таблица
4.1
|
Элемент
сечения
|
Аі
, см2
|
ai
, см
|
St=
Ai ai. см3
|
Ii
= Si ai.см4
|
Ici,
см4
|
|
Свесы
верхн. полки
|
51х18
= 918
|
131
|
120
258
|
15
753 798
|
51*183/12=
24786
|
|
Скосы
верхней полки Стенка
|
51х4/2=102
140-14=1960
|
120,67
70
|
12
308 137 200
|
1
485 247 9 604 000
|
91
14 • 1403 12= 3 201 333
|
|
Расширения
нижней полки
|
600
|
15
|
9000
|
135
000
|
20
• З03/12= 45 000
|
|
Скосы
нижней полки
|
90
|
33
|
2970
|
98
000
|
2*10*93/36=400
|
|
Арматуры
нижнего пояса Арматуры верхнего пояса
|
19,82-5,53=
9,6 2,8 -5,53= 5,6
|
14
131
|
1534
2044
|
21
476 267 764
|
-
|
=3271610;
Aр=3795; Sр=285314;
=27365285
Ордината центра тяжести сечения
Y = Sр/Ар= 314/3795 = 75,2 см.
Момент инерции сечения относительно оси,
проходящей через центр тяжести,
Iр=
+
-y/2Aр=27
365 285 + 3 271 610-75,22-3795 = 91 760
102
см4.
Моменты сопротивления приведенного сечения в
допуске напряженной работы:
Wрн=
;
Моменты сопротивления приведенного
сечения с учетом пластических свойств растянутого бетона:
=γ
=1,5
122
103=183
103
см3;
=γ
=1,5
141,6
103=212,4
103
см3;
Расстояние от центра тяжести сечения
до ядровых точек
=φ
/ Aр
=0,8
122
103/3795=25,7
см;
= φ
/ Ared
=0,8
141,6
103/3795=29,8
см;
Предварительное напряжение арматуры
и его потери
Принимаем исходное предварительного
напряжения арматуры σр = 1240 Мпа.
+
-
де:
=0,05
=0,05*1240=62 МПа
1.
Первые потери:
∆l=1,25+0,15d=1,25+0,15∙
15=3,5 мм=12+2∙ 1=14 м
σ4=0; σ5=0
Определяем предварительное напряжение σPI
и
усилия P0I с учетом потерь σ1...…
σ5
σp=σp-σ1-σ2-σ3=1240-1362-81-45=977.8
Мпа0I= σp(Ap+
Ap’)=977,8(1133+283)=1385∙ 103 Hp=y-ap=752-130=622
ммp’=h-y-ap’=1400-752-90=558 мм
Напряжение в бетоне на уровне центра
тяжести арматуры Sp:
арматуры Sp’:
Потери от ползучести:
Таким образом, первые потери
σп1=σ1+ σ2+ σ3+ σ6=136,2+81+45+6,8=269
МПа
σп1’=σ1+ σ2+ σ3+ σ6’=132,2+81+45+1,8=264
МПа
Соответственно
σр1=σр+ σп1=1240-269=971
МПа
σ’р1=σ’р+ σ ‘п1=1240-264=976
МПа01=
σpIAp+σ ‘p Ap’=971∙
1133+976∙ 283=1376 кН
2.
Вторые потери:
σ8
= 40 Мпа;
σ9
= 150φσbр/RЬp
= 150 • 0,85 • 5,98/30 = 25,4 МПа
σ’9
= 150φσ’bр/RЬp
= 150 • 0,85 • 1,56/30= 6,6 МПа;
σп2
= σs+
σ9 = 40 + 25,4 = 65,4
МПа;
σ'п2=σ'8+
σ'9
= 40 + 6,6 = 46,6 МПа .
Суммарные потери
σп
= σп1 + σп2
= 269 + 65,4 = 334,4 МПа;
σ ‘п
= σ'п1+
σ'п2
= 264 + 46,6 = 310,6 МПа.
Таким образом
σр2
= σ0
+ σп = 1240+ 334,4 =
905,6 МПа;
σ ‘р2
= σ'0+ σ'п
= 1240 + 310,6 = 929,4 МПа02= σp2Ap+
σ’p2Ap’=905,6∙
1133+929,4∙ 283=1289 кН
Расчет нормальных сечений к
продольной оси элемента.
Проверка прочности в стадии
изготовления. Рассматриваем нормальное сечение в месте установки монтажной
петли (1Х = 1,5 м). В этом сечении верхняя зона растянута, нижняя -
сжата:р=283 мм2
Ap’=1133 мм2
h0=1400-90=1310
ммf’=340 ммf’=345 мм
Ар’=130 мм
Ар=90 мм
Усилия обжатия при натяжении
арматуры на упоры:
Потому что N = 870 < Rb∙
bf’∙ hf'-RsAp = 1,1∙ 17∙ 340∙
345-1100∙ 283 = 1882 кН;
высота сжатой зоны:
Проверяем прочность сечения:
Прочность сечения обеспечена.
Расчет по образованию трещин в
стадии изготовления.
Мg= 15,5 кН ∙ м;
Р01 = γрσр1Ар‘=
1,1∙ 9761∙ 1133 = 1210 ∙ 103 Н;
Расчет дополнительной арматуры торца
балки.
Asw=kР01/Rs = 0,3 • 1385 • 103/375=
1108мм2.
Хомуты принимаем с двумя отраслями
из стержней класса А400C диаметром 10 мм.
Необходимое число хомутов
пш= 1108/(2 • 78,5) = 7 шт.
Шаг хомутов - 50 мм.
Располагают их по длине
lw=6
50 = 300
мм>0,6∙ lР =0,6 • 872 = 523 мм.
Проверка прочности при действии
вертикальных нагрузок.
Aр=1133 мм2 ;
Ap’=283 мм2
h0=1400-130=1270
мм ; bf’=650 мм; b=140 ммf’=200 мм; ар=130 мм;
Rs=1100 МПа
σс=400-γр∙ σр2=400-1,1∙
929,4=-622 МПаsAp =1100∙ 1133=1246 кН < Rb∙
bf’∙ hf’-σсAp’=1,1∙
22,5∙ 650∙ 200+622∙
283=3041 кН
Нейтральная ось проходит в полке
ξ0=0,85-0,008∙ 1,1 ∙22,5 =
0,652
σξ=Rs+400-γр∙ σр2=1100+400-0,9∙
905,6=685 МПа
Rbbf‘ h02 ξ(1-
ξ/2) + σcA'p(h0 - a'p) =1,1 ∙22,5 ∙ 650 ∙12602 ∙0,07(1
-
0,07/2)-
622 283 (1260 - 90) = 1519 кН м >
M = 913 кН м.
Прочность нормального сечения
обеспечена
Проверка прочности при действии
горизонтальных нагрузок
При упрощенном расчете предполагаем,
что изгибающий момент от горизонтальных нагрузок воспринимается верхней полкой
балки. В расчете учитываем только площадь сечения арматуры Ар = Ар’=
283/2 = 141 мм2.
Высота сжатой зоны
ξ = x/h0 = 54,5/(650 - 70) = 0,09 < ξR
ξ < 2a'p/h0 = 2 ∙ 70/580 = 0,241b
Ар(h0- ap’)=1100∙
144(580-70)=79,1 кН∙ м>Мт=15,36 кН∙ м
Расчет по образованию трещин.
Расчет нормального сечения по образованию
трещин делаем по формуле:
Мсrс=Rbt,serWPl+yp02(e0p+rв)
=2∙ 183 ∙ 106+1∙ 1376∙ 103(385 +
257) = 1249
кНм> Mser= 913 кН∙
м
Расчет по раскрытию трещин не нужен.
Расчеты сечений, наклонных к
продольной оси элемента. Расчет по прочности.
Q = γсγfΣРнmaxy
+ g (l0/2 - lx) = 0,85 ∙ 1,2 ∙185 ∙
(4,05 + 9,15+10,35)/11,75 +
11,75 (11,75/2-1,40) = 430,8 кН.
Элемент рассчитывается по наклонным
сечениям, так как
Q = 430,8 кН> φb4 Rbtb
h0=0,6∙
1,1∙ 1,4∙ 140∙ 120=163 кН
На приопорном участке принимаем
хомуты из двух ветвей диаметром 10 мм с арматурной стали класса А400С с шагом
s=200 мм.
Усилие, воспринимаемое хомутами
qw=RswAw/S=290∙
78,5∙ 2/200=228 Н/мм
Длина проекции опасной наклонной
трещины
Прочность сечения обеспечена.
Расчет по деформациям
Расчет производим на действие
постоянных, длительных и кратковременных нагрузок при коэффициенте надежности
по нагрузке γf=1: Mс=
913 кН∙ м (при действии двух сближенных кранов); Ml с= 856 кН ∙
м (при действии одного крана с vf = 0, 6);
Mк,с= 913 - 856 = 57
кН-м.
Вычисляем кривизну в сечении (при
действии указанных нагрузок) без трещин в растянутой зоне:
Полное значение кривизны:
1/rт=1/rк +1/r
l t -1/rср-1/rр=(0,22+6,75-1,94-0,94)•10-7=4,09•10~7
1/мм.
Прогиб определяем по приближенной
формуле:
f=s(1/rt)l02= (1/10)∙
4,09∙ 10-7∙117502=5,65
Относительный прогиб
f/l=5,65/11 750= 1/2075< 1/600
Литература
1. Улицкий
И.И. «Железобетонные конструкции (расчет и конструирование)» - К.: Будівельник,
1972 - 992с.
2. Байков
В.Н., Сигалов Э.Е. Железобетонные конструкции: Общий курс; Учебник для вузов.
-5-е изд., перераб. и доп. - М.: Стройиздат, 1991.
3. Железобетонные
конструкции: Курсовое и дипломное проектирование / Под ред. А.Я. Барашикова. -
К.: Вища шк. Головное изд-во, 1987. -416 с.
4. Бондаренко
В.М., Судницын А.И. Расчёт строительных конструкций. Железобетонные и каменные
конструкции: Учеб. пособие для строит. вузов. - М.: Высш. шк., 1984. -176 с.,
ил.
. СНиП
2.03.01-84*. Бетонные и железобетонные конструкции / Госстрой СССР - М.:ЦИТП
Госстроя СССР, 1989. -80 с.
. СНиП
II-22-81. Каменные и армокаменные конструкции / Госстрой СССР - М.: Стройиздат,
1983. -40 с.
7. СНиП
2.01.07-85. Нагрузки и воздействия / Госстрой СССР - М.: ЦИТП Госстроя СССР,
1989.