Расчет и конструирование сборных железобетонных конструкций многоэтажного производственного здания
БЕЛОРУССКИЙ
НАЦИОНАЛЬНЫЙ ТЕХНИЧЕСКИЙ УНИВЕРСИТЕТ
МЕЖОТРАСЛЕВОЙ
ИНСТИТУТ ПОВЫШЕНИЯ КВАЛИФИКАЦИИ И ПЕРЕПОДГОТОВКИ КАДРОВ ПО МЕНЕДЖМЕНТУ И
РАЗВИТИЮ ПЕРСОНАЛА БНТУ
КАФЕДРА
СТРОИТЕЛЬСТВА И ЭКСПЛУАТАЦИИ ЗДАНИЙ И СООРУЖЕНИЙ
РАСЧЕТНО-ГРАФИЧЕСКАЯ РАБОТА
по дисциплине
«Железобетонные и каменные конструкции»
Тема: «Расчет и конструирование
сборных железобетонных конструкций многоэтажного производственного здания»
Исполнитель:
А.В. Солнце
Руководитель:
И.И. Неверович
Минск 2013
Содержание
Введение
. Расчет и конструирование плиты
перекрытия
.1 Компоновка сборного балочного
перекрытия
.2 Определение нагрузок
.3 Определение расчетных усилий
.4 Расчет прочности продольных рёбер
по нормальным сечениям
.5 Расчет прочности продольных ребер
по наклонным сечениям
. Расчет и конструирование балки
перекрытия (ригеля)
.1 Определение нагрузок и расчетных
усилий
.2 Расчет ригеля по нормальным
сечениям
.3 Расчет ригеля по наклонным
сечениям
. Расчет и конструирование колонны
среднего ряда первого этажа многоэтажного производственного здания
. Расчет и конструирование фундамента
под колонну среднего ряда
.1 Определения расчетных усилий и
размеров фундамента
.2 Расчет рабочей арматуры подошвы
фундамента
Список использованной литературы
Введение
В настоящей работе приведен расчет и конструирование элементов сборного
железобетонного каркаса многоэтажного промышленного здания. Расчет элементов
выполнен по первой группе предельных состояний.
Работа состоит из расчетно-пояснительной записки и рабочих чертежей
элементов сборного балочного перекрытия в составе плиты перекрытия и ригеля, а
также колонны и фундамента.
Расчет конструкций выполнен в соответствии с нормами проектирования СНБ
5.03.01-02 «Бетонные и железобетонные конструкции».
Исходные данные для выполнения курсовой работы приведены в задании, в
котором указаны размеры здания в плане, количество и высота этажей, полезная
нормативная нагрузка на перекрытие и район строительства.
1. Расчет и
конструирование плиты перекрытия
.1 Компоновка
сборного балочного перекрытия
Основными элементами сборного перекрытия являются ригели (балки) и
опирающиеся на них плиты. При разработке маркировочной схемы перекрытия
приняты:
- сетка колонн 6400х6000 мм;
поперечное направление раскладки ригелей. Сечение ригеля -
прямоугольное. Ригель воспринимает равномерно распределенную нагрузку,
передаваемую опирающимися на него панелями перекрытия;
прямоугольное сечение
пустотные панели плит перекрытия (т.к. нормативная нагрузка на
перекрытие 2,5 кН/м2 < 7 кН/м2), размерами 6400х1500 мм и 6400х1300 мм (в
плитах перекрытия расположенных к осям «Б» и «В»).
устройство вкладыша предварительно равного шириной 400 мм, т.е.
равными размеру стороны колонны.
Армирование конструкций принято сварными сетками и каркасами. В качестве
продольной рабочей арматуры применена арматура класса S400. В качестве
монтажной и поперечной применяется арматура класса S240. Сетки плиты
выполняются из арматуры класса S500, а сетки фундаментов - из арматуры класса
S400.
Для плит и балок применяется бетон класса С16/20 и выше. Колонны
изготавливаются из бетона С16/20 и выше, фундаменты - из бетона С12/15-С20/25.
1.2
Определение нагрузок
Нагрузки на 1 м2 плиты перекрытия складываются из постоянной нагрузки (от
собственной массы плиты и заданной конструкции пола) и переменной (полезной),
принимаемой по заданию. Для определения расчетных нагрузок коэффициенты
безопасности по нагрузке определяются по СНБ 5.03.01-02 «Бетонные и
железобетонные конструкции»:
- от веса железобетонных конструкций γF
=1,35
- от веса выравнивающих и отделочных слоев (плиты, засыпки, стяжки и
др.), выполняемых на строительной площадке γF
=1,35
- для равномерно распределенных переменных нагрузок на перекрытия и
лестницы (полезных) γF
=1,5
- от снеговой нагрузки γF
=1,5
Степень ответственности и капитальности зданий учитывается коэффициентом
надежности по назначению γn [8]:
- I-й уровень - 0,95 < γn ≤ 1,2 - АЭС, телебашни, трубы,
спортивные сооружения, учебные заведения т.п.;
II-й уровень - γn = 0,95 - промышленные и гражданские и жилые
здания и т.п.;
III-й уровень - 0,85 ≤ γn < 0,95 - склады, одноэтажные жилые дома,
временные здания и т.п.
При расчете конструкций по предельным состояниям первой группы при
постоянных и переходных (временных) расчетных ситуациях следует принимать
наиболее неблагоприятное из следующих сочетаний нагрузок (п.А.4 [1, 2]):
первое основное сочетание
второе
основное сочетание
где
Gk,j - нормативные значения постоянных нагрузок;,1 - нормативное значение
доминирующей переменной нагрузки;,i - нормативные значения сопутствующих
переменных нагрузок;
- частный
коэффициент безопасности для постоянных нагрузок;
- то же,
для переменных нагрузок;
-
коэффициент сочетаний переменных нагрузок (кабинеты, лаборатории);
-
коэффициент уменьшения для неблагоприятно действующей постоянной нагрузки.
Состав
перекрытия показан на рисунке 1.1.
Рис.
1.1. Состав перекрытия
Таблица 1.1. Подсчет нагрузок на 1 м2 перекрытия
|
№
|
Наименование нагрузки
|
Нормативное значение, кН/м2
|
 Расчетное
значение, кН/м2
|
|
|
|
Постоянная нагрузка
|
|
|
|
|
|
1
|
Ксилолит верхний слой мм
|
|
|
|
|
|
(18 кН/м3) 1х1х0,01х18
|
0,18
|
1,35
|
0,95
|
0,23
|
|
2
|
Ксилолит нижний слой мм
|
|
|
|
|
|
(10 кН/м3) 1х1х0,01х10
|
0,1
|
1,35
|
0,95
|
0,13
|
|
3
|
Сборная железобетонная
плита
|
|
|
|
|
|
перекрытия
|
0,3
|
1,35
|
0,95
|
3,84
|
|
Итого : g = 4,2
|
|
Переменная нагрузка
|
|
|
|
|
|
Полезная нагрузка
|
2,5
|
1,5
|
0,95
|
3,56
|
|
Итого: q = 3,56
|
Принимая
кН/м2 (постоянная нагрузка) и
кН/м2 (переменная нагрузка) составляем основные
сочетания нагрузок на плиту:
первое
основное сочетание= 4,2 + 0,7·3,56 = 6,69 кН/м2;
второе
основное сочетание= 0,85·4,2 + 3,56 = 7,13 кН/м2.
Наиболее
неблагоприятным для плиты будет второе сочетание нагрузок.
1.3
Определение расчетных усилий
При опирании панелей перекрытия на ригель прямоугольного сечения (рис.
1.1) расчетный пролет равен
где b-ширина сечения ригеля, которая принимается в зависимости от высоты
ригеля.
b=
(0,3…0,5)h, кратно 5 см

L1 ,кратно 5 или 10 см
Зазор
между торцами плит азаз.= 40 мм.
Для
обеспечения надежного опирания панелей ширина ригеля принимается равной 220 мм.
6400=640…533,3.
Принимаем h=600мм;
b=(0,3…0,5)
600=180…300. Принимаем b=220мм;
l0=6400-220/2-40/2=6270
мм.
Расчетная
нагрузка на 1 м.п. плиты
qп = bп(g + q)
кН/м.п., где bп - ширина плиты.
В
нашем случае qп= bп∙p, кН/м.п., где p- наибольшее из
p1либо p2.
Плита
рассчитывается в продольном направлении как однопролетная, свободно лежащая
балка, пролетом ℓ, загруженная равномерно распределенной нагрузкой qп.
Расчетная схема приведена на рисунке 1.2.
Рис. 1.2. Расчетная схема при опирании панели на ригель
qп=
1,5·7,13=10.7 кН/м.п.
Усилия от расчетных нагрузок:
кН·м,
кН
Принимаем
высоту плиты hp=220 мм
Требуемое
количество отверстий при толщине промежуточных ребер 40 мм:
n=1500:(159+40)=7,54
Проектируем
панель 7-ми пустотной, тогда количество промежуточных ребер 6. В расчете
поперечное сечение плиты приводим к эквивалентному сечению. Заменяем площадь
круглых пустот прямоугольниками той же площади и того же момента инерции.
мм
мм
Ширина
полки панели
, вводимая в расчет равна
=
, мм
где
- ширина плиты в осях.
Но
должна быть не более

Где
b равна сумме bрёб, а bсв
.
Полезная
высота сечения d=h - c=220 - 40= 180 мм (предварительно),
где
с = 3…5 см - расстояние от равнодействующей усилий в рабочей арматуре до нижней
грани сечения ребра.
Ширина
крайних ребер:
мм
b=40x6+2х85=410
мм.
1.4 Расчет
прочности продольных рёбер по нормальным сечениям
Основные расчетные формулы:
,
,
Где
- класс бетона, принимаемый по табл. 5.2 [1, 2] в
зависимости от класса по условиям эксплуатации (см. ниже). Принимаем бетон
С16/20.
-
нормативное сопротивление бетона,
МПа;
-
изгибающий момент, действующий в рассматриваемом сечении,
кН·м;
-
коэффициент, учитывающий длительное действие нагрузки, неблагоприятный способ
ее приложения и т.д. Для принятого класса бетона
;
МПа -
расчетное сопротивление бетона при сжатии;
МПа -
расчетное сопротивление бетона при растяжении;
-
коэффициент безопасности по бетону для железобетонных конструкций;
мм -
полезная (рабочая) высота сечения;
-
защитный слой бетона, принимаемый по табл. 1.2.
-
нормативное сопротивление арматуры;
Н/мм2 -
расчетное сопротивление арматуры;
-
частный коэффициент безопасности стержневой арматуры.
Определяем
положение нейтральной оси.
Т.к.
условие выполняется - нейтральная ось в полке.
Тогда
.
По
по табл. П.4 принимаем
и
Уточняем:
х = ξ·d ≤
- нейтральная ось действительно в полке.
Проверяем:
= 0,85 -
0,008fcd.= 0,85 - 0,008·10,67=0,765 кН/м2.
Суммарная
площадь поперечного сечения арматуры в продольных рёбрах
мм2.
По
сортаменту (П.3) принимаем 8 стержней Ø12 мм продольной арматуры и распределяем их равномерно по
всем продольным рёбрам. Суммарная площадь арматуры составит 905 мм2.
Проверяем
процент армирования:
.5 Расчет
прочности продольных ребер по наклонным сечениям
В каждом продольном ребре плиты устанавливается арматурный каркас
(рисунок 1.3).
Рис. 1.3. Схема армирования продольного ребра плиты
Нижняя продольная арматура каркасов принимается из расчета прочности
нормальных сечений (см. выше п.1.4). Поперечная арматура каркаса на приопорных
участках длиной l0/4
устанавливается исходя из расчета прочности наклонных сечений продольных рёбер,
который приведён в соответствии со структурой 5 рис. 2.4[1].
Расчет прочности наклонных сечений продольных ребер плиты на действие
поперечной силы выполнен с учетом следующих данных:
VSd=
33.5 кН. Сечение плиты 1500х220 мм. Класс среды по условиям эксплуатации здания
ХС1. Класс бетона С16/20. Поперечная арматура класса S240.
Расчетные характеристики материалов:
fck=16,0
МПа; fcd=16/1,5=10.67 МПа; fctd= fctk 0,05 /1,5=1,3/1,5=0,86 МПа
МПа
Еs=2·105
МПа;
Ecт=2,8·104
МПа
bf=1460 мм; d=195
мм; ηс2=2 ; ηс3=0,6 (п.7.2.2.8 [1])
где
Аs=905 мм2- площадь продольной арматуры (8Ø12), заведенной на опору.
Поперечная
сила, воспринимаемая железобетонным элементом без поперечной арматуры:
Т.к.
, по расчету (
)
поперечной арматуры не требуется, по конструктивным требованиям назначаем nØ6 класса S240 (Asw= 113 мм2), где n - число
каркасов (рёбер). Для bw≥350, n = 4.
2. Расчет и
конструирование балки перекрытия (ригеля)
.1.
Определение нагрузок и расчетных усилий
Балка (ригель) рассчитывается как однопролетная, свободно лежащая на
опорах балка, загруженная равномерно распределенной нагрузкой.
Расчетная нагрузка на 1 м.п. ригеля приведена в табл. 2.1.
Таблица 2.1- Расчетная нагрузка на 1 м.п. ригеля.
|
№ п/п
|
Наименование нагрузки
|
Расчетная нагрузка, кН/м.п.
|
|
1
|
От массы пола и панелей
(см. g в табл. 1.1)
|
g∙L2=4.2x6.4=26.88
кН/м.п.
|
|
2
|
Собственная масса ригеля
|
25·1·b·h·1,35·0,95
= 25·1·0,22·0,6·1,35·0,95=4,23 кН/м
|
|
Итого: gриг
=26.88+4,23=31.11 кН/м.п.
|
|
3
|
Полезная нагрузка
|
q·L2=2,5x6.4=16.0 кН/м.п.
|
|
Итого: qриг
= 16.0 кН/м.п.
|
Расчетные нагрузки g и q, указанные в таблице 2.1,
принимаются из табл. 1.1 в кН/м2.
L2-
расстояние между балками в м;
gриг +
qриг = Σ…, кН/м.п.
b, h- размеры ригеля в м.
Сечение балки 220x600(h) мм.
При опирании ригелей на консоли колонн расчетный пролет равен (рисунок
2.1):
см
где
hc - высота сечения колонны, предварительно принимается
40 см;
- вылет
консоли, предварительно принимается 24 см;
с
- зазор между торцом ригеля и гранью колонны равен 5 см.
Определяются
усилия от расчетных нагрузок:
максимальный
изгибающий момент
максимальная
поперечная сила
.
;
Рис.
2.1 Определение расчетного пролета ригеля
Определение
размеров сечения ригеля.
Полезная
высота сечения ригеля
-
из расчета панели, αm =
0,2…0,3 из соображения экономичного содержания арматуры, принимаем αm =
0,25.
Полная
высота сечения h = d + c округляется кратно 5 см в большую сторону при h ≤ 60 см и 10 см при h>
60 см.
Соотношение
принятых размеров сечения должно находиться в пределах
b = (0,30…0,5)h. В
противном случае задаются новым b и пересчитывают h. Окончательно d = h - c.
Полная
высота сечения h = d + c=0,531+0,05=0,581.
Принимаем
высоту сечения h=0,6 м
2.2 Расчет
ригеля по нормальным сечениям
Основные расчетные формулы:
,
где
- класс бетона, принимаемый по табл. 5.2 [1, 2] в
зависимости от класса по условиям эксплуатации (см. ниже). Принимаем бетон
С16/20.
-
нормативное сопротивление бетона,
МПа;
-
изгибающий момент, действующий в рассматриваемом сечении,
кН·м;
-
коэффициент, учитывающий длительное действие нагрузки, неблагоприятный способ
ее приложения и т.д. Для принятого класса бетона
;
МПа -
расчетное сопротивление бетона при сжатии;
МПа -
расчетное сопротивление бетона при растяжении;
- коэффициент
безопасности по бетону для железобетонных конструкций;
мм -
полезная (рабочая) высота сечения;
-
защитный слой бетона, принимаемый по табл. 1.2.
-
нормативное сопротивление арматуры;
Н/мм2 -
расчетное сопротивление арматуры;
-
частный коэффициент безопасности стержневой арматуры.
Тогда
.
По
по табл. П.4 принимаем
и
Проверяем:
= 0,85 -
0,008fcd.= 0,85 - 0,008·10,67=0,765 кН/м2.
Суммарная
площадь поперечного сечения арматуры в продольных рёбрах
мм2.
По
сортаменту (П.3) принимаем количество диаметров продольной арматуры. Диаметр
принимаем 2Ø25 мм (
982 мм2).
Проверяем
процент армирования:
2.3 Расчет
ригеля по наклонным сечениям
Рассчитать прочность наклонных сечений балки на действие поперечной силы
при следующих данных:
VSd=
125.1 кН. Сечение ригеля 600х220 мм. Класс среды по условиям эксплуатации
здания ХС1. Класс бетона С16/20. Поперечная арматура класса S240.
Расчетные характеристики материалов:
fck=16,0
МПа; fcd=16/1,5=10.67 МПа; fctd= fctk 0,05 /1,5=1,5/1,5=1,0 МПа
МПа
Еs=2·105
МПа;
Ecт=2,8·104
МПа
bw =220 мм; d=h-c=600-40=560
мм; ηс2=2 ; ηс3=0,6
(п.7.2.2.8 [1])
где
Аs=982 мм2- площадь продольной арматуры (2Ø25), заведенной на опору.
Поперечная
сила, воспринимаемая железобетонным элементом без поперечной арматуры:
Т.к.
, по расчету поперечной арматуры не требуется, по
конструктивным требованиям назначаем nØ8
класса S240 (Asw=
101 мм2), где n - число каркасов (рёбер). Для bw≥350,
n = 2.
Принимаем
на приопорном участке шаг хомутов
h/3 = 233мм,
s1= 300 мм
<300 мм.
мм
В
средней части пролета балки s2 ≤ h·
= 600x0,75=450 мм.
Принимаем
s2 = 300 мм.
Проверяем
(п. 11.2 [1])
Определяем
ηс1 = 1−0,01∙fcd = 1−0,01·10,6
= 0,894
Коэффициент,
учитывающий наличие хомутов
ηw1 = 1 + 5·αE∙ρsw = 1 + 5·7,14·0,0016 = 1,06<1,3.
Проверяем
несущую способность бетона по наклонной полосе между наклонными трещинами на
действие главных сжимающих напряжений
VRd,max = 0,3·ηc1·
ηw1·fcd·bw·d
=
=
0,3·0,894·1,06·10,6·220·560 = 371.3 кН>VSd =121.5 кН.
Таким
образом, прочность бетона по наклонной полосе обеспечена.
Определяем
коэффициент, учитывающий влияние сжатых полок
мм
Коэффициент,
учитывающий влияние продольной силы
Погонное
усилие, воспринимаемое хомутами на единицу длины
Н/мм
>
>
Н/мм
Определяем
Н·мм.
Длина
проекции опасной наклонной трещины на продольную ось элемента
мм.
Принимаем
длину горизонтальной проекции наклонного сечения
мм.
Проверяем
мм > d = 560 мм,
мм
мм.
Определяем
поперечное усилие, воспринимаемое бетоном
>
=
0,6∙(1+0,12)∙1,0∙220∙560 = 82790 Н.
Проверяем
мм > 2d = 2∙560 = 1120 мм.
Определяем
поперечное усилие, воспринимаемое хомутами, пересекающими наклонную трещину
Н.
Определяем
величину поперечной силы, воспринимаемой наклонным сечением
Окончательно
принимаем для армирования балки в приопорных сечениях поперечную арматуру 2Ø8 класса S240 (Asw= 101 мм2).
Армируем
ригель двумя каркасами.
фундамент
рёбро балочный многоэтажный
3. Расчет и
конструирование колонны среднего ряда первого этажа многоэтажного
производственного здания
Запроектировать колонну первого этажа при следующих данных:
Сетка колонн 6,4х6,0 м; количество этажей n = 4; высота этажа Нэт = 4,2 м; высота сечения главной балки hБ = 600 мм; обрез фундамента на отм.
-0,05 м; бетон класса С20/25, арматура класса S500; сечение колонны 400х400 мм.
Расчет нагрузок от покрытия qпокр и qпокр приведен в табл. 3.1, от
перекрытия gперекр и qперекр − в табл. 3.2.
Таблица 3.1. Нормативные и расчетные значения нагрузок на колонну от
покрытия
|
№
|
Наименование нагрузки
|
Нормативное значение, кН/м2
|
 Расчетное
значение, кН/м2
|
|
|
|
Постоянная нагрузка
|
|
|
|
|
|
1
|
Двуслойная кровля
«Техноэласт»
|
0,15
|
1,35
|
0,95
|
0,19
|
|
2
|
Цементно-песчаная стяжка
М100 δ
= 30 мм (ρ= 1800 кг/м3)
|
0,54
|
1,35
|
0,95
|
0,69
|
|
3
|
Утеплитель - пенополистирол
δ
= 120 мм (ρ= 35 кг/м3)
|
0,042
|
1.35
|
0,95
|
0,06
|
|
4
|
Пароизоляция
|
0,07
|
1,35
|
0,95
|
0,09
|
|
5
|
Железобетонная плита
перекрытия
|
3,00
|
1,35
|
0,95
|
3,84
|
|
6
|
Балка 0,55
|
1,35
|
0,95
|
0.7
|
|
|
Итого: gпокр
= 5,57
|
|
Переменная нагрузка
снеговая (г. Гомель)
|
0,8
|
1,5
|
0,95
|
1,3
|
|
Итого: qпокр
= 1,30
|
Таблица 3.2. Нормативные и расчетные значения нагрузок на колонну от
перекрытия
|
№
|
Наименование нагрузки
|
Нормативное значение, кН/м2
|
 Расчетное
значение, кН/м2
|
|
|
|
Постоянная нагрузка
|
Ксилолит верхний слой мм
|
|
|
|
|
|
(18 кН/м3) 1х1х0,01х18
|
0,18
|
1,35
|
0,95
|
0,23
|
|
2
|
Ксилолит нижний слой мм
|
|
|
|
|
|
(10 кН/м3) 1х1х0,01х10
|
0,1
|
1,35
|
0,95
|
0,13
|
|
3
|
Сборная железобетонная
плита
|
|
|
|
|
|
перекрытия
|
0,3
|
1,35
|
0,95
|
3,84
|
|
4
|
Балка 0,55
|
1,35
|
0,95
|
0.7
|
|
|
Итого: gперекр
=4,9
|
|
Переменная нагрузка
Полезная нагрузка
|
2,5
|
1,5
|
0,95
|
3,56
|
|
Итого: qперекр
= 3,56
|
Нагрузка на один квадратный метр перекрытия от собственного веса
перекрытия составляет - 4,9 кПа; покрытия - 5,57кПа. Переменная (полезная нагрузка на перекрытие составляет
3,56 кПа; переменная нагрузка на
покрытие (снеговая) - 1,3 кПа.
Грузовая площадь колонны Агруз=6,4х6,0=38,4 м2
Gпокр=5,57x38,4=214 кН
Qпокр=1,3x38,4=50 кН
Gперекр=4,9x38,4=188 кН
Qперекр=3,56x38,4=137 кН
Собственный вес колонны в пределах одного этажа
кН
Определяем
усилие в колонне в пределах первого этажа:
от
постоянных нагрузок:
кН
от
переменных нагрузок:
кН
кН
Составим
расчетные сочетания усилий:
Где
Qд-доминирующая переменная нагрузка.
Наиболее
невыгодным является первое сочетание - NSd,1=1186,9 кН
Практически
постоянную часть усилия от переменной нагрузки определим путем умножения
полного значения переменной нагрузки на коэффициент сочетания ψ2, определяемый по таблице А.1, приложения А [1]
Выбираем
часть продольной силы при практически постоянном сочетании нагрузок для второй
комбинации:
Таким
образом
Nsd=1186,9 -
полное усилие в колонне первого этажа,
Nsd,1=872,9 кН -
усилие при практически постоянном сочетании нагрузок в колонне первого этажа.
Расчетную
длину колонны определяем по формуле
Где
β=1 - коэффициент, зависящий от характера закрепления
концов стойки.
lcol -
геометрическая длина колонны
lcol=Hэт+50-600=4200+50-600=3650мм
Hэт=4,2 м -
высота этажа по условию;
-
высота сечения главной балки, мм;
,050-отметка
обреза фундамента, м.
Случайный
эксцентриситет составит:
Определяем
гибкость колонны и необходимость влияния продольного изгиба
следовательно,
необходимо учитывать влияние продольного изгиба.
Определим
эффективную расчетную длину:
Определяем
гибкость λ
через h:
Расчетное
сопротивление арматуры составит
fyd= fyk /ys=500/1,1=450
МПа,
расчетное
сопротивление бетона сжатию-
fcd= fck/yс
=20/1,5=13,33 МПа
По
табл. П6[2] при
=12,0 и ea/h=0,033 величина коэффициента φ=0,90
Изусловия
Nsd≤Nrd=φ×(α×fcd×Ac+ As,lot× fyd) площадь
арматуры, требуемая по расчету
Для
армирования колонны и подколонника принимаем 4Ø12 класса S500(As=452 мм2>As,lot=420
мм2).
Коэффициент
продольного армирования колонны (табл. 11.1[1])
Расчетная
длина выпусков (lanc) стержней из подколонника определяется по формуле:
сtd=fсtк0,95/γn=1,5/1,5=1,0
МПа
,min=0,3xlb=0,3x771=231,3
мм > 15Ø=15x12=180
мм
где
Аs,req= 200.1 мм2-площадь продольной арматуры, требуемая по
расчету.
Аs,prov=452
мм2- принятая площадь продольной арматуры
Для
обеспечения устойчивости рабочих стержней колонны (при fyd ≤ 400 МПа) от бокового выпучивания
устанавливаются хомуты из арматуры Ø6 класса S240 с шагом не более15Ø=15x22=330мм.
Шаг хомутов принимаем равным 250 мм.
В
зоне соединения выпусков арматуры из фундамента и рабочих стержней колонны на
участке длиной 1000 мм хомуты устанавливаются с шагом не более 10Ø=10x22=220
мм. Шаг хомутов принимаем равным 200мм.
4. Расчет и
конструирование фундамента под колонну среднего ряда
.1
Определения расчетных усилий и размеров фундамента
Запроектировать фундамент под центральную нагруженную колонну при
следующих данных: сечение колонны 400x400мм, продольная арматура колонны 4Ø12 класса S500, расчетное усилие, передаваемое колонной Nsd=1186,9 кН.
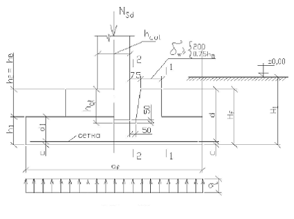
Рис. 5.1 Конструкция фундамента
Класс бетона С20/25.
МПа -
расчетное сопротивление бетона при сжатии;
МПа -
расчетное сопротивление бетона при растяжении;
fctm=2,2 МПа
Рабочая
арматура класса S500: fyk=500Мпа,
Н/мм2 -
расчетное сопротивление арматуры;
Расчетное
сопротивление грунта основания R=250 кПа
Средний
вес тела фундамента и грунта на его ступенях γm=20 кН/м3
Глубина
сезонного промерзания грунта 1,1 м.
Определение
размеров подошвы фундамента.
При
определении размеров подошвы фундамента расчетное усилие принимается при γF=1,0
кН
Где
γFm=1,35 - усредненный коэффициент безопасности по
нагрузке.
Площадь
подошвы фундамента
м2
Где
HF=1,2 м - глубина заложения фундамента
Центрально
нагруженные фундаменты принимаются квадратными в плане
м
Принимаем
квадратный в плане фундамент со сторонами af=bf=2,1
м (кратным 300). Площадь подошвы фундамента Аf=af×bf= 4,41 м2
Расчетное
давление грунта на подошву фундамента:
кН
м2=0,268 Н/мм2
Вылет
консоли фундамента
м
Рабочая
высота плитной части фундамента
мм
Высота
плитой части фундамента
Принимаем
общую высоту плитной части hpl=450 мм
4.2 Расчет
рабочей арматуры подошвы фундамента
Рабочая высота плиты фундамента
d1=450-100=350
мм
Проверка высоты плитной части фундамента на продавливание:
Условие прочности на продавливание
где
β=1,0 - при центральном нагружении фундамента.
Длина
критического периметра
Критическая
площадь
Продавливающая
сила
кН
Погонная
поперечная сила
Площадь
продольной арматуры, расположенной в x - направлении в пределах ширины
(полосы) фундамента, равной hпк+3d=450+3×350=1500
мм, составляет:
Коэффициент
продольного армирования в x-направлении:
где
d1x; d1y=d1±Ø/2 Принимаем диаметр стержня Ø=18мм
Площадь
продольной арматуры, расположенной в y-направлении в пределах ширины(полосы)
фундамента, равной hпк+3d=450+3×350=1500
мм, составляет
Коэффициент
продольного армирования в y- направлении
Погонная
поперечная сила, которую может воспринять плита фундамента
Поскольку
VRd,ct >VRd,ct,min принимаем VRd,ct=175,0 Н/мм
В
связи с тем, что VRd,ct=175 Н/мм>VSd= 148.3 Н/мм, прочность
плитной части на продавливание нижней ступени фундамента обеспечена.
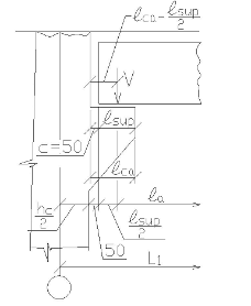
Для
анкеровки рабочих стержней подколонника в фундаменте вычисляется так же, как и
длина арматурных выпусков из колонны. При этом требуемая площадь арматуры As,reg
получается незначительной и lbd<lb,min
Предельное
напряжение сцепления по контуру арматуры с бетоном
Базовая
длина анкеровки
мм
Длина
анкеровки
мм
Список
использованной литературы
1. СНБ
5.03.01-02 Бетонные и железобетонные конструкции/ Минскстройархитектуры РБ, Мн,
2003.-140с.;
. Изменения №
1-5 СНБ 5.03.01-02/Минстройархитектуры РБ, Мн, 2004 -2009 г.
. Неверович
И.И. Учебно-методическое пособие "Расчет и конструирование сборных
железобетонных конструкций многоэтажного производственного здания» - Мн., 2010;
. Байков
В.Н., Сигалов Э.Г. Железобетонные конструкции.-М.:Стройиздат,1991;
. Степанова
Д.С., Хардаев П.К. Методические указания к курсовому проекту №1 по дисциплине
«Железобетонные и каменные конструкции». Разд.Расчет сборного неразрезного
ригеля./ВСГТУ.-Улан-Удэ.2003;
. Степанова
Д.С. Методические указания к курсовому проекту 1 по дисциплине «Железобетонные
и каменные конструкции». Разд. Расчет и конструирование колонны многоэтажного
промышленного здания./ВСГТУ.- Улан-Удэ.1997;
. Степанова
Д.С., Хардаев П.К. Методические указания к курсовому проекту 1 подисциплине
«Железобетонные и каменные конструкции». Разд.Проектирование монолитного
железобетонного перекрытия./ВСГТУ.-Улан-Удэ. 1986;
. Мандриков
А.П. «Примеры расчета железобетонных конструкций».- М.: Стройиздат, 1989.