Проектирование и расчет монолитного ребристого и сборного балочного перекрытий
Введение
В курсовом проекте по курсу “Железобетонные конструкции” рассматриваются
элементы перекрытия многоэтажного промышленного здания.
Плоские железобетонные перекрытия являются наиболее распространенными
элементами различных зданий и сооружений. Существует два основных типа плоских
перекрытий:
· балочные;
· безбалочные.
В данном курсовом проекте рассматриваются балочные перекрытия, состоящие
из балок, идущих в одном или двух направлениях, и опирающихся на них плит
перекрытия. В зависимости от способа возведения плиты перекрытия подразделяются
следующим образом:
· сборные;
· монолитные;
· сборно-монолитные.
В настоящее время применяют преимущественно сборные и сборно-монолитные
перекрытия. Выбор типа конструкций перекрытия производится с учетом назначения
сооружения, состояния производственной базы, экономики.
В состав балочного перекрытия входят панели и поддерживающие их балки,
называемые ригелями. Ригели могут опираться на колонны (в зданиях с полным
каркасом) или на внутренние колонны и наружные несущие стены (в зданиях с
неполным каркасом). Проектирование сборного перекрытия включает в себя:
· компоновку панелей;
· расчет ригелей;
· расчет узлов сопряжения конструкций.
Монолитные ребристые перекрытия состоят из плит, главных и второстепенных
балок, которые бетонируются вместе и представляют собой единую конструкцию.
Плита перекрытия опирается на второстепенные балки, а второстепенные балки - на
главные, опорами которых служат колонны и стены. Проектирование монолитного
ребристого перекрытия включает в себя:
· компоновку конструктивной схемы;
· расчет плиты;
· расчет и конструирование главной и второстепенной балок.
Проектирование сборного перекрытия состоит из следующих операций:
· компоновка конструктивной схемы;
· расчет ригеля;
· расчет колонны 1-го и 2-го этажей.
В результате выполнения курсового проекта производится сравнение
вариантов, т.е. из двух типов перекрытия выбирается рациональный вариант по
расходу бетона, арматуры и его стоимости.
1. Расчет
и проектирование элементов монолитного ребристого перекрытия
1.1 Выбор
рационального варианта компоновки перекрытия здания
1.1.1
Исходные данные
Требуется
определить наиболее выгодный (рациональный) вариант перекрытия здания, имеющего
размеры в плане
и сетку колонн в осях
Число
этажей
высота этажа
Нормативная
временная нагрузка на перекрытие
Постоянную
нормативную нагрузку на перекрытие при рассмотрении компоновки вариантов
перекрытия исключаем, т.е. принимаем
так как
ее величина и характер действия во всех вариантах одинаковы,
- частный коэффициент безопасности по нагрузке.
По
степени ответственности здание относится к классу
(коэффициент надежности по назначению конструкции -
), по условиям эксплуатации -
Бетон класса
.1.2
Определение приведенной толщины перекрытия
Приведенная толщина перекрытия определяется по формуле:
где
приведенная толщина плиты:
где
полная расчетная нагрузка на плиту:
приведенная
толщина второстепенной балки:
где
полная расчетная нагрузка на второстепенную балку:
приведенная
толщина главной балки:
где
полная расчетная нагрузка на главную балку:
приведенная
высота колонны:
где
количество пролетов монолитной плиты;
количество
пролетов второстепенной балки;
количество
пролетов главной балки;
пролет
плиты;
пролет
второстепенной балки;
пролет
главной балки.
В результате
компоновки вариантов перекрытия принимаем:
Вариант 1
Рис.
1.1 - 1-й вариант компоновки перекрытия
Вариант
2
Рис. 1.2 - 2-й вариант компоновки перекрытия
Вариант
3
Рис. 1.3 - 3-й вариант компоновки перекрытия
1.1.3
Определение предварительных размеров поперечных сечений элементов для
выбранного оптимального варианта перекрытия
Толщина
плиты
принимается:
· согласно
табл. 11-3 [1] для монолитных перекрытий производственных зданий
должно
назначаться
не менее
· из условий
прочности при полной расчетной нагрузке
где
расчетное сопротивление бетона сжатию.
· по конструктивным требованиям из условий жесткости:
· согласно табл.
1 [1] и табл. 3 [1] в зависимости от полезной нагрузки и для
класса эксплуатации
принимается, что
Окончательно
принимаем
Высота
второстепенной балки
при полной расчетной нагрузке
· по конструктивным требованиям из условий жесткости:
Окончательно
принимаем
Ширина
второстепенной балки:
Окончательно
принимаем
Высота
главной балки при полной расчетной нагрузке
· по конструктивным требованиям из условий жесткости:
Окончательно
принимаем
Ширина
главной балки:
Окончательно
принимаем
Сторона
квадратного сечения колонны:
Окончательно
принимаем
1.2 Расчет
и конструирование монолитной железобетонной балочной плиты
.2.1
Исходные данные
По
размерам плиты и второстепенной балки необходимо определить армирование и
выполнить конструирование монолитной балочной плиты перекрытия при бетоне
и переменной (полезной) нагрузке
Для армирования плиты применяем сварные рулонные
сетки из горячекатаной стали класса
диаметром
и
или
арматурной обыкновенной проволоки диаметром
класса
Конструкция пола, соответствующая назначению здания,
принимается самостоятельно.
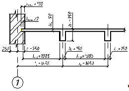
Рис.
1.4 - План балочного перекрытия
1.2.2
Определение расчетных пролетов
Статический
расчет плиты выполняем, рассматривая ее как многопролетную неразрезную балку
шириной
Привязку кирпичных стен принимаем
Крайний
расчетный пролет (см. рис. 1.5):
где
длина опирания плиты (в нашем случае
).
Средний расчетный пролет (см. рис. 1.5):
Размер
поля плиты в длинном направлении:
· между осями
(см. рис. 1.4)
· между осями
(см. рис. 1.4)
Так
как
, следовательно, плита рассчитывается как балочная.
Рис.
1.5 - Схема для определения расчетных пролетов монолитной плиты
1.2.3
Подсчет нагрузок на плиту
Принимаем
следующую конструкцию пола перекрытия: плиточный пол, цементно-песчаная стяжка.
Нагрузка на
поверхности плиты в
приведена
в табл. 1.1:
Таблица 1.1
Подсчет нагрузок на перекрытие
|
Вид нагрузки
|
Нормативная нагрузка, кПа
|
Расчетная нагрузка, кПа
|
|
|
Постоянные -
|
|
- плиточный пол , 0,20
|
1,35
|
0,27
|
|
|
- цементно-песчаная стяжка , 0,33
|
1,35
|
0,45
|
|
|
- собственный вес плиты , 2,0
|
1,35
|
2,70
|
|
|
Итого - 2,53
|
|
3,42
|
|
|
Переменная - - по заданию5,0
|
1,5
|
7,5
|
|
.2.4
Определение внутренних усилий в плите
Плита
рассматривается как неразрезная многопролетная балка, загруженная равномерно
распределенной нагрузкой
Моменты
в таких конструкциях определяют с учетом перераспределения усилий вследствие
развитий пластических деформаций.
При
ширине полосы
нагрузка, приходящая
плиты,
равна по величине нагрузке на
погонной
полосы. Таким образом, расчетная нагрузка на плиту: постоянная нагрузка
переменная -
Для определения усилий в плите определяем максимальное расчётное
сочетание действующих нагрузок:
· 1-е основное сочетание:
· 2-е основное сочетание:
К
дальнейшим расчетам принимаем 2-е основное сочетание.
В крайних пролетах и на крайних опорах (при непрерывном армировании)
изгибающий момент равен:
В
случае раздельного армирования на первой промежуточной опоре:
В
средних пролетах и на средних опорах, не окаймленных по контуру балками,
независимо от способа армирования момент равен:
В
средних пролетах и на средних опорах, где плиты окаймлены по всему контуру,
монолитно связанными с ними балками:
Поперечные
силы:
Рис. 1.6 - Расчетная схема монолитной плиты с эпюрами усилий
1.2.5
Расчет прочности нормальных и наклонных сечений
Согласно
табл. 2-1 [1] для бетона класса
принимаем
нормативные и расчетные характеристики:
Тогда
имеем:
Согласно табл. 2-2 [1] принимаем расчетные характеристики:
· для арматуры
класса
· для арматуры
класса
Для расчета принимаем размеры сечения:
где
защитный слой бетона арматуры плиты (в нашем случае
);
предполагаемый
максимальный диаметр арматуры плиты (в нашем случае
).
Рабочая
высота сечения плиты:
Минимальная площадь сечения арматуры для изгибаемых элементов равна:
· для арматуры
класса
но
не менее:
· для арматуры
класса
но
не менее:
Рассчитаем требуемую площадь арматуры во всех сечениях:
. крайний пролет и опора при непрерывном армировании
· для арматуры
класса
· для арматуры
класса
. первая промежуточная опора при раздельном армировании
· для арматуры
класса
· для арматуры
класса
3. средний пролет и опора без окаймления
· для арматуры
класса
· для арматуры
класса
4. средний пролет и опора с учетом окаймления
· для арматуры
класса
Так
как
, то принимаем, что
· для арматуры
класса
Так
как
, то принимаем, что
Расчет
прочности железобетонных элементов на действие поперечных сил производиться из
условия:
где
расчетная поперечная сила от внешних воздействий;
поперечная
сила, воспринимаемая ж/б элементом без поперечного армирования.
но
не менее:
где
Так
как
при
отсутствии осевого усилия (сжимающей силы).
Таблица 1.2
Требуемая площадь сечения арматуры на погонный метр плиты
Сечение

|
  Площадь сечения, см2
|
|
|
|
|
|
|
|
|
|
|
 
|
|
|
|
1. Крайний пролет и опора при непрерывном армировании
|
1,90
|
52
|
0,066
|
0,965
|
0,91
|
1,03
|
|
|
2. Крайний пролет и опора при раздельном армировании
|
1,49
|
52
|
0,052
|
0,973
|
0,71
|
0,81
|
|
|
3. Средний пролет и опора без окаймления
|
1,50
|
52
|
0,052
|
0,973
|
0,71
|
0,80
|
|
|
4. Средний пролет и опора с учетом окаймления
|
1,20
|
52
|
0,042
|
0,978
|
0,68
|
0,68
|
|
1.2.6
Конструирование плиты
Рассматриваем вариант армирования плиты сварными рулонными сетками с
продольной рабочей арматурой. Рулоны при этом раскатывают поперек
второстепенных балок, а поперечные стержни сеток, являющиеся распределительной
арматурой плиты, стыкуют внахлестку без сварки.
Между
главными балками можно уложить
или
сетки с нахлестом распределительных стержней
причем ширину сеток рекомендуется принимать не менее
· при 2-х сетках необходимая ширина сетки:
где
минимальная длина нахлестки распределительных
стержней (в нашем случае
);
длина
свободных концов распределительных стержней (в нашем случае
).
Можно
принять между главными балками
сетки
шириной
с фактическим нахлестом:
· при 3-х сетках необходимая ширина сетки:
Вариант
с
сетками не подходит, т.к.
Можно
принять
сетки шириной
с
величиной нахлеста:
· при 4-х сетках необходимая ширина сетки:
Вариант
с
сетками не подходит, т.к.
Можно
принять
сетки шириной
с
величиной нахлеста:
Окончательно
принимаем вариант с
сетками с длиной нахлеста
Подбор
арматуры и конструирование сеток начинаем со средних пролетов и выполняем в
табличной форме (см. табл. 1.3).
Сетки
подбираются таким образом, чтобы суммарная площадь поперечных сечений рабочих
стержней сеток, приходящаяся на
ширины
плиты, соответствовала найденным из расчета нормальных сечений площади
рабочей арматуры (см. табл. 1.2).
Ширина
дополнительной сетки в этом случае принимается таким обоазом, чтобы она смогла
перекрыть первый пролет, плюс
величины
второго пролета:
Принимаем
Над
главными балками устанавливаются конструктивно верхние сетки, площадь сечений
поперечных рабочих стержней которых должна составлять не менее
площади пролетной арматуры плиты
Длину рабочих стержней (ширину сетки) назначают из
условия, что расстояние от грани балки в каждую сторону было не менее
пролета плиты:
Принимаем
Фрагмент
плана раскладки сеток плиты монолитного перекрытия приведен на рис. 1.7.
Определение массы сеток сведено в табл. 1.4.
Рис.
1.7 - Непрерывное армирование монолитных неразрезных плит сварными рулонными
сетками
Таблица 1.3
Армирование плиты рулонными сетками
|
Сечение
|
Принятое армированиеМарка сетки
|
|
|
|
|
рабочая
|
|
|
|
|
шаг шаг
|
|
|
|
|
|
|
1. Средние плиты и средние опоры без учета окаймления
|
0,71
|
4
|
150
|
0,84
|
3
|
350
|
|
|
2. Средние плиты и средние опоры с учетом окаймления
|
0,68
|
3
|
100
|
0,71
|
3
|
350
|
|
3.
Крайняя плита и крайняя опора без учета окаймления - основная сетка -
дополнительная сетка
0,91 0,07 4 3 150 200
0,84 0,35 3 3 350 350
4.
Крайняя плита и крайняя опора с учетом окаймления - основная сетка -
дополнительная сетка
0,91 ,20 3 3 100 200
0,71 0,35 3 3 350 350
|
|
|
|
|
5. Над главными балками 0,303
|
3
|
200
|
0,35
|
3
|
350
|
|
|
Таблица 1.4
Определение массы сеток
|
Марка сетки
|
Количество, шт
|
Масса, кг
|
Масса сетки, кг
|
|
продольной арматуры
|
поперечной арматуры
|
продольной арматуры
|
поперечной арматуры
|
|
|
1814481,219,5100,7
|
|
|
|
|
|
|
2714469,019,588,5
|
|
|
|
|
|
|
12163,21,95,1
|
|
|
|
|
|
|
12326,73,810,5
|
|
|
|
|
|
|
6171,81,02,8
|
|
|
|
|
|
2. Расчет
второстепенной балки
2.1
Исходные данные
Размеры второстепенной балки:
(размеры
в осях),
Шаг
второстепенных балок -
.
Размеры
сечения главной балки:
Для
бетона класса
согласно табл. 2-1 [1] принимаем следующие
расчетные характеристики:
Тогда
имеем:
Поперечное
армирование выполняется хомутами из арматуры класса
(
)
Продольное армирование - из арматуры класса
(
)
2.2
Определение расчетных пролетов
Расчетный пролет для крайних пролетов (см. рис. 2.1):
где
длина опирания балки (в нашем случае
);
привязка
кирпичных стен (в нашем случае
).
Средний расчетный пролет (см. рис. 2.1):
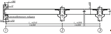
Рис.
2.1 - Схема для определения расчетных пролетов второстепенной балки
2.3
Подсчет нагрузок на второстепенную балку
Второстепенная
балка работает совместно с прилегающими к ней участками плиты, т.е. расчетное
сечение будет тавровое с шириной полки в сжатой зоне
равной расстоянию между осями (шагу) второстепенных
балок, т.е.
Определение
погонной нагрузки в
на второстепенную балку сведем в табл. 2.1:
Табл. 2.1
Подсчет нагрузок на погонный метр второстепенной балки
|
Вид нагрузки
|
Нормативная нагрузка, кПа
|
Расчетная нагрузка, кПа
|
|
|
Постоянные -
|
-
от веса пола и монолитной плиты: 1. нормативная -
.
расчетная -
от
собственного веса балки:
|
3,98 1,601,35 5,39 2,16
|
|
|
|
|
Итого - 5,58
|
|
7,55
|
|
Временная
-
|
- по заданию 10,241,515,36
|
|
|
|
2.4
Построение эпюр изгибающих моментов и поперечных сил
Суммарная нагрузка основного сочетания нагрузок при определении усилий в
характерных сечениях второстепенной балки равна:
· 1-е основное сочетание
· 2-е основное сочетание
К дальнейшим расчётам принимаем 2-е основное сочетание.
Второстепенная балка рассчитывается как неразрезная 4-х пролетная балка с
шарнирным опиранием на стену (крайние опоры) и на главные балки (средние
опоры).

Рис. 2.2 - Расчетная схема второстепенной балки
Статический расчет второстепенной балки выполняется с учетом
перераспределения усилий в стадии предельного равновесия конструкции. Ординаты
огибающей эпюры изгибающих моментов определяется с помощью табл. 5-1 [1].
Величины
коэффициентов
определяются в зависимости от соотношения нагрузок:
где
и
постоянная
и временная расчетные нагрузки на балку.
Величина ординат огибающей эпюры моментов определяется по формуле:
Результаты
расчета сводим в табл. 2.2:
Таблица 2.2
Определение расчетных значений изгибающих моментов
|
№ пролета
|
№ точек
|
В долях пролета
|
  
|
|
|
|
|
|
  
|
|
|
|
|
|
I
|
1
|
0,2
|
0,065
|
-
|
40,11-
|
|
|
|
2
|
0,4
|
0,09
|
-
|
|
55,54
|
-
|
|
max
|
0,425
|
0,091
|
-
|
|
56,16
|
-
|
|
3
|
0,6
|
0,075
|
-
|
|
46,28
|
-
|
|
4
|
0,8
|
0,02
|
-
|
|
12,34
|
-
|
|
5
|
1,0
|
-
|
0,0715
|
|
-
|
44,12
|
|
II
|
6
|
0,2
|
0,018
|
0,03
|
10,7317,88
|
|
|
|
7
|
0,4
|
0,058
|
0,009
|
|
34,56
|
5,36
|
|
max
|
0,5
|
0,0625
|
-
|
|
37,24
|
-
|
|
8
|
0,6
|
0,058
|
0,006
|
|
34,56
|
3,58
|
|
9
|
0,8
|
0,018
|
0,024
|
|
10,73
|
14,30
|
|
10
|
1,0
|
-
|
0,0625
|
|
-
|
37,24
|
Величины поперечных сил на опорах (см. рис. 2.2):
· на опорах
и
· на опоре
(слева) и опоре
(справа)
· на опоре
(справа) и на всех оставшихся опорах слева и справа
Эпюры
моментов и поперечных сил для второстепенной балки представлены на рис 2.3.
Рис. 2.3 - Расчетная схема второстепенной балки с эпюрами усилий
2.5 Расчет
прочности нормальных сечений и подбор арматуры в расчетных сечениях
Определение требуемой площади сечения арматуры при действии
положительного момента ведем как для таврового сечения с полкой в сжатой зоне.
При действии отрицательного момента полка находится в растянутой зоне,
следовательно, расчетное сечение будет прямоугольным.
Размеры сечения принятые по расчету:
Задаемся
величиной
в пролете и
на
опоре, предполагая на ней расположение арматуры в два ряда, тогда:
Предполагая,
что нейтральная ось проходит по нижней грани полки, определяем область
деформирования для прямоугольного сечения шириной
и положение нейтральной оси при расчете тавровых
сечений:
Это
говорит о том, что сечение находится в области деформирования
(см. табл. 3-3 [1]).
Определяем
величину изгибающего момента:
Поскольку
выполняется условие
то нейтральная ось расположена в пределах полки. Сечение
в пролете второстепенной балки рассматривается как прямоугольное с шириной
Расчет
продольной арматуры второстепенной балки производим следующим образом:
· для арматуры
класса
Минимальная
площадь арматуры для изгибаемых элементов равна:
но не менее:
· пролет
(нижняя арматура):
условие выполняется.
что
не менее:
· пролет
(нижняя арматура):
условие выполняется.
В
опорных сечениях действуют отрицательные моменты, а так как плита расположена в
растянутой зоне, то сечения балки рассматриваются как прямоугольные шириной
· опора
(верхняя арматура):
условие выполняется.
· опора
(верхняя арматура):
условие выполняется.
· пролет
(верхняя арматура):
условие выполняется.
Так
как
, то принимаем, что
Результаты
расчетов и подбор арматуры в расчетных сечениях сводим в табл. 2.3:
Таблица 2.3
Определение площади сечения рабочей арматуры второстепенной балки
пролет
1 нижняя 56,16
0,0250,9874,175,34
|
|
|
|
|
|
|
|
|
Пролет 1
|
верхняя
|
-
|
Монтажная конструктивная
арматура2,26
|
|
|
|
|
|
|
|
|
|
|
|
|
опора
B верхняя 44,12
0,1690,9043,805,34
Пролет
2 нижняя 37,24
0,0170,9912,813,39
|
|
|
|
|
|
|
|
|
Пролет 2
|
верхняя
|
4,47
|
0,0160,9920,952,26
|
|
|
|
|
|
опора
C верхняя 37,24
0,1420,9213,154,21
2.6 Расчет
прочности наклонных сечений по поперечной силе
Расчет производится для трех наклонных сечений: у крайней опоры, у первой
опоры слева и справа. Начинаем расчет для сечений у первой промежуточной опоры
слева, где действует наибольшая поперечная сила.
· первая
промежуточная опора слева:
Рис. 2.4 - Расположение расчетных сечений для второстепенной балки
Расчет прочности железобетонных элементов на действие поперечных сил
начинается проверкой условия:
где
расчетная поперечная сила от внешних воздействий;
поперечная
сила, воспринимаемая ж/б элементом без поперечного армирования.
но
не менее:
где
Так
как
, то окончательно принимаем
при
отсутствии осевого усилия (сжимающей силы).
Поскольку
, то необходима постановка хомутов по расчету.
Расстояние
от опоры, на котором требуется установка хомутов по расчету:
Первое
расчетное сечение
назначаем на расстоянии от опоры, равном
, что меньше
и
составляет в долях пролета:
В
данном сечении усилия составляют (см. рис. 2.4):
Определяем
продольные относительные деформации в бетоне на уровне растянутой арматуры,
предварительно задавшись углом наклона диагональных трещин к горизонтали
и расстоянием между верхней и нижней продольной
арматурой в сечении:
Для
выяснения правильности выбора угла
определяем
касательные напряжения, действующие в рассматриваемом сечении:
Отношение:
где
средняя прочность при осевом сжатии (в нашем случае
).
В
соответствии со значением
и
по табл.
3-1 уточняем угол наклона диагональной трещины
Тогда:
Среднее значение главных растягивающих деформаций:
Главные
растягивающие напряжения:
где
максимальный размер заполнителя (в нашем случае
);
ширина
раскрытия наклонной трещины:
где
расстояние между диагональными трещинами (в нашем
случае
).
Составляющая
поперечной силы, воспринимаемая бетоном:
Составляющая
поперечной силы, которую должна воспринимать поперечная арматура (хомуты):
Составляющая поперечной силы, воспринимаемая поперечной арматурой,
определяется
по формуле:
где
угол наклона поперечной арматуры к продольной оси
балки (в нашем случае
);
расчетное
сопротивление поперечной арматуры (в нашем случае
).
Приняв
на приопорном участке
шаг хомутов
что не
превышает
требуемое количество поперечного армирования:
Принимаемая
площадь поперечного армирования хомутов должна быть не менее:
где
минимальный коэффициент поперечного армирования
сечения:
При
назначении поперечного армирования необходимо учитывать то, что при высоте
сечения балки до
включительно, диаметр хомутов должен быть не менее
Согласно
табл. 4-1 [1] окончательно принимаем хомуты диаметром
класса арматуры
(
) и устанавливаем в опорной зоне
с шагом
Составляющая
поперечной силы, которую может воспринять арматура, равна:
Действительная несущая способность наклонного сечения составляет:
Проверяем
условие:
В
средних частях пролетов шаг поперечных стержней должен назначаться при высоте
сечения
не более
Принимаем
что не
превышает
В
остальных опасных сечениях расчеты производятся аналогично. В нашем случае у
крайней опоры (
) и у первой промежуточной опоры справа (
), где поперечные силы меньше, чем на опоре
слева (
),
принятое поперечное армирование также будет обеспечивать прочность наклонных
сечений. Уменьшить поперечное армирование не представляется возможным, так как
диаметр хомутов принят минимальным, а шаг - максимально допустимым по
конструктивным требованиям при данной высоте балки.
2.7
Построение эпюры материалов и определение мест обрыва арматуры второстепенной
балки
Несущая способность сечений балки по арматуре определяется по формуле:
где
уточненное значение рабочей высоты сечения;
табличный
коэффициент, определяемый:
где
относительная высота сжатой зоны, определяемая по
формуле:
Все расчеты, необходимые для построения эпюры материалов, выполняем в
виде таблицы (см. табл. 2.4).
Таблица 2.4
Вычисление ординат эпюры материалов для продольной арматуры
Диаметр
и количество стержней





37,0
,05,34
,083670,039
,0220,984
,99171,35
|
|
|
|
|
|
|
|
|
37,02,263670,1300,94629,03
|
|
|
|
|
|
|
|
|
|
35,54,523670,2700,88852,29
|
|
|
|
|
|
|
|
|
35,5
,55,34
,083670,319
,1840,867
,92360,32
|
37,04
|
|
|
|
|
|
|
|
|
37,0
,03,39
,263670,025
,0160,990
,99345,57
|
30,47
|
|
|
|
|
|
|
|
|
|
37,02,263670,1300,94629,03
|
|
|
|
|
|
|
|
|
35,5
,54,21
,083670,252
,1840,895
,92349,09
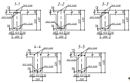
Рис. 2.6 - Расчетные сечения второстепенной балки
2.8
Определение длины анкеровки и нахлеста обрываемых стержней
Для обеспечения прочности наклонных сечений второстепенной балки по
изгибающим моментам обрываемые в пролете стержни продольной арматуры необходимо
завести за точку теоретического обрыва на расстояние не менее:
где
коэффициенты, характеризующие условия анкеровки (см.
табл. 11.6);
базовая
длина анкеровки, определяемая:
где
расчетное значение предельного напряжения сцепления;
расчетное
напряжение стержня в месте, от которого измеряется анкеровка;
площадь
продольной арматуры, требуемая по расчету;
принятая
площадь продольной арматуры;
минимальная
длина анкеровки, равная:
·
·
Кроме
того, общая длина запуска обрываемого растянутого стержня за точку
теоретического обрыва должна быть не менее
где
высота второстепенной балки.
Анкеровка
стержней продольной арматуры на свободной опоре осуществляется путем заведения
за внутреннюю грань опоры на длину не менее:
·
в элементах,
где поперечная арматура ставится на восприятие поперечной силы
конструктивно;
·
в
элементах, где поперечная арматура ставится по расчету, а до опоры
доводится
не менее
площади сечения продольной арматуры, определенной по
наибольшему моменту в пролете;
·
то же,
если до опоры доводится не менее
сечения
арматуры.
Стыкуемые в пролетах стержни (стержни верхней продольной арматуры
второстепенной балки) необходимо завести друг за друга на величину нахлеста,
равную длине анкеровки большего диаметра стыкуемых стержней.
1. Анкеровка растянутой арматуры
· опора
слева и справа
Сечение
В сечении обрываются стержни
класса
Требуемая
площадь
Сечения
принятая площадь сечения
Тогда
согласно табл. 15 [1]:
Длина
анкеровки обрываемых стержней:
Величины
остальных параметров составляют:
Окончательно
принимаем
Сечение
В сечении обрываются стержни
класса
Требуемая
площадь сечения
принятая площадь сечения
Тогда
согласно табл. 15 [1]:
Длина
анкеровки обрываемых стержней:
Величины
остальных параметров составляют:
Окончательно
принимаем
Сечение
В сечении обрывается стержень
класса
Требуемая
площадь сечения
принятая площадь сечения
Тогда
согласно табл. 15 [1]:
Длина
анкеровки обрываемых стержней:
Величины
остальных параметров составляют:
Окончательно
принимаем
· опора
слева и справа
Сечение
В сечении обрываются стержни
класса
Требуемая
площадь сечения
принятая площадь сечения
Тогда
согласно табл. 15 [1]:
Длина
анкеровки обрываемых стержней:
Величины
остальных параметров составляют:
Окончательно
принимаем
Сечение
В сечении обрывается стержень
класса
Требуемая
площадь сечения
принятая площадь сечения
Тогда
согласно табл. 15 [1]:
Длина
анкеровки обрываемых стержней:
Величины
остальных параметров составляют:
Окончательно
принимаем
2.
Анкеровка сжатой арматуры
· опора
Из
1-го пролета нижние стержни
класса
(
) должны
заходить за грань опоры (грань главной балки) на длину зоны анкеровки:
Окончательно
принимаем
Из
2-го пролета нижние стержни
класса
должны
заходить за грань опоры (грань главной балки) на длину зоны анкеровки:
Окончательно
принимаем
· опора
Из
2-го и 3-го пролетов нижние стержни
класса
должны
заходить за грань опоры (грань главной балки) на длину зоны анкеровки:
Окончательно
принимаем
3.
Анкеровка арматуры на свободной опоре
Длина
анкеровки продольной арматуры
на
свободной опоре (в зоне опирания второстепенной балки на наружную стену) должна
быть не менее:
4.
Соединение стержней арматуры
Верхняя
пролетная арматура
в крайних и средних пролетах стыкуется с верхней
опорной арматурой
Стыкуемые стержни необходимо завести друг на друга на
величину длины анкеровки большего диаметра, т.е.:
Окончательно
принимаем
3. Расчет
и проектирование неразрезного ригеля сборного балочного перекрытия
3.1
Компоновка сборного ребристого перекрытия
Балочные сборные перекрытия состоят из панелей перекрытия и
поддерживающих их ригелей, образующих вместе с колоннами несущий каркас здания.
В зданиях с неполным каркасом ригели в крайних пролетах опираются на наружные
несущие стены и промежуточные колонны.
Ригель сборного панельного перекрытия монтируется из однопролетных
сборных элементов и, с целью повышения жесткости каркаса здания, экономии
материалов и уменьшения конструктивной высоты перекрытия, проектируется как
неразрезная балка.
Форма поперечного сечения ригеля назначается в зависимости от способа
опирания на него панелей. При укладке панелей над ригелями, принимается
прямоугольное сечение ригеля.
Существует большое разнообразие схем компоновки сборных перекрытий. В
нашем случае ригеля располагаются в продольном направлении здания,
следовательно, панели располагаются в поперечном направлении. При раскладке
панелей необходимо учитывать, что колонны мешают свободной раскладке, поэтому в
местах расположения колонн устанавливают специальные панели с вырезами.
Основные габариты панели принимаются по результатам компоновки перекрытия
(см. рис. 3.1). Полная высота ребра (панели) равна:
где
номинальная длина панели (в нашем случае
).
Окончательно
принимаем
Рис.
3.1 - Компоновка сборного ребристого перекрытия
3.2 Данные
для проектирования
Ригель
многопролетного перекрытия представляет собой элемент рамной конструкции. При
свободном опирании концов ригеля на наружные стены и разнице в величине
отдельных пролетов, не превышающей
его
можно рассчитывать как неразрезную балку на шарнирных опорах.
Ориентировочные
размеры поперечного сечения ригелей прямоугольной формы составляют:
.
высота сечения
где
пролет ригеля (см. рис. 3.1).
.
ширина сечения
В
нашем случае:
Окончательно
принимаем
Окончательно
принимаем
Для
бетона класса
согласно табл. 2-1 [2] принимаем следующие
расчетные характеристики:
Тогда
имеем:
Поперечное
армирование выполняется хомутами из арматуры класса
(
).
Продольное
армирование - из арматуры класса
(
).
3.3
Определение расчетных пролетов
Расчетный пролет ригеля (см. рис. 3.2) в крайних пролетах принимается
равным расстоянию от оси его опоры на стене до оси колонны:
где
расстояние между разбивочными осями (см. рис. 3.1);
привязка
кирпичных стен (в нашем случае
);
величина
заделки ригеля в стену (в нашем случае
).
Расчетный пролет ригеля в средних пролетах принимается равным расстоянию
между осями колонн (см. рис. 3.2):
Рис. 3.2 - Схема для определения расчетных пролетов ригеля
3.4
Подсчет нагрузок на ригель
Принимаем
следующую конструкцию пола перекрытия: плиточный пол, цементно-песчаная стяжка.
Нагрузка на
поверхности плиты в
приведена
в табл. 3.1:
перекрытие плита ригель колонна
Таблица 3.1
Подсчет нагрузок на перекрытие
|
Вид нагрузки
|
Нормативная нагрузка, кН/м2
|
Расчетная нагрузка, кН/м2
|
|
|
Постоянные
|
|
- плиточный пол 0,20
|
1,35
|
0,27
|
|
|
- цементно-песчаная стяжка 0,33
|
1,35
|
0,45
|
|
|
- собственный вес плиты 2,2
|
1,35
|
2,97
|
|
|
Итого 2,73
|
|
3,69
|
|
|
Переменная - по заданию6,5
|
1,5
|
9,75
|
|
Примечание: равномерно-распределенную нагрузку от собственного веса плиты
следует принимать:
Расчетные
нагрузки на погонный метр ригеля при ширине грузовой площади
и коэффициента надежности по назначению здания
составят:
.
постоянная нагрузка
.
временная нагрузка
.
суммарная постоянная нагрузка (с учетом нагрузки от ригеля)
3.5
Статический расчет ригеля
Определение
изгибающих моментов и поперечных сил ригеля производится с учетом
перераспределения в стадии предельного равновесия конструкции. Первоначально
необходимо рассчитать ригель как упругую систему на действие постоянных
нагрузок и отдельных схем невыгодного расположения переменных нагрузок. В этом
случае
определяются по формулам:
где
табличные коэффициенты.
После
вычисления значений
строятся эпюры моментов и поперечных сил от сочетания
нагрузок, т.е. к эпюре от постоянной нагрузки прибавляются (с учетом знаков)
эпюры от каждого варианта расположения временной нагрузки. Построение эпюр от
сочетания нагрузок выполняют на одной оси, что дает возможность получить
огибающую эпюру, которая представляет собой максимальные значения моментов
(положительных и отрицательных) от всех возможных сочетаний нагрузок (см. рис.
3.4).
После
построения огибающей эпюры необходимо произвести перераспределение изгибающих
моментов. Для этого к эпюрам от различных сочетаний нагрузок, дающих
максимальные значения на огибающей эпюре, прибавляются (с учетом знаков) эпюры
от дополнительных моментов на средних опорах. Величина дополнительного момента
не должна превышать
от опорного момента того сочетания нагрузок, к
которому прибавляется дополнительная эпюра.
После
получения огибающих эпюр поперечных сил и изгибающих моментов с учетом
перераспределения усилий, производится расчет и конструирование ригеля.
В
курсовом проекте с целью уменьшения объема расчетов статический расчет ригеля
(с учетом перераспределения усилий) рекомендуется выполнять на ЭВМ по программе
Расчет неразрезного ригеля (с перераспределением усилий)
· шифр задачи
· число
пролетов
· крайний
пролет
· средний
пролет
· постоянная
нагрузка
· средний
пролет
Рис. 3.3 - Схемы загружения
Таблица перерезывающих сил (в кН)
|
Вариант загружения
|
Опоры
|
|
      
|
|
|
|
|
|
|
|
|
205,3-272,886,3-64,8230,0-252,8108,7-40,9
|
|
|
|
|
|
|
|
|
|
40,9-108,7252,8-230,064,8-86,3272,8-205,3
|
|
|
|
|
|
|
|
|
|
183,7-294,5281,0-201,857,5-93,6274,2-203,7
|
|
|
|
|
|
|
|
|
|
47,0-102,7223,6-259,5259,5-223,6102,7-47,0
|
|
|
|
|
|
|
|
|
|
203,7-274,293,6-57,5201,8-281,0294,5-183,7
|
|
|
|
|
|
|
|
|
Таблица опорных и пролетных моментов до перераспределения усилий
|
Вариант загружения
|
Сечения
|
|
       
|
|
|
|
|
|
|
|
|
|
0,002,67-2,09-0,58-1,442,01-2,130,110,00
|
|
|
|
|
|
|
|
|
|
|
0,000,11-2,132,01-1,44-0,58-2,092,670,00
|
|
|
|
|
|
|
|
|
|
|
0,001,99-3,481,52-1,08-0,45-2,192,630,00
|
|
|
|
|
|
|
|
|
|
|
0,000,28-1,761,46-2,921,46-1,760,280,00
|
|
|
|
|
|
|
|
|
|
|
0,002,63-2,19-0,45-1,081,52-3,481,990,00
|
|
|
|
|
|
|
|
|
|
Примечание:
для получения размерности
в таблицах моментов необходимо значения домножать на
Таблица
опорных и пролетных моментов после перераспределения усилий
|
Вариант загружения
|
Сечения
|
|
       
|
|
|
|
|
|
|
|
|
|
0,002,67-2,09-0,58-1,442,01-2,130,110,00
|
|
|
|
|
|
|
|
|
|
|
0,000,11-2,132,01-1,44-0,58-2,092,670,00
|
|
|
|
|
|
|
|
|
|
|
0,002,48-2,482,01-1,08-0,45-2,192,630,00
|
|
|
|
|
|
|
|
|
|
|
0,000,28-1,761,68-2,481,68-1,760,280,00
|
|
|
|
|
|
|
|
|
|
|
0,002,63-2,19-0,45-1,082,01-2,482,480,00
|
|
|
|
|
|
|
|
|
|
3.6
Уточнение высоты сечения ригеля
Высоту
сечения ригеля уточняют по опорному моменту, действующему по грани опоры ригеля
на колонне. Принимая размеры сечения колонны
определяем
наибольшие величины изгибающих моментов по грани колонны при комбинациях
загружения
соответственно:
Больший
изгибающий момент по грани опоры
является
расчетным.
При
расчете ригеля с учетом перераспределения усилий должно соблюдаться условие:
Величине
соответствует
(см. табл.
3-3 [2]). Тогда, исходя из условия, получаем:
Предполагая
расположение арматуры в два ряда по высоте сечения ригеля, принимаем расстояние
от его растянутой грани до центра тяжести арматуры у этой грани равным
(при однорядной арматуре рекомендуется принимать
). Тогда полная высота сечения:
Назначаем
(высота сечения ригеля при
принимается кратно
).
Рабочая
высота сечения ригеля в пролете:
Проверяем
соответствие размеров сечения ригеля:
Так
как уточненная высота сечения ригеля не отличается от первоначально принятой,
перерасчет нагрузки от массы ригеля не производим.
3.7
Определение площади сечения продольной арматуры
Сечение продольной арматуры ригеля подбирают на прочность по моменту в
четырех нормальных сечениях: в крайнем пролете, в среднем пролете и на средней
опоре.
· для арматуры
класса
По
конструктивным требованиям минимальная площадь сечения арматуры равна:
· пролет
(нижняя арматура):
· пролет
(нижняя арматура):
· опора
(верхняя арматура):
· пролет
(верхняя арматура):
Результаты
расчетов и подбор арматуры в расчетных сечениях сводим в табл. 3.2:
Таблица 3.2
Определение площади сечения рабочей арматуры ригеля
|
Сечение
|
Расположение арматуры
|
       Принятое армирование
|
|
|
|
|
|
|
пролет 1
|
нижняя
|
267,0
|
0,305
|
0,805
|
14,12
|
15,20
|
|
|
пролет 1
|
верхняя
|
-
|
Монтажная конструктивная арматура
|
3,08
|
|
|
опора B
|
верхняя
|
200,28
|
0,240
|
0,856
|
10,20
|
10,74
|
|
|
пролет 2
|
нижняя
|
201,0
|
0,230
|
0,863
|
9,92
|
10,17
|
|
|
пролет 2
|
верхняя
|
58,0
|
0,061
|
0,968
|
2,46
|
3,08
|
|
3.8 Расчет
прочности наклонных сечений по поперечной силе
Расчет поперечной арматуры ведут для трех наклонных сечений: у крайней
опоры, у первой промежуточной опоры справа и слева. Целесообразно расчет
начинать для сечений у первой промежуточной опоры слева, где действует
наибольшая поперечная сила.
· первая промежуточная опора слева:
Площадь
продольного армирования в расчетном сечении
Диаметр
поперечных стержней в сварных каркасах должен удовлетворять требованиям по
сварке (см. табл. 4.2 [2]). При продольной арматуре
принимаем
Поперечная
арматура ригеля входит в состав двух каркасов, поэтому
Расчет
прочности железобетонных элементов на действие поперечных сил начинается
проверкой условия:
где
расчетная поперечная сила от внешних воздействий;
поперечная
сила, воспринимаемая ж/б элементом без поперечного армирования.
но
не менее:
В
данном случае:
Так
как
, то окончательно принимаем
при
отсутствии осевого усилия (сжимающей силы).
Поскольку
,
Расчет
поперечной арматуры производим на основе стержневой модели (по методу ферменной
аналогии).
Назначаем
критическое сечение на расстоянии
от грани
опоры, что меньше
но больше
Расчетная
поперечная сила в критическом сечении на расстоянии
от грани опоры составляет:
В
критическом расчетном сечении должно выполняться условие:
где
касательные напряжения в критическом сечении;
расстояние
между верхней и нижней продольными арматурами в сечении:
коэффициент,
равный:
Тогда:
Определяем
максимально возможное значение
из
условия:
В
данном случае:
Тогда:
Приняв,
ориентировочно,
определяем:
где
расчетное сопротивление поперечной арматуры (в нашем
случае
).
Полученное
значение отношения
должно удовлетворять условию:
В нашем случае:
где
нормативное сопротивление арматуры (в нашем случае
).
, тогда:
При
использовании
расчетный шаг поперечных стержней должен быть не
более:
Таким
образом, окончательно в приопорной зоне длиной
пролета
можно принять шаг поперечных стержней
что
удовлетворяет конструктивным требованиям
В
средних частях пролетов шаг поперечных стержней должен назначаться не более
и не более
Принимаем:
В
остальных сечениях расчеты производятся аналогично. В нашем случае у крайней
опоры
(
) и у первой промежуточной опоры справа (
), где поперечные силы меньше, чем на первой
промежуточной опоре слева
принятое поперечное армирование также будет
обеспечивать прочность наклонных сечений. Уменьшить поперечное армирование не
представляется возможным, так как диаметр хомутов принят минимальным.
3.9
Построение эпюры материалов (эпюры арматуры)
Для экономии стали часть продольных стержней арматурного каркаса обрывают
в пролете в соответствии с огибающей эпюрой моментов. Места обрыва стержней
позволяет установить эпюра арматуры.
Несущая способность сечений балки по арматуре определяется по формуле:
где
уточненное значение рабочей высоты сечения;
табличный
коэффициент, определяемый:
где
относительная высота сжатой зоны, определяемая по
формуле:
· пролет
(нижняя арматура):
Продольная
арматура
Уточненное значение
тогда:
Из
четырех стержней
обрываем в пролете. Для сечения с оставшимися
при
· пролет
(нижняя арматура):
Продольная
арматура
Уточненное значение
тогда:
Из
четырех стержней
обрываем в пролете. Для сечения с оставшимися
при
· опора
(верхняя арматура):
Продольная
арматура
Уточненное значение
тогда:
На
некотором удалении от опоры обрываем все стержни. Так как во всех пролетах
верхняя арматура принята из
то
несущая способность сечения составит:
3.10
Определение длины анкеровки обрываемых стержней
Для обеспечения прочности наклонных сечений ригеля по изгибающим моментам
обрываемые в пролете стержни продольной арматуры необходимо завести за точку
теоретического обрыва на расстояние не менее:
где
коэффициенты, характеризующие условия анкеровки (см.
табл. 11.6);
базовая
длина анкеровки, определяемая:
где
расчетное значение предельного напряжения сцепления;
расчетное
напряжение стержня в месте, от которого измеряется анкеровка;
площадь
продольной арматуры, требуемая по расчету;
принятая
площадь продольной арматуры;
минимальная
длина анкеровки, равная:
Кроме
того, общая длина запуска обрываемого растянутого стержня за точку
теоретического обрыва должна быть не менее
где
ригеля.
Анкеровка растянутой арматуры
· сечение
В
сечении обрываются стержни
класса
Требуемая площадь сечения арматуры
принятая
площадь сечения арматуры
Тогда
согласно табл. 3-1 [2]:
Длина
анкеровки обрываемых стержней:
Величины
остальных параметров составляют:
Окончательно
принимаем
· сечение
В
сечении обрываются стержни
и
класса
Требуемая
площадь сечения арматуры
принятая площадь сечения арматуры 
Тогда
согласно табл. 3-1 [2]:
Длина
анкеровки обрываемых стержней:
Величины
остальных параметров составляют:
Окончательно
принимаем
· сечение
В
сечении обрываются стержни
класса
Требуемая площадь сечения арматуры
принятая площадь сечения арматуры
Тогда
согласно табл. 3-1 [2]:
Длина
анкеровки обрываемых стержней:
Величины
остальных параметров составляют:
Окончательно
принимаем
4. Расчет
стыка ригеля с колонной
Соединение
ригелей и колонн в неразрезную конструкцию осуществляется при помощи ванной
сварки выпусков их арматурных стержней. Зазоры между торцами ригелей и колонной
заполняются бетоном
на мелком щебне (см. рис. 4.1).
4.1
Определение площади соединительных стержней
Площадь соединительных стержней принимается по опорной арматуре ригеля из
условия равнопрочности. В данном случае необходимо принимаем соединительные
стержни:
При
размещении соединительных стержней в сечении следует иметь в виду, что для
осуществления ванной сварки расстояние в свету между стержнями должно быть не
менее
Рис. 4.1 - Схема стыка ригелей с колонной
5. Расчет
и проектирование сборной железобетонной колонны
5.1
Исходные данные
· размеры
ячейки сетки колонн
· размеры
здания в осях
· число этажей
· высота этажа
· нормативная
снеговая нагрузка (снеговой район
)
· нормативная
временная нагрузка на междуэтажное перекрытие
Вес сборных конструкций перекрытия и покрытия (панели и ригеля):
Принимаем
вес трехслойной рулонной кровли
вес
утеплителя на покрытии здания
вес
конструкции пола на всех перекрытиях
Сечение
колонн всех этажей здания назначаем
Для
определения длины колонны 1-го этажа принимаем расстояние от уровня чистого
пола до
обреза
фундаментов
Тогда:
5.2
Подсчет нагрузок на колонну
Типовые колонны многоэтажных зданий имеют разрезку через 2 этажа,
следовательно, необходимо выполнять расчет ствола колонны для 1-го и 2-го
этажей. Подсчет нагрузок выполняем в табличной форме (см. табл. 5.1).
Принимая в качестве доминирующей нагрузки временную нагрузку на
перекрытие, расчетная продольная сила от действия постоянных и временных нагрузок
будет равна (см. табл. 5.1):
. на колонну 1-го этажа
.
на колонну 2-го этажа
Расчетная
продольная сила, вызванная действием постоянных нагрузок, равна:
.
на колонну 1-го этажа
. на колонну 2-го этажа
Таблица 5.1
Подсчет нагрузок на колонну
|
Наименование и подсчет нагрузок
|
Величина нагрузок на колонну
|
|
1-го этажа
|
2-го этажа
|
|
- нагрузка от конструкций покрытия 173,60
|
173,60
|
|
-
нагрузка от конструкций перекрытия над 1-6 этажами
- нагрузка от конструкций перекрытия над 2-6 этажами
|
884,55737,13
|
|
|
-
нагрузка от собственного веса колонн всех этажей
-
нагрузка от собственного веса колонн 2-6 этажей
|
133,9997,20
|
|
|
-
временная нагрузка на перекрытиях над 1-6 этажами
временная
нагрузка на перекрытиях над 2-6 этажами
|
1990,171658,48
|
|
|
|
- снеговая нагрузка на покрытие 40,82
|
40,82
|
|
5.3.
Расчет колонны на прочность
5.3.1
Определение размеров сечения колонны
При
продольной сжимающей силе, приложенной со случайным эксцентриситетом (
) и при гибкости
расчет
сжатых элементов с симметричным армированием производится по условию (согласно
прил. 7.22):
где
коэффициент, учитывающий влияние продольного изгиба и
случайных эксцентриситетов.
Заменив
величину
через
условие
примет вид:
Необходимая
площадь сечения колонны без учета влияния продольного изгиба и случайных
эксцентриситетов,
т.е. при
и эффективном значении коэффициента продольного
армирования для колонны 1-го этажа
будет
равна:
Окончательно
принимаем квадратное сечение колонны
Тогда:
5.3.2
Расчет продольного армирования колонны 2-го этажа
Величина случайного эксцентриситета:
Принимаем
величину случайного эксцентриситета
Относительная
величина начального эксцентриситета:
Расчетная
длина колонны:
где
коэффициент, учитывающий условия закрепления (для
колонн
);
высота
элемента в свету (в нашем случае
).
Определим
условную расчетную длину колонны:
В
данном случае:
где
предельное значение ползучести бетона (в нашем случае
).
Тогда
гибкость колонны:
При
и относительной величине эксцентриситета
согласно табл. 3-2 [2] получаем
Тогда
необходимое сечение продольной арматуры:
Принимаем
.3.3
Расчет продольного армирования колонны 1-го этажа
Величина случайного эксцентриситета:
где
высота ригеля (в нашем случае
).
Принимаем
величину случайного эксцентриситета
Определим
условную расчетную длину колонны:
В
данном случае:
Тогда
гибкость колонны:
При
и относительной величине эксцентриситета
согласно табл. 3-2 [2] получаем
Тогда
необходимое сечение продольной арматуры:
Принимаем
В
качестве поперечной арматуры для армирования колонны принимаем стержни
из стали класса
(согласно
табл. 4-2 [2]) с шагом
что не превышает
5.4 Расчет
консоли колонны
Консоль
колонны воспринимает поперечную силу ригеля от одного междуэтажного перекрытия.
Наибольшая поперечная сила действует на опоре
слева и
равна
5.4.1
Конструирование консоли
Минимально допустимая длина площади опирания ригеля из условия прочности
бетона на смятие (см. рис. 5.1):
где
ширина ригеля (в нашем случае
).
Принимаем
расстояние от торца сборного ригеля до грани колонны
Тогда
требуемый вылет консоли равен:
С
учетом возможной неравномерности распределения давления по опорной поверхности,
а также неточности при монтаже принимаем
Предварительно
приняв
требуемая рабочая высота консоли у грани колонны из
условия прочности наклонного сечения по сжатой полосе определяется следующим
образом:
где
размер грани колонны (в нашем случае
).
Полную
высоту консоли возле ее основания принимаем
Тогда:
Условие
выполняется, следовательно, данный элемент относится
к короткой конструкции.
Нижняя
грань консоли возле ее основания наклонена под углом
поэтому высота свободного конца консоли:
5.4.2
Армирование консоли
Расчетный
изгибающий момент силы
относительно грани колонны:
где
расстояние от силы
до грани
примыкания консоли к колонне, равное:
В
данном случае:
Тогда:
Требуемую
площадь сечения продольной арматуры подбираем по изгибающему моменту
увеличенному на
В данном
случае:
Принимаем
Эти стержни привариваются к закладным деталям
консоли.
Поперечная
сила ригеля приложена от грани колонны на расстоянии
(см. рис. 5.1). Так как
то проверка прочности наклонных сечений на действие
главных растягивающих усилий не производится.
При
консоль армируется отогнутыми и поперечными
стержнями. Площадь сечения отогнутой арматуры можно определить по эффективному
коэффициенту поперечного армирования:
Отогнутую
арматуру устанавливаем в двух наклонных сечениях по два стержня в каждом
сечении, т.е
Поперечные
стержни принимаем по двум граням консоли
Шаг
поперечных стержней должен быть не более
и
Принимаем в пределах консоли шаг поперечных стержней
Рис. 5.1 - Схема для расчета консоли колонны
6. Расчет
стыка колонн
Техническими правилами по экономному расходованию основных строительных
материалов рекомендуется выполнять колонны без стыков на несколько этажей.
Из
условия производства работ стыки колонн назначают на расстоянии
выше перекрытия. При выбранных конструкциях и
условиях работы колонны наиболее целесообразным является стык с ванной сваркой
продольных стержней.
Для
осуществления этого стыка в торцах стыкуемых звеньев колонн в местах
расположения продольных стержней устраивают подрезки. Продольные стержни
выпускают в виде выпусков, свариваемых в медных съемных формах. После сварки
стык замоноличивают бетоном того же класса или ниже на одну ступень класса
бетона колонны.
В
данном примере принимаем бетон класса
и
выпуски арматуры длиной
и диаметром
Стык
такого типа должен рассчитываться для стадий: до замоноличивания как шарнирный
стык на монтажные (постоянные) нагрузки, после замоноличивания как жесткий стык
с косвенным армированием на эксплуатационные (полные) нагрузки.
Рассмотрим
устройство стыка на третьем этаже, где (согласно табл. 5.1) действует
продольная сила:
.
от полных нагрузок
.
от постоянных нагрузок
где
соответственно нагрузка на колонну на уровне 1-го и 2-го
этажей.
При
расчете стыка до замоноличивания усилие от нагрузки воспринимается бетоном
выступа колонны, усиленным сетчатым армированием
и
арматурными выпусками, сваренными ванной сваркой
Поэтому
условие прочности стыка имеет вид:
где
площадь смятия, принимаемая равной площади
центрирующей прокладки или, если она приваривается при монтаже к
распределительному листу и толщина листа не менее
расстояния от края листа до центрирующуй прокладки,
площади листа;
коэффициент
продольного изгиба выпусков арматуры;
площадь
сечения всех выпусков арматуры (см. табл. 4-1 [2]);
приведенная
призменная прочность бетона.
Размеры
сечения подрезки из условия размещенных медных форм принимаем
а величина защитного слоя сеток косвенного
армирования
Тогда площадь части сечения, ограниченная осями
крайних стержней сетки косвенного армирования:
Центрирующую
прокладку и распределительные листы в торцах колонн назначаем толщиной
а размеры в плане: центрирующей прокладки -
что не превышает
распределительных
листов -
За
площадь сечения
принимаем площадь распределительного листа:
Принимаем
Коэффициент,
учитывающий повышение прочности бетона при смятии:
где
нормируемый коэффициент (для элементов с косвенным
армированием
).
В
данном случае:
Сварные
сетки конструируем из проволоки
Размеры
ячеек сетки должны быть не менее
не более
и не более
Шаг
сеток следует принимать не менее
не более
и не более
В
каждом направлении сетки (см. рис. 5.2) число длинных стержней
число коротких
Расчетная
длина длинных стержней
коротких
Коэффициент
косвенного армирования:
Коэффициент
эффективности косвенного армирования:
В
данном случае:
где
нормируемый коэффициент (так как расчет ведется в
стадии монтажа, то
).
Значение
определяется по формуле:
В
данном случае:
Тогда:
Для
вычисления усилия
определяем радиус инерции арматурного стержня:
Расчетная
длина выпусков арматуры равна:
Гибкость
выпусков арматуры:
Тогда
согласно табл. 4-3 [2] коэффициент продольного изгиба арматуры
Усилие,
воспринимаемое выпусками арматуры:
Тогда
предельная сила, воспринимаемая незамоноличенным стыком:
Таким образом, прочность колонны в стыке до замоноличивания намного
больше усилий, вызванных нагрузкой даже в стадии эксплуатации. Проверку
прочности стыка в стадии эксплуатации можно не производить, так как добавится
еще прочность замоноличенного бетона.
Рис. 5.2 - Схема для расчета стыка колонн между собой
Заключение
В результате выполнения курсового проекта по курсу “Железобетонные
конструкции” были изучены и усвоены методы проектирования, расчета монолитного
ребристого и сборного балочного перекрытий, а также конструирование этих
перекрытий.
Литература
. СНБ
5.03.01-02 “Бетонные и железобетонные конструкции”. - Мн.: Стройтехнорм, 2002г.
- 274 с.
. СНиП
2.01.07-85 “Нагрузки и воздействия”. - М.: ЦИТП Госстроя СССР, 1986г. - 36 с.
.
Методические указания к выполнению курсового проекта №1 “Расчет и
конструирование монолитного железобетонного ребристого перекрытия с балочными
плитами”. БрГТУ, 2011 г.
.
Методические указания к выполнению курсового проекта №2 “Расчет и
конструирование сборных железобетонных элементов многоэтажного промышленного
здания”. БрГТУ, 2005 г.