Расчет перекрытия

  • Вид работы:
    Курсовая работа (т)
  • Предмет:
    Строительство
  • Язык:
    Русский
    ,
    Формат файла:
    MS Word
    248,95 Кб
  • Опубликовано:
    2015-01-27
Вы можете узнать стоимость помощи в написании студенческой работы.
Помощь в написании работы, которую точно примут!

Расчет перекрытия

1. Расчет и конструирование монолитной плиты перекрытия

1.1 Компоновка монолитного ребристого перекрытия с балочными плитами

Рисунок 1.1. Компоновка монолитного ребристого перекрытия с балочными плитами

Расчетная схема монолитной плиты - 5-ти пролетная нагруженная балка (так как усилия во всех средних пролетах плиты незначительно отличаются от усилий в 3-м пролете) с промежуточными опорами из второстепенных балок, условной ширины 1 м, высотой 6 см, крайние опоры - шарнирно подвижные, промежуточные - шарнирно неподвижные.

Нагрузка - равномерно распределенная.

hпл=6cм - толщина плиты;

= 6 м - пролет главной балки;

Определяем высоту и ширину главной балки:

hгл.б может приниматься от l до l т.е. в нашем случае от 750 до 500 мм. Принимаем hгл.б = 700 мм

bгл.б может приниматься от  hгл.б до  hгл.б т.е. в нашем случае от 280 до 350 мм. Принимаем bгл.б = 350 мм

Определяем высоту и ширину второстепенной балки:

hвт.б может приниматься от l до l т.е. в нашем случае от 500 до 400 мм. Принимаем hгл.б = 440 мм

bвт.б может приниматься от  hвт.б до  hвт.б т.е. в нашем случае от 176 до 220 мм. Принимаем bвт.б = 200 мм

1.2 Выбор материалов

Исходные данные для проектирования плиты:

Бетон Кл.В15

Расчетные характеристики: Rb=8.5МПа,

Eb=23·103МПа

Арматура Вр-I

Расчетные характеристики: Rs=375МПа (d=3 мм), 365МПа (d=4 мм),

Es=1.7·105МПа

1.3 Сбор нагрузок

Материал пола - дерево.

Рисунок 1.2. Конструкция перекрытия

Табл.1.1. Сбор нагрузок на 1м2 перекрытия

Nп.п.

Наименование

Нормативная нагр. кН/м

Коэффициент надежн. γs

Расчетная нагр кН/м

1

Дощатый настил δ=0,029 м 0,029*5кН/м3

0,145

1,2

0,174

2

Лага 0,06*0,1*5

0,030

1,2

0,036

4

Ребристая плита, приведенная толщина 0,1 м*25кН/м3

2,5

1,1

2,75


Итого

2,675


2,96

5

Временная полезная нагрузка (V)

8,0

1,2

9,6


Итого

10,675


12,56

.2 Определение усилий

Рисунок 1.3. Расчетная схема - многопролетная неразрезная балка

Рисунок 1.4. Конструктивная схема

Так как размер здания в осях А - Е 30 м не делится на 1.8 м (расстояние между осями второстепенных балок) без остатка, то крайние пролёты принимаем по 1.5 м, а остальные по 1.8 м.

Mпр1= Mоп1=q*l12/11 (при рулонном армировании усилие в крайнем пролете и на крайней опоре)

Mпр2= Mоп2=q*l22/16

l1=l-c-bвб/2+t/2, l1=1500-200+60-100=1260, l1=1.26 м

l2=l - bвб, l2=1800-200=1600, l2=1.6 м

q=12.56кН/м2

Mпр1= Mоп1=12.56*1.262/11=1.73 кН*м

Mпр2= Mоп2=12.56*1.62/16=1.92 кН*м

На основе метода предельного равновесия определяется h монолитной плиты

M=A0R*Rb*b*h02

A0R - граничный статический момент сжатой зоны бетона

A0Rr*(1-ζr/2)

ζ = x/h0 - относительная высота сжатой зоны бетона

h0 - рабочая высота бетона

ζ = ζr, ζr=0,1 - граничная относительная высота сжатой зоны бетона

A0R=0.1*(1-0,1/2)=0.095= Mпр1= Mоп1=2.5 кН*м - ширина плиты, b=1 м

γb2 - коэффициент условия работы по бетону

γb2=0.9

=h0+as

as=1cм (по СНиП 2.03.01-84)=5.01+1=6.01cм

h=6cm

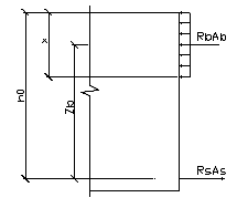
.3 Расчет прочности нормального сечения плиты

zb - плечо внутренней пары сил

As - площадь арматуры

∑x=0

∑M=0

Ab=b*x

ζ=x/h0; zb=(h0-x/2)= A0*Rb*b*h02bAb= RsAs= A0R*Rb*b*h02* γb20=M/ Rb*b*h0* γb2; A0=0.1

ζ=1-√1-2* A0; ζ=0.1

η=(1- ζ /2); η=0.995= Rb*b*h0* γb2* ζ/Rs; As=0.94cm2; As=1.26сеч= Rs*As* h0* η; Mсеч=2.2451.87kN\m2

(Mсеч-M/ Mсеч)*100%=16.9 Mсеч%

Принимается арматура 10ø 4 Вр - I (C - 1) C - 1 4 Вр - I - 100 7640×25960 20

3 Вр - I - 300 20- 2 4 Вр - I - 100 7640×21880 20

Вр - I - 300 40

Так как приопорные моменты получились меньше остальных - дополнительную сетку рассчитывать не надо.

Рисунок 1.5. Схема армирования (разрез)

Рисунок 1.6. Сетки

2. Расчет и конструирование сборного перекрытия

.1 Компоновка конструктивной схемы сборного перекрытия.

Несущими элементами здания с неполным каркасом являются несущие кирпичные стены, колонны и опирающиеся на них ригели. Ригели располагаются в поперечном направлении для повышения пространственной жесткости производственного здания. По ригелям укладываются плиты перекрытия (связевые, рядовые и доборные).

Рисунок 2.1. Компоновка сборного балочного перекрытия

2.2 Расчет и конструирование сборной предварительно напряжённой плиты перекрытия

В соответствии с действующей нагрузкой (8кН/м2), принимаем в качестве сборного перекрытия ребристую плиту без поперечных ребер.


Целью расчета по первой группе предельных состояний является обеспечение:

прочности верхней полки на местный изгиб;

прочности поперечных ребер по нормальному сечению на действие изгибающего момента к наклонному сечению на действие поперечной силы;

прочности продольных предварительно-напряженных ребер по нормальному и по наклонному сечениям.

Целью рачета по второй группе предельных состояний является:

определение максимальных значений прогибов от кратковременных и длительно действующих нагрузок;

расчет по образованию трещин;

определение максимального раскрытия трещин от кратковременных и длительно действующих нагрузок;

- расчет по закрытию трещин.

Табл.1.1. Сбор нагрузок на 1м2 перекрытия

Nп.п.

Наименование

Нормативная нагр. кН/м

Коэффициент надежн. γs

Расчетная нагр кН/м

1

Конструкция пола

0,175

1,2

0,21

2

Ребристая плита

2,5

1,1

2,75


Итого

2,675


2,96

3

Временная полезная нагрузка (V)

8

1,2

9,6


в том числе





Кратковременная Vsh (30%)

2,4

1,2

2,88


Длительно действующая Vl (70%)

5,6

1,2

6,72


Полная

10,675


12,56


в том числе





Длительная

8,275


9,68


Кратковременная

2,4


2,88


Погонная нагрузка на 1 п.м. длины плиты определяется умножением нагрузки на 1м2 на номинальную ширину плиты.

Приведенная толщина определяется делением объема бетона плиты на площадь, перекрываемую ею: δ=V/A=0.9м3/9м2=100 мм

Расчет прочности продольных ребер по нормальным сечениям

Определение усилий

Расчетная схема плиты представляет собой свободно опертую однопролетную балку таврового сечения с полкой в сжатой зоне, загруженную равномерно распределенной нагрузкой.


Подсчитываются расчетные изгибающие моменты

от полной расчетной нагрузки M=(q*lo2n)/8

lo - расчетная длина плиты, q - полная расчетная нагрузка

q=12.56*1.485kN lo=5.72m M=74.50 м*кН

от полной нормативной нагрузки Mn=(qn*lo2*γn)/8

qn= 10.68*1.485 кН Mn=63.31 м*кН

от суммарной нормативной длительной нагрузки Mnl=(qnl*lo2*γn)/8

qnl=8.28*1.485kN Mnl=49.07m м*кН

от нормативной кратковременной нагрузки Mnsh=(vsh*lo2*γn)/8

vsh=2.4*1.485kN Mnsh=14.23 м*кН

Максимальная расчетная поперечная сила (на опорах) Q=q*lo/2

Q=51.64 кН

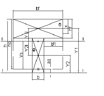
Определение параметров расчетного сечения

Расчетное сечение тавр с полкой в сжатой зоне

b=0.205 м bf=b+2*(1.485 м-0.24 м -0.025 м)/2










bf=0.74 м γb2=0.9

γb2-коэффициент условия работы по бетону

a=0.03 м h=0.35 м

Рабочая высота сечения h0=h-a h0=0.32 м

Характеристика сжатой зоны

ω=0.85-0.008*Rb* γb2 Rb=17 Mpa

ω=0.728Mpa

Граничная высота сжатой зоны

ζR= ω/(1+δsr/ δscu*(1 - ω/1.1))

δsr=Rs+400 - δsp δscu=500MPa при γb2<1

 

Предварительно принимается δsp=0.6*Rsser; Rsser=788 MPa;

Проверяются условия: δsp< Rsser-P; δsp>0.3* Rsser+P; P=30+360/l; l=6m

P=90MPa δsp=475MPa; δsr=427MPa

ζR=0.565MPa

Предельное отклонение предварительного напряжения:

Δγsp=0.5*P/ δsp*(1+1/√np); np - число напрягаемых стержней np=2

Δγsp=0.167 Δγsp>0.1

Вычисляется коэффициент точности натяжения γsp=1 - Δγsp=0.833 по его величине корректируется величина предварительного напряжения

δsp=500MPa

Определение площади сечения рабочей арматуры

Определяется расчетный изгибающий момент, воспринимаемый полностью сжатой полкой таврового сечения при x=hf

Mper= Rb* γb2*bf*(h0-0.5*hf)*hf; hf=0.05m

Mper - момент сечения полки

Mper=1.67 м*кН

Mper>M, то нижняя граница сжатой зоны проходит в полке, т.е.x<hf, и сечение рассчитывается как прямоугольное шириной bf и высотой h0.

Вычисляется:

A0=M/ Rb* γb2*bf*h02 A0=0.064

ζ=1-√1-2* A0 ζ=0.067

η=1 - ζ/2 η=0.967; η*=1.15 (табл. 3.1

СНиП Бетонные и железобетонные конструкции). Определяется коэффициент условия работы преднапряженной арматуры γs6

γs6= η* - (η*-1)*(2*(ζ/ζR) - 1) γs6=1.265

Вычисляется сечение рабочей преднапряженной арматуры

Asp=M/Rs* γs6* h0* η;

Rs=680MPa; Asp=3.079cm2 по сортаменту подбираем

диаметр арматуры и число стержней 2Ø 14 (A-VI) Asp=3.08cm2

Mcer= Asp* Rs* γs6* η* h0 Mcer=113.895m*kN

((Mcer-M)/ Mcer)*100%=0.038%, принимается 2Ø 14 (A-VI)

2.3 Определение геометрических характеристик приведенного сечения

Определяется отношение модулей упругости α=Es/Eb

Es=1.9/10-5MPa Eb=27/10-3MPa (Бетон В 25) α=7.04

Вычисляется площадь приведенного сечения - Ared:

Ared=A1+A2+ α* Asp=bf*hf; A1=370cm2=b*(h-hf); A2=615cm2

Ared=0.101m2

Sred-статический момент приведенного сечения относительно нижней растянутой грани I-I

Sred=S+ α*Ssp as=0,03msp= Asp*as; Ssp=9.24 cm3 S=A1*y1+A2*y2=h-0.5*hf; y1=0.325m y2=0.5*(h-hf); y2=0.15m

S=0.012m3

Определяется момент инерции приведенного сечения относительно оси, проходящей через центр тяжести приведенного сечения

Ired=bf*(h-hf)3/12+bf*(h-hf)*y1I2+b*hf3/12+b*hf*y2I2+ α* Asp*ys2

y1I=h-y0-hf/2; y0= Sred/ Ared; y0-расстояние от центра тяжести приведенного сечения до центра тяжести преднапряженной арматуры

y0=0.212m y1I=0.113mI= y0-y2; y2I=0.062 ms= y0 - as; ys=0.182m

Ired =0.0058m4

Момент сопротивления приведенного сечения по нижней грани

red= Ired/ y0; Wred=0.028m3

 

То же по верхней грани


Wred1= Ired/ (h0 - y0); Wred1=0.054m3

Упругопластичные моменты сопротивления

=γ*Wred; γ=1.75 - для таврового сечения с полкой в сжатой зоне.

Wpl=0.048m; Wpl1=γ*Wred1; Wpl1=0.094m

Рассчитывается расстояние от центра тяжести приведенного сечения до ядровых точек верхней:

r=φn*(Wred /Ared); φn=1.6 - δbp/Rbser; δbp/Rbser=0.75; φn=0.85

r=0.23m

и нижней:

rinfn*(Wred1 /Ared); rinf=0.454m

2.4 Определение потерь предварительного напряжения

Подсчет суммарных потерь δlos (табл. 5 СНиП 2.03.01-84) выполняется с коэффициентом точности натяжения γsp=1 т.е. δsp=0.6*Rsser; δ=588MPa

Первые потери (δlos1):

от релаксации напряжений стержневой арматуры при электротермическом способе натяжения δ1=0.03* δsp; δ1=14.18MPa

от температурного перепада, для пропаренных конструкций δ2=0

от деформации анкеров, при электротермическом способе натяжения δ3=0

от трения арматуры, при электротермическом способе натяжения δ4=0

от деформации стальной формы, при электротермическом способе натяжения δ5=30 MPa

При электротермическом способе натяжения определяется сумма первых потерь без учета δ6

δlos11= δ1+ δ2+ δ3+ δ45; δlos11=44.18MPa

Величина предварительного напряжения за вычетом первых потерь

δsp11splos11; δsp11=428.62MPa

Усилие предварительного обжатия

P11= Asp* δsp11; P11=132.01 kN

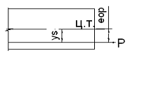
Эксцентриситет этого усилия равен:

eop=ys=0.182m

Величина сжимающих напряжений от усилия P11 на уровне центра тяжести преднапряженной арматуры:

δbp= P11/ Ared+ P11* eop* y0/ Ired; δbp=2.18MPa

Уточняется передаточная прочность бетона Rbp по условию, δbp/Rbp<0.75

δbp/Rbp=0.146

Вычисляется изгибающий момент в сечении по середине пролета от нормативной собственной массы плиты:

Mdser=qdser*b*l02/8

qd - нормативная собственная масса I m2 плиты

b-номинальная ширина плиты

qdser=2.45kN/m2 b=1.5m Mdser=15.45m*kN

Уточняется величина δbp от действия P11 с учетом изгибающего момента от собственной массы плиты: δbp= P11/ Ared+ P11* eop* y0/ Ired - Mdser* eop/ Ired

δbp=1.701MPa

определяется величина потерь от быстронатекающей ползучести:

α=0.25+0.025* Rbp; α=0.625<0.8, δbp/Rbp=0.134< α, значит δ6=0.85*(40* δbp/Rbp)

δ6=3.855MPa

Подсчитывается полная сумма потерь δlos1= δlos11+ δ6

δlos1=48.04MPa

Величина предварительного напряжения за вычетом суммарных первых потерь:

δsp1splos1; δsp1=424.76MPa

Определяется усилие обжатия с учетом суммарных первых потерь:

P1= Asp* δsp1; P1=130.83 kN

Вторые потери (δlos2):

от усадки бетона, δ8=35MPa

от ползучести бетона

δbp= P1/ Ared+ P1* eop2/ Ired - Mdser* eop/ Ired δbp=1.681MPa

α=0.85; δbp/Rbp=0.112<0.75, значит δ9=150* α *δbp/Rbp; δ9=14.29MPa

Подсчитывается сумма вторых потерь δlos2= δ8+ δ9

δlos2=49.29MPa

Подсчитывается величина полных потерь: δlos= δlos1+ δlos2

δlos=97.329MPa

Величина предварительного напряжения с учетом полных потерь:

δsp2splos; δsp=375.471MPa

Определяется усилие обжатия с учетом полных потерь:

P= Asp* δsp2; P=115.645kN

2.5 Расчет прочности наклонного сечения

Проверяется работа бетона на действие поперечной силы по наклонной полосе между наклонными трещинами:

Q<0.3*φω1b1*Rb*b*h0

φω1=1; φb1=1-β* Rb; Rb=17Mpa; β=0.01

.3*φω1b1*Rb*b*h0=290.14kN

Q=51.636kN

.636kN <290.14kN, условие соблюдается

Проверяется работа бетона на действие поперечной силы по наклонной трещине:

Q<0.3*φb3*Rbt*b*h0*(1+φfn)

φf - коэффициент, учитывающий влияние сжатых полок

φf=0.75*((bf1-b)*hf)/b*h0; bf1=b+3*hf; hf=0.05m; bf1=0.355m; φf=0.086

φn - коэффициент, учитывающий влияние продольной силы от предварительного обжатия

φn=0.1*P/(Rbt* b*h0)

P - усилие предварительного обжатия, определенное с учетом полных потерь, P=115.645 kN

Rbt=1.2MPa

φn=0.147; φb3=0.6

0.3*φb3*Rbt*b*h0*(1+φfn)= 58.221kN

Q=51.636kN

Q≤0.3*φb3*Rbt*b*h0*(1+φfn),

т.к. условие выполняется, поперечная арматура принимается конструктивно по требованиям СНиП 2.03-84* п. 5.27 на приопорных участках, равных при равномерно распределенной нагрузке 1/4 пролета, а при сосредоточенных нагрузках - расстоянию от опоры до ближайшего груза, но не менее 1/4 пролета, с шагом: при высоте сечения элемента h, равной или менее 450 мм: не более h/2 и не более 150 мм, на остальной части пролета при высоте сечения элемента h свыше 300 мм устанавливается поперечная арматура с шагом не более 3/4 h и не более 500 мм.

h/2=175 мм, 3/4 h=2625 мм, следовательно принимаем шаг поперечной арматуры; 15 см в приопорной зоне и 25 см в остальной части конструкции.


2.6 Проверка прочности плиты в стадии монтажа

Расчетная схема - однопролетная двухконсольная балка с равномерно распределенной нагрузкой от собственной массы плиты


Необходимо проверить прочность плиты в местах расположения петель.

Опасным является опорное сечение с изгибающим моментом:

Mddin*qd*b*ls2/2

γdin=1.4 - коэффициент динамичности

b=1.48m - ширина плиты

ls=0.8m - длина консоли

qd=2.25 kN/ m2

Md=1.492 m* kN

Моменты от силы обжатия для предварительно-напряженной плиты определяются относительно центра тяжести растянутой арматуры

Mp=-Pl*(h0-aI), где Pl=Asp*(δsp - δlos1los,com)

δsp=588 MPa, δlos1=48.039 MPa, aI=0.03 m

δlos,com - потери предварительного напряжения в арматуре при доведении бетона сжатой зоны до предельного состояния

δlos,com=330 MPa

Asp - площадь сечения напрягаемой арматуры

Asp=3.08 cm2l=29.19 kN

Mp=-8.46 m* kN

Расчетный момент в опорном сечении

M= Md+ Mp

M= - 6.97 m* kN, принимаем M=6.97 m* kN

Расчетное сечение - тавр с полкой в растянутой зоне. В расчет принимается прямоугольник с шириной, равной ширине ребра b

Определяется

A0=M/ Rb* γb2*b*h02 A0=0.022

ζ=1-√1-2* A0 ζ=0.0219

η=1 - ζ/2 η=0.989

Подсчитывается площадь сечения арматуры: As= Rb* γb2*b*h0* ζ/Rs

Rs=355 MPa As=0.62 cm2

Принимается 2 стержня Ø 8 А-III (Кр-1) As=1.01 cm2

Усилие на одну петлю: N=q*l/3

q= γdin*qd*b, q=4.725 kN/m, l=6m, 3 - число нагруженных петель

N=9.45 kN


Тогда: As=N/ Rs, As=0.42 cm2

Rs=225 MPa


Принимается 4 петли Ø 8 (А-1) As=0.785 cm2

2.7 Расчет прочности полки плиты

Рис. 2.6. Определение расчетных пролетов и грузовых площадей полки плиты

Определяем пролеты в свету:

l1=1460-110*2=1240;

l2=5650

l2/l1=4/56>2, значит расчетная схема плиты много пролётная не разрезная балка. Для расчета условно выделяется полоса шириной 1 м, поэтому нагрузка на 1 м2 перекрытия одновременно является в то же время нагрузкой на 1 п.м полосы.

Расчетный момент в полке плиты:


рабочая высота сечения:

расчет площади сечения рабочей арматуры:

A0=M/ Rb* γb2*b*h02 A0=0.029b=17 MPa; b=1m; h0=hf-a; hf=0.05m; a=0.015m; h0=0.035m

ζ=1-√1-2* A0 ζ=0.0294

η=1 - ζ/2 η=0.985s= M/ Rs* h0* η; Rs=360MPa

As=0.978 cm2

Принимаем (согласно сортаменту) 29Ø3 Вр-I с шагом S=200 мм с пл. As=0.98 см². Арматуру перпендикулярного направления принимаем конструктивно: Ø3 Вр-I с шагом S=250 мм. 

 (см графеческая часть лист 1)

Проверка прочности нормального сечения:

X=Rs * As/Rbb2*bf=0.0024 м



2.8 Расчет ребристой плиты по второй группе предельных состояний

Расчет по образованию трещин, нормальных к продольной оси элемента.

Конструкция III - категории γf=1 γsp=1

Проверяется условие:

Mn<Mcrc= Rbtser* Wpl+ γsp*P*(eop+r)

Mn - момент от внешних сил Mn=63.306 m*kN

Mcrc - момент, воспринимаемый сечением при образовании трещин

Rbtser=1.8MPa Wpl=0.048m P=115.645 kN eop=0. 0.182m

r = γn*(Wred/Ared); γn=1.6-δbp/Rbser

δbp= P11/ Ared+ P11* eop* y0/ Ired; δbp=1.56Mpa

γn=0.166,=0.046m

Mcrc=117.36m*kN=63.306m*kN

Mn<Mcrc, трещины не образуются

3. Расчет колонны подвального этажа

.1 Сбор нагрузок на покрытие и перекрытие

Табл.3.1. Сбор нагрузок на 1м2 покрытия

Nп.п.

Наименование

Нормативная нагр. кН/м2

Коэффициент надежн. γf

Расчетная нагр кН/м2

1

От рулонного покрытия в 3 слоя

0,12

1,2

0,15


От цементного выравнивающего слоя t=20 мм ρ=20 кН/м3

0,4

1,1

0,44


От утеплителя пенобетонные плиты b=120 мм ρ=0,4кН/м3

0,48

1,2

0,58


От пароизоляции в 1 слой

0,04

1,2

0,048


От плиты hred=0.1 м

2,5

1,1

2,75


Итого

3,54


3,97

2

Временная снеговая нагрузка (Sg)

-

-

1,8004


в том числе





снеговая длительно действующая (Sl)

-

-

0,9002


Кратковременная

-

-

1,8004


Полная расчетная

-

-

5,7704


Длительно действующая

-

-

4,8702


Табл.3.2. Сбор нагрузок на 1м2 перекрытия

Nп.п.

Наименование

Нормативная нагр. кН/м

Коэффициент надежн. γs

Расчетная нагр кН/м

1

Конструкция пола

0,175

1,2

0,21

2

Ребристая плита

2,5

1,1

2,75


Итого

2,675


2,96

3

Временная полезная нагрузка (V)

8

1,2

9,6


в том числе





Кратковременная Vsh (30%)

2,4

1,2

2,88


Длительно действующая Vl (70%)

5,6

1,2

6,72


Полная

10,675


12,56


в том числе





Длительная

8,275


9,68


Кратковременная

2,4


2,88

.2 Сбор нагрузок на колонну








Аsup=B*L=6*6=36m2

l0=Hэт=3 m

Nпокр=q* Аsup; Nпокр=5,77*36=207.72kN

Nпокрl=ql* Аsup; Nпокрl=4,87*36=175.32kN

Nперек=qпsup; Nперек=12,56*36=452,16kN

Nперекl=qп* Аsup;

Nперекl=(6,72+2,96)*36=348,48kN

=Vcol*ρ*γf*γn; γf=1.1 γn=0.95

Vcol=b*h*lk; Vcol=0.35*0.35*18=2.21m3

Gcol=1.47*25*1.1*0.95=57.6kN

Gr= br*hr*Lr* ρ*γf*γn

Gr=(0.35*0.35+0.09*0.35)*6*25*1.1*0.95=24.1kN

Определяется продольная сжимающая сила:

расчётная

= Nпокр+ Nперек*n+ Gcol*+ Gr*nr

N=207.72+452.16*5+57.6+24.1*6=2671kN

Длительная

Nl= Nпокрl+ Nперекl*n+ Gcol*+ Gr*nr

Nl=175.32+348,48*5+57.6+24.1*6=2119,92kN

3.3 Расчёт ствола колонны

Рисунок 3.1. Расчетная схема.Исходные данные:

Бетон В20, Rb = 14,5МПа; Rbt = 0,9МПа;

Е=27·103МПа;

Арматура АIV, Rs = 510МПа; Rsc=400МПа;

Сечение колонны 350×350 мм;

Высота этажа - Н=3 м;

Расчетная длина колонны - L0=H=3 м.

Ригель 350×650×5550 мм.




Проверяется условие: l0<20*hcol

l0 - расчетная длина колонны













hcol - высота сечения колонны

*hcol=8 m l0=3 m

Условие соблюдается, значит колонна рассчитывается как центрально загруженная. Сечение колонны армируется симметричной рабочей арматурой.

Принимается предварительно сечение колонны 350×350 mm

ea>1/600*l0; ea=0.5cma>1/30* hcol; ea=1.2cm

Принимается ea=1.2cm

Определяется гибкость λ= l0/ hcol λ=8,6

Определяется площадь поперечного сечения А=N/φ*(Rb+μ*Rsc)

μ =0.02 Nl/N=0.79 φ=φsb=0.89 (СНиП 2.03.01-84, табл 26)

А=2671/0,89*(11,5*103+0,02*400*103)=1370 cm2

hcol=bcol=√A=37.01 cm

Принимается сечение колонны 400×400 mm

Вычисляется сечение рабочей сжатой арматуры:

(As+As1)=(N/ φ* Rsc) - A* Rb* γb2/ Rsc γb2=0.9

(As+As1)= 2671*10/0.89*400-1600*14.5*0.9/400=33.62cm2

По сортаменту принимается 4Ø22+4Ø25.

Astot=15,20+19,63=34,81 cm2











Проверяется условие:

φ=φb+2*(φsbb)*αs≤φsb

φb=0.88

αs = Rsc* Astot/ Rb*A

αs=400*34.83/14.5*1600=0.6

φ=0.88+2*(0.89-0.88)*0.6=0.89

Определяется фактический коэффициент армирования сечения колонны:

Проверяем условие:

+As1<A (на 5%).

μ= (As+As1/A)*100%

μ=32.19/1600*100%=2.18%<5% Условие выполняется

3.4 Определение усилия Q, действующего на консоль

Консоль рассчитывается на действие поперечной силы Q, передаваемой от сборного ригеля Q=q*l0/2, kN

q=qr+qпер

qr= br*hr* ρ*γfn

qr=(0,4*0,35+0,14*0,35)*25*1,1*0,95=4.94kN/m

qпер=qп*bsup* γfn

qпер=12,56*6*1,1*0,95=78.75kN/m=78.75+4.94=83.69kN/m=83.69*6/2=251.07 kN

3.5 Расчет консоли колонны

Материалы

Бетон - B25

Rb=14.5MPa Rsc=365MPa Rbt=0.9MPa


Расчет консоли выполняется по величине опорного давления ригеля Q. Определяется длина площадки передачи нагрузки ригеля на консоль:

lsup=Q/b* Rb

lsup=251.07/0.4*14.5*103=0.055m Принимается lcon=0.3m lsup=0.25m

Определяется расстояние от грани колонны до

точки приложения силы Q:

a= lcon - lsup/2

a=300-250/2=175mm

Вычисляется величина изгибающего момента в опорном сечении консоли (по грани колонны): M=Q*a

M=251.07 *0.175=43.94kN/m


Площадь сечения верхней продольной растянутой арматуры консоли подбирается по изгибающему моменту у грани колонны, увеличенному на 25%.

 

A0=1.25*M/ Rb*b*h02* γb2; A0=0.0408

ζ=1-√1-2* A0; ζ=0.042

η=(1- ζ /2); η=0.979s=1.25*M/ Rs* η *h0; As=2.7 cm2

По сортаменту подбирается диаметр стержней и их количество.

ø14 A - III As=3.08 cm2

Поперечная арматура консоли конструируется следующим образом:

при h>2*a - в виде отогнутых стержней и горизонтальных хомутов по всей высоте колонны

h=0.6m

*a=0.52m

Хомуты принимаются из условия свариваемости ø4 A - I

Шаг хомутов:

Sw<h/4; Sw=0.6/4=0.15m

Sw<150

Принимается шаг хомутов Sw=150mm

Диаметр отогнутых стержней - не более 25 мм


As=Q*l/h0* Rsc

As=251.07 *30*103/57*365*100=3.02cm2

Принимаются отгибы A - III 2 ø14 As=3.08cm2

Проверка прочности бетона консоли у грани колонны по наклонной сжатой полосе между грузом и опорой:

Проверяется условие:

Q<0.8*Rb*b*lbw2*sinӨ

φw2=1+5*α*μ - коэффициент, учитывающий влияние хомутов по высоте консоли.

α =Es/Eb Es=2/10-5MPa Eb=27.0/10-3MPa (Бетон В 20) α=7.4

μ=Asw/b*Sw

Asw=0.126cm2 - площадь сечения хомутов в одной плоскости

Sw - шаг хомутов

μ =0.126*4/40*15=0.0008

φw2=1+5*7.4*0.0008=1.0296

Определяется lb - расчетная ширина наклонной сжатой полосы:

lb= lsup* sinӨ

Ө - Угол наклона расчетной сжатой полосы к горизонтали

<Ө<60

sinӨ=0.88

lb=0.25*0.88=0.221m

0.8*Rb*b*lbw2*sinӨ=0.8*14.5*1000*0.4*0.195*1.0296*0.88=742kN

Q=251.07 kN

.07 kN<742kN, где правая часть должна быть:

>2.5* Rbt*b*h0

<3.5* Rbt*b*h0

h0=0.57m

.5* Rbt*b*h0=2.5*1.05*1000*0.4*0.57=598.5kN

.5* Rbt*b*h0=3.5*1.05*1000*0.4*0.57=837.9kN

Рисунок3.1. Захват для монтажа колонн

598.5kN<742kN<837.9kN, условие выполняется.

Т.к. колонну поднимают специальным захватом, монтажное отверстие не требуется.

4. Расчет стыка ригеля с колонной

перекрытие консоль плита балочный

Для обеспечения неразрезности ригеля и пространственной жесткости здания стык ригеля с колонной выполняется жестким и рассчитывается на восприятие изгибающего момента.

.1 Определение усилий в стыке


Расчетное растягивающее усилие в стыке:

Nst=Mf/z

Mf - момент действующий в стыке ригеля с колонной (граневой момент);

z-плечо пары сил, равное расстоянию от центров тяжести верхней и нижней закладных деталей ригеля.

Расчетным на опоре является сечение ригеля по грани колонны. В этом сечении изгибающий момент (граневой).

Mf=M-Q*hcol/2

M - изгибающий момент по оси опоры

Q - поперечная сила со стороны пролёта

hcol - высота сечения колонны

Изгибающий момент по оси опоры определяется в зависимости от количества пролетов неразрезного ригеля.


Определим опорные моменты в точках «В» и «С».

Mb=-g*l2/9.5-v*l2/8.4c= - g*l2/12.7-v*l2/8.9=gпер+grig

grig=4.73 kN/m

g пер= g п*bsup

g пер=12,56*6=75.36 kN/m=75.36+4.73 =80.09 kN/m

v=v* bsup

v=9.6*6=57.6 kN/mb=-80.09 *62/9.5-57.6 *62/8.4=550.32 kN*mc=-80.09 *62/12.7-57.6*62/8.9=460 kN*m

M=Mmax=550.32 kN*m

Q=251.07 kNf=550.32 -251.07 *0.4/2= 500.12kN*m=0.6st=500.12/0.6=833.54 kN


4.2 Расчет сварных соединений

Площадь сечений стыковых стержней:

Принимаем для стыковых стержней арматуру класса А - ІVC

As= Nst/Rs

Rsc=510MPas=833.54 /510*1000=16.34 cm2

По сортаменту принимается 4Ø25, Аs=19.63cm2

Длина фланговых сварных швов: lw>5*d=5*25=125mm

∑ lw >1.3* Nst/Rwzwz* γcz*hw

∑ lw >1.3* Nst/Rwfwf* γcf*hw

где 1,3 - коэффициент условия работы шва с учетом пластических деформаций ригеля;

hw - высота шва, принимаемая не менее 0,25d=0,25·16=4 mm - принимается 10mm;

Rw - расчетное сопротивление сварного шва, принимаемого по табл. 56 [2], для электродов Э46: Rwf=200МПа, Rwz=164МПа

∑ lw =1.3*833.54 /164*1000*1*1*1*0.01=0.67m

∑ lw =1.3*833.54 /200*1000*1*1*1*0.01=0.54m

Принимается большее из полученных значений: ∑ lw=0.67m

Длина сварного шва:

lw=∑ lw/8+1cm

lw=67/8+1=8.38+1=9.38cm

Принимается lw=125 mm

Длина сварных швов, прикрепляющие нижние закладные детали ригеля к закладным деталям консолей колонн:

∑ lw =1.3*(Nst-F)/Rwf* γcf*hw

F=Q*f - сила трения;

βf = 0,7 по табл. 34 [2];

f =0,15 - коэффициент трения стали по стали.

F=362.59*0.15=54.39kN

∑ lw=1.3*(833.54 -37.66)/0.7*0.01*200*1000=0.74m

Длина одного шва:

lw= ∑ lw/2+1cm=74/2+1=37cm

Принимается lw=350 mm

Площадь сечения стальных пластинок консоли и закладных деталей по низу ригеля:

A=Nst/Ry

Ry=215MPa - расчетное сопротивление стали растяжению.

A=833.54 /215*1000=38.77 cm2

Стык колонны выполняют на ванной сварке выпусков стержней с обетанированием, концы колонны усиливают поперечными сетками.

Конструирование стыка колонны с ригелем смотреть на листе.

5. Расчет прочности центрально-нагруженного фундамента под колонну

.1 Расчет прочности тела фундамента

Исходные материалы: Бетон кл. В15: Rbt=0.75МПа.

По величине продольной силы Ncolser (величина продольной силы по 2 гр. предельных состояний (усилия в уровне нормативного)), определяется необходимая площадь подошвы фундамента:


γf=1

A=a*b= Ncolser/(R-ρm*H1)

R=0.360 MPa - расчетное сопротивление грунтов основания

Ncolser= Ncol/ γfm=2671/1,15=2322.4kN

R=0.360 МПа - расчетное сопротивление грунтов основания,

ρm=20 кН/м3 - средняя плотность материала фундамента и грунта на его ступенях,

H1=0.6m - глубина заложения подошвы фундамента.

A=2322.4/(360-20*0.6)=2160.9/348=6.7 m2

Размеры сторон подошвы фундамента axb, как правило, принимаются квадратными и кратны 30 см.

a=b=√A=2.57m a=b=2.7m A=a*b=2.7*2.7=7.29m2

Определяется отпор грунта без учета массы фундамента и грунта на его ступенях: (Ncolser - расчетная продавливающая сила (1 гр.пред. сост.))

 

P= Ncolser/A

 

P=2322.4/7.29=318.6kN/m2

Глубина заложения фундамента определяется из условия его прочности на продавливание. Рабочая высота фундамента с квадратной подошвой составит:

h0=1/2*(√ Ncolser/Rbt+P) - hcol/2

h0=1/2*(√2322.4/0.75*1000+318.6) - 0.4/2=0.737-0.2=0.537m

Полная высота фундамента: hfun= h0+a=0.537+0.035=0.572

a=35mm - при наличии подготовки под фундамент.

Выполняется проверка высоты фундамента по конструктивным требованиям обеспечения жесткого защемления колонны в фундаменте и достаточной анкеровки продольной (гибкой) арматуры. Для этого проверяется глубина стакана фундамента hsoc по условиям:

hsoc>(1÷1.5)* hcol+0.05m=1.5*0.4+0.05=0.65m

hsoc>lan+0.05m=0.75+0.05=0.8m

lan - длина анкеровки арматуры в стакане фундамента,

lan=(20÷30)*d=20*0.025=0.5m

Высота фундамента: hfun= hcos+0.2m

hfun= 0.5+0.2=0.7m

Окончательно высота фундамента принимается большей из полученных значений кратно 300 мм.

hfun=0.9m h0=0.9-0.035=0.865m

.2 Проверка на продавливание

Продавливающая сила определяется на уровне верха фундамента за вычетом отпора грунта, распределенного по площади нижнего основания пирамиды продавливания из выражения:

F= Ncolser-P*(hcol+2*h0)2

F=2322.4-318.6*(0.4+2*0. 865)2=1225kN

Проверяется условие: F≤ Rbt*Um*h0

Um - среднее арифметическое между периметрами верхнего и нижнего оснований пирамиды продавливания,

Um=4*(hcol+ h0)=4*(0.4+0. 865)= 5.06m

Rbt*Um*h0=0.75*1000*5.06*0.865=3282kN - условие выполняется.

Расчетная высота нижней ступени определяется из условия работы по поперечной силе без поперечной арматуры.

Расчетная поперечная сила (от внешней нагрузки):

 

Q=P*C


где, l - длина консоли нижней ступени,

C - длина проекции опасного наклонного сечения,

C=h01=0.3-0.035=0.265m

Q=318.6*0.265=84.42kN

Расчетная высота нижней ступени определяется из условия:

Q≤1.5*Rbt*b* h012/C

.5*Rbt*b* h012/C=1.5*750*2.7*0.2652/0.265=805kN

При этом должны выполняться условия:

2.5*Rbt*b* h01≥1.5*Rbt*b* h012/C≥0.6* Rbt*b* h01

.5*Rbt*b* h01=2.5*750*2.7*0.265=1342kN

.6* Rbt*b* h01=0.6*750*3*0.265=321.96kN

Условия обеспечиваются.

.3 Расчет армирования фундамента

Расчетная схема - защемленная консоль. Консоли фундамента работают подобно изгибаемым консолям (M и Q от отпора грунта), заделанным в массив фундамента, их рассчитывают по нормальным сечениям: 1-1, 2-2.

Армирование фундамента осуществляется сеткой из арматуры кл. А-III, min d=12 мм Rs=365MPa.

Изгибающие моменты в сечениях 1-1, 2-2 как для консольных балок равны:

M1-1=0.125*P*(a-hcol)2*b

M1-1=0.125*318.6*(2.7-0.4)2*1=210.65kN*m

M2-2=0.125*P*(a-a1)2*b

a1=1.8m

M2-2=0.125*240.1*(3-2.1)2*1=32.26 kN*m

Расчетная площадь рабочей арматуры на всю ширину фундамента из условия, что

z=0.9*h0=0.9*0.865=0.779m

As1= M1-1/(0.9* h0*Rs)

As1=210.65/0.9*0.865*365*1000=210.65/284152.5=7.41cm2

As2= M2-2/(0.9* h0*Rs)

As2=32.26 /0.9*0.865*365*1000=32.26 /284152.5=1.32cm2

Конструирование сетки выполняется по большему значению As=7.41cm2.

Шаг принимается равным 200 мм симметричным в обоих направлениях, принимается 5ø14 A-III As=7.69cm2.

C7 14 A-III -200 3000×3000 75

A-III -200 75

При толщине стенки стакана по верху более 200 мм и более 0.75 высоты верхней ступени фундамента (300 мм), стенки стакана не армируются.

Конструирование фундамента смотреть на листе.

6. Расчет простенка первого этажа

6.1 Определение нагрузки на простенок

Простенок выполнен из красного кирпича пластичного формования.

Выбор материала:

Кирпич: M200

Раствор: M75


Грузовая площадь на кирпичный простенок.

Asup=6*3=18m2

Продольная сила от покрытия:

Nпокр=qпокр* Asup

Nпокр1=4.87*18=87.66kN

Продольная сила от одного перекрытия:

Nпер=qпер* Asup

Nпер1=12.56*18=226.08kN

Вес погонного метра ригеля:

Grig=brig*hrig*ρ*γf* γm

Grig=(0.4*0.35+0.14*0.35)*25*1.1*0.95=4.02kN

Вес стены:

Gстен=(Bo*Hзд+ho*bo)*ρ*hстен* γf* γm

Gстен=(3*3-1.8*1.5)*18*0.64*1.1*0.95=75.84kN

где, hстен=0.64m - толщина стены,

ρ=18kN/m3 - плотность кирпичной кладки.
















Nпокр= Nпокр1+ Grig*(l/2)

l=6m - пролет ригеля

Nпокр=87.66+4.02*3=99.73kN

Nпер= Nпер1+ Grig*(l/2)

Nпер=226.08+4.02*3=238.15kN

Вес парапета:

Gпар=bsup*Hпар*ρ*hстен* γf* γm

Gпар=6*1*0.64*18*1.1*0.95=72.23kN

Вес участка стены под перекрытием первого этажа:

Gстен1=0.6*0.64*3*18*1.1*0.95=19.69kN

Определим продольную силу, действующую на простенок:

N= Nпокр+ Nпер*5 Gстен+ Gстен1+ Gпар

 

N=99.73+238.15*5+99.67+19.69+72.23=1458.24kN


Вертикальный разрез


Грузовая площадь стены одного этажа.


Расчетная схема простенка


6.2 Определение несущей способности простенка

Определяется эксцентриситет приложения нагрузки N1.=hстен/2 - er при e011<7cm=25/3=8.3cm


Принимается e011=7cm


e01=64/2-7=25cm=0.25m

N1= Nпер=238.15kNI-I= N1* e01=238.15*0.25=59.54kN*m

Момент МII-II определим из пропорции: 2.4/3= МII-II/ M1I-I

МII-II=2.4*59.54/3=47.63kN*m

Эксцентриситет его, определится из формулы:

= МII-II/N=47.63/1458.24=0.0327m

Условие прочности простенка:

<mq*φ1*Ac*R*ώ


где α=1000 - упругая характеристика (СНиП II-22-81 табл. 15)=2.5MPa - расчетное сопротивление кладки (СНиП II-22-81 табл. 2)=1, если hстен>30cm=h-2*eo=0.64-2*0.0327=0.57cm

λ1=Hэт/ hстен=3/0.64=4.69

λ2=Hэт/ hс=3/0.57=5.26

φ1 - коэффициент продольного изгиба

φ1= φ+ φc/2

φ=0.975 φc=0.967 (СНиП II-22-81 табл. 18)

φ1=0.975+0.967/2=0.9708

ώ =1+(eo/ hстен)=1+(0.0327/0.64)=1.05 - коэффициент учитывающий поддерживающее влияние бетона.= hстен*bsup - площадь простенка

A=0.64*1.2=0.768m2

Ac=A*(1-2*eo/ hстен)=0.768*(1-2*0.056/0.64)=0.6895 m2*φ1*Ac*R*ώ=1*0.9708*0.6895*2500*1.0511=1758.92kN

N=1458.24kN<1758.92kN, условие выполнено. Простенок не армируется.

Литература

1. СНиП 2.03.01-84* «Бетонные и железобетонные конструкции» - М.: ЦИТП Госстроя СССР, 1985.

. СНиП ІІ-23-81 «Стальные конструкции. Нормы проектирования.» - М.: ЦИТП Госстроя СССР, 1982.

. СНиП П-22-81 «Каменные и армокаменные конструкции». - М.: Стройиздат, 1983.

.СНиП 2.01.07-85* «Нагрузки и воздействия» - М.: ЦИТП Госстроя СССР, 2003.

. ГОСТ Р21.1501-92 «Правила выполнения архитектурно - строительных чертежей». - М.: Издательство стандартов, 1993.

. Байков В.Н., Сигалов Э.Е. «Железобетонные конструкции» - М.: Стройиздат, 1991.

. Бондаренко В.М., Суворкин Д.Г. «Железобетонные и каменные конструкции: Учеб. для студентов вузов по спец. «Пром. и гражд. стр.-во»». - М.: Высшая школа, 1987.

. Вахненко П.Ф. «Каменные и армокаменные конструкции». - К.: Будивэльнык, 1990.

. Попов Н.Н., Забегаев А.В. «Проектирование и расчет железобетонных и каменных конструкций» - М.: Высшая школа, 1989.

. «Пособие по проектированию предварительно напряженных железобетонных конструкций из тяжелых и легких бетонов (к СНиП 2.03.01-84*)» - М.: ЦИТП Госстроя СССР, 1988.

. «Проектирование железобетонных конструкций».: Справочное пособие/ Под ред. Голышева А.Б. - К.: Будивэльнык, 1985.

Похожие работы на - Расчет перекрытия

 

Не нашли материал для своей работы?
Поможем написать уникальную работу
Без плагиата!
Без нейросетей!