Расчет и проектирование производственного здания
Министерство образования и науки РФ
ГОУ ВПО
Дагестанский Государственный
Технический Университет
Факультет АСФ
Кафедра ПГС
Курсовая работа
по дисциплине:
Металлические конструкции
на тему:
Расчет и проектирование
производственного здания
Выполнил: студент 4-го курса
АСФ ПГС С711 Азизов С.К.
Проверил: проф. Юсупов А.К.
Махачкала 2011
Содержание:
Введение
. Исходные
данные
. Компоновка
поперечной рамы
. Расчет
поперечной рамы производственного здания
. Статический расчет поперечной рамы
. Сочетания
. Расчет
ступенчатой колонны
.1
Определение расчетных длин колонны
.2 Подбор
сечения верхней части колонны
.3 Подбор
сечения нижней части колонны
.4 Расчет и
проектирование базы колонны
. Расчет
стропильной фермы
. Расчет
подкрановой балки
Список
использованной литературы
Введение
Металлические конструкции применяется сегодня во всех видах зданиях и
инженерных сооружений, особенно если необходимы значительные пролеты, высота и
нагрузки. Потребность в металлических конструкциях чрезвычайно велика и
непрерывно увеличивается. Базой для удовлетворения этой потребности является
большой объем производимой в стране стали, заводы металлических конструкций и
специализированные монтажные организации, оснащенные современной техникой,
специализированные проектные организации и научно-исследовательские институты.
1. Исходные данные:
1. Район строительства - г. Махачкала
. Длина здания - 84 м.
. Пролет здания - 18 м.
. Отметка рельса - 9.6 м.
. Режим работы мостового крана - весьма тяжелый
. Грузоподъемность крана - 50/10 т.
. Шаг колонн - 6м.
8.Тип колонны - Сквозной
Здание - одноэтажное, однопролетное, оборудованное мостовыми кранами
весьма тяжелого режима работы.
Назначение здания: прокатный цех.
Материал основных несущих конструкций: сталь класса Вст 3 по
обоснованному выбору.
2. Компоновка поперечной рамы
Здание - отапливаемое, со светоаэрационным фонарём.
Выбрана несущая система в виде поперечных рам с шагом 6 м, с жестким
сопряжением ригеля с колонной (краны тяжелого режима работы); схема поперечной
рамы и ее элементов показана на рис.
Генеральные размеры цеха:1 - отметка верха рельса;- пролет
цеха;
l -
длина цеха.
Эти значения определяются по проектному заданию (диктуются технологами) с
учетом укрупненных модулей.
По заданию1 - 9600 мм.- 18 м.
L - 86
м.
Укрупненный модуль по высоте равен 60 см;
Назначаем h0:h0 = 60 см.0 - расстояние
от верха фундамента до нулевой отметки, см. рис.
Определяем h2 - расстояние от верха рельса до низа несущей
конструкции (фермы):
С учетом модуля по высоте (60см) высоту колонны принимаем
Нк = 10200 мм < 10,8 м.
Принимаем hб = 1000 мм, так как ак =
6м и Q = 50 т < 50 т.
Для обеспечения модульности вертикального размера колонны Нк
обычно недостающую длину добавляют к нижней части колонны. Это увеличивает
полезную высоту цеха.
Нв = hб
+ h2 = 1300 + 3500 = 4800 мм.,
Нн = h0
+ h1 - h0
= 13100-4800+1000
= 9300 мм.,
Определение высоты колонны
Нк = Нв+Нн=4800+9300=14100 мм
Определение высоты фермы на опоре
ферма имеет следующие размеры:
Нф = 2200мм, так как L = 18 м.
Определение горизонтальных размеров поперечной рамы
назначаем:
а' = 250 мм;
а" = 250 мм;
а = hб = 500 мм,
так как пролёт L = 18, грузоподъемность мостового крана Q = 50 т.
Горизонтальная привязка λ определяется по формуле:
λ = В + U + а / 2 + не менее 75 мм,
где- ширина ограды;
В - свес, определяется по каталогу мостовых кранов (прил.1);
В = 300 мм, при L = 18 м, Q = 30 т,= 50 мм, а / 2 = 250 мм.
λ = 300 мм + 250 мм + 250 мм + 75 мм = 875
мм.
Определение высоты нижней части колонны
Исходя из того, что λ = 675 мм и с учетом необходимых свесов
подкрановой и шатровой ветвей, назначим
b = λ + а1 = 1000 мм + 500 мм =
1500 мм.
Сечение верхней и нижней части колонны назначаем сплошным.
к
= L - 2∙l1 = 18000 мм - 2∙1000 мм = 16000 мм;
3. Расчёт поперечной рамы производственного здания
Требуется произвести статический расчет и определить усилия в элементах
рамы прокатного цеха. Место строительства г. Махачкала
Расчетная схема рамы
В соответствии с конструктивной схемой рис.2 выбираем её расчетную схему
и основную систему.
Расстояние между центрами тяжести сечений верхнего и нижнего участков
колонны в первом приближении определим так:
l0
= 0,5∙(hн - hб) = 0,5∙(1500 мм - 1000 мм) = 250 мм = 0,25 м.
Соотношение моментов инерции:
Iн / Iв = 5
Iр
/ Iн = 4. Если Iв = 1, то Iн = 5;
Iр = 20,
где
Iв - момент инерции верхней части
колонны;
Iн - момент инерции нижней части
колонны;
Iр - момент инерции ригеля.
Сопряжение ригеля с колонной назначаем жестким.
Соотношения Iр, Iн, Iв принимаем:
Iв = 1; Iн = 5; Iр = 20.
Нагрузки на поперечную раму
Все нагрузки подсчитываются с учетом коэффициента надежности по
назначению здания (I I - ответственность здания) γн = 0,95.
Постоянная нагрузка
Расчетную равномерно распределенную погонную нагрузку на ригель рамы
вычисляем по формуле:
qн
=
γн∙qкр∙bф / cos α = 0,95∙1,59 кН/м2∙6 м / 1 =
9.063 кН/м,
где gкр - суммарная расчетная нагрузка (см. табл. 1);
Расчетный вес колонны
Верхняя часть (20 % веса):
B
= 0,95∙1,05∙0,2∙0,6∙18/2 ∙12 = 13кН,
где
b = 6
м - шаг поперечных рам,= 18 м, 0,4 и 1,05 - коэффициенты,
b -
шаг колонн;
l -
пролет здания;
γн - коэффициент условия работы; γн = 0,95;
nFg - коэффициент перегрузки: nFg = l,05.
Нижняя часть колонны (80 % веса):
H
= 0,95∙1,05 кН/м2∙6 м∙ 0,2∙0,6 ∙9∙12=
21,6 кН,
где 0,8 - 80 % веса.
Поверхностная масса: стен - 200 кг/м2; переплётов с
остеклением - 35 кг/м2;
в верхней части колонны:
1
= 0,95∙[1,2∙2∙5,85∙6 м + 1,1∙0,35∙1,2∙6
м] = 82,7 кН;
в нижней части колонны:
2 = 0,95∙[1,2∙2 (9,3 - 4)∙6 м + 1,1∙0,35∙4∙6
м] + 13,18 = 81,3 кН;
Расчетная схема и нагрузки, действующие на неё показаны на рис. 3.
Снеговая нагрузка
Определяем распределенную нагрузку от снега на ригель рамы:
qсн = n∙с∙р0∙bф = 0,95кН/м2∙1,45∙6 м∙ 1,5 =12,4
кН/м,
где
р0 - вес снегового покрова на земле, зависящий от района
строительства и определяемый по СНиП «Нагрузки и воздействия»;
с - коэффициент перехода от нагрузки на земле к нагрузке на 1м2 проекции
кровли, равный при уклоне а < 25° единице;
bф - шаг ферм;
n -
коэффициент перегрузки;
коэффициент перегрузки n =
1,45.
Опорная реакция ригеля
R
= qсн∙l / 2
= 12,4 кН/м∙18 м / 2 = 111,6 кН.
Определение нагрузки на ригель:
qPпост = qРпост∙bф = 1,45 кН/м2∙6 м = 8,7 кН/м
Ветровая нагрузка
Нормативный скоростной напор ветра gо = 0,27кН/м2.
Тип местности - Б: к типу местности Б относятся города с окраинами,
лесные массивы и подобные местности, равномерно покрытые препятствиями высотой
более 10 м. Коэффициент k,
учитывающий рельеф и застроенность местности:
k =
0,95;
йв = γн∙т∙пщ∙л∙с∙и
б
гдеo - нормативный скоростной напор ветра, принимаемый по СНиП
II-6-74
k -
коэффициент, учитывающий высоту и защищенность от ветра другими строениями;
с - аэродинамический коэффициент, зависящий от расположения и
конфигурации поверхности. Для вертикальных стен с = 0,8 с наветренной стороны и
с = 0,6 с подветренной стороны (отсос);
n -
коэффициент перегрузки, который для зданий равен 1,2;
b -
ширина расчетного блока,
qв = gвн kв ∙nв
с b nc kн = 0,95
кН/м2 1,2 0,35 к 6 м 0,8 = 1,9к [кН/м],
Линейная распределенная нагрузка при высоте
м:1,9 0,65 = 1,2 кН/м;
м:1,9 0,9 = 1,7 кН/м;
м 1,9∙1,05= 2 kH/м;
,2 м:1,2+ ((1,7 - 1,2)∙4,2) / 10 = 1,41кН/м;
,6 м:1,2 + ((1,7 - 1,2)∙8,6) / 10 = 1,63 кН/м;
Определим сосредоточенные силы от ветровой нагрузки по формулам
Fв = (q1 + q2)∙h' / 2; Fв' = (q1' + q2')∙h' / 2,в = [(1,4 + 1,6)∙4,4/2 = 6,6 кН.в'
= Fв∙0,6 / 0,8 = 6,6 кН∙0,6 / 0,8 = 5 кН.
Найдём эквивалентные погонные нагрузки по формулам:
qэ
= qв10 ∙α = 1,2
1,05 = 1,26 кН/м; q’э = qэ 0,6 / 0,8 = 1,26 0,6 / 0,8 = 1
кН/м,
гдеэ - расчетная ветровая нагрузка на высоте 10 м;
α - коэффициент.
Вертикальные усилия от мостовых кранов
На. Количество колёс крана определяется в зависимости от его
грузоподъемности Q. В данном
проекте число колес равно 4.
Далее находим габариты крана и тележки (по Q = 50 / 10 т - весьма тяжелый
режим работы - и пролету цеха):
Определяем максимальное вертикальное давление на колонну от крановых
нагрузок:
Dmax = γн (n nc
Fi max уi + n Gn + n gn ат∙b) =
= 0,95 (1,1 0,95 470 1,855 м
+
1,05 м 45 + 1,2м 1,5 1,5 6 м) = 925,5 кН.
Здесь:
n, nс - коэффициенты перегрузки и сочетания;
nс = 0,85 - для кранов тяжелого режимов работы;i max - нормативное вертикальное усилие колеса уi
- ординаты линии влияния, см. рис.n - нормативный вес подкрановых
конструкций;n - полезная нормативная нагрузка на тормозной площадке
(1,5 кН/м2);
bт - ширина тормозной площадки (1,5 м);
b - шаг колонн
(6 м);
вес
подкрановой балки
n = 0,95 кН∙а∙l / 2
= 0,95∙1,05∙0,8∙0,6∙9 ∙12= 52 кН.
Fi’ = (9,8∙Q∙Qk) / n0 - Fi max = (9,8∙50∙690) / 2 = 120 кН,
где-
грузоподъемность мостового крана;k - вес крана с тележкой в кН;
n0 - число колёс с одной стороны крана.
Минимальное
давление на колонну от крановых нагрузок:
Dmin = γн [(n nc ∙
Fi max
∙yi) Fk1 / Fk
max + n Gn + n gn bт b] =
=
0,95 (1091∙120кН / 470 кН + 47 + 16,2) = 342 кН.
Сосредоточенные
моменты от вертикальных усилий
max, Dmin Mmax = eк Dmax = 0,75 926 = 695 кН м;
Mmin
= eк ∙Dmin = 0,7 342 = 257 кН м.
где
ек - расстояние от оси подкрановой балки до центра тяжести сечения
нижней части колоны:
ек
≈ 0,5∙1,5 = 0,75 м.
Горизонтальную
тормозную силу от мостовых кранов, передаваемую одним колесом, определяем по
формулам:
Ткн
= 0,05∙(9,8∙Q + Gт) / n0 = 0,05 (9,8 50
т + 185 кН) / 2 = 16,875 кН;
Сила
Т = γн n nc
Tiн yi
= = 0,95 1,1 0,95 16,875 кН 1,855 м = 31кН,
4. Статический расчёт поперечной рамы
.1 Расчёт на постоянные нагрузки
Сосредоточенный момент из-за смещения осей верхней и нижней частей
колонны.
= - (FR + F1)∙ео = - (111,6 кН +
82,7 кН)∙0,25м = - 48,6 кН∙м
Определим необходимые для расчета параметры:
n =
1/5 = 0,2;
α = Нв / Нк = 4,8 м
/ 9,3 м = 0,52 ≈ 0,5.
Каноническое уравнение для левого узла
r11∙φ1 + r1р = 0.
Моменты от поворота узла:
MA = kA∙i = 0,965∙i
MС = kС∙i = -
0,218∙i
MB = kB∙i = - 1,006∙i
МВриг = 2∙EIp / l = 2E∙4Iн / l∙H = 8∙i∙H / l = 8∙14,1∙i / 18 = 6,3∙i.
Момент от нагрузки на стойках Мр:
МА = kА∙М = 0,218∙(- 48,6 кН∙м)
= -10,6 кН∙м;
МВ = kВ∙М = - 0,224∙(- 48,6 кН∙м)
= 10,9 кН∙м;
МCн = kC∙М = - 0,647∙(- 48,6 кН∙м) = 31,4 кН∙м;
MCв = (kС + 1)∙M = (- 0,647 + 1)∙(- 48,6 кН∙м) = - 17,2 кН∙м;
Моменты на опорах ригеля (защемленная балка постоянного по длине
сечения):
MBриг = - q∙l2 / 12 = - 9,1 кН/м (18 м)2 / 12 = - 246 кН∙м.
Коэффициенты канонического уравнения:
r11 = - МВ + Мвриг
= 1,006 i + 6,3 i = 7,3 (по эпюре М1);
r1р = - МВ + Мвриг
= -10,9 кН м - 246 кН м = - 257 кН м (по эпюре Мр).
Угол поворота
φ = - r1p / r11 = 257 кН м / 7,3 i = 35,2 кН м / i;
Моменты от фактического угла поворота (M1∙φ):
МА = 0,965∙i∙35,2 kH∙м / i = 42,63 кН∙м,
МВ = - 1,006∙i∙35,2 кН∙м / i = -
35,4 кН∙м,
MС = - 0,218 i∙35,2кН∙м / i = - 7,7 кН∙м,
MBриг = 6,3 i 35,2 kH∙м / i =
222 кН∙м.
Эпюра моментов (M1∙φ + Мр) от постоянной
нагрузки:
МА= 34 кН∙м - 10,6 кН∙м = 23,4 кН∙м,
МВ = - 35,4 кН∙м + 10,9 кН∙м = - 24,5 кН∙м,
МВриг = 222 кН∙м - 246 кН∙м = - 24 кН∙м,
МСв = - 17,2 кН∙м - 7,7 кН∙м = - 19,9
кН∙м,
МСн = 31,4 кН∙м - 35,2 кН∙м = -3,8 кН∙м.
К расчету на постоянные нагрузки
Проверкой правильности расчета служит равенство моментов в узле B (113,95 кН∙м ≈ 113,93 кН∙м),
равенство перепада эпюры моментов в точке С (- 58,22 кН∙м - 25,29 кН∙м
≈ - 83,51 кН∙м) по отношению к внешнему моменту (- 83,51 кН∙м),
а также равенство поперечных сил на верхней и нижней частях колонны:
QАС =
=
= - 2,41 кН,
QВС =
=
= -2,3 кН.
Разница
% = 5%
Разница (12 %) получена в результате округления
параметра α и значений моментов.
Усилие N на уровне высоты колонны равно
FR + F1 + GB
= 111?6 rY + 82?7 rY+13 = 207?3 rY?
Усилие N на уровне низа колонны равно
R + F1 + GB + F2=
111?6 rY + 82?7 rY + 13 rY + 81?3 rY = 288?6 rY?
4.2 Расчёт на нагрузку от снега
Расчет выполняется аналогично расчету на постоянные
нагрузки. Сосредоточенный момент на колонне:
М = - FR∙e0= - 111,6 кН∙0,25м = - 28 кН∙м.
Каноническое уравнение для левого узла
11∙φ1 + r1p = 0.
Моменты от нагрузки:
МА = kА∙М = 0,218∙(- 28 кН∙м) = - 6,1 кН∙м;
МB
= kB∙М = - 0,224∙(-28 кН∙м) =
6,3 кН∙м;
МСн = kc∙M = - 0,647∙(- 28 кН∙м) = 18,1 кН∙м;
МСв = (kc + 1)∙М = (- 28)∙0,353 = -
9,9 кН∙м;
MBpиг =
= - 12,4 кН/м∙
= - 335кН∙м.
Коэффициенты
канонического уравнения:
11 = 7,3∙i (по
эпюре M1);
r1р = - МВ + МВриг = -
6,3 кН∙м - 335 кН∙м = - 341 кН∙м.
Угол
поворота
φ =
=
=
.
Моменты
от фактического угла поворота (М1∙φ):
МА = 0,965∙i∙
= 45 кН∙м,
МВ = - 1,006∙i∙
= - 47 кН∙м,
МС
= - 0,218∙i∙
= - 10,2
кН∙м,
МВриг
= 6,3∙i∙
= 294 кН∙м.
Эпюра
усилий от снеговой нагрузки:
МА= 45 кНм ∙6,1 кН∙м =
274,5 кН∙м,
МВ = - 47 кНм ∙6,3 кН∙м = -
296,1кН∙м,
МС = - 9,9 кНм∙10,2 кН∙м = -
101 кН∙м,
МСн =
18,1 кН∙м∙10,2 кН∙м =
184,6 кН∙м,A = QB =
= -
49,4кН ≈ 50 кН,
NB = NA =
= - 53 кН
Nриг = QB = - 141 кН.
4.3
Расчёт на вертикальную нагрузку от мостовых кранов
Расчёт проводится при расположении тележки крана у левой стойки. Основная
система и схема нагрузки приведены на рис. Проверка возможности считать ригель
абсолютно жестким производится по формуле:
k =
=
= 3,3;
-
условие абсолютной жесткости ригеля.
Здесь:
- 1 =
- 1 = 4;
k = 3,3 >
= 1,875
Значит,
условие выполняется.
Каноническое
уравнение для определения смещения плоской рамы:
(3.3.4)
Моменты
и реакции от смещения верхних узлов при
= 1
(рис. 3.3.б), по приложению 24:
Моменты
и реакции на левой стойке от нагрузки
М = Мmах = 695
Ма =
kа · М = 0,218 - 695 кН·м =
151,5 кН·м,
Мв
= kв · М = -
0,224 - 695 кН·м = - 156 кН·м,
Мсн
= kс · М = -
0,647 - 695 кН·м = - 450 кН·м,
Мсв
= (kс + 1) · М
= - 0,353· 695 кН·м = 245 кН·м,
FRB =
=
= 71
кН·м.
Усилия
на правой стойке можно получить аналогично или умножая усилия левой стойки на
отношение
=
= 0,37,
где
min = 257
кН·м
К
расчету рамы на вертикальную нагрузку
Реакция
верхних концов стоек
Ip = FRB - FRBnp =
71 кН - 28,4 кН = 42,6 кН.
Смещение
плоской рамы
=
=
=
Крановая
нагрузка - нагрузка местная, поэтому
. При
жесткой кровле этот коэффициент определяется по формуле:

(3.3.5)
,
где
n = 4 - число
рам в блоке;
αi
- расстояние между симметрично расположенными относительно середины рамами
(например, α2 -
вторыми от торцов);
n0 = 8 - число колес кранов на одной нитке подкрановых
балок;
- сумма
ординат линии влияния реакции рассматриваемой рамы.
Смещение
рамы с учетом пространственной работы определяется по формуле:
4.5 Расчет на горизонтальные воздействия мостовых кранов
Основная
система, эпюра моментов M1,
каноническое уравнение, коэффициент
- такие
же как и при расчете на вертикальную нагрузку от мостовых кранов.
К
расчету на горизонтальные нагрузки от мостовых кранов.
К
расчету от ветровой нагрузки
Моменты
и реакции на левой стойке от нагрузки
МА
= kА ·Т Н = -
0,158 31 кН 14,1 м = - 69 кН·м,
МB = kв
Т Н = - 0,103 31 кН 14,1м = - 45
кН·м,
МC = kс
·Т Н = 0,115 31 кН 14,1 м = 50,3
кН·м,
FRB = k1в Т =
0,545 31 кН = 16,9 кН.
Смещение
верхних концов колонн с учетом пространственной работы здания:
,
где αпр= 0,52; r1p = FRB =
16,9 кН; r11 = 0,886 кН ·
t.
Эпюры
М и Q показаны на рис.
4.6
Расчет на ветровую нагрузку
Основная
система и эпюра М1 - как и для крановых воздействий.
Эпюра
Мр, на левой стойке:
MA = kA ·qэ
·H 2 = -
0,113 1,3 кН/м (14,1)2 = - 29,2 кН·м;
МB = kB qэ
·Н 2 = - 0,061 1,3
кН/м·(14,1м)2 = - 15,8 кН·м;
МC = kc q э·Н 2 = 0,039·1,3 кН/м·(14,1)2 =
10 кН·м; FRB =
k1в ·q э H = 0,449 · 1,3 кН/м (14,1м)2 = 8,23 кН·м;
На
правой стойке усилия получаются умножением на коэффициент
Коэффициенты
канонического уравнения вычислим по формуле:
11
= - 0,886 t
r 1p = FRB + FRB1 + FB + FB1 = 8 кН
+6,3 кН + 6,6 кН + 5 кН = 25,9 кН,
Смещение
рамы αпр = 1:
.
Эпюра
М = (Мр + MB ·
Δ) показана на рис.
Эпюра
Q на левой стойке:
= 20 кНB = QA - q э · H = 20 кН - 1,26 кН/м ·
14,1м = 2,24 кН.
При
правильном решении сумма поперечных сил внизу должнабыть равна сумме всех
горизонтальных сил:
a
+ Qaпр = 20 кН + 18,6 кН = 38,6 кН
(qэ + qэ1) Н + FB + FB1 =
=
(1,26 кН/м + 1 кН/м) · 14,1м + 6,6 кН + 5 кН = 28 кН;
Qb + Qbпр = 11 кН
+ 5кН = 16 кН = FB + FB1 =
=
6,6 кН + 5 кН = 11,6 кН,
где
Aпр =
+
=
18,6 кН,Bnp = 18,6 кН -
1 кН/м · 14,1м = 4,5кН.
Значения
всех полученных усилий в сечениях рамы заносим в табл. 1.
5. Сочетания нагрузок
Различают нагрузки независимые, взаимосвязанные и взаимоисключающиеся. В
рассматриваемом проекте к независимым нагрузкам относятся снеговые, постоянные,
ветровые и крановые нагрузки. К взаимосвязанным относятся вертикальное давление
колеса Dmax и тормозное воздействие Т,
возникающее при этом:
пара Dmax на левой опоре и
Т на левой колонне;
пара Dmax на правой опоре и
Т на правой колонне.
Таблица 1
|
№№ нагрузок
|
Нагрузки и комбинации усилий
|
|
|
Сечения стойки
|
|
|
|
|
1-1
|
2-2
|
3-3
|
4-4
|
|
|
|
|
M
|
N
|
M
|
N
|
M
|
N
|
M
|
N
|
Q
|
|
1
|
2
|
3
|
4
|
5
|
6
|
7
|
8
|
9
|
10
|
11
|
12
|
13
|
|
1
|
Постоянная
|
|
1
|
-24,5
|
-35,4
|
-19,9
|
164,6
|
-3,8
|
-164,6
|
-234
|
-246
|
2,3
|
|
2
|
Снеговая
|
|
1
|
-296
|
-100
|
101
|
-100
|
+175
|
+100
|
+275
|
100
|
51,5
|
|
|
|
0,9
|
266
|
90
|
91
|
90
|
+167
|
90
|
+248
|
91
|
46
|
|
3
|
Dmax
|
на левую стойку
|
|
1
|
152
|
0
|
+156
|
0
|
450
|
926
|
+200
|
+926
|
74,7
|
|
|
|
|
0,9
|
136,8
|
0
|
+140,4
|
0
|
405
|
833,4
|
+180
|
-+833,4
|
67,2
|
|
3*
|
|
на правую стойку
|
|
1
|
56
|
0
|
+57,7
|
0
|
166,5
|
342
|
+200
|
342
|
30
|
|
|
|
|
0,9
|
50,4
|
0
|
52
|
0
|
150
|
308
|
+180
|
308
|
27
|
|
4
|
Т
|
на левую стойку
|
|
1
|
+(-)35
|
0
|
+(-)45
|
0
|
+(-)45
|
0
|
+(-)90
|
0
|
+(-)13
|
|
|
|
|
0,9
|
+(-)31,5
|
0
|
+(-)40,5
|
0
|
+(-)40,5
|
0
|
+(-)81
|
0
|
+(-)11,7
|
|
4*
|
|
на правую стойку
|
|
1
|
+(-)16
|
0
|
+(-)1
|
0
|
+(-)1
|
0
|
+(-)41
|
0
|
+(-)3,8
|
|
|
|
|
0,9
|
+(-)14,4
|
0
|
+(-)1
|
0
|
+(-)1
|
0
|
+(-)1
|
0
|
+(-)3,4
|
|
5
|
ветровая
|
слева
|
1+1200-50-50-3500+20
|
|
|
|
|
|
|
|
|
|
|
|
|
|
|
0,9
|
+108
|
0
|
-4,5
|
0
|
-4,5
|
0
|
-315
|
0
|
+18
|
|
5*
|
|
справа
|
1-1300+70+70+3000+19
|
|
|
|
|
|
|
|
|
|
|
|
|
|
|
0,9
|
-117
|
0
|
+6,3
|
0
|
+6,3
|
0
|
+270
|
0
|
+17
|
Взаимоисключающиеся нагрузки: вертикальное давление колеса Dmax на левой колонне и Dmin на левой колонне (или тоже самое Dmax на правой колонне), ветер слева и
ветер справа.
После заполнения таблицы производим комбинацию нагрузок в четырех
характерных сечениях и выбираем наихудшее сочетание.
Различают сочетания:
а) основные,
б) особые.
Основные сочетания:
П + 1Дл + 1Кр (с = 1),
где
П - собственный вес (для расчета берутся все постоянные нагрузки);
Дл - длительная нагрузка (мебель, технологическое
оборудование, снег с коэффициентом 0,5;
Кр - кратковременная нагрузка (технологические нагрузки,
крановая, ветровая нагрузки и снеговая нагрузка при gсн ≤ 0,5 кН/м2, или gсн, определяемая по СНиП «Нагрузки и воздействия» и взятая с
коэффициентом 1).
Особые сочетания:
П + 1Дл + до 3-х Кр;
для постоянной нагрузки П → коэффициент сочетания с = 1;
для длительной нагрузки Дл → с = 0,9;
для кратковременной нагрузки Кр → с = 0,9.
На рис. 4.1 приведена ось усилий, где показаны нагрузки М + и
М _:
М + - наибольшее значение момента;
М - наименьшее значение момента.
Сечение 1-1
Основные сочетания по изгибающему моменту
П + 1Дл + 1Кр. (с = 1);
определение самого правого момента на оси М+:
номера нагрузок
М+ = - 12,94кН·м; - 35,14 кН·м + 22,2 кН·м = -12,94 кН·м;
Nсоот = - 82,17 кН; - 82,17 + 0 = - 82,17
кН;
определение самого левого момента на оси М _
номера нагрузок
М = - 293,84 кН·м; -35,14 кН·м - 196кН·м - 62,7 кН·м = - 293,84 кН·м
Nсоот = 82,17 кН; -82,17 - 0 = 82,17 кН.
Особые сочетания по изгибающему моменту
П + 1Дл + до З-х Кр.;
с = 1 с = 0,9 с = 0,9
определение самого правого момента на оси М +:
номера нагрузок
М + = - 12,94 кН·м; - 35,14 кН·м + 22,2 кН·м = -12,94 кН·м;
Nсоот = -82,17 кН; - 82,17 кН + 0 = -82,17
кН;
определение самого левого момента на оси М, номера нагрузок
М _= - 345,97 кН·м; - 35,14 - 176,4 - 56,43 - 21,4 - 37 = - 345,97 кН·м;
Nсоот = - 162,47 кН; - 82,17 кН - 80,4 кН = - 162,57 кН.
Сечение 2-2
Основные сочетания:
определение самого правого момента на оси М+: номера нагрузок
М + = 420,38кН·м;- 33,7 кН·м + 403,7кН·м + 50,238 кН·м =
420,238кН·м
Nсоот
= - 128,7кН;- 128,70кН + 0 = - 128,7кН
определение самого левого момента на оси М:
номера нагрузок
М = 60,38кН·м;- 33,7кН·м - 26,68кН·м = - 60,38кН·м;
Nсоот
= - 209,1 кН;- 128,7кН - 80,4кН = -
209,1кН
Особые сочетания:
определение самого правого момента на оси М+:
номера нагрузок
М+ = 379,02 кН·м - 33,7 кН·м + 363,33 кН·м + 45,22 кН·м + 4,17
кН·м =
кН·м
Nсоот = - 128,7 кН; - 128,7 кН + 0 = -
128,7 кН;
определение самого левого момента на оси М:
номера нагрузок
М_ = - 61,03кН·м; - 33,7 кН·м - 24 кН·м - 3,33 кН·м = - 61,03 кН·м
Nсоот = - 128,7 кН; - 128,7 кН - 0 кН = -
128,7 кН.
Сечение 3-3
Основные сочетания:
определение самого правого момента на оси М+:
номера нагрузок
М+ = 21,836 кН·м; 17,2 кН·м + 4,636 кН·м = 21,836 кН·м (см.
формулу
.1.2);
Nсоот
= - 128,7 кН;
- 128,7 кН - 0 = - 128,7 кН;
определение самого левого момента на оси М:
номера нагрузок
М = - 828,1 кН·м 17,2 кН·м - 795 кН·м - 50,3 кН·м = 828,1 кН·м
Nсоот = 1182,7кН - 128,7 кН - 1054кН = -
1182,7 кН
Особые сочетания:
определение самого правого момента на оси М+:
номера нагрузок
М + = 37,6кН·м; 17,2 кН·м + 4,2 кН·м + 16,2 кН·м = 37,6 кН·м;
Nсоот = - 209,1 кН; - 128,7 кН - 80,4 кН =
- 209,1 кН;
определение самого левого момента на оси М:
номера нагрузок
М _ = - 769кН·м; 25 кН·м - 707 кН·м - 72 кН·м - 15 кН·м = -769 кН·м;
Nсоот = - 1617 кН - 230 кН - 1387 кН = -
1617 кН.
Сечение 4-4
Основные сочетания:
определение самого правого момента на оси М+:
номера нагрузок
М + = 323,18 кН·м; 33,78 кН·м + 238,4 кН·м + 51 кН·м = 323,18
кН·м;
Nсоот = - 501 кН; - 179,2 кН - 322,2 кН =
-501,5 кН;
Qсоот = 83,65 кН - 18,05 кН + 94,4 кН +
7,3 кН = 83,65 кН;
определение самого левого момента на оси М:
номера нагрузок
М _ = - 39,25 кН·м; 33,78 кН·м - 73,3 кН·м = - 39,52 кН·м;
Nсоот = - 179,2 кН; - 179,2 кН + 0 = -
179,2 кН;
Qсоот = 3,65кH; -18,05кН+14,4 кН = 3,65 кН.
Особые сочетания:
определение самого правого момента на оси М+:
номера нагрузок
М + = 393,82 кН·м; 39,52 кН·м + 215 кН·м + 45,9 кН·м + 63,4
кН·м =
,82 кН·м;
Nсоот = 549,6 кН; - 179,2 кН - 80,4 кН -
290 кН = - 549,6 кН;
Qсоот = 75,5 кН; - 18,5 кН - 2,7 кН + 85
кН + 11,7 кН = 75,5 кН;
определение самого левого момента на оси М:
номера нагрузок
М = - 219,18 кН·м; 39,52 кН·м - 66 кН·м - 99,9 кН·м - 92,8 кН·м = -
219,18 кН·м;
Qсоот = - 89 кН; - 18,5 кН - 137 кН -
23,22 кН + 13 кН = - 165,72 кН;
Nсоот = - 1127,8 кН; - 179,2 кН - 948,6 кН
= - 1127,8 кН;
6. Расчет ступенчатой колонны производственного здания
Требуется подобрать сечение сплошной верхней и нижней частей колонны
однопролетного производственного здания, ригель имеет жесткое сопряжение с колонной.
Расчетные усилия указаны в таблице 1 (характерные расчетные сечения колонны
показаны на рис.:
Для верхней части колонны в сечении 1-1:
M1 = - 345?97 rY·v$ N1 = - 162?57 rH$ Q
= - 193?97 rY$
в сечении 2-2, при том же сочетании нагрузок (1, 2, 3*, 4*, 5*):
М2 = 420,238 кН·м, N2 = - 209,1
кН,
Для
нижней части колонны
в
сечении 3-3:
М1
= - 828,1кН·м; N1 = -
1182,7кH
в
сечении 4-4:
М2
= -219,18 кН·м; N2 = 393,82
кН; Qmax =
75,5 кH
М12
= - 1127,8 кН·м; N12 = 549,6 кH; Q1max = - 165,75кH
Соотношение
жесткостей верхней и нижней частей колонны:
=
;
материал
колонны: сталь марки ВСт 3пс 2, бетон фундамента:
класс
В 12,5. Конструктивная схема колонны показана на рис.
6.1
Определение расчетных длин колонны
Расчетные
длины для верхней и нижней частей колонны в плоскости рамы определим по
формулам:
lх1 = μ1 ·l1,lх2 = μ2·l2.
Так
как
и
В
однопролетной раме с жестким сопряжением ригеля с колонной верхний конец
колонны закреплен только от поворота. В однопролетных рамах горизонтальная
реакция в верхних узлах приближенно равна нулю, а коэффициент μ1 зависит
от двух параметров: отношения погонных жесткостей верхней и нижней частей
колонны
где I2 = IB = 1; I1
= IH = 5; l1 = 8,3 м; l2 = 6,1
м;
и
коэффициента
,
где
;
.
В
зависимости от параметров α1 = l,38
и n = 0,32 по прил. подбираем коэффициент μ1 = 2,4.
Тогда
μ 2 =
=
= 1,74.
Теперь
вычисляем расчетные длины l х1
и l х2:
l х1 = μ 1 ·l 1 = 2,4·625 см = 1500 см;
l х 2 = μ 2 ·l 2 = 1,74·395 см = 687,3 см.
Таким
образом, для нижней части колонны l х1 = 1500
см,
для
верхней
х2 = 687,3 см.
Расчётные
длины из плоскости рамы для нижней и верхней частей равны соответственно:
y1 = Н н = 625
см; l y2 = Нв
- hб = 395 см
- 150 см = 245 см.
6.2
Подбор сечения верхней части колонны
Сечение
верхней части колонны принимаем в виде сварного двутавра высотой hв=1000мм.
Для
симметричного двутавра (рис 5.2.1,6) радиусы инерции по приложению18;
i x ≈
0,42· hB =
0,42 · 45 см = 18,9 см;
ρ x
≈ 0,35 · hB =
0,35 · 45 см = 15,75 см,
где
hB - высота сечения колонны, уже назначенная при
компоновке рамы;
приведенная
гибкость
где
l х2 -
расчетная длина верхней части колонны;
R = 215 МПа =
21,5 кН/см2 - расчетное сопротивление для стали ВСт Зпс 2 толщиной
20 мм;
Е
= 2,06·104 кН/см2 - модуль упругости стали.
Относительный
эксцентриситет
где
М
= - 345,97 кНм; N = - 162 кН.
Значение
коэффициента η, учитывающее влияние формы сечения на величину mх, определим по приложению.
Примем
в первом приближении Ап / АСТ, = 0,5.
Тогда
параметрам
λx = 0,822,
mх = 7,55
соответствует
коэффициент η = 1,25;
1x =
η mх = 1,25
7,55 = 9,44.
Затем
по приложению находим значение коэффициента φвн:
при
λx = 0,822
и m1x = 9,44: φвн = 0,16.
.
Компоновка
сечения
Высота
стенки определяется по следующей формуле:
hст =
hв -
2·tп =
50 см - 2·1,0 см = 48 см
(предварительно
принимаем толщину полок tп = 1,0 см).
Из
условия местной устойчивости (при m > 1 и λ < 0,8), приложения 20,
.
Поскольку
сечение с такой стенкой неэкономично, принимаем tст = 0,8 см. и включаем в расчетную площадь сечение
колонны два крайних участка стенки шириной по
=
.
Тогда
требуемая площадь полки:
где
Атр = 47,1 см2
Из
условия устойчивости верхней части колонны из плоскости действия момента находим
ширину полки bп > ly2 / 20;
Кроме этого из условия местной устойчивости полки имеем
,
Принимаем
bп = 20 см,
tп = 1,0
см.
Тогда
площадь полки
Ап
= bп tn = 20 см·1,0 см = 20 см2 > Ап.тр = 6,7см2
(см. формулу 5.2.10);
,
.
Геометрические
характеристики сечения
Полная
площадь сечения:
А0 = 2·bп·tп +
tст·hст = 2·20 см·1см + 0,8 см·45 см = 76 см2.
Расчётная
площадь сечения с учетом только устойчивой части стенки
А
= 2·bп·tn + 2·tст2 - 0,85
= 2·20 см·1 см + 2·0,85·(0,8 см)2 ·
= 73,67
см2;
моменты
инерции:
;
Iy =
= 1333,33 см4;
Wx =
= 3215,13 см3;
ρх =
= 27,16 см,
где
ρх - радиус
инерции относительно оси х-х;
Wx -
момент сопротивления изгибу относительно оси х-х;
Iх - момент инерции относительно оси х-х;
Iу - момент инерции относительно оси у-у;
А0
- полная площадь сечения.
Радиусы
инерции:
,
.
Проверка
устойчивости верхней части колонны в плоскости действия момента выполняется по
следующим формулам:
;
;
;
.
Значение
коэффициента η найдем, как и ранее, по приложению, при
,
λх= 0,95, mх = 11,4 коэффициент η = 1,2,
<
m < 20,
η = 1,2 при
,
m1x = η·m1x = 1,2·11,4 = 13.68.
Теперь
по приложению определяем коэффициент φвн:
при
λх = 0,95 и
m1x = 13,68 коэффициент φвн =
0,109.
Тогда
напряжение в сечении:
.
При
этом недонапряжение составляет:
-
оно
близко к допустимому 5 %.
Проверку
устойчивости верхней части колонны из плоскости действия момента производим по
формуле:
.
По
приложению находим коэффициент φу = 0,73.
Для
определения относительного эксцентриситета mх найдем максимальный момент в средней третьи расчетной
длины стержня по формуле:
=
499.52 кН м = - 499,52 кН см,
где
М
1 и М 2 - расчетные моменты для верхней части колонны;
- высота
верхней части колонны;
-
расчетная длина верхней части колонны.
По
модулю
Мх > Мmах / 2 = 345,97 кН м / 2
= 172,985 кН м < 499.52 кН м;
при
5 < mх =
11,31> 10 коэффициент C будет равен:
C = C5·(2 - 0,2·mх) + C10·(0,2·mх - 1),
где
mх = 5;
λу = 72,92
> λс = 3,14
,
,
где
φс -
соответствует значению λу = 106,9;
φу = 0,55 -
коэффициент продольного изгиба, который определяется по прил. 5 в зависимости
от гибкости λу = 106,9
и коэффициентов
,
α = 0,65+ 0,05 · mх = 0,65 + 0,05 · 9,31 = 1,155;
,
где
φу = 0,55 -
коэффициент продольного изгиба;
φб = 1,0 -
коэффициент снижения расчетного сопротивления при потере устойчивости;
х = 10;
Вычисляем
коэффициент c по формуле
с
= 1,29 · (2 - 0,2 · 9,31) + 0,15 · (0,2 · 9,31 - 1) = 0,12 + 0,13 = 0,249 <
1.
Поскольку
,
в
расчетную часть включаем только устойчивую часть стенки.
Вычисляем
напряжение
.
Устойчивость
обеспечена.
.3 Подбор сечения нижней части
колонны
Подбор сплошного несимметричного сечения колонны
сечение III-III
М_= - 393,82 кН·м М + = -828,1 кН·м
Nсоот = 549,6 кН Nсоот = -
1182,7 кН
особые сочетания:
М_= - 743,23 кН·м М + = -37,6 кН·м
Nсоот = - 1077,3 кН Nсоот = -
209,1 кН
По приведенным выше сочетаниям нагрузок построим условную схему действия
внутренних усилий и вычертим эпюры изгибающих моментов (рис
М = 393.82 кН·м - в сечении IV - IV= 549.6 кН
М = 21,83 кН·м - в сечении III - III= - 128,7 кН.
Определим площадь сечения.
Зададимся параметрами:
k =
0,7; р = 0,4; h = 100см
и по формулам вычислим:
k =40
см / 60 см = 0,7;
y1= 40 см;
у2 = 60 см;
По
формуле вычисляем условную гибкость
Здесь
расчетное сопротивление стали и ее модуль упругости следующие:
= 21,5 kH/см2;
Е = 2,06·104 кН/см2.
При
догружении подкрановой ветви имеем:
mxl =
M1 / N1∙ρх1 = 39382
/ (549,6·44,1) = 1,62.
По
приложению определяем коэффициент, учитывающий влияние формы сечения:
где
;
.
Приведенный
относительный эксцентриситет
.
По
приложению находим коэффициент φвн
1 ≈ 1,0.
Вычисляем
требуемая площадь:
.
При
догружении наружной ветви имеем:
Далее
определяем параметры:
,
,
.
По
приложению 6 находим коэффициент φвн 2 =
0,97.
Вычисляем
площадь
тр2
= 1182,7 / (0,72 · 21,5) = 76,4 см2.
Компоновка
сечения
Из
условия местной устойчивости отношение высоты стенки hст к ее толщине t ст
определяется так:
.
Поскольку
hст = 100
см, то tст ≥
100 / 31 = 3,2 см.
Таким
образом: если не применять продольные рёбра жесткости, то стенка колонны должна
иметь размеры
см·3,2
см = 320 см2.
При
этом высота стенки hст ≈
100 см - диктуется условиями компоновки колонны.
С
учетом этого принимаем толщину стенки tст = 0,8 см.
В
расчетную площадь сечения колонны включаем два крайних участка стенки шириной
по
Для
обеспечения устойчивости колонны из плоскости действия момента ширину полки
принимаем не менее (1/20 ч 1/30) · l у (l у - расчетная длина из плоскости рамы нижней части
колонны).
Из
условия местной устойчивости полки имеем:
,
где
.
Принимаем
Так
как
Ребро
(поперечное) устроим с щагом 1900 мм. Для обеспечения устойчивости стенки
устраиваем продольное ребро жесткости с двух сторон стенки.
Подкрановую
ветвь назначаем в виде двутавра 30 Б1 с площадью поперечного сечения 41,5 см2.
Геометрические
характеристики сечения
Полная
площадь сечения
Расчетная
площадь всего сечения с учётом только устойчивой части стенки:
А
= 2∙16∙1,0 + 2∙0,85∙
∙
= 94,8
.
Здесь:
= 0,8 см
Определим
координату центра тяжести полученного сечения:
Тогда
100
- 59,7 = 40,3(см).
Таким
образом, мы определили новое положение центра тяжести сечения (нижней части
колонны):
Момент
инерции сечения относительно оси x-x находим по следующей формуле
Здесь:
момент
инерции двутаврового сечения относительно собственной оси 

момент
инерции пояса (листа) относительно собственной оси
соответственно
пощади левой и правой ветвей колонны
Вычисляем:
где
I = 6320
- момент
инерции двутавра относительно оси y-y.
Момент
сопротивления при изгибе, соответствующий точке 
Момент
сопротивления при изгибе, соответствующий точке
Ядровые
расстояния:
Радиусы
инерции:
Проверка
устойчивости нижней части колонны
в
плоскости действия момента
При
действии пары усилий, догружающей шатровую ветвь.
Вычисляем
гибкость
см
- расчётная длина нижней части колонны в плоскости рамы.
Вычисляем
следующие параметры:

,
Значение
коэффициента η определяем по приложению
При
находим
1,75
- 0,1∙0,9) - 0,02∙(5-0,9)∙0,8 = 1,588;
Приведенный
относительный эксцентриситет
,
соответствующий
коэффициент
Теперь
по второму условию вычисляем:
σ =
< 21,5
Недонапряжение:

∙100
% = 1,6 % < 5 %.
Проверка
на устойчивость нижней части колонны из плоскости действия момента
осуществляется для определяющей пары усилий. В рассматриваемом примере в роли
такой пары выступают

Гибкость
в нижней части колонны из плоскости рамы
φ = 0,73 - по приложению;
Так
как значение момента меняется по длине колонны, то для определения
относительного эксцентриситета найдем приближенное значение момента, т.е
Относительный
эксцентриситет:
Гибкость
При
выполнении условия
пользуемся единичным столбцом; параметры, необходимые
для вычисления коэффициента c, определяем по приложению.
β = 1,0;
α = 0,65 + 0,05
Теперь
вычисляем коэффициент с, учитывающий влияние момента при изгибно-крутильной
форме потери устойчивости:
Поскольку
в расчетное сечение включаются только устойчивая часть стенки. При
в расчетное сечение включается полная площадь сечения
нижней колонны.
Вычисляем
напряжение: условие устойчивости из плоскости действия момента;
или
σ = 
,
γ = 1- коэффициент условий работы.
.4
Расчет и конструирование базы колонны
Высота
сечения нижней части колонны превышает 1 м, поэтому проектируем базу
раздельного типа.
Расчётные
комбинации усилий в нижнем сечении колонны (сечение 4-4):
)
M1 = 393,82
кН·м, N1 = -
549,8 кН
для
расчёта базы наружной ветви;
2)
M1 = -
219,18 кН·м, N1 = 1127,8
кН
(для
расчёта базы подкрановой ветви).
Усилия
в ветвях колонны определим по формулам:
,
,
где
y1= 89,2 см,
у2
= 81,13 см (формула 5.3.19).
База
наружной ветви
Требуемая
площадь плиты:
,
где
ф = γ - Rб =1,2·0,7 кН/см2 = 0,84 кН/см2ф - расчетное сопротивление
фундамента;
Rб = 0,7 кН/см - расчетное сопротивление бетона по СН и П
"Железобетонные конструкции" (бетон класса В-15,5).
Тогда
≥
bк + 2 · с2
= 35 см + 2 · 4 см = 63см,
где
bк = 55 см
- для двутавра 55 Б1. Принимаем В = 35,0 см.
Вычисляем
.
Принимаем Lтр = 35 см;
А пл.факт = Lтр В = 35 см·65 см = 1950 см2
> Апл.тр = 859,4 см2.
Среднее напряжение в бетоне под плитой
.
Из
условия симметричного расположения траверс относительно центра тяжести ветви
расстояние между траверсами в свету равно:
(bп + tст - z0) = 2 · (18 см + 1 см - 4,67 см) = 28,66 см;
при
толщине траверсы 16 мм
Lтр = 2 · C1 + 2 · tтр
+ 2 · (bп + tст - z0) = 2 · 1,67 см + 2 · 1,5 см + 28,66 см =
см
Определяем
изгибающие моменты на отдельных участках плиты (сечение А-А).
Участок
1. (консольный свес C = C1 =
1,67см):
.
Участок
2. (консольный свес C1 = C2
= 5 см):
.
Участок 3. (плита, опертая на 4 стороны):
α = 0,125,
где
b = 55 см для
двутавра 55 Б1,
М3
= а·σф·а2
= 0,125·0,840 кН/см2·(18 см)2 = 34,02 кН·см.
Участок
4. (плита, опертая на 4 стороны):
α = 0,125,
М4
= а·σф·а2
= 0,125·0,355 кН/см2·(9,4 см)2 = 3,92 кН·см.
Принимаем
для расчета Мmaх = М3
= 34,02 кН·см.
Требуемая
толщина плиты:
,
где
R = 205 МПа = 20,5 кН/см2 для стали Вст Зкп
2 толщиной 21 ч 40 мм.
Принимаем
tпл = 20,6 мм + 3,15 мм = 23,75 мм ≈
24 мм.
Высоту траверсы определяем из условия размещения шва крепления траверсы к
ветви колонны. В запас прочности все усилие в ветви передаем на траверсы через
4 вертикальных угловых шва. Сварка - полуавтоматическая проволокой марки Св -
0,8А, d = 1,4...2 мм; k = 8 мм.
Требуемую длину вертикального шва определяем по формуле:
,
lш.тр = 13,92 см < 85·βш ·kш
= 85·0,9·0,8 см = 61 см.
Принимаем
hтр = 18
см.
рама колонна ферма балка
7. Расчет стропильной фермы
Исходные данные: параметры здания и нагрузки те же, что в примерах
компоновки и расчета рамы. Материал стержней фермы - сталь марки Вст Зпс 6-1, R = 240 МПа = 24,0 кН/см2 (t ≤ 20 мм); фасонок - ВстЗпс5-1 по ТУ 14-1-3023-80.
Стержни фермы обычно проектируют в виде тавров, двутавров, уголков, ГСП
(гнуто-сварные профили) в зависимости от пролета L цеха и грузоподъемности Q мостовых кранов:
для пролета L = 18 м- пояса и
решётка обычно проектируют из уголков;
В данном проекте пролет цеха L = 18
.1 Сбор нагрузок на ферму
Нагрузка от покрытия (за исключением веса фонаря) определяется по
формуле:
gкр1= (gкр
- n gфон) γн * = (1,59 кН/м2 - 1,05·0,15 кН/м2)·0,95
= 6,36 кН/м2,
где
g кр = 1,45 кН/м2 - расчетная
распределенная по площади нагрузка от покрытия (см. табл.1);
n =
1,05 - коэффициент перегрузки n =
1,05;
gфон = 0,15 кН/м2 -
распределенная нагрузка от фонаря;
γн * = 0,95 - коэффициент условий работы.
Вес фонаря, в отличие от методики расчета рамы, здесь учитываем в местах
фактического опирания фонаря на ферму. Вес каркаса фонаря на единицу площади
горизонтальной проекции фонаря равен:
gфон1 = 0,1 кН/м2. Вес бортовой стенки и
остекления на единицу длины стенки:
gб.ст
= 2 кН/м.
Узловые силы:
F1
= F2 = gкр1 ·В·d = 1,28 кН/м2·6 м·3 м = 21,1 кН ≈ 22,
где
В - шаг ферм;
d -
длина панели фермы (расстояние между силами).
F2
= F3 = gкр1 · В · d + (gфон1 ·В·0,5·d + gб.ст
·В)·γн = 1,28 кН/м2·6 м 3
м
+ (0,1 кН/м2
м·0,5·3 м + 2 кН/м·6 м)·0,95 =36,15 кН
Опорные
реакции:
FAg=F1
+ F2 + F3 + F4
= 22+36,15= 58,15 кН.
Снеговая
нагрузка
Расчетная
нагрузка:
р
= ро ·n с γн = 1,2 кН/м2 1,45 0,95 с = 1,653 с кН/м2,
где
ро
= 0,5 кН/м (нормативная снеговая нагрузка для г. Махачкалы по старой редакции
СНиП);
n = 1,4 -
коэффициент перегрузки.
По
новой редакции СНиП р р = 1,2 кПа - расчетная снеговая нагрузка, см.
приложение
Узловые
силы:
-й
вариант снеговой нагрузки
F1p
= F2p = p · В · d · с = 1,6 кН/м2 · 6 м · 3 м · 1,13 = 27,8
кН ≈ 28 кН,
где
F2p = p · B · d · (c1 + c2) =
1,6кН/м2 · 6м · 3м · (0,8 + 1,13) / 2 = 27,8 кН ≈
кН,
Опорные
реакции:
Fap =
F1p + F2P
= 28 кН + 28 кН =56 кН.
-й
вариант снеговой
F1p 1 = p B d = 1,653 кН/м2 6 м 3
м·2,63= 12 кН,
F1p1 = p B d с3 = 0,67 кН/м2
·6 м 3 м 2,6 = 31,16 кН ≈ 31 кН,
F2p1 = F3p1= 0,
Опорные
реакции:
на
левой опоре
на
правой опоре
FОП1 - 74,2 +
75.7 + 57,6 = 59,1кН
Определение
усилий в стержнях фермы
Усилия
в стержнях фермы определяем методом вырезания узлов, раздельно для каждой нагрузки.
Для симметричных нагрузок.
Σ Fx = 0, N в1-1∙cosα = 0;
N в1-1=
0;
Σ Ан = 0б - Т + Т в1-1 ыштα=0ж
N=0.
Σ Fx = 0, N 12∙cosα + N 2n
= 0;
Σ Fy = 0, 58,2+ N 12 sinα=0;12 = -
;
.
Σ Fy = 0, -22-N 12∙sinα - N23.sinβ = 0;23 =
;
Σ Fx = 0, -N 12.cosα+N23*sinβ+ N23 =0;
N 34 =N
в3-4 =115.5кН;
N в2-3 =N
в3-4 =115.5кН;
Σ Fy = 0, N 34 + N45.соsα + N 23 соsα = 0;
N 45 =
;
Σ Fx =
0, -N 2n
-N23 * sinα+ N45 sinα+ N5n=0;
-N 5n -N2n + N23
sinα - N45
sinα =66.1+61.2*sin54-0.39*sin54=115.4кН;
От
снеговой нагрузки 1-й вариант
Σ Fy = 0, 56,6 + N12.sinα = 0;
N 12 =
;
Σ Fx = 0, -N 12 * cosα+ N24 =0;
N24 =85.6*cosα=64.3кН;
Σ Fy = 0, - N12.sinα -28.8- N23 sinβ = 0;
N 23 =
;
Σ Fx = 0, -N 12 - cosα+
N23
cosβ+ NB2-1 =0;
NB2-3 = N 12 *cosα-N 23 cosβ=-102.2кН;
Σ Fy = 0, N34 = 27,8кН;
Σ Fy = 0, N2-3.sin36 + N34
+ N45 sin36= 0;
N 45 =
;
Σ Fx = 0, -N 2n - N23
cos36+ N45=0;
N5n = 64.3+47cos36-0.09 cos36=102.2кН;
от снеговой нагрузки 2-й вариант
Σ Fy = 0, 74.2 + N12.sinα = 0;
N 12 =
;
Σ Fx =
0, -N 12 * cosα+ N24 =0;
N24 =112.3*cos41=84.3кН;
Σ Fy = 0, - N23.sin36 -N12
sin41-39.8 = 0;
N 23 =
;
Σ Fx = 0, -N 12 * cos41+
N23 cos36+ NB2-1 =0;
NB2-3 = -112.3 *cos41-58.2cos36=-131.2кН;
Σ Fy = 0, N34 = -38кН; В2-3 = N В3-4=-131.2кН;
Σ Fy = 0, N2-3.sin36 + N34
+ N45 sin36= 0;
N 45 =
;
Σ Fx = 0, -N 2n - N23
cos36+ N45 cos36 N 5n =0;
N5n = N2n+N2ncos36- N 45
cos36
.3+58.2*cos36+6*cos36=136.1кН
N1’2’=
;2’n
=102.8*cos41=77.2кН;2’3’=sin36-35.5-N1’2’*sin41=02’3’
=
;
NB2-3 - N23 cos36 = 0кНB2-3
= -54.8cos36=-44.2кН
N4’5’*sin36+N3’4’+ N2’3’*sin36=04’5’
=
;3’4’ =-28.8кНв 2’3’ = N3’4’ =-44,2кН*h=M=1кНм
F=1/h=1/2=0.4545 B1-1=-0.4545
N12.sin41-0,057 = 0;
N 12 =
;
,4545+0,0865 *cos41+ N2n =0;
N2n = +0.3896кН;
-0.0865*sin41- N34 sin36=0
N34 =
.4545-0.0865*cos41-0.0966*cos36+ NB2-3=0B2-3 =-0.31168кН
NВ3-4 =0,31168кН34=034* sin36+N45 sin36=0
N34= N45 =0.0966
N34* cos36- N24 + N45*
cos36+ N5n =05n =-0.0966 cos36+0.38961-0.0966
cos36=0.23381’2’ sin41+0.0571=01’2’=
N2’n - N1’2’ cos41=0.065кН1’2’ sin41- N2’3’ sin36=02’3’=
NB’2-3’=-N2’3’ cos36=0B’2-3’
=-N2’3’*cos36=-0.078
N4’5’ cos36- N5n + N2’3’
cos36+ N2’n =04’5’=
Усилия
в стержнях от снеговой нагрузки
|
1-й вариант
|
2-й вариант
|
|
1-ая половина
|
2-ая половина
|
|
Nв1-1 =0
|
0
|
0
|
|
N1-2= - 83.6 кН.
|
- 112,3 кН
|
-198 кН
|
|
N2n= 64.3 кН
|
84,3 кН
|
-198 кН
|
|
N 2-3 = 47kH
|
58,2 кН
|
-199 кН
|
|
Nв2-3 = -102.2
кН
|
-131,2кН
|
-199 кН
|
|
N3-4= -27.8 кН
|
-38 кН
|
214 кН
|
|
Nв2-3= -102,2 кН
|
-131,2 кН
|
189 кН
|
|
Nв3-4 = - 102,2 кН
|
-131,2 кН
|
-196 кН
|
|
N4-5 = 0,01 кН
|
-29,8 кН
|
-6,1 кН
|
|
N5-6= 102,2 кН
|
136,1 кН
|
136,1 кН
|
Для определения усилий от опорных моментов удобно найти усилия в стержнях
фермы от единичного момента, приложенного к левой опоре. Зеркальное отображение
этих усилий дает значения усилий в стержнях фермы от единичного момента,
приложенного к правой опоре. Усилия от единичных моментов умножаются на
соответствующие значения моментов и суммируются. Для расчета единичный момент
заменяется парой сил с плечом, равным расчетной высоте фермы на опоре:
F∙h = М = 1 кН∙м;
F= 1 /
h = 1 / 3,13 = 0,317 кН;
Подбор сечений сжатых стержней фермы.
Верхний пояс
стержень В2 - 3. усилие N = - 246,7 кН;
l = 3
м;
μх = 1,х-х - в плоскости фермы;
μy = 1,у-у - из плоскости фермы.
Расчетное сопротивление стали:= 240 МПа = 24 кН/см2, марка
стали ВСт 3пс5-1; коэффициент условий работы стержня γ
= 0,95;
Расчетные длины стержня:
ох = μх∙l;оу = μy∙l,
где
l ох - расчетная длина стержня в
плоскости фермы;
l оу - расчетная длина стержня из
плоскости фермы;
для рассматриваемой фермы
ох = l оу = 1∙3,02 м = 3,02 м.
Задаемся гибкостью λ = 70, по прилож. определяем коэффициент
продольного изгиба φ = 0,754. Тогда требуемая площадь сечения
Атр ≥ N / (φ∙R∙γ) = 246,7 кН / (0,754∙0,95∙24 кН/см2) = 14,35 см2;
соответствующие радиусы инерции
х = i y = l ox
/ γ = l оу / λ = 300 см / 70 = 4,3 см.
Принимаем два уголка 90*56*6, по ТУ 36-2287-80),
А = 17,08см2,i х = i y = 4,49 см.
Определим наибольшую гибкость стержня относительно оси х-х и у-у:
λ х = λ у = l ох / i х = l оу / i у = 300 см / 4,49 см = 66,8 à
φ = 0,775.
Напряжение
σ = N / φ∙А = 246,7 кН / (0,775∙22,9см2) = 18,63 кН/см2 < R∙γ = 24∙0,95 =
22,8 кН/см2.
Для стержня В3-4 принимаем такое же сечение как и для стержня
В2 -3,
Нижний пояс: стержень Н-2, усилие N = -80,65 кН;
l ох
= μх∙l = l∙5,75
м = 5,75 м;
l оу
= μу∙l = l∙5,75
м = 5,75 м;= 240 МПа = 24 кН/см2, γ = 0,95.
Задаемся гибкостью
λ = 70 à φ = 0,754:
Атр= N / (φ∙R∙γ) = -80,65 кН / (0,754∙0,95∙24 кН/см2) = 4,69 см2; х = i y = l ox
/ λ = l оу
/ λ = 575 см / 70 =
8,2 см.
Принимаем два уголка 90*56*6.
А = 17,08см2, i х= i у = 4,49 см.
Определим наибольшую гибкость стержня относительно оси х-х и у-у:
λх = λу = lох / ix = lоу / iy = 575 см / 4,49 см = 128 à φ = 0,37.
Напряжение
σ = N / φ∙А = 80,65 кН / (0,370∙17,08 см2) = 12,76 кН/см2 < R∙γ = 24∙0,95
= 22,8 кН/см2.
Раскосы
стержень 1-2, усилие N = - 200,4 кН;
l ох=
μх∙l = 0,5∙3,72 м = 1,86 м;
l оу
= μу∙l = 1∙3,72 м = 3,72 м;
= 240 МПа = 24 кН/см2, γ = 0,95.
Задаемся гибкостью
λ = 100 àφ
= 0,542:
Атр = N / (φ∙R∙γ)
= 200,4 кН / (0,542∙0,95∙24
кН/см2) = 16,21 см2;x= l ох / λ = 186 см / 100 = 1,86 см;у = l оу / λ = 372 см / 100 = 3,72 см.
Принимаем два уголка 75*6. А = 17,56 см2,i x= 2,3;
i у = 3,44 см.
Определим наибольшую гибкость стержня относительно оси х-х и у-у:
λх = l ох / i х = 186 см / 2,3 см =
80,8;
λe = l je | i y =
372 cv |3?44 cv = 108 à φ = 0?502/
Напряжение
σ = N / φ ∙А = 200,4 кН / 0,502∙17,56 см2 = 22,7кН / см2 < R∙γ = 24∙0,95 = 22,8 кН/см2.
стержень 4-5, усилие
= - 24,48 кН;=
3,72м; μх = 0,8; μу = 1;ох= μх∙l = 0,8∙3,72м = 2,976 м;оу = μy∙l = 1∙3,72м = 3,72 м;= 240 МПа = 24 кН/см2, γ = 0,95.
Задаёмся гибкостью
λ = 100 àφ = 0,542:
Aтр= N /(φ∙R∙γ) = 24,48 кН / (0,542∙0,95∙24
кН/см2) = 1,98 см2;
ix = l ox / λ = 297,6 см / 100 = 2,97 см;
iy = l oy /
λ = 372 см / 100 =
3,72 см.
Принимаем два уголка 56*5
А = 10,82 см2,i х =1,72; i у = 2,69 см.
Определим наибольшую гибкость стержня относительно оси х-х и у-у:
λх = l ox / i х= 297 см / 1,72 см =
170;
λу = l оу / i у= 372 см / 2,69 см =
138à φ
= 0,198.
Напряжение
σ = N / φ ∙А = 24,48 кН/ 0,198∙10,82 см2 = 11,4 кН/см2 < R∙γ = 24∙0,95 =
22,8 кН/см2.
Стойки: стержень 3-4, усилие N = - 74,2 кН;
l= 2,2
м;μх = 0,8;μy = 1;
l ох
= μх∙l = 0,8∙2,2 м = 1,76 м;
l оу =
μу∙l = 1∙2,2 м = 2,2 м;= 240 МПа =
24 кН/см2, γ =0,95.
Задаёмся гибкостью
λ = 100 àφ
= 0,542;
Aтр = N / (φ∙R∙γ)=74,2 кН / (0,542∙0,95∙24
кН/см2) = 6 см2;х = l ох / λ = 176 см / 100 = 1,76см;у, = l оу / λ = 220 см / 100 = 2,2 см.
Принимаем два уголка 50*5,
A =
9,6см2,i x =1,53; i у = 2,45 см.
Определим наибольшую гибкость стержня относительно оси х-х и у-у:
λх = l ох / i х = 176 см / 1,53 см
= 115;
λу = l oy / i у = 220 см /2,45 см =
90 à φ = 0,4485.
Напряжение
σ = N / φ∙А = 74,2 кН / 0,4485∙9,6см2 =
17,2 кН/см2 < R∙γ = 24∙0,95 = 22,8
кН/см2.
Подбор сечений растянутых стержней фермы.
Верхний пояс
стержень В1-1, усилие N = 92,56 кН;
l ох = 2,75 м;
l оу = 2,75 м;= 240 МПа = 24 кН/см2,
γ
= 0,95.
Расчетные сопротивления стали определяется по следующим формулам:
= R тн / γ м,в = Rвн/
γ м,
гдетн - нормативное сопротивление стали по пределу
текучести;вн - нормативное сопротивление стали по
временному пределу прочности (см. приложение 2 и приложение 29).
γм - коэффициент надежности по материалам
Соответствующие численные значения:
γм = 1,025;= 245 кН/см2 / 1,025 = 239 кН/см2;в
= 365 кН/см2 / 1,025 = 356 кН/см2.
Требуемую площадь сечения вычисляются по двум формулам:
σ = N / Aнетто ≤ R∙γ,
σ =N / Анетто ≤ Rв∙γ
/ γн,
где γ н
= 1,3 - коэффициент надежности.
Далее вычислим два значения площади:
А тр1 = N / R∙γ = 92,56 кН / (0,95∙23,9 кН/см2)
= 4,07 см2;тр2 = N∙γ н/Rв∙γ = 92,56 кН∙1,3 /(0,95∙35,6 кН/см2)
= 3,55 см2.
Назначаем большую площадь:
Атр = 4,07 см2.
Принимаем два уголка 75*50*5.
А = 12,22 см2,i x=2,39; i у = 3,75 см
λх = l ох / i х = 275 см / 2,39 см
= 115;
λу = l оу / i у = 275 см / 3,75 см
= 73,3
Напряжение
σ = N / A = 92,56 кН/ 12,22 см2 =7,57 кH/cм2 < R∙γ = 23,9∙0,95 = 22,7
кН/см2.
Нижний пояс
стержень Н-2, усилие
N = 159,46 кН;
l ох = 5,75 м;
l оу = 5,75 м;
Вычислим значение площади:
А тр = N / R∙γ = 159,46 кН / (0,95∙23,9 кН/см2)
= 7,02 см2;
Принимаем два уголка. 75*50*5
А = 12,22 см2,i x=2,39; i у = 3,75 см.
λх = l ох / i х = 275 см / 2,39 см
= 115;
λу = l оу / i у = 275 см / 3,75 см
= 73,3.
Напряжение
σ = N / A = 159,46 кН/ 12,22 см2 =13,04 кH/cм2 < R∙γ = 23,9∙0,95 = 22,7
кН/см2.
Стержень Н-5, усилие N = 251,5 кН;
l ох = 6,0 м;оу = 6,0 м;= 23,9 кН/см2;
Rв = 35,6 кН/см2,
γ = 0,95.
Напряжение
σ = N / Анетто ≤ R∙γ
Из этого условия найдем два значения площади:
Атр1 = N / R∙γ = 251,5 кН / (0,95∙23,9 кН/см2)
= 11,07 см2;тр2 = N∙γ н / Rв∙γ
= 251,5 кН∙1,3
/(0,95∙35,6 кН/см2) = 9,66 см2.
Принимаем два уголка 75*50*5.
А = 12,22 см2,i x=2,39; i у = 3,75 см.
λх = l ох / i х = 600 см / 2,39 см
= 251;
λу = l оу / i у = 600 см / 3,75 см
= 160.
Напряжение
σ = N / Анетто = 251,5 кН / 12,22 см2 = 20,58 кН/см2 < R∙γ = 23,9∙0,95 =
,7 кН/см2.
Стержень
2-3, усилие N = 159,48 кН;
ох = l∙μх = 3,72∙0,8 = 2,976 м;оу = l∙μу = 3,72∙1 = 3,72 м;= 23,9 кН/см2;в = 35,6 кН/см2,γ = 0,95
Атр = N / R∙γ = 159,48 кН / (0,95∙23,9 кН/см2)
= 7,02см2.
Принимаем два уголка 50*5.
А = 9,6 см2,ix =1,53; iy = 2,45 см
λх = 297,6 см / 1,53 см = 194,5;
λу = 372 см / 2,45 см = 152
Напряжение
σ = N / Анетто = 159,48 кН / 9,6 см2 = 16,6 кН/см2 < R∙γ = 23,9∙0,95 = 22,7
кН/см2.
Расчет сварных швов прикрепления раскосов и стоек к фасонкам и поясам
фермы
Для сварки узлов фермы применяем полуавтоматическую сварку проволокой Св
- 08 Г2с d = 1,4...2 мм, kш,max = 8 мм, βш = 0,9, βс = 1,05,
kш.max = 8 мм - максимальный
катет шва
βш = 0,9 и βс = 1,05 - коэффициенты глубины проплавления шва,
применяемые по приложению 18 в зависимости о вида сварки и положения шва, для
сталей с пределом текучести σ т ≤ 580 МПа, (при d = 1,4...2мм);
γушсв и γу.ссв - коэффициенты условий работы
сварного соединения, равные единице для соединений при t < 40°:
γушсв
= γу.ссв = 1;
ушсв -
расчетное сопротивление срезу (условному) металла шва
Для проволоки
A Reicd = 215 VGf = 21?5 rY|cv2$
Rycсв - расчетное сопротивление срезу (условному)
металла границы сплавления шва, принимаемое равным 0,45∙Rвн
(прил. 2):
Rвн = 370 MПa;
Rушсв∙βш = 215 МПа∙0,9 = 193 МПа > Rycсв∙β
с = 370 МПа∙1,05 = 174,8
МПа
Несущая способность швов определяется прочностью по границе сплавления
(γусв∙Rусв∙β)
min,
гдеyсв∙β - меньшее из значений:
Rушсв∙β ш или Rycсв∙β
c;
γусв = 1 так как γушсв
= γуссв = 1.
Необходимая длина шва определяется по формуле:
ш = N / 2∙kш∙(γусв∙Rусв∙β)min + 1 см
Далее заполняем таблицу (6.4)
Коэффициенты в табл. 6.4 берутся по СНиП II-23-81 «Стальные конструкции» или вычисляются легко по
известным правилам.
ш1-2 = 200,4 кН / (2∙0,8
см ∙17,5 кН/см2) + 1 см = 11,8см;ш2-3 = 159,48 кН / (2∙0,8 см∙17,5 кН/см2) + 1 см = 8,1см;ш3-4 = 85,4 кН / (2∙0,6 см∙17,5 кН/см2) + 1 см = 5,1см;ш4-5 = 114,1 кН/(2∙0,8 см∙17,5 кН/см2) + 1 см = 5,1см;ш5-6 = 37,4 кН / (2∙0,6 см∙17,5 кН/см2) + 1 см = 2,8см;ш6-7 = 58,8 кН / (2∙0,6 см ∙17,5 кН/см2) + 1 см = 3,8см;ш7-8 = 33,3 кН / (2∙0,6 см∙17,5 кН/см2) +
1 см = 2,6см;
Результаты вычислений занесены в таблицу 6.4. Приведенный расчет швов был
выполнен, предполагая, что элементы решетки и пояса фермы имеют вид парных
уголков и соединяются через угловые швы с помощью фасонок. Это был вариант
вычисления сварных швов.
8. Расчёт подкрановой балки
Требуется рассчитать подкрановую балку крайнего ряда,
пролетом 6 м, под два крана грузоподъемностью по Q = 30/5 т. Режим работы кранов - тяжелый. Пролет здания - 18
м. Материал балки: сталь Вст 3 Гпс 5-1;
= 230 МПа = 23 кН/см2;
Rcp = 135 МПа = 13,5кН/см2
Нагрузка на подкрановую балку.
По приложению для крана с грузоподъемностью Q = 30/5т, тяжелого режима работы,
наибольшее вертикальное усилие на колесе
кн = 315 кН;
вес тележки Gт = 120 кН;
тип кранового рельса - КР-100.
Схема крановой нагрузки приведена на рис.
Расчётные значения усилий на колесе крана определим по
формулам с учетом коэффициента надежности по назначению γн = 0,95:
Fк =
=
0,95∙1,1∙0,85∙1∙315 кН = 280кН;к =
=
0,95∙1,1∙0,85∙1∙76,5 кН = 68 кН;
где
n - коэффициент перегрузки, n = 1,1;
n с - коэффициент сочетаний
k1 - коэффициент динамичности, учитывающий ударный характер
нагрузки при движении крана по неровностям пути и на стыках рельсов и
принимаемый в зависимости от режима работы крана и пролета подкрановых балок k1 = k2 = 1;
- максимальное
давление на катке крана.
Определение
расчётных усилий
Максимальный
момент возникает в сечении, близком к середине пролета. Загружаем линию влияния
момента в середине сечения, устанавливая краны невыгоднейшим образом. Так как
нагрузка подвижная, то сначала нужно найти такое ее положение, при котором
расчетные усилия в балке будут наибольшими. Наибольший изгибающий момент в
разрезной балке от заданной системы сил возникает, когда равнодействующая всех
сил, находящихся на балке, и ближайшая к ней сила равноудалены от середины
пролета балки, при этом наибольший изгибающий момент Мmax будет
находится под силой, ближайшей к середине пролета балки.
Расчетный
момент от вертикальной нагрузки определяется по формуле:
,
где
α = 1,05 - коэффициент, учитывающий влияние собственного веса
подкрановых конструкций и временной нагрузки на тормозной площадке: α = 1,03 при l = 6 м; α = 1,05 при l = 12 м; α = 1,08 при l = 18 м);
yi -
ординаты линий влияния;
K = 280 кН;1 = F2 = 280 кН,
где
k = 1; 2
хо =
=
3 м
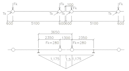
Мх = 1,03∙280 кН∙(1,175
м + 1,175 м) = 677,7 кН∙м.
Расчётный
момент от горизонтальной нагрузки определяется по формуле:
=68
кН∙2,35 м = 159,8 кН∙м,
Мх
= 677,7 кН∙м,
Му
= 159,8 кН∙м,
Для
определения максимальной поперечной силы загружаем линию влияния поперечной
силы на опоре (рис. 7.3).
Расчетные
значения вертикальной и горизонтальной поперечных сил определяются по следующим
формулам:
x =
= 1,03∙280 кН∙1,783 = 514 кН∙м
где
α = 1,03;
у =
= 68 кН∙1,783 = 121 кН∙м.
Подбор
сечения балки
Принимаем
подкрановую балку симметричного сечения с тормозной конструкцией в виде листа
из рифленой стали t = 6 мм и швеллера № 16. Значение коэффициента β определим по формуле:
β = 1 +
=1 +
= 1,47,
Wx.тp=
=
= 4331
см3,
где
R = 23 кН/см2, γс =1.
Задаёмся
kcт
=
= 118,75.
Оптимальную
по расходу стали высоту балки вычисляем по формуле (по I - ой группе
предельных состояний):
=
= 92 см.
Минимальную
высоту балки приближенно находим по формуле (по II - ой группе
предельных состояний):

= 33,5
см,
где
Мн
- момент от загружения балки одним краном при n = 1,0;
Е
= 2,06∙104 кН/см2;
β = 1,47
l = 6м = 600 см;
Мх
= 677,7 кНм;
γ = 1;
-
относительные прогибы - нормируемые величины:
= 400 -
для кранов легкого режима работы;
Значение
Мн определяется по линии влияния; сумма ординат линии влияния при
нагрузке от одного крана:
Мн
=
=0,95∙0,85*315 кН∙2,35м = 598 кН∙м,
где
γн = 0,95;
В
данном проекте предусмотрены мостовые краны лёгкого режима работы, поэтому
назначаем
= 400.
hопт = 92 cм > hmin = 33,5 см
Принимаем
высоту балки hб = 94 см
Задаёмся
толщиной полок tп = 2 см,
тогда
ст = hб - 2∙tп = 94 - 2∙2,0 = 90 см.
Из
условия среза стенки поперечной силой Q х:
ст ≥
1,5∙
= 1,5∙
= 0,63 см,
гдеx = 514 кН;cт = 90 см;
Rсp
= 13,5 кН/см2.
Принимаем
стенку толщиной 0,8 см.
Отношение
kcт =
=
= 112,5 < kст = 118,75;
Окончательно
принимаем
cт = 0,8 см; hcт
= 90 см; hб = 94 см; tп = 2 см.
Размеры
поясных листов определим по формулам:
= 203557 см 4;
= 48600 см 4;

36,6 см 2
Принимаем
пояс из прокатного листа с сечением 20
200 мм:
Ап
= 2 см∙20 см = 40 см 2
Местная
устойчивость пояса проверяется по формуле:
=
= 4,8 < 0,5∙
= 0,5∙
= 15,1,
гдеп = 20 см;cт = 0,8 см;п = 2 см.
Устойчивость
пояса обеспечена
По
полученным данным компонуем сечение балки.
Проверка
прочности сечения
Определяем
геометрические характеристики принятого сечения
Относительно
оси х-х:
=
=
217880
см 4;
=
= 46,35 см 3,
где
- момент сопротивления изгибу верхнего пояса.
Далее
вычисляем геометрические характеристики тормозной балки относительно оси у-у (в
состав сечения тормозной балки входят верхний пояс балки, тормозной лист и
швеллер). Найдем расстояние от оси подкрановой балки до центра тяжести сечения:
= 41,5
см
где
,6
см - толщина тормозного листа;
см
- длина тормозного листа;
см
2 - площадь швеллера;
см
- толщина полок tп;
см
- длина полок bп.
= 169500
см 4;
Далее
проверим нормальное напряжение в верхнем поясе:
=
= 19,47 кН/см2 < R =
23 кН/см2,
где
Мх
- расчетный изгибающий момент в вертикальной плоскости, относительно оси х-х;
Му
- расчетный изгибающий момент в горизонтальной плоскости, относительно оси у-у;
- момент
сопротивления при изгибе в точке А относительно оси х-х;
- момент
сопротивления при изгибе в точке А относительно оси у-у.
Прочность
стенки на действие касательных напряжений на опоре обеспечена, так как принятая
толщина стенки больше толщины, определенной из условия среза. Жесткость балки
также обеспечена, так как принятая высота балки hб > hmin.
Проверим
прочность стенки балки на действие местных напряжений (под колесом крана):
=
= 22,5 кН/см 2 < R =
23 кН/см 2;
=
= 261,8 кН,
где
γf
- коэффициент, учитывающий увеличение нагрузки на колесе за счет возможного
перераспределения усилий между колесами и динамический характер нагрузки;
принимается равным - 1,6 при кранах с жестким подвесом груза; 1,4 - при кранах
особого режима с гибким подвесом груза; 1,1 - при прочих кранах;
=
= 261,8 кН.
Условную
длину распределения усилий Fк зависящую
от жесткости пояса, рельса и сопряжения пояса со стенкой, найдем по формуле:
= 3,25∙
= 16 см.
Здесь:
с
- коэффициент, учитывающий степень податливости сопряжения пояса и стенки: для
сварных балок с = 3,25, а для клепаных с = 3,75;
tcт - толщина стенки;
In1 - сумму собственных моментов инерции пояса и
кранового рельса или общий момент инерции в случае приварки рельса швами,
обеспечивающими совместную работу рельса и пояса, определим так:
=
= 239,4 см 4,
где
Iр = 2865
см 4 - момент инерции рельса КР.
=
= 22,5 кН/см 2 < R∙γ = 23 кН/см 2;
Далее
в подобранном сечении балки следует проверить приведенные напряжения по СНиП
“Стальные конструкции”
Список
использованной литературы
1. Металлические конструкции:
Махачкала 2010,под редакцией Юсупов А.К.
. Под редакцией Беленя “Металлические
конструкции” Москва, Стройиздат 1985 г.
. Металлические конструкции:
Справочник проектировщика. Москва, Стройиздат 1980г под редакцией Мельникова
Н.П.
. СНиП 2-6-74 “Нагрузки и
воздействия”. Нормы проектирования Москва, стройиздат 1982 г
. СНиП 2-23-81 “Стальные
конструкции”. Нормы проектирования Москва, Стройиздат 1982 г.
. Справочник проектировщика,
Расчетно-теоретический. Москва Стройиздат 1972 г. Под редакцией Уманского
Москва, Cтройиздат 1972 г.