Расчет основания фундамента по деформациям
Содержание
Введение.
Расчет фундамента мелкого заложения
.
Исходные данные
.
Оценка грунтов и грунтовых оснований
.
Назначение глубины заложения фундамента
.
Расчет естественного основания фундамента мелкого заложения по деформациям
.1
Выбор конструктивных размеров подушки
.2
Метод послойного суммирования
.3
Проверка прочности подстилающего слабого слоя
.
Расчет крена фундамента от изгибающего момента
6. Расчет
консолидации
II.
Расчет свайного фундамента
.
Исходные данные
.
Грунтовая обстановка
.
Определение несущей способности висячих свай
4. Количество
свай
. Определение
фактических усилий на каждую сваю
. Расчет
оснований свайного фундамента
.1 Выбор
условной подушки свайного фундамента
.2 Метод
послойного суммирования
.3 Расчет
крена фундамента от изгибающего момента
. Расчет
проектного отказа сваи
Вывод
Введение
Основания и фундаменты любого объекта должны проектироваться
индивидуально с учетом особенностей строительной площадки, конструктивных
решений и эксплуатационных требований, предъявляемых к зданиям и сооружениям.
Для проектирования и устройства фундаментов необходимо решить ряд
вопросов, рассмотренных в данной работе.
При оценке категории сложности грунтовых условий следует определить
основные показатели физико-химических свойств грунтов и обязательно главные из
них: модуль деформации и расчетное сопротивление.
При назначении глубины заложения необходимо учесть:
. назначения зданий и сооружений, наличие подвалов;
. величины и характер нагрузок, действующих на основание;
. геологические и гидрогеологические условия;
. возможные влияния сезонного промерзания.
Для проектирования оснований и фундаментов необходимо располагать
сведениями о сооружении и величине и характере нагрузок.
Сбор нагрузок, действующих на основание в плоскости подошвы фундамента,
следует производить в соответствии со статической схемой сооружения. Для
отдельно стоящих фундаментов нагрузка собирается с соответствующей грузовой
площади.
В работе проводится расчет основания фундамента по деформациям, а также
расчет осадки во времени (для определения скорости протекания осадки
фундамента).
Если расчет основания под фундамент оказался удовлетворительным, то
принимаются окончательные размеры фундамента. При этом выбранный фундамент
рассчитывается как железобетонная конструкция.
I. Расчет фундамента мелкого заложения
. Исходные данные
N =
4000 кН
M =
420 кНм
h1 = 4.5 м
h2 = 2.5 м
hw = 3.2 м
|
1 слой ρs = 2.66 т/м3 ρ = 1.80 т/м3 W = 0.18 Е =
33 МПа = 33000 кПа ν
= 0.27 φ = 33
|
2 слой ρs = 2.73 т/м3 ρ = 1.55 т/м3 W = 0.35 WP = 0.20 WL = 0.45 кф =
0.09 см/год Е = 11 МПа = 11000 кПа ν = 0.42 φ = 13 с = 41 кПа
|
3 слой ρs = 2.65 т/м3 ρ = 1.80 т/м3 W = 0.18 Е =
33 МПа = 33000 кПа ν
= 0.27 φ = 34
|
|
|
грансостав
|
d > 5 мм - нет 5-2 - 16 % 2-0.5 - 16 % 0.5-0.25 -
32 % 0.25-0.1 - 9 % d < 0.1 - 27 %
|
|
грансостав
|
d > 5 мм - нет 5-2 - 14 % 2-0.5 - 14 % 0.5-0.25 -
34 % 0.25-0.1 - 10 % d < 0.1 - 28
%
|
2. Оценка грунтов и грунтовых оснований
По гранулометрическому составу
1-й слой: песок пылеватый, т.к. по ГОСТ 25100-95 частицы размером более
0.1 мм составляют 73 %, т.е. < 75 %.
-й слой: песок пылеватый, т.к. по ГОСТ 25100-95 частицы размером более
0.1 мм составляют 72 %, т.е. < 75 %.
Плотность сложения по коэффициенту пористости
1-й
слой:
т/м3
-й
слой:
т/м3
-й
слой:
т/м3
Коэффициент
пористости:
-й
слой:
-й
слой:
-й
слой:
По
степени неоднородности
-й
слой:
грунт неоднородный;
-й
слой:
грунт неоднородный.
Где
и
определены
по рисунку 1.
Рисунок
1. Графики неоднородности грунтов
Степень
водонасыщения по степени влажности
1-й
слой:
грунт средней степени водонасыщения, т.к.
2-й
слой:
грунт средней степени водонасыщения, т.к.
3-й
слой:
грунт влажный, т.к.
Наименование
по числу пластичности.
глина
Консистенция
по индексу текучести.
глина
мягкопластичная,
т.к.
Поведение
при замачивании.
глина не
набухающая
грунт просадочный
Вывод:
1-й слой песчаный грунт, пылеватый, средней плотности, неоднородный, средней
степени водонасыщения.
-й
слой глина, мягкопластичная, насыщенная, просадочная при замачивании, не
набухающая.
-й
слой песчаный грунт, средней крупности, пылеватый, неоднородный, влажный.
. Назначение глубины заложения фундамента
Расчетная глубина промерзания:

По
таблице 1 СНиПа 2.02.01-83* определяем
(при t =
5оС).
Конструктивная
глубина заложения:
.1
> 1.52
Таким
образом, так как отметка планировки -0.000м, то отметка низа фундамента будет
-2.100 (рисунок 2).
Несущий
слой - песок, следовательно, глубина заложения фундаментов при условии
должна быть не менее
(по
табл. 2 СНиП 2.02.01-83*).
Принимаем
монолитный фундамент из бетона В20.
Рисунок
2. Конструкция фундамента
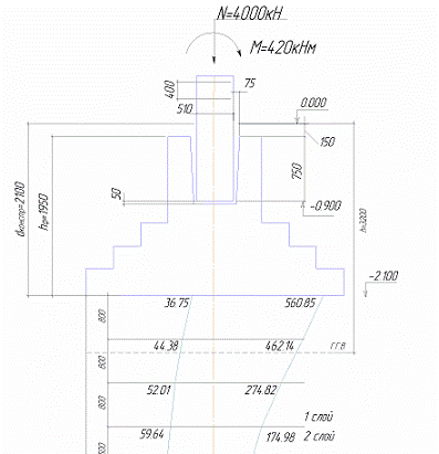
. Расчет естественного основания фундамента мелкого заложения
по деформациям
.1 Выбор конструктивных размеров подушки
При расчете деформаций основания с использованием расчетных схем среднее
давление под подошвой фундамента рср не должно превышать расчетного
сопротивления грунта основания R,
кПа:
Принимаем
размеры фундамента:= 3.0 м= (0.6…0.8) l = 2.4 м
-
площадь подошвы фундамента
Вес
фундамента с грунтом на уступах:
где
- осредненный удельный вес массива бетона и грунта.
Расчетное
сопротивление грунта под подошвой фундамента:
где
gс1 и gс2 -
коэффициенты, условий работы, принимаемые по табл. 3; k -коэффициент,
принимаемый равным: k1 = 1, если прочностные характеристики грунта (j и с) определены непосредственными испытаниями, и k1 = 1,1,
если они приняты по табл. <> 1-3 рекомендуемого приложения 1 <>; Мg , Мq,
Mc -коэффициенты, принимаемые по табл. 4 <>;z
-коэффициент, принимаемый равным: при b < 10 м - kz
= 1, при b ³ 10 м - kz = z0/b + 0,2 (здесь z0
= 8 м); b - ширина подошвы фундамента, м;
gII - осредненное расчетное значение удельного веса
грунтов, залегающих ниже подошвы фундамента (при наличии подземных вод
определяется с учетом взвешивающего действия воды), кН/м3 (тс/м3);
g/II - то
же, залегающих выше подошвы;
сII -расчетное
значение удельного сцепления грунта, залегающего непосредственно под подошвой
фундамента, кПа (тс/м2);1 -глубина заложения фундаментов
бесподвальных сооружений от уровня планировки или приведенная глубина заложения
наружных и внутренних фундаментов от пола подвала, определяемая по формуле
(8)
где hs - толщина
слоя грунта выше подошвы фундамента со стороны подвала, м;cf -
толщина конструкции пола подвала, м;
gcf -
расчетное значение удельного веса конструкции пола подвала, кН/м3
(тс/м3);b -глубина подвала - расстояние от уровня
планировки до пола подвала, м (для сооружений с подвалом шириной B £ 20 м и глубиной свыше 2 м принимается db =
2 м, при ширине подвала B > 20 м - db = 0).
В данном случае:
по табл. 3 СНиП 2.02.01-83*;
т.к. b<10 м;
Коэффициенты Мg , Мq, Mc :
Для 1-ого слоя при φ = 33о: Мg = 1.44, Мq = 6.76, Mc = 8.88.
Удельный вес грунтов под
полошвой фундамента:
Удельный вес грунта выше
подошвы фундамента:
- для песков этой составляющей нет
Так как все условия соблюдаются, то принимаем фундаментную подушку с размерами
l = 3 м и b = 2.4 м.
фундамент свая грунтовой деформация
4.2 Метод послойного суммирования
Определение осадки подошвы фундамента производится методом послойного
суммирования. Для этого по центральной вертикальной оси фундамента ведут
построение эпюр бытового давления σzg и дополнительного σzp.
,
где
и
-мощность
и удельный вес вышележащих слоев грунта.
Для
грунтов ниже уровня Г.Г.В. учитывают удельный вес с учетом взвешивающего действия
воды:
.
-й
слой:
,
-й
слой:
,
-й
слой:
.
Определение
осадки подошвы фундамента производится методом послойного суммирования. Для
этого по центральной вертикальной оси фундамента ведут построение эпюр бытового
давления σzg и
дополнительного σzp.

Определяем
дополнительное давлениеот внешней нагрузки:
,
,
где
α
- коэффициент, при l/b=3.5/2.8=1.25,
определяемый по табл. 10 прил. 1 (метод.)
Нижняя
граница сжимаемой толщи (НГСТ) основания определяется Нс, по
условию:
.
Среднее
дополнительное давление в элементарных слоях определяется по формуле:
и т.д.
Результаты
расчета давлений σzg и σzp
представлены в таблице 1.
Осадка
фундамента определяется по формуле:
,
где
- среднее дополнительное давление в элементарном слое.
После
этого проверяем выполнение условия:
.
Принимаем предельную осадку
. [6]
Таблица 1. Расчет осадки фундамента
Глубина от поверхн. Н, м Глубина от
подошвы z, м Коэф.
Коэф.
Доп. давление
,
кПаУдельн. вес
, кН/м3Бытовое давление
, кПаМодуль деф.
Е, кПаСреднее
|
давление в слое ,кПаТолщина элемент. Слоя hi ,
мОсадка элемент слоя Si, м
|
|
|
|
|
|
|
|
|
|
|
2.1
|
0.00
|
0.00
|
1.000
|
560.85
|
17.5
|
36.75
|
33000
|
0.0000
|
0.00
|
0.0000
|
|
h1
|
2.9
|
0.8
|
0.8
|
0.824
|
462.14
|
9.54
|
44.38
|
33000
|
511.5
|
0.8
|
0.0099
|
|
h2
|
3.7
|
1.6
|
1.6
|
0.490
|
274.82
|
9.54
|
52.01
|
33000
|
368.48
|
0.8
|
0.0052
|
|
h3
|
4.5
|
2.4
|
2.1
|
0.291
|
174.98
|
9.54
|
59.64
|
11000
|
224.9
|
0.8
|
0.0044
|
|
h4
|
5.0
|
2.4
|
0.185
|
163.21
|
7.2
|
63.21
|
11000
|
169.09
|
0.5
|
0.0061
|
|
h5
|
5.5
|
3.4
|
3.2
|
0.126
|
103.76
|
7.2
|
66.81
|
11000
|
133.48
|
0.5
|
0.0048
|
|
h6
|
6.0
|
3.9
|
4.0
|
0.091
|
70.67
|
7.2
|
70.41
|
11000
|
87.22
|
0.5
|
0.0032
|
|
h7
|
6.5
|
4.4
|
4.8
|
0.068
|
51.04
|
7.2
|
74.01
|
11000
|
60.85
|
0.5
|
0.0022
|
|
h8
|
7.0
|
4.9
|
5.6
|
0.053
|
42.06
|
7.2
|
77.61
|
11000
|
46.55
|
0.5
|
0.0016
|
|
h9
|
7.8
|
5.7
|
6.4
|
0.042
|
38.14
|
9.2
|
84.97
|
33000
|
40.1
|
0.8
|
0.0007
|
|
h10
|
6.5
|
7.2
|
0.034
|
23.56
|
9.2
|
92.33
|
33000
|
30.85
|
0.8
|
0.0005
|
|

|
|
Рисунок
3. Эпюры бытовых
, дополнительных
давлений
4.3 Проверка прочности подстилающего слабого слоя по условию
,
где
левая часть условия - действующее суммарное давление на кровлю слабого слоя;
- расчетное сопротивление на кровле слабого слоя.
,
,
на
подошве 1-го слоя:
по табл. 3 СНиП 2.02.01-83*;
т.к. b<10 м;
Коэффициенты
Мg , Мq, Mc :
Для
1-ого слоя при φ
= 33о: Мg = 1.44, Мq
= 6.76, Mc = 8.88.
,
где
- соответственно b=2.4м; отсюда
- т.к.
песок
- на кровле 2-го слоя:
по табл. 3 СНиП 2.02.01-83*;
т.к. b<10 м;
Для
2-ого слоя при φ
= 13о: Мg = 0.26, Мq
= 2.05, Mc = 4.55.
- для
глины
- на
подошве 2-го слоя:
по табл. 3 СНиП 2.02.01-83*;
т.к. b<10 м;
Для
2-ого слоя при φ
= 33о: Мg = 1.44, Мq = 6.76, Mc = 8.88.
,
- на кровле 3-го слоя:
по табл. 3 СНиП 2.02.01-83*;
т.к. b<10 м;
Для
3-ого слоя при φ
= 13о: Мg = 0.26, Мq = 2.05, Mc = 4.55.
-
на НГСТ:
Коэффициенты
при φ
= 33о: Мg = 0.39, Мq = 2.57, Mc = 5.15.
Эпюра
расчетных сопротивлений приведена на рисунке 4.
Вывод:
в пределах сжимаемой толщи основания нет слоя грунта меньшей прочности, чем
прочность грунта вышележащих слоев и проверка прочности подстилающего слабого
слоя не требуется.
Рисунок
4. Эпюра расчетных сопротивлений
5. Расчет крена фундамента от изгибающего момента
Крен фундамента под колонну, вызванный моментом сил М, определяют по
формуле:
,
где
ν
- коэффициент Пуассона (ν =0,27)
ke=0.45-
модуль деформации несущего слоя
Расчетный
крен i не должен превышать предельного значения iu=0.003
, условие
выполняется.
. Расчет консолидации
1. Характер работы слоя - независимый, односторонняя фильтрация. По
очертанию эпюры дополнительных давлений - расчетный случай №3 (табл. 11 прил 1
метод.)
. Коэффициент консолидации слоя:
,
где
Н - мощность слоя, β=0.3
(песок);
для
5-го расчетного случая:
при
(табл. 13 метод.)
Полную
расчетную осадку, определенную методом послойного суммирования, разделяем на
осадку всех песчаных грунтов Sn и
осадку глинистого грунта Sгл, т.е.
Расчет
консолидации представлен в таблице 2.
Таблица
2. Расчет консолидации
|
 t
|
|
|
|
0.00
|
0.00
|
0.0000
|
|
0.20
|
0.04232
|
0.9
|
|
0.40
|
0.19696
|
4.2
|
|
0.60
|
0.52788
|
11.25
|
|
0.80
|
1.19904
|
25.56
|
|
0.95
|
2.26367
|
48.26
|
Рисунок 4. График консолидации
Вывод: по заданным нагрузкам на ленточный фундамент и грунтовым условиям
были определены параметры фундамента мелкого заложения.
Рассчитана осадка фундамента равная 2.4 см при допустимой - 8 см.
Проверка давления на слабый подстилающий слой не требуется, т.к. из эпюры
расчетных сопротивлений следует, что таковой слой отсутствует.
Определен крен фундамента, вызываемый изгибающим моментом М. Он равен
0.0024 при допустимом iu=0.003.
Рассчитана консолидация основания, составлен график. Полное время для
осадки составляет 48.26 лет.
II. Расчет свайного фундамента
. Исходные данные
См. п.1 в разделе «Расчет фундамента мелкого заложения».
2. Грунтовая обстановка
См. п.2 в разделе «Расчет фундамента мелкого заложения».
3. Определение несущей способности висячих свай
где
gc -
коэффициент условий работы сваи в грунте, принимаемый gc = 1;- расчетное сопротивление грунта под нижним концом сваи, кПа
(тс/м2), принимаемое по табл.1;- площадь опирания на грунт сваи, м2,
принимаемая по площади поперечного сечения сваи брутто или по площади
поперечного сечения камуфлетного уширения по его наибольшему диаметру, или по
площади сваи-оболочки нетто;- наружный периметр поперечного сечения сваи, м;i
- расчетное сопротивление i-го слоя грунта основания на боковой поверхности
сваи, кПа (тс/м2), принимаемое по табл.2;i - толщина 1-го
слоя грунта, соприкасающегося с боковой поверхностью сваи, м;
gcR gcf - коэффициенты условий работы грунта соответственно
под нижним концом и на боковой поверхности сваи, учитывающие влияние способа
погружения сваи на расчетные сопротивления грунта и принимаемые по табл. 3. [9]
(находим
по интерполяции по табл. 15 прил. 1 [3]) при глубине погружения 7.5 м в
песчаный грунт средней крупности;
|
hцi,м
|
hi,м
|
fi,м
|
|
4.5
|
0.5
|
4.0 (при Il=0.6)
|
|
5.2
|
1.5
|
8.0
|
|
6.5
|
1.0
|
42
|
|
7.2
|
1.5
|
54.32
|
|
9.5
|
1.5
|
64.78
|
|
10.2
|
1.5
|
78.16
|
Выбираем сваю с размерами: l=7.5
м; d=40 см; А=0.16м2; u=1.6м
,
где
4.
Количество свай
5.
Определение фактических усилий на каждую сваю
,
где
Md и Nd-соответственно расчетное усилие и расчетный момент
относительно центральной оси плана свай в плоскости подошвы ростверка;
n - число свай в
фундаменте;
yi -
расстояние от главной оси свайного поля до оси каждой сваи;
y - то же, до
оси сваи, для которой вычисляется нагрузка.
Рисунок
5. Схема расположения свай и ростверка
Проверка
выполнения условий:
Так
как условие надежности не выполняется, то увеличим размер сваи до 50 см.
Принимаем размеры сваи l=7.5м, d=50 см, кол-во 6.
6. Расчет оснований свайного фундамента
.1 Выбор условной подушки свайного фундамента
Свайный
фундамент представляется в виде условного сплошного фундамента на естественном
основании. Ширина и длина условной подошвы определяется с использованием угла
рассеивания
где
Рисунок
6.